开关电源中光耦电路设计
- 格式:docx
- 大小:220.27 KB
- 文档页数:6
简易常用光耦测试电路只要6个元件
这个电路是在一个主板维修基地看到的,感觉非常不错,因为目前开关电源也是需要光耦的,我画了3个电路方案,红框方案建议有小阻值大功率电阻的尝试因为发热会很大
材料:
洞洞版
1K电阻
560电阻
4脚IC座
LED发光二极管
排针(Cr2032电池也可以)
用排针或者开关可以改装两用测量4角和6脚都可以
[hr]
左上是适用常见的光耦如PC817非常常见用途广泛
左下是适用常见的6脚光耦
红框方案是无意间想出来的,试验了一下可调电阻发热非常大,
面包板试验电路光耦是PC817 光耦输入限流是510 输出限流是560 VCC是 USB 5V 500mA
还没有剪裁板子很小我这个都是正极直接接入光耦,限流都接在负极,和电路图不一样
背面电路没走多少线。
光耦通常与TL431一起使用。
下面是led电源驱动芯片(开关电源芯片)TMG0321/TMG0165/TMG0265/TMG03655的部分电路。
两电阻串联取样到431R端与内部比较器进行比较.然后根据比出的信号再控制431K端(阳极接光耦那一端)对地的电阻,然后达到控制光耦内部发光二极管的亮度.(光耦内部一边是一发光二极管,一边是一光敏三极管)通过发光的强度.控制另一端三极管的CE端的电阻也就是改变了led电源驱动芯片(开关电源芯片)TMG0321/TMG0165/TMG0265/TMG0365检测脚的电流(1脚:电压反馈引脚,通过连接光耦到地来调整占控比)。
根据电流的大小,led电源驱动芯片(开关电源芯片)TMG0321/TMG0165/TMG0265/TMG0365就会自动调整输出信号的占空比,达到稳压的目的TL431是这样工作的:上图中的431不是用于稳压,而是用作一个电压门限开关。
它与R10、R11一起监测+12V电源的变化,当+12V升高时,431的K极和A极短接,然后将光耦发光二极管的阴极接地,光耦导通,电源芯片TMG0165的第一管脚(FB)被拉低,芯片便调整输出占空比,使+12V电压降低。
当+12V降低时,光耦不导通,电源芯片FB端为高电平,它就调整输出占空比,使+12V升高。
TL431的原理框图如下TL431用作稳压电路时,典型电路如下当输入电压变化时,431会将变化的电压通过电流的作用转化到输入端的电阻上。
其过程为:当输入端电压升高时,431的K极和A极间的三极管CE极电流增大,即电流Ik变大(而R1和R2上的电流不变),输入端的电阻上的压降升高,从而保证Vka不变;当输入端电压降低时,431的K极和A极间的三极管CE极电流减小,即电流Ik减小(而R1和R2上的电流不变),输入端的电阻上的压降减小,从而使Vka不变.。
光耦在开关电源中的作用有哪些
在现代电子设备中,开关电源作为一种高效、轻巧的电源供应方案,被广泛应用于各种电子产品中,如手机充电器、电脑电源等。
而光耦作为开关电源中的一个重要元件,发挥着关键的作用。
本文将探讨光耦在开关电源中的作用,以及它的原理和应用。
首先,光耦是一种将输入端和输出端通过光学耦合隔离的元件,主要由发光二极管和光敏三极管组成。
在开关电源中,光耦扮演着信号隔离和传递的关键角色。
当输入端施加电压时,发光二极管产生光信号,经过光传感器后转换为电信号输出到开关电源的控制电路中。
这种光电耦合的设计能够有效地隔离输入和输出端,提高了系统的安全性和稳定性。
其次,光耦在开关电源中还可以实现开关控制信号的隔离和传递。
在开关电源中,控制信号经过光耦隔离后,可以有效地防止输入端噪声和干扰信号对输出端的影响,保证电路的稳定性和可靠性。
同时,光耦还可以实现不同电路之间的隔离,防止电压和电流的干扰,提高系统的抗干扰能力。
此外,光耦还可以实现电流限制和过载保护功能。
在开关电源中,通过控制光耦的工作状态,可以实现对输出电流的限制和监测,保护电路不受过载损坏。
一旦输出电流超过设定值,控制电路会自动切断光耦,实现对电路的保护,避免电子设备的损坏。
总的来说,光耦作为开关电源中的重要元件,具有信号隔离、传递、控制和保护等多种功能。
它不仅可以提高系统的稳定性和安全性,还可以实现电路之间的隔离和互联。
在现代电子设备中,光耦在开关电源中的作用日益重要,为电子设备的高效、稳定运行提供了重要保障。
1。
开关电源的光耦主要是隔离、提供反馈信号和开关作用。
开关电源电路中光耦的电源是从高频变压器次级电压提供的,当输出电压低于稳压管电压是给信号光耦接通,加大占空比,使得输出电压升高;反之则关断光耦减小占空比,使得输出电压降低。
旦高频变压器次级负载超载或开关电路有故障,就没有光耦电源提供,光耦就控制着开关电路不能起振,从而保护开关管不至被击穿烧毁。
通常光耦与TL431一起使用。
下面是LED电源驱动芯片(开关电源芯片)TMG0321/TMG0165/TMG0265/TMG03655的部分电路。
两电阻串联取样到431R端与内部比较器进行比较。
然后根据比出的信号再控制431K端(阳极接光耦那一端)对地的电阻,然后达到控制光耦内部发光二极管的亮度。
(光耦内部一边是一发光二极管,一边是一光敏三极管)通过发光的强度。
控制另一端三极管的CE端的电阻也就是改变了led电源驱动芯片(开关电源芯片)TMG0321/TMG0165/TMG0265/TMG0365检测脚的电流(1脚:电压反馈引脚,通过连接光耦到地来调整占控比)。
根据电流的大小,led电源驱动芯片(开关电源芯片)TMG0321/TMG0165/TMG0265/TMG0365就会自动调整输出信号的占空比,达到稳压的目的。
TMG0321/TMG0165/TMG0265/TMG0365芯片是一款高集成度、高性能的PWM+MOSFET管二合一的电流型离线式开关电源控制器。
适用于充电器、电源适配器、LED驱动电源等各类小功率的开关电源。
采用DIP8封装,无需加散热器可输出0~36W的功率(加散热可以做到更大)。
电路结构简单,成本低。
具有完善的保护功能,包括过压、欠压、过温、过载及短路等保护。
固定振荡频率及抖频功能,可以降低EMI。
待机功率低,在待机时进入跳周期模式,符合“能源之星”等待机功耗标准要求。
光藕在彩色电视机开关电源中的作用分析摘要:通过对开关电源电路工作原理的分析,得到光电耦合器所起到的几个主要作用,进而推出光电耦合器在开关电源中得到广泛应用的原因。
开关电源的光耦电路随着现代电子产品的普及,电源供应模块作为重要的组件之一被广泛应用在各种电子设备中。
而在电源供应模块中,光耦电路作为一种重要的隔离元件,在开关电源中扮演着至关重要的角色。
光耦电路的作用光耦电路是一种利用光的行为进行信号传递的元件。
在开关电源之中,光耦电路通常用于隔离输入信号和输出信号,以防止由于输入和输出之间的电气连接而导致的干扰和电气隔离问题。
在开关电源中,输出端的电压和电流往往不适合直接用于触发控制信号或作为反馈信号,需要通过具有隔离功能的光耦电路来实现输入和输出的隔离。
光耦电路的工作原理光耦电路由发光二极管和光敏三极管组成,其中发光二极管的工作电压和工作电流决定了其发出的光强度,而光敏三极管的光探测灵敏度又决定了其是否能够从发光二极管发出的光信号中获得足够的激发信号。
当光耦电路的输入端有信号输入时,发光二极管会发出光信号,光敏三极管即可通过光信号实现对输出端信号的控制。
光信号的传递过程既实现了输入输出的隔离,又保证了信号的传输准确性和稳定性。
光耦电路的优势在开关电源中采用光耦电路的优势主要体现在以下几个方面:1.隔离能力强:光耦电路可实现高效的输入输出信号隔离,避免电气连接导致的潜在危险和干扰。
2.响应速度快:光耦电路具有快速的响应速度,可以在瞬间传递信号并实现稳定的控制。
3.体积小巧:光耦电路体积小,适合在空间受限的电子设备中使用。
4.成本低廉:光耦电路在制造成本上相对较低,能够帮助降低整体开关电源的成本。
开关电源中的光耦电路应用在开关电源中,光耦电路通常用于输入输出隔离、反馈控制、瞬时保护等方面。
通过合理设计和应用光耦电路,可以提高开关电源的安全性、稳定性和可靠性,确保其在各种工作环境下的正常运行。
综上所述,光耦电路作为开关电源中的重要组成部分,发挥着至关重要的作用。
其通过光信号的传递实现输入输出信号的隔离,保证了电路工作的稳定性和可靠性。
在未来的电子设备中,光耦电路将继续发挥着重要作用,为电子产品的发展和应用提供强有力的支持。
开关电源用光耦817选型和TL431配合设计建议开关电源是一种常用的电源设计,在实际使用中,可以使用光耦817和TL431作为配合设计,以提高电源的性能和可靠性。
下面将详细介绍光耦817和TL431的选型和设计建议。
光耦817是一种常用的光耦器件,其内部包含一个红外发射二极管和一个光敏三极管。
光耦817在开关电源中主要用于隔离输入和输出信号,以提高系统的安全性和稳定性。
选型光耦817时,需要考虑以下几个因素:1.峰值反向电压:开关电源中,输入和输出信号需要隔离,因此光耦817的峰值反向电压需要能够满足系统的工作要求。
2.传输速率:光耦817的传输速率决定了信号传输的快慢,选型时需要根据实际需求选择合适的传输速率。
3.耐热性:开关电源在工作过程中可能会产生较高的温度,因此光耦817需要具有良好的耐热性,能够在高温环境下长时间工作。
4.封装类型:光耦817有多种封装类型,如DIP封装、SOP封装等,选型时需要根据实际应用情况选择合适的封装类型。
TL431是一种常用的可编程精密稳压器,其内部包含一个比较器和一个电流源。
TL431在开关电源中主要用于稳压和参考电压源,以提供稳定的工作电压和精确的参考电压。
选型TL431时,需要考虑以下几个因素:1.工作电压范围:开关电源的工作电压要求可能会有所不同,因此选型TL431时需要根据具体的工作电压范围选择合适的器件。
2.稳定性:TL431的稳定性决定了其输出电压的准确性和稳定性,选型时需要根据实际要求选择具有良好稳定性的器件。
3.温度系数:TL431在不同温度下其输出电压可能会发生变化,选型时需要考虑温度系数,并根据实际需求选择合适的器件。
4.封装类型:TL431有多种封装类型,如TO-92封装、SOT-23封装等,选型时需要根据实际应用情况选择合适的封装类型。
在使用光耦817和TL431进行配合设计时,需要注意以下几个问题:1.输入和输出信号的隔离:使用光耦817将输入和输出信号进行隔离,以确保系统的安全性和稳定性。
光耦在开关电源中的应用开关电源作为电子设备中常见的一种电源供应方式,具有效率高、功率密度大、体积小等优点,在现代电子设备中得到了广泛的应用。
而光耦作为一种重要的电子元件,也在开关电源中扮演着关键的角色。
1. 光耦的工作原理光耦是由发光元件(一般为发光二极管)和光敏元件(一般为光电晶体管或光电三极管)组成的一种集成元件。
光耦的工作原理是利用发光二极管发出的光信号来控制光电晶体管或光电三极管的导通,从而实现输入与输出之间的电气隔离。
在开关电源中,光耦通常被用于隔离输入端的控制信号和输出端的功率电路,起到传递信号、隔离高低压等作用,保证电路的安全稳定运行。
2. 光耦在开关电源中的应用2.1 控制信号隔离开关电源通常需要接收外部的控制信号,如开关机信号、调节电压等。
通过光耦将控制信号隔离,可以有效地防止输入信号对输出电路造成干扰,提高系统的稳定性和可靠性。
2.2 输出反馈隔离在开关电源中,输出端往往需要进行电压、电流等参数的反馈控制,以实现稳定的输出。
光耦可以将输出端的反馈信号传递到控制电路中,同时实现输入输出之间的隔离,避免输出端信号对控制电路造成影响。
2.3 过载保护开关电源在工作过程中,可能会遇到过载等异常情况,为了保护电路和设备,需要及时切断输出电源。
光耦可以作为过载保护的触发器,当检测到输出端过载信号时,通过光耦控制开关电源的关闭,实现对电路的保护。
3. 结语光耦作为一种重要的电子元件,在开关电源中发挥着关键的作用,通过信号隔离、输出反馈和过载保护等功能,保障了开关电源系统的稳定性和可靠性。
未来随着电子技术的不断发展,光耦在开关电源中的应用将会更加广泛,为电子设备的性能提升和安全保障提供更好的支持。
反激开关电源431+光耦环路设计下载提示:该文档是本店铺精心编制而成的,希望大家下载后,能够帮助大家解决实际问题。
文档下载后可定制修改,请根据实际需要进行调整和使用,谢谢!本店铺为大家提供各种类型的实用资料,如教育随笔、日记赏析、句子摘抄、古诗大全、经典美文、话题作文、工作总结、词语解析、文案摘录、其他资料等等,想了解不同资料格式和写法,敬请关注!Download tips: This document is carefully compiled by this editor. I hope that after you download it, it can help you solve practical problems. The document can be customized and modified after downloading, please adjust and use it according to actual needs, thank you! In addition, this shop provides you with various types of practical materials, such as educational essays, diary appreciation, sentence excerpts, ancient poems, classic articles, topic composition, work summary, word parsing, copy excerpts, other materials and so on, want to know different data formats and writing methods, please pay attention!一、引言在电子设备中,开关电源作为一种常见的电源形式,具有高效率和小体积等优势,因此被广泛应用于各种领域。
光耦在开关电源中的作用在现代电子设备中,开关电源被广泛应用于各种电子设备中,例如电脑、手机充电器、家用电器等。
而在开关电源中,光耦作为一个重要的器件扮演着关键的角色。
本文将介绍光耦在开关电源中的作用和原理。
光耦的基本原理光耦器件是由发光器件(LED)和光敏器件(光电晶体管、光敏三极管等)组成的器件。
在开关电源中,光耦的作用主要是实现输入和输出之间的电气隔离。
发光二极管(LED) 发出的光信号被光敏器件接收,产生对应的电信号输出,从而将输入和输出的电路隔离开来,保证电路的安全稳定工作。
光耦在开关电源中的应用1.反馈电路隔离:在开关电源中,通常会使用光耦来隔离反馈电路。
通过光耦将主控芯片与反馈电路隔离开来,避免电流的回馈影响主控芯片的稳定性,同时提高了系统的抗干扰能力。
2.安全隔离:光耦还可以用于实现输入输出电路的安全隔离,避免高电压或高电流的输入对低压电路产生危险。
这种隔离方式在工业控制设备、电力系统等领域应用广泛。
3.信号隔离:在一些需要隔离传输信号的场合,光耦也发挥着重要作用。
通过光耦实现信号的光电转换,可以有效地隔离信号传输,提高系统的稳定性和可靠性。
光耦的优点与应用前景光耦作为一种电气隔离器件,在开关电源中具有独特的优点和应用前景。
首先,光耦具有良好的隔离性能,能够有效地隔离输入输出电路,提高系统的安全性和稳定性。
其次,光耦器件体积小、重量轻,适合集成在各种电子设备中,具有良好的应用前景。
结语光耦作为开关电源中重要的器件之一,在电子设备中扮演着关键的角色。
通过光耦的电气隔离功能,可以实现输入输出电路之间的隔离,保证系统的安全稳定运行。
随着电子技术的不断发展和进步,光耦作为一种重要的器件将在开关电源领域继续发挥重要作用。
一、反馈式开关电源选用光耦时候必须正确选择线性光耦匹配的型号及参数,不然所设计电源总会工作在不稳定环境中,容易出现失效。
二、我们常注意光耦一个参数CTR (如下表)电流传输比,从LED端传送到光敏端的放大能力CTR=(IC/IB)*100%。
三、一般人关注和认为:光耦的电流传输比(CTR)的允许范围是50%~200%,这是因为当CTR<50%时,光耦中的LED就需要较大的工作电流(IF>5.0mA),才能正常控制开关电源IC的占空比,这会增大光耦的功耗。
若CTR >200%,在启动电路或者当负载发生突变时,有可能将单片开关电源误触发,影响正常输出。
四、确实CTR是光耦一个重要参数,但我们不要片面追求这一个参数而忽略其他重要细节,工作速度也是非常重要的,工作区域也是非常重要的,还有和其他器件配合设计也是不可忽略的。
五、首先讲一下工作区域,光耦最好的工作和最稳定工作区域是线性区域就是光耦1-5mA工作的一个区域间IC=IB*X(X是固定数),这样输入和输出电流时成线性比率的,低于和高于这个电流值,线性特性就没这么好了。
线性特性好就说明这个工作区域稳定可控,这是我们要设计要抓住的区域。
六、再来就是开关速度或工作频率,一个光耦在不同负载下工作频率和开关速度是不一样的,负责越重工作频率越慢,开关速度越慢,整个电路控制精度就会降低,影响空载和负载输出电压差。
一般光耦最佳工作速度区域是2mA左右。
一般的器件在2mA时候开关速度不会大于80KHZ,如果电流再小一点如1mA 时候工作频率会有所提高,我们可以根据不同电路设计选择。
七、一般来讲开关电源上817是和TL431配合使用的,所以建议设计其配合最大工作电流不要查过2mA,当然也不能低于0.8mA,一些TL431维持电流和817工作电流都必须大于0.8mA,当然一些特别TL431和817(有些维持电流只有0.5mA或更低)除外,这些低维持电流产品待机功耗更低,工作速度会更快。
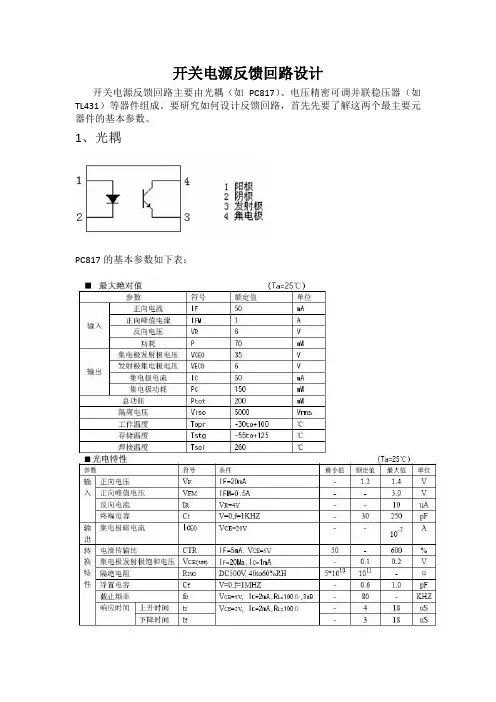
开关电源反馈回路设计开关电源反馈回路主要由光耦(如PC817)、电压精密可调并联稳压器(如TL431)等器件组成。
要研究如何设计反馈回路,首先先要了解这两个最主要元器件的基本参数。
1、光耦PC817的基本参数如下表:2、可调并联稳压器由TL431的等效电路图可以看到,Uref是一个内部的2.5V 基准源,接在运放的反相输入端。
由运放的特性可知,只有当REF 端(同相端)的电压非常接近Uref(2.5V)时,三极管中才会有一个稳定的非饱和电流通过,而且随着REF 端电压的微小变化,通过三极管VT的电流将从1 到100mA 变化。
当然,该图绝不是TL431 的实际内部结构,所以不能简单地用这种组合来代替它。
但如果在设计、分析应用TL431 的电路时,这个模块图对开启思路,理解电路都是很有帮助的。
前面提到TL431 的内部含有一个2.5V 的基准电压,所以当在REF 端引入输出反馈时,器件可以通过从阴极到阳极很宽范围的分流,控制输出电压。
如图2 所示的电路,当R1 和R2 的阻值确定时,两者对Vo 的分压引入反馈,若Vo 增大,反馈量增大,TL431 的分流也就增加,从而又导致Vo 下降。
显见,这个深度的负反馈电路必然在Uref等于基准电压处稳定,此时Vo=(1+R1/R2)Vref。
图2选择不同的R1 和R2 的值可以得到从2.5V 到36V 范围内的任意电压输出,特别地,当R1=R2 时,Vo=5V。
需要注意的是,在选择电阻时必须保证TL431 工作的必要条件,就是通过阴极的电流要大于1 mA。
了解了TL431和PC817的基本参数后,来看实际电路:图3反馈回路主要关注R6、R8、R13、R14、C8这几个器件的取值。
首先来看R13。
R13、R14是TL431的分压电阻,首先应先确定R13的值,再根据Vo=(1+R14/R13)Vref 公式来计算R14的值。
1.确定R13.、R14取值确定R13的值考虑以下两个条件:1、TL431 参考输入端的电流,一般此电流为2uA 左右,为了避免此端电流影响分压比和避免噪音的影响,一般取流过电阻R13 的电流为参考段电流的100 倍以上,所以此电阻要小于2.5V/200uA=12.5K。
1 目的熟悉UC3843 组成小功率开关电源(TL431+光耦)的设计流程。
.2 设计步骤:2.1 绘线路图、PCB Layout.2.2 变压器计算.2.3 零件选用.2.4 设计验证.3 设计流程介绍(以DA-14B33为例):3.1 线路图、PCB Layout 请参考资识库中说明.3.2 变压器计算:变压器是整个电源供应器的重要核心,所以变压器的计算及验证是很重要的,以下即就DA-14B33变压器做介绍.3.2.1 决定变压器的材质及尺寸:依据变压器计算公式Gauss x NpxAeLpxIp B 100(max )B(max) = 铁心饱合的磁通密度(Gauss)Lp = 一次侧电感值(uH)Ip = 一次侧峰值电流(A)Np = 一次侧(主线圈)圈数Ae = 铁心截面积(cm 2) B(max) 依铁心的材质及本身的温度来决定,以TDK FerriteCore PC40为例,100℃时的B(max)为3900 Gauss ,设计时应考虑零件误差,所以一般取3000~3500 Gauss 之间,若所设计的power 为Adapter(有外壳)则应取3000 Gauss 左右,以避免铁心因高温而饱合,一般而言铁心的尺寸越大,Ae 越高,所以可以做较大瓦数的Power 。
3.2.2 决定一次侧滤波电容:滤波电容的决定,可以决定电容器上的Vin(min),滤波电容越大,Vin(win)越高,可以做较大瓦数的Power ,但相对价格亦较高。
3.2.3 决定变压器线径及线数:当变压器决定后,变压器的Bobbin(电气方面用的,电木及塑胶绕线轴)即可决定,依据Bobbin 的槽宽,可决定变压器的线径及线数,亦可计算出线径的电流密度,电流密度一般以6A/mm 2为参考,电流密度对变压器的设计而言,只能当做参考值,最终应以温升记录为准。
3.2.4 决定Duty cycle (工作周期):由以下公式可决定Duty cycle ,Duty cycle 的设计一般以50%为基准,Duty cycle 若超过50%易导致振荡的发生。
一、开关电源的电路组成开关电源的主要电路是由输入电磁干扰滤波器<EMI)、整流滤波电路、功率变换电路、PWM控制器电路、输出整流滤波电路组成。
辅助电路有输入过欠压保护电路、输出过欠压保护电路、输出过流保护电路、输出短路保护电路等。
开关电源的电路组成方框图如下:二、输入电路的原理及常见电路1、AC 输入整流滤波电路原理:①防雷电路:当有雷击,产生高压经电网导入电源时,由MOV1、MOV2、MOV3:F1、F2、F3、FDG1组成的电路进行保护。
当加在压敏电阻两端的电压超过其工作电压时,其阻值降低,使高压能量消耗在压敏电阻上,若电流过大,F1、F2、F3 会烧毁保护后级电路。
②输入滤波电路:C1、L1、C2、C3组成的双π型滤波网络主要是对输入电源的电磁噪声及杂波信号进行抑制,防止对电源干扰,同时也防止电源本身产生的高频杂波对电网干扰。
当电源开启瞬间,要对C5充电,由于瞬间电流大,加RT1<热敏电阻)就能有效的防止浪涌电流。
因瞬时能量全消耗在RT1电阻上,一定时间后温度升高后RT1阻值减小<RT1是负温系数元件),这时它消耗的能量非常小,后级电路可正常工作。
③整流滤波电路:交流电压经BRG1整流后,经C5滤波后得到较为纯净的直流电压。
若C5容量变小,输出的交流纹波将增大。
2、DC 输入滤波电路原理:①输入滤波电路:C1、L1、C2组成的双π型滤波网络主要是对输入电源的电磁噪声及杂波信号进行抑制,防止对电源干扰,同时也防止电源本身产生的高频杂波对电网干扰。
C3、C4为安规电容,L2、L3为差模电感。
② R1、R2、R3、Z1、C6、Q1、Z2、R4、R5、Q2、RT1、C7组成抗浪涌电路。
在起机的瞬间,由于C6的存在Q2不导通,电流经RT1构成回路。
当C6上的电压充至Z1的稳压值时Q2导通。
如果C8漏电或后级电路短路现象,在起机的瞬间电流在RT1上产生的压降增大,Q1导通使Q2没有栅极电压不导通,RT1将会在很短的时间烧毁,以保护后级电路。
光耦在开关电源中的应用光耦在电路中的主要作用就是实现光电转换、实现隔离,避免输入、输出之间发生互相干扰的情况。
在不同的开关电源设计过程中,光耦的作用也是有所不同,与TL431结合使用,是开关电源业界减少控制成本最好的方法。
正文:(字数控制在800-3000字,请将原始配图放在文件夹内,随文档一起打包发送过来)一、光耦的基本参数图 1中的光耦内部结构由基本的三部分组成:发光二级管、透光绝缘层、光电三极管。
通过发光二极管发光,穿透绝缘层到光电转换三极管,实现电流的传输、隔离特性。
图 1从图 1可以看出,光耦的主要参数有:1、电流传输比CTR:,发光管的电流和光敏三极管的电流比的最小值。
2、绝缘耐压(透光绝缘层):指光耦保护相关电路及自身免受高压导致的物理损坏能力。
3、LED的驱动电流I F:采用高效率的LED和高增益的接收放大器,可以降低驱动电流的I F,同时较小的I F电流可以降低系统的功耗,并且降低LED的衰减,提供系统长期的可靠性。
4、共模抑制比V CM:指在每微秒光耦能容许的最大共模电压上升、下降率。
这个参数主要在工业电机应用中至关重要。
例如电机的启动或者制动过程中都会带来极大的共模噪声。
二、光耦在开关电源中的应用光耦的特点:具有信号单向传输性,从而实现输入端与输出端的电气隔离,即:输出信号对输入端无影响,具有抗干扰能力强、工作特性稳定、高可靠性、传输效率高等优点,通常被应用与开关电源控制回路中。
光耦在开关电源中的典型应用原理:从输出端采样,获取误差信号,然后把信号通过转换、隔离传输到输入端IC的PWM控制器,通过调节PWM占空比的大小,实现高精度稳压输出。
图 2光耦与TL431的组合使用,构成最简单的开关电源控制回路(反馈回路),实现稳压输出,如错误!未找到引用源。
所示,V s为输出电压Vo分压后的提供给TL431误差放大器反相端的采样型号,该采样信号V s通过光耦二极管、TL431、电阻R1转换为电流信号I F,然后传输到光耦输出端,形成误差信号V ea,与PWM控制器的三角波V t进行比较,得到矩形脉冲(具有一定占空比的PWM信号V b),然后调节功率级器件的导通、截止时间,达到稳定输出的目的。
开关电源中光耦的工作原理是什么呢在开关电源中,光耦扮演着至关重要的角色,其工作原理在整个系统中起着连接和隔离的作用。
光耦是光电器件的一种,由发光二极管(LED)和光敏三极管(光电晶体管)组成。
而在开关电源中,光耦主要用于实现输入端和输出端之间的隔离,以确保电气信号在高效且安全的条件下传输。
光耦的工作原理可以简单概括为:当输入信号加到LED上时,LED会发光,其光线照射到光敏三极管上,导致光敏三极管发生光电效应,从而在输出端产生电信号。
这一过程实现了输入端和输出端之间的电气隔离,有效地防止了输入端的干扰信号对输出端的影响。
在开关电源中,光耦通常被用于隔离高压和低压部分,以确保高压部分的安全性。
当开关电源的输入端传入交流电信号时,经过整流等处理后会被转换成直流电压,然后通过开关器件(如MOS管)进行控制,最终输出恒定的直流电压。
而光耦的作用就是在控制信号传输时,将输入端高压信号隔离,通过光电转换实现对输出端的控制。
另外,光耦在开关电源中还常用于反馈回路中,以实现对输出电压和输出电流的监测和调节。
通过监测输出端的电压和电流信号,可以实现开关电源的稳定性和效率的控制,并在需要时进行保护性控制。
这种反馈回路的设计使得开关电源在不同负载情况下能够自动调整工作状态,提高整个系统的稳定性和可靠性。
综上所述,光耦在开关电源中作为一种重要的隔离器件,通过光电转换实现了输入端和输出端之间的电气隔离,保证了系统的稳定性和安全性。
同时,光耦在反馈回路中的运用也为开关电源的控制和调节提供了有效的手段,使整个系统更加智能化和高效化。
在未来的开关电源设计中,光耦将继续扮演着重要的角色,为电源系统的可靠性和性能提升发挥着重要作用。
1。
开关电源中光耦的作用及工作原理在开关电源中,光耦是一个非常重要的元件,它扮演着传递信号和隔离电气的关键角色。
光耦是由一个发光二极管和一个光敏三极管组成的器件,能够将输入端的电信号转换成输出端的光信号进行隔离传输,从而实现输入和输出端的电气隔离。
下面将详细介绍光耦在开关电源中的作用及工作原理。
首先,光耦在开关电源中的作用主要有两个方面。
其一是实现信号的隔离传输。
在开关电源中,通常存在输入端和输出端之间的电气隔离要求,这时就可以使用光耦来将输入信号转换成光信号进行传输,避免了信号干扰和电气冲击。
其二是实现开关控制的电气隔离。
通过光耦,可以实现对开关电源的控制信号进行隔离传输,避免了开关控制电路与被控电路之间的相互影响,提高了系统的稳定性和可靠性。
其次,光耦的工作原理可以简要描述如下。
当输入端的电信号加到发光二极管上时,发光二极管就会发出光信号,这个光信号照射到光敏三极管上,使光敏三极管产生电压和电流变化,从而在输出端得到与输入信号对应的输出信号。
通过这种光电转换的方式,实现了输入和输出端的电气隔离,同时保障信号的传输质量和稳定性。
在开关电源中使用光耦时,需要注意以下几点。
首先,要选择适合的光耦型号和工作参数,确保其满足系统的电气隔离和信号传输需求。
其次,要合理设计光耦的电路连接方式和工作环境,避免电磁干扰和温度影响导致光耦性能不稳定。
最后,要定期检测和维护光耦元件,保证其正常工作和有效隔离传输。
总之,光耦作为开关电源中的重要元件,扮演着信号隔离和传输的关键角色。
通过光电转换的方式,实现了输入和输出端的电气隔离,提高了系统的稳定性和可靠性。
在应用光耦时,需要充分理解其工作原理和注意事项,确保其正常工作和良好的隔离效果,从而为开关电源系统的稳定运行提供保障。
1。
TL431和PC817在开关电源中的应用电路设计一、TL431的应用电路设计:1.电压调节稳压电路:将TL431连接在开关电源的反馈回路中,可以实现电压调节功能。
具体连接方式如下图所示:```C1C2输入电源,—,—-,—-+,—-++,+,—+—-电压输出R1+,—TL431```其中,C1和C2为输入电源的输入和输出电容,R1为电阻,用于调节输出电压的分压比例。
通过调节R1的阻值,可以实现对输出电压的调节。
2.参考电压源:在开关电源中,TL431还可以作为一个精密的参考电压源,用于控制其他电路的工作状态。
具体电路如下:```输入电源,—,TL431(参考电压),—+,其他电路```在这个电路中,TL431的参考电压可以被其他电路进行检测和控制,从而实现精密的电压调节和保持功能。
二、PC817的应用电路设计:1.光耦隔离器:PC817可以用作开关电源中的光耦隔离器,用于隔离输入和输出电路,从而实现安全和稳定的电气隔离。
具体电路如下:```输入电路,—,—PC817(输入侧),—PC817(输出侧),—,—输出电路```输入侧的PC817将输入电路与输出电路隔离开来,输出侧的PC817将接收到的输入信号进行调整并传输给输出电路。
这种隔离电路可以保护输出电路免受输入电路的干扰,提高系统的安全性和稳定性。
2.隔离控制电路:PC817还可以用作开关电源中的隔离控制电路,用于控制其他电路的开关状态。
具体电路如下:```输入电路,—,,PC817(控制信号),—+,其他电路```在这个电路中,输入电路的信号通过PC817进行隔离,并在输出端控制其他电路的开关状态。
这种隔离控制电路常用于开关电源中的保护电路,可以有效地隔离控制信号和其他电路,提高系统的稳定性和安全性。
总结:。
开关电源中的光耦电路设计
太原理工大学叶辉
1概述
光耦(opticalcoupler)亦称光电隔离器、光耦合器或光电耦合器。
它是以光为媒介来传输电信号的器件,通常把发光器(红外线发光二极管LED)与受光器(光敏半导体管)封装在同一管壳内。
当输入端加电信号时发光二极管发出光线,光敏三极管接受光线之后就产生光电流,从输出端流出,从而实现了“电—光—电”转换。
典型应用电路如下图1-1所示。
光耦的主要优点是:信号单向传输,输入端与输出端完全实现了前端与负载完全的电气隔离,输出信号对输入端无影响,减小电路干扰,简化电路设计,工作稳定,无触点,使用寿命长,传输效率高。
光耦合器是70年代发展起来的新型器件,现已广泛用于电气绝缘、电平转换、级间耦合、驱动电路、开关电路、斩波器、多谐振荡器、信号隔离、级间隔离、脉冲放大电路、数字仪表、远距离信号传输、脉冲放大、固态继电器(SSR)、仪器仪表、通信设备及微机接口中。
在单片开关电源中,利用线性光耦合器可构成光耦反馈电路,通过调节控制端电流来改变占空比,达到精密稳压目的。
图1_1 光耦开关控制直流电机输入电路图
2光耦典型电路
常用于反馈的光耦型号有TLP521、PC817等。
这里以TLP521为例,介绍这类光耦的特性。
图2-1所示为光耦内部结构图以及引脚图。
TLP521的原边相当于一个发光二极管,原边电流If越大,光强越强,副边三极管的电流Ic越大。
副边三极管电流Ic与原边二极管电流If的比值称为光耦的电流放大系数,该系数随温度变化而变化,且受温度影响较大。
作反馈用的光耦正是利用“原边电流变化将导致副边电流变化”来实现反馈,因此在环境温度变化剧烈的场合,由于放大系数的温漂比较大,应尽量不通过光耦实现反馈。
此外,使用这类光耦必须注意设计外围参数,使其工作在比较宽的线性带内,否则电路对运行参数的敏感度太强,不利于电路的稳定工作。
通常选择TL431结合TLP521进行反馈。
这时,TL431的工作原理相当于一个内部基准为2.5 V的电压误差放大器(输出的电压进行误差放大比较,然后将取样电压经过光电偶合器反馈控制脉宽占空比,达到稳定电压的目的),所以在其1脚与3脚之间,要接补偿网络。
图2-1 TLP521内部结构及管脚图
TL431是由德州仪器生产的可控精密稳压源,实物如图2-3所示。
它的输出电压用两个电阻就可以任意的设置到从2.5V到36V范围内的任何值。
该器件的典型动态阻抗为0.2Ω,在很多应用中用它代替稳压二极管,例如,数字电压表,
运放电路,可调压电源,开关电源等。
图2-2所示为TL431引脚排列与使用连线图。
图2-2 TL431引脚排列与使用连线
常见的光耦反馈第1种接法。
Vo为输出电压,Vd为芯片的供电电压。
com信号接芯片的误差放大器输出脚。
注意左边的地为输出电压地,右边的地为芯片供电电压地,两者之间用光耦隔离。
图2-3所示接法的工作原理如下:当输出电压升高时,TL431的1脚(相当于电压误差放大器的反向输入端)电压上升,3脚(相当于电压误差放大器的输出脚) 电压下降,光耦TLP521的原边电流If增大,光耦的另一端输出电流Ic增大,电阻R4上的电压降增大,com引脚电压下降,占空比减小,输出电压减小;反之,当输出电压降低时,调节过程类似。
图2-3 光耦反馈的第1、第2种接法
常见的第2种接法,与第1种接法不同的是,该接法中光耦的第4脚直接接到芯片的误差放大器输出端,而芯片内部的电压误差放大器必须接成同相端电位
高于反相端电位的形式,利用运放的一种特性—当运放输出电流过大(超过运放电流输出能力)时,运放的输出电压值将下降,输出电流越大,输出电压下降越多。
因此,采用这种接法的电路,一定要把PWM(脉冲宽度调制)芯片的误差放大器的两个输入引脚接到固定电位上,且必须是同向端电位高于反向端电位,使误差放大器初始输出电压为高。
图2-3所示接法的工作原理是:当输出电压升高时,原边电流If增大,输出电流Ic增大,由于Ic已经超过了电压误差放大器的电流输出能力,com脚电压下降,占空比减小,输出电压减小;反之,当输出电压下降时,调节过程类似。
常见的第3种接法,如图2-4所示。
与第一种基本相似,不同之处在于多了一个电阻R6,该电阻的作用是对TL431额外注入一个电流,避免TL431因注入电流过小而不能正常工作。
实际上如适当选取电阻值R3,电阻R6可以省略。
调节过程基本上同1接法一致。
常见的第4种接法,如图2-4所示。
该接法与第2种接法类似,区别在于com端与光耦第4脚之间多接了一个电阻R4,其作用与第3种接法中的R6一致,其工作原理基本同接法2。
图2-4 光耦反馈的第3、第4种接法
反馈方式1、3适用于任何占空比(接通时间与周期之比)情况,而反馈方式2、4比较适合于在占空比比较小的场合使用。
3总结展望
开关电源的光耦主要是隔离、提供反馈信号和开关作用。
开关电源电路中光耦的电源是从高频变压器次级电压提供的,当输出电压低于稳压管电压是给信号光耦接通,加大占空比,使得输出电压升高;反之则关断光耦减小占空比,使得输出电压降低。
旦高频变压器次级负载超载或开关电路有故障,就没有光耦电源提供,光耦就控制着开关电路不能起振,从而保护开关管不至被击穿烧毁。
图3-1 LED电源驱动芯片TMG0165电路设计
通常光耦与TL431一起使用。
上图3-1是LED电源驱动芯片(开关电源芯片) TMG0165的电路设计。
两电阻串联取样到TL431R端与内部比较器进行比较。
然后根据比出的信号再控制TL431K端(阳极接光耦那一端)对地的电阻,然后达到控制光耦内部发光二极管的亮度。
(光耦内部一边是一发光二极管,一边是一光敏三极管)通过发光的强度。
控制另一端三极管的CE端的电阻也就是改变了LED电源驱动芯片(开关电源芯片)TMG0165检测脚的电流(1脚:电压反馈引脚,通过连接光耦到地来调整占控比)。
根据电流的大小,LED电源驱动芯片(开关电源芯片) TMG0165就会自动调整输出信号的占空比,达到稳压的目的。