危险源辨识与风险评价表各部门办公室
- 格式:docx
- 大小:247.43 KB
- 文档页数:3
职业健康安全危险源辨识与风险评价调查(汇总)表10、531、5注意17呼吸不畅纸屑作业人员3113注意18灰尘作业及来访者保持室内干净及湿润职业健康安全危险源辨识与风险评价调查(汇总)表名称:办公部分序号作业活动可能导致的事故危险因素涉及相关方作业条件风险评价现有控制措施适用情况备注LECD19办公其他伤害雷击计算机等电器作业及周围人员1111大雷雨天禁止用或注意20划伤窗、柜玻璃、玻璃板等损坏作业人员1236注意21视力下降屋内光线暗作业人员及来访者3216暗时开灯,亮时关灯22砸伤桌、凳摔倒作业人员周围人员2214注意23摔伤夜晚加班楼道灯不亮作业人员1339及时维护24其他伤害复印机等的使用作业人员36118加强室内通分25影响身体健康办公设备噪声作业人员36118注意26人员、设备伤害办公空间不足作业人员1313注意27出差(自带车辆)交通事故车辆制动、方向、灯光机件不灵司机、乘车人、骑车人、行人667252出车前检查,车辆机件不灵严禁出车重大28疲劳驾驶司机、乘车人、骑车人、行人集中精力,注意监控,加强培训教育29违章驾驶司机、乘车人、骑车人、行人集中精力,注意监控,加强培训教育30驾驶人员判断错误、处理失当司机、乘车人、骑车人、行人集中精力,注意监控,31山区等道路陡坡、危桥、窄路司机、乘车人、骑车人、行人集中精力,注意监控32突遇大风、落石、倒树、暴雨洪水等突发事件司机、乘车人、骑车人、行人加强监控、及时停车或避让职业健康安全危险源辨识与风险评价调查(汇总)表名称:办公部分序号作业活动可能导致的事故危险因素涉及相关方作业条件风险评价现有控制措施适用情况备注LECD33出差(乘车)财产损失偶遇盗窃、抢劫作业人员1339注意34交通事故交通作业人员注意35出差中暑高温作业人员66136加强防暑工作36皮肤伤害日晒作业人员66136注意37冻伤低温作业人员66136加强防冻工作38其他伤害自然灾害作业人员6613639火灾住宿作业人员66136注意40财产丢失作业人员66136注意41中毒食物不洁作业人员66136注意42上下班伤害行人、非机动车违章或遇交通事故作业人员3139注意职业健康安全危险源辨识与风险评价调查(汇总)表单位(项目)名称:公共部分序号作业活动可能导致的事故危险因素涉及相关方作业条件危险性评价现有控制措施适用情况备注LECD1高处作业高处坠落未使用安全带等防坠落防护用品设施高处作业人员367126必须正确使用安全带重大2不正确使用防坠落防护用品设施高处作业人员必须正确使用安全带3防坠落防护用品设施有缺陷高处作业人员定期试验,用前检查4防坠落防护用品移为他用高处作业人员禁止5登高作业人员不按要求着装,穿软底鞋高处作业人员必须按要求着装,穿软底鞋6遇有雨、雪、冰、霜时较滑高处作业人员采取防滑措施,高度警觉7高处作业人员身体原因高处作业人员高处作业人员\必须进行体检8爬塔时失误高处作业人员精力集中,超高塔使用攀登自锁器9物体打击随意乱抛物下面作业及检查人员33763禁止,下方不得站人。
办公场所危险源辨识与风险评价表办公场所的安全是企业管理的重要问题,对于办公场所危险源的辨识和风险评价是确保办公场所安全的重要步骤。
下面是一个办公场所危险源辨识与风险评价表的样例。
1. 事故类型:火灾2. 辨识危险源:- 办公室内使用的电器,如电脑、插排等,电源线松动或者老化容易引发火灾。
- 每日使用的厨房设施,比如微波炉、电饭锅等,如未经检查清洁,可能会引起火灾。
- 文具等易燃材料存放不当、堆积过多等,容易引发火灾。
3. 辨识可能导致事故的危险源类型:- 电气危险:电器使用不当或者老化容易引起火灾。
- 易燃危险:易燃材料存放不当或者堆积过多容易引起火灾。
- 安全疏忽:员工使用的电器、厨房设施等未经检查清洁,容易引起火灾。
4. 筛选可能导致事故的危险源:- 电器在购买时需要选择安全可靠的品牌,确保材质和制造符合国家标准。
- 对于老化的电器需要进行更换,定期对每个电器的电源线进行检查。
- 用餐时需强调厨房设施的使用规定,定期对厨房设施进行清洁检查。
- 在易燃材料使用过程中需要严禁乱堆乱放,确保办公室内的易燃材料安全。
5. 进行风险评价:- 电器的使用需要符合国家标准,同时材质和制造也要安全可靠,因此电器本身存在的风险较低。
- 对于老化的电器,若未及时更换或检查,风险将会相应提高。
- 厨房设施需定期清洁检查,严禁将易燃物放入厨房设施内,加强对员工安全教育,能有效降低火灾风险。
- 对于易燃材料,严禁乱堆乱放,定期要对易燃材料进行清理和分类,以降低火灾风险。
6. 制定风险控制计划:- 安排定期检查电器,及时更换老化的电器。
- 制定良好的厨房设施使用规定,强调使用时的注意事项,定期检查并清洗设施。
- 安排人员对文具等易燃材料进行清理和分类,避免乱堆乱放,确保安全。
7. 风险控制的效果:- 经过风险控制计划的实施,电器的使用更加安全可靠,老化电器的更换和定期检查得到有效保障。
- 厨房设施的使用规定得到更多关注,设施被及时清洗,食品存放更加安全可靠。
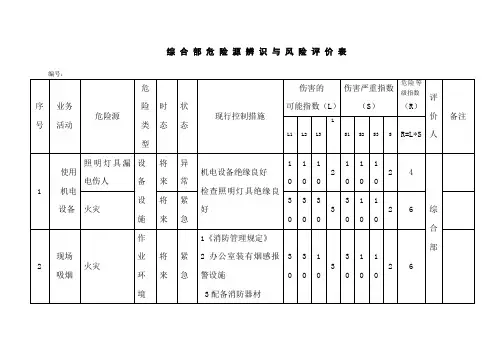
办公室岗位危险源辨识与控制
1.机械伤害
危险源:使用机械设备时,如搅拌机、切割机、打印机等,操作不当或防护措施不到位,可能导致机械部件对人体造成伤害。
控制措施:定期检查机械设备的安全防护装置,确保其完好无损;操作前必须进行安全培训,了解正确的操作流程;在机械设备运转时,禁止接触运转部件。
风险评价:高
2.电击危险
危险源:办公室内电器设备、电源插座、电线等可能因老化、破损或设计缺陷导致电击事故。
控制措施:定期检查电器设备及电线,确保其完好无损;不私拉乱接电线,不使用劣质电源插座;遵循“安全用电”的原则,避免在潮湿的环境中使用电器。
风险评价:中
3.火灾风险
危险源:办公室内的电器设备、易燃物品、吸烟等可能引发火灾。
控制措施:定期清理办公室内的可燃废物,禁止在办公室内吸烟;定期检查电器设备,确保其不超负荷运转;使用易燃物品时,需遵守相关规定。
风险评价:高
4.空气污染
危险源:办公室内空气流通不畅或存在有害气体排放,可能导致员工出现呼吸道疾病或其他健康问题。
控制措施:保持办公室通风良好,合理安排办公区域,避免人员密集;使用空气净化设备,减少室内空气污染。
风险评价:中
5.中毒危险
危险源:办公室内使用油漆、清洁剂等有毒物品,可能导致员工出现中毒症状。
控制措施:使用有毒物品时,需佩戴个人防护用品,如手套、口罩等;严禁在办公室内进食、饮水;及时清理有毒废品。
风险评价:高。
危险源辨识评价汇总表版本号:A评审人员:全体人员评审时间:2018.01.22危险源识别评价表注:1、L—可能性;E—发生频率;C—危害程度;2、风险等级:如果风险值D≥70则为重大风险,对应危险源为重大危险源;D<70为一般风险;3、风险控制计划:A—制定目标指标、管理方案;B—制定控制程序;C—教育和培训;D—制定应急预案;E—加强现场监督检查。
危险源识别评价表注:1、L—可能性;E—发生频率;C—危害程度;2、风险等级:如果风险值D≥70则为重大风险,对应危险源为重大危险源;D<70为一般风险;3、风险控制计划:A—制定目标指标、管理方案;B—制定控制程序;C—教育和培训;D—制定应急预案;E—加强现场监督检查。
危险源识别评价表2、风险等级:如果风险值D≥70则为重大风险,对应危险源为重大危险源;D<70为一般风险;3、风险控制计划:A—制定目标指标、管理方案;B—制定控制程序;C—教育和培训;D—制定应急预案;E—加强现场监督检查。
危险源识别评价表2、风险等级:如果风险值D≥70则为重大风险,对应危险源为重大危险源;D<70为一般风险;3、风险控制计划:A—制定目标指标、管理方案;B—制定控制程序;C—教育和培训;D—制定应急预案;E—加强现场监督检查。
危险源识别评价表危险源识别评价表危险源识别评价表危险源识别评价表注:1、L—可能性;E—发生频率;C—危害程度;2、风险等级:如果风险值D≥70则为重大风险,对应危险源为重大危险源;D<70为一般风险;3、风险控制计划:A—制定目标指标、管理方案;B—制定控制程序;C—教育和培训;D—制定应急预案;E—加强现场监督检查。
办公场所危险源辨识与风险评价表
背景
办公场所危险源辨识与风险评价是指在办公场所中对可能危及员工身体健康和安全的因素进行全面、系统、科学的辨识和评价,确定存在的危险源,分析危险源产生的原因及对员工造成的危害程度,对风险进行评价,确定防范和控制措施,从而达到保护员工生命财产安全的目的。
随着互联网的发展,越来越多的办公职业都面临各种类型的风险,因此危险源辨识与风险评价变得越来越重要,逐渐成为企事业单位进行安全管理的核心。
办公场所危险源辨识与风险评价表
1. 单位信息
单位名称:单位地址:邮政编码:联系人:
2. 员工信息
职位年龄段性别数量
3. 环境与设备
办公场所分布情况设备品牌及型号操作方式是否存在隐患
4. 危险源识别
危险源名称位置性质来源造成后果风险等级相应措施
5. 风险评价
风险项目风险等级预防与控制措施
评价结果
通过对办公场所危险源的辨识和风险评价,确定了以下问题:
1.危险源名称、位置、性质、来源、造成后果等详细信息;
2.针对危险源进行等级评定,并确定了相应的预防和控制措
施;
3.对办公场所进行全面评价,发现了存在的隐患,制定了针
对性的措施;
4.保证了员工在办公场所中的人身安全和财产安全。
结论
办公场所危险源辨识与风险评价是企业安全管理的重要环节,能够有效保障员工的人身安全和财产安全。
因此,在办公场所中,必须对可能的危险源和风险进行严格而细致的辨识和评估,并采取必要措施进行防范和控制,从而提高办公场所安全水平。
以上是办公场所危险源辨识与风险评价表的模板,相信对企业在此方面的管理能起到很大的帮助。
部门/项目工地:填表人:填表日期:№:序号12345 6 7 8 9 办公区类别触电事故火灾事故其他伤害其他伤害火灾事故触电事故触电事故车辆伤害触电事故火灾事故危险因素具体描述电线老化电脑辐射长期办公消防器材配备不足,或者压力不足电器漏电电线短路车辆违章行驶电源插座接线松动,破损,超负荷使用夜间办公用设备使用后没断电可能导致的事故触电、火灾电磁辐射肩背痛火灾人员伤亡人员伤亡车祸人员伤亡设备老化引起火灾涉及相关方员工员工员工员工员工员工员工员工员工作业中危(wei)险性评价L1106311331E666666613C151133331515D906036541818544545控制措施日常监督检查、更换老化路线按规定、惯例执行按规定、惯例执行制定应急预案、现场监督检查、配备足够数量消防器材日常监督检查日常监督检查日常监督检查、定期教育培训加强检查,及时更换制定制度使用后切断电源评价结果IVIVIVIVIVIVIVIVIV 单位/部门领导审核签章:共24 页第1 页业动作活部门/项目工地:填表人:填表日期:№:序号1011121314151617181920 生活区类别火灾事故中毒窒息其他伤害其他伤害火灾事故触电事故触电事故火灾事故其他伤害其他伤害火灾事故火灾事故危险因素具体描述煤气泻漏食物受污染操作人员未体检乱扔未熄灭烟头使用高压照明使用电热器具吸烟,随手丢弃未灭的烟头生熟食未分开,容器未定期消毒、购买变质食品环境卫生脏、乱、差存放易燃易爆物品未配备消防器材、逃生工具、烟雾报警器可能导致的事故火灾、中毒和窒息食物中毒其他(传染病)火灾触电触电火灾食物中毒其他(传染病暴发)火灾火灾涉及相关方厨房操作人员施工人员施工人员施工人员施工人员施工人员施工人员施工人员施工人员施工人员施工人员作业中危(wei)险性评价L13661363311E126331311610C151511515151515154015D15753627045452704545240150控制措施定期检查,及时更换制定食堂卫生制度操作人员必须体检,持证上岗设置吸烟处配置低压配电器加强安全教育,日常检查时,发现问题及时制止设置吸烟区制定食堂卫生制度制定相关制度,定期检查。