2015公司危险源辨识评价表Word版
- 格式:doc
- 大小:3.37 MB
- 文档页数:96
危险源辨识与风险评价表2015版(DOC24页)
一、引言
工作场所安全是重要的,为了确保员工的安全和健康,必须进行危险源辨识与风险评价。
本文档列出了2015版的危险源辨识与风险评价表,共24页,涵盖了各种潜在的危险源及其相关风险评价。
二、危险源辨识与风险评价表
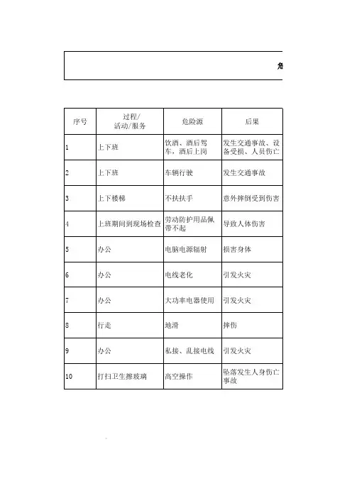
1. 办公区域
•危险源1:电子设备
–风险评价:电子设备在使用过程中存在短路、火灾等风险,应定期检查和维护。
•危险源2:滑倒
–风险评价:地面湿滑、杂物堆放等情况容易导致员工滑倒,建议加强清洁和维护工作。
2. 生产车间
•危险源3:机械设备
–风险评价:机械设备在操作过程中存在夹伤、碰撞等危险,应加强员工培训和设备维护。
•危险源4:化学品
–风险评价:化学品接触皮肤或吸入可能导致中毒,应使用防护装备并在通风良好的环境下操作。
三、结论与建议
通过对危险源的辨识与风险评价,可以有效降低工作场所的安全风险,保障员工的健康和安全。
建议定期更新危险源辨识与风险评价表,加强员工的安全意识培训,并落实各项安全管理措施,确保工作场所的安全生产。
四、参考文献
•安全管理实施细则(2015版)
•工作场所危险源辨识与风险评价指南
以上为2015版危险源辨识与风险评价表,共24页,希望对您的工作有所帮助。
WORD格式Word格式河南国基建设集团有限公司公司危险源辨识与风险评价表编制:审批:时间:完美整理Word格式公司危险源辨识与风险评价表序号工序/项目危险源可能导致的事故应采取的控制措施判定准则重大危LEC值法险源备L值E值C值D值是否注不使用安全电压、乱1临时用电搭乱设用电线路,未按规定设漏电保护触电1、机械用电必须做到“一机一闸一漏”;2、接、拆电源应由专业电工操作;3、漏电开关等必须灵敏有效;4、现场电缆线布设规范。
2615180√器1、铲车、推土机、压路机等设备必须专人按安全技术操作规程操作,2场地平整指挥不当,违章驾驶车辆伤害持证上岗;2、施工人员不得擅自进入铲车等机械的操作范围;3、设16742专人指挥。
施工准备搭建临时设施作业不当物体打击起重伤害1、操作人员按规定穿戴个人防护用品;2、施工人员严格按安全技术操作规程操作;3、现场设专人统一指挥协调;4、划出施工警戒区,并加设围栏,无关人员不得入内。
12、吊装时应把吊物捆绑牢固;、信号工及吊装司机必须持证上岗,316318材料机械进场违章作业、指挥起重伤害物体打击密切配合,严格遵守“十不吊”规定;3、被吊物严禁从人上方通过,人员严禁在被吊物下方停留;4、经常检查吊索具,并且保持安全有效;5、遇有6级以上强风、大雨、大雾等天气严禁吊物。
6、严格遵416742守操作规程,按规定穿戴劳保用品。
5 进场安全教育未按规定内容教育多种伤害所有进场施工人员必须进行规定内容的安全技术教育,经考试合格。
36354 完美整理Word格式6 特殊工种人员培训未进行培训多种伤害特种作业人员必经劳动部门或其委托单位进行培训、考试,成绩合格,持证上岗。
368144√地沟开挖不规范支护不稳坍塌1、挖槽、坑、沟深度超过1.5米时,应按规定放坡或加可靠支撑,并且严禁掏洞或由下向上拓宽沟槽;2、槽、坑、沟边1米范围内不准堆土、堆料、停放机具。
73615270√地基1、挖槽、坑、沟深度超过1.5米时,应设置人员上下坡道或配爬梯,开挖8开挖防护缺陷高处坠落、物体打击当深度大于2米时应设专用马道;2、槽、坑、沟深度超过2米时必须在边沿处设置两道不低于1.2米的防护栏,并设警示灯;3、清除36354土基坑周边零散物料;4、在临边护栏上挂密目安全网。
部门/项目工地:填表人:填表日期:能:单位/部门领导审核签章:共24页第丄页部门/项目工地:填表人:填表日期:能:11百度文库-让每个人平等地提升自我单位/部门领导审核签章:共24页第丄页部门/项目工地: 填表人: 填表日期:百度文库-让每个人平等地提升自我M:单位/部门领导审核签章:共24页第丄页部门/项目工地: 填表人: 填表日期: M:序号作业活动危险因素可能导致的事故涉及相关方作业中危险性评价控制措施评价结果类另S 具体描述/L E C\ D32触电事故钢筋笼的焊接,焊机漏电,漏保失灵/■/触电施工人员1640240定期检查、检修随时更换III 33触电事故混凝土输送地泵漏电触电施工人员1640240定期检查、检修随时更换III34桩基工程触电事故混凝土的震捣漏电触电施工人员1640240定期检查、检修随时更换III35触电事故发电机漏电触电施工人员1640240定期检查、检修随时更换III36淹溺事故作业人员不慎跌入浆池淹溺施工人员131545配备安全防护用品、严格施工作业人员操作规程IV37坍塌事故\超过5米深基坑支护及开挖\未进行专家论证施工伤亡施工人员6340720按规定进行围护结构及开挖方案的专家论证I38坍塌事故5米以内基坑未制疋支护、开挖专项方案局部坍塌伤亡施工人员3640720专项方案经审批后方可施工、I39深基坑作业坍塌事故未进行变形监测伤亡施工人员3640720每天对第二方监测数据进行收集,与自己监测结果进行对比,日常监测。
I40坍塌事故未按照专项方案提前进行降水伤人施工人员161590按照专项方案计划提前10-18天进行降水III41高处坠落基坑开挖后未及时对周边进行临边防护伤亡施工人员31015450挖深超过两米后及时进行维护,现场/把关II 单位/部门领导审核签章:填表日期: M:部门/项目工地: 填表人:序号作业活动危险因素可能导致的事故涉及相关方作业中危险性评价控制措施评价结果填表日期:类另S 具体描述L E C\ D42深基坑坍塌事故基坑周边载重车辆、堆载超过规定要求伤人施工人员6640720设定警戒线,现场把关I43作业高处坠落/上下人通道不规范伤人施工人员11015150按照标准通道进行搭设出44高处坠落临边防护不稳定,缺少扫地杆,部分基坑缺少防护伤人施工人员6315135按照临边防护规定设置,扫地离地面10cm的保护栏杆并加固,符合安全要求后方能投入使用出45物体打击回转臂半径内站人被碰撞伤人施工人员663108按规定现场把关出46高处坠落作业人员上下基坑没有设置斜道摔伤施工人员131545由架工设置1:3的斜道,两边的防护栏杆高度为\IV47土方工程高处坠落、基坑上下人员的斜道扶\手不符合安全要求摔伤施工人员131545由架工设置1:3的斜道,两边的防护栏杆高度为、、IV48触电事故水泵在使用前没有进行绝缘测试触电施工人员161590机电人员在使用前对水泵进行检测?, 符合安全要求的投入使用/IV49物体打击作业人员没有戴安全帽或没有正确戴安全帽伤人施工人员663108加强安全教育及配戴防护用品的教育出50其他伤害作业人员没有穿防水鞋或光脚作业、伤人施工人员16318加强安全教育及配戴防护用品的教育IV51触电事故漏电保护器失灵\触电施工人员6140240项目部机电人员及时更换,安装完毕后方能投入使用出单位/部门领导审核签章:部门/项目工地:填表人:共/4页第_5_页填表日期: M:序号作业活动危险因素可能导致的事故涉及相关方作业中危险性评价控制措施评价结果类另S 具体描述L E C\ D52触电事故潮湿场所没有使用安全/电压触电施工人员131545由机电人员及时安装安全电压灯具,IV53土方工程触电事故照明灯具的保护零线接触不良触电施工人员131545按照JGJ46-2005标准,对保护接零检查符合安全要求后,方可投入使用IV54机械伤害风稿使用伤人施工人员1339给操作者配发耳塞,合理安排作息时间\IV55物体打击扣件的质里不付合国豕标准的要求架体倾斜倒塌施工人员11015150按照国家规定,项目部将不符合要求的扣件及时更换,进场的扣件应具备产品合格证。
附件2:风险矩阵及风险等级划分表第 1 页第 2 页附件3:***单位风险管理小组组成及职责组长:副组长:成员:风险管理小组成员职责:附件4:准备工作表工作场所登记表第 - 3 - 页附件5:设备、设施登记表第 - 4 - 页工作任务登记表附件6:第 - 5 - 页附件7:岗位工种登记表第 - 6 - 页附表8:工作任务及工序分解表风险管理小组名称:填报日期:二〇一三年月日填表:风险管理小组组长:单位(区队)负责人:业务主管部门负责人:战线领导:第 - 7 - 页附件9:工作任务及工序表第 - 8 - 页附件10:危险源辨识表风险管理小组名称:填报日期:二〇一三年月日填表:风险管理小组组长:单位(区队)负责人:业务主管部门负责人:战线领导:附件11:第 - 9 - 页附件12:员工不安Array全行为表现及其分类表第 - 10 - 页2.行为痕迹、频次、风险等级采用“●”进行描述附件13:危险源辨识及风险评估表风险管理小组名称:填报日期:二〇一三年月日填表:风险管理小组组长:单位(区队)负责人:业务主管部门负责人:战线领导:第 - 11 - 页危险源辨识及风险评估表附件14:***单位工作任务风险等级统计表第 - 0 - 页第 - 2 - 页附件15:***单位安全管理标准与管理措施风险管理小组名称:填报日期:二〇一三年月日填表:风险管理小组组长:单位(区队)负责人:业务主管部门负责人:战线领导:(工种)管理标准及管理措施(机、环、管)管理标准及管理措施附件16:***单位风险管理表风险管理小组名称:填报日期:二〇一三年月日填表:风险管理小组组长:单位(区队)负责人:业务主管部门负责人:战线领导:***单位风险管理表第 - 6 - 页第 - 7 - 页附件17:危险源辨识的基本内容附件18:危险源辨识工作流程表第 9 页。
公司危险源识别及评价汇总表精编W O R D版 IBM system office room 【A0816H-A0912AAAHH-GX8Q8-GNTHHJ8】
太原市建工兴达工程有限公司Taiyuanshi Jiangong Xingda Engineering Co.,Ltd 危险源识别及评价汇总表
编制: 安全管理部
审核:
批准:
二0一三年六月十日
JGXD-CX-20-01 危险源识别及评价表
单位:太原市建工兴达工程有限公司
单位:太原市建工兴达工程有限公司
单位:项目部
单位:项目部
单位:项目部
单位:项目部
单位:项目部
单位:项目部
单位:项目部
JGXD-CX-20-01 危险源识别及评价表单位:项目部
单位:项目部
单位:项目部
单位:项目部
单位:项目部
单位:项目部
单位:项目部
单位:项目部
单位:项目部
单位:项目部
单位:项目部
单位:项目部
单位:项目部
单位:项目部
单位:项目部
单位:项目部
单位:项目部
单位:项目部
单位:项目部
单位:项目部。