恒流源芯片9910
- 格式:pdf
- 大小:639.41 KB
- 文档页数:8
基于FPGA的AD9910控制设计时间:2011-03-21 来源:作者:杨小勇,毛瑞娟,许林华关键字:FPGA AD控制设计随着数字信号处理和集成电路的发展,要求数据处理速度越来越高,基于单片机+DDS(直接数字频率合成)的频率合成技术已不能满足目前数据处理速度需求。
针对这一现状,本文提出了基于FPGA+DDS的控制设计,能够快速实现复杂数字系统的功能。
1 AD9910的硬件电路设计AD9910是ADI公司推出的一款单片DDS器件,内部时钟频率高达1GHz,模拟输出频率高达400 MHz,14-bit的DAC,最小频率分辨率为0.23 Hz,相位噪声小于-125 dBc/Hz@1 kHz(400 MHz),窄带无杂散动态范围大于80 dB,串行I/O控制,具有自动线性和随机的频率、相位和幅度扫描功能,1 024 32位RAM,具有调幅、调相的功能,1.8 V和3.3 V供电,可实现多片同步。
应用在高灵敏度的频率合成器、可编程信号发生器、雷达和扫描系统的FM调制源、测试与测量装置以及高速跳频系统AD9910芯片的主要外围电路为:参考信号源、控制、环路滤波器和输出低通滤波器等电路。
参考信号源为AD9910提供基准频率,参考信号输入芯片后,内部的倍频器和锁相环起作用产生1GSPS的系统时钟;控制电路通过芯片的I/O给内部寄存器写入内容,寄存器内容不同,芯片工作状态不同,控制芯片可以是单片、FPGA或DSP,本设计采用FPGA;AD9910提供专门的管脚外接环路滤波器,以优化内部PLL的性能,环路滤波器为简单的低通滤波器;AD9910输出高达400 MHz的模拟信号,为了减少噪声,在它的输出端口设计了400MHz的低通滤波器。
图1为实际设计的AD9910外围连接图。
在AD9910的电路设计中,应注意以下几个问题:1)AD9910电源和地设计。
AD9910需要4组电源,AVDD(1.8 V)、DVDD(1.8 V)、AVDD(3.3 V)和DVDD(3.3 V),模拟电源和数字电源需要隔离,电源管脚的滤波最好采用钽电容和陶瓷电容。
恒流IC使用以前我做的LED灯具都是用恒压电源,当时不了解LED的性能,按照厂家给的数据每只小灯珠给到20MA,经过我们测试后,灯珠总是烧掉,才知道厂家的数据是不可靠的,我们减小了电流使用。
那时是在2002年,做些MR16小灯泡,广告牌之类的应用。
我是2007年才开始做恒流驱动,什么HV9910,PT4107,PT6901,SN3910,IR的,试验多了,但是最先成功的是QX9910,出过一些货,但是QX9910有很多不良品,老化后的产品也不太稳定,经常有闪灯现象,现在还有一些剩余的做纪念品了。
我认为,要想做好驱动,先要找好芯片。
当初在07年的时候,恒流IC很难找到,价格也贵的离奇,一片HV9910要8元,一片IR的 S2540要25元,其实就是一个半桥芯片,拿来唬人,还有什么日本的一些芯片也是拿来唬人的,其实就是一般的恒压IC,我在这些无聊的芯片上走了很长时间的弯路,严重影响了进度。
HV9910系列产品在第二代IC也很流行,但是技术原因,高压直接进IC,容易炸机。
后来出来了很多仿制品,仿的最好是SMD802,多个输出短路保护,曾被大量采用,随着更新换代,这种IC现在也落伍了。
很多种IC还没有正式投产就夭折了。
09年推出了BP2808,这种非隔离的IC用了几年都是长胜不衰,做1000片也很难坏一个电源,因为BP2808是第三代IC,性能稳定,它能输出30W以上的功率,并可长期使用,效率更高,轻松95%。
这种驱动芯片都有一个共同的缺点,就是EMCT EMI不好过,经大家长期的探索认为在MOS电源输入端加二个差模电感就能解决EMC,而EMI的解决办法是有几种,有的在MOS管的漏极加个磁珠,但这种方法加大了损耗来换取的,我的办法是在漏源极(S-D)用100P以上的陶瓷电容加到上面的,这种方法能有效提高效率,还能控制EMI。
晶丰在不断的进取,现在又推出BP3105,在宽电压的范围内,恒流精度在1%,这样击败了国内外所有的方案公司,国内的第一家调光恒流IC:BP3109也不错的,它的设计是亮度在一定情况下截止,避免了闪亮现象,成本很低。
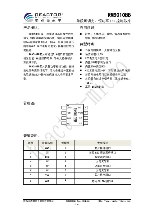
产品概述:RM9010BB是一款单通道高压线性数字调光LED恒流驱动控制芯片,输出电流由外接R CS电阻设置为5mA-80mA,且输出电流不随芯片OUT端口电压而变化,具有很好的恒流性能。
RM9010BB芯片可通过DIM端口实现数字调光功能,系统结构简单,外围元器件极少,方案成本低。
RM9010BB芯片具备功率补偿功能,在输出电压升高的情况下,芯片会通过外置补偿电阻调整LED补偿电流保证输入功率基本不变。
应用领域:⏹应用于人体感应、声控、雷达及智能化控制LED照明领域典型特点:⏹外围电路简单,无需磁性元件⏹恒流偏差<±5%⏹LED电流可外部设定⏹内置DIM数字调光端口⏹内置500V高压MOS⏹VDD工作电压3-6V,可与模块共用电源⏹芯片外接电阻可以实现恒功率功能⏹芯片具有过温补偿功能(温度调节点:125℃)⏹采用ESOP8封装管脚图:管脚说明:序号管脚名称管脚号管脚描述1GND1芯片接地端口2CS2芯片LED恒流采样端口3DIM3数字调光端口4NC4无定义管脚5CP5功率补偿端口6NC6无定义管脚7VCC7芯片供电端口8OUT8芯片与LED接口端典型应用:DIM调光需要0-100%,CP电压应在整流桥后电阻分压取样。
极限参数(注1):(无特殊说明情况下,T A=25℃)符号参数参数范围单位OUT500V芯片高压接口500VVDD芯片供电低压接口 6.2VCS芯片低压接口-0.3to7VDIM芯片低压接口-0.3to5VCP芯片低压接口-0.3to7VPDMAX功耗 1.5WRθJA(注2)PN结到环境的热阻90℃/WTJ工作结温范围-40to150℃注1:极限值是指超出该工作范围,芯片有可能损坏。
推荐工作范围是指在该范围内,器件功能正常,但并不完全保证满足个别性能指标。
电气参数定义了器件在工作范围内并且在保证特定性能指标的测试条件下的直流和交流电参数规范。
对于未给定上下限值的参数,该规范不予保证其精度,但其典型值合理反映了器件性能。
OZ9910(7)脚ADI端外部设置的电阻R528实际未安装,使得该脚电压低于,工作于脉冲调光模式,调光脉冲来自驱动板的BRIGHTNESS端。
驱动板的开关信号通过R526加到O Z9910(8)脚,在电压大于2V时芯片启动。
C505可以防止干扰信号对ENA端造成的影响。
OZ9910启动后。
激励信号从(16)、(3)、(15)、(4)脚输出,到末级功率管的栅极。
该电路末级功率管采用的型号是AOP605L,为8脚贴片封装形式,内含一个P沟道场效应管和一个N沟道场效应管。
其主要参数分别为30V、75A、和-30V、-6.6A、25W。
可采用FDS8958A进行直接代换。
高频变压器T501和T502的初级并联,这样每个变压器负责两个灯管,会显着降低故障率。
变压器次级的R501、R502、C527、C530、D507、D508等元件构成高压取样电路。
此取样电压加到OZ9910(9)脚,如果(9)脚电压超过,芯片会执行保护动作,停止驱动输出。
D504、D501、D506、D502等元件对灯管电流进行取样,取样电压分别加到Q502~Q505的栅极。
正常工作时,Q502和Q505处于微导通状态,这几只场效应管实际上起到类似于可调电阻的作用。
Q501栅极电压很低,处于截止状态。
不影响ISEN电流检测电路的工作。
芯片根据IS1和IS2反馈值大小来调整输出脉冲宽度,稳定灯管亮度。
如果任意一个灯管开路,OP取样电压立刻降为0V,对应控制管Q502~Q505其中之一必将截止,其漏极电压升高,最终引发Q501栅极电压升高,Q501导通,将OZ9910(11)脚电位拉低,OZ9910内部计数器开始计数,如果内此电压依然很低,则判断灯管脱落,执行保护动作。
(1)CCFL不能点亮首先按照常规检查供电电路,再目测功率管是否烧焦炸裂。
对于高频变压器可以用电阻法进行判断。
由于这种电路的两个变压器参数完全一致,两路驱动输出电路也完全一致,因此相互比对,采用在路电阻测量法可以迅速找到损坏元件。
LED降压恒流驱动IC大功率LED驱动IC-TAC7135 价格为:1.2元TAC Microtech(台创科技)针对大功率LED(发光二极管)的不同应用推出一款解决方案TAC7135。
TAC7135是一款输入电压2.7V-6V 的350mA超低压差稳流器。
350mA恒定电流输出推动1W的大功率LED,达到稳定亮度、增加电池总输出功率的效果,输出电流分别有300mA、330mA、350mA、380mA,其超低压差、低静态电流特性更延长了电池使用时间。
使用两个380mA并联则可直接驱动3W大功率LED,无须任何外接组件,并具有输出短路/开路保护与内建过热保护装置。
SOT-89-3封装。
应用范围:大功率LED手电筒、大功率LED矿灯、低压降压模块、汽车LED灯、LED灯箱、LED台灯照明, 并可直接代替AMC7135。
规格书下载:TAC7135大功率LED驱动IC-TAC7136 价格为:1.5元TAC7136 是一款低静态电流、低压差的LED恒流驱动器。
输入电压2.7V-6V,使用一个外接电阻,可使输出电流能在100mA到400mA范围内进行调节。
仅仅需要一个外接电阻就可构成一个完整的LED恒流驱动电路。
内部自带软启动、过热保护、低压保护。
提供一个可以用于扩压和扩流的DR脚。
外接一个MOS 场效应管或NPN三极管,可以扩大输出电流和输出电压范围,最大电流可达2A。
SOT-89-5封装。
应用范围:大功率LED手电筒、大功率LED矿灯、低压降压模块、汽车LED灯、LED灯箱、LED台灯照明,LED 显微镜灯。
规格书下载:TAC7136大功率LED驱动IC-TAC9920 价格为:1.5元TAC9920 是一款高效率,稳定可靠的大功率LED驱动IC,内置高精度比较器,off-time控制电路,恒流驱动控制电路等,特别适合大功率,多个大功率LED灯串恒流驱动。
TAC9920采用固定off-time控制方式,其工作频率可高达2.5MHz,可使外部电感和滤波电容,体积减少,效率提高。
产品名称:WT9910产品类别:LED Driver产品描述:WT9910 是一款高效率LED 驱动控制芯片。
其输入电压范围为8V DC 到450V DC。
WT9910 一定的开关频率控制外置MOSFET,开关频率最高可达300KHz,此开关频率可通过调节单个的下拉电阻实现。
WT9910 是一款恒流驱动的LED 驱动控制芯片,其输出驱动电流最大可超过1A。
WT9910 采用高压工艺在输入端可经受高达450V 的浪涌电压。
用户可通过控制LD 端的输入电压,将WT9910 的输出驱动电流值在0 到LED 最大驱动电流值间进行调节。
同时提供的PWM_D 管脚可将WT9910 输出的控制信号在0~100%占空比间调节。
特性:效率高于90%超宽的电压输入范围8V 到450V;恒流LED驱动输出驱动电流最高可超过1A;单个LED灯串可达到数百颗;应用:DC/DC或AC/DC的LED驱动;RGB背光的LED驱动;平板显示器的背光驱动;通用恒流源;市政或建筑装饰用LED驱动;日光灯,普通照明;汽车车灯或内饰灯;充电器;基本参数:原理图PC B电气特性项目单位最小典型最大备注输出电压V667696220V AC供电,24颗LED串联压降输出电流mA230220V AC供电,12条并联支路总电流功率因数0.94220V AC供电,24串12并,288颗效率η90% 220V AC供电,24串12并,288颗恒流精度<1%器件参数F0 慢断保险丝:250V/0.5AVDR 压敏电阻:7D471T_CM 共模电感:16*9*6,预留CX1,CX2安规X2电容:0.1uf 间距:10MMD_B 桥堆:DF04S /DB104SR7 功率电阻:10Ω/1WC7 金属薄膜电容:0.015UF/630VC0 C1 电解电容:22UF/250V φ10*20 ,105℃C6 瓷片电容:1UF/16V1206C8电解电容:10UF/400Vφ8*12C2瓷片电容:10nF1206C5 预留D0 D1D2M7 SMA/DO-214ACD3 BYV26C DO-41R8300KΩ1/4W 1206R1预留R20Ω1/4W 1206 可考虑配合C5做滤波R5 3KΩ1/4W 1206R60Ω1/4W 1206R0 R3 R4 2.7Ω1/2W 1206Q1 4N60/2N60,L0,L1 3.63mH/500mA +3.63mH/500mAφ10*16工字电感串联使用L2 3.5mH/100mA φ6*8工字电感U0 WT9910 LED高压工艺驱动器PCB 250mm*16.5mm*1.6mm(双层板)二应用指南:1、电路工作原理图一PWM控制器基本应用框图该电路采用了基于峰值电流检测的buck拓扑结构,Reg为高压转换模块,从电源取电将其转换成7.5V供应芯片内部其它模块工作。
Adaptive Power MOSFET Driver 1FEATURESD dv/dt and di/dt Control D Undervoltage Protection D Short-Circuit ProtectionD t rr Shoot-Through Current Limiting D Low Quiescent Current D CMOS Compatible InputsD Compatible with Wide Range of MOSFET Devices D Bootstrap and Charge Pump Compatible (High-Side Drive)DESCRIPTIONThe Si9910 Power MOSFET driver provides optimized gate drive signals, protection circuitry and logic level interface. Very low quiescent current is provided by a CMOS buffer and a high-current emitter-follower output stage. This efficiency allows operation in high-voltage bridge applications with “bootstrap” or “charge-pump” floating power supply techniques.The non-inverting output configuration minimizes current drain for an n-channel “on” state. The logic input is internally diode clamped to allow simple pull-down in high-side drives.Fault protection circuitry senses an undervoltage or output short-circuit condition and disables the power MOSFET.Addition of one external resistor limits maximum di/dt of the external Power MOSFET . A fast feedback circuit may be used to limit shoot-through current during t rr (diode reverse recovery time) in a bridge configuration.The Si9910 is available in 8-pin plastic DIP and SOIC packages, and are specified over the industrial, D suffix (−40to 85_C) temperature range. In SOIC-8 packaging both standard and lead (Pb)-free options are available.FUNCTIONAL BLOCK DIAGRAMV DDINPUT1.Patent Number 484116.ABSOLUTE MAXIMUM RATINGSVoltages Referenced to V SS PinV DD Supply Range −0.3 V to 18 V . . . . . . . . . . . . . . . . . . . . . . . . . . . . . . . . . . . Pin 1, 4, 5, 7, 8−0.3 V to V DD + 0.3 V . . . . . . . . . . . . . . . . . . . . . . . . . . . . . . . . Pin 2−0.7 V to V DD + 0.3 V . . . . . . . . . . . . . . . . . . . . . . . . . . . . . . . . . . . . . . . . . Input Current "20 mA . . . . . . . . . . . . . . . . . . . . . . . . . . . . . . . . . . . . . . . . . . . . . Peak Current (I pk )1 A . . . . . . . . . . . . . . . . . . . . . . . . . . . . . . . . . . . . . . . . . . . . . . Storage Temperature −65 to 150_C. . . . . . . . . . . . . . . . . . . . . . . . . . . . . . . . . . Operating Temperature −40 to 85_C . . . . . . . . . . . . . . . . . . . . . . . . . . . . . . . . . Junction Temperature (T J )150_C . . . . . . . . . . . . . . . . . . . . . . . . . . . . . . . . . . . . Power Dissipation (Package)a8-Pin SOIC (Y Suffix)b 700 mW . . . . . . . . . . . . . . . . . . . . . . . . . . . . . . . . . . . . . 8-Pin Plastic DIP (J Suffix)b 700 mW. . . . . . . . . . . . . . . . . . . . . . . . . . . . . . . . . Notesa.Device mounted with all leads soldered or welded to PC board.b.Derate 5.6 mW/_C above 25_C.SPECIFICATIONS aTest ConditionsLimitsParameterSymbolUnless Otherwise SpecifiedV DD 10.8 V to 16.5 VT A = OperatingTemperature RangeMin cTyp bMax cUnitInputHigh Level Input Voltage V IH 0.70 x V DD7.4Low Level Input Voltage V IL 6.00.35 x V DDVInput Voltage HysteresisV h0.90 2.03.0High Level Input Current I IHV IN = V DD "1Low Level Input Current IILV IN = 0 V"1m A OutputHigh Level Output Voltage V OH I OH = −200 mA V DD −310.7Low Level Output Voltage V OL I OL = 200 mA1.33Undervoltage Lockout V UVLO 8.39.210.6I SENSE Pin ThresholdV TH Max I S = 2 mA, Input High100 mV Change on Drain0.50.660.8VVoltage Drain-Source Maximum V DS Input High 8.39.110.2Input Current for V DS Input I VDS 1220.0m A Peak Output Source Current I OS+1A Peak Output Sink CurrentI OS −−1SupplySupply Range V DD 10.816.5V I DD1Output High, No Load 0.11Supply CurrentI DD2Output Low, No Load100500m ADynamicPropagation Delay Time Low to High Level t PLH 120Propagation Delay Time High to Low Level t PHL 135Rise Time t r C L = 2000 pF50nsFall Timet f 35Overcurrent Sense Delay (V DS )t DS 1m S Input CapacitanceC in5pF Notesa.Refer to PROCESS OPTION FLOWCHART for additional information.b.Typical values are for DESIGN AID ONLY , not guaranteed nor subject to production testing.c.The algebraic convention whereby the most negative value is a minimum and the most positive a maximum.AC TESTING CONDITIONSIN (IN = L)OUTV DD V SS V OH V OLPIN CONFIGURATIONS AND ORDERING INFORMATIONV DS PULL-UP INPUT PULL −DOWN V DD V SS DRAINI SENSESOIC-85678Top View2341PDIP-8V DS PULL-UP INPUT Pull-DOWN V DD V SS DRAINI SENSETop View56782341ORDERING INFORMATIONPart NumberTemperature Range PackageSi9910DY Si9910DY -T1SOIC-8Si9910DY -T1—E3−40 to 85_CSi9910DJ PDIP 8Si9910DJ-T1PDIP-8PIN DESCRIPTIONPin 1: V DSPin 1 or V DS is a sense input for the maximum source-drain voltage limit. Two microseconds after a high transition on input pin 2, an internal timer enables the V DS(max) sense circuitry. A catastrophic overcurrent condition, excessive on-resistance,or insufficient gate-drive voltage can be sensed by limiting the maximum voltage drop across the power MOSFET. An external resistor (R3) is required to protect pin 1 from overvoltage during the MOSFET “off” condition. Exceeding V DS(max) latches the Si9910 “off.” Drive is re-enabled on the next positive- going input on pin 2. If pin 1 is not used, it must be connected to pin 6 (V SS ).Pin 2: INPUTA non-inverting, Schmidt trigger input controls the state of the MOSFET gate-drive outputs and enables the protection logic.When the input is low (v V IL ), V DD is monitored for an undervoltage condition (insufficiently charged bootstrap capacitor). If an undervoltage (v V DD(min)) condition exists,the driver will ignore a turn-on input signal. An undervoltage (v V DD(min)) condition during an “on” state will not be sensed.Pin 3: V DDV DD supplies power for the driver’s internal circuitry and charging current for the power MOSFET’s gate capacitance.The Si9910 minimizes the internal I DD in the “on” state (gate-drive outputs high) allowing a “floating” power supply to be provided by charge pump or bootstrap techniques.Pin 4: DRAINDrain is an analog input to the internal dv/dt limiting circuitry.An external capacitor (C1) must be used to protect the input from exposure to the high-voltage (“off” state) drain and to set the power MOSFET’s maximum rate of dv/dt. If dv/dt feedback is not used, pin 4 must be left open.Pin 5: I SENSEI SENSE in combination with an external resistor (R 1)protects the power MOSFET from potentially catastrophic peak currents. I SENSE is an analog feedback that limits current during the power MOSFET’s transition to an “on” state. It is intended to protect power MOSFETs (in a half-bridge arrangement) from “shoot-through” current, resulting from excess di/dt and t rr of flyback diodes or from logic timing overlap. An 0.8-V drop across (R1) should indicate a current level that is approximately four times the maximum allowable load current. When the I SENSE input is not used, it should be tied to pin 6 (V SS ).Pin 6: V SSV SS is the driver’s ground return pin. The applications diagram illustrates the connection of V SS for source-referenced“floating” applications (half-bridge, high-side) and ground-referenced applications (half-bridge, low-side).Pin 7: PULL-DOWN Pin 8: PULL-UPPull-up and pull-down outputs collectively provide the power MOSFET gate with charging and discharging currents. Turn “on” or “off” di/dt can be limited by adding resistance (R 2) in series with the appropriate output.APPLICATIONS“Floating” High-Side Drive ApplicationsAs demonstrated in Figure 1, the Si9910 is intended for use as both a ground-referenced gate driver and as a “high-side”or source-referenced gate driver in half-bridge applications.Several features of the Si9910 permit its use in half-bridge high-side drive applications.A simple and inexpensive method of isolating a floating supply to power the Si9910 in high-side driver applications had to be provided. Therefore, the Si9910 was designed to be compatible with two of the most commonly used floating supply techniques: the bootstrap and the charge pump. Both of these techniques have limitations when used alone. A properly designed bootstrap circuit can provide low-impedance drive which minimizes transition losses and the charge pump circuit provides static operation.The Si9910 is configured to take advantage of either floating supply technique if the application is not sensitive to their particular limitations, or both techniques if switching losses must be minimized and static operation is necessary. The schematic above illustrates both the charge pump and bootstrap circuits used in conjunction with an Si9910 in a high-side driver application.Input signal level shifting is accomplished with a passive pull-up (R4) and n-channel MOSFET (Q2) for pull-down in applications below 500 V. T otal node capacitance defines the value of R4 needed to guarantee an input transition rate which safely exceeds the maximum dv/dt rate of the output half-bridge. Using level-shift devices with higher current capabilities may necessitate the addition of current-limiting components such as R5.Bootstrap Undervoltage LockoutWhen using a bootstrap capacitor as a high-side floating supply, care must be taken to ensure time is available to recharge the bootstrap capacitor prior to turn-on of the high-side MOSFET. As a catastrophic protection against abnormal conditions such as start-up, loss of power, etc., an internal voltage monitor has been included which monitors the bootstrap voltage when the Si9910 is in the low state. The Si9910 will not respond to a high input signal until the voltage on the bootstrap capacitor is sufficient to fully enhance the power MOSFET gate. For more details, please refer to Application Note AN705.APPLICATION CIRCUITFIGURE 1.High-Voltage Half-Bridge with Si9910 Drivers。
ad9910原理AD9910原理1. 简介AD9910是一款高性能的直接数字频率合成器(DDS),由ADI (Analog Devices Inc.)公司生产。
它能够快速生成高精度的频率和相位可调的信号,广泛应用于无线通信、雷达、医疗设备等领域。
2. DDS基本原理直接数字频率合成器(DDS)采用数字信号处理技术,通过数字控制相位累加器(Phase Accumulator)和频率控制字(Frequency Tuning Word)实现频率和相位调制。
•数字控制相位累加器:相位累加器是DDS的核心组件,它根据频率控制字决定每个时钟周期的相位增量,并将累加的相位值送入相位表(Phase Lookup Table)。
•频率控制字:频率控制字决定了每个时钟周期的相位增量的大小,它与目标输出频率相关。
3. AD9910内部结构AD9910集成了多个模块,包括相位累加器、数字与模拟转换器(DAC)、时钟发生器等。
相位累加器相位累加器以一个内部时钟(由时钟发生器提供)为基准,使用频率控制字确定相位增量大小,并生成一个相位累加序列。
数字与模拟转换器(DAC)相位累加序列经过数字与模拟转换器(DAC)转换为模拟信号,然后通过滤波器进行滤波,得到连续的输出信号。
时钟发生器AD9910内部集成了一个高性能的时钟发生器,可以根据需要生成高稳定性和低噪声的时钟信号,以提供给相位累加器和DAC使用。
4. 工作原理AD9910工作原理如下:1.用户通过SPI接口向AD9910写入频率控制字,确定所需输出频率。
2.AD9910的相位累加器根据频率控制字决定每个时钟周期的相位增量,并自动生成相位累加序列。
3.相位累加序列经过DAC转换为模拟信号,并通过滤波器得到连续的输出信号。
4.输出信号被放大、调制等处理后,用于对应应用领域。
5. 特点与应用AD9910具有以下特点:•高精度:采用32位相位累加器和14位DAC,能够实现很高的频率和相位分辨率。
《ADI DDS AD9910评估使用心得》第一篇。
adiddsad9910评估使用心得adi公司推出的一系列dds 芯片中,最高性能的莫过于ad9858及后续的ad9910/ad9912了。
ad9858是早期的产品,其特点是输出功率大,并带有rf混频等功能,缺点是d/a转换位数低,杂散比较大。
ad9910则有不少改进,本人在使用过程中有一些心得体会,拿出来与大家分享。
对于初次使用者来说,ad9910繁多的寄存器设置常常让人摸不着头脑,而adi工程师总是评估软件的寄存器设置。
那么,能不能用官方的评估软件直接配置自己的硬件电路呢,回答是肯定的。
adi官方提供了评估板的全部设计资料,包括用户手册、硬件电路原理图、pcb/gerber文件、评估软件及源代码。
给使用者评估芯片性能提供了极大的方便。
如果你的设计中是采用fpga/cpld+ad9910的设计,那么恭喜你,只需很小的成本即可享受官方评估软件带来的便利。
首先来认识一下官方评估板的硬件设计。
为了让用户充分评估ad9910的性能,官方评估板采用usb+cpld+fifo+ad9910的结构。
其中cpld及fifo主要用于评估paralleldataportmodulation模式,不是本文的重点。
评估板的原理框图如下图所示。
usb接口芯片采用cy7c68013a,是cypress公司推出的ez-usbfx 系列第二代usb接口芯片,支持usb2.0规范,内部由8051核、sie 引擎及fifo构成。
支持re-numeration模式,支持固件在线下载。
epm240是altera公司的复杂可编程逻辑器件cpld,用于控制fifo的读写以及其他一些控制信号的控制。
idt72v285是idt公司的同步fifo,容量为32kx18。
ad9910评估板实物图如下所示。
也许有人不禁要问,即使知道了硬件的详细设计,但是没有usb 固件及cpld程序,如何使用呢。
Switching Type LED Driver QX9910General DescriptionQX9910 is a highly efficient, stable and reliable high-brightness LED lights controlled constant current driver IC, built-in high-precision comparators, off-time control circuit, the current drive and other circuits, especially for high-power, high brightness LED light more than string constant current driver. QX9910 fixed off-time control mode, the operating frequency up to 2.5MHz, allows the external inductor and filter capacitor, the volume decrease efficiency. off-time minimum time, through an external resistor and capacitor set, the operating frequency can be changed according to user requirements. PWM signal at the EN-ended and can adjust the brightness of LED lights. By adjusting the external resistance, high brightness LED lamp can control the drive current to achieve the desired LED brightness constant brightness, high brightness LED light streaming from a few milliamps of current to 1 Amp change.FeaturesProgrammable LED drive current programmed range of a few milliamps to 1 amp. High efficiency: better than 90%Wide input voltage range :2.5V~400VHigh frequencyAdjustable operating frequency: 10KHz~2.5MHzStrong LED light function drive: LED light string from one to hundreds of high brightness LED lampsPWM adjustable brightness:By EN-side, adjust the LED brightnessApplications220V AC power supply LED lights; RGB LED lights big screen; 220V AC power LED lamp; LED backlighting flat panel displays; LED traffic warning lights; Constant current charger control; Universal constant current source.PinPin arrangementMaximum rated parameter valuesElectrical CharacteristicsTypical Application CircuitMain ApplicationCity Exchange 220V power supply LED lighting applicationsGreat merit of high brightness LED lamps, the case for the same brightness, saving approximately 80% more than incandescent, widely AC power lighting applications, agreat alternative to both the power gradually, fever, short life incandescent trend.QX9910 particularly suitable for 110V/220V AC power for lighting, typical application shown in Figure 1, 220V AC rectified through the rectifier bridge, will receive about 310V DC voltage. As QX9910 VDD power supply is 5.1 V, so through a resistor and a regulator to the IC power supply. In the MOSFET control voltage is high, MOSFET power switch turns on, inductor L stores energy when the control voltage is low, MOSFET off, inductor releases energy through the Schottky diode circuit to light up LED lights string.Circuit parameters:1.LED average currentIn Figure 1, working in continuous mode, LED current IL, the average shown in Figure 2.I LMAX is LED lamp by the maximum current .2.Determine the operating frequencyFrequency by the TOFF pin connected to the ROSC and COSC set, ROSC received a VDD terminal, ROSC resistance the smaller the higher the frequency, COSC larger, lower frequency.The level of the operating frequency is determined based on actual usage. The higher operating frequency, the inductor can be smaller, the lower the cost of the inductor.LED light-driven duty cycle D = V out / Vin. For the MOSFET, on-time TON, TOFF off time for the MOSFET, (resting stage). Telogen is calculated as follows:If pin is not connected resistors and capacitors TOFF is:Circuit operating frequency is calculated as follows:If TOFF feet to 1000P capacitance, TOFF = 51ms, D = 0.1, F is the circuit operating frequency is about 20KHz.3.Choice of inductor LInductance L of the selection principle is to ensure that flow through the inductor current change is much less than the maximum current through the inductor value. In normal operation, the inductor is in a state of charge and discharge, when the input voltage and output voltage of the pressure is high, increase the value of the inductor, when the pressure-hour, you can use a smaller inductor.In order to reduce fluctuations in current flowing through the inductor, the circuit should operate in continuous mode. In continuous mode, ΔIL minimum. In the resting stage, flow through the LED lights ΔIL calculated as follows:In order to flow through the LED lamp current fluctuation is less than ΔIL inductanceshould satisfy:General value to more than a few hundred micro-Hang Hang cents, depending on the application may be.4.RCS determined resistanceRCS resistance of different, you can set the drive current through the LED, R CS smaller, the output current increases. R CS selection formula is as follows:IL LED lights through the average current; general, fluctuations in curr ent ΔIL should be less than one-tenth of IL.5.The selection of MOSFETIn the case of 220V AC power supply, the first MOSFET to consider the pressure, the pressure higher than the general requirements MOSFET 600V. Secondly, according to the size of the lamp current LED driver, select the IDS MOSFET the maximum current.Under normal circumstances, should use the I DS MOSFET the maximum current is the LED lamp drive current of more than 5 times. In addition the internal resistance of M OS F ET is smaller; R DS should be less than 0.5 in Europe the following, R DS smaller, loss in the M OS F ET tube power smaller, the higher the efficiency of the circuit changes.6.LED brightness adjustmentIncrease in the EN side PWM dimming signal, PWM signal generated by the CPU, but also by the other pulse signal generator, PWM duty cycle greater brightness brighter. LED brightness control using PWM, very convenient and flexible, is the most common dimming method, PWM frequency from Hz to tens of thousands ofKHz.7.EN enabled terminalTermination in EN (low) to the time, QX9910 dormant at this time, the operating current is less than 10uA, since the power consumption is very small, when the EN terminal is high, QX9910 in working condition, then no-load operating current approximately 200uA.EN-side PWM signal dimming signal acceptable to complete the dimming function.。
高电压脉宽调制LED驱动控制器AL9910应用电路图解析
高电压脉宽调制LED驱动控制器AL9910应用电路图解析
1、开机输入浪涌电流限制电阻;
2、为一款逐流无源功率因数校正(PPFC)电路,通过扩展交流输入市电整流二极管的导通角来改善电路的功率因数,较有源功率因数校正电路(APFC)具有造价低的优点;
3、滤波电容,当整流交流输入接近零交越时,存储电容C3存储的能量为IC供电,该IC为一款高压供电IC;
4、振荡控制。
连接这支引脚与地的电阻将设定PWM频率。
IC可以通过将ROSC引脚连接到外部MOSFET栅极与外部振荡电阻之间,切换至恒定关断时间(PFM)工作模式;
5、LED灯串和外部MOSFET开关管Q1电流检测电阻。
如电流检测电阻RSENSE上的电压超过电流感测引脚CS的阈值电压,外部MOSFET开关管Q1关闭。
存储在电感器里的电能将使电流继续通过续流二极管D1为负载LED供电;
6、BUCK变换功率开关管Q1,交流市电整流输出直流电压通过负载、电感L1、BUCK变换功率开关管Q1`和电流检测电阻RSENSE 到地,形成回路。
一旦BUCK变换功率开关管Q1关断,存储在BUC K电感中的磁能通过续流二极管D1、负载形成灰路,继续为负载供电;
7、BUCK电感,在BUCK变换功率开关管Q1导通时,交流市电整流输出直流电压通过负载和BUCK电感形成回路,为BUCK电感存储能量,一旦BUCK变换功率开关管Q1关断,BUCK电感存储的能量即需为负载供电;
8、输出滤波电容,稳定负载上的供电电压;
9、续流二极管D1,一旦BUCK变换功率开关管关断,BUCK电感存储的能量通过负载和D1形成回路,为负载继续供电。
apw9010电路工作原理APW9010电路是一种电源管理芯片,主要用于电子设备的供电管理和控制。
它采用了先进的集成电路技术,能够提供高效、稳定、可靠的电源管理功能。
APW9010电路的工作原理主要包括以下几个方面:1. 输入电压检测与保护:APW9010电路可以对输入电压进行实时监测,并能够根据不同的工作模式自动切换电源供应。
当输入电压超过设定范围时,APW9010会自动切断电源,以防止电压过高对电子设备的损害。
2. 输出电压调节与稳定:APW9010电路内部集成了多种电压调节和稳定电路,可以根据需要提供稳定的输出电压。
通过精确的控制和反馈机制,APW9010能够在不同负载条件下实现输出电压的精确调节和稳定。
3. 电流保护与限制:APW9010电路还具备电流保护和限制功能,可以根据负载情况实时监测输出电流,并在超过设定范围时进行保护和限制。
这样可以有效防止电流过大对电子设备和电源本身造成损坏。
4. 温度监测与控制:APW9010电路还具备温度监测和控制功能,可以实时监测芯片自身的温度,并在温度过高时进行自动调节和保护。
通过合理的温度控制,可以保证电路的稳定性和可靠性。
5. 低功耗设计与节能功能:APW9010电路在设计上采用了低功耗技术,能够在工作时尽量减少能量消耗。
同时,它还具备节能功能,可以根据负载情况自动调节电源的供电方式,从而进一步降低能量消耗。
APW9010电路作为一种电源管理芯片,具备输入电压检测与保护、输出电压调节与稳定、电流保护与限制、温度监测与控制以及低功耗设计与节能功能等多种功能。
它能够实现电子设备的高效供电管理和控制,提高设备的稳定性和可靠性,同时还能够降低能量消耗,节约资源。
第三代非隔离LED恒流驱动技术针对LED照明负载特点,目前非隔离式的恒流驱动电源的拓扑结构基本上是BUCK降压结构。
本文将把非隔离LED恒流控制技术的发展分为三代,讨论控制策略实现恒流的原理的发展,分析每一代的优缺点,每一代有哪些突破性进步。
基于占空比半导体公司的DU8623/DU8633芯片,介绍最新一代集成式闭环电流控制技术,详细介绍这种控制策略如何突破性提高LED输出电流精度,从开环到闭环是其本质的突破。
介绍了一种极简线路极小尺寸的7W球泡灯驱动方案,由于闭环控制对于电感变化不敏感,选用更低价的工字型电感,这就在提高可靠性和精度的同时,降低了整体方案成本。
三代非隔离LED恒流控制技术发展第一代LED恒流芯片:此类芯片主要的技术特点是基于固定频率的PWM芯片(如UC384X等),通过降低电感纹波电流,固定电感峰值电流来实现恒流。
但由于开关频率固定,为避免次谐振荡,它的最大占空比只能用到50%,其应用范围就很受限了;再者由于电感纹波很小,那就需要比较大的电感量,同时还有EMI较难解,效率也不高等缺点。
这类芯片主要包括:HV9910(美国超科)、PT4107(华润矽微)、SMD802(台湾芯瑞)、FT870(辉芒微)、LNK506(PI)等。
第二代LED恒流芯片:此类芯片相对与第一代的创新是:固定Toff技术。
固定开关管的关断时间,就可以允许较大的电感纹波电流,占空比也可以做到接近100%。
其应用范围也比较宽。
但这代产品有几个缺点,就是当输出电压变化或电感量发生变化时,无法恒流。
这类芯片主要有:HB9910B(超科),SN3910(矽恩),LM3445(国半)等。
第三代LED恒流芯片:这类产品可以称为真正的恒流源,因为实时逐周期检测、控制了真实输出电流,最终无论是输出电压、电感还是输入电压发生变化时都能实现恒流。
这类芯片包括:DU8608、DU8623、DU8633、DU2701。
控制电压为低电平时,MOSFET关断,储能电感通过整流肖特基二极管释放能量,从而点这LED灯串。
由于高压供电,MOSFET应选用耐高压产品,RCS为电流检测电阻,MOSFET的电流流过RCS时,全产生一个电压降UCS,当VSC达到约250mV 阀值电压时,MOSFET关断,从而控制MOSFET管的开通/关断,使储能电感周期性的充电放电,完成对LED的恒流驱动,LED灯驱动的占空比为D=Vout/Vin。
通过储能电感的最大电流为I LM A X=250/R C S(mA),通过LED的平均电流ILED约为3R×I L M AX。
RCS阻值不同,就可设置通过LED的驱动电流,R C S越小,输出电流越大。
R C S的选择公式如下:
Rcs=250mV
(I LED+0.5×I L)
I
L E D 为通过LED灯的电流;I
L
为通过电感L的峰值电流
例如:I
L =150mA I
L E D
=500mA 则R
C S
=0.43Ω
(1)电感的选择
电感的电感量的选用原则是确保流过电感的电流变化值,远小于通过电感的最大电流值。
在正常工作中,电感处于一个充电放电的状态,当输入电压和输出电压的压差较大时,应相应加大电感的值,当压差小时可以用较小的电感。
一般取值在几百微享到十几毫享,视实际应用而定。
(2)MOS 管的选择
在220V交流供电情况下,首先要考虑MOSFET的耐压,一般要求MOSFET的耐压高于600V。
其次,根据驱动LED灯电流的大小,选择MOSFET的I
D S
最大电流。
一般情况
下,应选用MOSFET的I
D S
最大电流是LED灯驱动电流的5倍以上。
另外MOSFET的内
阻要小;R
D S 应小于0.5欧以下,R
D S
越小,在MOS管上面的功率损耗越小,电路的变
换效率就越高。
在12V/24V直流供电情况下,首先考虑的是I
D S 最大电流值和R
D S
值,R
D S
越小越好,
选择小于0.2欧以下的MOSFET管。
(3)LED灯亮度调节
LED灯的亮度调节,可由以下二种方法:
第一种方法是通过改变R CS的电阻,R CS的电阻越小,LED灯的亮度越高,R CS电阻越大,亮度越小。
第二种方法是PWM调光方式,PWM信号可由CPU产生,也可由其它脉冲信号产生,PWM 信号可控制通过LED灯的电流从0变到正常电流状态,即可使LED灯从暗变为正常亮度(由R CS 确定)。
PWM占空比越大(高电平时间长),亮度越亮。
利用PWM控制LED的亮度,非常方便和灵活,是最常用的调光方法,PWM的频率可从几十Hz到几千KHz。
(4)工作频率设定
工作频率由R OSC和C OSC来设定,R OSC接到VDD端,R OSC阻值越小,频率越高,RSC=510K 时,工作频率约为2.5MHz,C OSC越大,工作频率越低,C OSC=200pF时,工作频率约300KHz,工作频率的高低,是根据实际使用情况决定的。
工作频率越高,电感可以越小,电感的成本越低,工作的频率Fs=D/T ON。
T OFF=(1-D)·TS;D为占空比;T ON为MOSFET管接通时间,T OFF 为MOSFET管断开时间。
典型应用电路2:市电220伏驱动12颗1W 白光LED。