机械滑台工艺流程控制系统设计
- 格式:doc
- 大小:367.00 KB
- 文档页数:38
机械滑台工艺流程控制系统设计
1
电气与自动化工程学院实训评分表
课程名称: PLC控制技术实训
实训题目: 机械滑台工艺流程控制系统设计
班级: 电气101
学号:
姓名: 陆敬博
指导老师: 许仙珍
年 7 月 4 日
2
3
常熟理工学院
电气与自动化工程学院
<PLC控制技术实训>
题目: 机械滑台工艺流程控制系统设计
姓名: 陆敬博
学号:
班级: 电气101
指导教师: 许仙珍
起止日期: .6.24---- .7.2
4
目录
1.设计任务书 (1)
1.1 设计任务
1.2 设计目的及要求
1.3 设计内容及报告要求
2基础实训项目一: (2)
2.1 I/O地址分配表
2.2 程序
3基础实训项目二: (5)
3.1 I/O地址分配表
3.2 程序
4.综合型自主实训项目 (10)
1.总体设计方案
1.1 方案的确定
1.2 设计方案
2. I/O地址分配表
2.1 I/O模块的地址分配
3.顺序功能图,梯形图及指令表
3.1 顺序功能图
3.2 梯形图
3.3 程序说明
5。
机械滑台工艺流程控制系统设计论文摘要本论文设计了一种机械滑台工艺流程控制系统,旨在提高工艺流程的效率和精度。
通过对系统的结构设计、控制原理和算法进行详细分析,实现了对滑台的运动轨迹的精准控制。
在实验中,该系统表现出良好的性能,达到了预期的效果。
本文对系统的设计思路、实现方法和应用前景进行了深入探讨,为机械制造领域的研究提供了一定的参考价值。
引言机械滑台是一种常见的工业设备,在生产加工过程中扮演着重要角色。
传统的机械滑台多采用人工操作或简单的控制系统进行控制,存在效率低、精度不高等问题。
因此,设计一种高效、精准的机械滑台工艺流程控制系统具有重要意义。
本文将详细介绍该系统的设计思路、结构设计和控制原理,希望为机械制造行业带来新的技术革新。
1. 系统结构设计机械滑台工艺流程控制系统由五个主要部分组成:控制单元、传感单元、执行单元、通讯单元和电源单元。
这些部分之间通过各种接口相互连接,实现系统的整体功能。
控制单元负责对系统进行整体控制和监控,传感单元用于获取滑台的位置信息,执行单元实现对滑台运动的控制,通讯单元用于系统与外部设备的数据传输,电源单元提供系统运行所需的电能。
2. 控制原理系统的控制原理基于PID控制算法,通过对传感单元采集到的位置信息进行反馈控制,实现滑台的运动轨迹控制。
控制单元根据设定的目标轨迹和当前位置信息计算出控制量,然后传递给执行单元实现对滑台的运动控制。
PID控制算法具有简单、稳定的特点,能够提高系统的控制精度和响应速度。
3. 算法设计为了提高系统的控制精度和性能,本文设计了一种基于模糊控制的增量式PID算法。
该算法结合了模糊逻辑和PID控制,能够根据系统的实时状态调整控制参数,实现对滑台的精准控制。
实验结果表明,该算法在控制精度和稳定性方面表现优异,能够有效提高系统的整体性能。
4. 实验结果通过对设计的机械滑台工艺流程控制系统进行实验验证,获得了良好的实验结果。
系统在控制精度、响应速度和稳定性等方面均表现出优异的性能,达到了设计要求。
PLC控制机械滑台的设计与模拟调试1.引言工业控制属于自动化技术的范畴,它的发展与机械制造、电子技术、材料科学和计算机技术的快速发展密不可分。
在现代制造工业中,PLC(Programmable Logic Controller, 可编程逻辑控制器)已成为控制工业机械的主流技术。
PLC具有结构紧凑、配置灵活、使用方便、工作可靠等诸多优点。
本文将介绍PLC控制机械滑台的设计与模拟调试。
2.设计思路2.1 设计目标设计一个基于PLC的机械滑台控制系统,能够实现以下功能:1.实现滑台的前后运动,控制滑台的位置。
2.根据需求控制电动机的正反转,实现滑台的前后运动。
3.配置按钮控制系统的启动、停止和重置功能。
4.检查系统传感器的状态,如输入口、输出口、电机活动状态,确保传感器和电机的正常工作以及避免了潜在的错误。
5.使系统在重置或停止后能够重新启动。
2.2 系统组成部分设计的PLC控制机械滑台系统,主要由以下组成部分组成:1.PLC:Siemens S7-1200 PLC,具有4个模拟输入/输出和12个数字输入/输出端口。
2.滑台:机械臂控制滑轨,可前时退后,行程可调。
3.电动机:用于驱动滑台前后运动的三相电机。
4.传感器:用于检测滑台的位置,如行程开关,探测器等。
5.按钮:用于控制系统启动、停止和重置的按钮。
2.3 PLC程序设计该系统的PLC程序采用众所周知的Ladder逻辑编程语言。
我们通过将输入和输出图形符号放置在一个垂直的,类似于梯子的排列方式上来表示逻辑关系。
图中每个符号代表一个基本逻辑运算,如“AND”、“OR”和“NOT”,每个逻辑运算都将传递到下一层。
我们的PLC程序可以分为以下功能模块:1.系统初始化:该模块用于初始化所有输入/输出设备和PLC,设置PLC程序的全局变量和常量,并检查所有传感器设备的状态。
2.启动和停止功能:此模块用于控制电机的启动和停止,以及滑台的前进和后退。
这包括管理电机的正转和反转,并通过合适的控制信号控制滑台的方向。
PLC控制机械滑台的设计与模拟调试
1、任务:
工作台来回往复运动由直流电动机带动蜗轮驱动工作台,工作台速度和方向由限位开关SQ1~SQ4控制。
工作台循环工作过程为:工作台起动→向右移动工进→减速至换向→左移快速返回→减速至换向→进入正向工作状态。
2、要求:
(1)电气原理图设计,工作方式设置为点动。
(2)PLC梯形图设计,工作方式设置为点动和步进。
(3)有必要的电气保护和联锁。
(4)自动循环时应按上述顺序动作。
3、电气控制原理图设计
+
–
4、I/O
5、PLC 控制线路接线图
右左减快步停点动/循环
起
6、PLC梯形图程序(仅供参考)
利用辅助继电器实现的梯形图程序
利用步进、跳转指令实现的梯形图程序。
课程设计机械滑台工艺流程控制系统设计机械滑台工艺流程控制系统设计第一章 PLC简介PLC(Programmable logic Controller),是指以计算机技术为基础的新型工业装置。
在1987年国际电工委员会(International Electrical Committee)颁布的PLC标准草案中对PLC下定义:“PLC是一种专门为在工业环境下应用而设计的数字运算操作的电子装置。
它采用可以编制程序的存储器,用来在其内部存储执行逻辑运算、顺序运算、计时、计数和算术运算等操作的指令,并能通过数字式或模拟式的输入和输出,控制各种类型的机械或生产过程。
PLC 及其有关的外围设备都应该按易于与工业控制系统形成一个整体,易于扩展其功能的原则而设计。
”1.1 PLC的特点1、可靠性高,抗干扰能力强2、配套齐全,功能完善,适用性强3 、易学易用,深受工程技术人员欢迎4、系统的设计、建造工作量小,维护方便,容易改造5 、体积小,重量轻,能耗低1.2 PLC的应用领域目前,PLC在国内外已广泛应用于钢铁、石油、化工、电力、建材、机械制造、汽车、轻纺、交通运及文化娱乐等各个行业,使用情况大致可归纳为如下几类。
1.2.1 开关量的逻辑控制这是PLC最基本、最广泛的应用领域,它取代传统的继电器电路,实现逻辑控制、顺序控制,既可用于单台设备的控制,也可用于多机群控及自动化流水线。
如注塑机、印刷机、订书机械、组合机床、磨床、包装生产线、电镀流水线等。
1.2.2 模拟量控制在工业生产过程当中,有许多连续变化的量,如温度、压力、流量、液位和速度等都是模拟量。
为了控制器处理模拟量,必须实现模拟量(Analog)和数字量(Digital)之间的A/D转换及D/A转换。
PLC 产配套的A/D和D/A转换模块,使可编程控制器用于模拟量控制。
1.2.3 运动控制PLC可以用于圆周运动或直线运动的控制。
从控制机构配置来说,早期直接用于开关量I/O模块连接位和执行机构,现在一般使用专用的运动控制模块。
机械滑台工艺流程控制系统设计方案一、引言在工业生产中,机械滑台作为一种常见的工作装置,用于在工件加工过程中实现工件定位、移动等功能。
为了提高工作效率和生产质量,设计一个高效、稳定的工艺流程控制系统尤为重要。
本文将就机械滑台工艺流程控制系统的设计方案进行详细探讨。
二、系统功能需求1.实现机械滑台的定位控制,包括定位精度和速度控制;2.实现工件在机械滑台上的移动控制,包括直线运动、往复运动等;3.实现对工艺流程的自动化控制,包括过程监控、报警处理等功能;4.保证系统的稳定性和可靠性,提高生产效率。
三、系统硬件设计1.采用高精度的位置传感器,如编码器等,实时监测机械滑台的位置信息;2.采用高效率的电动执行机构,如步进电机或伺服电机,实现精准的位置和速度控制;3.设计合理的机械结构,确保机械滑台具有足够的稳定性和承载能力。
四、系统软件设计1.设计相应的控制算法,实现对机械滑台的定位和运动控制;2.开发人机界面软件,提供用户友好的操作界面,实现工艺流程的设定和监控功能;3.编写系统监控和报警程序,及时处理系统异常情况,保证生产安全。
五、系统集成与调试1.对硬件和软件进行集成测试,确保系统各部分协同工作正常;2.进行系统调试,优化控制算法和参数设定,提高系统性能;3.对系统进行全面测试,验证系统功能和稳定性,保证系统达到预期要求。
六、总结机械滑台工艺流程控制系统的设计方案包括硬件设计、软件设计、系统集成与调试等方面,通过以上系统设计,可以实现对机械滑台的精准控制,提高生产效率和质量,为工业生产提供更好的支持和保障。
以上为机械滑台工艺流程控制系统设计方案的详细介绍,希望能为相关领域的读者提供一定的参考价值。
PLC控制机械滑台的设计与模拟调试(1)1. 引言工业自动化是目前制造行业的主要趋势,随着工业自动化的发展,PLC应用越来越普遍。
PLC(Programmable Logic Controller)即可编程逻辑控制器,是一种用于控制工业过程的数字计算机。
机械滑台是一种常见的工业设备,通常由电机、电控系统和机械结构三部分组成。
本文将主要介绍如何使用PLC控制机械滑台,设计和模拟调试一套完整的PLC控制系统。
2. PLC控制系统设计2.1 系统结构PLC控制系统主要由输入模块、输出模块、中央处理器模块和电源模块组成。
其中,输入模块用于接受外部信号输入,输出模块用于控制外部动作输出,中央处理器模块是整个系统的核心,用于接收输入信号并进行逻辑运算,最后输出控制信号使输出模块进行控制操作。
2.2 接线图设计PLC控制系统的接线图设计是整个系统设计的核心,其中包含了PLC接线、电机控制接线和传感器接线等,必须按照正确的接线方式才能确保系统正常运行。
接线图设计时需要注意以下几点:1)输入设备如接近开关、按钮等的接线数量和输入方式;2)输出设备如电机、电磁阀等的电源和控制接线;3)中央处理器的电源和接线方式;4)各个设备之间的接线方式。
2.3 程序设计PLC程序设计是PLC控制系统中控制动作的主要方式。
程序设计需要根据实际控制需求,设计一系列逻辑运算和控制操作。
例如,对于机械滑台控制,可以设计以下程序:IF 输入设备1 = ON THEN 输出设备1 = ONIF 输入设备2 = ON THEN 输出设备2 = ONIF 输入设备3 = ON THEN 输出设备1 = OFFIF 输入设备4 = ON THEN 输出设备2 = OFF上述程序表示,当输入设备1开关打开时,输出设备1(电机)也会打开。
输入设备2开关打开时,输出设备2(减速器)也会打开。
相应地,当输入设备3开关打开时,输出设备1(电机)关闭;当输入设备4开关打开时,输出设备2(减速器)关闭。
攀枝花学院本科课程设计(论文)机械动力滑台PLC控制系统设计学生姓名:***学生学号: ************ 院(系):机械工程学院年级专业:2011 级机械设计制造及其自动化指导教师:助理指导教师:二0一四年十二月摘要机械动力滑台在先进制造领域中扮演着极其重要的角色。
因其有着进给量稳定,慢速无爬行,高速无振动,有良好的抗冲击能力,以及没有液压驱动的管路,泄露,噪声,更便于维修的优点,而应用于我们的制造生产中,为我们生产加工零件带来了方便。
本文通过对机械动力滑台的电气控制、PLC的设计,采用整体化的设计思路,充分考虑了软、硬件各自的特点并进行互补优化。
对系统的输入输出信号的选择、PLC机型选择及各主要电器的选择都进行了最优化的选择。
最后提出了一种简单、易于实现、理论意义明确的控制策略。
关键字:机械动力滑台,可编程控制器(PLC),控制电路,I/O端口AbstractAlso known the hoist another name is winch. Vertical lifting transport machinery is an important component of the tie in with the derrick, mast, pulley blocks, and auxiliary equipment, used to enhance the materials, installation of equipment operations, from human or mechanical power-driven drum, winding traction rope to complete the installation work. Vertical, horizontal or inclined simple tractor Lifting heavy objects. Two types of the hoist are manual and electric two kinds. and Now to the main electric winch. The design of the 5-ton electric hoist motor contions electromotor 、coupling、arrester、retarder、drum、boom sheave 、a system of pulleys set、hook, etc..The design of the drum machine because of its simple structure, handling the installation of a flexible, convenient operation, simple maintenance, and operating environment features such as adaptability, can be applied to lifting metallurgical, construction, operations and other water conservancy, but the design mainly applied to the drum machine for 5-ton overhead crane hoisting mechanism. Heavy winch upgrade is one of the main functions of the design of various types of winches are based on based on this request.KEY WORDS: hoist,drum,drum,shaft目录摘要 (I)Abstract (II)1 系统控制方案的确立 (1)1.1 机械动力滑台工作方式 (1)1.2 采用PLC控制机械动力滑台的优点 (1)1.3 系统设计的基本步骤 (2)2 机械动力滑台的控制电路 (3)3 PLC的输入输出点分配表 (5)4 PLC控制接线图 (6)5 PLC简介 (7)5.1 PLC定义 (7)5.2 PLC的特点 (7)5.3 PLC的使用情况 (8)5.3.1 基本元件 (8)5.3.2 工业过程控制 (9)5.3.3 运动控制 (9)5.3.4 数据处理 (9)5.3.5 通信及联网 (9)6 PLC的选择 (10)6.1 三菱PLC (10)6.1.1 三菱PLC的特点 (10)6.1.2 三菱FXPLC的特点 (10)6.2 西门子PLC (11)6.3 欧姆龙PLC (12)7 PLC控制梯形图及语句表 (14)7.1梯形图 (14)7.2 语句表 (15)8 主要电器件的选择 (17)结论 (19)参考文献 (20)1 系统控制方案的确立1.1 机械动力滑台工作方式动力滑台按结构分有机械动力滑台和液压动力滑台。
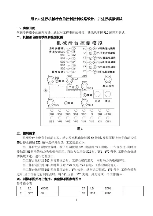
用PLC进行机械滑台的控制控制线路设计,并进行模拟调试一、实验目的掌握步进指令的编程方法,通过对工程事例的模拟,熟练地掌握PLC编程和调试.二、机械滑台控制模拟实验面板图图1三、控制要求机械滑台上带有主轴动力头,动力头电机由接触器KM控制,操作面板上装有启动按钮SB1,停止按钮SB2,循环选择开关S。
工艺要求如下:当工作台处在原始位置时,按下启动按钮SB1,电磁阀YV1得电,工作台快进,同时由接触器KM驱动的动力头电机也起动。
当动力头压合SQ2时,YV1、YV2得电,工作台由快进切换成工进,进行切削加工。
当工作台运行到SQ3并将其压合时,工作台横向退刀,同时动力头电机停转。
当工作台运行到SQ4并将其压时,YV3失电,YV4得电,工作台纵向退刀。
当工作台运行到SQ5并将其压合时,YV4失电,纵向退刀结束,YV5得电,工作台横向进给,当工作台运行到原点时,将SQ1压合,YV5失电,到此完成一个工作循环。
四、制梯形图并写出程序,实验梯形图参考图21 LD M8002 27 LD X0012 SET S0 28 RST M100五.实验接线将PTS-11挂件上PLC输出口的COM、COM0、COM1、COM2、COM3相接。
按照输入输出配置将PWD42挂件上机械滑台控制模拟模块的SB1、SB2、SQ1、SQ2、SQ3、SQ4、SQ5及S分别接到PWD41上PLC的输入端X0、X1、X2、X3、X4、X5、X6、X7;将YV1、YV2、YV3、YV4、YV5、KM分别接到PLC输出端Y0、Y1、Y2、Y3、Y4、Y5;将+24V 接到PWD41上PLC的+24V,将COM接到PLC输出端的COM。
输入/输出配置六、实验操作过程按实验接线接好连线,将程序输入到PLC中并运行。
将SQ1闭合,SQ2,SQ3,SQ4、SQ5断开.按下启动按钮,电磁阀YV1得电,工作台开始快进,同时KM吸合,动力头电动机起动。
将SQ1断开,将SQ2闭合,YV1、YV2得电,工作台由快进变成工进,进行切削加工。
机械滑台工艺流程控制系统设计论文1.引言机械滑台是一种常用的工业设备,用于实现工件在加工过程中的移动和定位。
在工艺流程控制中,机械滑台的自动控制和监测是至关重要的。
因此,设计一种高效、可靠的机械滑台工艺流程控制系统对于提高生产效率和产品质量具有重要意义。
2.系统设计本文设计的机械滑台工艺流程控制系统采用了PLC控制器和HMI人机界面。
PLC控制器负责对机械滑台的运动进行控制,而HMI人机界面则提供了实时监测和操作的功能。
系统采用了模块化设计,具有良好的可扩展性和灵活性。
3.系统实现在系统实现中,首先进行了硬件的选型和接线设计,保证了系统的稳定性和可靠性。
然后进行了PLC程序的编写和HMI界面的设计,实现了对机械滑台的自动控制和监测。
最后进行了系统的调试和实验验证,结果表明该系统能够满足工艺流程的需求。
4.实验结果分析通过实验结果分析可得出结论,本设计的机械滑台工艺流程控制系统具有较高的可靠性和稳定性。
系统能够实现对机械滑台的精准控制,并能够满足工艺流程的要求。
同时,该系统还具有良好的用户界面和操作体验,能够提高操作人员的工作效率。
5.结论本文设计了一种高效、可靠的机械滑台工艺流程控制系统。
该系统采用了PLC控制器和HMI人机界面,能够实现对机械滑台的自动控制和监测。
实验结果表明,该系统具有较高的可靠性和稳定性,能够满足工艺流程的需求,具有较好的应用前景。
6. 讨论在工业生产过程中,机械滑台工艺流程控制系统的设计,对于提高生产效率,保证产品质量和安全生产具有重要的意义。
本文介绍的机械滑台工艺流程控制系统利用PLC控制器和HMI人机界面,实现了对机械滑台的自动控制和监测,以及用户友好的操作体验。
本系统设计的特点包括模块化设计、可扩展性和灵活性等,这些特点使得系统具有更好的应用性和适用性。
在实验中,我们验证了系统的可靠性和稳定性。
在进行了系统的调试和实验验证后,系统能够满足工艺流程的需求。
此外,与传统的手动操作相比,本系统的自动控制功能大大提高了生产效率和工作精度,减少了人为操作带来的误差。
PLC机械滑台工艺流程控制模板机械滑台工艺流程控制3如下免责申明,下载者必读!!!免责申明:本报告及其程序仅供参考,交流之用,若出现调试意外,本人概不负责。
程序部分在本机上基本能够运行,不排除其中有bug.其它未提及等错误情况,需要下载者逬一步思考完善。
若在其它试验机型调试中出现意外,本人概不负责。
报告部分因时间比较紧,难免出错,望下载者细细阅读思考后,发现错误并指明。
本报告初期有引用她人资料之嫌,后已大加改逬,如若还有雷同相似之处,望有疑冋者联系本人,本人与之再行商榷。
XXXX大学电气与自动化工程学院«PLC控制技术实训》资料内容仅供您学习参考,如有不半或者侵权,请联系改正或者删除。
题曰:机械滑台工艺流程枠制3姓名:学号:班级: 指导教师: 起止日期:目录1..................................................................................................... 设计任务书 (1)L1设计任务1.2设计目的及要求1.3设计内容及报告要求2基础实训项目一: (5)2.1总体设计方案2.2I/O地址分配表2.3PLC外部接线图2.4元件及功能表2.5流程图2.6程序3基础实训项目二: (9)3.1总体设计方案3.2I/O地址分配表3.3PLC外部接线图3.4元件及功能表3.5流程图3.6程序4. ..................................................................................................... 综合型自主实训项目 . (14)1 •总体设计方案1.1方案的确定1.2设计方案2.I/O地址分配表3元件及功能表4.流程图,顺序功能图,梯形图及指令表4.1流程图4.2顺序功能图4.3梯形图4.4程序说明5•程序的调试运行及其结果5」手动控制的调试运行及结果5.2单步控制的调试运行及结果5.3自动循环控制的调试运行及结果5................................................................................. 个人小结316.............................................................................. 参考文献32资料内容仅供您学习参考,如有不半或者侵权,请联系改正或者删除。
攀枝花学院本科课程设计(论文)机械动力滑台PLC控制系统设计学生姓名:王文强学生学号: 201110601153 院(系):机械工程学院年级专业:2011 级机械设计制造及其自动化指导教师:助理指导教师:二0一四年十二月摘要机械动力滑台在先进制造领域中扮演着极其重要的角色。
因其有着进给量稳定,慢速无爬行,高速无振动,有良好的抗冲击能力,以及没有液压驱动的管路,泄露,噪声,更便于维修的优点,而应用于我们的制造生产中,为我们生产加工零件带来了方便。
本文通过对机械动力滑台的电气控制、PLC的设计,采用整体化的设计思路,充分考虑了软、硬件各自的特点并进行互补优化.对系统的输入输出信号的选择、PLC 机型选择及各主要电器的选择都进行了最优化的选择。
最后提出了一种简单、易于实现、理论意义明确的控制策略。
关键字:机械动力滑台,可编程控制器(PLC),控制电路,I/O端口AbstractAlso known the hoist another name is winch. Vertical lifting transport machinery is an important component of the tie in with the derrick, mast,pulley blocks,and auxiliary equipment,used to enhance the materials,installation of equipment operations,from human or mechanical power—driven drum,winding traction rope to complete the installation work。
Vertical, horizontal or inclined simple tractor Lifting heavy objects. Two types of the hoist are manual and electric two kinds。
《电气与PLC操纵》课程设计任务书(四)题目:机械滑台工艺流程操纵系统设计(二)一、课程设计任务本课题要求设计机械滑台工艺流程操纵系统,具体要求是:采纳S7-300系列PLC和五层电梯模型完成操纵任务。
用电梯模型中的桥厢来模拟机械滑台的工作台,工作台由三相异步电机拖动,电机速度、正反转运行由变频器操纵。
楼层接近限位开关用于工作台的位置操纵。
工作台的工艺流程由任课教师指定。
操纵要求:工作台运行状态分为三种方式:手动、单周期和自动循环三种操纵方式。
其中,运行方式由开关S一、S2确信:S1断开—手动,S1合上—自动;在自动方式下,S2断开—单周期运行,S2合上—自动循环操纵方式。
运行方式切换时,滑台当即停止运行。
手动操纵:(点动)手动操纵指示灯A亮,按住S B▲(二层),工作台前进(电梯上升);按住S B▼(二层),工作台后退(电梯下降)。
(松开按钮当即停止)单周期运行:单周期指示灯G亮,滑台位于初始原点(1层),按动启动按钮S B▲(一层),按工艺流程自动运行一周后停在初始原点。
按停止按钮S B▼(五层),当即停止运行。
自动循环操纵:自动循环灯D亮,滑台位于初始原点(1层),按动启动按钮S B▲(一层),按工艺流程自动循环运行,运行一周后回到原点后暂停6秒后再接着运行,按停止按钮S B▼(五层),当即停止运行。
工艺流程中暂停延时需要用指示灯(报警灯)以1HZ的频率闪烁指示。
二、课程设计目的通过本次课程设计使学生把握:1)Step7编程软件的利用方式和梯形图、SFC图编程语言的运用;2)实际程序的设计及实现方式;3)程序的调试和运行操作技术。
从而提高学生对PLC操纵系统的设计和调试能力。
三、课程设计要求一、完成硬件选型2、程序设计方式采纳状态转移图SFC图进行设计或体会设计法。
3、指令实现采纳基于M的SFC梯形图实现或梯形图实现。
4、工艺流程为:四、课程设计内容一、熟悉实验模块的大体实验;二、滑台工艺流程操纵系统设计;3、硬件接线图、程序清单。
机械滑台工艺流程控制技术培训简介机械滑台是一种常见的工业设备,广泛应用于各种生产线中。
它通过控制滑台的运动轨迹和速度,实现零件的加工、组装和运输等工艺流程。
为了熟练掌握机械滑台的工艺流程控制技术,需要进行专门的培训。
本文将介绍机械滑台工艺流程控制技术培训的内容和方法,以帮助读者快速入门和掌握相关技术。
培训内容1. 机械滑台的组成和工作原理首先,培训需要介绍机械滑台的组成和工作原理。
机械滑台主要由滑台、导轨、传动装置、控制系统等部分组成。
掌握这些基本组成部分的功能和工作原理是进行后续技术培训的基础。
2. 基本运动控制技术在机械滑台的工艺流程控制中,基本运动控制技术是重要的一环。
这包括速度控制、位置控制、加减速控制等方面的技术。
在培训中,需要进行相关理论的讲解,并通过实际案例进行实操演示。
3. 运动轨迹规划和优化技术机械滑台的运动轨迹规划和优化技术对工艺流程的控制具有重要意义。
在培训中,需要介绍常用的运动轨迹规划方法,如直线轨迹、圆弧轨迹、S形曲线轨迹等。
同时还需要介绍轨迹优化技术,如加速度平滑控制、最优路径规划等。
4. 传感器应用技术为了实现精准的工艺流程控制,机械滑台通常需要搭配各种传感器来进行数据采集和反馈。
在培训中,需要介绍常见的传感器应用技术,如位置传感器、力传感器、光电传感器等。
同时还需要讲解传感器的选型和安装方法。
5. 控制系统的配置和调试机械滑台的工艺流程控制离不开稳定可靠的控制系统。
在培训中,需要介绍控制系统的基本配置和调试方法。
包括控制器的选型、连接方式、参数设置等方面内容。
同时还需要进行实际的控制系统调试,验证培训效果。
培训方法为了达到良好的培训效果,机械滑台工艺流程控制技术培训可以采用以下方法:1. 理论讲解通过PPT、讲义等方式进行机械滑台的理论讲解,包括组成和工作原理等内容。
重点讲解基本运动控制技术、运动轨迹规划和优化技术、传感器应用技术等方面的知识。
2. 实操演示通过实际的机械滑台设备进行实操演示,讲解基本运动控制技术的具体操作方法,以及运动轨迹规划和优化技术的应用实例。
机械滑台工艺流程控制技术培训一、培训背景随着机械制造业的发展,机械滑台在工业生产中起着重要的作用。
然而,如何正确控制机械滑台的工艺流程,提高生产效率,降低生产成本,是当前机械制造企业急需解决的问题之一。
因此,为了提升企业员工的技能水平和工作效率,本次培训将重点介绍机械滑台工艺流程控制技术,并通过理论学习和实际操作相结合的方式,帮助企业员工掌握相关技能,提高生产效率和质量。
二、培训内容1. 机械滑台的基本工作原理和结构组成2. 机械滑台的启动和停止控制技术3. 机械滑台的运动控制技术4. 机械滑台的自动化控制技术5. 机械滑台的故障排除和维护保养三、培训目标通过本次培训,参与人员将达到以下目标:1. 理解机械滑台的基本工作原理和结构组成2. 掌握机械滑台的启动和停止控制技术3. 掌握机械滑台的运动控制技术,能够熟练操作设备进行生产4. 了解机械滑台的自动化控制技术,增加生产效率5. 能够独立进行机械滑台的故障排除和维护保养工作四、培训方式本次培训将采用理论讲解和实际操作相结合的方式进行,培训内容将由专业的技术人员进行讲解,并安排现场操作实践,让参与人员能够真正掌握技能。
五、培训安排培训时间:3天第一天:理论讲解和设备介绍第二天:设备操作实践第三天:故障排除和维护保养六、结业证书完成培训并通过考核的参与人员将获得结业证书,以证明其所掌握的技能和知识。
通过本次培训,相信参与人员将能够提高自身的技术水平,为企业的生产和发展做出更大的贡献。
很高兴看到您对培训内容的兴趣,下面我将继续分享关于机械滑台工艺流程控制技术培训的相关内容。
七、培训效果经过本次培训,参与人员将能够熟练掌握机械滑台的基本工作原理和结构组成,掌握启动和停止控制技术,运动控制技术以及自动化控制技术。
他们也将具备独立进行机械滑台的故障排除和维护保养工作的能力。
这样的培训效果将充分满足企业生产的需要,提高生产效率,降低生产成本,并提升产品质量,助力企业更好地适应市场竞争。
电气与自动化工程学院实训评分表课程名称: PLC控制技术实训实训题目: 机械滑台工艺流程控制系统设计班级:电气101学号:160710118姓名: 陆敬博指导老师:许仙珍2013年7 月 4 日常熟理工学院电气与自动化工程学院《PLC控制技术实训》题目:机械滑台工艺流程控制系统设计姓名: 陆敬博学号: 160710118班级:电气101指导教师: 许仙珍起止日期: 2013.6.24----2013.7.2目录1.设计任务书…………………………………………………………11.1设计任务1.2设计目的及要求1.3 设计内容及报告要求2基础实训项目一: (2)2.1I/O地址分配表2.2程序3基础实训项目二: (5)3.1 I/O地址分配表3.2程序4.综合型自主实训项目 (10)1.总体设计方案1.1 方案的确定1.2 设计方案2.I/O地址分配表2.1 I/O模块的地址分配3.顺序功能图,梯形图及指令表3.1顺序功能图3.2 梯形图3.3程序说明4.程序的调试运行及其结果4.1 手动控制的调试运行及结果4.2单步控制的调试运行及结果4.3 自动循环控制的调试运行及结果5.个人小结......................................................296.参考文献 (30)一.任务书《PLC控制技术》实训任务书题目:机械滑台工艺流程控制系统设计(三)实训学生需要完成2个基础实训项目和1个综合型自主实训项目的训练。
一、基础实训项目一:霓虹灯的PLC控制系统的设计一)实训目的1、进一步巩固掌握PLC基本指令功能的及其运用方法;2、根据实训设备,熟练掌握PLC的外围I/O设备接线方法3、初步掌握PLC程序设计方法,养成良好的设计习惯,培养基本的设计能力;二)实训设备:三相交流电源模块30822001、直流电源模块30824001、PLC主机单元模块30864002、数字量输入模块30824003、霓虹灯显示模块18504003、个人计算机PC、PC/MPI编程电缆。
三)工艺控制要求:按下启动按钮,灯A亮1秒,接着灯B,C,D,E,F,G,H,I亮1秒,之后灯J1,J2,K1,K2,L1,L2,M1,M2,N1,N2,O1,O2也被点亮。
1秒后,灯J1,J2,K1,K2,L1,L2,M1,M2,N1,N2,O1,O2熄灭,再过1秒,灯B,C,D,E,F,G,H,I熄灭,同样再过1秒后,灯A熄灭。
紧接着过1秒灯A再次被点亮,重复以上过程,循环往复。
按下停止按钮后,所有灯都熄灭。
四)实训内容:1、进行PLC的I/O地址分配,并画出霓虹灯的PLC控制系统的接线图。
2、设计由PLC 控制的霓虹灯梯形图程序。
3、输入自编程序,上机调试、运行直至符合动作要求。
二、基础实训项目二:模拟量采集与数据处理的综合应用一) 实训目的1、掌握PLC中模拟量输入、输出的基本工作原理。
2、掌握数据处理指令的运用方法。
3、掌握功能、功能块的应用,中断组织块OB35用法。
4、掌握DB块建立与数据访问方法。
二)实训设备:三相交流电源模块30822001、直流电源模块30824001、PLC主机单元模块30864002、数字量输入模块30824003、模拟量输入模块、模拟量输出模块、个人计算机PC、PC/MPI 编程电缆。
三)实训项目原理与要求1、用模拟量输入模块3081400模拟温度测量变送器,假设当温度是0℃时,对应电位器输出0V电压,假设当温度是100℃时,对应电位器输出电压10V电压。
用PLC模拟量输入模块采集电位器电压,使用OB35实现采集温度数据,数据采集频率是1次/秒,进行标度变换,数据存储在共享数据块DB2相应的存储单元中,并在触摸屏上显示出温度值。
2、用模拟量输出模块308140098模拟电动执行器,电压为0V时,执行器开度为0%,电压为10V 时执行器开度为100%。
用PLC模拟量输出模块控制执行器,控制量数据输出频率是1次/秒,用OB35块的方法控制执行器。
控制量多少采用触摸屏输入。
四)实训项目的步骤:1、根据项目要求拟定I/O地址分配表,画出外部接线图,并进行接线图线路连接。
接线图2、设计梯形图程序,调试并记录数据。
3、思考题:1)整理出运行调试后的梯形图程序及注释说明,写出实验中的问题及分析。
2)S7-300的PLC模拟量模块的测量信号类型有几种?测量范围如何设定?3)S7-300的PLC模拟量模块的模拟值用什么表示?三、综合型自主实训项目:机械滑台工艺流程控制系统设计(二)一)实训项目工艺要求:采用S7-300设计机械滑台工艺流程控制系统,具体要求是:采用S7-300系列PLC和五层电梯模型完成控制任务。
用电梯模型中的桥厢来模拟机械滑台的工作台,工作台由三相异步电机拖动,电机转速和正反转运行由变频器控制。
楼层接近限位开关用于工作台的位置控制。
工作台的工艺流程由任课老师指定。
控制要求:工作台运行状态分为三种方式:手动、单步和自动循环三种控制方式。
其中,运行方式由开关S1、S2确定:S1断开—手动,S1合上—自动;在自动方式下,S2断开—单步运行,S2合上—自动循环控制方式。
运行方式切换时,滑台立即停止运行。
手动控制:(点动)手动控制指示灯A亮,按住SB▲(二层),工作台前进(电梯上升);按住SB▼(二层),工作台后退(电梯下降)。
(松开按钮立即停止)单步运行:单步运行指示灯G亮,滑台位于初始原点(1层),按一下启动按钮S B▲(二层),系统转换到下一步,完成该步的任务后,自动停止工作并停留在该步,再按一下启动按钮S B▲(二层),又往前走一步。
按停止按钮SB▼(五层),立即停止运行。
自动循环控制:自动循环灯D亮,滑台位于初始原点,按动启动按钮SB▲(二层),按工艺流程自动循环运行,运行一周后回到原点后暂停6秒后再接着运行,按停止按钮S B▼(五层),立即停止运行。
工艺流程中暂停延时需要用指示灯(报警灯)以1HZ的频率闪烁指示。
二)目的通过本次实训使学生掌握:1)Step7编程软件的使用方法和梯形图、SFC图编程语言的运用;2)实际程序的设计及实现方法;3)程序的调试和运行操作技术。
从而提高学生对PLC控制系统的设计和调试能力。
三)内容与要求1、完成硬件选型、硬件接线图。
2、滑台工艺流程控制系统设计。
3、程序设计方法采用状态转移图SFC图进行设计或经验设计法。
4、程序实现采用基于M的SFC转化梯形图实现或梯形图实现。
5、程序清单。
6、工艺流程为:(此处放置指导老师指定的工艺流程)四、实训报告要求报告应采用统一的报告纸书写,应包括评分表、封面、目录、正文、收获、参考文献(并按此顺序装订)。
报告中提供如下内容:1、目录2、正文(1)实训任务书;(2)实训内容,三个任务分别写a、每个实训任务的总体设计方案(应有PLC的选型及依据)b、I/O分配表,PLC外部接线图,程序中使用的元件及功能表;c、程序控制的SFC图、梯形图或指令表清单,注释说明;d、调试、运行及其结果;3、收获、体会4、参考文献(注意实训报告原则上手写,允许打印,但雷同者的零分处理)五、实训进度安排六、实训考核办法本实训满分为100分,其中实训平时表现(含2个基础实训项目完成情况)30%、综合型实训项目答辩50%,实训报告20%。
2.基础实训项目一总体设计方案(应有PLC的选型及依据)要点亮16盏灯,即用到16个输出端口,分别为Q0.0—Q1.7.按键要用到启动和停止,两个输入端口,为I0.0,I0.1。
总计18个IO端口。
此端口数属于中小型,所以选用西门子的S7-300系类。
模块要用数字量输入模块,数字量输出模块。
因为要定时导通,要用到定时器,因为要定时6s,即六个定时器。
IO分配输入设备输出设备启动I0.0 A Q1.0停止I0.1B--I Q1.1—Q1.7J--02 Q0.0—Q0.7IO接线图顺序功能图元件及功能表:M0.0:通电保持状态标志位。
T0—T5:接通延时定时器,常开触点由断开变为接通时计时,时间到时,该线圈通电。
程序注释:按下I0.0启动程序,M0.0为通电状态保持位置注释:按下I0.0启动程序,灯全灭。
注释:各定时器分别定时,T5用于循环。
注释:点亮A灯注释:点亮A,B—I灯注释:点亮A,B—I灯,J—02灯。
注释:点亮A,B—I灯,熄灭J—02灯。
注释:点亮A,熄灭B—I灯,J—02灯。
注释:熄灭A,B—I灯,J—02灯。
调试、运行及其结果:各灯按照指定运行,先灯A亮1秒,接着灯B,C,D,E,F,G,H,I亮1秒,之后灯J1,J2,K1,K2,L1,L2,M1,M2,N1,N2,O1,O2也被点亮。
1秒后,灯J1,J2,K1,K2,L1,L2,M1,M2,N1,N2,O1,O2熄灭,再过1秒,灯B,C,D,E,F,G,H,I熄灭,同样再过1秒后,灯A熄灭。
紧接着过1秒灯A 再次被点亮,重复以上过程,循环往复。
3.基础实训项目总体设计方案(应有PLC的选型及依据)因为显示温度时间,采集的是模拟信号,所以用到模拟量输入模块。
用到一个IO输入端口。
在输出电压时,要用到模拟量输出模块,占用一个模拟量输出端口,共计两个IO端口,属于中小型可编程控制器,选用S7-300.因为要在上位机上显示出来,还要用到触摸屏,在显示温度时,要将温度记录,用到数据块,数据块分为两个,一个为采集数据块,用于调用显示温度。
一个用于显示屏的记录输入数据,用于调用后在电压表上显示电压。
触摸屏因为编的程序较小,选用MC1162。
通信模式为:TCP/PI协议PLC300通过模拟量输入模块采集模拟信号,此时IW288输入的是经过换算的数字信号,经过cpu的程序的处理,即调用FC1功能,通过上位机显示出温度。
在上位机上,手动输入数字,经过调用FB1功能块,再通过数字量输入模块30824003,在电压表上显示出来。
途中要通过OB35进行一秒的信号的采集。
开关用到一个,即S1,在OB1里激活OB35。
IO分配:元件及功能表MD26:用于存储FC1输出的温度数据。
MD40:用于存储FB1输出的电压值。
LD30,LD40:局部数据区,用于FB1,FC1中的临时数据存储。
流程图程序:注释:在OB1里激活OB35。
OB1OB35注释:IW288将信号输入FC1中,进行调用。
注释:将FC1中的结果存贮在DB2模块中。
注释:将DB3中的数据通过调用FB1,存贮在MD40中,在截取低8位输出。
FB1注释:将DB3中的的数字量转换成双整型,再乘以27648,再除以100,进行输出,FC1注释:将IW288的数字量转换成双整型,再转换为浮点型。
注释:将浮点型数据先乘100,再除27648。
DB2DB3调试、运行及其结果:在上位机的温度显示中,通过调节电位器,显示出温度的变化,精确到小数点后两位。