航速及螺旋桨计算书设绘通则
- 格式:doc
- 大小:81.50 KB
- 文档页数:8
某沿海单桨散货船螺旋桨设计计算说明书1.已知船体的主要参数船长 L = 118.00 米 型宽 B = 9.70 米 设计吃水 T = 7.20 米 排水量 △ = 5558.2 吨 方型系数 CB = 0.658 桨轴中心距基线高度 Zp = 3.00 米由模型试验提供的船体有效马力曲线数据如下:航速V (kn ) 13 14 15 16 有效马力PE (hp ) 2160 2420 3005 40452.主机参数型号 6ESDZ58/100 柴油机 额定功率 Ps = 5400 hp 额定转速 N = 165 rpm 转向 右旋 传递效率 ηs=0.983.相关推进因子伴流分数 w = 0.279 推力减额分数 t = 0.223 相对旋转效率 ηR = 1.0船身效率 0777.111=--=wtH η4.可以达到最大航速的计算采用MAU 四叶桨图谱进行计算。
取功率储备10%,轴系效率ηs = 0.98 螺旋桨敞水收到马力:PD = R s S P ηη9.0=0.9×5400×0.98×1.0=4762.8hp根据MAU4-40、MAU4-55、MAU4-70的Bp --δ图谱列表计算:项 目 单位 数 值 假定航速V kn 13 14 15 16 V A =(1-w)V kn 9.373 10.094 10.815 11.536 Bp=NP D 0.5/V A 2.542.337 35.177 29.604 25.193 Bp6.5075.931 5.4415.019 MAU 4-40δ76 70 64 61 P/D 0.62 0.65 0.69 0.71 ηO 0.56 0.583 0.605 0.625 P TE =P D ·ηH ·ηOhp 2874.412992.463105.393208.04MAU 4-55δ74 68 63 60 P/D 0.7 0.72 0.74 0.76 ηO 0.541 0.568 0.59 0.61 P TE =P D ·ηH ·ηOhp 2776.882915.473028.393131.05MAU 4-70δ74 67 62 59 P/D 0.71 0.73 0.76 0.78 ηO0.521 0.546 0.57 0.588 P TE =P D ·ηH ·ηOhp2674.232802.552925.743018.13据上表的计算结果可绘制PT E 、δ、P/D 及ηO 对V 的曲线,如图1所示。
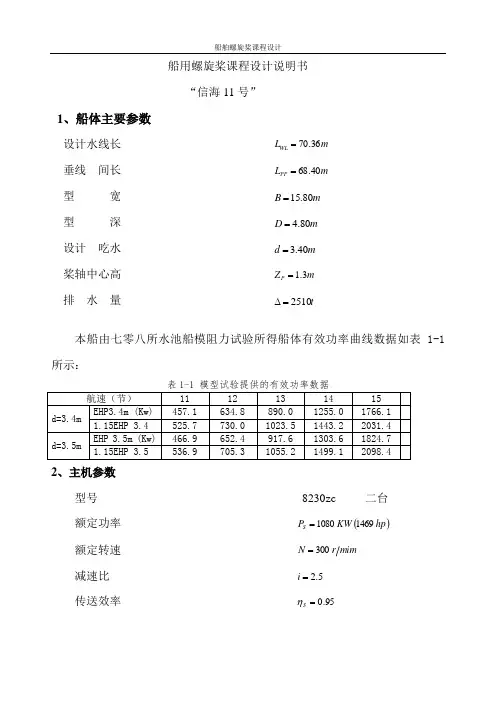
船用螺旋桨课程设计说明书“信海11号”1、船体主要参数设计水线长 m L WL 36.70= 垂线 间长 m L PP 40.68= 型 宽 m B 80.15= 型 深 m D 80.4= 设计 吃水 m d 40.3= 桨轴中心高 m Z P 3.1= 排 水 量 t 2510=∆本船由七零八所水池船模阻力试验所得船体有效功率曲线数据如表1-1所示:表1-1 模型试验提供的有效功率数据航速(节) 11 12 13 14 15d=3.4mEHP3.4m (Kw) 457.1 634.8 890.0 1255.01766.1 1.15EHP 3.4 525.7 730.0 1023.5 1443.2 2031.4 d=3.5mEHP 3.5m (Kw) 466.9 652.4 917.6 1303.61824.7 1.15EHP 3.5 536.9 705.3 1055.2 1499.12098.42、主机参数型号 8230zc 二台 额定功率 ()hp KW P S 14691080= 额定转速 mim r N 300= 减速比 5.2=i 传送效率 95.0=S η3、推进因子的决定伴流分数 165.0=w 推力减额 165.0=t 船身效率 0.111=--=wtH η 相对旋转效率 0.1=R η 4、可以达到最大航速的计算采用MAU4叶桨图谱进行计算。
螺旋桨敞水收到的马力:()hp ...P RS D 2175.1186 019508501469 85.01469=⨯⨯⨯=⨯⨯=ηη根据MAU4-40、MAU4-55、MAU4-70的δ-P B 图谱列表1-2计算.表1-2 按δ-P B 图谱设计的计算表项 目 单 位数 值螺旋桨敞水收到的马力 1186.2175螺旋桨转速 300假定航速 11 12 13 14 15 9.185 10.020 10.855 11.690 12.525 40.412 32.511 26.615 22.114 18.6116.357 5.702 5.159 4.703 4.314 MAU4-4072.50 67.62 60.27 55.39 51.73 0.61 0.65 0.69 0.72 0.760.56 0.59 0.60 0.63 0.64 670.32 702.42 733.56 762.57 787.19 MAU4-5575.84 67.31 59.93 55.46 50.270.72 0.74 0.79 0.81 0.85 0.57 0.59 0.62 0.64 0.67 659.87 690.74 725.25 745.58 773.69 MAU4-70 73.80 66.92 63.01 51.89 49.13 0.72 0.75 0.77 0.83 0.89 0.54 0.55 0.56 0.59 0.62 622.40645.64671.61698.86720.10knhpminr kn N V ()V w V A -=1PB 5.25.0A DP V NP B =D P hp hp hpδ0ηD P 0ηηH D TE P P =δ0ηD P 0ηηH D TE P P =D P δ0η0ηηH D TE P P =图1-1 MAU5叶桨图谱设计计算结果从()V f P TE -曲线与船体满载有效马力曲线之交点,可获得不同盘面比所对应的设计航速及螺旋桨最佳要素0/η及、D D P 如表1-3所示。
第1章螺旋桨设计与绘制1.1 螺旋桨设计螺旋桨设计是船舶快速性设计的重要组成分。
在船舶型线初步设计完成后,通过有效马力的估算获船模阻力试验,得出该船的有效马力曲线。
在此基础上,要求我们设计一个效率最佳的螺旋桨,既能达到预定的航速,又能使消耗的主机马力最小;或者当主机已经选定,要求设计一个在给定主机条件下使船舶能达到最高航速的螺旋桨。
螺旋桨的设计问题可分为两类,即初步设计和终结设计。
螺旋桨的初步设计:对于新设计的船舶,根据设计任务书对船速要求设计出最合适的螺旋桨,然后由螺旋桨的转速计效率决定主机的转速及马力。
终结设计:主机马力和转速决定后,求所能达到的航速及螺旋桨的尺度。
在本文中,根据设计航速17.5kn,设计螺旋桨直径6.6m,进行初步设计,获得所需主机的马力和主机转速,然后选定主机;根据选定的主机,计算最佳的螺旋桨要素及所能达到的最大航速等。
1.1.1 螺旋桨参数的选定(1)螺旋桨的数目选择螺旋桨的数目必须综合考虑推进性能、震动、操纵性能及主机能力等各方面因素。
若主机马力相同,则当螺旋桨船的推进效率高于双螺旋浆船,因为单螺旋桨位于船尾中央,且单桨的直径较双桨为大,故效率较高。
本文设计船的设计航速约为17.5kn 的中速船舶,为获得较高的效率,选用单桨螺旋桨。
(2)螺旋桨叶数的选择根据过去大量造成资料的统计获得的桨叶数统计资料,取设计船螺旋桨的叶数为4 叶。
考虑到螺旋桨诱导的表面力是导致强烈尾振的主要原因,在图谱设计中,单桨商船的桨叶数也选为4 叶。
(3)桨叶形状和叶切面形状螺旋桨最常用的叶切面形状有弓形和机翼型两种。
弓形切面的压力分布较均匀,不易产生空泡,但在低载时效率较机翼型约低3%~4%。
若适当选择机翼型切面的中线形状使其压力分均匀,则无论对空泡或效率均有得益,故商用螺旋桨采用机翼型切面根据以上分析,选择MAU4 叶桨系列进行螺旋桨设计。
1.1.2螺旋桨推进因子螺旋桨的伴流分数取螺旋桨以等推力法进行敞水实验获得的实效伴流:0.404推力减额按照汉克歇尔关于单桨螺旋桨标准商船公式进行计算:t 0.50C P 0.12 0.22主机的轴系传递效率:s 0.97相对旋转效率:R 1.00船身效率:H 1 t1.3111.1.3 有效马力曲线有效马力曲线表征的是船体阻力特征。
螺旋桨设计计算书船舶原理·推进1.船体主要数据船型:单桨、集装箱船设计水线长L WL=215.00m垂线间长L PP=210.00m型宽B=32.00m设计吃水T=12.00m方形系数C B=0.655排水量∇=54000m3桨轴中心距基线Z P=4.00m 2.主机参数最大持续功率:32000kw转速:102r min⁄旋向:右旋3.推进因子伴流分数ω=0.24推力减额分数t=0.16相对旋转效率ηR=1.0船身效率ηH =1−t1−ω=1.1053船体有效马力曲线0.350.400.450.500.550.600.130.140.150.160.170.180.190.20τc =(T /A P )/(0.5ρV20.7R)σ0.7R =p 0/(0.5ρV20.7R)柏利尔空泡限界线图4.可以达到的最大航速的计算取功率储备15%,轴系效率 ηS =0.97螺旋桨敞水收到马力:P D =32000×0.85×ηS ×ηR =26384(kw )=35896.60hp假设有MAU5-70、MAU5-75、MAU5-80,按回归多项式以及回归系数计算。
(源代码见附表1)表1 按回归多项式以及回归系数计算表据表1中的计算结果可绘制P TE 、δ、P/D 及η0对V 的曲线,如图1所示。
图1 MAU5叶桨回归计算计算结果此处用MATLAB 求得相关曲线交点。
从P TE =f(V)曲线与船体满载有效马力曲线之交点,可获得不同盘面比所对应的设计航速及螺旋桨最佳要素P/D 、D 及η0。
如表2所列。
表2按图1设计计算的最佳要素5.空泡校核按柏利尔空泡限界线中商船上限线,计算不发生空泡之最小展开面积比。
桨轴沉深h s =T −Z P =12−4=8mP o −P v =P a +γh s −P V =10330+1025.24×8−174=18357.92kgf m 2⁄ 计算温度 t =15℃ ρ=104.63kgf ∙s 2m 4⁄ P V =174kgf m 2⁄ P D =35896.60hp图2空泡校核计算结果 表3空泡校核计算结果据表3计算结果作图2,用MATLAB 求得相关曲线交点。
第九章螺旋桨图谱设计§9-1 设计问题与设计方法螺旋桨设计是整个船舶设计中的一个重要组成部分。
在船舶线型初步设计完成后,通过有效马力的估算或船模阻力试验,得出该船的有效马力曲线。
在此基础上,要求我们设计一个效率最佳的螺旋桨,既能达到预定的航速,又要使消耗的主机马力小;或者当主机已选定,要求设计一个在给定主机条件下使船舶能达到最高航速的螺旋桨。
因此,螺旋桨的设计问题可分为两类。
一、螺旋桨的初步设计对于新设计的船舶,根据设计任务书对船速的要求设计出最合适的螺旋桨,然后由螺旋桨的转速及效率决定主机的转速及马力,并据此订购主机。
具体地讲就是:①已知船速V,有效马力PE,根据选定的螺旋桨直径D,确定螺旋桨的最佳转速n、效率η0、螺距比P/D和主机马力P s;②已知船速V,有效马力PE,根据给定的转速n,确定螺旋桨的最佳直径D、效率η0、螺距比P/D和主机马力Ps。
二、终结设计主机马力和转速决定后(最后选定的主机功率及转速往往与初步设计所决定者不同),求所能达到的航速及螺旋桨的尺度。
具体地讲就是:已知主机马力Ps、转速n和有效马力曲线,确定所能达到的最高航速V,螺旋桨的直径D、螺距比P/D及效率η0。
新船采用现成的标准型号主机或旧船调换螺旋桨等均属此类问题。
在造船实践中,一般采用标准机型,所以在实际设计中,极大多数是这类设计问题。
目前设计船用螺旋桨的方法有两种,即图谱设计法及环流理论设计法。
图谱设计法就是根据螺旋桨模型敞水系列试验绘制成专用的各类图谱来进行设计。
用图谱方法设计螺旋桨不仅计算方便,易于为人们所掌握,而且如选用图谱适宜,其结果也较为满意,是目前应用较广的一种设计方法。
应用图谱设计螺旋桨虽然受到系列组型式的限制,但此类资料日益丰富,已能包括一般常用螺旋桨的类型。
环流理论设计方法是根据环流理论及各种桨叶切面的试验或理论数据进行螺旋桨设计。
用此种方法可以分别选择各半径处最适宜的螺距和切面形状,并能照顾到船后伴流不均匀的影响,因而对于螺旋桨的空泡和振动问题可进行比较正确的考虑。
航速及螺旋桨计算书1、 船舶要素m B mL m L pp wl 0.211386.140===型宽垂线间长水线长,m T 0.8=吃水 828.087.19789==∆B C t 方型系数排水量2、 主机及齿轮箱规格主机型号 台1400528⨯-L PC , 齿轮箱型号 75.66GWC 型 额定功率 kw P B 3824=, 齿轮箱减速比 3.5:1 主机转速 rpm N 520=主机3、 计算系数选取伴流分数 364.005.05.0=-⨯=B C w 推力减额 237.00.65=⨯=w t 船身效率 200.111=--=wtct η 旋转效率 0.1=xd η4、 有效功率估算(爱尔法) ① 参数20.5625.231=∆=wl L T B, m X B 163.2= ② 有效功率计算结果5、 螺旋桨要素选取及有效推马力计算 ① 选用MAU-5型螺旋桨 ,取盘面比 0.62。
② 收到马力 zx cl B D P P ηη⋅⋅⋅=9.0hpkw95.440320.323897.097.09.03824==⨯⨯⨯=③ 有效推马力计算结果36.665.0=D P , 11.985957.1485.0=⋅=D P N rpmN(δ、0η、DP 的值根据MAU5-50和MAU5-65图谱查出,用插值法得出)6、 航速计算由有效功率E P 曲线与有效推马力TE P 曲线的交点得: 设计航速 kn V 48.12= 直径 m NV D A166.4=⋅=δ螺距比 732.0=DP桨效率 496.00=η 7、推力计算① 计算功率 hp P D 95.4403=,m D 166.4=,螺旋桨转速m in 57.148r N = 系柱推力减额分数取 04.00=t由MAU5-50,MAU5-65 J K K Q T —, 图谱得:)732.0(=D P0=J 时, 35.0=T K , 04.0=Q K 则主机转矩: m kg NP Q D ⋅=⨯⋅=52.2122927560π系柱推力: )1(0t DQK K Z T Q T -⨯⨯⨯= N 44.419494=② 设计航速 kn V 48.12=,kn V A 94.7=,148.2-=s n当 40.0=⋅=D n VJ A 时,21.0=T K则推力 42D n K Z T T ⋅⋅⋅⨯=ρ N 32.395297=8、 计算结果小结计算航速 V kn 48.12 推力 T 419494.44 KN 桨型式 MAU 型 桨叶数 Z 5 叶 桨直径 D m 166.4 螺距比 D P 0.732螺 距 P m 050.3 盘面比 d A 0.62 桨效率 0η 496.0 后倾角 ε 10 毂径比D d 018.0 叶厚分数D t 00.05叶根厚度 0t mm 3.208 叶梢厚度 0.1t mm 50.12 桨材料 Cu3镍铝青铜 材料密度 37600m kg9、 空泡校核:按勃立尔限界线进行校核计算 ① 满足空泡要求所需最小盘面比:611.04)229.0067.1()21(427.00=⋅⨯-⋅⋅Γ=D DP V T A A R c Eπρ式中:kgf V P T AD 95.401295144.0750=⨯⋅⋅=η ,194.0=Γcm kg V R 86.276272127.0=ρ , ② 本船螺旋桨盘面比实取 611.062.00=>=A A A Ed故满足要求。
航速及螺旋桨计算书1、 船舶要素m B mL m L pp wl 0.211386.140===型宽垂线间长水线长,m T 0.8=吃水 828.087.19789==∆B C t 方型系数排水量2、 主机及齿轮箱规格主机型号 台1400528⨯-L PC , 齿轮箱型号 75.66GWC 型 额定功率 kw P B 3824=, 齿轮箱减速比 3.5:1 主机转速 rpm N 520=主机3、 计算系数选取伴流分数 364.005.05.0=-⨯=B C w 推力减额 237.00.65=⨯=w t 船身效率 200.111=--=wtct η 旋转效率 0.1=xd η4、 有效功率估算(爱尔法) ① 参数20.5625.231=∆=wl L T B, m X B 163.2= ② 有效功率计算结果5、 螺旋桨要素选取及有效推马力计算 ① 选用MAU-5型螺旋桨 ,取盘面比 0.62。
② 收到马力 zx cl B D P P ηη⋅⋅⋅=9.0hpkw95.440320.323897.097.09.03824==⨯⨯⨯=③ 有效推马力计算结果36.665.0=D P , 11.985957.1485.0=⋅=D P N rpmN(δ、0η、DP 的值根据MAU5-50和MAU5-65图谱查出,用插值法得出)6、 航速计算由有效功率E P 曲线与有效推马力TE P 曲线的交点得: 设计航速 kn V 48.12= 直径 m NV D A166.4=⋅=δ螺距比 732.0=DP桨效率 496.00=η 7、推力计算① 计算功率 hp P D 95.4403=,m D 166.4=,螺旋桨转速m in 57.148r N = 系柱推力减额分数取 04.00=t由MAU5-50,MAU5-65 J K K Q T —, 图谱得:)732.0(=D P0=J 时, 35.0=T K , 04.0=Q K 则主机转矩: m kg NP Q D ⋅=⨯⋅=52.2122927560π系柱推力: )1(0t DQK K Z T Q T -⨯⨯⨯= N 44.419494=② 设计航速 kn V 48.12=,kn V A 94.7=,148.2-=s n当 40.0=⋅=D n VJ A 时,21.0=T K则推力 42D n K Z T T ⋅⋅⋅⨯=ρ N 32.395297=8、 计算结果小结计算航速 V kn 48.12 推力 T 419494.44 KN 桨型式 MAU 型 桨叶数 Z 5 叶 桨直径 D m 166.4 螺距比 D P 0.732螺 距 P m 050.3 盘面比 d A 0.62 桨效率 0η 496.0 后倾角 ε 10 毂径比D d 018.0 叶厚分数D t 00.05叶根厚度 0t mm 3.208 叶梢厚度 0.1t mm 50.12 桨材料 Cu3镍铝青铜 材料密度 37600m kg9、 空泡校核:按勃立尔限界线进行校核计算 ① 满足空泡要求所需最小盘面比:611.04)229.0067.1()21(427.00=⋅⨯-⋅⋅Γ=D DP V T A A R c Eπρ式中:kgf V P T AD 95.401295144.0750=⨯⋅⋅=η ,194.0=Γcm kg V R 86.276272127.0=ρ , ② 本船螺旋桨盘面比实取 611.062.00=>=A A A Ed故满足要求。
1.船舶主要参数1)原始给定船舶数据船型:远洋散装货船,球鼻艏、球艉、单桨、半悬舵。
总长195.0 m设计水线长190.0 m垂线间长185.0 m型宽28.4 m型深15.8 m设计吃水11.0 m设计排水量48755t型排水体积347423 m方形系数0.821棱形系数0.8252)船舶有效马力曲线船体船舶的有效马力曲线是表征船体阻力特性的曲线一可通过近似估算或船模阻力试验来确定,对应于不同装载情况将有不同的有效马力曲线,一般有满载和压载之分。
此外考虑到由于风浪或污底等情况,则尚需增加一定百分数(20%左右)的有效马力裕度,通过下表可绘制附图二中的P E曲线。
2.主机与螺旋桨参数主机型号6RLB66 主机发出功率额定转速螺旋桨型号MAU 叶数4桨数旋向型柴油机1台P s 11100 hpn 124 r / min型叶单桨右旋螺旋桨材料ZQAL12-8-3-2(K=1.2)材料桨轴距基线高度 3.6 m 3. 设计工况、参数设计功率设计转速螺旋桨直径4. 推进因子的确定伴流分数推力减额分数螺旋桨直径轴系传送效率船身效率5. 可以达到的最大航速设计海水密度:船后螺旋桨敞水受到马力7.4 g / cm3按满载工况设计,P 0.85P sn 124 r / minD 5.6mw 0.36 t0.216D 5.6m0.981 t 1 0.2161.2251 w 1 0.362 4104.63 kgf s /m(取R 1.0):P D 0 P S 0.85 S R 11100 0.85 0.98 1.0hp 9246.3hpQ 75P D02 n75 9246.353431.721kgf m124 J2 3.14 -60螺旋桨转速:n 124 r min 2.067 r s 螺旋桨产生的扭矩螺旋桨转矩系数:KQ 0.0217以MAU4-40 MAU4-55 MAU4-70的敞水性征曲线进行设计一插值计算:其中:P TE P D00 H,见教材P264附录图一MAU4-40敞水性征图谱,由J、P/D 可查得K T、10K Q和n 0 o表一敞水图谱设计表其中:P TE P DO0 H见教材P264附录图一MAU4-40敞水性征图谱,由J、P/D可查得K T、10K Q和n 0由表一可绘制如教材P119图8-9所示,以V为横坐标,以P E、P/D、o和P TE为纵坐标绘制图谱设计的计算曲线,图中曲线P E和曲线P TE的交点即为所求的螺旋桨,将该交点平行纵轴与图中各取线的交点列于下表中。
螺旋桨设计(内河货船)6螺旋桨设计及航速预报螺旋桨设计是整个船舶设计中的一个重要组成部分。
在船舶型线初步设计完成后,通过有效马力的估算,得出该船的有效马力曲线。
在此基础上要求我们设计一个效率最佳的螺旋桨。
既能达到预定的航速,又使消耗的主机马力小;或是当主机已经选定时,要求设计一个在给定主机条件下使船舶达到最大航速的螺旋桨。
本设计采用螺旋桨图谱设计,就是根据螺旋桨模型敞水试验绘制而成的专用图谱来进行设计。
在获得设计船的有效马力曲线以后,主要分以下几步进行:1.初步设计:确定螺旋桨的最佳转速,进而确定之前选择的主机是否满足要求,通过最佳转速,求得减速比,选取合适的减速齿轮箱。
2.终结设计:确定螺旋桨的转速后,通过一系列的图谱设计计算,确定螺旋桨的直径,盘面比等尺度要素,并进行空泡校核。
3.若计算结果直径超过限制直径,则做限制直径螺旋桨。
6.1设计螺旋桨时应考虑的若干问题6.1.1螺旋桨的数目选择螺旋桨的数目应该综合考虑推进性能、振动、操纵性能及主机能力等各方面的因素。
一般来说,在总布置合理的情况下,增大螺旋桨直径可以提高敞水效率。
对于本货船,由于吃水有限制,船型选择为双尾船,采用双螺旋桨。
6.1.2 螺旋桨的桨叶数的选取叶数的选择应根据船型,吃水,推进性能,振动和空泡等多方面加以考虑。
一般认为,若螺旋桨的直径及展开面积相同,则叶数少者效率略高,叶数多者因叶栅干扰作用增大,故效率下降。
但叶数多者对减小振动有利,叶数少者对避免空泡有利。
同时,螺旋桨叶数与主机缸数不能为整倍关系,否则容易发生共振现象。
本船选用6缸主机,故采用4叶桨,避免共振。
6.1.3 设计图谱可供采用的图谱很多,对中低速船舶,通常采用MAU 系列或B 系列,其中MAU空泡性能较好。
本船采用MAU系列图谱。
6.2已知条件(1)船型参数表6.1 船型参数(m) 23.63 总长Loa (m) 24.19 水线长Lwl型宽B (m) 5 吃水T (m) 10.761 排水量Δ (t)88.369 方形系数Cb(2)有效马力曲线根据型线特征,本船采用爱尔法估算船舶有效功率比较合适,结果见下表:表6.2 有效马力曲线表Vs(kn) 6 7 8 9 10Pe(kw) 8.1778 16.4159 36.1017 91.7437 246.24(3)部分取值推进因子:根据船型按经验公式决定伴流分数:ω=0.55Cb-0.20=0.2186。
第九章螺旋桨图谱设计§9-1 设计问题与设计方法螺旋桨设计是整个船舶设计中的一个重要组成部分。
在船舶线型初步设计完成后,通过有效马力的估算或船模阻力试验,得出该船的有效马力曲线。
在此基础上,要求我们设计一个效率最佳的螺旋桨,既能达到预定的航速,又要使消耗的主机马力小;或者当主机已选定,要求设计一个在给定主机条件下使船舶能达到最高航速的螺旋桨。
因此,螺旋桨的设计问题可分为两类。
一、螺旋桨的初步设计对于新设计的船舶,根据设计任务书对船速的要求设计出最合适的螺旋桨,然后由螺旋桨的转速及效率决定主机的转速及马力,并据此订购主机。
具体地讲就是:①已知船速V,有效马力PE,根据选定的螺旋桨直径D,确定螺旋桨的最佳转速n、效率η0、螺距比P/D和主机马力P s;②已知船速V,有效马力PE,根据给定的转速n,确定螺旋桨的最佳直径D、效率η0、螺距比P/D和主机马力Ps。
二、终结设计主机马力和转速决定后(最后选定的主机功率及转速往往与初步设计所决定者不同),求所能达到的航速及螺旋桨的尺度。
具体地讲就是:已知主机马力Ps、转速n和有效马力曲线,确定所能达到的最高航速V,螺旋桨的直径D、螺距比P/D及效率η0。
新船采用现成的标准型号主机或旧船调换螺旋桨等均属此类问题。
在造船实践中,一般采用标准机型,所以在实际设计中,极大多数是这类设计问题。
目前设计船用螺旋桨的方法有两种,即图谱设计法及环流理论设计法。
图谱设计法就是根据螺旋桨模型敞水系列试验绘制成专用的各类图谱来进行设计。
用图谱方法设计螺旋桨不仅计算方便,易于为人们所掌握,而且如选用图谱适宜,其结果也较为满意,是目前应用较广的一种设计方法。
应用图谱设计螺旋桨虽然受到系列组型式的限制,但此类资料日益丰富,已能包括一般常用螺旋桨的类型。
环流理论设计方法是根据环流理论及各种桨叶切面的试验或理论数据进行螺旋桨设计。
用此种方法可以分别选择各半径处最适宜的螺距和切面形状,并能照顾到船后伴流不均匀的影响,因而对于螺旋桨的空泡和振动问题可进行比较正确的考虑。
螺旋桨计算书6.7
摘要:
一、螺旋桨计算书概述
1.计算书目的
2.计算书适用范围
3.计算书参考标准
二、螺旋桨计算方法
1.计算公式
2.参数设定
3.计算步骤
三、螺旋桨性能分析
1.性能指标
2.性能优化
四、螺旋桨应用领域
1.飞行器类型
2.应用场景
五、螺旋桨发展趋势
1.新材料应用
2.技术创新
3.行业前景
正文:
螺旋桨计算书6.7针对螺旋桨的计算、性能分析及应用领域进行研究。
首先,对计算书的目的、适用范围和参考标准进行了概述。
接着,详细介绍了螺旋桨的计算方法,包括计算公式、参数设定和计算步骤,为工程师在实际应用中提供了理论依据。
在性能分析部分,计算书对螺旋桨的性能指标进行了详细解读,并通过优化参数,提高了螺旋桨的性能。
此外,还从应用领域出发,介绍了不同类型的飞行器以及螺旋桨在不同场景中的应用,为用户提供了实际操作中的参考。
最后,计算书对螺旋桨的发展趋势进行了探讨,包括新材料的应用、技术创新及行业发展前景。
这有助于业界了解螺旋桨技术的最新动态,并为我国螺旋桨行业的发展提供了有益的建议。
SHANGHAI JIAO TONG UNIVERSITY 螺旋桨设计计算书姓名:王志强学号:5130109174课程:船舶原理(2)专业:船舶与海洋工程日期:2016年4月一、船舶的主要参数船型:单桨集装箱船二、最大航速确定按满载工况、主机功率P s=0.85P max、螺旋桨转速102r/min,设计MAU型5叶右旋桨1只。
螺旋桨敞水收到功率:P D=0.85ηSηR P max=0.85×0.97×1.0×33000kW=27208.5kW 最大航速设计的步骤:假定若干个盘面比( 0.5、0.55、0.6、0.65、0.7、0.75、0.8),对每一个盘面比进行以下计算:1)假定若干直径(范围7.5m ~ 8.5m,每隔0.01米取一次值);2)对每个直径,假定若干航速(范围21节~25节,每隔0.001节取一次值);3)对每个直径与航速的组合,用回归公式计算设计进速系数下不同螺距比(范围0.4~1.6)螺旋桨的推力、扭矩,通过插值(或二分法)确定满足设计功率要求(即:螺旋桨要求的扭矩与设计功率与转速下的收到转矩平衡)的螺距及相应的有效推力与敞水效率;4)对每个直径,根据阻力曲线及不同航速下的有效推力值,通过插值确定有效推力与阻力平衡的航速,以及对应的螺距和敞水效率;5)根据航速(或敞水效率)与直径的关系,确定最大航速(或最高敞水效率)对应的直径,该直径即为所假定盘面比下的最佳直径。
三、空泡校核柏立尔空泡限界线图空泡校核计算结果:P0=P a+γℎs=10330+1025×(12.7−4.7)kgf/m2=18530kgf/m2=181594N/m2做计算盘面比图~需要盘面比图,如下所示:图 1 计算盘面比~需要盘面比图由图插值可知,不发生空泡的最小盘面比为:0.7040作最大航速~盘面比,敞水效率~盘面比图如下所示:由图可知,在盘面比大于0.7040时,最大航速与敞水效率都随盘面比的增大而单调递减,因此,本螺旋桨设计选取盘面比为0.7040,将该盘面比输入之前计算最大航速的程序中可以得到对应的最佳螺旋桨要素。
航速及螺旋桨计算书设绘通则
1 主题内容与适用范围
1.1主题内容
航速及螺旋桨计算书是计算船舶在要求吃水状态下的阻力、航速、螺旋桨几何要素、螺旋桨的强度校核、空泡校核、系柱推力和转速、重量、惯量及螺旋桨特性等。
为绘制螺旋桨图和进行轴系扭振计算提供依据。
1.2适用范围
应用MAU型或楚思德B型螺旋桨设计图谱设计常规螺旋桨并计算航速。
2 引用标准及设绘依据图纸
2.1引用标准
下列标准所包含的条文,通过在本标准中引用而构成本标准的条文。
本标准出版时,所示版本均为有效。
所有标准都会被修订,使用本标准的各方应探讨使用下列标准最新版本的可能性。
a) GB4954-84 船舶设计常用文字符号
2.2 编制依据图纸
a)技术规格书或设计任务书;
b)总布置图;
c)静水力曲线图或表;
d)阻力估算方法或船模试验报告;
e)螺旋桨设计图谱;
f)主机主要参数及特性曲线;
g)减速齿轮箱主要参数。
3 基本要求
提供完整的航速及螺旋桨计算书。
4 内容要点
4.1 计算说明
说明应用上海船舶研究设计院电子计算机程序SC88-CR158计算或应用何种螺旋桨设计图谱直接计算。
4.2 主要参数
4.2.1 船舶数据:主尺度(见表1)、船型系数(见表2)。
船舶主尺度表1
船型系数表2
4.2.2 主机参数:型号X台数、额定功率、额定转速、转向(见表3)。
主机参数表3
4.2.3 减速齿轮箱参数:型号、台数、减速比(见表4)。
减速齿轮箱参数表4
4.2.4 螺旋桨设计要求:主机功率、螺旋桨设计转速、螺旋桨只数、螺旋桨浸深、螺旋桨旋向、桨叶形式和叶片数、桨毂形状和尺度(见表5)。
螺旋桨设计要求表5
4.3 计算阻力、有效功率曲线
根据阻力计算公式及图谱计算实船阻力或按船模试验报告换算实船阻力,绘制有效功率曲线。
4.4 推进因子及螺旋桨收到功率
根据船型特点、主机和齿轮箱参数、船模试验或应用经验公式确定轴系传递效率、螺旋桨收到功率、伴流分数、推力减额分数、相对旋转效率、船身效率。
4.5 航速计算
应用螺旋桨设计图谱计算。
4.6 螺旋桨空泡校核
应用伯努利及各种定理推导出校验空泡的衡准数,若不产生空泡的条件可直接应用勃力尔空泡图。
上述计算中应用的符号及单位,见表6。
应用符号及单位表6
按“规范”对强度进行校核选取设计桨叶厚度。
4.8 螺旋桨几何要素的初选。
4.9 螺旋桨几何要素的修正(含经空泡校核)。
4.10 确定螺旋桨的要素
桨叶剖面参数;
桨毂尺度;
螺旋桨重量及惯量;
螺旋桨要素汇总,见表7。
螺旋桨要素汇总表7
4.11 附图
有效功率及推力功率曲线图;
空泡校核曲线图。
4.12 当使用电子计算机计算时可按4.5-4.11项直接计算得出结果。
4.13 螺旋桨特性(如被要求提供时)。
5 图面要求
使用幅面0.0625m2的计算纸及图表。
6 设绘注意事项
6.1 本航速及螺旋桨计算书仅适用于常规螺旋桨的设计。
6.2 计算书内使用的文字符号及计量单位应符合国家、船舶行业及院标准。
6.3 螺旋桨设计点的选择应注意到主机特性、船舶营运特点、航线、气候、海况以及污底等情况。
6.4 伴流分数、推力减额分数的选定对螺旋桨设计有直接影响,应用经验公式或船模试验数据时应慎重,力求可靠,符合实船。
6.5 空泡校核点应选取可能发生的最危险工况。
6.6 螺旋桨重量和惯量计算应运用积分法,否则影响轴系扭振计算的准确性。
6.7 螺旋桨的几何尺寸与船体和舵相互间应配合得当,间隙合理,且符合规范要求,以避免施工时加工不便及实船振动的发生。
7 校审要点
7.1 计算书内容齐全
7.2 计算数据正确
7.3 阻力计算合理
7.4 推进因子选择适当
7.5 若应用电子计算机计算时,输入数据正确
7.6 查用的图谱正确
7.7 设计的螺旋桨要素正确
8 质量要求和等级评定
等级的表达方式采用下表形式
9 参考资料见附录A
附录A
《航速及螺旋桨计算书》参考资料
A1 相关标准
GB4954-85 船舶设计常用文字符号
A2 有关规范
a) 钢质海船入级与建造规范第3分册第11章节第4节
b) 钢质海船入级与建造规范第3分册第14章节第3节
c) 钢质内河船入级与建造规范第2分册第3篇第9章第5节
d) 需入国外船级的相应船级社规范
A3 有关文献
船舶设计实用手册总体分册第3篇第2章。