特检室检查项目一览表
- 格式:doc
- 大小:78.50 KB
- 文档页数:4
工程项目特种设备检验项根据国务院《特种设备安全监察条例》(国务院第373号)和国家质量监督检验检疫总局颁布的相关规程,确定“海心沙项目特种设备检验”的检测内容如下:表3 海心沙特种设备检验项目表序号分项工程检验项目名称计算单位1电梯类超速保护装置试验项2 导线与电缆检查或补偿装置检查台3 切断电动机电流或制动器电流的电气装置试验项4 玻璃门、玻璃层门、玻璃板装设情况检查层或套5 强制驱动电梯使用条件、制动部件情况检查项6 电动机运行时间限制器或监控装置试验台号程检验项目名称位7 沉降试验或耐压试验项8 台阶;滑轮磨损、检修门、护脚板尺寸测定;信号;安全门;旋转部件防护检查;旋转部件防护检查接地连通性;安全防护空间尺寸;安全警示标志或图案;扶梯围裙板接头间隙、梯级踏板与围裙板间隙;梳齿与踏板齿槽啮合深度、梳齿与齿槽底面间隙;扶手带支承架与轨道面间隙;护壁板间隙及厚度。
点9 液压站及附属设备安装情况检查台10 单向阀或下行阀或限速切断阀检查项11 液压油缸安装及运行情况检查个12 油温监控装置试验台13 扶手带安全检查条14 检修装置检查台号程检验项目名称位15 扶梯桁架结构台16 光照度测量点17 紧急救援装置台18 空载试验台19 限速器动作速度校验(现场)只20 超载装置性能测试台21 消防功能台22 技术资料检查台23 钢丝绳张力测试根24 速度测试项25 开关门及运行噪声点26 自动扶梯制停距离试验项27 机械式停车设备类轨道表面质量、安装质量检查对28 钢丝绳表面质量检查根29 钢丝绳卷筒个号程检验项目名称位30 滑轮表面质量、装配质量检查套31 减速器或联轴器安装质量检查套32 制动器套33 安全保护装置装设情况检查项34 电气系统安全保护装置项35 液压系统台36 机房安全设施检查台37 井道安全装置性能测定台38 曳引机台39 缓冲器台40 层门安全装置检查层41 停层保护安全装置检查台42 液压提升系统台43 回转支承装置检查台44 开式齿轮或齿条齿轮检查台号程检验项目名称位45 载荷试验项46 数据整理台47 轨道倾斜度、轨距、接头间隙;钢丝绳端部连接;钢比绳卷筒直径-绳径比;卷筒凸缘;滑轮轮径-绳径比;制动轮与制动瓦间隙;支承架与轨面间隙;平层地坎高差;缓冲器与轿厢距离;司机室、梯、栏杆、走台、层门、井道;电路安全间隙;钢丝绳卷筒、滑轮、磨耗尺寸测定点48 司机室、梯、栏杆、走台的承载抗压试验项49 曳引机噪音测定项50 钢丝绳抗拉强度或端部连接抗拉强度检验项号程检验项目名称位51 绝缘电阻测定项52 接地电阻测定项53 电机电流-负荷或转速-负荷特性曲线测定项54 金属结构台55 超载限制器性能测试台56 空载试验台57 技术资料检查台58液压(气动)系统缸体与柱塞付59连接管件与接头付60压力表个61安全保护阀个62密封性能套63油缸体固定个64液压油温升点号程检验项目名称位65系统性能测试套参考依据:2002 电梯监督检验规程2002 自动扶梯和自动人行道监督检验规程2003 杂物电梯监督检验规程2002 液压电梯监督检验规程GB5860-86 液压快换接头尺寸合要求GB5861-86 液压快换接头试验方法GB/T5905-1986起重机试验规范和程序GB/T5952-1986 碳素工具钢丝GB/T5972-1986 起重机械用钢丝绳检验和报废实用规范GB/T5973-1986 钢丝绳用楔形接头GB/T5974.1-1986钢丝绳用普通套环GB/T5974.2-1986钢丝绳用重型套环GB/T5975-1986钢丝绳用压板GB/T5976-1986钢丝绳夹GB5985-86 热双金属弯曲常数测量方法GB5987-86 热双金属弹性模量测量方法GB/T6067-1985起重机械安全规程GB/T 6068.1-1985 汽车起重机和轮胎起重机试验规范一般要求GB/T 6068.2-1985 汽车起重机和轮胎起重机试验规范合格试验GB/T 6068.3-1985 汽车起重机和轮胎起重机试验规范稳定性的确定GB/T 6068.4-1985 汽车起重机和轮胎起重机试验规范结构试验。
特种设备生产单位现场安全监督检查项目表特种设备使用单位现场安全监督检查项目表(表1——使用单位安全管理状况检查项目表)特种设备使用单位现场安全监督检查项目表(表2——锅炉使用状况检查项目表)特种设备使用单位现场安全监督检查项目表(表3——压力容器使用状况检查项目表)特种设备使用单位现场安全监督检查项目表(表4——电梯使用状况检查项目表)特种设备使用单位现场安全监督检查项目表(表5——起重机械使用状况检查项目表)特种设备使用单位现场安全监督检查项目表(表6——客运索道使用状况检查项目表)特种设备使用单位现场安全监督检查项目表(表7——大型游乐设施使用状况检查项目表)特种设备使用单位现场安全监督检查项目表(表8——场(厂)内机动车辆使用状况检查项目表)特种设备使用单位现场安全监督检查项目表(表9——气瓶充装状况检查项目表)附件3特种设备检查检测机构发现重大问题告知(报告)表受检单位意见:受检单位分管人员签名及日期:检查员签名及日期:检查员联系电话:市级安全监察机构接受传真电话、人员姓名:接受时间:年月日时分县级安全监察机构接受传真电话、人员姓名:接受时间:年月日时分(注:本表一式四份,市、县级安全监察机构、检查检测机构、受检单位各一份)附件4:特种设备现场安全监督检查原始登记表检查人员:年月日附件5:特种设备现场安全监督检查记录特种设备安全监察指令书()质监特令[ ]第号:经检查,你单位(人)在特种设备安全面存在下列问题:上述问题违背了《特种设备安全监察条例》第条规定,依照《特种设备安全监察条例》第五十八条、规定,责令你单位(个人)于年月日前采用如下办法予以改正或者消除事故隐患:如对本指令书不服,可在接到指令书之日起60日之内向申请行政复议,或者于3个月内向人民法院提起行政诉讼。
复议和起诉期间,不得停止改正或者停止消除事故隐患。
特种设备安全监察员签名:被检查单位(负责人)签名:(质量技术监督部门公章或者安全监察专用章)年月日备注:本指令书一式两份,发出部门、被检查单位各一份。
此表只是罗列比较常见设备和线路安全检查项目,如果是公司内部检查我会按照公司具体情况依据相关规定制定出相应设备和电器线路的检查项目,或者也可以按照部门、人员归属等方式分类检查项。
下面内容为赠送的工作总结范文,不需要的朋友下载后可以编辑删除!!!!工作总结怎么写:医院个人工作总结范文一年的时间很快过去了,在一年里,我在院领导、科室领导及同事们的关心与帮助下圆满的完成了各项工作,在思想觉悟方面有了更进一步的提高,本年度的工作总结主要有以下几项:1、工作质量成绩、效益和贡献。
在开展工作之前做好个人工作计划,有主次的先后及时的完成各项工作,达到预期的效果,保质保量的完成工作,工作效率高,同时在工作中学习了很多东西,也锻炼了自己,经过不懈的努力,使工作水平有了长足的进步,开创了工作的新局面,为医院及部门工作做出了应有的贡献。
2、思想政治表现、品德素质修养及职业道德。
能够认真贯彻党的基本路线方针政策,认真学习马列主义、毛泽东思想、医学教,育网邓小平理论和“三个代表”的重要思想。
坚持“以病人中心”的临床服务理念,发扬救死扶伤的革命人道主义精神,立足本职岗位,踏踏实实做好医疗服务工作。
向各位局领导以及全体教职工进行述职,请予批评指正。
一、工作目标完成情况我校一年来,秉承“质量是生命,师德是灵魂,公平是民心,安全是保障”的教育理念,以全面提升教育教学质量为核心,以标准化学校建设为突破口,以“让教育接地气,创建新学校”为学校发展目标,团结一心,攻坚克难,大打翻身仗,学校办学条件和办学效益实现了“质”的飞越。
在全体教职工的努力下,我们基本完成了《XX年目标管理责任状》中的德育管理、教学管理、两基、师训、标准化学校建设、特色学校建设、艺体卫、财务管理、捐资助学、组织工作、信访监督、工会及团队、行风建设、安全、政务等xx项工作任务。
3、专业知识、工作能力和具体工作。
能严格遵守医院的各项规章制度,刻苦严谨,视病人为上帝,始终把他们的利益放在第一位。
9大类特种设备专项检查细则表(检查项目、内容及结果)
目录
1. 起重机械安全检查表 (3)
2. 锅炉安全检查表 (9)
3. 压力容器安全检查表 (15)
4. 压力管道安全检查表 (19)
5. 电梯安全检查表 (21)
6. 客运索道安全检查表 (27)
7. 大型游乐设施安全检查表 (29)
8. 高压气瓶安全检查表 (32)
9. 溶解乙炔气瓶安全检查表 (35)
1. 起重机械安全检查表
重回路与控制回路电源电压不大于500V时,电气线路对地电阻不小于0.5M、潮湿环境的线路对地电阻不小于0.25M。
在起重机外,零线与大车轨道应重复接地,接地电阻小于4。
2. 锅炉安全检查表
3. 压力容器安全检查表
4. 压力管道安全检查表
5. 电梯安全检查表
导线与导线、导线对地间的绝缘电阻应大于1000/V。
动力电路与安全装置电路的绝缘电阻不得小于0.5M。
其他(控制、照明、信号等)电路的绝缘电阻应不小于0.25M。
6. 客运索道安全检查表
7. 大型游乐设施安全检查表
8. 高压气瓶安全检查表
9. 溶解乙炔气瓶安全检查表。
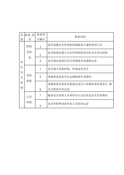
附件2—1特种设备使用单位常规监督检查项目表(安全管理)注:1. 检查结果在“符合”“不符合”和“无此项”相应项目栏中划“√”;2. 检查需要说明的在“备注”栏填写。
附件2—2特种设备使用单位常规监督检查项目表(锅炉)注:1. 检查结果在“符合”“不符合”和“无此项”相应项目栏中划“√”;2. 检查需要说明的在“备注”栏填写。
附件2—3特种设备使用单位常规监督检查项目表(压力容器)注:1.检查结果在“符合”“不符合”和“无此项”相应项目栏中划“√”;2.检查需要说明的在“备注”栏填写;附件2—4特种设备使用单位常规监督检查项目表(压力管道)注:1.检查结果在“符合”“不符合”和“无此项”相应项目栏中划“√”;2.检查需要说明的在“备注”栏填写。
附件2—5特种设备使用单位常规监督检查项目表(电梯)注:1.检查结果在“符合”“不符合”和“无此项”相应项目栏中划“√”;2.检查需要说明的在“备注”栏填写。
附件2—6特种设备使用单位常规监督检查项目表(起重机械)注:1.检查结果在“符合”“不符合”和“无此项”相应项目栏中划“√”;2.检查需要说明的在“备注”栏填写。
附件2—7特种设备使用单位常规监督检查项目表(客运索道)注:1.检查结果在“符合”“不符合”和“无此项”相应项目栏中划“√”;2.检查需要说明的在“备注”栏填写。
附件2—8特种设备使用单位常规监督检查项目表(大型游乐设施)注:1.检查结果在“符合”“不符合”和“无此项”相应项目栏中划“√”;2.检查需要说明的在“备注”栏填写。
附件2—9特种设备使用单位常规监督检查项目表(场(厂)内专用机动车辆)注:1.检查结果在“符合”“不符合”和“无此项”相应项目栏中划“√”;2.检查需要说明的在“备注”栏填写。
附件2—10特种设备使用单位常规监督检查项目表(移动式压力容器充装单位)注:1.检查结果在“符合”“不符合”和“无此项”相应项目栏中划“√”;2.检查需要说明的在“备注”栏填写。
附件2
特种设备生产单位现场安全监督检查项目表
特种设备使用单位现场安全监督检查项目表
特种设备使用单位现场安全监督检查项目表
特种设备使用单位现场安全监督检查项目表
特种设备使用单位现场安全监督检查项目表(表4—-压力管道使用情况检查项目表)
特种设备使用单位现场安全监督检查项目表
特种设备使用单位现场安全监督检查项目表
特种设备使用单位现场安全监督检查项目表
特种设备使用单位现场安全监督检查项目表
特种设备使用单位现场安全监督检查项目表
(表9—-场(厂)内专用机动车辆使用情况检查项目表)
特种设备使用单位现场安全监督检查项目表
特种设备现场安全监督检查记录
检查人员:记录员:日期年月日
特种设备安全监察指令书
( )监特令[]第号
:
经检查,你单位(人)在特种设备安全方面存在下列问题:
上述问题违反了第条
的规定,根据第条、
的规定,责令你单位(个人)于年月日前采取以下措施予以改正或者消除事故隐患:
如对本指令书不服,可在接到指令书之日起60日之内向
申请行政复议,或者于6个月内向人民法院提起行政诉讼。
复议和起诉期间,不得停止改正或者停止消除事故隐患.
检查人员签名:
被检查单位(负责人)签名:
(特种设备安全监管部门公章或者安全监察专用章)
年月日
备注:本指令书一式两份,发出部门、被检查单位各一份.。