2[1].4鞍钢新轧钢股份有限公司三冷轧厂
- 格式:doc
- 大小:140.50 KB
- 文档页数:6
鞍钢冷轧火灾事故报告公示一、事故概况2022年10月20日21时30分左右,鞍钢集团冷轧厂发生火灾,火灾起因正在进一步调查中。
火灾发生后,当地消防部门和鞍钢集团的应急救援队迅速赶到现场展开救援工作,经过近3小时的努力,火势得到控制。
截至目前,暂未收到人员伤亡的情况。
二、火灾处置及善后工作鞍钢集团冷轧厂火灾发生后,公司领导高度重视,迅速成立了应急指挥部,调集各方力量进行处置和善后工作。
同时,公司第一时间通知了相关政府部门、相关企业以及社会各界,积极开展危险品防范和事故分类的工作,并启动了紧急预案,及时疏散人员,确保了现场人员的安全。
火灾发生后,鞍钢集团冷轧厂迅速组织人员进行应急处置工作。
首先,将火灾现场进行了封锁,隔离保护周边环境。
同时,调派了10余辆消防车和上百名消防队员前往现场展开火灾扑救工作。
在消防人员的奋力扑救下,火势迅速得到了控制。
随后,鞍钢集团冷轧厂还紧急通知了附近居民进行疏散,并对附近环境进行了严格监测,确保了周边环境的安全。
在火灾扑灭后,鞍钢集团迅速开展了事故原因的调查工作,并启动了相应的善后工作。
三、事故原因调查鞍钢集团冷轧厂火灾发生后,公司迅速成立了由经验丰富的专家组成的调查组,开始进行火灾原因的调查工作。
目前,初步调查结果显示,火灾原因可能与设备故障有关,具体原因正在进一步调查中。
鞍钢集团冷轧厂对此事高度重视,并将全力配合政府部门做好事故原因的调查和善后工作。
四、善后工作及对外公示鞍钢集团冷轧厂将按照相关法律法规要求,对此次火灾事故的善后工作做好全面的整改工作,并在相关部门的监督下,对火灾的原因做出彻底的调查。
同时,我们将积极主动地向社会公开相关信息,及时对外公示,接受社会各界的监督和指导。
鞍钢集团冷轧厂将按照上级主管部门的要求,及时向社会公开事故调查结果和善后工作进展情况,接受社会各界的监督和指导。
同时,我们将严格落实相关责任,加强安全生产管理,确保生产过程的安全稳定,为保障员工和社会大众的生命财产安全而不懈努力。
鞍钢冷轧厂厂志鞍钢股份有限公司冷轧厂前身是鞍钢冷轧薄板厂,为20世纪50年代苏联援华项目,最初设计能力为年产30万吨冷轧薄板。
该厂自开工投产到1981年底,冷轧板年产量始终在设计水平30万吨以下,到1982年才实现年产30万吨冷轧板的设计产量。
自1988年,冷轧厂进入了技术改造阶段。
4月2日,国家计划委员会正式批复,同意鞍钢冷轧厂四机架工程改造,进口一套旧的四机架冷连轧机组,包括酸洗、轧机、热处理、平整、剪切等五大工序。
酸洗机组从奥地利安得列茨机制公司鲁斯纳分公司引进盐酸洗机组和再生装置,只购进少量耐腐蚀材料和仪表,绝大部分设备由国内制造和配套。
工程于1988年12月24日破土动工,于1989年10月1日投产。
四机架冷连轧机是60年代德国蒂森公司二手设备,40座罩式炉分别引进奥地利EBNER公司的HC型全氢强对流罩式退火炉(4座)和德国LOI公司HPH型全氢强对流罩式退火炉(36座)。
工程1989年7月26日开工,1991年11月23日竣工投产。
平整机组和横切机组是引进德国蒂森公司二手设备,主要机械设备由国内进行修配改,同时引进德国液压伺服控制系统和西门子自动化控制设备,建成一套具有国际80年代技术水平的平整、横切机组。
工程于1989年10月7日开工,1991年9月17日竣工投产。
到1993年末,改造后四机架冷连轧机组系统生产冷轧板86万吨,初步形成80万吨生产能力。
纵剪机组1993年2月末开工,当年年末完成;2台磨床于1993年调试投产。
1992年5月25日,冷轧1号线2套酸再生机组正式开工,1994年末全部竣工投产,处理能力为12立方米/时。
3号横切机组于1994年12月开工建设,1995年竣工投产,设备是引进荷兰荷戈文厂二手设备,年生产能力14万吨冷轧板。
1997年5月,鞍钢成立鞍钢新轧钢有限责任公司,冷轧厂成为其中一员。
1999年,开始进行冷轧1号线联合机组再次改造,在原有四机架连轧机基础上增加带钢转向装置和0号机架,拆除硫酸洗机组,新建浅槽紊流盐酸洗机组,并进行联机,形成全连续无头轧制,同时更新改造卷取机,改造乳液系统及电控系统,改造和新建车间内辅助设施。
鞍钢冷轧产品目录鞍钢股份冷轧厂是中国冷轧板生产的摇篮和诞生地,于1960年建成投产,为当时中国第一家冷轧薄板生产厂。
1997 年鞍钢股份有限公司成立后,通过不断的技术改造和治理升级,到 2004年末,鞍钢股份冷轧厂差不多成为拥有两条酸洗-轧机联合机组、一条盐酸洗机组、两台新型可逆轧机、两条热镀锌机组、两条彩涂机组及后继深加工设备。
能够生产热轧酸洗板、冷轧板、热镀锌钢板、彩色涂成板等多元化优质终端产品,以及代表冷轧工艺高水平的 05 级家电板和轿车板。
年生产能力达到350 万吨。
产品出口日本、韩国及欧美等30几个国家和地区,数量品种不断增加,在国内外冷轧产品的市场占有率稳定提高。
主导产品应用于汽车板、家电板及冷轧行业最高级不的轿车 05 级板。
2004 年8月开工的新区2130 冷轧工程,可能 2006 年5月建成投产,年设计生产能力为200 万吨,产品要紧定位于轿车外板和高档次家电板。
整体装备技术达到国际先进水平,投产后将有助于鞍钢冷轧产品档次的进一步提升。
冷轧厂针对汽车行业、家电行业、门业、搪瓷业、建筑业、制造业等行业的特点,差不多成功地开发了德国标准St 系列、日本标准SP系列、超低碳、超深冲 IF钢系列、链条用钢系列、低碳低硅冷板系列、搪瓷钢系列、自行车用钢板系列、烘烤硬化钢系列、含磷钢系列、客车车厢用钢板系列、家用电器钢板系列、低合金系列等具有高附加值的冷轧钢板产品。
鞍钢冷轧产品目录冷连轧用热轧钢卷为原料,经酸洗去除氧化皮后进行冷连轧,其成品为轧硬卷,由于连续冷变形引起的冷作硬化使轧硬卷的强度、硬度上升、韧塑指标下降,因此冲压性能将恶化,只能用于简单变形的零件。
轧硬卷可作为热镀锌厂的原料,因为热镀锌机组均设置有退火线。
轧硬卷重一般在6~13.5吨,钢卷内径为610mm。
一般冷连轧板、卷均应通过连续退火(CAPL机组)或罩式炉退火消除冷作硬化及轧制应力,达到相应标准规定的力学性能指标。
冷轧钢板的表面质量、外观、尺寸精度均优于热轧板,且其产品厚度右轧薄至0.18mm左右,因此深受宽敞用户青睐。
鞍钢冷轧厂工艺流程
《鞍钢冷轧厂工艺流程》
鞍钢冷轧厂是中国最大的钢铁企业之一,其冷轧工艺流程非常复杂,涉及到许多专业领域的知识和技术。
冷轧是将热轧出来的板材进行进一步加工,使其更加光滑、平整和具有更高的机械性能。
以下是鞍钢冷轧厂的工艺流程简介:
1. 配煤:原料材料是冷轧生产的关键,其中主要包括钢材和添加合金元素。
在本阶段既要保证原料充足,又要保证原料质量。
2. 热连铸:经过加热后,将加热的钢坯倒入连铸机中,连铸机对钢坯进行拉拔成形。
3. 热轧:经过连铸成形后的钢坯将会经过热轧机进行形状和尺寸上的进一步加工。
4. 退火:热轧之后的板材将被送入退火炉中进行退火处理,使板材的机械性能更加理想。
5. 冷轧:经过退火处理的钢板将被送入冷轧机中,进行冷轧加工,使其表面更加光滑,并获得更高的抗拉强度。
6. 修形、除锈:经过冷轧后的钢板需要进行修形和除锈处理,使其表面更加整洁。
7. 涂漆:最后一道工序就是将钢板进行防腐蚀的涂漆处理,以
延长钢板的使用寿命。
上述是鞍钢冷轧厂的简要工艺流程,可以看出,冷轧生产需要经历多道工序,每一道工序都需要高度的技术和精准的操作,才能最终得到高质量的冷轧产品。
原材料和服务供应的关联交易之独立财务顾问报告中信证券股份有限公司关于鞍钢新轧钢股份有限公司与鞍山钢铁集团公司原材料和服务供应关联交易之独立财务顾问报告中信证券股份有限公司二○○三年十一月五日原材料和服务供应的关联交易之独立财务顾问报告一、 释义除非特别说明,下列简称在本报告中具有以下含义:鞍钢新轧指鞍钢新轧钢股份有限公司鞍钢集团公司指鞍山钢铁集团公司元:指人民币元本次关联交易指鞍钢集团公司及其子公司向鞍钢新轧及其子公司提供的产品及服务包括原材料(主要原材料和附属材料)、公用事业服务、支持性服务、金融服务和鞍钢新轧及其子公司向鞍钢集团公司及其子公司提供的产品包括成品、废钢料、半制成品、带料加工服务协议指鞍山钢铁集团公司与鞍钢新轧钢股份有限公司《原材料和服务供应协议》公司产品鞍钢新轧及其子公司将根据协议向鞍钢集团公司及其子公司提供如下产品:(i)包括冷轧板、厚板、线材、大型材、方坯、板坯、镀锌板、彩涂板;(ii)包括废钢料(iii)包括管坯本独立财务顾问:指中信证券股份有限公司原材料和服务供应的关联交易之独立财务顾问报告二、 绪言中信证券股份有限公司受鞍钢新轧钢股份有限公司的委托,担任本次关联交易的独立财务顾问,本着勤勉、尽责的态度,秉持独立、客观、公正的原则,出具本独立财务顾问报告。
本报告依据《中华人民共和国公司法》、《中华人民共和国证券法》、《深圳证券交易所股票上市规则》等相关法律法规的规定,根据有关各方提供的资料和其他本独立财务顾问认为需要且有关各方提供的文件等编制而成,以独立的第三方身份发表的专业意见,旨在对本次关联交易进行独立、客观、公正的评价,供广大投资者和有关各方参考。
本独立财务顾问特别声明:本独立财务顾问未参与本次关联交易事项的谈判及相关协议条款的磋商,仅就本次发生的关联交易事实作表述,并对其相关影响发表意见。
本独立财务顾问提醒投资者:本报告不构成对鞍钢新轧的任何投资建议和意见,本独立财务顾问对投资者根据本报告做出的投资决策可能导致的风险,不承担任何责任,投资者应认真阅读鞍钢新轧董事会发布的关于本次关联交易的公告。
鞍钢股份各生产单位介绍鞍钢股份炼铁总厂鞍钢股份炼铁总厂是由始建于1917 年的原鞍钢烧结总厂和炼钢厂于2000年7月组建而成,是鞍钢股份下属的主体生产厂之一,占地面积尽240万平方米,主体设备有烧结机9 台、总面积1906平方米,带式焙烧机,面积为321.6 平方米,大、中型高炉九座,高炉有效容积20191 立方米; 在建一座2580立方米高炉。
主要产品是人造富矿和制钢生铁,人造富矿生产能力达2100 万吨,生铁生产能力达1500 万吨。
至今,炼铁总厂己为国家炼出合格生铁3 亿多吨,为祖国的钢铁事业做出了巨大的贡献。
……随着鞍钢股份改造东部、开发西部整体战略的推进,炼铁总厂也发生了翻天复地的变化。
西部新区2座3200 立方米的现代化高炉、配套新建的2 台328 平方米现代化烧结机己于2005年底陆续投入生产。
到2007年,炼铁总厂将形成3座3200立方米和5座2580 立方米高炉,年产生铁能力将达到1600 万吨。
来源:鞍钢股份网站化工总厂化工总厂是鞍钢股份有限公司下属的重要主体厂。
化工总厂始建于1919,经过80 余年的发展壮大,已成为中国最大的、具有领先地位的炼焦及煤化工产品生产企业。
厂区占地150万平方米,并拥有一个负责自主研发的鞍钢焦化技术中心,技术力量雄厚。
化工总厂年生产焦炭600 万吨,煤化工产品30 余万吨。
拥有一批装备精良、工艺先进的生产线。
特别是经过近几年技术改造,国内先进水平的6米焦炉、140万吨干熄焦、制冷、生物脱氮、大回收已经陆续投入运行。
生产的产品有焦炭、煤气、苯系列、萘系列、洗油系列、酚系列、吡啶系列、沥青系列等60 余种,其中大宗产品40 多种,小吨位及新产品20 余种。
产品畅销全国各地,硬质沥青、硫酸铵等远销海外。
我们的产品以其技术新、质量优、服务好而深得用户信赖。
化工总厂具有规范健全的生产保证体系,质量体系文件齐全,岗位职责清晰,技术性、作业性、管理性文件充分有效,产品检测手段完备,检测设备精良,所有产品都需经公司质量监督检查站取样,分别由化工总厂研化中心和公司质检中心经过严格的理化检验,确保每一种产品质量指标合格率达到100%。
实习报告:鞍钢冷轧厂实习体验一、实习背景作为一名材料科学与工程专业的学生,为了加深对所学知识的理解和应用,我于2022年7月至8月参加了鞍钢冷轧厂的实习项目。
在这次实习中,我有幸接触到冷轧厂的生产一线,了解了冷轧工艺的基本流程,并对钢铁行业的生产管理和技术创新有了更为深刻的认识。
二、实习内容1. 实习单位:鞍钢冷轧厂鞍钢集团是中国最大的钢铁企业之一,其冷轧厂主要生产冷轧板、冷轧带等产品,产品质量优良,广泛应用于汽车、家电、建筑等领域。
2. 实习过程:(1)实习前的培训:在实习开始前,我们参加了由鞍钢冷轧厂组织的培训,了解了实习期间的安全注意事项、工厂规章制度以及冷轧工艺的基本知识。
(2)实习过程中的指导:在实习过程中,我们有幸得到了一批经验丰富的工程师的指导,他们耐心地解答了我们的疑问,并带领我们参观了冷轧厂的各个生产环节,使我们全面了解了冷轧工艺的流程。
(3)实习成果:通过实习,我们深入了解了冷轧工艺的各个环节,从原料的准备、冷轧、退火、涂层到最后的成品,对每个环节都有了实际的操作经验。
同时,我们还了解了鞍钢冷轧厂在技术创新、节能减排方面所取得的成果。
三、实习收获1. 专业知识的增长:通过实习,我对材料科学的基本原理有了更深入的理解,对冷轧工艺的各个环节也有了全面的了解,使我在未来的学习中有了更明确的方向。
2. 实践能力的提升:在实习过程中,我们亲自动手操作,解决实际问题,使我的实践能力得到了很大的提升。
3. 职业素养的提高:在实习过程中,我深刻体会到了企业文化的重要性,学会了如何与同事沟通、合作,提高了自己的职业素养。
4. 行业认知的加深:通过实习,我对钢铁行业的发展趋势、生产管理有了更为深刻的认识,为我将来的就业和职业发展奠定了基础。
四、实习总结通过在鞍钢冷轧厂的实习,我对材料科学的专业知识和冷轧工艺有了更深入的了解,实践能力得到了锻炼,职业素养得到了提高。
同时,我也对钢铁行业有了更为全面的认知。
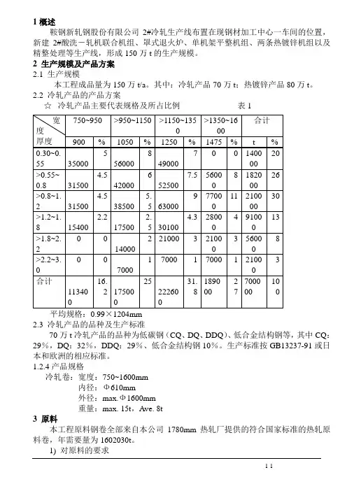
1概述鞍钢新轧钢股份有限公司2#冷轧生产线布置在现钢材加工中心一车间的位置,新建2#酸洗-轧机联合机组、罩式退火炉、单机架平整机组、两条热镀锌机组以及精整处理等生产线,形成150万t的生产规模。
2 生产规模及产品方案2.1 生产规模本工程成品量为150万t/a。
其中:冷轧产品70万t;热镀锌产品80万t。
2.2 冷轧产品的产品方案☆冷轧产品主要代表规格及所占比例表1平均规格:0.99×1204mm2.3 冷轧产品的品种及生产标准70万t冷轧产品的品种为低碳钢(CQ、DQ、DDQ)、低合金结构钢等,其中CQ:29%,DQ:32%,DDQ:29%、低合金结构钢10%。
生产标准按GB13237-91或日本和欧洲的相应标准。
1.2.4产品规格冷轧卷:宽度:750~1600mm内径:Ф610mm外径:max.Ф1600mm重量:max. 15t,Ave. 8t3 原料本工程原料钢卷全部来自本公司1780mm热轧厂提供的符合国家标准的热轧原料卷,年需要量为1602030t。
1) 对原料的要求代表钢种和钢号:普通碳素钢(CQ):Q195~Q235(相当于日本SPCC和德国ST12)优质碳素钢,低碳钢(DQ):08Al(相当于日本SPCD和德国ST13)特深冲钢(DDQ):含碳量较低的08Al(相当于日本SPCE和德国ST14) 低合金结构钢:Q295~Q345质量要求:屈服强度:160~350N/mm2抗张强度:300~650N/mm2热轧卷取温度:≤700℃进入酸洗机组带钢温度:最小+10℃,最大+60℃。
钢卷塔形:≤40mm带钢凸度:≤100μm带钢横断面楔形:≤50μm带钢表面凸起点:≤15μm镰刀弯:≤25mm/5000mm板形:≤30mm/1000mm宽度公差:公称宽度0~+10mm带钢质量(包括厚度公差)应符合GB709-88或DIN EN 10051的要求。
2) 带卷规格:厚度:1.8~6.5mm宽度:800~1630mm钢卷内径:∅762mm钢卷外径:∅1100~2150mm钢卷重量:最大30t平均钢卷单重:19kg/mm(最大23kg/mm)4 金属平衡及生产工艺流程4.1 金属平衡详见图1。
一、引言生产实习是学校教学的重要补充部分,是教育教学体系中的一个不可缺少的重要组成部分和不可替代的重要环节。
它是与今后的职业生活最直接联系的,学生在生产实习过程中将完成学习到就业的过渡,因此生产实习是培养技能型人才,实现培养目标的主要途径。
它不仅是校内教学的延续,而且是校内教学的总结。
可以说,没有生产实习,就没有完整的教育。
学校要提高教育教学质量,在注重理论知识学习的前提下,首先要提高生产实习管理的质量。
生产实习教育教学的成功与否,关系到学校的兴衰及学生的就业前途,也间接地影响到现代化建设。
钢铁工业是一个国家工业的组成部分。
东北地区是我国重要的老工业生产基地,钢铁工业在此有举足轻重的影响,反应着我国工业化的水平。
在日趋激烈的国际竞争中,如何立于不败之地,需要用科学技术的武装,因此钢铁行业的自动化控制成了新时代的工业快速发展的重要战略。
我想在此次实习中,需要我们了解自动化控制技术如何与工业控制实践相结合,工程设计人员在设计系统时的基本思路与原则是什么,工程控制人员在日常控制中的任务是什么。
这是此次实习的重点。
这次亲临企业现场内部参观实习,让我不仅仅了解到了自动化的相关知识及应用,也使我发现了自己的不足之处,让我明确了今后努力的方向。
1.1 实习目的1. 通过实习了解冶炼、轧制的生产工艺流程;2. 熟悉工业现场各种传动设备,控制设备以及辅助设备的技术数据、应用场合以及特点;3. 了解生产过程中应用的自动控制系统;4. 与所学理论知识相结合,了解控制系统的作用,调节过程,设计思想,对自己有所启发。
1.2 实习任务本次实习安排在鞍山钢铁集团股份有限公司,主要包括:第三炼钢连轧厂、大型厂、冷轧厂、炼铁厂1. 通过参观现场以及工程技术人员的讲解,熟悉冶炼工业自动化生产工艺流程和典型控制系统的构成、功能以及特点;了解冶金工业企业的基础自动化、过程自动化、管理自动化系统和生产管理系统的组成结构、典型设备。
2. 通过听取相关技术人员的讲解,了解现代工业企业的各种管理、工艺、控制现状和未来发展趋势。
公司概况鞍钢股份有限公司是鞍山钢铁集团公司的控股上市子公司。
现具有大型烧结、焦化、炼铁、炼钢、轧钢、动力、运输等装备、技术与人员的综合资源配置优势。
目前能够生产16大类品种、600个牌号、42000个规格的钢铁产品和近40种焦化产品,广泛应用于机械、冶金、石油、化工、煤炭、电力、铁路、船舶、汽车、家电、航空、国防等行业,还可以根据国家重点工程项目和顾客的特殊要求研制、开发、生产特种产品,满足市场需求和顾客的特性需要。
鞍钢股份有限公司坚持走低碳经济发展道路,凭借突出的经营业绩和巨大的成长空间,公司在行业内部和钢铁市场上享有良好的声誉和广泛的影响力。
鞍钢股份有限公司拥有鞍山本部和营口鲅鱼圈新区两个钢铁产品生产基地,目前已经具备了年产铁、钢、材2000万吨的能力,鞍钢股份有限公司的持续发展,将为企业员工实现自身价值提供更为广阔的舞台。
基层单位简介鲅鱼圈分公司:鞍钢股份有限公司营口鲅鱼圈钢铁项目是我国第一个沿海钢铁项目,是鞍钢落实国家钢铁产业发展政策,适应经济全球化,走向国际市场的一个重要项目,营口鲅鱼圈钢铁项目于2006年5月17日经国家发改委批准建设。
鲅鱼圈钢铁分公司位于营口市鲅鱼圈开发区工业园区,地处辽东湾东岸,占地面积8.32平方公里,其中陆地面积5.05平方公里,填海造地面积3.27平方公里。
鲅鱼圈分公司采用国际最先进的钢铁生产工艺、流程和装备,拥有能源动力、焦化、烧结、炼铁、炼钢、轧钢等配套设施,各项技术经济指标达到世界先进水平。
主要装备有7m52孔焦炉4座、405m2烧结机2台、4038m3高炉2座、260吨顶底复合吹炼转炉3座、双流1450mm板坯连铸机2台、单流2300mm板坯连铸机1台、1580mm热轧带钢生产线1条、5500mm宽厚板生产线1条,以及原料仓储、成品码头、水库、铁路运输、理化检验等辅助设施,其中5500mm厚板轧机为世界之最。
具备年产铁493万吨、钢500万吨、厚板200万吨宽、热轧卷板296万吨等系列钢铁产品的生产能力,主导产品定位于集装箱用钢、管线钢、船板、机械结构用钢、锅炉板、容器板、桥梁板、建筑用钢系列产品。
为什么频繁调整固定资产折旧年限?鞍钢股份有限公司(简称“鞍钢股份”,股票代码:000898)前身为“鞍钢新轧钢股份有限公司”。
公司是依据《中华人民共和国公司法》经由中华人民共和国国家经济体制改革委员会体改生[1997]62号文《关于同意设立鞍钢新轧钢股份有限公司的批复》的批准,以鞍山钢铁集团公司为唯一发起人,以发起方式设立的股份有限公司。
公司是在鞍钢集团所拥有的线材厂、厚板厂、冷轧厂(“三个厂”)基础上组建而成的。
根据自1997年1月1日起生效的分立协议,鞍钢集团已将与上述三个厂有关的生产、销售、技术开发、管理业务连同有关1996年12月31日的资产、负债全部转入公司。
有关净资产折为公司股本1319000000股,每股面值人民币1元。
公司于1997年7月22日发行了890000000股每股面值人民币1元的H 股普通股股票,并于1997年7月24日在香港联合交易所有限公司上市交易。
1997年11月16日,公司发行了300000000股每股面值人民币1元的人民币普通股,并于1997年12月25日在深圳证券交易所上市交易。
2006年1月26日,公司向鞍钢集团以每股人民币4.29元定向增发2970000 000股每股面值人民币1元的人民币普通股(共计人民币127.4亿元),用于作为收购鞍钢集团子公司鞍钢集团新钢铁有限责任公司100%股权的部分收购价款。
2006年6月20日,公司年度股东大会通过特别决议,将公司更名为“鞍钢股份有限公司”。
公司的主要业务为黑色金属冶炼及钢压延加工。
2008年7月11日,鞍钢股份发布第四届董事会第二十七次会议决议公告,宣布董事会批准了《关于调整部分固定资产折旧年限的议案》(以下简称“《决议》”)。
《决议》规定,从2008年1月1日起对公司部分固定资产折旧年限进行调整,对2008年以后新增的电子设备和运输工具采用新企业所得税法规定的最低折旧年限,对常年处于震动、超强度使用的设备采取了缩短折旧年限的方法,具体调整方案如下:《决议》还公布了会计估计变更对公司的影响:此次会计估计变更对公司的主营业务范围无影响,预计将使公司2008年利润总额减少人民币16800万元,企业所得税支出减少人民币4200万元,净利润减少人民币12600万元,预计将使公司2008年末净资产减少人民币12600万元。
鞍钢冷轧火灾事故报告表一、基本情况描述1、事故单位名称:鞍钢冷轧厂2、事故发生时间:2022年6月10日3、事故地点:鞍山市鞍钢集团4、事故种类:火灾事故5、伤亡情况:无人员伤亡6、事故原因:正在调查中二、事故经过2022年6月10日凌晨2点,鞍钢冷轧厂突然发生火灾事故。
据现场工作人员介绍,当时他们正在进行生产作业,突然发现轧钢车间内冒出了浓烟和火焰,工人们第一时间报警并进行了紧急疏散。
随后,鞍山市消防支队立即调派多辆消防车和消防人员前往现场进行扑救,并迅速将火势控制住。
经过初步调查,火灾发生在冷轧车间的一台轧机上,起火原因尚在调查中。
截至目前,火灾已经得到了有效控制,厂区内的其他生产设施和人员都没有受到影响。
事故中,鞍钢冷轧厂没有出现人员伤亡情况,但火灾给工厂的生产带来了一定的影响,具体的损失正在数清中。
三、事故处理情况鞍钢冷轧厂在发生火灾事故后,立即成立了事故调查组,对事故的原因、损失和应对措施进行了详细的分析和调查。
同时,工厂也积极与当地相关部门合作,共同展开事故的调查和处理工作,以求对事故原因做出合理的解释和处理。
此外,对于火灾事故带来的生产影响,工厂已经着手调整生产计划,确保生产工作的顺利进行,并对冷轧车间的设施进行了维修和检测,以确保生产设备的安全性和可靠性。
四、事故教训及改进措施从鞍钢冷轧火灾事故中,我们深刻认识到企业安全生产工作的重要性。
冷轧车间是钢铁厂的关键生产设施,一旦发生火灾事故,不仅会给企业的生产带来严重影响,还可能造成人员伤亡和财产损失,甚至危及企业的存续。
因此,我们应该认真总结事故教训,加强安全生产意识,不断改进管理体制、技术装备和应急预案,提高企业的安全生产水平。
1、强化安全培训:加强员工安全生产意识培训,提高员工对安全生产的重视程度,使他们能够熟练掌握安全操作流程和应急处置措施,提高应对突发事件的能力。
2、加强设备检修:对于冷轧车间的生产设施,需要定期进行维护和检验,保证设备的安全运行状态,及时处理潜在的安全隐患,提高设备的可靠性。
鞍钢新轧钢股份有限公司一冷轧厂1.1生产规模及产品方案1.1.1 生产规模鞍钢新轧钢股份有限公司一冷轧厂(以下简称鞍钢新轧钢一冷轧厂)最终成品规模180万t/a,其中冷轧板卷100万t/a,热镀锌板卷50万t/a,采涂板卷30万t/a.2.1.1.2 产品方案产品方案如表1-1所示。
2.1.1.3 热轧原料热轧钢卷规格:带钢厚度 1.0~6.0带钢宽度700~1550钢卷内径φ700/762mm钢卷外径∮1100~2000mm钢卷质量最大25t年需要量:195.24万t供给方式:由上游热轧厂外购2.1.2 机组组成1号酸轧联合机组1条1700mm轧机(正在改造)1条1200mm轧机(正在改造)1条罩式炉平整机组2条横切机组4条纵切机组1条连续热镀锌机组1条涂层机组1条2.1.3 机组设备2.1.3.1 酸洗机组(1)机组主要工艺参数如下:机组形式:三段酸洗三段漂洗。
酸洗工艺:浅槽酸洗。
钢卷规格:入口出口带钢厚度 1.0~6.0mm 1.0~6.0mm带钢宽度700~1550mm 650~1550mm钢卷内径φ700/762mm φ750/610mm钢卷外径∮1100~2000mm ∮1100~2000mm钢卷质量最大25t 最大25t单位质量最大15.2kg/mm 最大15.2kg/mm酸洗工艺速度:最大30~150m/min酸洗介质:盐酸年酸洗量:80万t投产年月:1990年供货商:奥地利鲁斯纳公司(2)机组主要单体设备性能如表2-2所示。
表2-2 鞍钢新轧钢一冷轧酸洗机组主要单体设备性能2.1.3.2 酸洗—冷轧联合机组(1)机组主要工艺参数如下:机组形式:酸洗—冷轧联合机组。
酸洗工艺:浅槽紊流酸洗+全连续无头轧制。
最大轧制速度:1350 m/min最大轧制力:30MN年轧制量:160万t钢卷规格:入口出口带钢厚度 1.5~6.5mm 0.3~3.0mm带钢宽度800~1630mm 800~1630mm钢卷内径φ762mm φ610mm钢卷外径最大∮1100~2150mm 最大∮1100~2000mm钢卷质量最大30t 最大30t单位质量最大23kg/mm 最大23kg/mm 投产年月:2000年10月供货商:德国SMS公司、德国SIEMENS公司、中国二重。
2.4鞍钢新轧钢股份有限公司三冷轧厂
2.4.1 生产规模及产品方案
2.4.1.1 生产规模
鞍钢新轧钢股份有限公司二冷轧厂(以下简称鞍钢新轧钢三冷轧厂)最终成品规模150万t/a,其中冷轧板卷70万t/a,热镀锌板卷80万t/a。
2.4.1.2 产品方案
产品方案如表2-18所示。
表2-18 鞍钢新轧钢三冷轧厂产品方案
注:HSS产品包括固溶型、析出型、烘烤硬化型、双相组织型及TRIP钢等,最高强度级别为340~980Mpa。
2.4.1.3 热轧原料
热轧钢卷规格:
带钢厚度 1.5~6.0
带钢宽度1000~1980
钢卷内径φ762mm
钢卷外径∮1100~2150mm
钢卷质量最大40t
单位质量最大23kg/mm,平均18kg/mm
年需要量:212.5万t
供给方式:由上游1780mm热轧厂、1700热轧厂供给
2.4.2 机组组成
酸轧联合机组1条
连续退火炉1条
重卷纵切机组1条(未设计)
重卷检查机组1条(未设计)
横切机组1条(未设计)
半自动化包装机组2条(未设计)
2.4.3 机组设备
2.4.
3.1 酸洗—冷轧联合机组
(1)机组主要工艺参数如下:
机组形式:酸洗—冷轧联合机组。
酸洗工艺:连续浅槽紊流酸洗。
酸洗工艺速度:270m/min
酸洗介质:HCl200g/L
最大轧制速度:1500 m/min
最大轧制力:32MN
年轧制量:212.5万t
钢卷规格:入口出口
带钢厚度 1.5~6.0mm 0.3~2.0mm
带钢宽度1000~1980mm 1000~1950mm(不切边1980mm)钢卷内径φ762mm φ610mm
钢卷外径∮1100~2150mm ∮1100~2150mm
钢卷质量最大40t 最大40t
投产年月:2006年6月
供货商:德国SIEMENS公司、中国一重、武汉钢铁设计研究总院。
(2)组主要单体设备性能如表2-19所示。
表2-19 鞍钢新轧钢三冷轧厂酸轧联合机组主要单体设备性能
2.4.
3.2 连续式退火炉
(1)机组主要工艺参数如下:。
钢卷规格:入口出口
带钢厚度0.3~2.0mm 0.3~2.0mm(CQ)
0.3~2.0mm 0.3~2.0mm(DQ/DDQ)
带钢宽度1000~1980mm 1000~1980mm
钢卷内径φ610/φ508mm φ610/φ508mm
钢卷外径∮1100~2150mm ∮1100~2150mm
钢卷质量最大40t 最大40t
机组速度:
入口段最大700m/min
工艺段最大450m/min
出口段最大820m/min(平整机入口)
年处理量:1007909t(机组入口)
投产年月:2006年5月
供货商:SNS-Demag
(2)主要单体设备性能如表2-20所示
表2-20鞍钢新轧钢三冷轧厂连续式退火炉机组主要单体设备性能。