送检试块统计表
- 格式:doc
- 大小:211.50 KB
- 文档页数:8
序号施工部位强度等级数量成型时间送检时间备注1 一层砌体M5.0混合 1 2016.3.25 2016.4.22 √2 二层砌体M5.0混合 1 2016.3.17 2016.4.15 √3 三层砌体M5.0混合 1 2016.3.13 2016.4.12 √4 四层砌体M5.0混合 1 2016.3.13 2016.4.12 √5 五层砌体M5.0混合 1 2016.3.17 2016.4.15 √67砼试块见证取样送样台账楼号:A1#序号施工部位强度等级数量成型时间送检时间备注1 一层构造柱、过梁C20 1 2016.4.25 2016.5.22 √2 二层构造柱、过梁C20 1 2016.4.25 2016.5.22 √3 三层构造柱、过梁C20 1 2016.3.31 2016.4.28 √4 四层构造柱、过梁C20 1 2016.4.14 2016.5.11 √5 五层构造柱、过梁C20 1 2016.4.14 2016.5.11 √67序号施工部位强度等级数量成型时间送检时间备注1 一层砌体M5.0混合 1 2016.5.24 2016.6.21 √2 二层砌体M5.0混合 1 2016.4.26 2016.5.23 √3 三层砌体M5.0混合 1 2016.5.3 2016.5.31 √4 四层砌体M5.0混合 1 2016.4.29 2016.5.26 √5 五层砌体M5.0混合 1 2016.4.22 2016.5.19 √67砼试块见证取样送样台账楼号:A3#序号施工部位强度等级数量成型时间送检时间备注1 一层构造柱、过梁C20 1 2016.6.10 2016.7.7 √2 二层构造柱、过梁C20 1 2016.6.3 2016.7.1 √3 三层构造柱、过梁C20 1 2016.5.24 2016.6.21 √4 四层构造柱、过梁C20 1 2016.5.6 2016.6.3 √5 五层构造柱、过梁C20 1 2016.4.30 2016.5.27 √67序号施工部位强度等级数量成型时间送检时间备注1 地下室砌体M5.0混合 1 2016.4.26 2016.5.23 √2 一层砌体M5.0混合 1 2016.4.17 2016.5.14 √3 二层砌体M5.0混合 1 2016.4.20 2016.5.18 √4 三层砌体M5.0混合 1 2016.4.25 2016.5.22 √5 四层砌体M5.0混合 1 2016.4.29 2016.5.26 √6 五层砌体M5.0混合 1 2016.6.3 2016.7.1 √7 六层砌体M5.0混合 1 2016.6.6 2016.7.3 √砼试块见证取样送样台账楼号:C1#序号施工部位强度等级数量成型时间送检时间备注1 地下室构造柱、过梁C20 1 2016.5.32016.5.30√2 一层构造柱、过梁C20 1 2016.4.22 2016.5.19 √3 二层构造柱、过梁C20 1 2016.4.29 2016.5.26 √4 三层构造柱、过梁C20 1 2016.5.3 2016.5.30 √5 四层构造柱、过梁C20 1 2016.5.19 2016.6.16 √6 五层构造柱、过梁C20 1 2016.6.9 2016.7.6 √7 六层构造柱、过梁C20 1 2016.6.13 2016.7.10 √砂浆试块见证取样送样台账楼号:C2#序号施工部位强度等级数量成型时间送检时间备注2 一层砌体M5.0混合 1 2016.3.13 2016.4.12 √3 二层砌体M5.0混合 1 2016.3.13 2016.4.12 √4 三层砌体M5.0混合 1 2016.3.17 2016.4.15 √567砼试块见证取样送样台账楼号:C2#序号施工部位强度等级数量成型时间送检时间备注2 一层构造柱、过梁C20 1 2016.3.21 2016.4.18 √3 二层构造柱、过梁C20 1 2016.3.25 2016.4.25 √4 三层构造柱、过梁C20 1 2016.3.25 2016.4.25 √567砂浆试块见证取样送样台账楼号:1#序号施工部位强度等级数量成型时间送检时间备注1 地下一层砌体M5.0混合 1 2015.6.2 2015.7.1 √2 一层砌体M5.0混合 1 2015.6.2 2015.7.1 √3 二层砌体M5.0混合 1 2015.6.15 2015.7.13 √4 三层砌体M5.0混合 1 2015.6.15 2015.7.13 √5 四层砌体M5.0混合 1 2015.6.15 2015.7.13 √6 五层砌体M5.0混合 1 2015.6.15 2015.7.13 √7 六层砌体M5.0混合 1 2015.6.15 2015.7.13 √8 七层砌体M5.0混合 1 2015.6.21 2015.7.23 √9 八层砌体M5.0混合 1 2015.6.21 2015.7.23 √10 九层砌体M5.0混合 1 2015.7.5 2015.8.3 √11 十层砌体M5.0混合 1 2015.7.5 2015.8.3 √12 十一层砌体M5.0混合 1 2015.7.14 2015.8.11 √13 十二层砌体M5.0混合 1 2015.7.14 2015.8.11 √14 十三层砌体M5.0混合 1 2015.7.22 2015.8.19 √15 十四层砌体M5.0混合 1 2015.7.22 2015.8.19 √16 十五层砌体M5.0混合 1 2015.7.24 2015.8.24 √17 十六层砌体M5.0混合 1 2015.8.24 2015.9.22 √18 十七层砌体M5.0混合 1 2015.8.24 2015.9.22 √19 十八层砌体M5.0混合 1 2015.8.24 2015.9.22 √20 机房层砌体M5.0混合 1 2015.8.28 2015.9.29 √楼号:2#序号施工部位强度等级数量成型时间送检时间备注1 地下一层砌体M5.0混合 1 2015.5.30 2015.7.1 合格2 一层砌体M5.0混合 1 2015.5.30 2015.7.1 √3 二层砌体M5.0混合 1 2015.6.5 2015.7.3 √4 三层砌体M5.0混合 1 2015.6.5 2015.7.3 √5 四层砌体M5.0混合 1 2015.6.5 2015.7.3 √6 五层砌体M5.0混合 1 2015.6.14 2015.7.13 √7 六层砌体M5.0混合 1 2015.6.14 2015.7.13 √8 七层砌体M5.0混合 1 2015.6.21 2015.7.21 √9 八层砌体M5.0混合 1 2015.6.21 2015.7.21 √10 九层砌体M5.0混合 1 2015.7.10 2015.8.10 √11 十层砌体M5.0混合 1 2015.7.10 2015.8.10 √12 十一层砌体M5.0混合 1 2015.7.17 2015.8.14 √13 十二层砌体M5.0混合 1 2015.7.17 2015.8.14 √14 十三层砌体M5.0混合 1 2015.7.22 2015.8.19 √15 十四层砌体M5.0混合 1 2015.7.22 2015.8.19 √16 十五层砌体M5.0混合 1 2015.7.24 2015.8.24 √17 十六层砌体M5.0混合 1 2015.8.24 2015.9.22 √18 十七层砌体M5.0混合 1 2015.8.24 2015.9.22 √19 十八层砌体M5.0混合 1 2015.8.24 2015.9.22 √20 机房层砌体M5.0混合 1 2015.8.31 2015.9.29 √2122楼号:5#序号施工部位强度等级数量成型时间送检时间备注1 地下一层砌体M5.0混合12015.5.302015.7.1√2 地下二层砌体M5.0混合 1 2015.5.30 2015.7.1 √3 一层砌体M5.0混合 1 2015.5.30 2015.7.1 √4 二层砌体M5.0混合 1 2015.6.5 2015.7.3 √5 三层砌体M5.0混合 1 2015.6.5 2015.7.3 √6 四层砌体M5.0混合 1 2015.6.5 2015.7.3 √7 五层砌体M5.0混合 1 2015.6.14 2015.7.13 √8 六层砌体M5.0混合 1 2015.6.14 2015.7.13 √9 七层砌体M5.0混合 1 2015.6.21 2015.7.21 √10 八层砌体M5.0混合 1 2015.6.21 2015.7.21 √11 九层砌体M5.0混合 1 2015.7.10 2015.8.10 √12 十层砌体M5.0混合 1 2015.7.10 2015.8.10 √13 十一层砌体M5.0混合 1 2015.7.17 2015.8.14 √14 十二层砌体M5.0混合 1 2015.7.17 2015.8.14 √15 十三层砌体M5.0混合 1 2015.7.22 2015.8.19 √16 十四层砌体M5.0混合 1 2015.7.22 2015.8.19 √17 十五层砌体M5.0混合 1 2015.7.24 2015.8.24 √18 十六层砌体M5.0混合 1 2015.8.24 2015.9.22 √19 十七层砌体M5.0混合 1 2015.8.24 2015.9.22 √20 十八层砌体M5.0混合 1 2015.8.24 2015.9.22 √21 机房层砌体M5.0混合 1 2015.8.31 2015.9.29 √22序号施工部位强度等级数量成型时间送检时间备注1 地下二层砌体M5.0混合12015.5.252015.6.22√2 地下一层砌体M5.0混合 1 2015.5.25 2015.6.22 √3 一层砌体M5.0混合 1 2015.6.5 2015.7.2 √4 二层砌体M5.0混合 1 2015.6.5 2015.7.2 √5 三层砌体M5.0混合 1 2015.6.5 2015.7.2 √6 四层砌体M5.0混合 1 2015.6.15 2015.7.13 √7 五层砌体M5.0混合 1 2015.6.15 2015.7.13 √8 六层砌体M5.0混合 1 2015.6.15 2015.7.13 √9 七层砌体M5.0混合 1 2015.6.29 2015.7.27 √10 八层砌体M5.0混合 1 2015.6.29 2015.7.27 √11 九层砌体M5.0混合 1 2015.7.10 2015.8.10 √12 十层砌体M5.0混合 1 2015.7.10 2015.8.10 √13 十一层砌体M5.0混合 1 2015.7.17 2015.8.14 √14 十二层砌体M5.0混合 1 2015.7.17 2015.8.14 √15 十三层砌体M5.0混合 1 2015.7.22 2015.8.19 √16 十四层砌体M5.0混合 1 2015.7.22 2015.8.19 √17 十五层砌体M5.0混合 1 2015.7.28 2015.8.25 √18 十六层砌体M5.0混合 1 2015.7.28 2015.8.25 √19 十七层砌体M5.0混合 1 2015.8.24 2015.9.22 √20 十八层砌体M5.0混合 1 2015.8.24 2015.9.22 √21 机房层砌体M5.0混合 1 2015.8.24 2015.9.22 √22序号施工部位强度等级数量成型时间送检时间备注1 地下一层砌体M5.0混合 1 2016.1.25 2016.3.1 √2 一层砌体M5.0混合 1 2015.11.7 2015.12.8 √3 二层砌体M5.0混合 1 2015.11.7 2015.12.8 √4 三层砌体M5.0混合 1 2015.11.7 2015.12.8 √5 四层砌体M5.0混合 1 2015.11.18 2015.12.15 √6 五层砌体M5.0混合 1 2015.11.18 2015.12.15 √7 六层砌体M5.0混合 1 2015.11.18 2015.12.15 √8 七层砌体M5.0混合 1 2015.11.23 2015.12.21 √9 八层砌体M5.0混合 1 2015.11.23 2015.12.21 √10 九层砌体M5.0混合 1 2015.11.23 2015.12.21 √11 十层砌体M5.0混合 1 2015.11.23 2015.12.21 √12 十一层砌体M5.0混合 1 2015.12.10 2016.1.8 √13 十二层砌体M5.0混合 1 2015.12.10 2016.1.8 √14 十三层砌体M5.0混合 1 2016.1.25 2016.3.1 √15 十四层砌体M5.0混合 1 2016.1.26 2016.3.2 √16 十五层砌体M5.0混合 1 2016.1.26 2016.3.2 √17 十六层砌体M5.0混合 1 2016.1.26 2016.3.2 √18 十七层砌体M5.0混合 1 2016.1.26 2016.3.2 √19 十八层砌体M5.0混合 1 2016.1.26 2016.3.2 √20 机房层砌体M5.0混合 1 2016.1.26 2016.3.2 √序号施工部位强度等级数量成型时间送检时间备注1 地下二层砌体M5.0混合12015.7.172015.8.11√2 地下一层砌体M5.0混合 1 2015.7.17 2015.8.11 √3 一层砌体M5.0混合 1 2015.11.6 2015.12.8 √4 二层砌体M5.0混合 1 2015.11.6 2015.12.8 √5 三层砌体M5.0混合 1 2015.11.6 2015.12.8 √6 四层砌体M5.0混合 1 2015.11.18 2015.12.15 √7 五层砌体M5.0混合 1 2015.11.18 2015.12.15 √8 六层砌体M5.0混合 1 2015.11.18 2015.12.15 √9 七层砌体M5.0混合 1 2015.11.23 2015.12.21 √10 八层砌体M5.0混合 1 2015.11.23 2015.12.21 √11 九层砌体M5.0混合 1 2015.11.23 2015.12.21 √12 十层砌体M5.0混合 1 2015.11.23 2015.12.21 √13 十一层砌体M5.0混合 1 2015.12.10 2016.1.8 √14 十二层砌体M5.0混合 1 2015.12.10 2016.1.8 √15 十三层砌体M5.0混合 1 2016.1.5 2016.3.1 √16 十四层砌体M5.0混合 1 2016.1.5 2016.3.1 √17 十五层砌体M5.0混合 1 2016.1.5 2016.3.1 √18 十六层砌体M5.0混合 1 2016.1.5 2016.3.1 √19 十七层砌体M5.0混合 1 2016.1.5 2016.3.1 √20 十八层砌体M5.0混合 1 2016.1.5 2016.3.1 √21 十九层砌体M5.0混合 1 2016.1.26 2016.3.2 √22 二十层砌体M5.0混合 1 2016.1.26 2016.3.2 √23 二十一层砌体M5.0混合 1 2016.1.26 2016.3.2 √25 机房层砌体M5.0混合 1 2016.1.26 2016.3.2 √砂浆试块见证取样送样台账楼号:9#序号施工部位强度等级数量成型时间送检时间备注1 地下一层砌体M5.0混合 1 2016.1.25 2016.3.1 √2 一层砌体M5.0混合 1 2015.11.6 2015.12.8 √3 二层砌体M5.0混合 1 2015.11.6 2015.12.8 √4 三层砌体M5.0混合 1 2015.11.6 2015.12.8 √5 四层砌体M5.0混合 1 2015.11.18 2015.12.15 √6 五层砌体M5.0混合 1 2015.11.18 2015.12.15 √7 六层砌体M5.0混合 1 2015.11.18 2015.12.15 √8 七层砌体M5.0混合 1 2015.11.23 2015.12.21 √9 八层砌体M5.0混合 1 2015.11.23 2015.12.21 √10 九层砌体M5.0混合 1 2015.11.23 2015.12.21 √11 十层砌体M5.0混合 1 2015.11.23 2015.12.21 √12 十一层砌体M5.0混合 1 2015.12.10 2016.1.8 √13 十二层砌体M5.0混合 1 2015.12.10 2016.1.8 √14 十三层砌体M5.0混合 1 2016.1.25 2016.3.1 √15 十四层砌体M5.0混合 1 2016.1.25 2016.3.1 √16 十五层砌体M5.0混合 1 2016.1.25 2016.3.1 √17 十六层砌体M5.0混合 1 2016.1.26 2016.3.2 √18 十七层砌体M5.0混合 1 2016.1.26 2016.3.2 √19 十八层砌体M5.0混合 1 2016.1.26 2016.3.2 √20 机房层砌体M5.0混合 1 2016.1.26 2016.3.2 √序号施工部位强度等级数量成型时间送检时间备注1 地下一层砌体M5.0混合 1 2016.1.25 2016.3.1 √2 一层砌体M5.0混合 1 2015.11.10 2015.12.14 √3 二层砌体M5.0混合 1 2015.11.10 2015.12.14 √4 三层砌体M5.0混合 1 2015.11.10 2015.12.14 √5 四层砌体M5.0混合 1 2016.1.25 2016.3.1 √6 五层砌体M5.0混合 1 2016.1.25 2016.3.1 √7 六层砌体M5.0混合 1 2016.1.25 2016.3.1 √8 七层砌体M5.0混合 1 2015.12.10 2016.1.8 √9 八层砌体M5.0混合 1 2015.12.10 2016.1.8 √10 九层砌体M5.0混合 1 2015.12.10 2016.1.8 √11 十层砌体M5.0混合 1 2015.12.10 2016.1.8 √12 十一层砌体M5.0混合 1 2016.1.26 2016.3.2 √13 十二层砌体M5.0混合 1 2016.1.26 2016.3.2 √14 十三层砌体M5.0混合 1 2016.1.26 2016.3.2 √15 十四层砌体M5.0混合 1 2016.1.25 2016.3.1 √16 十五层砌体M5.0混合 1 2016.1.26 2016.3.2 √17 十六层砌体M5.0混合 1 2016.1.26 2016.3.2 √18 十七层砌体M5.0混合 1 2016.2.3 2016.3.3 √19 十八层砌体M5.0混合 1 2016.2.3 2016.3.3 √20 机房层砌体M5.0混合 1 2016.2.3 2016.3.3 √序号施工部位强度等级数量成型时间送检时间备注1 地下二层砌体M5.0混合12015.7.172015.8.11√2 地下一层砌体M5.0混合 1 2015.7.17 2015.8.11 √3 一层砌体M5.0混合 1 2015.11.6 2015.12.8 √4 二层砌体M5.0混合 1 2015.11.6 2015.12.8 √5 三层砌体M5.0混合 1 2015.11.6 2015.12.8 √6 四层砌体M5.0混合 1 2015.11.18 2015.12.15 √7 五层砌体M5.0混合 1 2015.11.18 2015.12.15 √8 六层砌体M5.0混合 1 2015.11.18 2015.12.15 √9 七层砌体M5.0混合 1 2015.11.23 2015.12.21 √10 八层砌体M5.0混合 1 2015.11.23 2015.12.21 √11 九层砌体M5.0混合 1 2015.11.23 2015.12.21 √12 十层砌体M5.0混合 1 2015.11.23 2015.12.21 √13 十一层砌体M5.0混合 1 2015.12.10 2016.1.8 √14 十二层砌体M5.0混合 1 2015.12.10 2016.1.8 √15 十三层砌体M5.0混合 1 2016.1.5 2016.3.1 √16 十四层砌体M5.0混合 1 2016.1.5 2016.3.1 √17 十五层砌体M5.0混合 1 2016.1.5 2016.3.1 √18 十六层砌体M5.0混合 1 2016.1.5 2016.3.1 √19 十七层砌体M5.0混合 1 2016.1.5 2016.3.1 √20 十八层砌体M5.0混合 1 2016.1.5 2016.3.1 √21 十九层砌体M5.0混合 1 2016.1.26 2016.3.2 √22 二十层砌体M5.0混合 1 2016.1.26 2016.3.2 √23 二十一层砌体M5.0混合 1 2016.1.26 2016.3.2 √25 机房层砌体M5.0混合 1 2016.1.26 2016.3.2 √。
2.本表由施工单位填写,建设单位、监理单位、试验单位、施工单位各保存一份.
2。
本表由施工单位填写,建设单位、监理单位、试验单位、施工单位各保存一份.
混凝土试块强度统计、评定记录表
2.本表由施工单位填写,建设单位、监理单位、试验单位、施工单位各保存一份。
混凝土试块强度统计、评定记录表
2。
本表由施工单位填写,建设单位、监理单位、试验单位、施工单位各保存一份。
混凝土试块强度统计、评定记录表
2。
本表由施工单位填写,建设单位、监理单位、试验单位、施工单位各保存一份.
混凝土试块强度统计、评定记录表
2。
本表由施工单位填写,建设单位、监理单位、试验单位、施工单位各保存一份。
混凝土试块强度统计、评定记录表
工程名称:XXXX编号:XXXXX 电土施表4-17
2.本表由施工单位填写,建设单位、监理单位、试验单位、施工单位各保存一份。
混凝土试块强度统计、评定记录表
2.本表由施工单位填写,建立单位、监理单位、试验单位、施工单位各保存一份。
混凝土试块强度统计、评定记录表
2.本表由施工单位填写,建立单位、监理单位、试验单位、施工单位各保存一份。
混凝土试块强度统计、评定记录表
2.本表由施工单位填写,建立单位、监理单位、试验单位、施工单位各保存一份。
混凝土试块强度统计、评定记录表工程名称:****************************编号:********************** 电土施表4-17
2.本表由施工单位填写,建立单位、监理单位、试验单位、施工单位各保存一份。
混凝土试块强度统计、评定记录表
2.本表由施工单位填写,建立单位、监理单位、试验单位、施工单位各保存一份。
混凝土试块强度统计、评定记录表
2.本表由施工单位填写,建立单位、监理单位、试验单位、施工单位各保存一份。
混凝土试块强度统计、评定记录表
2.本表由施工单位填写,建立单位、监理单位、试验单位、施工单位各保存一份。
工程名称施工单位浙江开园建设有限公司
浙江省小城镇环境综合整治-贤母东路东延伸工程
监理单位建设单位
缙云县方正工程建设监理有限公司缙云县欣达城市建设开发有限公司
工程名称施工单位浙江开园建设有限公司
浙江省小城镇环境综合整治-贤母东路东延伸工程
监理单位建设单位
缙云县方正工程建设监理有限公司缙云县欣达城市建设开发有限公司
工程名称施工单位浙江开园建设有限公司
浙江省小城镇环境综合整治-贤母东路东延伸工程
监理单位建设单位
缙云县方正工程建设监理有限公司缙云县欣达城市建设开发有限公司。
义乌小商品城一期A标工程
混凝土试块台账工程名称:荆州市义乌小商品城一期A标工程(标养)统05-1-1
义乌小商品城一期A标工程
混凝土试块台账
工程名称:荆州市义乌小商品城一期A标工程(标准养护)统05-1-2
混凝土试块台账工程名称:荆州市义乌小商品城一期A标工程(标准养护)统05-1-3
混凝土试块台账
工程名称:荆州市义乌小商品城一期A标工程1#楼(标准养护)统05-1-3
混凝土试块台账工程名称:荆州市义乌小商品城一期A标工程(标准养护)统05-1-3
混凝土试块台账工程名称:荆州市义乌小商品城一期A标工程(标准养护)统05-1-3
混凝土试块台账工程名称:荆州市义乌小商品城一期A标工程(标准养护)统05-1-3
混凝土试块台账工程名称:荆州市义乌小商品城一期A标工程(同条件养护)统05-1
义乌小商品城一期A标工程
混凝土试块台账工程名称:荆州市义乌小商品城一期A标工程1#地下室(标准养护)统05-1-4
义乌小商品城一期A标工程
混凝土试块台账
工程名称:荆州市义乌小商品城一期A标工程(同条件养护)统05-2-1
工程名称:荆州市义乌小商品城一期A标工程(同条件养护)统05-2-1
贵冶荆州分公司小商品城一期A标项目部年月日
工程名称:荆州市义乌小商品城一期A标工程(同条件养护)统05-1。
蜀山产业园四期公租房工程送检台账(混凝土试块送检台账)施工单位:深圳中海建筑有限公司试验单位:安徽省建筑工程质量第二监督监测站文档大全混凝土试块送检台账工程名称:蜀山产业园四期公租房项目I-a标段序号强度等级代表批量/m3养护方式成型日期送检日期试验编号使用部位取样组数见证人试验结果备注1 C15 5 标养2014.5.9 2014.5.10 BHN140510192 8#楼塔吊基础垫层 1 汪汇宇合格2 C15 5 同养2014.5.9 2014.6.3 BHN140608016 8#楼塔吊基础垫层 13 C15 70 标养2014.5.17 2014.5.20 BHN140520283 8#楼基础垫层 14 C15 70 同养2014.5.17 2014.6.11 BHN140611303 8#楼基础垫层 15 C15 5 标养2014.5.20 2014.5.22 BHN140520285 2#楼塔吊基础垫层 16 C15 5 同养2014.5.20 2014.6.12 BHN140614066 2#楼塔吊基础垫层 17 C15 5 标养2014.5.20 2014.5.22 BHN140521107 3#楼塔吊基础垫层 18 C15 5 同养2014.5.20 2014.6.12 BHN140614067 3#楼塔吊基础垫层 19 C15 85 标养2014.5.22 2014.5.22 BHN1403023 1#楼基础垫层 110 C15 85 同养2014.5.22 2014.6.17 BHN140616164 1#楼基础垫层 111 C15 50 标养2014.5.23 2014.5.27 BHN1403149 3#楼基础垫层 112 C15 50 同养2014.5.23 2014.6.19 BHN140617161 3#楼基础垫层 113 C35 280 标养2014.5.26 2014.5.27 BHN1403147/8 1#楼集水井、电梯井 214 C35 280 同养2014.5.26 2014.6.19 BHN140620114/5 1#楼集水井、电梯井 215 C15 75 标养2014.5.30 2014.6.3 BHN140601120 2#楼基础垫层 116 C15 75 同养2014.5.30 2014.6.19 BHN140624150 2#楼基础垫层 117 C35 80 标养2014.5.30 2014.6.3 BHN140601122 2#楼塔吊基础 118 C35 80 20天同养2014.5.30 2014.6.19 BHN140619116 2#楼塔吊基础 1文档大全混凝土试块送检台账工程名称:蜀山产业园四期公租房项目I-a标段序号强度等级代表批量/m3养护方式成型日期送检日期试验编号使用部位取样组数见证人试验结果备注19 C35 80 同养600º2014.5.30 2014.6.24 BHN140624205 2#楼塔吊基础 1 汪汇宇合格20 C35 80 标养2014.5.30 2014.6.3 BHN140601121 8#楼塔吊基础 121 C35 80 20天同养2014.5.30 2014.6.19 BHN140619117 8#楼塔吊基础 122 C35 80 同养600º2014.5.30 2014.6.24 BHN140624206 8#楼塔吊基础 123 C35 300 标养2014.6.6 2014.6.9 BHN140609220/1/2 2#楼集水井、电梯井 324 C35 300 同养600º2014.6.6 2014.7.1 BHN140701128 2#楼集水井、电梯井 125 C15 75 标养2014.6.7 2014.6.9 BHN140609223 9#楼基础垫层 126 C15 75 同养600º2014.6.7 2014.7.1 BHN140702151 9#楼基础垫层 127 C35 100 标养2014.6.10 2014.6.13 BHN140613032 8#楼集水井、电梯井 128 C35 100 同养600º2014.6.10 2014.7.5 BHN140705191 8#楼集水井、电梯井 129 C35 100 标养2014.6.10 2014.6.13 BHN140613034 1#楼集水井、电机井 130 C35 100 同养600º2014.6.10 2014.7.5 BHN140705190 1#楼集水井、电机井 131 C35 170 标养2014.6.10 2014.6.13 BHN140613033 9#楼集水井、电梯井 232 C35 170 同养600º2014.6.10 2014.7.5 BHN140705192 9#楼集水井、电梯井 133 C20 30 标养2014.6.12 2014.6.16 BHN140616167 3#楼基础细石混凝土防水层 134 C20 30 同养600º2014.6.12 2014.7.7 BHN140707100 3#楼基础细石混凝土防水层 135 C20 55 标养2014.6.12 2014.6.16 BHN140616166 2#楼基础细石混凝土防水层 136 C20 55 同养600º2014.6.12 2014.7.7 BHN140707099 2#楼基础细石混凝土防水层 1文档大全混凝土试块送检台账工程名称:蜀山产业园四期公租房项目I-a标段序号强度等级代表批量/m3养护方式成型日期送检日期试验编号使用部位取样组数见证人试验结果备注37 C15 200 标养2014.6.14 2014.6.16 BHN140616169/701#人防地下室1~6/T~P轴基础垫层 238 C15 200 同养600º2014.6.14 2014.7.9 BHN140709202 1#人防地下室1~6/T~P轴基础垫层 139 C35 80 标养2014.6.15 2014.6.16 BHN140616168 8#楼西侧电梯井 140 C35 80 同养600º2014.6.15 2014.7.10 BHN140710206 8#楼西侧电梯井 141 C20 45 标养2014.6.17 2014.6.19 BHN140619125 9#楼基础细石混凝土防水保护层 142 C20 45 同养600º2014.6.17 2014.7.15 BHN140712201 9#楼基础细石混凝土防水保护层 143 C35 75 标养2014.6.22 2014.6.25 BHN140625080 1#楼塔吊基础 144 C35 75 8天同养2014.6.22 2014.6.30 BHN140630092 1#楼塔吊基础 145 C35 75 15天同养2014.6.22 2014.7.7 BHN140707019 1#楼塔吊基础 146 C35 75 同养600º2014.6.22 2014.7.17 BHN140716261 1#楼塔吊基础 147 C15 65 标养2014.6.22 2014.6.24 BHN140625081 4#楼基础垫层 148 C15 65 同养600º2014.6.22 2014.7.17 BHN140716263 4#楼基础垫层 149 C15 5 标养2014.6.22 2014.6.25 BHN140625082 1#楼塔吊基础垫层 150 C15 5 同养600º2014.6.22 2014.7.17 OK 1#楼塔吊基础垫层 151 C40P6 75 标养2014.6.25 2014.6.27 BHN1404032 1#人防地下室集水坑 (1~6交P~T轴) 152 C40P6 75 同养600º2014.6.25 2014.7.22 BHN140719149 1#人防地下室集水坑 (1~6交P~T轴) 153 C35 80 标养2014.6.28 2014.7.1 BHN140701104 3#楼塔吊基础 154 C35 80 12天同养2014.6.28 2014.7.10 BHN140710061 3#楼塔吊基础 1文档大全混凝土试块送检台账工程名称:蜀山产业园四期公租房项目I-a标段序号强度等级代表批量/m3养护方式成型日期送检日期试验编号使用部位取样组数见证人试验结果备注55 C35 80 同养600º2014.6.28 2014.7.22 BHN140722349 3#楼塔吊基础 156 C35P6 800 标养2014.6.30 2014.7.3 BHN140701096~1032#楼基础筏板857 C35P6 800 同养600º2014.6.30 2014.7.25 BHN140725283 2#楼基础筏板 158 C35P6 800 抗渗标养2014.6.30 2014.7.1 BKS140701004/5/6/72#楼基础筏板 459 C15 170 标养2014.7.3 2014.7.8 BHN1404302/31#人防地下室7~10/T~P轴基础垫层 260 C15 170 同养600º2014.7.3 2014.7.28 BHN140728156 1#人防地下室7~10/T~P轴基础垫层 161 C35 80 标养2014.7.7 2014.7.8 BHN1404304 4#楼塔吊基础 162 C35 80 10天同养2014.7.7 2014.7.17 OK 4#楼塔吊基础 163 C35 80 同养600º2014.7.7 2014.7.24 BHN140731327 4#楼塔吊基础 164 C35 80 标养014.7.9 2014.7.11 BHN140711034 9#楼塔吊基础 165 C35 80 12天同养014.7.9 2014.7.21 BHN140721025 9#楼塔吊基础 166 C35 80 同养600º014.7.9 2014.8.2 BHN140802221 9#楼塔吊基础 167 C20 190 标养2014.7.10 2014.7.15 BHN140803293 1#人防地下室P~T/1~10轴基础垫层防水保护层268 C20 190 同养600º2014.7.10 2014.8.3 BHN140803207 1#人防地下室P~T/1~10轴基础垫层防水保护层169 C15 170 标养2014.7.11 2014.7.15 BHN140715234/51#人防地下室L~P/5~10轴基础垫层 270 C15 170 同养600º2014.7.11 2014.8.4 BHN140804145 1#人防地下室L~P/5~10轴基础垫层 171 C35 70 标养2014.7.11 2014.7.15 BHN140715233 4#楼东侧电梯井换填 172 C35P6 560 标养2014.7.13 2014.7.15 BHN140715236~419#楼基础筏板 6文档大全混凝土试块送检台账工程名称:蜀山产业园四期公租房项目I-a标段序号强度等级代表批量/m3养护方式成型日期送检日期试验编号使用部位取样组数见证人试验结果备注73 C35P6 560 抗渗标养2014.7.13 2014.7.14 BKS140714004/5/6779#楼基础筏板 374 C35P6 560 同养600º2014.7.13 2014.8.6 BHN1408061379#楼基础筏板 175 C50P6 16 标养2014.7.13 2014.7.14 BHN140714154 9#楼基础筏板外墙止水 176 C50P6 16 抗渗标养2014.7.13 2014.7.14 BKS140714007 9#楼基础筏板外墙止水 177 C50P6 16 同养600º2014.7.13 2014.8.6 BHN140806136 9#楼基础筏板外墙止水 178 C35 80 标养2014.7.15 2014.7.20 BHN140720009 1#人防地下室P~T/5~10轴集水坑 179 C30 26 标养2014.7.15 2014.7.20 BHN140720008 1#人防地下室P~T/1~10轴后浇带砼板 180 C30 26 同养600º2014.7.15 2014.8.8 BHN140808051 1#人防地下室P~T/1~10轴后浇带砼板 181 C20 70 标养2014.7.18 2014.7.21 BHN140721069 1#人防地下室L~P/5~10轴基础垫层防水保护层182 C20 70 同养600º2014.7.18 2014.8.19 BHN140811139 1#人防地下室L~P/5~10轴基础垫层防水保护层183 C30P6 60 标养2014.7.18 2014.7.21 BHN140721068 1#人防地下室L~P/5~10轴后浇带砼板 184 C30P6 60 同养600º2014.7.18 2014.8.19 BKS1407210031#人防地下室L~P/5~10轴后浇带砼板 185 C30P6 60 抗渗标养2014.7.18 2014.7.21 BHN1408111401#人防地下室L~P/5~10轴后浇带砼板 186 C20细石35 标养2014.7.23 2014.7.27 BHN1407271528#楼基础垫层防水保护层 187 C20细石35 同养600º2014.7.23 2014.8.16 BHN1408161358#楼基础垫层防水保护层 188 C45P6 300 标养2014.7.26 2014.7.27 BHN140727147/8/92#楼负一层剪力墙柱 3 90 C45P6 300 同养600º2014.7.26 2014.8.26 BHN1408191642#楼负一层剪力墙柱 1文档大全混凝土试块送检台账工程名称:蜀山产业园四期公租房项目I-a标段序号强度等级代表批量/m3养护方式成型日期送检日期试验编号使用部位取样组数见证人试验结果备注91 C45P6 300 抗渗2014.7.26 2014.7.29 BKS140728008 2#楼负一层剪力墙柱 192 C30 150 标养2014.7.26 2014.7.29 BHN140727150/12#楼负一层顶梁板 293 C30 150 同养600º2014.7.26 2014.8.26 BHN1408191652#楼负一层顶梁板 194 C30 150 拆模7天2014.7.26 2014.7.31 BHN1408020932#楼负一层顶梁板 195 C30 150 拆模16天2014.7.26 2014.8.11 BHN1408110262#楼负一层顶梁板 196 C20 55 标养2014.7.29 2014.7.31 BHN1408011131#基础垫层防水保护层 197 C20 55 同养600º2014.7.29 2014.8.26 BHN1408221071#基础垫层防水保护层 198 C40P6 400 标养2014.7.31 2014.8.5 BHN140802159/60/1/21#人防地下室Q~T交1~5轴基础筏板 499 C40P6 400 同养600º2014.7.31 2014.8.26 BHN1408240451#人防地下室Q~T交1~5轴基础筏板 1100 C40P6 400 抗渗标养2014.7.31 2014.8.5 BKS1408040051#人防地下室Q~T交1~5轴基础筏板 1101 C40P6 400 标养2014.8.1 2014.8.5 BHN140803153/5/6/32681#人防地下室Q~T交5~10轴基础筏板 4102 C40P6 400 同养600º2014.8.1 2014.8.26 BHN1408250751#人防地下室Q~T交5~10轴基础筏板 1103 C40P6 400 抗渗标养2014.8.1 2014.8.5 BKS1408040041#人防地下室Q~T交5~10轴基础筏板 1104 C35P6 40 标养2014.8.1 2014.8.5 BHN1408031521#人防地下室Q~T交1~10轴基础筏板外墙1105 C35P6 40 同养600º2014.8.1 2014.8.26 BHN1408250761#人防地下室Q~T交1~10轴基础筏板外墙1106 C35P6 40 抗渗标养2014.8.1 2014.8.5 BKS1408040061#人防地下室Q~T交1~10轴基础筏板外墙1107 C35P6 600 标养2014.8.2 2014.8.5 BHN140804096/7/8/9/100/18#楼基础筏板 6108 C35P6 600 同养600º2014.8.2 2014.8.28 BHN1408260998#楼基础筏板 1文档大全混凝土试块送检台账工程名称:蜀山产业园四期公租房项目I-a标段序号强度等级代表批量/m3养护方式成型日期送检日期试验编号使用部位取样组数见证人试验结果备注109 C35P6 600 抗渗标养2014.8.2 2014.8.5 BKS140805002/38#楼基础筏板 2110 C50P6 260 标养2014.8.4 2014.8.5 BHN140814030/2/39#楼负二层剪力墙柱 3111 C50P6 260 同养600º2014.8.4 2014.8.28 BHN1408280779#楼负二层剪力墙柱 1112 C50P6 260 抗渗标养2014.8.4 2014.8.5 BKS1408050059#楼负二层剪力墙柱 1113 C30 75 标养2014.8.4 2014.8.5 BHN1408060309#楼负二层顶梁板 1114 C30 75 同养600º2014.8.4 2014.8.28 BHN1408280769#楼负二层顶梁板 1115 C30 75 拆模10天2014.8.4 2014.8.14 BHN1408140309#楼负二层顶梁板 1116 C40P6 260 标养2014.8.4 20148.5 BHN140806027/8/91#人防地下室L~Q交6~10轴基础筏板 2117 C40P6 260 同养600º2014.8.4 2014.8.28 BHN1408280751#人防地下室L~Q交6~10轴基础筏板 1118 C40P6 260 抗渗标养2014.8.4 2014.8.5 BKS1408050011#人防地下室L~Q交6~10轴基础筏板 1119 C35P6 10 标养2014.8.4 2014.8.12 1#人防地下室L~Q交6~10轴基础筏板外墙1120 C35P6 10 同养600º2014.8.4 2014.8.28 BHN1408280741#人防地下室L~Q交6~10轴基础筏板外墙1121 C35P6 10 抗渗标养2014.8.4 2014.8.26 1#人防地下室L~Q交6~10轴基础筏板外墙1122 C35P6 760 标养2014.8.8 2014.8.26 BHN140811154~611#楼基础筏板8 123 C35P6 760 同养600º2014.8.8 2014.9.1 BHN14073301#楼基础筏板 1 124 C35P6 760 抗渗标养2014.8.8 2014.8.26 BKS140810018/71#楼基础筏板 2 125 C20 28 标养2014.8.8 2014.8.11 BHN1408111624#楼基础垫防水保护层 1 126 C20 28 同养600º2014.8.8 2014.9.1 BHN14073294#楼基础垫防水保护层 1文档大全混凝土试块送检台账工程名称:蜀山产业园四期公租房项目I-a标段序号强度等级代表批量/m3养护方式成型日期送检日期试验编号使用部位取样组数见证人试验结果备注127 C35P6 580 标养2014.8.12 2014.8.14 BHN140812101~63#楼基础筏板 6128 C35P6 580 同养600º2014.8.12 2014.9.4 BHN1409050603#楼基础筏板 1129 C35P6 580 抗渗标养2014.8.12 2014.8.14 BKS1400134/53#楼基础筏板 2130 C40P6 280 标养2014.8.12 2014.8.14 BHN140812098/9/1001#人防地下室L~Q/1~6轴基础筏板 3131 C40P6 280 同养600º2014.8.12 2014.9.4 BHN1409050611#人防地下室L~Q/1~6轴基础筏板 1132 C40P6 280 抗渗标养2014.8.12 2014.8.14 BKS14001331#人防地下室L~Q/1~6轴基础筏板 1133 C35P6 20 标养2014.8.12 2014.8.14 BHN1408140391#人防地下室L~Q/1~6轴基础筏外墙 1134 C35P6 20 同养600º2014.8.12 2014.9.4 BHN1409050621#人防地下室L~Q/1~6轴基础筏外墙 1135 C35P6 20 抗渗标养2014.8.12 2014.8.14 BKS14001321#人防地下室L~Q/1~6轴基础筏外墙 1136 C40P6 28 标养2014.8.19 2014.8.21 BHN14067661#人防地下室Q~T/1~5轴独立柱 1137 C40P6 28 同养600º2014.8.19 2014.9.11 BHN1409120581#人防地下室Q~T/1~5轴独立柱 1138 C40P6 28 抗渗标养2014.8.19 2014.8.21 BKS1408230041#人防地下室Q~T/1~5轴独立柱 1139 C45 97 标养2014.8.19 2014.8.21 BHN14067612#楼一层墙柱(东单元) 1140 C45 97 同养600º2014.8.19 2014.9.11 BHN1409120592#楼一层墙柱(东单元) 1141 C30 23 标养2014.8.19 2014.8.21 BHN14067622#楼一层顶梁板(东单元) 1142 C30 23 同养600º2014.8.19 2014.9.11 BHN140920602#楼一层顶梁板(东单元) 1143 C30 23 拆模16天2014.8.19 2014.9.4 OK 2#楼一层顶梁板(东单元) 1 文档大全144 C15 240 标养2014.8.20 2014.8.21 BHN1406763/4/51#人防地下室G~L/1~6及D~G/1~7轴基础垫层1混凝土试块送检台账工程名称:蜀山产业园四期公租房项目I-a标段序号强度等级代表批量养护方式成型日期送检日期试验编号使用部位取样组数见证人试验结果备注C15 240 同养600º2014.8.20 2014.9.15 BHN1409130771#人防地下室G~L/1~6及D~G/1~7轴基础垫层1C50P6 230 标养2014.8.20 2014.8.26 BHN140826094/5/68#楼负二层墙柱 3C50P6 230 同养600º2014.8.20 2014.9.15 BHN1409130768#楼负二层墙柱 1C50P6 230 抗渗标养2014.8.20 2014.8.26 BKS1408260038#楼负二层墙柱 1C30 80 标养2014.8.20 2014.8.26 BHN1408260978#楼负二层顶梁板 1C30 80 同养600º2014.8.20 2014.9.15 BHN1409130758#楼负二层顶梁板 1C30 80 拆模12天2014.8.20 2014.9.1 BHN1409010218#楼负二层顶梁板 1C15 100 标养2014.8.22 2014.8.26 BHN1408280681#人防地下室A~D/1~6轴基础垫层 1C15 100 同养600º2014.8.22 2014.9.15 BHN1409150341#人防地下室A~D/1~6轴基础垫层 1C15 180 标养2014.8.22 2014.8.26 BHN140828069/701#人防地下室G~L/6~12轴基础垫层 2C15 180 同养600º2014.8.22 2014.9.15 1#人防地下室G~L/6~12轴基础垫层 1C45 85 标养2014.8.24 2014.8.26 BHN1408280662#楼一层墙柱(西单元) 1C45 85 同养600º2014.8.24 2014.9.23 BHN1409231422#楼一层墙柱(西单元) 1C30 35 标养2014.8.24 2014.8.26 BHN1408280672#楼一层顶梁板(西单元) 1C30 35 同养600º2014.8.24 2014.9.23 BHN1409231452#楼一层顶梁板(西单元) 1C30 35 拆模2014.8.24 2014.9.9 BHN1409090632#楼一层顶梁板(西单元) 1文档大全C15 100 标养2014.8.24 2014.8.26 BHN1408280711#人防地下室D~G/7~12轴基础垫层 1C15 100 同养600º2014.8.24 2014.9.23 BHN1409231441#人防地下室D~G/7~12轴基础垫层 1混凝土试块送检台账工程名称:蜀山产业园四期公租房项目I-a标段序号强度等级代表批量/m3养护方式成型日期送检日期试验编号使用部位取样组数见证人试验结果备注C45P6 160 标养2014.8.25 2014.8.26 BHN140825063/41#楼负二层墙柱(西单元) 2C45P6 160 同养600º2014.8.25 2014.9.23 BHN14085981#楼负二层墙柱(西单元) 1C45P6 160 抗渗标养2014.8.25 2014.8.26 BKS1408260021#楼负二层墙柱(西单元) 1C30 40 标养2014.8.25 2014.8.26 BHN1408280651#楼负二顶梁板(西单元) 1C30 40 同养600º2014.8.25 2014.9.23 BHN14085991#楼负二顶梁板(西单元) 1C30 40 拆模2014.8.25 2014.9.9 BHN1409090641#楼负二顶梁板(西单元) 1C40P6 28 标养2014.8.24 2014.8.27 BHN1408260881#人防地下室Q~T/5~10轴独立柱 1C40P6 28 同养600º2014.8.24 2014.9.23 BHN1409231431#人防地下室Q~T/5~10轴独立柱 1C40P6 28 抗渗标养2014.8.24 2014.8.27 BKS1408260071#人防地下室Q~T/5~10轴独立柱 11C20 100 标养2014.8.26 2014.8.29 BHN1408280971#人防地下室G~L/1~5轴基础垫层防水保护层1C20 100 同养600º2014.8.26 2014.9.23 BHN1409250431#人防地下室G~L/1~5轴基础垫层防水保护层1C20 80 标养2014.8.27 2014.8.29 BHN1408280981#人防地下室A~D/1~5轴基础垫层防水保护层C20 80 同养600º5014.8.27 2014.9.23 .BHN14086601#人防地下室A~D/1~5轴基础垫层防1水保护层C45P6 160 标养2014.8.31 2014.9.1 1#楼负二层墙柱(东单元) 2C45P6 160 同养600º2014.8.31 2014.9.25 BHN1409300741#楼负二层墙柱(东单元) 1文档大全C45P6 160 抗渗标养2014.8.31 2014.9.1 BKS1409010031#楼负二层墙柱(东单元) 1C30 42 标养2014.8.31 2014.9.1 BHN1409300751#楼负二顶梁板(东单元) 1C30 42 同养600º2014.8.31 2014.9.25 BHN14074711#楼负二顶梁板(东单元) 1混凝土试块送检台账工程名称:蜀山产业园四期公租房项目I-a标段序号强度等级代表批量/m3养护方式成型日期送检日期试验编号使用部位取样组数见证人试验结果备注C30 42 拆模2014.8.31 2014.9.11 BHN1409150041#楼负二顶梁板(东单元) 1C40P6 40 标养2014.9.1 2014.9.4 BHN140930561#人防地下室Q~T/1~5轴柱 1C40P6 40 同养600º2014.9.1 2014.9.25 BHN1410010281#人防地下室Q~T/1~5轴柱 1C40P6 40 抗渗标养2014.9.1 2014.9.4 BKS14001681#人防地下室Q~T/1~5轴柱 1C35P6 420 标养2014.9.1 2014.9.4 BHN140903051-541#人防地下室Q~T/1~5轴墙及顶梁板 4C35P6 420 同养600º2014.9.1 2014.9.25 BHN1410010291#人防地下室Q~T/1~5轴墙及顶梁板 1C35P6 420 抗渗标养2014.9.1 2014.9.4 BKS14001691#人防地下室Q~T/1~5轴墙及顶梁板 1C35P6 420 拆模2014.9.1 2014.9.23 BHN1409231351#人防地下室Q~T/1~5轴墙及顶梁板 1C50P6 220 标养2014.8.29 2014.9.1 BHN1407464/59#楼负一层墙柱 2C50P6 220 同养600º2014.8.29 2014.9.25 BHN14087699#楼负一层墙柱 1C50P6 220 抗渗标养2014.8.29 2014.9.1 BKS1409010029#楼负一层墙柱 1C30 80 标养2014.8.29 2014.9.1 BHN14074639#楼负一层顶梁板 1C30 80 同养600º2014.8.29 2014.9.25 BHN14087709#楼负一层顶梁板 1C30 80 拆模2014.8.29 2014.9.11 BHN1409150039#楼负一层顶梁板 1 文档大全C15 450 标养2014.8.30 2014.9.1 BHN1407467~701#人防地下室A~D/6~10轴基础垫层 1C15 450 同养600º2014.8.30 2014.9.25 BHN14088131#人防地下室A~D/6~10轴基础垫层 11C20 85 标养2014.8.30 2014.9.1 BHN14074661#人防地下室D~H/1~7轴基础垫层防水保护层1C20 85 同养600º2014.8.30 2014.9.25 BHN14088141#人防地下室D~H/1~7轴基础垫层防水保护层混凝土试块送检台账工程名称:蜀山产业园四期公租房项目I-a标段序号强度等级代表批量/m3养护方式成型日期送检日期试验编号使用部位取样组数见证人试验结果备注C20 95 标养2014.9.1 2014.9.4 BHN1409030551#人防地下室D~M/5~11基础垫层防1水保护1C20 95 同养600º2014.9.1 2014.9.25 BHN1410010271#人防地下室D~M/5~11基础垫层防水保护C40P6 40 标养2014.9.4 2014.9.9 BHN1409080991#人防地下室Q~T/5~10轴柱 1C40P6 40 同养600º2014.9.4 2014.9.30 BHN1410040601#人防地下室Q~T/5~10轴柱 1C40P6 40 抗渗标养2014.9.4 2014.9.9 BKS1409080101#人防地下室Q~T/5~10轴柱 5C35P6 500 标养2014.9.4 2014.9.9 BHN140908085-891#人防地下室Q~T/5~10轴墙及顶梁板 1C35P6 500 同养600º2014.9.4 2014.9.30 BHN1410040611#人防地下室Q~T/5~10轴墙及顶梁板 1C35P6 500 抗渗标养2014.9.4 2014.9.9 BKS1409080091#人防地下室Q~T/5~10轴墙及顶梁板 1C35P6 500 拆模2014.9.4 2014.9.25 BHN1409251201#人防地下室Q~T/5~10轴墙及顶梁板 1C20 90 标养2014.9.4 2014.9.9 BHN1409080981#人防地下室A~E/5~10轴基础垫层1防水保护层C20 90 同养600º2014.9.4 2014.9.30 BHN1410040621#人防地下室A~E/5~10轴基础垫层1防水保护层C50P6 220 标养2014.9.5 2014.9.9 BHN140908083/48#楼负一层墙柱 2C50P6 220 同养600º2014.9.5 2014.9.30 BHN1410050778#楼负一层墙柱 1文档大全C50P6 220 抗渗标养2014.9.5 2014.9.9 BKS1409080058#楼负一层墙柱 1C30 80 标养2014.9.5 2014.9.9 BHN1409080828#楼负一层顶梁板 1C30 80 同养600º2014.9.5 2014.9.30 BHN1410050788#楼负一层顶梁板 1C30 80 拆模2014.9.5 2014.9.23 BHN1409231328#楼负一层顶梁板 1C40P6 480 标养2014.9.6 2014.9.9 BHN140908090-941#人防地下室G~L/1~5轴基础筏板 5混凝土试块送检台账工程名称:蜀山产业园四期公租房项目I-a标段序号强度等级代表批量/m3养护方式成型日期送检日期试验编号使用部位取样组数见证人试验结果备注C40P6 480 同养600º2014.9.6 2014.9.30 BHN1410060671#人防地下室G~L/1~5轴基础筏板 1C40P6 480 抗渗标养2014.9.6 2014.9.9 BKS1409080081#人防地下室G~L/1~5轴基础筏板 1C40P6 300 标养2014.9.7 2014.9.9 BHN140908095-971#人防地下室D~G/1~6轴基础筏板 3C40P6 300 同养600º2014.9.7 2014.9.30 BHN1410070891#人防地下室D~G/1~6轴基础筏板 1C40P6 300 抗渗标养2014.9.7 2014.9.9 BKS1409080071#人防地下室D~G/1~6轴基础筏板 1C35P6 500 标养2014.9.7 2014.9.9 BHN140908077/8/80/14#楼基础筏板 5C35P6 500 同养600º2014.9.7 2014.9.30 BHN1410070904#楼基础筏板 1C35P6 500 抗渗标养2014.9.7 2014.9.9 BKS1409080064#楼基础筏板 1C45P6 150 标养2014.9.9 2014.9.11 BHN1408207/81#楼负一层墙柱(西单元) 2C45P6 150 同养600º2014.9.9 2014.9.30 BHN1410091991#楼负一层墙柱(西单元) 1C45P6 150 抗渗标养2014.9.9 2014.9.11 BKS1409100051#楼负一层墙柱(西单元) 1C30 40 标养2014.9.9 2014.9.11 BHN14082091#楼负一层顶梁板(西单元) 1 文档大全C30 40 同养600º2014.9.9 2014.9.30 BHN1410092001#楼负一层顶梁板(西单元) 1C30 40 拆模2014.9.9 2014.9.23 BHN1409231331#楼负一层顶梁板(西单元) 1C45 80 标养2014.9.9 2014.9.15 BHN1409110702#楼二层墙柱(东单元) 1C45 80 同养600º2014.9.9 2014.9.30 BHN1410092012#楼二层墙柱(东单元) 1C30 40 标养2014.9.9 2014.9.15 BHN1409110712#楼二层顶梁板(东单元) 1C30 40 同养600º2014.9.9 2014.9.30 BHN1410092022#楼二层顶梁板(东单元) 1混凝土试块送检台账工程名称:蜀山产业园四期公租房项目I-a标段序号强度等级代表批量/m3养护方式成型日期送检日期试验编号使用部位取样组数见证人试验结果备注C30 40 拆模2014.9.9 2014.9.23 BHN1409231342#楼二层顶梁板(东单元) 1C40P6 410 标养2014.9.12 2014.9.15 BHN140914078~811#人防地下室A~D/1~6轴基础筏板 4C40P6 410 同养600º2014.9.12 2014.10.6 BHN1410120931#人防地下室A~D/1~6轴基础筏板 1C40P6 410 抗渗标养2014.9.12 2014.9.15 BKS1409130031#人防地下室A~D/1~6轴基础筏板 1C45 60 标养2014.9.17 2014.9.23 BHN1409200872#楼二层墙柱(西单元) 1C45 60 同养600º2014.9.17 2014.10.8 2#楼二层墙柱(西单元) 1C30 30 标养2014.9.17 2014.9.23 BHN1409200862#楼二层顶梁板(西单元) 1C30 30 同养600º2014.9.17 2014.10.8 2#楼二层顶梁板(西单元) 1C30 30 拆模2014.9.17 2014.9.25 BHN1409290052#楼二层顶梁板(西单元) 1C50 120 标养2014.9.17 2014.9.23 BHN1409200859#楼一层墙柱 1C50 120 同养600º2014.9.17 2014.10.8 9#楼一层墙柱 1 文档大全C30 50 标养2014.9.17 2014.9.23 BHN1409200849#楼一层顶梁板 1C30 50 同养600º2014.9.17 2014.10.8 9#楼一层顶梁板 1C30 50 拆模2014.9.17 2014.9.25 BHN1409290069#楼一层顶梁板 1C40P6 80 标养2014.9.18 2014.9.23 1#人防地下室L~Q/1~10轴柱 1C40P6 80 同养600º2014.9.18 2014.10.8 1#人防地下室L~Q/1~10轴柱 1C40P6 80 抗渗标养2014.9.18 2014.9.23 1#人防地下室L~Q/1~10轴柱 1C35P6 700 标养2014.9.18 2014.9.23 1#人防地下室L~Q/1~10轴墙及顶梁板7混凝土试块送检台账工程名称:蜀山产业园四期公租房项目I-a标段序号强度等级代表批量/m3养护方式成型日期送检日期试验编号使用部位取样组数见证人试验结果备注C35P6 700 同养600º2014.9.18 2014.10.8 1#人防地下室L~Q/1~10轴墙及顶梁板 1C35P6 700 抗渗标养2014.9.18 2014.9.23 1#人防地下室L~Q/1~10轴墙及顶梁板 2C35P6 700 拆模2014.9.18 2014.10.8 BHN1410080641#人防地下室L~Q/1~10轴墙及顶梁板 1C45P6 200 标养2014.9.18 2014.9.23 3#楼负一层墙柱及梁 2C45P6 200 同养600º2014.9.18 2014.10.9 3#楼负一层墙柱及梁 1C45P6 200 抗渗标养2014.9.18 2014.9.23 3#楼负一层墙柱及梁 1C30P6 100 标养2014.9.18 2014.9.23 3#楼负一层顶板 1C30P6 100 同养600º2014.9.18 2014.10.9 3#楼负一层顶板 1C30P6 100 抗渗标养2014.9.18 2014.9.23 3#楼负一层顶板 1C30P6 100 拆模2014.9.18 2014.9.30 BHN1409302113#楼负一层顶板 1 文档大全C45P6 160 标养2014.9.19 2014.9.23 1#楼负一层墙柱(东单元) 2C45P6 160 同养600º2014.9.19 2014.10.9 1#楼负一层墙柱(东单元) 1C45P6 160 抗渗标养2014.9.19 2014.9.23 1#楼负一层墙柱(东单元) 1C30 45 标养2014.9.19 2014.9.23 1#楼负一层顶梁板(东单元) 1C30 45 同养600º2014.9.19 2014.10.9 1#楼负一层顶梁板(东单元) 1C30 45 拆模2014.9.19 2014.9.30 BHN1410030551#楼负一层顶梁板(东单元) 1C50 120 标养2014.9.21 2014.9.23 8#楼一层墙柱 1混凝土试块送检台账工程名称:蜀山产业园四期公租房项目I-a标段序号强度等级代表批量/m3养护方式成型日期送检日期试验编号使用部位取样组数见证人试验结果备注C50 120 同养600º2014.9.21 2014.10.14 8#楼一层墙柱 1C30 50 标养2014.9.21 2014.9.23 8#楼一层顶梁板 1C30 50 同养600º2014.9.21 2014.10.14 8#楼一层顶梁板 1C30 50 拆模2014.9.21 2014.9.30 BHN1410060678#楼一层顶梁板 1C40P6 470 标养2014.9.21 2014.9.23 1#人防地下室A~D/6~10轴基础筏板 5C40P6 470 同养600º2014.9.21 2014.10.14 1#人防地下室A~D/6~10轴基础筏板 1C40P6 470 抗渗标养2014.9.21 2014.9.23 1#人防地下室A~D/6~10轴基础筏板 1C45 30 标养2014.9.25 204.9.28 2#楼三层墙柱(东单元) 1C45 30 同养600º2014.9.25 2014.10.20 2#楼三层墙柱(东单元) 1C30 28 标养2014.9.25 2014.9.28 2#楼三层顶梁板(东单元) 1 文档大全C30 28 同养600º2014.9.25 2014.10.20 2#楼三层顶梁板(东单元) 1C30 28 拆模2014.9.25 2014.10.9 BHN1410090222#楼三层顶梁板(东单元) 1C45 150 标养2014.9.25 2014.9.28 1#楼一层墙柱(西单元) 2C45 150 同养600º2014.9.25 2014.10.20 1#楼一层墙柱(西单元) 1C30 40 标养2014.9.25 2004.9.28 1#楼一层顶梁(西单元) 1C30 40 同养600º2014.9.25 2014.10.20 1#楼一层顶梁(西单元) 1C30 40 拆模2014.9.25 2014.10.9 BHN1410090231#楼一层顶梁(西单元) 1C40P6 370 标养2014.9.26 2014.9.30 1#人防地下室D~G/6~12轴基础筏板 3混凝土试块送检台账工程名称:蜀山产业园四期公租房项目I-a标段序号强度等级代表批量/m3养护方式成型日期送检日期试验编号使用部位取样组数见证人试验结果备注C40P6 370 同养600º2014.9.26 2014.10.20 1#人防地下室D~G/6~12轴基础筏板 1C40P6 370 抗渗标养2014.9.26 2014.9.30 1#人防地下室D~G/6~12轴基础筏板 1C40P6 570 标养2014.9.30 2014.10.6 1#人防地下室G~L/5~12轴基础筏板 6C40P6 570 同养600º2014.9.30 2014.10.20 1#人防地下室G~L/5~12轴基础筏板 1C40P6 570 抗渗标养2014.9.30 2014.10.6 1#人防地下室G~L/5~12轴基础筏板 1C45P6 60 标养2014.10.2 2014.10.3 3#楼夹层外墙 1C45P6 60 同养600º2014.10.2 3#楼夹层外墙 1C45P6 60 抗渗标养2014.10.2 2014.10.6 3#楼夹层外墙 1C45 60 标养2014.10.2 2014.10.6 3#楼夹层内墙柱 1 文档大全C45 60 同养600º2014.10.2 3#楼夹层内墙柱 1C35 100 标养2014.10.2 2014.10.6 3#楼夹层顶梁板 1C35 100 同养600º2014.10.2 3#楼夹层顶梁板 1C35 100 拆模2014.10.2 2014.10.14 3#楼夹层顶梁板 1C45 33 标养2014.10.2 2014.10.6 2#楼三层墙柱(西单元) 1C45 33 同养600º2014.10.2 2#楼三层墙柱(西单元) 1C30 28 标养2014.10.2 2014.10.6 2#楼三层顶梁板(西单元) 1C30 28 同养600º2014.10.2 2#楼三层顶梁板(西单元) 1C30 28 拆模2014.10.2 2014.10.14 2#楼三层顶梁板(西单元) 1混凝土试块送检台账工程名称:蜀山产业园四期公租房项目I-a标段序号强度等级代表批量/m3养护方式成型日期送检日期试验编号使用部位取样组数见证人试验结果备注C50 140 标养2014.10.3 2014.10.6 8#楼二层墙柱 1C50 140 同养600º2014.10.3 8#楼二层墙柱 1C30 50 标养2014.10.3 2014.10.6 8#楼二层顶梁板 1C30 50 同养600º2014.10.3 8#楼二层顶梁板 1C30 50 拆模2014.10.3 2014.10.14 8#楼二层顶梁板 1C45P6 270 标养2014.10.4 2014.10.6 4#楼负一层墙柱 3C45P6 270 同养600º2014.10.4 4#楼负一层墙柱 1C45P6 270 抗渗标养2014.10.4 2014.10.6 4#楼负一层墙柱 1 文档大全C30 70 标养2014.10.4 2014.10.6 4#楼负一层顶梁板 1C30 70 同养600º2014.10.4 4#楼负一层顶梁板 1C30 70 拆模2014.10.4 2014.10.14 4#楼负一层顶梁板 1C35P6 320 标养2014.10.4 2014.10.6 1#人防地下室D~G/1~6轴墙及顶梁板 3C35P6 320 同养600º2014.10.4 1#人防地下室D~G/1~6轴墙及顶梁板 1C35P6 320 抗渗标养2014.10.4 2014.10.6 1#人防地下室D~G/1~6轴墙及顶梁板 1C35P6 320 拆模2014.10.4 2014.10.14 1#人防地下室D~G/1~6轴墙及顶梁板 1C45 90 标养2014.10.6 2014.10.7 1#楼一层墙柱(东单元) 1C45 90 同养600º2014.10.6 1#楼一层墙柱(东单元) 1C30 50 标养2014.10.6 2014.10.7 1#楼一层顶梁板(东单元) 1混凝土试块送检台账工程名称:蜀山产业园四期公租房项目I-a标段序号强度等级代表批量/m3养护方式成型日期送检日期试验编号使用部位取样组数见证人试验结果备注C30 50 同养600º2014.10.6 1#楼一层顶梁板(东单元) 1C30 50 拆模2014.10.6 2014.10.14 1#楼一层顶梁板(东单元) 1C45 33 标养2014.10.7 2014.10.8 2#楼四层墙柱(东单元) 1C45 33 同养600º2014.10.7 2#楼四层墙柱(东单元) 1C30 30 标养2014.10.7 2014.10.8 2#楼四层顶梁板(东单元) 1C30 30 同养600º2014.10.7 2#楼四层顶梁板(东单元) 1C30 30 拆模2014.10.7 2014.10.14 2#楼四层顶梁板(东单元) 1C50 120 标养2014.10.10 2014.10.14 9#楼二层墙柱 1 文档大全C50 120 同养600º2014.10.10 9#楼二层墙柱 1C30 50 标养2014.10.10 2014.10.14 9#楼二层顶梁板 1C30 50 同养600º2014.10.10 9#楼二层顶梁板 1C30 50 拆模2014.10.10 2014.10.23 9#楼二层顶梁板 1C45 33 标养2014.10.11 2014.10.16 2#楼四层墙柱(西单元) 1C45 33 同养600º2014.10.11 2#楼四层墙柱(西单元) 1C30 28 标养2014.10.11 2014.10.16 2#楼四层顶梁板(西单元) 1C30 28 同养600º2014.10.11 2#楼四层顶梁板(西单元) 1C30 28 拆模2014.10.11 2014.10.24 2#楼四层顶梁板(西单元) 1C45 100 标养2014.10.14 2014.10.16 3#楼一层墙柱 1混凝土试块送检台账工程名称:蜀山产业园四期公租房项目I-a标段序号强度等级代表批量/m3养护方式成型日期送检日期试验编号使用部位取样组数见证人试验结果备注C45 100 同养600º2014.10.14 3#楼一层墙柱 1C30 30 标养2014.10.14 2014.10.16 3#楼一层顶梁板 1C30 30 同养600º2014.10.14 3#楼一层顶梁板 1C30 30 拆模2014.10.14 2014.10.28 3#楼一层顶梁板 1C45 90 标养2014.10.15 2014.10.16 1#楼二层墙柱(西单元) 1C45 90 同养600º2014.10.15 1#楼二层墙柱(西单元) 1C30 50 标养2014.10.15 2014.10.16 1#楼二层顶梁板(西单元) 1C30 50 同养600º2014.10.15 1#楼二层顶梁板(西单元) 1 文档大全C30 50 拆模2014.10.15 2014.10.29 1#楼二层顶梁板(西单元) 1C45 35 标养2014.10.15 2014.10.16 2#楼五层墙柱(东单元) 1C45 35 同养600º2014.10.15 2#楼五层墙柱(东单元) 1C30 33 标养2014.10.15 2014.10.16 2#楼五层顶梁板(东单元) 1C30 33 同养600º2014.10.15 2#楼五层顶梁板(东单元) 1C30 33 拆模2014.10.15 2014.10.29 2#楼五层顶梁板(东单元) 1C40P6 70 标养2014.10.16 2014.10.20 1#人防地下室G~L/1~5轴柱 1C40P6 70 同养600º2014.10.16 1#人防地下室G~L/1~5轴柱 1C40P6 70 抗渗标养2014.10.16 2014.10.20 1#人防地下室G~L/1~5轴柱 1C35P6 600 标养2014.10.16 2014.10.20 1#人防地下室G~L/1~5轴墙及顶梁板 6混凝土试块送检台账工程名称:蜀山产业园四期公租房项目I-a标段序号强度等级代表批量/m3养护方式成型日期送检日期试验编号使用部位取样组数见证人试验结果备注C35P6 600 同养600º2014.10.16 1#人防地下室G~L/1~5轴墙及顶梁板 1C35P6 600 抗渗标养2014.10.16 2014.10.20 1#人防地下室G~L/1~5轴墙及顶梁板 1C35P6 600 拆模2014.10.16 1#人防地下室G~L/1~5轴墙及顶梁板 1C45P6 60 标养2014.10.17 2014.10.20 4#楼夹层外墙 1C45P6 60 同养600º2014.10.17 4#楼夹层外墙 1C45P6 60 抗渗标养2014.10.17 2014.10.20 4#楼夹层外墙 1C45 70 标养2014.10.17 2014.10.20 4#楼夹层内墙柱 1C45 70 同养600º2014.10.17 4#楼夹层内墙柱 1 文档大全C30 70 标养2014.10.17 2014.10.20 4#楼夹层顶梁板 1C30 70 同养600º2014.10.17 4#楼夹层顶梁板 1C30 70 拆模2014.10.17 4#楼夹层顶梁板 1C40早强80 标养2014.10.17 2014.10.20 9#楼塔吊基础 1C40早强80 同养600º2014.10.17 9#楼塔吊基础 1C40早强80 14天同养2014.10.17 9#楼塔吊基础 1C45 33 标养2014.10.19 2014.10.20 2#楼五层墙柱(西单元) 1C45 33 同养600º2014.10.19 2#楼五层墙柱(西单元) 1C30 28 标养2014.10.19 2014.10.20 2#楼五层顶梁板(西单元) 1C30 28 同养600º2014.10.19 2#楼五层顶梁板(西单元) 1混凝土试块送检台账工程名称:蜀山产业园四期公租房项目I-a标段序号强度等级代表批量/m3养护方式成型日期送检日期试验编号使用部位取样组数见证人试验结果备注C30 28 拆模2014.10.19 2#楼五层顶梁板(西单元) 1C50 120 标养2014.10.19 2014.10.20 8#楼三层墙柱C50 120 同养600º2014.10.19 8#楼三层墙柱C30 50 标养2014.10.19 2014.10.20 8#楼三层顶梁板C30 50 同养600º2014.10.19 8#楼三层顶梁板C30 50 拆模2014.10.19 8#楼三层顶梁板文档大全文档大全混凝土试块送检台账工程名称:蜀山产业园四期公租房项目I-a标段序号强度等级代表批量/m3养护方式成型日期送检日期试验编号使用部位取样组数见证人试验结果备注文档大全。
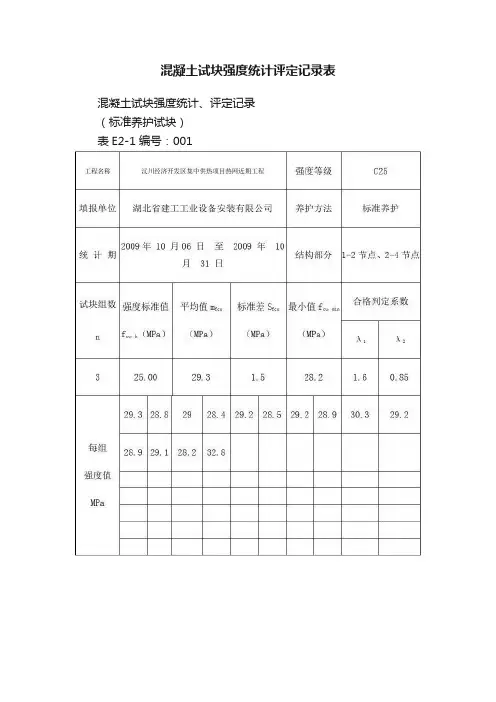
混凝土试块强度统计评定记录表
混凝土试块强度统计、评定记录
(标准养护试块)
表E2-1 编号:001
本表由施工单位填写,建设单位、施工单位、城建档案馆各保存一份。
混凝土试块强度统计、评定记录
(标准养护试块)
表E2-1 编号:002
混凝土试块强度统计、评定记录
(标准养护试块)表E2-1 编号:003
本表由施工单位填写,建设单位、施工单位、城建档案馆各保存一份。
混凝土试块强度统计、评定记录
(标准养护试块)
表E2-1 编号:004
本表由施工单位填写,建设单位、施工单位、城建档案馆各保存一份。
主体(结构)砼试块送检记录表(填写示例)
工程名称:××××工程
施工单位(名称、盖公章):整理人(资料员)(签名):整理时间:审核人(项目经理)(签名、盖注册章):复查人(项目总监)(签名、盖注册章):××××
说明:1、部位①请填写:地上;
2、部位②请填写:柱墙/梁板/屋面等;
3、原则规定每一次浇筑砼同一强度必须留置1组同条件试块,且同一强度每工程不宜少于10组;
4、砼供应商、检验单位可以写简称。
5、有抗渗要求的请用绿色填充,有不合格的请用红色填充。
6、(序号年月日)以上为表头部分,每页自动打印,请勿修改,下部可连续增加行
7、A3纸打印
第 1 页,共 1 页。
混凝土及砂浆试块成型记录
工程名称:
施工单位:
序号试块
标号
部位及编号成型
时间
试验时间
试验报告
目录
备
注
一、混凝土
1 C25 110kV出线构架10.11
2 C25 110kV母线构架10.15
3 C25 110kV主变及引线构架10.18
4 C2
5 二次设备室柱基础10.21
5 C25 值班室屋面梁及板10.22
二、砂浆
1 M7.5 挡土墙用10.15
2 M7.5 挡土墙用10.26
混凝土及砂浆试块成型记录
工程名称:第2次施工(委托)单位:
序号试块
标号
部位及编号成型
时间
实验时间
试验报告
编号
备
注
一、混凝土
①C15 220kV出线构架基础2006.8.8 9.5 049
②C15 220kV母线构架基础2006.8.9 9.6 048
③C15 110kV母线构架基础2006.8.9 9.6 048
④C20 110kV进线构架基础孔桩体2006.8.13 9.10 051
⑤C15 110kV进线构架基础2006.8.14 9.11 050
⑥C20 110kV进线构架基础孔桩体2006.8.15 9.12 046
⑦C15 220kV出线构架基础2006.8.16 9.13 045
⑧C15 110kV进线构架基础2006.8.17 9.14 046
⑨C20 主控楼基础孔桩体2006.8.17 9.14 047 二、砂浆
①M10 北面挡墙砌石2006.8.8 9.5 066
②M5.0 北面围墙基础砌石2006.8.10 9.7 065
③M10 南面挡墙砌石2006.8.13 9.10 064
④M5.0 东面围墙砌砖2006.8.10 9.7 065
⑤M5.0 南面围墙基础砌石2006.8.16 9.13 043
⑥M5.0 西面围墙砌砖2006.8.19 9.16 044
混凝土及砂浆试块成型记录
工程名称:第3次施工(委托)单位:
序号试块
标号
部位及编号成型
时间
实验时间
试验报告
编号
备
注
一、混凝土
①C15 220kV进线构架基础2006.8.24 9.21 052
②C15 110kV进线构架基础2006.8.25 9.22 052
③C15 35kV配电室基础2006.8.26 9.23 053
④C15 2#、3#独立避雷针基础2006.8.27 9.24 054
⑤C15 传达室、消防间基础2006.8.27 9.24 055
⑥C20 消防小间屋面板2006.9.1 9.29 059
⑦C25 主控楼地圈梁2006.9.2 9.30 058
⑧C20 35kV配电室地圈梁2006.9.6 10.4 057
⑨C20 110kV出线构架基础孔桩体2006.9.7 10.5 056
二、砂浆
①M5.0 消防小间砌砖2006.9.1 9.29 063
②M5.0 传达室砌砖2006.9.2 9.30 062
③M5.0 北面围墙砌砖2006.9.3 10.1 061
④M5.0 南面围墙砌砖2006.9.7 10.5 060
三、水泥(乌蒙山P.C32.5)
2006.9.26 10.24 067
工程名称:第4次施工(委托)单位:
序号试块
标号
部位及编号成型
时间
实验时间
试验报告
编号
备
注
一、混凝土
①C15 (补)35kV配电室基础9.1 9.29 068
②C30 主控楼第一层框架柱9.20 10.18 069
③C15 110kV出线构架基础9.22 10.20 070
④C15 110kV出线构架基础9.23 10.21 071
⑤C15 110kV出线构架基础9.24 10.22 072
⑥C20 事故油池壁、板9.20 10.18 073
⑦C15 主变构架基础9.22 10.20 074
⑧C15 110kV引线构架基础9.23 10.21 075
⑨C15 35kV构架基础9.24 10.22 076 ⑩C20 110kV出线构架孔桩基础9.21 10.19 077
二、砂浆
①M5.0 35kV配电室砌砖9.27 10.25 078 三、水泥(乌蒙山牌P.C32.5)送检(代表200吨)
工程名称:第5次施工(委托)单位:
序号试块
标号
部位及编号成型
时间
实验时间
试验报告
编号
备
注
一、混凝土
①C25 35kV配电室过梁及雨篷10.12 11.9 080
②C20 传达室现浇屋面板10.12 11.9 081
③C20 220kV电流互感器设备支架基础10.12 11.9 082
④C20 220kV隔离开关设备支架基础10.18 11.15 083
⑤C20 220kV电压互感器设备支架基础10.20 11.17 084
⑥C20 220kV支柱绝缘子设备支架基础10.21 11.18 085
⑦C25 35kV配电室屋面梁及屋面圈梁10.22 11.19 086
二、砂浆
①M5.0 220kV设备支架超深基础砌石10.10 079 三、水泥(xxx牌P.C32.5)送检(代表200吨)
工程名称:xxxx工程第 6 次施工(委托)单位:xxxx公司
序号试块
标号
部位及编号成型
时间
实验时间
试验报告
编号
备
注
一、混凝土
①C15 主变场地设备支架基础11.1
②C25 35kV配电室屋面现浇板11.4
③C30 主控楼3.6米层梁、板11.7
④C20 110kV隔离开关设备支架基础11.8
⑤C20 110kV电流、电压互感器设备支架基础11.12
⑥C30 主控楼第二层框架柱11.14
⑦C20 110kV避雷器、支柱绝缘子设备支架基础11.17
二砂浆
①M7.5 东面护坡砌石(第一阶)11.15
三、水泥送检(xxxx牌P.C32.5)-----(代表200吨)
工程名称:xxxx工程第7 次施工(委托)单位:xxx公司
序号试块
标号
部位及编号成型
时间
实验时间
试验报告
编号
备
注
一、混凝土
①C30 主控楼6.27米层梁、板11.26
②C20 电容器基础12.3
③C30 主控楼第三层框架柱12.9
二砂浆
①M7.5 东面护坡砌石(第二阶)12.10
②M5.0 主控楼第一层砌砖12.12
三、
1. 水泥送检(xxxx牌P.C3
2.5)-----(代表200吨)
2. 水泥送检(xxxx牌P.O42.5)-----(代表200吨)
工程名称:xxxx工程第8 次施工(委托)单位:xxxx公司
序号试块
标号
部位及编号成型
时间
实验时间
试验报告
编号
备
注
一、混凝土
①C30 主控楼屋面梁、板12.30
②C30 主控楼屋面梁、板12.30
③C15 电容器场地设备支架基础2007.1.3
④C15 主变压器基础2007.1.14
⑤C20 220kV断路器基础2007.1.2
⑥C20 110kV断路器基础2007.1.13
二砂浆
①M5.0 220kV场地电缆沟砌砖2007.1.3
②M5.0 主控楼第二层砌砖2007.1.10。