路缘石检验批
- 格式:xls
- 大小:24.00 KB
- 文档页数:27
路缘石检验批质量验收记录路缘石是指道路的边沿石,主要起到界定和保护路面的作用。
为了确保路缘石的质量达到设计要求,需要进行检验批质量验收。
本文将详细介绍路缘石检验批质量验收的记录,包括验收内容、验收方法和验收结果等。
一、验收内容1.规格尺寸:路缘石的规格尺寸应符合设计要求。
测量路缘石的长度、宽度和高度,并与设计规定进行比对。
2.外观质量:检查路缘石表面是否平整,是否有明显的裂缝、起伏、鼓包等缺陷。
观察路缘石的颜色、质地和光泽,并与设计要求进行比较。
3.强度指标:用拉力试验机对路缘石进行强度测试,测定其抗压强度和抗冻融性能。
测试结果应符合设计要求。
4.安装效果:检查路缘石的安装情况,包括固定方式、间距、对齐程度等。
确保路缘石安装牢固、整齐,与道路表面保持一定的间隙。
二、验收方法1.规格尺寸测量:使用卷尺、水平仪等工具对路缘石的长度、宽度和高度进行测量。
将测得的数值与设计要求进行比对,记录测量结果。
2.外观质量检查:用肉眼观察路缘石的表面情况,并用手触摸验收点,确定表面是否平整。
如发现裂缝、缺损等质量问题,进行记录。
3.强度测试:将路缘石放入拉力试验机中,施加一定的拉力,测量其抗压强度和抗冻融性能。
根据测试结果判断路缘石的强度是否合格。
4.安装效果检查:对已安装的路缘石进行检查,观察其固定方式是否牢固,间距是否均匀,对齐程度是否一致。
发现问题要进行记录。
三、验收结果1.规格尺寸:测量结果与设计要求相符,符合规范要求。
2.外观质量:路缘石表面平整,无明显的裂缝、起伏、鼓包等缺陷,颜色、质地和光泽与设计要求一致。
3.强度指标:路缘石的抗压强度和抗冻融性能达到设计要求,符合使用要求。
4.安装效果:路缘石安装牢固、整齐,与道路表面保持一定的间隙,符合设计要求。
四、不合格处理若路缘石在验收过程中发现不符合设计要求的情况,应进行不合格处理。
具体处理方法包括:1.如果是尺寸不符合要求,可以重新选择符合要求的路缘石进行更换。
路缘石检验批质量检验记录1. 检验概述本文档旨在记录对路缘石进行检验批质量检验的过程和结果。
通过严格的检验过程,确保道路建设过程中路缘石的质量符合相关标准和要求,以确保道路的安全和可靠性。
2. 检验人员本次检验由以下人员组成:- 主检验员:- 辅助检验员:3. 检验日期检验日期:______ 年 __ 月 __ 日4. 检验项目本次路缘石检验批质量检验包括以下项目:- 路缘石的尺寸和几何形状检验- 路缘石的强度和硬度检验- 路缘石的表面平整度检验- 路缘石的外观质量检验- 路缘石的连接性检验5. 检验方法依据相关标准和技术规范,采用以下方法进行路缘石检验批质量检验:- 尺寸和几何形状检验:测量路缘石的长度、宽度和高度,并检查其几何形状是否符合要求。
- 强度和硬度检验:采用万能试验机对路缘石进行压力测试,评估其强度和硬度。
- 表面平整度检验:使用直尺或线桩测量工具检查路缘石的表面平整度是否符合要求。
- 外观质量检验:目视检查路缘石的表面是否有裂纹、变形、破损等缺陷。
- 连接性检验:检查路缘石的连接部位是否牢固,拨动路缘石以评估其连接性能。
6. 检验结果记录根据上述检验项目和方法,下面记录了路缘石检验批质量检验的结果:6.1 尺寸和几何形状检验结果:- 路缘石1:长度______ mm,宽度______ mm,高度______ mm,几何形状符合要求。
- 路缘石2:长度______ mm,宽度______ mm,高度______ mm,几何形状符合要求。
- ...6.2 强度和硬度检验结果:- 路缘石1:强度______ MPa,硬度______ HRC,强度和硬度符合要求。
- 路缘石2:强度______ MPa,硬度______ HRC,强度和硬度符合要求。
- ...6.3 表面平整度检验结果:- 路缘石1:表面平整度符合要求。
- 路缘石2:表面平整度符合要求。
- ...6.4 外观质量检验结果:- 路缘石1:外观无裂纹、变形和破损缺陷。
路缘石安砌检验批质量检验记录(优质文档,可直接使用,可编辑,欢迎下载)路缘石安砌_工程报验申请表工程名称:西涧路西涧安置小区附属工程编号:路缘石安砌检验批质量检验记录注:曲线段缘石安装的圆顺度允许偏差应结合工程具体制定。
质量检验的步骤1.根据产品技术标准明确检验项目和各个项目质量要求;2.规定适当的方法和手段,借助一般量具或使用机械、电子仪器设备等测定产品;3。
把测试得到的数据同标准和规定的质量要求相比较;4。
根据比较的结果,判断单个产品或批量产品是否合格;5.记录所得到的数据,并把判定结果反馈给有关部门,以便促使其改进质量。
质量检验的主要管理制度在质量管理中,加强质量检验的组织和管理工作是十分必要的。
我国在长期管理实践中已经积累了一套行之有效的质量检验的管理原则和制度,主要有:1.三检制三检制就是实行操作者的自检、工人之间的互检和专职检验人员的专检相结合的一种检验制度。
(1)自检。
自检就是生产者对自己所生产的产品,按照图纸、工艺和合同中规定的技术标准自己进行检验,并作出产品是否合格的判断.这种检验充分体现了生产工人必须对自己生产的产品质量负责。
通过自我检验,使生产者充分了解自己生产的产品在质量上存在的问题,并开动脑筋寻找出现问题的原因,进而采取改进措施,这也是工人参与质量管理的重要形式.(2)互检。
互检就是生产工人相互之间进行检验.主要有下道工序对上道工序流转过来的半成品进行抽检;同一机床、同一工序轮班交接班时进行相互检验;小组质量员或班组长对本小组工人加工出来的产品进行抽检等。
(3)专检。
专检就是由专业检验人员进行的检验。
专业检验是现代化大生产劳动分工的客观要求,它是自检和互检不能取代的。
而且三检制必须以专业检验为主导,这是由于现代生产中,检验已成为专门的工种和技术,专职检验人员对产品的技术要求、工艺知识和检验技能,都比生产工人熟练,所用检测仪器也比较精密,检验结果比较可靠,检验效率也比较高;其次,由于生产工人有严格的生产定额,定额又同奖金挂钩,所以容易产生错检和漏检.那种以相信群众为借口,主张完全依靠自检,取消专检,是既不科学,也不符合实际的。
路缘石安砌检验批质量检验路缘石安砌检验批质量检验1. 引言路缘石安砌是道路建设中重要的一环,为确保施工过程中路缘石质量符合要求,需进行检验批质量检验。
本旨在提供一套详细的路缘石安砌检验批质量检验的模板,以指导相关人员在实际工作中进行检验。
2. 检验前准备2.1 检验人员准备2.1.1 检验人员应具备相关的技术和专业知识,熟悉路缘石安砌工艺要求和检验方法。
2.1.2 检验人员应按规定佩戴个人防护装备,包括安全帽、工作服、工作手套等。
2.2 检验工具准备2.2.1 检验工具包括塔尺、水平仪、刚尺、量具等。
2.2.2 检验工具应经过校准,并保持良好的状态。
3. 检验过程3.1 路缘石样品选择3.1.1 根据施工图纸,选择符合规范要求的路缘石样品进行检验。
3.1.2 样品应具有代表性,包括各类路缘石的规格和尺寸。
3.2 检验项目及方法3.2.1 外观质量检验3.2.1.1 检验路缘石的表面是否平整,无明显裂缝和破损。
3.2.1.2 检验路缘石的颜色和纹理是否符合规范要求。
3.2.1.3 采用目测方法对路缘石的外观质量进行评估。
3.2.2 尺寸检验3.2.2.1 检验路缘石的长度、宽度和高度是否符合规范要求。
3.2.2.2 采用量具对路缘石的尺寸进行测量,并记录测量结果。
3.2.3 强度检验3.2.3.1 检验路缘石的抗压强度是否符合规范要求。
3.2.3.2 采用压力机进行抗压强度测试,并记录测试结果。
4. 检验记录与评定4.1 检验记录4.1.1 按照检验项目,记录每一个样品的检验结果。
4.1.2 记录包括样品编号、检验项目、检验方法、检验结果等信息。
4.2 检验评定4.2.1 对每一个样品的检验结果进行评定,判断是否符合规范要求。
4.2.2 若不符合规范要求,则应指出不符合项,并采取相应措施进行整改。
5. 结束语本提供了路缘石安砌检验批质量检验的模板,能够指导相关人员进行检验工作,确保路缘石安砌质量符合要求。
路缘石检验批质量检验记录一、项目概述路缘石是公路工程中重要的硬质护栏,其安装质量直接关系到道路的使用寿命和交通安全。
为了保证路缘石的质量,本文档对路缘石进行了检验批质量检验,记录了具体的检验过程和结果。
二、检验项目及方法1. 尺寸检验:测量路缘石的长度、宽度和高度,采用钢尺、卡尺等测量工具进行测量,测量结果以毫米为单位记录。
2. 强度检验:采用冲击试验机进行检验,将路缘石放置在试验机上,施加冲击力测量其强度,以冲击力为单位记录。
3. 表面平整度检验:采用直线检测仪进行检验,将检测仪平放在路缘石上,检测路缘石表面的平整度,记录平整度值。
三、检验记录日期:2022年1月1日地点:XX公路工程现场1. 第一批路缘石检验记录检验项目:- 尺寸检验结果:- 长度:1000mm- 宽度:200mm- 高度:300mm- 强度检验结果:500N- 表面平整度检验结果:±2mm结论:第一批路缘石尺寸、强度和表面平整度均符合要求,合格。
2. 第二批路缘石检验记录检验项目:- 尺寸检验结果:- 长度:980mm- 宽度:190mm- 高度:310mm- 强度检验结果:480N- 表面平整度检验结果:±3mm结论:第二批路缘石尺寸、强度和表面平整度均符合要求,合格。
3. 第三批路缘石检验记录检验项目:- 尺寸检验结果:- 长度:1020mm- 宽度:205mm- 高度:295mm- 强度检验结果:520N- 表面平整度检验结果:±1mm结论:第三批路缘石尺寸、强度和表面平整度均符合要求,合格。
四、其他事项1. 检验过程中未发现明显的质量问题,路缘石的生产和安装符合规范要求。
2. 检验记录应妥善保存,并在工程竣工后进行归档。
五、总结通过对路缘石进行检验批质量检验,可以有效确保其尺寸、强度和表面平整度的符合要求。
这些检验结果记录的数据可以为工程质量监督提供有效的依据,保障公路工程的质量和安全。
路缘石检验批质量检验记录一、检验项目:路缘石材质1.1 检验目的路缘石材质对道路的稳定性和使用寿命有着重要影响,本次检验旨在验证所采用的路缘石材质是否符合设计要求,以确保道路建设质量和安全。
1.2 检验方法采用目测和物理测试的方式进行路缘石材质的质量检验。
目测包括外观检查、色泽检查以及表面平整度检查。
物理测试包括坚固度测试、抗压强度测试以及耐候性测试。
二、检验结果记录2.1 外观检查所有路缘石外观应无明显裂缝、破损以及变形等缺陷。
经过检验,项目中所使用的路缘石外观符合设计要求,无异常情况。
2.2 色泽检查路缘石应具有均匀的色泽,无明显色差。
经过检验,项目中所使用的路缘石色泽均匀一致,符合设计要求。
2.3 表面平整度检查表面平整度检查主要通过目测方式进行,无量具测量要求。
检验结果表明,所有路缘石表面平整度良好,无明显凸凹不平。
2.4 坚固度测试采用重锤自由落下法进行坚固度测试,测试结果以锤痕对路缘石的影响程度来评估。
经测试,所有路缘石均无明显破损或碎裂情况,表明其坚固度良好。
2.5 抗压强度测试采用压力试验机对路缘石进行抗压强度测试。
经测试,路缘石抗压强度满足设计要求,达到或超过标准要求的最小值。
2.6 耐候性测试采用人工模拟长期暴露在不同气候环境下的方法进行耐候性测试。
经过测试,路缘石在不同气候环境下的耐候性良好,无明显褪色或表面损伤。
三、检验结论根据以上检验结果,路缘石材质符合设计要求,质量合格,可满足道路使用要求。
四、检验记录检验过程中发现的异常情况和处理措施已在检验记录中详细记载。
五、签字确认检验人员:(签名)日期:负责人:(签名)日期:六、附件无。
以上是对路缘石检验批质量进行检验的记录。
通过对路缘石材质的外观、色泽、表面平整度、坚固度、抗压强度以及耐候性等方面的检测分析,确认路缘石材质符合设计要求,质量合格。
该文档可作为相关质量管理部门进行验收核查和记录使用,以确保道路的安全和使用寿命。
路缘石工程检验批质量验收记录项目名称:路缘石工程工程地点:xxxxxx施工单位:xxxxxx监理单位:xxxxxx检验单位:xxxxxx一、工程概况二、施工情况1.施工前的准备工作a.施工前清理施工区域,确保施工区域内没有垃圾、杂草等杂物。
b.清理地基,确保地基平整、无杂物。
c.根据设计要求,确定路缘石的位置和布置方式。
2.施工过程记录a.吊装路缘石根据设计要求,采用吊车进行路缘石的吊装。
吊装过程中,吊车驶入指定位置,确保安全操作,并将路缘石准确吊装到指定位置。
b.固定路缘石在吊装完成后,使用水泥砂浆将路缘石与地面固定。
固定过程中,施工人员保持路缘石的水平和垂直,确保其与道路边缘对齐。
c.砌筑路缘石根据设计要求,对路缘石进行砌筑。
砌筑过程中,施工人员使用水泥砂浆将路缘石依次砌筑,确保路缘石的质量和稳定性。
3.施工质量检验a.路缘石尺寸检验对施工完成的路缘石进行尺寸检验,包括长度、宽度、高度等方面的检查。
检验结果显示,路缘石的尺寸符合设计要求,满足施工质量要求。
b.路缘石固定性检验对路缘石的固定性进行检验,包括固定材料的使用和固定牢固程度的检查。
检验结果显示,路缘石的固定材料使用合理,固定牢固度满足施工质量要求。
c.路缘石砌筑质量检验对路缘石砌筑质量进行检验,包括砂浆使用、角度和水平度等方面的检查。
检验结果显示,路缘石砌筑质量良好,满足施工质量要求。
三、质量验收结论经过检验单位对路缘石工程的质量进行全面检查,认为质量符合设计要求和施工规范,并经施工单位签字确认。
四、存在的问题及改进措施根据质量检验的结果,发现以下问题:1.部分路缘石长度不符合设计要求,需要对其进行相应的处理或更换。
改进措施:对不符合要求的路缘石进行重新处理或更换。
2.部分路缘石固定牢固度不够,存在松动的情况。
改进措施:加强对路缘石的固定,使用更合适的固定材料,确保固定牢固度。
3.部分路缘石砌筑角度和水平度不满足要求。
改进措施:加强对路缘石砌筑过程的监督和控制,确保砌筑角度和水平度满足要求。
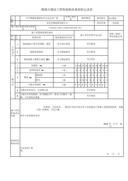
路缘石检验批质量检验记录一、检验批的划分在进行路缘石质量检验时,首先需要合理划分检验批。
通常情况下,路缘石检验批的划分应根据施工段、施工工艺、材料品种等因素进行。
一般来说,每1000 米的路缘石可以作为一个检验批。
但在实际操作中,如果施工条件发生变化,如材料来源、施工队伍等有明显不同,也应重新划分检验批。
二、检验项目及标准1、路缘石的外观质量路缘石表面应平整、无蜂窝、麻面、裂缝等缺陷。
色泽应均匀一致,无明显色差。
边角应整齐,不得有缺棱掉角的现象。
2、尺寸偏差长度、宽度、高度的允许偏差应符合设计要求和相关规范标准。
一般来说,长度偏差控制在±5mm 以内,宽度偏差在±3mm 以内,高度偏差在 ±3mm 以内。
3、平整度用 2m 直尺和塞尺测量路缘石的平整度,允许偏差不应超过 3mm。
4、相邻两块路缘石的高差相邻两块路缘石顶面的高差不应超过 3mm。
5、直顺度路缘石的直顺度应符合设计要求,一般用 10m 线和钢尺测量,允许偏差不应超过 10mm。
6、勾缝质量勾缝应饱满、密实,不得有漏勾、脱落等现象。
勾缝的宽度和深度应均匀一致。
三、检验方法1、外观质量采用目测的方法,在自然光下,距离路缘石 15m 处进行观察。
2、尺寸偏差使用钢尺、卡尺等工具进行测量。
3、平整度用 2m 直尺靠在路缘石表面,用塞尺测量直尺与路缘石之间的最大缝隙。
4、相邻两块路缘石的高差用钢尺测量相邻两块路缘石顶面的高差。
5、直顺度拉 10m 线,用钢尺测量线与路缘石之间的最大偏差。
6、勾缝质量用目测和小锤敲击的方法进行检查。
四、检验记录在进行路缘石检验时,应详细记录检验结果。
检验记录应包括工程名称、施工单位、检验批编号、检验日期、检验项目、检验结果等内容。
对于不合格的项目,应注明不合格的原因和处理意见。
例如:|检验项目|检验结果|标准要求|是否合格|||||||外观质量|表面平整,无蜂窝、麻面、裂缝,色泽均匀,边角整齐|无明显缺陷,色泽均匀,边角整齐|合格||尺寸偏差|长度:_____mm,宽度:_____mm,高度:_____mm|长度偏差 ±5mm,宽度偏差 ±3mm,高度偏差 ±3mm|合格||平整度|最大缝隙:_____mm|允许偏差 3mm|合格||相邻两块路缘石的高差|最大高差:_____mm|允许偏差 3mm|合格||直顺度|最大偏差:_____mm|允许偏差 10mm|合格||勾缝质量|勾缝饱满、密实,无漏勾、脱落|饱满、密实,无漏勾、脱落|合格|五、质量评定根据检验记录,对路缘石检验批的质量进行评定。
路缘石安砌检验批质量检验记录一、项目概述路缘石是指沿道路边缘设置的一种装饰性和保护性的石材。
它在道路施工中起到了固定道路边缘、引导车辆行驶和防止道路水泥板破损的作用。
为确保路缘石的质量,我们对路缘石安砌情况进行了质量检验,并记录在该文档中。
二、检验内容本次路缘石安砌检验包括以下内容:1. 路缘石的选材和质量要求。
2. 路缘石的安装位置和方式。
3. 路缘石的尺寸、外观和表面质量。
4. 路缘石与地面之间的垫层和填充物。
5. 路缘石之间的连接方式和整体稳定性。
三、检验过程1. 准备工作在进行路缘石安砌检验前,需要做好以下准备工作:- 明确检验的路段和区域。
- 准备好检验所需的工具和设备,如测量工具、灯具等。
- 与相关施工人员沟通,了解路缘石安装的具体情况。
2. 检验步骤根据上述检验内容,我们按以下步骤进行检验:(1) 路缘石的选材和质量要求检验:- 检查所用石材的质量证明文件,包括石材厂家提供的材料检测报告和合格证书。
- 对石材进行外观检查,包括颜色、纹理和表面平整度等方面的评估。
(2) 路缘石的安装位置和方式检验:- 根据设计图纸和路缘石安装规范,检查路缘石的安装位置是否与设计要求一致。
- 检查路缘石的安装方式是否符合相关标准,如是否有适当的背板和固定螺栓等。
(3) 路缘石的尺寸、外观和表面质量检验:- 使用测量工具检查路缘石的尺寸是否符合设计要求,包括长度、宽度和厚度等。
- 检查路缘石的外观,如是否有明显的裂缝、磨损和变形等。
- 检查路缘石的表面质量,如是否有明显的凹凸和表面光滑度是否符合要求。
(4) 路缘石与地面之间的垫层和填充物检验:- 检查路缘石与地面之间是否有适当的垫层和填充物,以保证路缘石的稳定性和安全性。
(5) 路缘石之间的连接方式和整体稳定性检验:- 检查路缘石之间的连接方式,如是否采用了适当的槽口连接和粘结材料等。
- 检查路缘石是否整体稳定,如是否有明显的晃动和松动现象。
四、检验结果根据对路缘石安砌情况的检验,我们得出以下结果:1. 路缘石的选材和质量要求符合相关标准和规范。