机制砂检验原始记录(自动计算)
- 格式:xls
- 大小:31.50 KB
- 文档页数:2
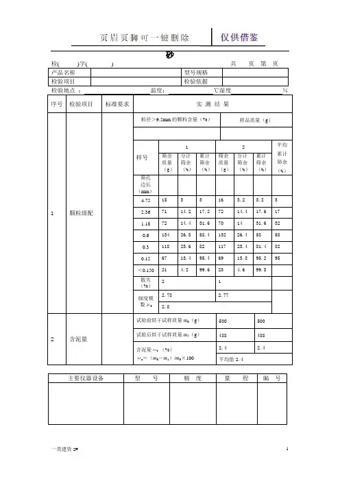
砂产品名称型号规格检验项目检验依据检验地点:温度:℃湿度%序号检验项目标准要求实测结果1 颗粒级配粒径>9.5mm的颗粒含量(%)样品质量(g)样号1 2 平均累计筛余(%)筛余质量(g)分计筛余(%)累计筛余(%)筛余质量(g)分计筛余(%)累计筛余(%)筛孔边长(mm)4.7515 3 3 16 3.2 3.2 3 2.3671 14.2 17.2 72 14.4 17.6 17 1.1872 14.4 31.6 70 14 31.6 320.6134 26.8 58.4 132 26.4 58 580.3118 23.6 82 117 23.4 81.4 82 0.1567 13.4 95.4 69 13.8 95.2 95<0.15021 4.2 99.6 23 4.6 99.8散失(%)2 1细度模数μf2.78 2.772.82 含泥量试验前烘干试样质量m0(g)500 500 试验后烘干试样质量m1(g)488 488含泥量ωc(%)ωc=(m0-m1)/m0×1002.4 2.4平均值2.4主要仪器设备型号精度量程编号检验员: 校对: 日期:砂产品名称 型号规格 检验项目 检验依据 检验地点 : 温度: ℃湿度 %序号 检验项目标准要求实 测 结 果3 泥块含量试验前烘干试样质量m 0(g ) 200200试验后烘干试样质量m 1(g )199.2 199.2 泥块含量ωc ,1 (%)ωc ,1=(m 0-m 1)/m 0×1000.4 0.4平均值0.4 4 云母烘干试样质量m 0(g ) 10 挑出云母质量m (g )0.3 云母含量ωm (%)35 轻物质重液密度(g/cm 3) 试验前试样干质量m 0(g ) 干轻物质+器皿质量m 1(g )器皿质量m 2(g ) 轻物质含量ω1(%)平均值 6 有机物 试样数量(mL ) 加3%NaOH 溶液时间标准溶液配制时间 比较时间 比较结果主要仪器设备型 号精 度量 程编 号1000⨯=m mω100211⨯-=m m m ω检验员:校对:日期:砂产品名称型号规格检验项目检验依据检验地点:温度:℃湿度%序号检验项目标准要求实测结果8坚固性试样公称粒径(mm)0.315~0.630.63~1.251.25~2.52.5~5.00试验前试样干质量m(g)100 100 100 100 试验后试样干质量m i,(g)99 99 99 99各粒级试样占试样总质量百分率αi(%)αi=(m i/ )×10025 25 25 25各粒级质量损失百分率δji(%) 1 1 1 1总质量损失率δj(%):19 表观密度试样质量m0(g)300 300 瓶+水+试样质量m1(g)842 842 瓶+水质量m2(g)655 655 试验水温t(℃)20温度修正系数αt表观密度ρ(精确至10kg/m3)1000120⨯⎪⎪⎭⎫⎝⎛--+=tmmmmαρ2650 2650平均值2650432144332211ααααδαδαδαδαδ++++++=jjjjj∑=41iim100⨯'-=iiiji mmmδ主要仪器设备型号精度量程编号检验员:校对:日期:砂产品名称型号规格检验项目检验依据检验地点:温度:℃湿度%序号检验项目标准要求实测结果10堆积密度、空隙率筒质量m1(g)450 450筒+试样质量m2(g)1931 1932筒容积V(L) 1 1堆积密度ρ1(精确至10kg/m3)ρ1=(m2–m1)/ V ×10001480 1480平均值1480堆积空隙率v1(%):v1=(1-ρ1/ρ)×100=44主要仪器设备型号精度量程编号检验员:校对:日期:。
砂检测原始记录范文砂检测是对砂样本进行化学和物理性质测试的过程。
以下是一份砂检测的原始记录。
------------------------------检测日期:2024年10月1日1.样品信息:-样品地点:XX河段-采样日期:2024年9月30日-采样人员:张三2.样品准备:-样品重量:500克-样品清洗:将样品放入容器中,加入适量去离子水,用电动搅拌器搅拌30分钟,然后倒掉水分。
-样品干燥:将清洗后的样品均匀铺展在干燥皿中,置于恒温箱中,在50摄氏度下烘干24小时。
3.化学性质分析:3.1.粘土含量测定:-使用粘土含量测定仪器测量样品粘土含量。
-结果:样品粘土含量为25%。
3.2.碳含量测定:-使用燃烧-红外测定仪器测量样品碳含量。
-结果:样品碳含量为0.5%。
3.3.溶解物测定:-使用酸碱中和滴定法测量样品的酸溶解物含量。
-结果:样品酸溶解物含量为0.3%。
4.物理特性测试:4.1.粒径分析:-使用激光粒度仪测量样品粒径分布。
-结果:样品中粒径分布如下:- 0.063mm以下:10%- 0.063-0.125mm:35%- 0.125-0.25mm:30%- 0.25-0.5mm:20%- 0.5-1mm:5%4.2.比表面积测定:-使用比表面积仪测量样品的比表面积。
-结果:样品比表面积为150平方米/克。
4.3.孔隙度测定:-使用压汞法测量样品的孔隙度。
-结果:样品孔隙度为35%。
5.结论及建议:根据上述测试结果,样品来自XX河段的河流沉积物,其中粘土含量为25%,碳含量为0.5%,酸溶解物含量为0.3%。
样品的粒径分布主要集中在0.063-0.25mm之间,占总体的95%。
样品比表面积为150平方米/克,孔隙度为35%。
根据所得结果,建议该砂样品适合用于建筑材料生产或土壤改良等领域。
------------------------------以上是一份砂检测的原始记录,包括样品信息、样品准备、化学性质分析、物理特性测试,以及最后的结论和建议。
级配砂石最大干密度检验原始记录
一、试验目的:
通过测定砂石的级配曲线,确定最大干密度,为工程设计提供依据。
二、试验器材:
1.圆形筛分器
2.洗砂器
3.干燥箱
4.平盘天平
5.瓶子
6.砂浆搅拌器
三、试验材料:
1.砂石样品
2.水
四、试验步骤:
1.取1000g砂石样品,并在洗砂器中用自来水进行清洗,使砂石表面的杂质和粉末被清除干净。
2.清洗后的砂石样品放入干燥箱中,以80°C的温度干燥24小时,直到砂石完全干燥。
3. 干燥后的样品在研磨机中研磨,使其完全破碎并通过10mm筛下,再将通过筛下的样品放入砂浆搅拌器中搅拌均匀。
4. 将搅拌后的样品通过2mm筛分,收集各级配筛上的砂石样品,并分别称重,记录各级配筛下的砂石质量。
5.根据所得数据绘制级配曲线,并确定最大干密度值。
五、试验数据记录:
筛孔尺寸:2mm
筛孔直径(mm)筛上质量(g)
5.0
2.5
1.25
0.63
0.31
0.16
0.08
0.04
总量
六、试验结果分析:
(插入级配曲线图)
通过观察级配曲线,确定最大干密度值为XXXXg/cm³。
该数值可作为该砂石在工程设计中的参考参数。
七、结论:
通过本次试验,得出了砂石的级配曲线,并确定了最大干密度值。
该结果可供工程设计使用,确保工程施工的质量和稳定性。
砂相对密度原始记录实验名称:砂相对密度测定实验实验日期:2024年5月20日实验地点:土力学实验室实验设备:1.振实仪2.砂土样品3.土工计量筒4.试验土块实验步骤:1.将振实仪圆筒洗净,并将圆筒固定在振实仪的振动部位;2.将土工计量筒称重,记录称重质量M1;3.用土工计量筒装取一定质量的砂土样品(约1000g),称取质量M2;4.将砂土样品均匀地倒入振实仪的圆筒中;5.用模具将砂土样品压实,使其体积小于固定圆筒的容积,并平整土面;6.将固定圆筒与振实仪进行振动,振动时间约为5分钟;7.停止振动后,取出固定圆筒,并再次称重土工计量筒的质量M3;8.计算砂土样品的相对密度D。
实验数据记录:质量M1=50g质量M2=1000g质量M3=980g计算结果:砂土样品的相对密度D=(M2-M3)/(M1-M3)=(1000-980)/(50-980)≈0.02实验结果分析:通过实验测定,得到砂土样品的相对密度为0.02、相对密度的数值范围为0到1,数值越大代表砂土的密实程度越高,反之越小代表砂土的松散程度越大。
根据测定结果,可以初步判断该砂土样品较为松散。
实验讨论:1.实验过程中,尽量避免砂土样品中的空隙,以保证测定结果的准确性。
2.在实际工程中,砂土的相对密度与其工程性质密切相关,可以通过相对密度来确定砂土的压缩特性、剪切强度等参数,从而进行工程设计和土体改良。
3.砂土的相对密度还可以用于判定土体的质量,相对密度高的砂土具有较高的质量,适用于一些对土体质量要求较高的工程项目。
备注:以上只是一个示例的实验记录,实际的实验过程和数据可能与上述内容有所不同。
实验的最终结果应综合考虑多次实验的平均值,并与理论值进行比较,以确定砂土的相对密度。