压实度检验记录(灌砂法)
- 格式:doc
- 大小:46.00 KB
- 文档页数:3
F10委托编号:工程名称委托单位分包单位代表桩号见证单位压实度检验记录(灌砂法)检验编号:分项名称击实类型样品来源土样类别最大干密度g/cm3检验类别层次要求压实度%委托日期层厚委托人检验日期见证人取样人检验依据年月日年月日检验编号取样桩号及部位量砂容器 +量砂质量g(1)试量砂容器 +余砂质量g(2)坑锥体砂质量g(3)容试坑耗砂g(4)=(1)-(2)-(3)积量砂密度g/cm3(5)试坑容积cm3(6)=(4)/(5)试坑中挖出试样质量g(7)试样湿密度g/cm3(8)含湿料质量g(9)干料质量g(10)水水的质量g(11)=(9)-(10)率试样含水率%(12)=(11)/(10)*100%试样干密度g/cm3(13)=(8)/(1+(12))最大干密度g/cm3(14)压实度%(15)=(13)/(14)*100%备注检验单位(盖章)校核人:检验人:压实度检验 ( 灌砂法 ) 检测样品取样的注意事项检测频率每 1000m2一次,检测数量按CJJ1-2008中的规定。
当集料的最大粒径小于15mm、测定层的厚度不超过150mm 时,宜采用φ100mm 的小型灌砂筒测试;当集料的粒径大于或等于15mm,但不大于 40mm,测定层厚度超过150mm,但不超过 200mm 时,应用φ150mm 的大型灌砂筒测试。
灌砂试验前,应对标准砂的密度和锥体质量进行标定。
挖坑时,试坑应周壁竖直,避免出现上大下小或上小下大的情形,否则,检测密度偏大或偏小。
样品取出后应密封,防止水分蒸发,影响检测结果。
填写委托单时必须填清楚工程名称、委托单位、施工单位、代表起止桩号、每个测点的桩号及部位、击实指标、设计或标准要求达到的压实度等信息。
灌砂法压实度检测原始记录一、实验目的:通过灌砂法压实度检测,了解土壤的压实性能,为土壤改良和工程设计提供依据。
二、实验仪器与材料:1.灌砂法压实仪2.土壤勺3.秤4.灌砂装置5.压实模具6.砂筛7.测试土壤三、实验操作步骤:1.准备工作a)将灌砂仪放置在平整的实验台面上,并调整仪器的水平度。
b)验证仪器的准确性,确保仪器读数准确无误。
c)准备好灌砂装置、压实模具、土壤勺、秤、砂筛等实验仪器与材料。
2.取样与准备a) 从现场取得土壤样品,并将样品通过砂筛过筛,筛出的土壤为粒径小于5mm的细砂。
b)将筛过的土壤样品进行称重,记录土壤质量。
3.灌砂操作a)将土壤勺放置在灌砂装置上,并打开水龙头,控制水流使土壤能够均匀地填满模具。
b)现场重量法:当水快要从模具顶部溢出时,立即关闭水龙头,并记录此时的土壤质量。
c)室内称重法:将装有土壤的模具取下,放在秤上进行称重,记录土壤质量。
四、实验结果:1.灌砂重量法记录:-土壤质量1:1000g-灌砂前质量:1500g-灌砂后质量:1800g- 所用水量:300ml-计算得到的土壤质量2:1500g+300g=1800g-压实度:(土壤质量2-土壤质量1)/土壤质量1*100%=(1800g-1000g)/1000g*100%=80%2.室内称重法记录:-土壤质量1:1200g-灌砂前质量:1600g-灌砂后质量:2000g-计算得到的土壤质量2:1600g+400g=2000g-压实度:(土壤质量2-土壤质量1)/土壤质量1*100%=(2000g-1200g)/1200g*100%=66.67%五、实验分析与讨论:通过灌砂法压实度检测,我们得到了两组不同的压实度数据,分别是80%和66.67%。
在实验中,选择不同的具体方法和设置可以得到不同的结果。
相对灌砂重量法,室内称重法可以更为准确地得到土壤质量。
此外,灌水速度、水流量等因素也可能影响最终的结果。
六、实验结论:通过灌砂法压实度检测,我们得到了土壤样品的压实度。
压实度试验记录(灌砂法)试验目的:通过灌砂法测定土壤的压实度。
试验设备与试验材料:1.压实度试验仪:包括针尖深度计、扫砂装置、变压器等;2.砂土:可选择中等粒径的黏性土;3. 试验容器:直径为10 cm,高度为15 cm的圆形试验容器;4.试验水:用于湿润土壤。
试验步骤:1.准备工作:a.清洁试验容器,确保无杂质。
b.将试验容器放置在水平台面上。
2.密集度试验:a.在试验容器中倒入一定量的干砂土,填充高度约为容器高度的2/3,轻轻敲击试验容器,以排除空隙。
b.用针尖深度计测量砂土表面到容器顶部的距离,记录为H1c.打开水源,调节水流量,将水从扫砂装置灌入试验容器中,使砂土饱和湿润。
d. 继续添加砂土,直至超出试验容器的高度约3 cm。
3.试验操作:a.将试验容器与压实仪连通,加上适当的压力。
b.记录压实仪上示的压力P1c.打开扫砂装置,使水流平缓地进入试验容器,同时在压实仪上记录压力P2d.在压力P2稳定后,停止向试验容器加水,并记录此时的高度H24.数据处理:a.计算砂土的初始干体积为V1=0.785×(D1^2)×H1,其中D1为容器直径。
b.计算压实度为ρ=(V1-V2)/V1×100%,其中V2为试验后土体的体积。
5.实验注意事项:a.试验过程中,水流要平缓,不能冲刷砂土,以保证试验精度。
b.记录数据时,尽量减小观测误差。
c.进行多次试验,取平均值,以提高结果的可靠性。
d.清洁试验容器时,要注意不要损坏试验设备。
试验结果:根据上述步骤进行试验,并记录相关数据,计算出压实度的数值试验容器直径D1 = 10 cm试验开始时针尖深度H1 = 7 cm试验结束时针尖深度H2 = 5 cm初始干体积V1 = 0.785 × (10^2) × 7 = 192.5 cm³试验后土体体积V2 = 0.785 × (10^2) × 5 = 125 cm³压实度ρ=(192.5-125)/192.5×100%≈34.85%结论:通过灌砂法测算,得到土壤的压实度约为34.85%。
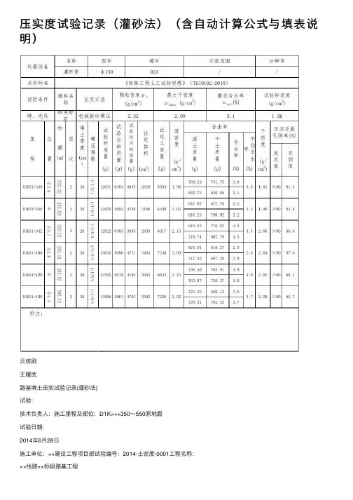
压实度试验记录(灌砂法)(含⾃动计算公式与填表说明)云核刚王耀武路基填⼟压实试验记录(灌砂法)试验:技术负责⼈:施⼯⾥程及部位:D1K××+350~550原地⾯试验⽇期:2014年6⽉28⽇施⼯单位:××建设⼯程项⽬部试验编号:2014-⼟密度-0001⼯程名称:××线路××标段路基⼯程委托编号:2014-⼟密度-000112 3 4 5 6 7 8910 1112 1314 15 16 17压实⽅法:主要是区分机械振动碾压还是⼈⼯⼩型机械压实。
颗粒密度:按最新检验批次确定的颗粒密度填写。
最⼤⼲密度:填写击实试验所确定的颗粒密度。
击实试验在填⼟颗粒粒性发⽣明显变化时或达到最⼤检验批次时应重新送检确定,此后试验便以新的击实结果填写最优含⽔率:填写击实试验报告中所确定的最优含⽔率,最优含⽔率需与最⼤⼲密度对应。
试验砂密度:当使⽤不同⼚家或对试验砂密度有怀疑时应重新标定。
⾥程:填写试验点所在施⼯⾥程。
委托编号:应与试验委托单上的编号保持⼀致,此编号应按试验单位相关规定进⾏编写,同⼀单位⼯程或分项⼯程中的委托编号也有可能不连续,原因同“试验编号”。
试验⽇期:填写施⼯试验⽇期,同⼀检验批次的施⼯试验应在同⼀天进⾏。
仪器设备:应填写使⽤的主要试验设备名称与型号,此试验主要是区分灌砂桶规格。
“⽰值范围”与“分辨率”应该是针对“台秤”⽽⾔的,但灌砂过程中的台秤与含⽔率试验中所使⽤的台秤分辨率不⼀致,此处应该⾪属于表格设计缺陷,建议施⼯试验单位在做试验报告时予以更改。
采⽤标准:填写试验依据,铁路⼯程应依据《铁路⼯程⼟⼯试验规程》(TB10102-2010)公路⼯程应依据《公路⼟⼯试验规程》(JTG E40-2007),其他⼯程可依据《⼟⼯试验⽅法标准》(GB/T 50123-1999)试验条件:可填写试验时的天⽓情况,因为风⼒、空⽓湿度等对试验有影响,但影响不⼤。
D-14-3j
承包单位: 榆林市鹏达路建有限公司监理单位:合 同 号:编号及类别:
压实度检测记录(灌砂法)
D-14-3j
承包单位: 榆林市鹏达路建有限公司监理单位:合 同 号:编号及类别:
压实度检测记录(灌砂法)
D-14-3j
承包单位: 榆林市鹏达路建有限公司监理单位:合 同 号:编号及类别:
压实度检测记录(灌砂法)
D-14-3j
承包单位: 榆林市鹏达路建有限公司监理单位:合 同 号:编号及类别:
压实度检测记录(灌砂法)
D-14-3j
承包单位: 榆林市鹏达路建有限公司监理单位:合 同 号:编号及类别:
压实度检测记录(灌砂法)
D-14-3j
承包单位: 榆林市鹏达路建有限公司监理单位:合 同 号:编号及类别:
压实度检测记录(灌砂法)
D-14-3j
承包单位: 榆林市鹏达路建有限公司监理单位:合 同 号:编号及类别:
压实度检测记录(灌砂法)
D-14-3j
承包单位: 榆林市鹏达路建有限公司监理单位:合 同 号:编号及类别:
压实度检测记录(灌砂法)
D-14-3j
承包单位: 榆林市鹏达路建有限公司监理单位:合 同 号:编号及类别:
压实度检测记录(灌砂法)
D-14-3j
承包单位: 榆林市鹏达路建有限公司监理单位:合 同 号:编号及类别:
压实度检测记录(灌砂法)
D-14-3j
承包单位: 榆林市鹏达路建有限公司监理单位:合 同 号:编号及类别:
压实度检测记录(灌砂法)。
灌砂法灌砂法本试验适用于现场测定细粒土、砂类土、和砾类土的密度。
试样最大粒径一般不得超过15mm。
测定密度层的厚度为150mm—200mm。
(标准方法,但不适用于填石路堤等有大孔洞或大孔隙材料的压实度检测)基本原理是利用粒径0.30~0.60mm或0.25~0.50mm清洁干净的均匀砂,从一定高度自由下落到试洞内,按其单位重不变的原理来测量试洞的容积(即用标准砂来置换试洞中的集料),并根据集料的含水量来推算出试样的实测干密度。
灌砂法适用于现场检定粗粒土的密度:1 密度测定器:由容砂瓶、灌砂漏斗和底盘组成灌砂漏斗高135mm、直径165 mm、尾部有孔径为13 mm的圆柱形阀门;容砂瓶容积为4L,容砂瓶和灌沙漏斗之间用螺纹接头联接。
底盘承托灌砂漏斗和容砂瓶。
天平:称量10kg,最小分度值5g,称量500g,最小分度值0.1g,2 标准砂密度的测定:A、标准砂应清洗洁净,粒径宜选用(0.25-0.50)mm,密度宜(1.47-1.61)g/㎝2 。
B、组装容砂瓶与灌砂漏斗,螺纹联接处应旋紧,称其重量。
C、将密度测定器竖立,灌砂漏斗口向上,关阀门,向灌砂漏斗中注满标准砂,打开阀门使灌砂漏斗内额标准砂漏入容砂瓶内,继续向漏斗内注砂漏入瓶内,当砂停止流动时迅速关闭阀门,倒掉漏斗内多余的砂,称容砂瓶、灌砂漏斗和标准砂的总质量,准确至5 g。
试验中应避免震动。
D、倒出容砂瓶内的标准砂,通过漏斗向容砂瓶内注水至水面高出阀门,关阀门,倒掉漏斗中多余的水,称容砂瓶、漏斗和水的种质量,准确到5 g,并测定水温,准确到0.5℃,重复测定3次,3次测值之间的差值不得大于3ml,取3次测值的平均值。
容砂瓶的容积(VR)=(容砂瓶、漏斗和水的总质量(MR2)-容砂瓶和漏斗的质量(MR1))÷不同水温时的密度(PWR)。
标准砂的密度(PS)=(容砂瓶、漏斗和标准砂的总质量(MRS)-容砂瓶和漏斗的质量(MR1)) ÷ 容砂瓶的容积(VR)。
D-14-3j
承包单位: 榆林市鹏达路建有限公司监理单位:合 同 号:编号及类别:
压实度检测记录(灌砂法)
D-14-3j
承包单位: 榆林市鹏达路建有限公司监理单位:合 同 号:编号及类别:
压实度检测记录(灌砂法)
D-14-3j
承包单位: 榆林市鹏达路建有限公司监理单位:合 同 号:编号及类别:
压实度检测记录(灌砂法)
D-14-3j
承包单位: 榆林市鹏达路建有限公司监理单位:合 同 号:编号及类别:
压实度检测记录(灌砂法)
D-14-3j
承包单位: 榆林市鹏达路建有限公司监理单位:合 同 号:编号及类别:
压实度检测记录(灌砂法)
D-14-3j
承包单位: 榆林市鹏达路建有限公司监理单位:合 同 号:编号及类别:
压实度检测记录(灌砂法)
D-14-3j
承包单位: 榆林市鹏达路建有限公司监理单位:合 同 号:编号及类别:
压实度检测记录(灌砂法)
D-14-3j
承包单位: 榆林市鹏达路建有限公司监理单位:合 同 号:编号及类别:
压实度检测记录(灌砂法)
D-14-3j
承包单位: 榆林市鹏达路建有限公司监理单位:合 同 号:编号及类别:
压实度检测记录(灌砂法)
D-14-3j
承包单位: 榆林市鹏达路建有限公司监理单位:合 同 号:编号及类别:
压实度检测记录(灌砂法)
D-14-3j
承包单位: 榆林市鹏达路建有限公司监理单位:合 同 号:编号及类别:
压实度检测记录(灌砂法)。
试验4 灌砂法测定路基压实度1.一、试验内容及要求:(6)天平或台秤;(7)含水量测定器具;(8)量砂;(9)盛砂的容器;(10)其他。
三、试验方法与步骤(1)标定筒下部圆锥体内砂的质量①在灌砂筒筒口高度上,向灌砂筒内装砂至距筒顶15mm左右为止。
称取装入筒内砂的质量,准确至1g。
以后每次标定及试验都应该维持装砂高度与质量不变。
②将开关打开,让砂自由流出,并使流出砂的体积与工地所挖试坑内的体积相当(可等于标定灌的容积),然后关上开关,称灌砂筒内剩余砂质量,准确至1g。
③不晃动储砂筒的砂,轻轻地将灌砂筒移至玻璃板,将开关打开,让砂流出,直到筒内砂不再下流时,将开关关上,并细心地取走灌砂筒。
④收集并称量留在板上的砂或称量筒内的砂,准砂至1g。
玻璃板上的砂就是填满锥体的砂。
⑤重复上述测量三次,取其平均值。
(2)标定量砂的单位质量①用水确定标定罐的容积,准确至1Ml。
②在储砂筒中装入质量为的砂,并将灌砂筒放在标定罐上,将开关打开,让砂流出,在整个流砂过程中,不要碰动灌砂筒,直到砂不再下流时,将开关关闭。
取下灌砂筒,称取筒内剩余砂的质量,准确至1g。
③按下式计算填满标定罐所需砂的质量:式中:——标定罐中砂的质量,g;——装入灌砂筒内的砂的总质量,g;——灌砂筒下部圆锥体内砂的质量,g;——灌砂入标定罐后,筒内剩余砂的质量,g。
④重复上述测量三次,取其平均值。
⑤按下式计算量砂的单位质量:式中:——量砂的单位质量,g/cm3;——标定罐的体积,g/cm3;(3)试验步骤①在试验地点,选一块平坦表面,并将其清扫干净,其面积不得小于基板面积。
②将基板放在平坦表面上。
当表面的粗糙度较大时,则将盛有量砂的灌砂筒放在基板中间的圆孔上,将灌砂筒的开关打开,让砂流入基板的中孔内,直到储砂筒内的砂不再下流时关闭开关。
取下灌砂筒,并称量筒内砂的质量,准确至1g。
当需要检测厚度时,应先测量厚度后再进行这一步骤。
③取走基板,并将留在试验地点的量砂收回,重新将表面清扫干净④将基板放回清扫干净的表面上(尽量放在原处),沿基板中孔凿洞(洞的直径与灌砂筒一致)。
施工单位:四川水电建设工程(集团)有限责任公司 工程名称:壤塘县伊—日路河口至宗科段监理单位:四川跃通公路工程监理有限公司 合 同 号:通乡B段桩 号: K10+746-K10+753涵顶回填施工单位:四川水电建设工程(集团)有限责任公司 工程名称:壤塘县伊—日路河口至宗科段监理单位:四川跃通公路工程监理有限公司 合 同 号:通乡B段桩 号: K10+998-K11+004涵顶回填施工单位:四川水电建设工程(集团)有限责任公司 工程名称:壤塘县伊—日路河口至宗科段监理单位:四川跃通公路工程监理有限公司 合 同 号:通乡B段桩 号: K11+411-K11+417涵顶回填施工单位:四川水电建设工程(集团)有限责任公司 工程名称:壤塘县伊—日路河口至宗科段监理单位:四川跃通公路工程监理有限公司 合 同 号:通乡B段桩 号: K12+059-K12+065涵顶回填施工单位:四川水电建设工程(集团)有限责任公司 工程名称:壤塘县伊—日路河口至宗科段监理单位:四川跃通公路工程监理有限公司 合 同 号:通乡B段桩 号: K12+167-K12+173涵顶回填施工单位:四川水电建设工程(集团)有限责任公司 工程名称:壤塘县伊—日路河口至宗科段监理单位:四川跃通公路工程监理有限公司 合 同 号:通乡B段桩 号: K12+622-K12+628涵顶回填施工单位:四川水电建设工程(集团)有限责任公司 工程名称:壤塘县伊—日路河口至宗科段监理单位:四川跃通公路工程监理有限公司 合 同 号:通乡B段桩 号: K13+057-K13+063涵顶回填施工单位:四川水电建设工程(集团)有限责任公司 工程名称:壤塘县伊—日路河口至宗科段监理单位:四川跃通公路工程监理有限公司 合 同 号:通乡B段桩 号: K14+107-K14+113涵顶回填施工单位:四川水电建设工程(集团)有限责任公司 工程名称:壤塘县伊—日路河口至宗科段监理单位:四川跃通公路工程监理有限公司 合 同 号:通乡B段桩 号: K14+172-K14+178涵顶回填施工单位:四川水电建设工程(集团)有限责任公司 工程名称:壤塘县伊—日路河口至宗科段监理单位:四川跃通公路工程监理有限公司 合 同 号:通乡B段桩 号: K14+947-K14+953涵顶回填施工单位:四川水电建设工程(集团)有限责任公司 工程名称:壤塘县伊—日路河口至宗科段监理单位:四川跃通公路工程监理有限公司 合 同 号:通乡B段桩 号: K15+597-K15+603涵顶回填施工单位:四川水电建设工程(集团)有限责任公司 工程名称:壤塘县伊—日路河口至宗科段监理单位:四川跃通公路工程监理有限公司 合 同 号:通乡B段桩 号: K16+895-K16+901涵顶回填施工单位:四川水电建设工程(集团)有限责任公司 工程名称:壤塘县伊—日路河口至宗科段监理单位:四川跃通公路工程监理有限公司 合 同 号:通乡B段桩 号: K12+395-K12+401涵顶回填施工单位:四川水电建设工程(集团)有限责任公司 工程名称:壤塘县伊—日路河口至宗科段监理单位:四川跃通公路工程监理有限公司 合 同 号:通乡B段桩 号: K17+640-K17+646涵顶回填施工单位:四川水电建设工程(集团)有限责任公司 工程名称:壤塘县伊—日路河口至宗科段监理单位:四川跃通公路工程监理有限公司 合 同 号:通乡B段桩 号: K10+019.93-K10+300路基原地面施工单位:四川水电建设工程(集团)有限责任公司 工程名称:壤塘县伊—日路河口至宗科段监理单位:四川跃通公路工程监理有限公司 合 同 号:通乡B段桩 号: K10+019.93-K10+300路基填方施工单位:四川水电建设工程(集团)有限责任公司 工程名称:壤塘县伊—日路河口至宗科段监理单位:四川跃通公路工程监理有限公司 合 同 号:通乡B段桩 号: K10+019.93-K10+300路基填方施工单位:四川水电建设工程(集团)有限责任公司 工程名称:壤塘县伊—日路河口至宗科段监理单位:四川跃通公路工程监理有限公司 合 同 号:通乡B段桩 号: K10+019.93-K10+300路基填方施工单位:四川水电建设工程(集团)有限责任公司 工程名称:壤塘县伊—日路河口至宗科段监理单位:四川跃通公路工程监理有限公司 合 同 号:通乡B段桩 号: K10+019.93-K10+300路基填方施工单位:四川水电建设工程(集团)有限责任公司 工程名称:壤塘县伊—日路河口至宗科段监理单位:四川跃通公路工程监理有限公司 合 同 号:通乡B段桩 号: K10+403.77-K10+419.35路基原地面施工单位:四川水电建设工程(集团)有限责任公司 工程名称:壤塘县伊—日路河口至宗科段监理单位:四川跃通公路工程监理有限公司 合 同 号:通乡B段桩 号: K10+403.77-K10+419.35路基填方施工单位:四川水电建设工程(集团)有限责任公司 工程名称:壤塘县伊—日路河口至宗科段监理单位:四川跃通公路工程监理有限公司 合 同 号:通乡B段桩 号: K10+463.63-K10+520路基原地面施工单位:四川水电建设工程(集团)有限责任公司 工程名称:壤塘县伊—日路河口至宗科段监理单位:四川跃通公路工程监理有限公司 合 同 号:通乡B段桩 号: K10+463.63-K10+520路基填方施工单位:四川水电建设工程(集团)有限责任公司 工程名称:壤塘县伊—日路河口至宗科段监理单位:四川跃通公路工程监理有限公司 合 同 号:通乡B段桩 号: K10+680-K10+773.49路基原地面施工单位:四川水电建设工程(集团)有限责任公司 工程名称:壤塘县伊—日路河口至宗科段监理单位:四川跃通公路工程监理有限公司 合 同 号:通乡B段桩 号: K10+680-K10+773.49路基填方施工单位:四川水电建设工程(集团)有限责任公司 工程名称:壤塘县伊—日路河口至宗科段监理单位:四川跃通公路工程监理有限公司 合 同 号:通乡B段桩 号: K10+915.08-K11+000路基原地面施工单位:四川水电建设工程(集团)有限责任公司 工程名称:壤塘县伊—日路河口至宗科段监理单位:四川跃通公路工程监理有限公司 合 同 号:通乡B段桩 号: K10+915.08-K11+000路基填方施工单位:四川水电建设工程(集团)有限责任公司 工程名称:壤塘县伊—日路河口至宗科段监理单位:四川跃通公路工程监理有限公司 合 同 号:通乡B段桩 号: K11+034.27-K11+360.37路基原地面施工单位:四川水电建设工程(集团)有限责任公司 工程名称:壤塘县伊—日路河口至宗科段监理单位:四川跃通公路工程监理有限公司 合 同 号:通乡B段桩 号: K11+034.27-K11+360.37路基填方施工单位:四川水电建设工程(集团)有限责任公司 工程名称:壤塘县伊—日路河口至宗科段监理单位:四川跃通公路工程监理有限公司 合 同 号:通乡B段桩 号: K11+440-K11+749.61路基原地面施工单位:四川水电建设工程(集团)有限责任公司 工程名称:壤塘县伊—日路河口至宗科段监理单位:四川跃通公路工程监理有限公司 合 同 号:通乡B段桩 号: K11+440-K11+749.61路基填方施工单位:四川水电建设工程(集团)有限责任公司 工程名称:壤塘县伊—日路河口至宗科段监理单位:四川跃通公路工程监理有限公司 合 同 号:通乡B段桩 号: K11+980-K11+997.47路基原地面施工单位:四川水电建设工程(集团)有限责任公司 工程名称:壤塘县伊—日路河口至宗科段监理单位:四川跃通公路工程监理有限公司 合 同 号:通乡B段桩 号: K11+980-K11+997.47路基填方施工单位:四川水电建设工程(集团)有限责任公司 工程名称:壤塘县伊—日路河口至宗科段监理单位:四川跃通公路工程监理有限公司 合 同 号:通乡B段桩 号: K12+000-K12+070路基原地面施工单位:四川水电建设工程(集团)有限责任公司 工程名称:壤塘县伊—日路河口至宗科段监理单位:四川跃通公路工程监理有限公司 合 同 号:通乡B段桩 号: K12+000-K12+070路基填方施工单位:四川水电建设工程(集团)有限责任公司 工程名称:壤塘县伊—日路河口至宗科段监理单位:四川跃通公路工程监理有限公司 合 同 号:通乡B段桩 号: K12+100-K12+151.72路基原地面施工单位:四川水电建设工程(集团)有限责任公司 工程名称:壤塘县伊—日路河口至宗科段监理单位:四川跃通公路工程监理有限公司 合 同 号:通乡B段桩 号: K12+100-K12+151.72路基填方施工单位:四川水电建设工程(集团)有限责任公司 工程名称:壤塘县伊—日路河口至宗科段监理单位:四川跃通公路工程监理有限公司 合 同 号:通乡B段桩 号: K12+200-K12+400路基原地面施工单位:四川水电建设工程(集团)有限责任公司 工程名称:壤塘县伊—日路河口至宗科段监理单位:四川跃通公路工程监理有限公司 合 同 号:通乡B段桩 号: K12+200-K12+400路基填方施工单位:四川水电建设工程(集团)有限责任公司 工程名称:壤塘县伊—日路河口至宗科段监理单位:四川跃通公路工程监理有限公司 合 同 号:通乡B段桩 号: K12+437.49-K12+585.04路基原地面施工单位:四川水电建设工程(集团)有限责任公司 工程名称:壤塘县伊—日路河口至宗科段监理单位:四川跃通公路工程监理有限公司 合 同 号:通乡B段桩 号: K12+437.49-K12+585.04路基填方施工单位:四川水电建设工程(集团)有限责任公司 工程名称:壤塘县伊—日路河口至宗科段监理单位:四川跃通公路工程监理有限公司 合 同 号:通乡B段桩 号: K12+666.21-K12+769.07路基原地面施工单位:四川水电建设工程(集团)有限责任公司 工程名称:壤塘县伊—日路河口至宗科段监理单位:四川跃通公路工程监理有限公司 合 同 号:通乡B段桩 号: K12+666.21-K12+769.07路基填方施工单位:四川水电建设工程(集团)有限责任公司 工程名称:壤塘县伊—日路河口至宗科段监理单位:四川跃通公路工程监理有限公司 合 同 号:通乡B段桩 号: K12+815.3-K12+898.39路基原地面施工单位:四川水电建设工程(集团)有限责任公司 工程名称:壤塘县伊—日路河口至宗科段监理单位:四川跃通公路工程监理有限公司 合 同 号:通乡B段桩 号: K12+815.3-K12+898.39路基填方施工单位:四川水电建设工程(集团)有限责任公司 工程名称:壤塘县伊—日路河口至宗科段监理单位:四川跃通公路工程监理有限公司 合 同 号:通乡B段桩 号: K12+929.46-K13+000路基原地面施工单位:四川水电建设工程(集团)有限责任公司 工程名称:壤塘县伊—日路河口至宗科段监理单位:四川跃通公路工程监理有限公司 合 同 号:通乡B段桩 号: K12+929.46-K13+000路基填方施工单位:四川水电建设工程(集团)有限责任公司 工程名称:壤塘县伊—日路河口至宗科段监理单位:四川跃通公路工程监理有限公司 合 同 号:通乡B段桩 号: K13+000-K13+150.99路基原地面施工单位:四川水电建设工程(集团)有限责任公司 工程名称:壤塘县伊—日路河口至宗科段监理单位:四川跃通公路工程监理有限公司 合 同 号:通乡B段桩 号: K13+000-K13+150.99路基填方施工单位:四川水电建设工程(集团)有限责任公司 工程名称:壤塘县伊—日路河口至宗科段监理单位:四川跃通公路工程监理有限公司 合 同 号:通乡B段桩 号: K13+161.48-K13+327.92路基原地面。
施工单位:四川水电建设工程(集团)有限责任公司 工程名称:壤塘县伊—日路河口至宗科段监理单位:四川跃通公路工程监理有限公司 合 同 号:通乡B段桩 号: K10+746-K10+753涵顶回填施工单位:四川水电建设工程(集团)有限责任公司 工程名称:壤塘县伊—日路河口至宗科段监理单位:四川跃通公路工程监理有限公司 合 同 号:通乡B段桩 号: K10+998-K11+004涵顶回填施工单位:四川水电建设工程(集团)有限责任公司 工程名称:壤塘县伊—日路河口至宗科段监理单位:四川跃通公路工程监理有限公司 合 同 号:通乡B段桩 号: K11+411-K11+417涵顶回填施工单位:四川水电建设工程(集团)有限责任公司 工程名称:壤塘县伊—日路河口至宗科段监理单位:四川跃通公路工程监理有限公司 合 同 号:通乡B段桩 号: K12+059-K12+065涵顶回填施工单位:四川水电建设工程(集团)有限责任公司 工程名称:壤塘县伊—日路河口至宗科段监理单位:四川跃通公路工程监理有限公司 合 同 号:通乡B段桩 号: K12+167-K12+173涵顶回填施工单位:四川水电建设工程(集团)有限责任公司 工程名称:壤塘县伊—日路河口至宗科段监理单位:四川跃通公路工程监理有限公司 合 同 号:通乡B段桩 号: K12+622-K12+628涵顶回填施工单位:四川水电建设工程(集团)有限责任公司 工程名称:壤塘县伊—日路河口至宗科段监理单位:四川跃通公路工程监理有限公司 合 同 号:通乡B段桩 号: K13+057-K13+063涵顶回填施工单位:四川水电建设工程(集团)有限责任公司 工程名称:壤塘县伊—日路河口至宗科段监理单位:四川跃通公路工程监理有限公司 合 同 号:通乡B段桩 号: K14+107-K14+113涵顶回填施工单位:四川水电建设工程(集团)有限责任公司 工程名称:壤塘县伊—日路河口至宗科段监理单位:四川跃通公路工程监理有限公司 合 同 号:通乡B段桩 号: K14+172-K14+178涵顶回填施工单位:四川水电建设工程(集团)有限责任公司 工程名称:壤塘县伊—日路河口至宗科段监理单位:四川跃通公路工程监理有限公司 合 同 号:通乡B段桩 号: K14+947-K14+953涵顶回填施工单位:四川水电建设工程(集团)有限责任公司 工程名称:壤塘县伊—日路河口至宗科段监理单位:四川跃通公路工程监理有限公司 合 同 号:通乡B段桩 号: K15+597-K15+603涵顶回填施工单位:四川水电建设工程(集团)有限责任公司 工程名称:壤塘县伊—日路河口至宗科段监理单位:四川跃通公路工程监理有限公司 合 同 号:通乡B段桩 号: K16+895-K16+901涵顶回填施工单位:四川水电建设工程(集团)有限责任公司 工程名称:壤塘县伊—日路河口至宗科段监理单位:四川跃通公路工程监理有限公司 合 同 号:通乡B段桩 号: K12+395-K12+401涵顶回填施工单位:四川水电建设工程(集团)有限责任公司 工程名称:壤塘县伊—日路河口至宗科段监理单位:四川跃通公路工程监理有限公司 合 同 号:通乡B段桩 号: K17+640-K17+646涵顶回填施工单位:四川水电建设工程(集团)有限责任公司 工程名称:壤塘县伊—日路河口至宗科段监理单位:四川跃通公路工程监理有限公司 合 同 号:通乡B段桩 号: K10+019.93-K10+300路基原地面施工单位:四川水电建设工程(集团)有限责任公司 工程名称:壤塘县伊—日路河口至宗科段监理单位:四川跃通公路工程监理有限公司 合 同 号:通乡B段桩 号: K10+019.93-K10+300路基填方施工单位:四川水电建设工程(集团)有限责任公司 工程名称:壤塘县伊—日路河口至宗科段监理单位:四川跃通公路工程监理有限公司 合 同 号:通乡B段桩 号: K10+019.93-K10+300路基填方施工单位:四川水电建设工程(集团)有限责任公司 工程名称:壤塘县伊—日路河口至宗科段监理单位:四川跃通公路工程监理有限公司 合 同 号:通乡B段桩 号: K10+019.93-K10+300路基填方施工单位:四川水电建设工程(集团)有限责任公司 工程名称:壤塘县伊—日路河口至宗科段监理单位:四川跃通公路工程监理有限公司 合 同 号:通乡B段桩 号: K10+019.93-K10+300路基填方施工单位:四川水电建设工程(集团)有限责任公司 工程名称:壤塘县伊—日路河口至宗科段监理单位:四川跃通公路工程监理有限公司 合 同 号:通乡B段桩 号: K10+403.77-K10+419.35路基原地面施工单位:四川水电建设工程(集团)有限责任公司 工程名称:壤塘县伊—日路河口至宗科段监理单位:四川跃通公路工程监理有限公司 合 同 号:通乡B段桩 号: K10+403.77-K10+419.35路基填方施工单位:四川水电建设工程(集团)有限责任公司 工程名称:壤塘县伊—日路河口至宗科段监理单位:四川跃通公路工程监理有限公司 合 同 号:通乡B段桩 号: K10+463.63-K10+520路基原地面施工单位:四川水电建设工程(集团)有限责任公司 工程名称:壤塘县伊—日路河口至宗科段监理单位:四川跃通公路工程监理有限公司 合 同 号:通乡B段桩 号: K10+463.63-K10+520路基填方施工单位:四川水电建设工程(集团)有限责任公司 工程名称:壤塘县伊—日路河口至宗科段监理单位:四川跃通公路工程监理有限公司 合 同 号:通乡B段桩 号: K10+680-K10+773.49路基原地面施工单位:四川水电建设工程(集团)有限责任公司 工程名称:壤塘县伊—日路河口至宗科段监理单位:四川跃通公路工程监理有限公司 合 同 号:通乡B段桩 号: K10+680-K10+773.49路基填方施工单位:四川水电建设工程(集团)有限责任公司 工程名称:壤塘县伊—日路河口至宗科段监理单位:四川跃通公路工程监理有限公司 合 同 号:通乡B段桩 号: K10+915.08-K11+000路基原地面施工单位:四川水电建设工程(集团)有限责任公司 工程名称:壤塘县伊—日路河口至宗科段监理单位:四川跃通公路工程监理有限公司 合 同 号:通乡B段桩 号: K10+915.08-K11+000路基填方施工单位:四川水电建设工程(集团)有限责任公司 工程名称:壤塘县伊—日路河口至宗科段监理单位:四川跃通公路工程监理有限公司 合 同 号:通乡B段桩 号: K11+034.27-K11+360.37路基原地面施工单位:四川水电建设工程(集团)有限责任公司 工程名称:壤塘县伊—日路河口至宗科段监理单位:四川跃通公路工程监理有限公司 合 同 号:通乡B段桩 号: K11+034.27-K11+360.37路基填方施工单位:四川水电建设工程(集团)有限责任公司 工程名称:壤塘县伊—日路河口至宗科段监理单位:四川跃通公路工程监理有限公司 合 同 号:通乡B段桩 号: K11+440-K11+749.61路基原地面施工单位:四川水电建设工程(集团)有限责任公司 工程名称:壤塘县伊—日路河口至宗科段监理单位:四川跃通公路工程监理有限公司 合 同 号:通乡B段桩 号: K11+440-K11+749.61路基填方施工单位:四川水电建设工程(集团)有限责任公司 工程名称:壤塘县伊—日路河口至宗科段监理单位:四川跃通公路工程监理有限公司 合 同 号:通乡B段桩 号: K11+980-K11+997.47路基原地面施工单位:四川水电建设工程(集团)有限责任公司 工程名称:壤塘县伊—日路河口至宗科段监理单位:四川跃通公路工程监理有限公司 合 同 号:通乡B段桩 号: K11+980-K11+997.47路基填方施工单位:四川水电建设工程(集团)有限责任公司 工程名称:壤塘县伊—日路河口至宗科段监理单位:四川跃通公路工程监理有限公司 合 同 号:通乡B段桩 号: K12+000-K12+070路基原地面施工单位:四川水电建设工程(集团)有限责任公司 工程名称:壤塘县伊—日路河口至宗科段监理单位:四川跃通公路工程监理有限公司 合 同 号:通乡B段桩 号: K12+000-K12+070路基填方施工单位:四川水电建设工程(集团)有限责任公司 工程名称:壤塘县伊—日路河口至宗科段监理单位:四川跃通公路工程监理有限公司 合 同 号:通乡B段桩 号: K12+100-K12+151.72路基原地面施工单位:四川水电建设工程(集团)有限责任公司 工程名称:壤塘县伊—日路河口至宗科段监理单位:四川跃通公路工程监理有限公司 合 同 号:通乡B段桩 号: K12+100-K12+151.72路基填方施工单位:四川水电建设工程(集团)有限责任公司 工程名称:壤塘县伊—日路河口至宗科段监理单位:四川跃通公路工程监理有限公司 合 同 号:通乡B段桩 号: K12+200-K12+400路基原地面施工单位:四川水电建设工程(集团)有限责任公司 工程名称:壤塘县伊—日路河口至宗科段监理单位:四川跃通公路工程监理有限公司 合 同 号:通乡B段桩 号: K12+200-K12+400路基填方施工单位:四川水电建设工程(集团)有限责任公司 工程名称:壤塘县伊—日路河口至宗科段监理单位:四川跃通公路工程监理有限公司 合 同 号:通乡B段桩 号: K12+437.49-K12+585.04路基原地面施工单位:四川水电建设工程(集团)有限责任公司 工程名称:壤塘县伊—日路河口至宗科段监理单位:四川跃通公路工程监理有限公司 合 同 号:通乡B段桩 号: K12+437.49-K12+585.04路基填方施工单位:四川水电建设工程(集团)有限责任公司 工程名称:壤塘县伊—日路河口至宗科段监理单位:四川跃通公路工程监理有限公司 合 同 号:通乡B段桩 号: K12+666.21-K12+769.07路基原地面施工单位:四川水电建设工程(集团)有限责任公司 工程名称:壤塘县伊—日路河口至宗科段监理单位:四川跃通公路工程监理有限公司 合 同 号:通乡B段桩 号: K12+666.21-K12+769.07路基填方施工单位:四川水电建设工程(集团)有限责任公司 工程名称:壤塘县伊—日路河口至宗科段监理单位:四川跃通公路工程监理有限公司 合 同 号:通乡B段桩 号: K12+815.3-K12+898.39路基原地面施工单位:四川水电建设工程(集团)有限责任公司 工程名称:壤塘县伊—日路河口至宗科段监理单位:四川跃通公路工程监理有限公司 合 同 号:通乡B段桩 号: K12+815.3-K12+898.39路基填方施工单位:四川水电建设工程(集团)有限责任公司 工程名称:壤塘县伊—日路河口至宗科段监理单位:四川跃通公路工程监理有限公司 合 同 号:通乡B段桩 号: K12+929.46-K13+000路基原地面施工单位:四川水电建设工程(集团)有限责任公司 工程名称:壤塘县伊—日路河口至宗科段监理单位:四川跃通公路工程监理有限公司 合 同 号:通乡B段桩 号: K12+929.46-K13+000路基填方施工单位:四川水电建设工程(集团)有限责任公司 工程名称:壤塘县伊—日路河口至宗科段监理单位:四川跃通公路工程监理有限公司 合 同 号:通乡B段桩 号: K13+000-K13+150.99路基原地面施工单位:四川水电建设工程(集团)有限责任公司 工程名称:壤塘县伊—日路河口至宗科段监理单位:四川跃通公路工程监理有限公司 合 同 号:通乡B段桩 号: K13+000-K13+150.99路基填方施工单位:四川水电建设工程(集团)有限责任公司 工程名称:壤塘县伊—日路河口至宗科段监理单位:四川跃通公路工程监理有限公司 合 同 号:通乡B段桩 号: K13+161.48-K13+327.92路基原地面。
压实度检验记录 ( 灌砂法 )
校核人:检验人:
压实度检验(灌砂法)检测样品取样的注意事项
当集料的最大粒径小于15mm、测定层的厚度不超过150mm时,宜采用φ100mm的小型灌砂筒测试;当集料的粒径大于或等于15mm,但不大于40mm,测定层厚度超过150mm,但不超过200mm时,应用φ150mm的大型灌砂筒测试。
灌砂试验前,应对标准砂的密度和锥体质量进行标定。
挖坑时,试坑应周壁竖直,避免出现上大下小或上小下大的情形,否则,检测密度偏大或偏小。
样品取出后应密封,防止水分蒸发,影响检测结果。
填写委托单时必须填清楚工程名称、委托单位、施工单位、代表起止桩号、每个测点的桩号及部位、击实指标、设计或标准要求达到的压实度等信息。