矩形沉井工程设计实例
- 格式:doc
- 大小:517.00 KB
- 文档页数:18
沉井结构设计及案例分析摘要:沉井结构是井筒状的构筑物,在现代工程中,由于周边环境特别紧张,采用基坑支护后的明挖,费用较高,且不能很好的控制周边构筑物的变形,本文从沉井结构的优缺点、构造措施、设计原则、施工步骤等方面进行简单介绍,并结合工程案例进行详细说明,对以后类似的沉井设计和施工作一定的参考。
关键词:沉井结构、案例分析、设计与施工1、沉井结构简介沉井是井筒状的结构物,它是以井内挖土,依靠自身重力克服井壁摩阻力后下沉到设计标高,然后经过混凝土封底并填塞井孔,使其成为桥梁墩台或其它结构物的基础。
一般在施工大型桥墩的基坑、污水泵站、大型设备基础、人防掩蔽所、盾构拼装井、地下车道与车站水工基础施工围护装置时使用。
2、沉井分类按平面形状分类,有圆形沉井,其形状对称、挖土容易,下沉不易倾斜,但与墩、台截面形状适应性差;矩形沉井,与墩、台截面形状适应性好,模板制作简单,但边角土不易挖除,下沉易产生倾斜;圆端形沉井,适用于圆端形的墩身,立模不便,但控制下沉与受力状态较矩形好。
按沉井的建筑材料分类有混凝土沉井,其下沉时易开裂;钢筋混凝土沉井,比较常用;钢沉井,多用于水中施工。
3、沉井特点沉井技术上比较稳妥可靠,施工场地占地面积小,挖土量少,对邻近建筑物的影响比较小;适用土质范围广,淤泥土、砂土、粘土、砾砂等均可施工;施工深度大,最大深度可达100m;沉井基础埋置较深,稳定性好,能支承较大的荷载。
缺点是施工期较长、施工技术要求高、施工中易发生流砂造成沉井倾斜或下沉困难等。
4.沉井结构组成井壁:沉井的外壁,是沉井的主要部分,它应有足够的强度,以便承受沉井下沉过程中及使用时作用的荷载;同时还要求有足够的重量,使沉井在自重作用下能顺利下沉。
刃脚:井壁下端一般都做成刀刃状的“刃脚”,其功用是减少下沉阻力。
隔墙:设置在沉井井筒内,其主要作用是增加沉井在下沉过程中的刚度,同时,又把整个沉井分隔成多个施工井孔(取土井),使挖土和下沉可以较均衡地进行,也便于沉井偏斜时的纠偏。
矩形沉井工程设计实例某小型雨水沉井,地面标高为-0.5m。
对于沉井结构计算及施工计算介绍如下。
一、设计条件1、工程概况根据使用要求,本沉井结构尺寸如附图2-1所示。
沉井平面为矩形,剖面也为矩形,井顶标高为+0.00m,刃脚踏面标高为-11.0m。
制作高度为11.0m,施工时采用两次制作,一次下沉,第一节制作高度为6.0m,井壁厚度为600mm,沉井封底水下混凝土厚度为1.3m。
2、沉井材料混凝土:采用C25;fc=11.9N/mm2, ft=1. 27N/mm2,钢筋:d≥10mm,采用热扎钢筋HRB335;fy=300N/mm2,3、地质资料根据地质钻探资料分析,本沉井工程范围内的的地层,大致可分五层,其物理力学性能指标如附表。
土层物理力学指标二、水、土压力的计算本沉井采用排水法下沉,对于作用在井壁上的水、土压力,采用重液地压公式计算:pw+E=13h当h=0m,pw+E=0h=4.5m, pw+E=13*4.5=58.5kn/m2h=8.6m, pw+E=13*8.6=111.8kn/m2h=9.0m, pw+E=13*9.0=117.7kn/m2h=9.9m, pw+E=13*9.9=128.7kn/m2h=10.5m, pw+E=13*10.5=136.5kn/m2根据上述计算,绘制水压力、主动土压力图形,如下图:三、下沉计算1、沉井自重井壁钢筋混凝土容重按25KN/m3计,沉井重量为GK=(9.0*7.0*11-7.8*5.8*11.0)*25=4884KN2、摩阻力井壁侧面的摩阻力分布如图,单位摩阻力,按《上海市地基基础设计规范》规定:f=25-20 KN/m2。
hk= 5*1/2+5.5=8.0m井壁总摩阻力:Ffk=Uhkf=(9.0+7.0)*8.0*17.5=4480KN下沉系数K= GK /Ffk=4884/4480=1.09≥1.05满足《规程》下沉要求。
四、沉井竖向计算1、抽垫木时井壁竖向计算沉井在开始下沉特别是在抽垫木时,井壁会产生皆大的弯曲应力。
1.工程概况地质资料如下图所示,沉井内径D1=12.5米,沉井结构高度H=15.1米,沉井起沉标高低于地面500mm。
抗浮计算时,考虑施工时降水,地下水位于起沉标高下500mm;强度计算时,考虑施工过程中设备已进场,降水可能中止时出现的最高地下水位,即地下水位于原地面下500mm。
施工采用排水法,三次浇注两次下沉。
考虑地面堆载q m=10kPa。
上部第一层土考虑换填砂层。
企口宽度c=0.3m第一类截面壁厚d=0.65m井壁自重:(标准值)底板底以上G1k=2×(h1×d+h2×t+h3×c)×(b1+L2)×γ1=2354.70KN刃脚G2k=2×[(h7+h5+h6)×b+a×(h5+h6)+h4×a]×(b1+L2)×γ1=2749.50KN井壁自重G ok=G1K+G2K=5104.20KN底板自重G dk=(L1+2b)×(b1+2b)×γ1=5231.25KN封底混凝土自重G fk= 0.25×[L2-2×(a+b)]×[b2-2×(a+b)]×(h7+h6/2)×23=2382.05KN井壁上土重G tk=h1×(t-D)×(L2+b1)=-15.51KN抗浮验算K f= (G0k+G dk+G fk+G tk)/[γs×L2×b2×(H2-h8-h6/2)/4]= 1.89≥ 1.00满足《规范》抗浮要求三、下沉计算摩阻力计算(标准值)单位面积摩阻力f ka= (h1×f k1+h2×f k2+h3×f k3+h4×f k4+h5×f k5+h6×f k6)/(h1+h2+h3+h4+h5+h6)=16.25KPa总摩阻力F fk= (L2+b2)×(H2-h1+H1-2.5)×f ka=4706.77KN排水下沉系数K st= G0k/F fk= 1.08> 1.05满足《规程》下沉要求地基土极限承载力R j=160Kpa排水下沉稳定系数K st,s= G0k/{F fk+0.25×[L2×b2-(L2-2(a+b))×(b2-2(a+b))]×R j}=0.880=0.8~0.9满足《规程》下沉稳定要求29.05m0.75m 2m 刃脚h 6传来的荷载P A1=k 2×((c 1-c 2)×γ1+(c 2-c 3)×γ2)×λ1+k 4×(c 2-c 3)×γs +k 3×q m ×λ1=244.58kN/m 2P A2=k 2×((c 1-c 2)×γ1+(c 2-c 4)×γ2)×λ1+k 4×(c 2-c 4)×γs +k 3×q m ×λ1=255.91kN/m2P B1=k 2×((c 1-c 2)×γ1+(c 2-c 3)×γ2)×λ2+k 4×(c 2-c 3)×γs +k 3×q m ×λ2=284.92kN/m 2P B2=k 2×((c 1-c 2)×γ1+(c 2-c 4)×γ2)×λ2+k 4×(c 2-c 4)×γs +k 3×q m ×λ2=297.88kN/m2P A =0.5×(P A1+P A2)×(c 3-c 4)=150.15kN/m P B =0.5×(P B1+P B2)×(c 3-c 4)=174.84kN/m 截面受力q A =(k 2×((c 1-c 2)×γ1+(c 2-b 01)×γ2)×λ1+k 4×(c 2-b 01)×γs +k 3×q m ×λ1)×h c +P A=633.66kN/m q B =(k 2×((c 1-c 2)×γ1+(c 2-b 01)×γ2)×λ2+k 4×(c 2-b 01)×γs +k 3×q m ×λ2)×h c +P B =738.19kN/mω=q B /q A -1=0.1650-886.68KN·m/m -813.98KN·m/m 5403.99KN 5178.73KN2700mm 2/m 选筋d25@15029.30m截面受力:q A =k 2×((b 1-b 2)×γ1+(b 2-b 02)×γ2)×λ1+k 4×(b 2-b 02)×γs +k 3×q m ×λ1=237.04kN/m2q B =k 2×((b 1-b 2)×γ1+(b 2-b 02)×γ2)×λ2+k 4×(b 2-b 02)×γs +k 3×q m ×λ2=276.28kN/m 2ω=q B /q A -1=0.1655-332.82KN·m/m -305.53KN·m/m 2022.31KN/m 1937.76KN/m1700mm 2/m选筋d20@1501、计算截面一:取刃脚根部以上1.5倍井壁厚度一段进行环向计算2、计算截面二:取刃脚影响区以上单位高度井壁进行计算,计算点标高为底板底标高 刃脚根部段中心标高计算高度h c =1.5(a+b)=为便于计算取h c =h 5=截面内力:M A = -0.1488qAr2ω =M B = -0.1366qAr2ω =N A =qAr(1+0.7854ω) =N B =qAr(1+0.5ω) =截面内力:M A = -0.1488qAr2ω =M B =-0.1366qAr2ω =N A =qAr(1+0.7854ω) =N B =qAr(1+0.5ω) =按压弯构件强度配筋,由理正软件计算得内外侧均为构造配筋,面积= 按压弯构件强度配筋,由理正软件计算得内外侧均为构造配筋,面积=35.15m截面受力:q A =k 2×((c 1-c 2)×γ1+(c 2-b 03)×γ2)×λ1+k 4×(c 2-b 03)×γs +k 3×q m×λ1=126.66kN/m 2q B =k 2×((c 1-c 2)×γ1+(c 2-b 03)×γ2)×λ2+k 4×(c 2-b 03)×γs +k 3×q m ×λ2=149.89kN/m2ω=q B /q A -1=0.1834-197.03KN·m/m -180.88KN·m/m 1094.00KN/m 1043.95KN/m1700mm 2/m选筋d20@150五、纵向弯曲计算(四支点)90.50KN/m 108.60KN/m 7.550m 685.35KN·m/1328.29KN·m/643.97KN 205.18KN·m/11.86m 7.12m 321.05mm 2/m5d22622.24mm 2/m 4d25+2d20由于剪力和扭矩均较小,垂直钢筋按其他工况配置。
浅谈某大型矩形沉井结构设计要点发表时间:2020-04-27T05:40:40.545Z 来源:《建筑细部》2020年第2期作者:王晓晨[导读] 经过实践证明,依据设计方案和建议,该大型矩形沉井顺利下沉并投入使用。
合肥市市政设计研究总院有限公司摘要:以亳州市某排涝泵站为例,根据现场地质水文条件及周边环境,针对大型矩形沉井的设计难点,提出针对性的设计方案和建议,经过实践证明,依据设计方案和建议,该大型矩形沉井顺利下沉并投入使用。
关键词:大型矩形沉井;止水帷幕;下沉近年来,随着城市建设发展迅速,城市人口不断增长、面积不断扩大、城市不透水地面面积增加、湿地面积的减少,导致其水文规律发生了较大改变,造成城市局部区域雨季易出现积水现象。
城市雨水排放系统为重要的市政基础设施之一,承担着极为重要的城市功能。
城市暴雨时局部出现内涝、路面积水,排水存在雨、污混接现象,造成水环境污染,给城市环境带来一定的负面影响,给人民群众的财产带来损失,这些都制约了城市的进一步发展。
为了解决城市内涝的问题,提高城市整体排水能力,城市排水系统更新换代的同时,一些大型的排涝泵站也随之配套建设起来。
1 工程概况亳州市某排涝泵站,平面尺寸为30.7mX21.5m,深11m,泵站北侧约50m为涡河,西侧35m为在建过河隧道,东侧和南侧15m为现状一层或二层民房。
2 工程地质根据地勘报告,本工程宏观地貌单元为淮北冲积平原,微地貌单元为涡河Ⅰ级阶地。
场地地基土按成因类型、形成时代、工程性质,自上而下可分为5个工程地质层,1个亚层。
各层岩土的分布、物理力学性质分述如下:①素填土(Q4ml):黄褐色,松散,主要为粉土、粉质粘土构成,含少量砖渣等建筑垃圾。
①-1淤泥(Q4pu):黑灰色,流塑,主要为粘性土和粉土构成,味略臭。
②粉土(Q4al):黄褐色,稍湿-湿,稍密-中密状,干强度低、韧性低、摇振反应迅速。
③粉质粘土(Q4al):黄褐色-灰黄色,可塑偏软状,切面有光泽,手感细腻,可见云母碎片,干强度中等,韧性中等,摇振反应无。
水中承台施工沉箱设计方案------京沪高速铁路德禹特大桥徒骇河施工沉箱设计一、工程概况京沪高速铁路德禹特大桥跨越徒骇河设计为四个水中墩基础,徒骇河为季节性河道,主要用于农田灌溉、排泄沥涝。
河面宽度大约为140m。
线路与徒骇河斜交,河与线路中心线夹角为81°。
水中墩号分别O56#、O57#、O58#、O59#。
矩形台阶式承台,下台高度2米,上台高度1.5米,底台平面尺寸为11m×8m。
徒骇河水中桩基础采用筑岛围堰进行施工,水中承台基坑开挖深度约为8m(最大深度),拟采用薄壁钢筋砼沉箱进行承台施工。
二、沉箱设计有关说明(一)徒骇河水文数据徒骇河参数一览表(二)施工承台有关数据施工承台参数一览表(三)设计参考依据1、《德禹特大桥京沪高京徐施桥-05(O )段》图纸;2、同济大学出版社《沉井设计与施工》,作者:段良策,殷奇;3、《铁路桥涵地基和基础设计规范》。
(四)拟定沉箱设计尺寸拟采用薄壁矩形沉箱(就地浇筑下沉沉井)进行承台施工,尺寸为11.3m ×8.3m ×8m ,井壁内侧做成台阶式,分四节制造和下沉,长度11.3m ,宽度8.3m ,厚度0.15~0.3m ;沉井材料:混凝土采用C35(搅拌时掺入早强剂),钢筋采用热轧钢筋HRB335φ12、φ20,横向钢筋间距15cm 、20cm 、25cm ,其中刃脚钢筋间距20cm ;竖向钢筋间距40cm ,起架立筋作用;混凝土和钢筋总数量根据承台情况而定,11.3m8.3m纵横向支撑梁沉箱剖面、平面图四、设计思路及要点㈠设计总体思路德禹特大桥O56#、O57#、O58#、O59#承台设计埋深较大,上台阶标高位于河床以下,开挖难度大。
最初拟定采用钢板桩施工开挖方案,根据施工现场实际情况,从技术、经济及安全角度比选,后拟定采用钢筋砼薄壁沉箱进行施工。
采用薄壁沉箱施工有类似工程的施工经验,造价成本较低(与钢板桩施工方案比较),可确保施工安全和施工质量。
大截面超深度矩形结构水下沉井法施工摘要:沉井施工主要应用于水利水电施工,广泛应用于桥梁、水利大坝基础、隧道工程、水泵房、地下油库、水池竖井等深井构筑物和盾构或顶管的工作井。
沉井结构整体刚度大,整体性好,抗震性好;沉井施工地质适用范围广,对周围环境影响小,适用于对土体变形敏感的地区。
创新采用“对称分层开挖及增加摩阻力方法”、“不排水的湿式沉井法”、“对角线两角除、填土法”等进行翻车机室沉井施工,总结形成了《翻车机室超重大型单箱沉井施工技术》,已经在天津华电南港热电工程项目中成功应用,经济和社会效益显著。
关键词:沉井施工;湿式沉井法;填土法1前言目前就国内外项目,沉井施工主要应用于水利水电施工,沉井施工地质适用范围广,对周围环境影响小,适用于对土体变形敏感的地区;沉井结构本身兼做围护结构,不需另加设支撑和防水措施,但在火电厂建设中的应用还较少。
在当前安全成本高、工期紧张、施工场地紧凑的情况下,沉井施工技术可以减轻施工工作量,缩短施工工期,降低施工安全风险。
翻车机室地下基础为沉井结构,外轮廓尺寸为31.9米(长)×28.9米(宽),刃脚底标高为-23.05米,沉井下沉总深度为22.6米,结构总重约15489.715吨。
因该沉井体积庞大,大截面超深度矩形结构施工工艺复杂,施工难度大。
在施工中存在突沉现象,涌水涌砂现象,沉井扭转和高差难控制等施工难题。
针对以上施工难题,华电重工股份有限公司成立了“翻车机室大截面超深度矩形结构沉井施工”技术研究攻关组,创新的采用了“对称分层开挖及增加摩阻力方法”、“不排水的湿式沉井法”、“对角线两角除、填土法”等进行翻车机室沉井施工,总结形成了《翻车机室超重大型单箱沉井施工技术》,已经在天津华电南港热电工程项目中成功应用,经济和社会效益显著。
2施工特点2.0.1使用“对称分层开挖及增加摩阻力方法”进行沉井下沉施工,解决了沉井突沉的问题,提高了对沉井下沉过程中控制,确保沉井过程中安全。
沪通长江大桥27#墩钢沉井坐床控制摘要:27#墩为沪通长江大桥边墩,其基础施工受长江潮位、水流流速和河床变化影响大,技术复杂。
27#墩基础采用倒圆角的矩形沉井基础。
为保证沉井达到设计标高及后续施工,在钢沉井下沉施工中,进行了一系列的控制,并采取了的新措施,效果良好。
关键词:钢沉井;定位;施工控制一、工程概况沪通长江大桥主航道桥为双塔连续钢桁梁斜拉桥结构,主航道桥桥式布置见图1。
27#墩为沪通长江大桥边墩,沉井上部为钢筋混凝土结构,下部为钢结构。
其基础采用倒圆角的矩形沉井基础方案,27#墩沉井基础总高80m,其中下部钢沉井高度为38m,分6节制造,上部混凝土沉井高42m,沉井底节壁厚1.6m,隔墙厚1.2m,为方便吸泥取土下沉,沉井底节平面布置为6个11.2m×11.2m井孔。
单位:m图1 沪通长江大桥主航道桥式布置图2 27号墩沉井结构表1.1 27#墩基础施工参考的最大流速二、水文情况水位受潮汐影响大于径流影响。
浏海沙水道一般情况下落潮流速明显大于涨潮流速,天生港水道大潮条件下,涨潮流速一般不大于落潮流速。
冲刷计算最大流速见表1.1。
冲刷计算采用实测资料推算的设计单宽流量,结合水工试验部分成果,按铁路桥渡勘测设计规范公式推求。
冲刷计算成果见表1.2 。
表1.2 27#墩墩位处冲刷计算表(单位:m)三、施工方案27#墩钢沉井采用井内4根钢管桩形成定位系统,首先用浮吊、打桩锤等设备插打内置定位桩。
定位桩插打完成后,利用运输船运输底节钢沉井至桥位处,采用1300t浮吊分节进行吊放,沿定位导向结构下放底节钢沉井至水中,底节20m 吊装完成后,灌注钢沉井2.5m刃脚混凝土,定位、焊接完成后进行第顶节18m 钢沉井吊装接高,最后利用“浮吊吊放+快速注水”的方法下沉至河床稳定深度。
钢沉井接高过程见图2。
图2 顶节沉井吊装接高(单位:m)四、施工质量的控制4.1定位桩设置井内钢锚桩定位系统,分别钢锚桩顶部设置上导向结构和沉井结构处设置下导向,。
2.1.1 工艺设计泵房设计规模为:近期3400m3/d,总变化系数Kz=1.81;远期5400m3/d,总变化系数Kz=1.73.2.1.2、主要构(建)筑物地下方形泵房一座,钢筋砼结构,泵房内由隔墙分隔成格栅井、水泵工作室、并与闸门井合建,加上出水槽,平面尺寸:地下部分12.65*5.2*7.85(H),地上部分5.2*4.04*4.8(H),流量计井4.7*2.7*1.7(H)。
地上为管理房,由控制室、值班室组成2.1.3、建筑、结构、电气工程详见各部分设计图纸及说明。
2.1.4、泵站内道路、给排水管道及围墙施工三、施工组织机构配置我公司成立了“大丰市草堰—白驹污水收集管网工程项目部”,配备专业化施工队伍,实行工程项目部和施工队二级管理模式。
项目部设项目经理1名、项目副经理1名、总工程师1名等领导班子和八个职能部门。
各部门设若干关键岗位的主管人员。
项目经理负责本合同段的全面工作,总工程师负责技术、质量的全面管理,副经理负责现场工程进度计划的落实和对外协调工作,施工队伍按项目部编制的实施性施工组织设计负责实施。
组织机构框图及各部室的工作职能见附表1、附表24.1、施工部署根据建设单位及项目公司的总体要求,对泵站施工方案进行了优化必选,确定了先施工沉井后施工管理房,先土建后安装电气设备的总体施工部署。
沉井预制砼采用商品砼,由砼泵车泵送至模板内。
根据工期总体要求,沉井施工工期为3个月,为了保证工期,我方拟定进度计划如下4.1.1施工准备场地平整、施工放样4.1.2沉井预制沉井预制沉井下沉底板封底、隔墙及顶板施工4.1.3 管理房及泵房施工4.1.4 电气设备安装、调试4.1.5 管道及其他零星工程五、本工程主要难点及针对性技术措施5.1 泵房沉井(尺寸),需要分节预制,高空作业是沉井预制中的一项难点工程:5.2 沉井下沉过程中,沉井纠偏、突沉、干封底施工;针对性技术措施:﹙1﹚加强安全教育,提高安全意识;增加安全防护措施,详见安全文明施工措施。
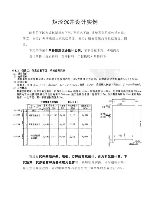
矩形沉井设计实例沉井的下沉方式包括排水下沉、不排水下沉;井壁顶部约束包括自由、简支、固定;井壁底部约束包括简支、固定;底板边缘约束包括简支、固定。
本文档为某个单格矩形沉井设计实例,依靠自重下沉,四边简支。
设计条件(地质资料、沉井材料、工程概况)具体如下:需进行沉井基础井壁、底板、刃脚的荷载统计、内力和配筋计算,下沉验算,抗浮验算和地基承载力验算等,利用软件实操,同时根据手册计算公式计算全过程,针对电算结果与手册公式计算结果的差异进行分析。
软件操作利用理正CAD云进行:首先根据沉井类型,选择矩形沉井模块。
点击进入后,根据设计条件进行参数设置,设置沉井各节高度和壁厚等设置土层信息时需注意:手册在计算土压系数时考虑了黏聚力,软件目前不能交互黏聚力,可通过提高内摩擦角来考虑黏聚力的影响,用等效内摩擦角代替。
获取计算结果后,进行下沉验算、井壁竖向弯曲、刃脚向内弯曲、底板内力的检查,与手册计算结果对比,分析数据差异:(一)下沉验算【沉井下沉验算手册计算结果】【沉井计算软件电算结果】【差异分析】井壁自重:手册是按照井壁内侧所围图形计算的周长,即2(L10-t+L20-t),软件是按照井壁中心线所围图形计算的周长,即2(L10+L20)。
刃脚阻力:手册是按照整个井壁考虑,图 (a)所示);软件按刃脚斜面部分按三角形分布考虑,图(b)所示(依据《公路地基规范》7.3.2条)。
(二)井壁竖向弯曲【沉井井壁竖向弯曲手册计算结果】【沉井计算软件电算结果】计算跨度(主要原因):手册按井壁中心线取的跨度,即L01、L02;软件《沉井结构规程》(CECS 137-2015)是按井壁外侧线取的跨度,即L1、L2,(依据:第6.3.1条。
软件计算结果偏保守一些,更安全。
(三)刃脚向内弯曲【沉井刃脚向内弯曲手册计算结果】【用理正沉井计算软件电算结果】手册结果和软件结果结果基本一致(四)井壁水平框架内力【沉井井壁水平框架内力手册计算结果】【用理正沉井计算软件电算结果】【差异分析】(五)底板内力【沉井底板内力手册计算结果】【用理正沉井计算软件电算结果】【差异分析】计算跨度:手册按井壁中心线取的跨度,软件按井壁外侧线取的跨度。
上海某污水处理厂扩建工程粗格栅沉井施工方案(附示意图、含计算书).doc预览说明:预览图片所展示的格式为文档的源格式展示,下载源文件没有水印,内容可编辑和复制上海某污水处理厂扩建工程粗格栅沉井施工方案(附示意图、含计算书).doc上海市白龙港污水处理厂扩建二期工程预处理区施工工程w2.3标粗格栅沉井施工方案编号:版本号:发放编号:编制:复核:审核:批准:有效状态:中铁四局白龙港污水处理厂扩建二期工程预处理区施工工程项目部2010年01月20日目录一、编制依据 (2)二、工程概述 (2)三、施工工艺流程 (3)四、现场管理机构 (3)五、施工方案 (4)六、安全措施与安全保证体系 (36)1一、编制依据《上海市白龙港城市污水处理厂扩建二期工程—粗格栅及进水泵房—岩土工程详细勘察报告》《工程测量规范》(GB 50026-2007)《建筑变形测量规范》(JGJ 8-2007)《给水排水构筑物施工及验收规范》(GBJ 141-90)《建筑结构荷载规范》(GB 50007-2002)《混凝土结构设计规范》(GB 50010-2002)《建筑地基基础设计规范》(GB 50007-2002)《给水排水工程钢筋混凝土沉井结构设计规程》(CECS 137:2002)二、工程概述粗格栅井采用沉井施工,设计尺寸为28.4×48.2×22.2,标高1.4~-2、6的池壁为1300mm、-2.6~-12.3为1600mm,沉井池壁刃脚高4m,隔墙刃脚高2.5m,整个沉井长宽比接近2:1,且高度较高。
下沉穿越的土层复杂,下沉深度大,设计要求三次制作二次下沉,第二次下沉又采用不排水下沉。
第一次沉井浇筑标高度为11.0m(框架2浇筑至中部梁顶),采用坑外降水,排水下沉至-3.600m标高,再浇筑7.6m高池壁(框架浇筑至顶梁顶),第二次采用不排水下沉至设计标高。
另在下沉过程中,穿越②3层灰色砂质粉土时,易产生流砂,造成突沉现象。
大型矩形沉井施工技术[摘要]城市建成区的施工与大开挖相比,沉井应用较为广泛,以瑶海区南淝河初期雨水截留调蓄工程为例,通过高压旋喷桩进行土体加固,实现淤泥质地质条件下的沉井运用,总结其相关成套经验。
[关键字]沉井;高压旋喷桩;下沉;引言随着城市建成区规模的扩大,雨水处理能力略显不足,因此,加大雨水构筑物的建设迫在眉睫,城市建成区不具备采用大开挖的条件,因此沉井工程的应用频率大幅上升。
本文以瑶海区南淝河初期雨水截留调蓄工程为例,通过沉井下沉过程中穿越淤泥质土层,采用高压旋喷桩进行土体加固,拓宽沉井下沉施工条件的工程实例,阐述工程施工流程。
1、高压旋喷桩加固根据地质勘探报告的分析,本工程的有关地质条件对沉井工程将产生不利的影响。
主要因素有:沉井的沉入深度需穿过淤泥质粉质粘土层体。
该层土体为流塑状态粘性土,湿,流塑状态,高压缩性,承载强度低,物理力学性质很差,因此刃脚地基需要采取土体加固措施,以保证沉井的稳定和控制沉降量。
该土层位于拟建场地北侧地下土层为粉质黏土与淤泥质粉质黏土交界处,依据地质勘察报告淤泥质粉质黏土厚度为3到5米,故采用高压旋喷桩对沉井刃脚下土体进行加固,以保证沉井下沉的稳定和沉降量的控制。
为确保混凝土沉井在沉井过程中穿越淤泥质土层时均匀下沉,并不发生倾斜,刃脚踏面宽度为400mm,在沉井北侧刃脚范围内采用高压旋喷φ600@600深10米进行加固,采用P.O.42.5级普通硅酸盐水泥,水泥掺量25%,水泥浆液的水灰比0.8。
高压旋喷桩28d无侧限抗压强度标准值不应小于0.8MPa。
本工程拟采用双重管旋喷法,工艺流程为施工准备→测量定位→机具就位→钻孔至设计标高→旋喷开始→提升旋喷注浆→旋喷结束成桩。
喷浆管下沉到达设计深度后,停止钻进,旋转不停,喷射时,高压泥浆泵压力增到施工设计值(20~40MPa),坐底喷浆30s后,边喷浆,边旋转,水泥浆与桩端土充分搅拌后,再边喷浆边反向匀速旋转提升注浆管,提升速度≤0.2m/min,旋转速度10~20r/min,直至距桩顶1米时,放慢搅拌速度和提升速度。
矩形沉井计算(工作井)★工程概况★沉井参数(节段编号由地面向上)下沉系数k st =(∑G ik -∑F fw.k )/∑F fk =1.42≥1.05k st = 1.20★沉井下沉稳定计算基底极限承载力(kpa):σbi =150.00基底反力(kN):R b =2945.24稳定系数k st,s =(∑G ik -∑F fw.k)/(∑F fk +R b )=0.67≤0.90稳定系数满足要求。
.★沉井抗浮计算抗浮系数k st =(∑G ik +G d )/∑F bfw.k底板面积(m 2):A=26.00地板厚度(m):t=0.65底板重力(kN):G d =422.50沉井重力∑G ik =4400.00基底浮力∑Fbfw.k =1050.00矩形沉井计算工程名称:东门水厂管道改造工程。
根据使用要求,沉井平面设计为矩形,平面尺寸为6m×4m,高度为16m。
沉井采用三次制作,第一节制作高度为6m,第二节制作高度为5m。
k st= 4.59≥ 1.00抗浮系数满足要求。
★沉井施工阶段井壁竖向抗拉计算本工程地基为均匀软土地基,沉井下沉系数较大,可不进行竖向拉断计算。
配筋按构造配筋即可配12mm@100mm沉井结构强度计算★沉井定位支撑条件下的井壁计算Array◆内力计算沉井净长l= 6.50(m)沉井净宽b= 4.00(m)井壁厚度t=0.50(m)节段高度h= 6.00(m)支撑布置如右图,计算得到效应为:跨中最大弯矩Mo=26.25(kN.m)支座弯矩Ms=-198.83 (kN.m)◆配筋计算按深梁进行配筋(参照《混凝土结构设计规范》GB20010-2002)深梁计算跨度l o=0.7*l o= 4.90(m)深梁高h= 6.00(m)l o/h=0.82≤ 2.50按深梁计算截面b=t=0.50(m)砼等级----C25h o=0.9h= 5.40(m)砼抗压强度设计值f c=11.90(MPa)跨中最大组合弯矩M o=31.50(kN.m)受压区x=1.08(x<0.2h o 时,取0.2ho)内力臂z=(0.8+0.04*l o/h)(h o-0.5x)= 2.94(m)(l o<="">取HRB400直径20.00mm 2.00根支座组合弯矩Ms=-238.60 (kN.m)受压区x=1.08(x<0.2ho时,取0.2ho)内力臂z=(0.8+0.04*lo/h)(ho-0.5x)= 2.94(m)(lo<=""> 取HRB400直径16.00mm 2.00根由于剪力和扭矩均较小,垂直钢筋按其他工况配置。
矩形沉井结构设计计算1、设计条件井壁厚t 1=0.6m ,外长11L =7.2m ,外宽12L =4.2m ,刃脚踏面宽度a=0.3m ,b=0.30m ,c=1.48m ,刃脚斜面高度l h =0.52m ,底板厚度取0.6m ,高H=8.7m 。
2、抗浮验算验算使用阶段抗浮沉井井壁自重标准值为:G k =2794.5KN 底板自重为:G 底=225.0 KN 总重为:G= G k + G 底=3019.5KN浮力为:,bfw k F =2254.9KN沉井抗浮系数为:k fw =G/,b fw k F =1.34>1.0,满足抗浮要求 3、下沉验算多层土的加权平均单位摩阻力标准值为:f ka =17.17kPa井壁总摩阻力为标准值为:F fk =2427.5KN由于采用排水下沉,故下沉过程中水对沉井的浮力,fw k F =0沉井下沉系数为:k st =(G k -F fw,k )/ F fk =1.15>1.05,满足下沉要求。
4、封底验算因考虑排水下沉,可以采用干封底,无需进行封底计算。
5、下沉前井壁竖向弯曲计算(采用四个支点)(1) 单位周长井壁自重标准值:g=137.9KN/m(2)单位周长井壁自重设计值: g s =1.27g=175.2KN/m(3)进行内力计算:支座弯矩210*(*0.15)2M g L =支= 85.84KN/m跨中弯矩210*(*0.17)2M g L M =-中支=381.51KN/m (4)按深梁进行配筋: 跨中:内力臂:1100.65z L ==4.29m1s y A M f z =中=286.92mm支座:内力臂:2100.6z L ==3.96m2s y A M f z =支=69.932mm因求得的钢筋值很小,按构造配筋已能满足要求。
6、刃脚计算水平框架作用的判别4441010(0.1)(0.05)f l a L h L =⨯+=1.999>1.0,因f a >1.0 (1) 刃脚根部向外弯曲(取刃脚入土位置): 刃脚斜面与水平夹角为:θ=60° 刃脚高度为:h l =520mm假定刃脚斜面与土的外摩擦角为:β0=20° 取开始下沉时入土深度为:h s = h l =520mm沉井刃脚底端的竖向地基反力为:R j = g s =175.2KN/m刃脚内侧水平推力之和为:p l = ()[(2tan )]tan j s s R h h a θθ+-β=49.02KN/m刃脚底面地基反力的合力偏心距为:dl= 2tan (32)(612tan )l s s h h a b h a θθ-++=0.067m刃脚根部向外的弯矩为:Ml= (3)l l s j l p h h R d -+=28.71KN*m (2) 刃脚根部竖向的向内弯曲(取沉至设计标高) 等效内摩擦角为:D φ=17.51°刃脚上部水平向侧压力设计值:P ’epl=110.81kN 刃脚底端水平向侧压力设计值:Pepl=146.18 kN刃脚根部向内的竖向弯矩为:Ml= 2(2')epl epl l P P h +/6=18.17KN*m (3) 配筋计算(按承载能力配筋)内侧垂直配筋:Φ16@100 外侧垂直配筋:Φ16@1007、井壁环向计算(封底前)(1) 取刃脚根部以上1.5倍井壁厚度一段进行配筋计算:计算高度:h cal =1.5t=0.9m 1)强度计算配筋井壁所受荷载为''1epl P P ==110.81kN 刃脚范围内传来的水平荷载:'()2epl epl l P P P h =+=66.82kN 因f a>1.0,水平框架的水平荷载不作修正,井壁所受的总荷载为'11s P P P =+=177.62kN 跨中弯矩:211024s M P L =中=322.38KN*m ,所以配筋为Φ20@100 支座弯矩:211012s M P L =支=644.76KN*m ,所以配筋为Φ28@100 2)裂缝验算井壁所受荷载为(标准值)''1AL P P ==92.24kN 刃脚范围内传来的水平荷载:'()2AL AL l P P P h =+=56.92kN井壁所受的总荷载为'11P P P =+=149.17kN 跨中弯矩:211024M PL =中=270.74KN*m ,所以配筋为Φ20@100(ω=0.186mm ) 支座弯矩:211012M PL =支=541.49KN*m ,所以配筋为Φ28@100(ω=0.174mm )(2) 取刃脚根部影响区以上单位高度井壁进行计算:1)强度计算配筋井壁所受的荷载为2s P =119.87kN 跨中弯矩:221024s M P L =中=217.56KN*m ,所以配筋为Φ18@100 支座弯矩:221012s M P L =支=435.13KN*m ,所以配筋为Φ25@100 2)裂缝宽度验算井壁所受的荷载为2P =105.83kN 跨中弯矩:221024M P L =中=192.08KN*m ,所以配筋为Φ18@100(ω=0.167mm ) 支座弯矩:221012M P L =支=384.16KN*m ,所以配筋为Φ25@100(ω=0.159mm )8、施工阶段的井壁竖向抗拉计算由于本工程地基为土质均匀的软土地基,沉井下沉系数较大,不必进行竖向拉断计算。
沉井施工方案(1)沉井施工要求本工程共设7m×3m矩形工作井10座, 5m×3m方形接收井9座,共计:19座沉井,钢筋混凝土结构。
1)沉井下沉过程中采取排水下沉,排水下沉建议采用井内抽排的方式。
2)沉井制作前应按《给水排水构筑物工程施工及验收规范》(GB 50141—2008)第7。
3节沉井的要求铺设砂垫层和垫木;沉井抽除垫木下沉,应在砼达到设计强度后进行;刃脚斜面的模板,应在混凝土强度达到设计强度的70%及以上时方可拆除。
3)浇筑沉井前应清除表面虚土,筑捣砂垫层.4)沉井下沉、终沉的允许偏差应符合《给水排水构筑物工程施工及验收规范(GB50141—2008)的规定.5)下沉前,刃脚内侧(包括凹槽)应打毛,打毛范围不应小于封底混凝土和底板混凝土的接角面.6)排水法施工沉井下沉过程中应做好施工排水工作,确保沉井在下沉过程中至钢筋砼底板封底未达到设计强度前,始终保持地下水位不超过刃脚底面.7)通过降水进行干封底时,底板在降水情况下施工,待底板混凝土强度达到100%后,再停止降水。
8)沉井下沉过程中,如井壁外侧土体发生塌陷,应及时采取回填措施,以减少下沉时四周土体开裂、塌陷对周围环境的影响。
9)沉井下沉前应检查混凝土强度和抗渗等级,刃脚、筒壁、底梁混凝土强度达到设计强度100%后方可进行第一次下沉.其余各节应达到设计强度的70%方可下沉,根据勘测报告验算下沉系数,当下沉系数较大时,可沿井壁外围回填土方,增大总摩擦力.10)下沉挖土:刃脚部位采用跳仓破土,使沉井均匀下称。
由沉井中间开始逐渐向四周扩展,每层挖土厚度500mm,沿刃脚周围保留0.5~1.5m土堤,然后沿沉井壁,每2~3m一段向刃脚方向逐层、对称、均匀的削薄土层,每次50~100mm,当土层受刃脚挤压破裂后,沉井在自重作用下均匀垂直下沉,使不产生过大倾斜。
11)沉井下沉过程中遇软弱土层可能下沉过快时,可采取以下措施:用木垛在定位垫架处给以支承,并重新调整挖土,在刃脚下不挖或部分不挖土;在沉井外壁间填粗糙材料,或将井筒外的土夯实,加大摩阻力,如沉井外部的土液化发生虚坑时,可填碎石处理;减少每一节筒身高度,减轻沉井重量。
浅述大中型矩形沉井的设计及施工要点——以上海海运公司污水池为例I. 简介A. 背景介绍B. 研究目的和意义C. 论文结构II. 大中型矩形沉井设计要点A. 设计原则和规范B. 概念设计和详细设计流程C. 结构和材料选择D. 设计计算和优化III. 大中型矩形沉井施工要点A. 施工前的准备工作B. 施工过程中的关键工序C. 施工质量控制D. 安全措施和环境保护IV. 案例分析:以上海海运公司污水池为例A. 项目概况和设计要求B. 设计过程和方案选择C. 施工现场管理和技术难点克服D. 施工质量验收和成果评价V. 结论和展望A. 总结和评价B. 不足之处和改进建议C. 未来研究方向和应用前景注:以上提纲仅供参考,具体内容和章节顺序可根据需要进行适当调整。
I. 简介A. 背景介绍大中型矩形沉井作为一种用于处理废水的技术,在工业废水处理、城市污水处理、农村污水处理等领域得到广泛应用。
矩形沉井的原理是通过引入废水使其在矩形池中由于停留时间长、径流速度慢而使固体物质沉降,从而达到废水分离、净化的目的。
其处理效果稳定可靠,运行成本低,是一种比较经济实用的废水处理技术。
但是,大中型矩形沉井的设计和施工并非易如反掌,在实践中需要掌握一定的技术要点才能保证其稳定运行和长期效益。
B. 研究目的和意义本文旨在探讨大中型矩形沉井的设计和施工要点,以提高工程师和技术人员的设计施工能力和水平,为大中型矩形沉井的实际应用提供技术支持。
具体地,讨论的内容包括矩形沉井的设计原则和规范、概念设计和详细设计流程、结构和材料选择、设计计算和优化、施工前的准备工作、施工过程中的关键工序、施工质量控制、安全措施和环境保护等方面。
C. 论文结构本文共分为五个章节,结构如下:第一章:简介第二章:大中型矩形沉井设计要点第三章:大中型矩形沉井施工要点第四章:案例分析:以上海海运公司污水池为例第五章:结论和展望第二章将阐述大中型矩形沉井的设计思路和方法,着重讨论设计的原则和规范、概念设计和详细设计流程、结构和材料选择、设计计算和优化等关键要点。
矩形沉井工程设计实例某小型雨水沉井,地面标高为-0.5m。
对于沉井结构计算及施工计算介绍如下。
一、设计条件1、工程概况根据使用要求,本沉井结构尺寸如附图2-1所示。
沉井平面为矩形,剖面也为矩形,井顶标高为+0.00m,刃脚踏面标高为-11.0m。
制作高度为11.0m,施工时采用两次制作,一次下沉,第一节制作高度为6.0m,井壁厚度为600mm,沉井封底水下混凝土厚度为1.3m。
2、沉井材料混凝土:采用C25;fc=11.9N/mm2, ft=1. 27N/mm2,钢筋:d≥10mm,采用热扎钢筋HRB335;fy=300N/mm2,3、地质资料根据地质钻探资料分析,本沉井工程范围内的的地层,大致可分五层,其物理力学性能指标如附表。
土层物理力学指标二、水、土压力的计算本沉井采用排水法下沉,对于作用在井壁上的水、土压力,采用重液地压公式计算:p w+E=13h当h=0m,p w+E=0h=4.5m, p w+E=13*4.5=58.5kn/m2h=8.6m, p w+E=13*8.6=111.8kn/m2h=9.0m, p w+E=13*9.0=117.7kn/m2h=9.9m, p w+E=13*9.9=128.7kn/m2h=10.5m, p w+E=13*10.5=136.5kn/m2根据上述计算,绘制水压力、主动土压力图形,如下图:三、下沉计算1、沉井自重井壁钢筋混凝土容重按25KN/m3计,沉井重量为G K=(9.0*7.0*11-7.8*5.8*11.0)*25=4884KN2、摩阻力井壁侧面的摩阻力分布如图,单位摩阻力,按《上海市地基基础设计规范》规定:f=25-20 KN/m2。
h k= 5*1/2+5.5=8.0m井壁总摩阻力:F fk=Uh k f=(9.0+7.0)*8.0*17.5=4480KN下沉系数K= G K /F fk=4884/4480=1.09≥1.05满足《规程》下沉要求。
四、沉井竖向计算1、抽垫木时井壁竖向计算沉井在开始下沉特别是在抽垫木时,井壁会产生皆大的弯曲应力。
沉井采用四个支承点,定位支撑点布置如图。
(1)假定定位承垫木间距为0.7L,不考虑刃脚下回填砂的承载力,如图a所示。
井壁单宽自重标准值:g k=(11.0*0.6-0.6*0.3/2-0.4*0.2)*25=160.75KN/m井壁单宽自重标准值:g s=1.27*160.75=204.15N/m支座弯矩:M支=-1/2*204.15*(9.0*0.15)2-1/2*5.8*204.15*(9.0*0.15-0.3)=-807.7KN.m跨中弯矩:M中=1/8*204.15*(9.0*0.7)2-807.7=205.1KN.m(2)、假定抽垫木时,先抽并回填部位已经压实变成支点。
此时,沉井井壁支承在三个点上,如图b所示。
支座弯矩:M支=-1/8*204.15*4.52=-516.87KN.m跨中弯矩:M中=0.07*204.15*4.52=289.4KN.m(3)配筋计算L10/H≤2,按深梁进行设计,根据《混凝土结构设计规范》,计算如下:因为L10<H,内力臂:z1=0.6 L10=0.6*9=5.4m刃脚底部:M中=289.4KN.m,A s= M中/f y z1=289400/300*5.4=178.6mm2井墙顶部:M支=807.7KN.m,A s= M支/f y z1=807700/300*5.4=498.6mm2求得的钢筋值较小,故按构造配筋已能满足要求。
2、井壁的抗拉计算根据《规程》,由于本工程地基为土质均匀的软土地基,不必进行竖向拉断计算。
五、刃脚计算1、刃脚外侧竖向钢筋计算本沉井采用排水法施工,井内无水,刃脚按第一种情况——沉井位于设计标高,刃脚下的土已挖空情况计算,如图。
(1)外力计算井壁外水平侧向压力标准值如(2)内力计算及配筋1)刃脚跟部C——C截面弯矩的计算及配筋计算时,刃脚自重及井壁摩阻力略去不计。
M C=1/2*1.27*128.7*0.62+1/2*1.27*(136.5-128.7)*0.62*2/3=30.6KN.m选择钢筋截面:M=30.6KN.m,h0=555mm,b=1000mm,αs=M/α1f c bh02=30600000/(1.0*11.9*1000*555*555)=0.00835ζ=0.0084A S=188mm2<A S,min=0.2%*600*1000=1200mm2,按构造配筋,A S=1200mm2,选用8φ14。
2)、槽下口D——D截面弯矩计算及配筋M D=1/2*1.27*117*1.52+1/2*1.27(136.5-117)*1.52*2/3=185.7 KN.m选择钢筋截面:M=185.7KN.m,h0=355mm,b=1000mm,αs=M/α1f c bh02=185700000/(1.0*11.9*1000*355*355)=0.1239ζ=0.1326A S=1921mm2>A S,min=0.2%*400*1000=800mm2 , 选用10φ16。
2、刃脚内侧竖向钢筋计算按第二种情况——沉井已部分入土,刃脚内侧入土中60cm进行验算,计算简图如下:按β=ψ=300(取砂垫层内摩擦角)A=60cm,h=30cm,c=30cm,α=arctan a/b= arctan600/300=630(1)水平作用力H的计算(2)井壁单宽重量设计值:g s=204.15KN/m(3)土反力:R= g s=V1+V2=204.15 KN/mR=σc+1/2σb, σ=2r/(b+2c)V2=1/2σb=1/2*2*204.15*0.3/(0.3+2*0.3)=68.05 KN/mH= V2tan(α-β)=68.05*tan(63-30)=44.16 KN/m(2)内力计算及配筋1)刃脚跟部C——C截面弯矩的计算及配筋计算时,刃脚自重及井壁摩阻力略去不计。
M c=2/3aH=2/3*0.6*44.16=17.66 KN.m选择钢筋截面:M=17.66 KN.m, h0=555mm,b=1000mm,αs=M/α1f c bh02=17660000/(1.0*11.9*1000*555*555)=0.00482 ζ=0.00483A S=108mm2<A S,min=0.2%*600*1000=1200mm2,按构造配筋,A S=1200mm2,选用8φ14。
2)、槽下口D——D截面弯矩计算及配筋M D=(2a/3+0.9)H=(2./*0.6+0.9)*44.16=57.41 KN.m选择钢筋截面:M D =57.41KN.m,h0=355mm,b=1000mm,αs=M/α1f c bh02=57430000/(1.0*11.9*1000*555*355)=0.0383 查表得ζ=0.039A S=565mm2<A S,min=0.2%*400*1000=800mm2,按构造配筋,A S=800mm2,选用6φ14。
刃脚配筋见图。
六、井壁水平框架的内力计算及配筋(封底前)采用弯矩分配法进行计算1、框架分配系数在计算框架分配系数时,单位刚度i按净跨计,由于各跨梁的材料相同,各截面的h相等,故用相对值计算:i=640*840/LS BA'=i BA'=640*840/320=1680,S BC=S CB=4 i BC=4*640*840/840=2560,S CD'=i CD'=640*840/320=1680分配系数:μBA'=1680/(1680+2560)=0.396,μBC=2560/(1680+2560)=0.604,μCB=2560/(1680+2560)=0.604, μCD'=18600/(1680+2560)=0.396 C BC=0.5,井壁水平框架计算图弯矩分配系数图注:A',D'分别为AB,CD的中点2、弯矩分配固端弯矩(当q=10KN/m时):M BA' =10*3.22/3=34.1KN.m, M CB' =10*8.42/12=58.8KN.m,跨中弯矩(当q=10KN/m时):M A'B = M D'C =10*6.42/8=51.2KN.m,M BC中=10*8.42/8=88.2 KN.m,当q=10KN/m时,弯矩分配及弯矩图如下:不同部位的弯矩见表。
标高-5.0m,q s=1.27*58.5=74.3 KN/m标高-9.1m,q s=1.27*111.8=142.0 KN/m刃脚顶面以上1.5t=0.9m,标高-9.5~-10.4m,q s=1.27*[(117+128.7)/2+(128.7+136.5)/2*0.6]=257 KN/m+ 34.1 -58.8 58.8 -34.1-7.46 +7.46+0.01 +0.01 -0.01 -0.01 +48.11 -48.11 +48.11 -48.11井壁水平框架弯矩表(设计值)井壁水平框架弯矩表(标准值)3、按承载能力极限状态进行井壁配筋标高0.00~-5.0m的井壁,根据标高-5.0m处下沉时的内力,配置水平钢筋。
竖向钢筋的配置,可按构造配筋。
标高-5.0~-9.10m的井壁,根据标高-9.1m处下沉时的内力,配置水平钢筋。
竖向钢筋的配置,可按构造配筋。
标高-5.0~-9.10m的井壁,根据标高-9.1m处下沉时的内力,配置水平钢筋。
竖向钢筋的配置,可按构造配筋。
标高-9.4~-11.0m的刃脚部分,根据该段下沉时在水平荷载(平均值)作用下产生的内力,按框架配置水平钢筋。
关于井壁水平配筋的计算结果见下表井壁配筋计算表井壁配筋计算表井壁裂缝宽度计算表4、按正常使用极限状态进行计算按受弯构件进行强度配筋计算,控制裂缝宽度0.3mm,由《混凝土结构设计规范》第8.1.2条ωma*=σcrψσsk/E S(1.9c+0.08d eq/ρte)σcr=2.1①混凝土:采用C25,f ck=16.7N/mm2,f tk=1.78N/mm2;钢筋:采用HRB335,En=2.0*105N/mm2。
②A te=0.5*b*h=0.5*1000*600=300000mm2ρte=A s/A te,当<0.01时,取0.01。
③受弯构件,求σskσsk=M k/0.87h0A s④ψ=1.1-0.65f tk/ρteσsk,当ψ<0.2时,取0.2,当ψ>1时,取1。
⑤求ωma*,列表计算见《井壁裂缝宽度计算表》:C=35mm因标高-9.5m~-10.4m位于钢筋混凝土底板以下,开裂也不影响沉井结构的正常使用,故按承载能力极限状态配筋。