机械制图考试模拟试题
- 格式:docx
- 大小:59.50 KB
- 文档页数:6
机械制图练习题库+参考答案一、单选题(共26题,每题1分,共26分)1.某调整螺旋,采用双线粗牙螺纹,螺距为3mm,为使螺母相对螺杆沿轴向移动12mm,螺杆应转()圈。
A、2B、3C、4D、2.5正确答案:A2.机械图样中,表示可见轮廓线采用()。
A、波浪线B、粗实线C、细实线D、细点画线正确答案:B3.截平面与立体表面的交线称为()A、截交线B、相贯线C、相交线D、以上都不是正确答案:A4.仰视图是()。
A、由后向前投影B、由前向后投影C、由上向下投影D、由下向上投影正确答案:D5.产品用放大一倍的比例绘图,在标题栏比例项中应填()。
A、1:2B、放大一倍C、1×2D、2:1正确答案:D6.制图国家标准规定,字体的号数,即是字体的()。
A、宽度和高度B、宽度C、长度D、高度正确答案:D7.具有间隙的配合称为()。
A、过渡配合B、间隙配合C、不明确性质D、过盈配合正确答案:B8.三投影面体系中的三个投影面互相()A、垂直B、倾斜C、交叉D、平行正确答案:A9.Φ50+0.025表示()A、实际尺寸是Φ50㎜B、基本尺寸是Φ50㎜C、最大尺寸是Φ50㎜D、最小尺寸是Φ50.025正确答案:B10.画断面图时,若由两个或多个相交剖切平面剖切得出的移出断面,中间应用()断开为两个图形。
A、波浪线B、点画线C、虚线D、粗实线正确答案:A11.已知某个几何体的主视图、左视图和俯视图分别为长方形、长方形、圆,则该几何体是()。
A、球体B、圆柱体C、圆锥体D、长方体正确答案:B12.点的正面投影和侧面投影的连线()。
A、垂直于oz轴B、平行于ox轴C、垂直于OY轴D、垂直于ox轴正确答案:A13.重合断面的轮廓用()画出。
A、波浪线B、粗实线C、细实线D、点划线正确答案:C14.Α3图纸的大小为()。
A、841×594B、420×297C、210×297D、841×595正确答案:B15.不可见轮廓线采用()来绘制。
机械制图模拟测试题带答案一、根据组合体轴流图画三视图,比例自定(20分)
四、补画剖视图中所缺的图线(10分)
五、将主视图改画成半剖视图《10分》
六、找出螺纹画法中的错误,在指定位置画出正确的图(10分)
七、按要求标注零件衰面的粗糙度代号(105» 1.030,028外圆柱面的Ra 值为1.6μm;
2.M20x1..5螺纹工作表面的RH 值为
3.2μm s
3 .镀枪工作衣面的RH 值为3.2PM,底面的Ra 值为6.3Mm :
4 .一销孔表面的Ra 值为3.2u ■:
5 .其余表面的Ra 值为12.5pm :
八、读零件图(10分)
———T A
-
29S02。
0U2∙0100
85
K亘出C向局部视图:
2、图中形位公差表示
一
机械制图答案
K 一、根据组合体轴流图画三视图,比例自定(20分) 根据组合体两视图补画第三视图(IO 分) 0
三、补面组合体三视图中所映的图线(20分)
五、将主视图改画成半剖视图《10分》
六、找出螺纹画法中的错误,在指定位置画出正确的图(10分)
七、按要求标注零件衰面的粗糙度代号(1。
分)
1.030,028外圆柱面的Ra值为1.6μm:
2.M20x1..5螺纹工作表面的Ra值为
3.2um;
3.键槽工作表面的Ra值为3.2μm,底面的Ra值为6.3μm;
4.锥销孔表面的Ra值为3.2Um:
5.其余表面的Ra值为12.5um:
八、读■件图(10分)
1.Ai出C向局部视图:
2、图中形位公差表示Φ95h6的立柱回转体的轴心相对于左边Φ60H7的圆柱孔的轴心的同轴度
公差Φ0.04。
机械制图考试模拟题+参考答案一、单选题(共26题,每题1分,共26分)1.Α3 图纸的大小为()。
A、841×595B、210×297C、841×594D、420×297正确答案:D2.Φ50+0.025 表示( )A、最小尺寸是Φ50.025B、实际尺寸是Φ50 ㎜C、基本尺寸是Φ50 ㎜D、最大尺寸是Φ50 ㎜正确答案:C3.锥度应注写在()上,并于圆锥倾斜方向一致。
A、轮廓线B、指引C、基准线D、轴线正确答案:C4.在绘制草图时,线条加深的顺序是()。
A、先注尺寸和写字后加深图形;B、先加深圆或圆弧后加深直线;C、加深图形和注尺寸及写字不分先后D、一边加深图形一边注尺寸和写字;正确答案:B5.基本偏差是指()。
A、远离零线的偏差B、上偏差C、靠近零线的偏差D、下偏差正确答案:C6.制图国家标准规定,字体的号数,即是字体的( )。
A、长度B、宽度C、宽度和高度D、高度正确答案:D7.画半剖视图时,剖视图与视图的分界线应该为()。
A、对称中心线B、虚线C、实线D、剖面线正确答案:A8.只有定形尺寸没有定位尺寸的是()。
A、已知线段B、连接线段C、中间线段D、未知线段正确答案:B9.画直线时,铅笔与纸面的倾斜角度约为( )。
A、30°B、60°C、45°D、90°正确答案:B10.点的正面投影和水平投影的连线()。
A、平行于ox 轴B、垂直于 oz 轴C、垂直于 ox 轴D、垂直于 OY 轴正确答案:C11.右视图是()。
A、由前向后投影B、由右向左投影C、由左向右投影D、由后向前投影正确答案:B12.截交线所围成的截面图形称为()。
A、截交线B、截断面C、截平面D、截切体正确答案:B13.空间点位于投影面或投影轴上时称为()。
A、特殊位置点B、一般位置点C、以上都不对D、普通位置点正确答案:A14.重合断面的轮廓用()画出。
机械制图模拟试题+参考答案一、单选题(共87题,每题1分,共87分)1.注写线性尺寸数字时,如尺寸线为竖直方向时,尺寸数字规定由______向______书写,字头向左。
A、上,下B、右,左C、下,上D、左,右正确答案:C2.球半径符号是______。
A、SRB、RC、SΦ正确答案:A3.______是最基本的几何元素。
A、平面B、点C、直线正确答案:B4.下面属于投影面垂直面的是______。
A、侧垂面B、正平面C、铅垂线正确答案:A5.以下是定形尺寸的______。
A、圆的半径B、圆心C、两者都是正确答案:A6.已知线段是指______和______均齐全的线段。
A、定形尺寸中间线段B、中间线段连接线段C、定形尺寸定位尺寸正确答案:C7.直径符号是______。
A、SRB、RC、Φ正确答案:C8.三视图只能表达其______,而不能表达其大小。
A、尺寸B、形状C、都可以正确答案:B9.图样中汉字应写成______。
A、宋体B、仿宋体C、长仿宋体正确答案:C10.制图规定中,画细实线用______铅笔。
A、B或2BB、H或2HC、HB或H正确答案:B11.如果已知点C(30,20,7),那么C的Z坐标是______。
A、30B、20C、7正确答案:C12.正投影法是______投影法的一种。
A、中心投影法C、其它投影法正确答案:B13.尺寸标注的符号:R表示______。
A、圆的半径B、球的直径C、圆的直径D、球的半径正确答案:A14.圆规用来画______。
A、等分直线B、截取线段C、圆或圆弧正确答案:C15.虚线以及各种点画线相交时应恰当地相交于______。
A、线B、点C、空白正确答案:A16.在三视图的展开过程中,水平面绕OX轴向下旋转______。
A、90°B、145°C、45°正确答案:A17.图纸基本幅面尺寸最大的代号是______。
A、A0B、A2C、A4正确答案:A18.投射线汇交于投射中心的投影方法称为______。
2020年机械制图AUTOCAD考试选择题库388题【含答案】一、选择题1.在什么情况下,多线可以进行修剪( )。
AA)分解B)结合C)断开D)编组2.A)bp3B)stbC)ctbD)pcp3.在AutoCAD中,对两条直线使用圆角命令,则两线必须( )。
DA)直观交于一点B)延长后相交(C)位置可任意D)共面4.绘制多段线的命令是( )。
BA)LINEB)PLINEC)XLINED)MLINEAUTOCAD的层不可以改名的是( )。
CA)1图层B)第二图层C)0层D)任意层UCS是AUTOCAD中的( )。
BA)世界坐标B)用户自定义坐标C)视图坐标D)父系坐标5.在多边形工具中,多边形的边数最多可有多少边( A)A)1024B)17C)30D)无数.用TEXT命令画圆直径符号“?”应用( )。
DA)%%uB)%%pC)%%oD)%%cCAD当中的图形文件是( )。
AA)矢量图B)位图C)点阵图D)矢量图或位图AUTOCAD软件的设计特点是( )。
DA)参数化强B)可视化强C)界面友好D)精确6.图层名字最长为(A )个字符A)255B)254C)10D)10OOPS能恢复几步( A)A)1步B)3步C)4步D)5步7.〔命令行〕对话框与绘图窗口切换的快捷键是( )。
BA)F1B)F2C)F4D)F78.当光标处于绘图区内,使用( C )可调用一次性特殊点捕捉光标菜单A)TAB+鼠标器右键单击B)TLT+鼠标器右键单击C)SHIFT+鼠标器右键单击D)鼠标器右键单击CAD中自动保存时,临时文件的扩展名为( D )A)DWGB)DWTC)DLLD)AC$9.若要计算某个图形区域的面积应使用的命令是( )。
AA)AREAB)DREAC)BREAD)DISTANCE10.不属于布尔运算的命令有( )。
BA)差集;B)打断;C)并集;D)交集;11.下列表示?120的字符代码是( )。
CA)%%u20B)%%o120C)%%c120D)%%d12012.在进行单行文字输入时,修改其对正方式,其中的“调整”选项用来( )。
完整版)机械制图试题(含答案)机械制图考试试题-姓名-分数一、填空题(10分)1.比例分为全比例、放大比例、缩小比例等三种。
其中为了方便查看图形,尽可能采用全比例。
2.标注尺寸由尺寸数值、尺寸单位和尺寸形状三个要素组成。
3.在标注尺寸时,应做到清晰、准确、规范和合理。
4.机件的图形是用各种不同线型画成的,其中可见轮廓线用实线画,不可见轮廓线用虚线画,尺寸线和尺寸界线用细实线画,而中心线和对称中心线则用粗实线画。
5.三视图之间的投影对应关系可以归纳为:主视图长对正,左视图高平齐,俯视图宽相等。
二、选择题(10分)1.一张完整装配图的内容包括:一组图形、正确的尺寸、必要的技术要求、零件序号和明细栏、标题栏。
答案:A2.看装配图的第一步是先看表达方法。
答案:B3.零件图的技术要求的标注必须符合国家标准的规定注法。
答案:D4.零件图中注写极限偏差时,上下偏差小数点对齐,小数点后位数相同,零偏差必须标出。
答案:B5.局部剖视图用细实线为剖与未剖部分的分界线。
答案:B6.绘制零件图对零件进行形体分析,确定主视图方向后,下一步是选择其他视图,确定表达方案。
答案:A7.在机件的三视图中,机件上对应部分的主左视图应高平齐。
答案:B8.三视图的投影规律是长相等、高平齐、宽对正。
答案:D9.国标规定,外螺纹的大径应画粗实线。
答案:B10.国标规定螺纹的牙顶用虚线画出。
答案:A三、判断题(10分)1.一张完整的装配图的内容包括:一组图形、必要的尺寸、必要的技术要求、零件序号和明细表、标题栏。
答案:√2.标注形位公差代号时,应把形位公差数值及有关符号填写在形位公差框格左起第一格内。
答案:×3.零件图上不必注出生产过程的技术要求。
答案:×4.局部剖视图用波浪线作为剖与未剖部分的分界线,波浪线的粗细与粗实线的粗细相同。
答案:×5.绘制零件图过程的第一步是画出各个视图。
答案:×6.三视图投影规律是长相等、高平齐、宽对正。
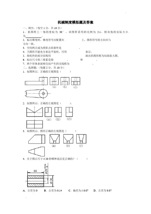
机械制度模拟题及答案一、填空:(每空1分,共10分)1.某图样上一角的度标为30°,该图样采用的比例为2:1,则该角的实际大小为。
2.标注锥度时,锥度符号应配置在_____________上,图形符号的方向应与_____________方向一致。
3.空间两点成为重影点的条件是_____________。
4.当图形不能充分表达平面时,可用_____________ 表示。
5.将机件的部分结构用__________________________画出的图形称为局部放大图。
6.标注尺寸的三要素是指__________、________和__________。
7.两个形体表面相交而产生的交线称为_________________。
二、选择题:(每题2分,共10分)1.如图所示,正确的左视图是()2.如图所示,正确的左视图是()。
3.如图所示,图形正确的左视图是()4.关于图示尺寸φ20的哪种说法是正确的?()A.公差为0 B.公差为0.14 C.偏差为±0.07 D.公差为0.075.哪种符号表示表面可用任意方法获得?()三、补图题:(40分)1.已知主、俯视图,画第三视图。
(5分)2.根据组合体的两个视图,补画第三视图。
(5分)3.根据所给组合体的主、俯视图,构想三种不同的组合体并画其左视图。
(10分)4.指出下列螺纹画法中的错误,并将正确的画在答题纸。
(10分)5.在答题纸指定位置画出剖面图(键槽深为3mm)。
(10分)四、读图题(40分)(一)看懂起动轴零件图,并回答下列问题。
(共12分)1.主视图是____________剖视图,用于表达_________及__________的内部结构。
2.剖面图没有任何标注,因为它的位置是在____________,而且图形是_________。
3.采用B向展开,是为了表达清楚沟槽的_____________,及____________,沟槽数量可由__________反映。
《机械制图》模拟考试题(附答案)一、判断题(共100题,每题1分,共100分)1、推拔销之锥度为 1 : 50 。
A、正确B、错误正确答案:A2、退刀槽和砂轮越程槽可按“槽宽×直径”的形式标注。
A、正确B、错误正确答案:A3、装配图必须有明细栏A、正确B、错误正确答案:A4、水平面的水平投影积聚为直线。
A、正确B、错误正确答案:B5、尺寸公差有可能是负值A、正确B、错误正确答案:B6、螺钉旋转一周,就沿轴向位移三个螺距者为三线螺纹。
A、正确B、错误正确答案:A7、同一标称直径之细螺纹,可有不同之节距。
A、正确B、错误正确答案:A8、用剖视图来表示物体内部特征,比用虚线表示之视图要清楚。
A、正确B、错误正确答案:A9、装配图上已注明的尺寸,零件图上可以省略。
A、正确B、错误正确答案:B10、420×594为4张A4的大小。
A、正确B、错误正确答案:A11、汉字的书写应求端正划一,大小间隔适当,清晰易认即可。
A、正确B、错误正确答案:A12、在相同工件条件下,钻头直径愈小,转速要愈快。
A、正确B、错误正确答案:A13、与他件组合有关之尺寸称为功能尺寸。
A、正确B、错误正确答案:A14、一个实心小圆点,有时可以代替相邻的两箭头。
A、正确B、错误正确答案:A15、沿垂直轴线方向所量得之螺峰与螺谷间的距离称为螺距。
A、正确B、错误正确答案:B16、平面与回转体相交,截交线在特殊情况时可能由直线和曲线或完全由直线组成A、正确B、错误正确答案:A17、薄片弯曲物体,仅用一视图表示即可。
B、错误正确答案:B18、槽孔之表面符号可用指引线引至适当位置标注。
A、正确B、错误正确答案:A19、多个同方向之位置尺寸,应用基准面标注法标注之。
A、正确B、错误正确答案:A20、一物体之各视图,剖面线需保持相同的间隔与方向。
A、正确B、错误正确答案:A21、机件表面局部特殊处理之范围须加细链线表明。
A、正确B、错误正确答案:B22、长仿宋体汉字,字宽为字高的 4 / 3 倍。
《机械制图》测试题(附答案)一、单选题(共30题,每题1分,共30分)1、重合断面的轮廓用()画出。
A、波浪线B、点划线C、细实线D、粗实线正确答案:C2、当轴的公差带完全在孔的公差带之上时,属于()配合。
A、过盈配合B、间隙配合C、不明确性质D、过渡配合正确答案:A3、两圆柱齿轮轴线之间的最短距离称为()。
A、分度圆B、中心距C、齿距D、全齿高正确答案:B4、空间两直线相交,交点为K,则点kk,的连线必须的连线符合()。
A、垂直于ox轴B、垂直于oz轴C、垂直于oy轴D、倾斜于三个投影轴正确答案:A5、已知空间点 A(10,15,20),B(8,5,10)则 B 点相对 A点在()A、右后下方B、左后下方C、右前上方D、右前下方正确答案:A6、当组合体一端为回转面时,该方向的总体尺寸一般不注,只标注()A、轴线B、总长C、总宽D、总高正确答案:A7、产品用放大一倍的比例绘图,在标题栏比例项中应填()。
A、1:2B、1×2C、放大一倍D、2:1正确答案:D8、当孔的公差带与轴的公差带相交时,属于( )A、不明确性质B、过渡配合C、间隙配合D、过盈配合正确答案:B9、对于半剖视图,视图与剖视图的分界线是()。
A、虚线B、点画线C、粗实线D、细实线正确答案:B10、下列比例当中表示缩小比例的是()。
A、1:1B、1:2C、2:1D、1正确答案:B11、中国国家标准之简称为( )。
A、CNSB、NCSC、SCN正确答案:A12、确定平面图形的尺寸位置的几何元素称为()。
A、定位尺寸B、基本尺寸C、尺寸基准D、定形尺寸正确答案:C13、画断面图时,若由两个或多个相交剖切平面剖切得出的移出断面,中间应用()断开为两个图形。
A、粗实线B、虚线C、波浪线D、点画线正确答案:C14、共处于同一条投射线上的两点,必在相应的投影面上具有重合的投影。
这两个点被称为对该投影面的一对( )。
A、平行点B、垂直点C、重合点D、重影点正确答案:D15、机械制图的线条规范中,看不见的轮廓线用()绘制。
《机械制图》练习题库+答案一、单选题(共30题,每题1分,共30分)l、一般位置平面对于三个投影面的投影特性为()。
A、没变化B、积聚性C、真实性D、收缩性正确答案:D2、比例1: 1是()。
A、原值比例B、以上都不对C、放大比例D、缩小比例正确答案:A3、与三投影面都倾斜的直线称为()。
A、一般位置直线B、特殊位置直线C、普通位置直线D、以上都不对正确答案:A4D□ □ D"H "D口口) 。
A、硬B、软C、长正确答案:A5、当单一剖切平面通过机件的对称面或基本对称的平面,剖视图按投影关系配置,中间又没有其他图形隔开时,可省略()。
A、标注B、剖面线C、可见轮廓线D、以上说法都不正确正确答案:A6、重合断面图的轮廓线采用()绘制。
A、粗实线B、虚线C、细实线D、点画线正确答案:C7、如果两直线的各组同面投影都相交,且交点符合点的投影规律,则可判定这两直线在空间也一定()。
A、相交B、垂直C、平行D、交叉正确答案:A8、如果空间两直线的三面投影都平行,则两直线一定()。
A、相交B、异面C、交叉D、平行正确答案:D9、不规则连续细实线为()。
A、指引线B、轮廓线C、折断线D、隐藏线正确答案:C10、可自由配置的视图称为()。
A、剖视图B、斜视图C、局部视图D、向视图正确答案:D11、向视图的箭头应尽量配置到()。
A、主视图B、右视图C、后视图D、左视图正确答案:A12、与一个投影面垂直的直线,一定与其它两个投影面平行,这样的直线称为投影面的()。
A、垂线B、垂直线C、中线D、平行线正确答案:B13、当孔的公差带完全在轴的公差带之上时,属于()配合。
A、过渡配合B、间隙配合C、过盈配合D、不明确性质正确答案:B14、实际尺寸或极限尺寸减其基本尺寸所得的代数差称为()。
A、极限尺寸B、尺寸偏差C、实际尺寸D、基本尺寸正确答案:B15、用于薄壁零件联接的螺纹,宜采用().A、梯形螺纹B、三角形细牙螺纹C、三角形粗牙螺纹D、矩形正确答案:B16、立体被平面切割(截切),所形成的形体称为()。
机械制图练习题含答案一、单选题(共26题,每题1分,共26分)1.标注尺寸的基本要求是()。
A、合理、完整、美观B、美观、合理、清晰C、正确、美观、清晰D、正确、完整、清晰正确答案:D2.制造机件所用的图,通常称为()。
A、制配图B、机构图C、设计图D、工作图正确答案:D3.为了将物体的外部形状表达清楚,一般采用()个视图来表达。
A、三B、四C、五D、六正确答案:A4.重合断面的轮廓用()画出。
A、粗实线B、点划线C、细实线D、波浪线正确答案:C5.基本偏差是指()。
A、靠近零线的偏差B、上偏差C、远离零线的偏差D、下偏差正确答案:A6.机械图样中,表示可见轮廓线采用()。
A、粗实线B、细点画线C、细实线D、波浪线正确答案:A7.Φ50+0.025表示()A、最小尺寸是Φ50.025B、最大尺寸是Φ50㎜C、基本尺寸是Φ50㎜D、实际尺寸是Φ50㎜正确答案:C8.机械图样中,表示不可见轮廓线采用()。
A、细虚线B、细点画线C、粗实线D、细实线正确答案:A9.Α0图纸的大小为Β×L:()A、841×594B、210×297C、420×297D、841×1189正确答案:D10.铅笔用“H”表示()。
A、长B、软C、硬正确答案:C11.空间两直线相交,交点为K,则点kk,的连线必须的连线符合()。
A、倾斜于三个投影轴B、垂直于ox轴C、垂直于oy轴D、垂直于oz轴正确答案:B12.如果物体的外形简单,内形复杂并且不对称,常用()视图。
A、半剖B、局部剖C、阶梯剖D、全剖正确答案:D13.用于确定平面图形中某一形状大小的尺寸称为()。
A、长度尺寸B、定形尺寸C、高度尺寸D、定位尺寸正确答案:B14.正投影的基本特性主要有真实性、积聚性、()。
A、普遍性B、统一性C、收缩性D、特殊性正确答案:C15.表示组合体各组成部分相对位置的尺寸()。
A、参考尺寸B、定形尺寸C、总体尺寸D、定位尺寸正确答案:D16.截平面与立体表面的交线称为()A、截平面B、截断面C、截交线D、截切体正确答案:C17.在空间既不平行也不相交的两直线,叫()直线。
机械制图培训试卷姓名________ 分数_______一、选择题:请将正确答案的序号填在题后的括号内。
(每题 2 分,共 40 分)1、螺纹牙底线用()绘制。
(A)粗实线(B)细虚线(C)细实线(D)粗虚线2、标注尺寸时,应尽可能使用符号和缩写词。
其符号“()”表示均布。
(A)EQS (B)GB/T (C)JB (D)C3、标注球的直径尺寸时应在尺寸数字前面加注符号()。
(A)Φ(B)R (C)SΦ(D)SR4、机件向不平行于任何基本投影面的平面投影所得的视图叫()。
(A)局部视图(B)向视图(C)基本视图(D)斜视图5、局部放大图的标注中,若被放大的部分有几个,应用()数字编号,并在局部放大图上方标注相应的数字和采用的比例。
(A)希腊(B)阿拉伯(C)罗马(D)中国6、在垂直于螺纹轴线的投影面的视图中,内螺纹大径应画成()。
(A)完整的细实线圆(B)完整的粗实线圆(C)3/4的粗实线圆(D)3/4的细实线圆7、选择正确的局部剖视图()。
(A)(B)(C)(D)8、同一基本尺寸的表面,若有不同的公差要求时,应用()分开,并按线性尺寸公差注法规定的形式分别标注其公差。
(A)粗实线(B)细虚线(C)细实线(D)粗虚线9、局部放大图中的比例是指相应要素的线性尺寸之比,具体是指()。
(A)局部放大图的图形比原图形(B)局部放大图的图形比其实物(C)原图形比其局部放大图的图形(D)实物比其局部放大图的图形10、根据主、俯视图,选择正确的左视图()。
11、滚动轴承外圈与箱体孔的配合应采用____,内圈与轴的配合应采用____。
()(A)基孔制基轴制(B)基轴制基轴制(C)基孔制基孔制(D)基轴制基孔制12、锥形结构的基面位置线线型为()。
(A)粗实线(B)细虚线(C)细实线(D)粗虚线13、尺寸Ф40H7的()。
(A)上偏差、下偏差均大于0(B)上偏差为0,下偏差为负值(C)上偏差、下偏差均小于0(D)上偏差为正值,下偏差为014、图样上四个相同螺纹孔尺寸标注的正确方法是()。
《机械制图》模拟习题1 一、单项选择题(每题3分,共30分)根据图1所示AB、CD直线和P、Q平面,选择回答如下题:图 11。
AB、CD直线的正面投影应标记为( A ).A. a’b’、c’d’ B。
ab、cdC。
a”b"、c”d" D. AB、CD2.AB、CD直线的水平投影应标记为( B ).A。
a’b’、c’d’ B。
ab、cdC。
a”b"、c”d” D。
AB、CD3.AB、CD直线的侧面投影应标记为( C ).A。
a’b'、c’d’ B。
ab、cdC。
a"b”、c"d” D. AB、CD4.P、Q平面的正面投影应标记为( A )。
A. p’、q’B. p、qC。
p”、q" D。
P、Q5.P、Q平面的水平投影应标记为( B )。
A. p’、q’B. p、qC. p"、q” D。
P、Q6.P、Q平面的侧面投影应标记为( C )。
A。
p’、q’ B. p、qC。
p”、q” D. P、Q7。
直线AB在三个投影面上的投影均不反映实长,因此称之为( A )A.一般位置直线或倾斜线 B。
正平线C. 水平线D. 侧平线8.直线CD在侧面投影面上的投影有积聚性,因此称之为( B )A.一般位置直线或倾斜线 B。
侧垂线C. 正平线 D。
水平线9。
平面P在( B )面上的投影反映实形,因此称之为水平面。
A. 正投影B. 水平投影C. 侧投影 D。
一般位置10。
平面Q的水平投影投影具有积聚性,因此称之为( A )A. 铅垂面B. 正垂面C. 侧垂面 D。
一般位置平面二、判断题(每题2分,共20分)根据图2所示切割体的水平投影和侧面投影,判断(1)~(8)问题的正确与否,根据图3,判断(9)~(10)问题的正确与否。
图 2(1)其基本体是半个球体。
(√)(2)半球体的底面是水平面。
(√)(3)有两个平面来切割球体,一个是切割平面是正平面,另一个是水平面。
汽车机械制图考试试题一、选择题(2分/题,共60分)1.图框线用()画出。
A粗实线 B 细实线 C 虚线 D 点划线2.标题栏位于图纸的()角。
A 左上B 左下C 右上D右下3.制图中,国家标准规定汉字应写成()字。
A 楷体B 黑体C 宋体D长仿宋体4.尺寸线用()绘制。
A 粗实线B 点划线C 虚线D细实线5.尺寸数字一般只标在尺寸线的()。
A 左端B 右端C 下方或中断处D上方或中断处6.图样比例中属于缩小比例的是()。
A1:2 B 2:1 C 1:1 D 1:0.57.下列有关侧平面的说法正确的是()。
A 侧平面平行于H面B 侧平面平行于V面C侧平面平行于W面 D 侧平面垂直于W面8.关于侧垂线的投影规律,下列说法正确的是()。
A 在H面的投影具有积聚性B 在V面的投影反映实长C 在W面的投影反映实长D 在V面投影与X轴垂直9.左视图能反映的物体的()。
A 长度和宽度B 宽度和高度C 长度和高度D 长、宽、高10.主视图的选择原则是()。
A 应选择最容易画的视图作主视图B 应选择表面线条最少的视图作主视图C 应选择最能表达物体形状特征的视图作主视图D 以上都不对11.以下对投影规律的描述哪一项正确()。
A 主俯视图长对正,主左视图宽相等,俯左视图立平齐B 主俯视图长对正,主左视图高平齐,俯左视图宽相等C 主俯视图立平齐,主左视图长对正,俯左视图宽相等D 主俯视图宽相等,主左视图长对正,俯左视图立平齐12.线面分析法主要应用于以()为主的形体。
A 叠加B切割 C 相交D重合13.已知物体的正面投影和水平投影,正确的侧面投影是()。
14.已知物体的正面投影和水平投影,正确的侧面投影是()。
15.在半剖视图中半个视图与半个剖视图的分界线用()。
A 粗实线B 细实线C细点划线 D 波浪线16.全剖视图选用的是()剖切面。
A单一 B 几个平行的 C 几个相交的 D 其它17.六个基本视图中最常用的是()视图。
机械制图考试题一、单选题(共26题,每题1分,共26分)1.与一个投影面垂直的直线,一定与其它两个投影面平行,这样的直线称为投影面的()。
A、平行线B、垂线C、中线D、垂直线正确答案:D2.空间点A的正面投影标记为:()A、a,B、aC、AD、a,,正确答案:A3.设计给定的尺寸指的是()。
A、基本尺寸B、实际尺寸C、尺寸偏差D、极限尺寸正确答案:A4.可能具有间隙或过盈的配合称为()。
A、间隙配合B、不明确性质C、过盈配合D、过渡配合正确答案:D5.点的正面投影和侧面投影的连线()。
A、垂直于 oz 轴B、垂直于 ox 轴C、平行于ox 轴D、垂直于 OY 轴正确答案:A6.用剖切平面局部地剖开机件,用波浪线将剖切部分与整体隔开,所得的剖视图称为()。
A、半剖视图B、全剖视图C、局部放大图D、局部视图正确答案:D7.轴套类零件的加工,大部分工序是在车床或磨床上进行,因此一般将其轴线()放置画出主视图。
A、水平B、任意位置C、垂直D、倾斜正确答案:A8.内螺纹在规定画法中大径用()绘制。
A、粗实线B、点画线C、虚线D、细实线正确答案:D9.具有过盈的配合称为()。
A、间隙配合B、过盈配合C、过渡配合D、不明确性质正确答案:B10.画断面图时,若由两个或多个相交剖切平面剖切得出的移出断面,中间应用()断开为两个图形。
A、粗实线B、虚线C、点画线D、波浪线正确答案:D11.机械图样中,表示轴线、对称中心线等采用()。
A、细实线B、细点画线C、波浪线D、粗实线正确答案:B12.表示组合体各组成部分相对位置的尺寸()。
A、定位尺寸B、总体尺寸C、参考尺寸D、定形尺寸正确答案:A13.用于薄壁零件联接的螺纹,宜采用( ).A、三角形细牙螺纹B、三角形粗牙螺纹C、矩形D、梯形螺纹正确答案:A14.截交线所围成的截面图形称为()。
A、截平面B、截断面C、截交线D、截切体正确答案:B15.产品用放大一倍的比例绘图,在标题栏比例项中应填()。
机械制图(一)一、单选题1.物体向不平行于基本投影面的平面投影所得的视图是()A . 向视图 B. 斜视图 C. 局部视图 D. 基本视图2.基准是()A. 标注尺寸的依B.标注尺寸的起点C.标注尺寸的终点D. 标注尺寸的范围3.对称机件的视图可只画一半或1/4,并在对称中心线的两端画两条与其垂直的平行() A.粗实线 B.细实线 C.细虚线 D.波浪线4.局部视图是将机件的某一部分向()投射所得的视图A.基本投影面B.不平行于基本投影面C.辅助投影面D.正投影面5、已知物体的主、俯视图,错误的左视图是()线,CD是正平线b)AB是侧平线,BC是正平线,CD是一般位置直线c)AB是侧平线,BC是正平线,CD是正平线d)AB是正垂线,BC是铅垂线,CD是一般位置直线7、在下图中,选出正确的视图()。
二、多选题1.描深画图底稿的步骤,下列说法正确的是()A.先曲后直,保证连接圆滑B.先粗后细,保证图面清洁,提高画图效率C.先水平后垂、斜,以保证图面整洁D.圆弧半径先小后大,保证图形准确E.描深图框线和标题栏后再填写标题栏2.为了把空间的三视图画在一个平面上,就必须把三个投影展开,展开方法是()A.正面保持不变B.水平面绕OX轴向上旋转90°C. 水平面绕OX轴向下旋转90°D.侧面绕OZ轴向右旋转90°E. 侧面绕OZ轴向左旋转90°3.三视图之间的投影关系可以归纳为()A.主、俯视图宽相等B.主、左视图高平齐C.俯、左视图长对正D. 主、俯视图长对正E.俯、左视图宽相等4.关于直线的投影特性,下列说法正确的是()A.直线倾斜于投影面,投影变短线B.直线平行于投影面,投影现实长C.直线垂直于投影面,投影聚一点D. 直线平行于投影面,投影聚一点E. 直线垂直于投影面,投影现实长5.图框的格式有()A.加宽B.留有装订边C.不留装订边D.加粗E.加长6.曲面立体一般需要标出()方向的尺寸A.长度B.宽度C.高度D.径向E.轴向7.关于轴测投影的基本特性,下列说法正确的是()A.空间相平行的线段,在同一轴测投影中一定相互平行B.与直角坐标轴平行的线段,其轴测投影与相应的轴测轴平行C.与轴测轴平行的线段,按该轴的轴向伸缩系数进行度量D与轴测轴倾斜的线段,也可按该轴的轴向伸缩系数进行度量.E.绘制轴测轴时,不必沿轴向测量尺寸三、判断题()1.圆柱的主视图和左视图都是一个长方形线框,其投影的含义相同。
机械制图练习题一、选择题(每题2分,共20分)1. 在机械制图中,尺寸线通常使用什么线型?A. 粗实线B. 细实线C. 虚线D. 点划线2. 机械图纸中的剖面线一般表示什么?A. 表面粗糙度B. 材料去除C. 内部结构D. 焊接符号3. 机械制图中,以下哪个符号通常表示螺纹?A. ∅B. MC. φD. ⌒4. 机械图纸中,公差标注的目的是?A. 表示零件的尺寸B. 表示零件的重量C. 表示零件的材质D.表示零件的制造精度5. 以下哪个是机械制图中的第三角投影法?A. 第一视图在左B. 第一视图在前C. 第一视图在下D. 第一视图在右6. 在机械制图中,局部视图通常用于表示什么?A. 零件的全貌B. 零件的局部特征C. 零件的尺寸D. 零件的材料7. 机械图纸中,尺寸标注中的“±”符号表示什么?A. 正负尺寸B. 公差范围C. 尺寸链D. 尺寸的正反方向8. 机械制图中,如果一个尺寸线上方标注有“Ra”,这通常表示什么?A. 半径B. 圆角C. 表面粗糙度D. 螺纹9. 机械图纸中,如果一个尺寸线上方标注有“H7/g6”,这通常表示什么?A. 孔的直径B. 公差等级C. 表面处理D. 材料类型10. 在机械制图中,虚线通常用于表示什么?A. 可见轮廓线B. 不可见轮廓线C. 中心线D. 尺寸线二、填空题(每题2分,共20分)11. 机械制图中,尺寸标注的三要素包括尺寸线、尺寸数字和________。
12. 机械图纸中,剖视图的剖面线通常以_______度角绘制。
13. 在机械制图中,如果需要表示零件的对称性,可以使用_______线。
14. 机械图纸中,螺纹的标注通常包括螺纹的类型、_______和螺距。
15. 机械制图中,尺寸链的标注方法通常包括极限制、_______和公差。
16. 机械图纸中,如果需要表示零件的焊接方式,可以使用_______符号。
17. 机械制图中,表面粗糙度的标注包括Ra值和_______。
机械制图考试模拟试题 Company number:【WTUT-WT88Y-W8BBGB-BWYTT-19998】
拟试卷一
一、已知点A距H面为12,距V面为15,距W面为10,点B在点A的左方5,后方10,上方8,试作
A、B两点的三面投影。
(10分)
二、作平面四边形ABCD的投影。
(10分)
三、完成下列各形体的投影。
(12分,每题6分)
1. 2.
四、根据给出的视图,补画第三视图(或视图所缺的图线)。
(12分,每题6分)
1.
2.
五、在指定位置将主视图画成全剖视图。
(10分)
六、在指定位置将主视图画成剖视图。
(10分)
七、补全螺栓连接图中所缺的图线。
(10分)
八、已知两平板齿轮啮合,m1=m2=4mm,z1=20,z2=35,分别计算其齿顶圆、分度圆、齿根圆直径,并画出其啮合图(比例1:2)。
(10分)
九、读零件图,并回答问题。
(16分)
(1)该零件采用了哪些视图、剖视图或断面图
(2)指出该零件在长、宽、高三个方向的主要尺寸基准。
(3)图中G1/2"表示:螺纹,1/2"表示,是螺纹(内、外)。
(4)36H8表示:Φ36是,H8是,其中,H是,8是。
(5)说明符号的含义。
(6)试画出主视图的外形。
2010《机械制图》期末考试试题及解答
•《机械制图》考试试题(A卷)
•一. 将主视图画成半剖视图(不要的线画“×”),并补画左视图(全剖视图)。
(15分)
二.对指定的剖切线处作移出断面图并正确标注(后面无键槽)。
(15分)
三.检查螺栓连接图中的错误和漏线(将错处和漏线处画〇),在右边按比例
画法画出正确的螺栓连接图(画图时从左图量取尺寸)。
(20分)
四.看懂十字接头零件图(P5-3),并回答下列问题。
(20分)
1.根据零件名称和结构形状,此零件属于叉架类零件,采用HT150材料。
2.该零件由圆柱筒部分、十字形肋板部分、圆柱凸台部分和长圆凸台部分
等组成。
3.用指引线和文字在图上注明长、宽、高三个方向尺寸的主要基准。
4.在主视图上,下列尺寸属于哪种类型(定形、定位)尺寸:
80是定位尺寸; 38是定位尺寸; 40是定形尺寸;¢34定形是尺寸。
5. ¢40的最大极限尺寸为¢, 最小极限尺寸为¢40, 公差为。
6. 2×M10-7H中的2表示螺孔数量为;M10表示公称直径为10的普通螺蚊;
是粗牙普通螺纹;中顶径公差带代号为7H;旋向为右;是中等旋合长
度。
7.分别表示:被测要素为¢34与¢46轴线;基准要素为¢
⊥¢A
;公差项目为垂直度;公差值为。
8.零件上共有3个螺孔,它们的尺寸分别是M6和2×M10。
9.该零件¢22孔和¢40孔表面最光滑。
10.在图上的指定位置作B-B断面图。
五.看懂柱塞泵装配图(P5-5),并参照柱塞泵的零件明细栏,回答下列问题。
(30分)
1.柱塞5与衬套8是基孔制的间隙配合;衬套8与泵体1是基孔制的过度配合。
2.当柱塞5向左移动时,泵体1的内腔压力降低,在大气压力的作用下,油从油
箱压入进油管,并推开下阀瓣14,进入泵体内腔;当柱塞5向右移动时,
下阀瓣14受压关闭,内腔油压升高,顶开上阀瓣13,进入阀体9上部,油
从后面出口流出,经出油管通向用油设备。
3.填料压盖6和泵体1用螺柱4,垫圈3和螺母2连接;起压紧填料7作
用。
4.衬套8起导向和耐磨作用。
5.填料7和垫圈10的分别用毛毡和橡胶材料制成,它们起密封作用。
6.阀体9和泵体1是管螺纹连接,G3/4/G3/4A的含义是A级密封内外管
螺纹连接。
7.主、俯视图上的¢15和¢14孔起穿入螺栓和插入销子作用。
8.盖螺母11与阀体9是普通螺纹连接,M39×2表示直径为39的普通螺纹,
螺距为2。
9.在A-A剖视图上画出进、出油路线。
柱塞泵的零件明细栏
注: 1) ZHMn58-2-2为铸造黄铜,强度高,耐磨性好,铸造性好.
2) Q235为碳素结构钢,塑性较高,强度较低,焊接性好,常用于制造螺柱、螺母、垫圈等零
件.
3) HT150为灰铸铁,承受中等应力的零件,用于制造阀体等零件.
全国2009年7月自考机械制图(一)试题
课程代码:02183
一、点、线、面作图题(本大题共2小题,其中第1小题10分、第2小题10分,共20分)
过点P作直线EF与已知直线AB平行,与已知直线CD相交于Q点。
2.用换面法求平行四边形ABCD对H面的倾角α。
二、截交线作图题(10分)
3.补画圆锥被平面截切后的水平投影。
三、相贯线作图题(10分)
4.根据立体的主、俯视图,画出左视图。
四、组合体读图作图题(12分)
5.根据组合体的主、俯视图,画出其左视图(虚线不能省略)。
五、组合体尺寸标注题(10分)
6.在给定的组合体主、俯视图中标注尺寸(尺寸数值按1∶1量取并取整)。
六、表达方法作图题(12分)
7.按给出机件的两视图,将主视图改画成全剖视图,并画出A-A半剖视图。
七、读装配图(见本卷7、8页)并拆画零件图(本大题共3小题,其中第8小题7分,第9小题6分,第10小题3分,共16分。
)
要求:
8.在本页指定位置按原图大小和指定的表达方法拆画出阀体(序号4)的零件视图,其中,主视图全剖,俯视图为视图。
(提示:两个局部视图已经完整给出)。
9.把装配图上与该零件有关的尺寸抄注到零件视图中。
10.在零件视图中标注指定表面的表面粗糙度代号:18H9内孔表面的Ra值为,阀体的底面和顶面的Ra值均为。
八、标准件、常用件作图题(10分)
11.补全螺钉连接装配图中所缺的线。