发电机组运行记录表
- 格式:docx
- 大小:13.35 KB
- 文档页数:1
发电机使用记录表(可以直接使用,可编辑实用优秀文档,欢迎下载)洺水村隧道管理所发电机使用记录表叉车日常使用状况记录表年月日北京邮电大学沙河校区应急电项目柴油发电机购销合同出卖方:合同编号:GW2021-11-27买受方:北京国网中电力工程签订地点:第二条质量标准:按国标GB2820.5-97标准执行。
第三条出卖人对质量负责的条件及期限:在按保修卡、说明书操作使用过程中所产生的质量问题保修壹年(自验收合格之日算起)。
第四条包装标准、包装物的供应与回收:无随机的必备品、配件、工具数量及供应办法:按出厂装箱清单供应按“附件一”配置。
第五条合理损耗标准及计算方法:无第六条标的物所有权自货款付清时转移,但买方人未履行支付价款义务的,标的物属于出卖人所有。
第七条交(提)货方式、地点:第八条运输方式及到达站(港)和费用负担:运输费用由出卖方承担。
检验标准、方法、地点及期限:货到现场,当面提出异议第九条成套设备的安装及调试:出卖方负责在设备交付后免费调试及安装。
第十条结算方式、时间及地点:合同签订后,预付合同款的30%,同时出卖方出具同等数额的保函或者承兑汇票,货到现场同时交还出卖方出具的保函或者承兑汇票,安装调试完毕付合同款的65%,,质保期满后付清合同款的5%.第十一条担保方式(也可另立担保合同):无。
本合同解除的条件:货款付清,保修期满后,本合同终止。
违约责任: 按《合同法》第十二条合同争议的解决方式:本合同在履行过程中发生的争议,由双方当事人协商解决;也可由当地工商行政管理部门调解;协商或调解不成的,按下列第2种方式解决.(1)提交/ 仲裁委员仲裁;(2)依法向项目所在地人民法院起诉。
第十三条本合同自双方签字之日起生效.其他约定事项:设备水箱现场安装;出卖方提供设备所必须的消防排烟及通风设备;出卖方确保降噪设备的良好降低噪音性能;供货周期自买受方支付预付款次日20天内供货;设备安装调试完成并验收合格后,出卖方向买受方提供全套设备的安装图纸及相关质量保证资料;如买受方需提前提供设备基础,设备出卖方必须提前向买受方提供基础施工的图纸及参数。
客户名称:机组型号发动机型号发电机型号常行功率
运行时间检查日期实际数据良好不良修理
机房温度
检查机房清洁
检查排气扇
检查外观
检查减震器
检查连接线
检查旋转连接螺栓
紧固外盖清扫滤芯清扫滤芯更换空气冷却器
漏气、水检查涡轮增压器
检查进排气管气缸密封
检查燃油滤芯
检查检查调整检查喷油泵
漏油检查喷油管
漏油检查拉杆球形结
检查清洗排水滤芯检查储油箱
检查输油泵
检查油位检查油压检查
油质检查
检查更换清洗(离心式)
检查(纸芯式)润滑系统卡特比勒(CAT)发电机组检查记录表
空气滤清器
润滑油机油滤芯
旁通过滤器机体燃油系统检查项目
检查结果喷油嘴
油水分离器
深圳市富东康机发电机有限公司联系电话
137********
发电机房进排气系统发电机编号:仲量联行
检查部位
客户方:检查单位:客户代表:检查者:。
柴油发电机组调试记录表填写需要注意以下几点:
1. 调试前的准备工作:检查柴油发电机组的配件是否齐全,检查燃油系统、电气系统是否正常。
2. 调试过程的记录:记录柴油发电机组启动、运行过程中的温度、压力、电流、电压等参数,以及出现的问题和解决方案。
3. 调试后的检查:检查柴油发电机组是否正常运行,并进行必要的清洁和维护。
总之,柴油发电机组调试记录表填写需要认真细致,确保调试过程的准确性和有效性,为后续的使用和维护提供有力的保障。
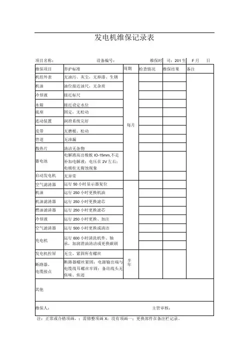
柴油发电机检查记录表
摘要:
一、柴油发电机检查记录表概述
二、柴油发电机检查项目与内容
1.外观检查
2.发动机内部检查
3.电气系统检查
4.冷却系统检查
5.燃料系统检查
6.润滑油检查
三、柴油发电机检查记录表填写注意事项
四、检查记录表实例展示与解析
正文:
一、柴油发电机组的结构和工作原理
柴油发电机组是由柴油发动机和发电机组成的发电设备。
柴油发动机作为动力来源,通过燃油喷射、气门控制、曲柄连杆机构等部件,将燃料能转化为机械能。
发电机则将柴油发动机产生的高速旋转的曲轴带动发电机的转子,使磁场发生改变,从而产生电能。
柴油发电机组广泛应用于家庭、企业、施工现场等领域,作为应急电源或主电源。
二、柴油发电机组的选购要点
1.功率和类型选择:根据用电设备的功率和数量,选择合适的柴油发电机
组功率。
同时,考虑发电机组的类型,如常规型、静音型、移动型等,以满足不同场合的需求。
2.品牌和质量考虑:选择具有良好口碑和可靠保障的品牌,确保柴油发电机组的质量。
可以参考行业评价、网友评论等,了解品牌的信誉度。
3.适应性评估:考虑柴油发电机组的工作环境,如温度、湿度、海拔等因素,选购具备相应适应性的设备。
三、柴油发电机组的安装与调试
1.安装地点选择:确保安装地点通风、干燥、无腐蚀性气体,便于发电机组的散热和维护。
2.安装基础:根据柴油发电机组的型号和重量,准备稳固的基础,以保证发电机组在运行过程中稳定不动。
3.调试:在安装完成后,进行柴油发电机组的空载和负载调试,确保发电机组正常工作。