商厦中央空调运行方案及费用测算
- 格式:docx
- 大小:41.27 KB
- 文档页数:3
中央空调计费方案选择及收费计算大型公共建筑、综合大楼往往有多个业主,不同业主有不同的使用要求,中央空调一般是以水为介质,主机集中供能和末端分散使用,如果分散使用的付费主体不同,就要涉及到费用分摊的问题。
1、方案选择以往常用费用分摊的计量方法有:用水表、电表进行中央空调计量收费这类看似简单、便宜的间接计费方法,比如:电表计费,水表计费等是极不科学,不公平的。
电表计费就是通过电表计量用户的空调末端的用电量作为用户的空调用量依据来进行收费的;如按电表计量收费:只要用户打开室内风机盘管,就必定计量收费!能量中心的空调主机即使不运行只要用户空调末端打开都有计费。
水表计费就是通过水表计量用户的空调末端用水量作为用户的空调用量依据来进行收费的,按此方法:无论主机开启是否,启动水泵,水表就有计量收费!因此,无论水表、电表进行中央空调的计量收费,都不能真正反应空调“量”的实质,中央空调的要计的“量”是消耗的能量(热交换量)的多少,用水表、电表进行中央空调计量收费显然是不合情理的、荒谬的。
中央空调要计量的“量”既不是水量,也不是电量,更不是时间量,而是中央空调介质水中携带的能量(冷量或热量)的变化量(能量表)由带信号输出的流量计、两只温度传感器和能量积算仪三部分组成,它通过计量中央空调介质(冷冻水)的某系统内瞬时流量、温差,由能量积算仪积分计算出系统的热交换量。
按冷热量读数进行收费时,不同用户根据其使用的空调冷热量的多少,缴纳不同的空调使用费,可得到业主的认可,也可避免物管部门与用户的收费纠纷。
注:这种中央空调计费方式原理明确,结果直观,易于理解。
由于它要计量多个参数,特别是中央空调系统的大流量小温差环境,对能量表的温差的精度要求较高,所以其生产成本较高安装示意图:2 、空调使用费的制定空调使用费一般由物业公司收取,故其价格应采用成本法。
即空调使用费只包括必要成本,物业公司收取空调使用费的目的不是盈利,而是如何以最低的成本向用户提供冷热量。
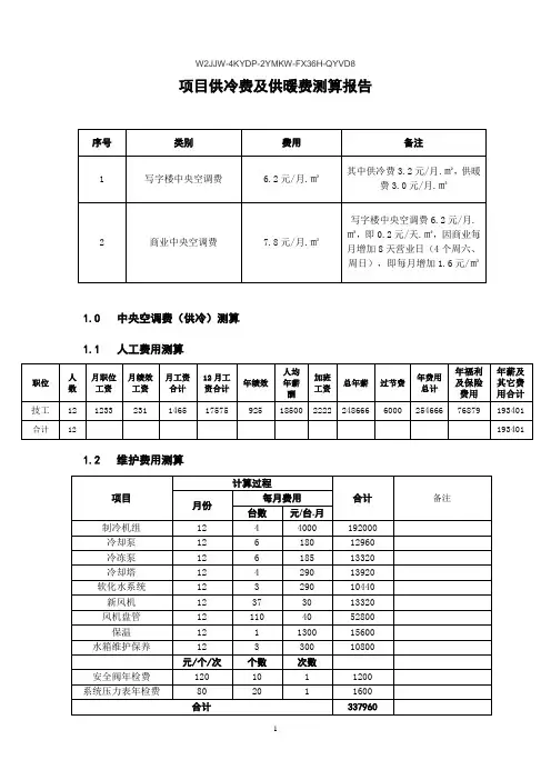
商业(商场)中央空调运行费用测算方法一、各房间负荷计算各房间负荷=单位冷负荷×房间面积×系数冷负荷按餐饮业估算,参考其他楼盘餐饮业冷负荷,每平方米算的300瓦,房间面积按照预售测绘的每套套内建筑面积计算,考虑层高较高,外窗玻璃面积较大,乘以1.2的系数,二、室内机功率计算根据各房间的负荷计算出各房间室内机的功率,各房间功率相加得到室内机总功率147.5匹三、室外机功率计算室内室外机容量配比系数选择100%,对应室外机总功率为147.5匹四、运行费用计算1.电费:根据室外机的功率、空调运行时间计算出每月总电费大概为1.1179元×147.5匹×0.735×8小时×31=30056元,其中每度电的价格按照商业电价1.1179计算,运行时间每月按31天,每天按8小时计算。
八小时以外的建议收取加时费。
每月总电费按预售测绘建筑面积1435平方米平均分摊,计算出每月每平方米电费=30056÷1435=20.9元2.维保费用:维护保养费用参考市场价格适当上调,西乡地铁站周边写字楼海虹工业区2014年的中央空调维保费用为3元每平方米每月,考虑到物业的人工成本和盈亏平衡,建议按3-5元每平方米每月收取维保费,电费参考市场价格建议按每度电1块3收取。
估算出每月每平方米收费标准大概在26块左右。
1F商业套内建筑面积(参照预售测绘面积)室内冷负荷=单位冷负荷×套内建筑面积×1.2的修正系数室内机匹数(一匹制冷量按2500w算)1013512600 5.5 10233118805 10333118805 10539140406 1064215120 6.5 1074215120 6.5 1084215120 6.5 10941147606 1101304680020总计43767匹2F商业套内建筑面积(参照预售测绘面积)室内冷负荷=单位冷负荷×套内建筑面积×1.2的修正系数室内机匹数(一匹制冷量按2500w算)2013010800 4.5 2022910440 4.5 2032910440 4.5 2052910440 4.5 2062910440 4.5 2072910440 4.5 2082910440 4.5 20959212409 21033118805 2112910440 4.5 2122910440 4.5 2132910440 4.5 2154215120 6.5 21646165607 21755198008总计52680.5匹。
中央空调(运行成本)收费标准令狐采学商业物业包括各类商业广场及SHOPPING MALL 等,由于商业物业公共设施配套齐全,每年公共设施能源费的消耗大都在数百万元乃至数千万元不等。
中央空调系统作为公共设施中的一个重要组成部分,运行期间水电费的消耗颇巨,控制其运行成本,并有效地处理实际管理中遇到的各类问题,是商业物业管理工作中的一项不可或缺的重要环节,特别是对多产权、多业态的商业物业而言,尤为突出。
笔者根据对江苏省首家SHOPPING MALL 四年多的管理实践,对中央空调运行成本及相关管理工作在此做一初探。
一、中央空调运行费用中央空调系统,由于管道多,覆盖面积大,运行成本亦较高。
在对商业物业的中央空调系统运行成本进行估算时,应主要考虑以上因素:1、用电成本(P1、K1、P2)主机(P1、K1)根据商业物业所配备的空调主机数量、用电功率、营运时间、使用周期、用电价格等,对一年中夏冬二季的运行成本进行计算,然后按一年12 个月进行平均,得出每个月的平均电费P1。
在实际操作过程中,由于主机并非满负荷运行,故根据具体情况,在计算中要考虑其负荷系数K1,K1≈0.6~0.9。
辅机(P2)此处主要指中央空调系统中的冷却塔、冷却泵、冷冻泵、空气处理机组、各类风机盘管等。
可根据实际不同的类型、数量和功率,进行估算。
需注意的是因季节的不同,在制冷和供暖时,辅机的数量和类型亦有所不同。
2、用水成本(P3)中央空调管道内的循环用水,开放式冷却塔的日常消耗用水,应根据空调供应期间的实际耗水量及每天的日均正常用水量综合进行考虑。
3、用汽成本(P4)对于以蒸汽为能源的溴化锂机组,除考虑空调系统的用电成本外,还要考虑用汽费用。
根据每台主机每小时耗汽量、每天运行时间、蒸汽单价、每年空调运行的天数等,计算出每月的平均蒸汽费用。
4、管道损耗(K2)冷暖气在中央空调管道输送过程中,因气流的紊流损耗,管壁损失等所产生的管道损耗,以管道损耗系数K2 表示,K2≈1.02~1.05。
XX物业管理公司XXX大厦中央空调费用测算中央空调运行费用、维护费构成说明中央空调运行费用:1.中央空调运行所用的电费(包括冷水机组、冷冻水泵、冷却水泵、冷却塔等设备)2.冷却塔的蒸发水水费中央空调维护费1.设备折旧费2.中央空调系统的维修、保养费3.中央空调系统的人工管理费4.其他各项附加费和物业管理利润中央空调运行费用为中央空调系统运行的直接费用,可从水、电计量表中直接获得准确的水、电能耗数据;中央空调维护费在空调系统的运行过程中基本是一个固定值,可以称为基本数。
“基本数”采用《物业管理法规文件汇编》中收费指导标准来计算。
(K=2.40元/m2.月,K表示单位基本数)二、XXX大厦中央空调使用功能划分XXX大厦空调总面积∑F=67000m2。
主要由如下三部分构成。
三、中央空调运行费测算1、所有空调场所均需供应空调(8:00~18:00),设备使用组合为:3大2小冷水机组及与其相应的冷冻、冷却水泵和冷却塔。
①电费:W11=2×(544+229) +544=2090KWW12=4×(75+37)=448KWW13=2×(22+11)=66KWW14=4×30=120KW∑W l= W11+ W12+ W13+ W14=2724KWP11=2724×O.9446×30×10=771927.12元②水费:P12=9000×4.95+9000×0.9×1.2=54270元③空调运行费:∑P l= P11+ P12=771927.12元+54270元=826197.12元④单位空调费为③÷66126=12.49元/m2.月2.局部空调场所供应空调(18:00~24:OO),设备使用组合为:2大冷水机组及与其相应的冷冻、冷却水泵和冷却塔。
①电费:W21=2×544=1088KWW22=2×(37+75)=228KWW23=22+22=44KWW24=30×2=60KW∑W2= W21+-…+ W24=1420KWP21=1420×0.9446×6×30=241439元②水费:P22=3726×4.95+3726×0.9×1.2=22467.78元③空调运行费:∑P2= P21 +P22=263906.78元④单位空调费为:③÷(F酒店+F出租)=263906.78÷45280.14=5.82元/m2.月。
商厦中央空调运行方案费用测算
商厦中央空调运行方案费用测算
商厦中央空调运行方案及费用测算
一、中央空调冷水机组运行费用:
绿景家园大厦6月至10月提供冷气,写字间供冷时间8:00-18:00,商场供冷时间9:00-21:00。
开机方案
夏季(6月1日-8月31日92天)秋季(9月1日-10月31日61天)
8:00-18:00(10小时)开2台主机920小时开1台610小时19:00-21:00(3小时)开1台276小时开1台183小时
年冷水机组(不含新风机、风机盘管)耗电度,电费单价按0.65元/度,折合月耗电费用元。
供冷面积按平方米计算,平均单价为:月耗电费用/供冷面积= 元/平方米/月。
二、中央空调系统维护费用
中央空调系统维护保养费用为:元/平方米/月,祥见附件四:《中央空调维护、耗能费用测算表》。
三、空调费价格
综合运行费用及维护费用得出绿景家园中央空调价格:
写字间空调耗能费为:元/月/平方米,按〈供冷季〉交费。
写字间空调维护保养费为:元/月/平方米,按〈全年〉交费。
商场空调耗能费为:元/月/平方米,按〈供冷季〉交费。
商场空调维护保养费为:元/月/平方米,按〈全年〉交费。
我司空调管理的经济原则是”不亏不盈”,在保证服务质量的基础上,对甲方提供最大限度的价格优惠。
感谢您的阅读!。
关于中央空调单位面积费用测算的汇报您好,由于中央空调单位面积费用测算需根据项目类型、业态分布搭配情况(写字楼、商场商铺、餐饮)、空调类型(分体空调、VRV空调、水冷式中央空调等)能效比参数、分摊要求等不同而有不同的算法。
具体测算需详细了解项目情况,获取具体数据方能科学合理计算。
以下为常见类型测算举例:例一、项目多种业态,由VRV空调系统供冷,测算其中写字楼部分单位面积空调费用(不含公共区分摊)。
空调每平方米每小时电费: 房间空调冷负荷÷能效系数×单位电价= 120w/m2÷4×1.1元/kw.h=0.033元/ m2.h (写字楼空调冷负荷按行业规范经验取值120w/ m2,VRV空调系统能效比按4倍计算,商业电费单价按1.1元/度计费。
)①空调每平方米每月电费:0.033元/ m2.h×10h/天×22天=7.26元/平方米.月②空调每平方米每月折旧费:400元/ m2÷(12个月/年×15年)=2.22元/ m2.月(VRV空调系统造价按400元/平方米估算,使用年限15年作折旧分摊)③空调每平方米每月维修维护费:400元/ m2×1﹪÷12个月=0.33元/m2.月空调每平方米每月成本费:①+②+③=9.81元/ m2.月例二、项目业态主要为一种类型(如写字楼),配VRV空调系统,公共区等空调费用由租户分摊,每月按实际空调能耗费用按面积分摊到各租户。
VRV空调主机需有单独电表计量每月总用电量①空调每平方米每月电费:月空调总用电量(vrv主机)÷实际空调用户总面积(说明:1.月空调总用电量(vrv主机)按电表实际计量,户内末端空调器通常接租户内电表用电无需另行计费,2.实际空调用户总面积不包含空置单元)②空调每平方米每月折旧费:2.2元/ m2.月(测算依据同例一,公共区空调折旧需按面积分摊到空调用户)③空调每平方米每月维修维护费:0.33元/ m2.月(测算依据同例一)空调每平方米每月成本费:①+②+③以上两种示例测算仅为空调每月每平方米成本费用,通常物业公司会在此基础上加上管理费(合理利润)等,具体额度由公司营销部、工程部根据项目类型、定位等情况拟定。
商铺中央空调配置方案商铺中央空调配置方案是一个涉及环境舒适度、能源节约和装修美观等多个方面的综合性问题。
在制定商铺中央空调配置方案时,需考虑商铺的面积、楼层高度、使用人数等因素,下面是一个典型的商铺中央空调配置方案:1. 商铺概况分析:商铺总面积为1000平方米,层高为3米,计划分为3层使用。
每层使用人数不超过50人。
2. 中央空调主机配置:根据商铺概况,选择一台适宜的中央空调主机作为核心配置。
主机的制冷量需满足商铺面积的需求,一般按照每平方米需要制冷20-30瓦的标准计算。
因此,选择制冷量为30000-40000瓦的主机。
同时,主机的制热功能也需满足商铺的需求,一般按照制冷能力的1:1.2来选择制热能力。
最后选择制热量为36000-48000瓦的主机。
3. 风管设计:根据商铺的楼层高度和面积,可以采用矩形风管进行空气输送。
根据设计规范,制定风管尺寸和布置方案。
根据商铺布局,将风管进行分支,分别连接各个房间或办公区域。
同时,根据需求,根据每个房间或区域的面积和使用情况,选择合适的送风口和回风口,以保证空气的均匀分布和流通。
4. 空调末端配置:根据商铺的具体需求,配置合适的空调末端设备。
按照每平方米需要2-2.5平方米的末端设备计算,选择合适的末端设备类型和数量。
根据商铺布局和使用情况,合理布置末端设备,以保证空调供冷供热效果的最大化。
5. 控制系统配置:根据商铺的需求和实际情况,选择合适的中央空调控制系统。
控制系统能够实现对空调主机、风机、温湿度传感器等设备的集中控制和监测,以实现能源的节约和运行的稳定性。
在商铺中央空调配置方案中,需要根据商铺的实际情况和需求进行设计,以满足商铺的舒适度要求和节能标准。
同时,为了确保安装质量和使用效果,需选择具备专业资质和经验的空调设备供应商和安装公司进行配套和安装。
同时,建议商铺在使用中定期检查和维护中央空调系统,以确保其正常运行和使用寿命。
关于中央空调单位面积费用测算的汇报您好,由于中央空调单位面积费用测算需根据项目类型、业态分布搭配情况(写字楼、商场商铺、餐饮)、空调类型(分体空调、VRV空调、水冷式中央空调等)能效比参数、分摊要求等不同而有不同的算法。
具体测算需详细了解项目情况,获取具体数据方能科学合理计算。
以下为常见类型测算举例:例一、项目多种业态,由VRV空调系统供冷,测算其中写字楼部分单位面积空调费用(不含公共区分摊)。
空调每平方米每小时电费: 房间空调冷负荷÷能效系数×单位电价= 120w/m2÷4×1.1元/kw.h=0.033元/ m2.h (写字楼空调冷负荷按行业规范经验取值120w/ m2,VRV空调系统能效比按4倍计算,商业电费单价按1.1元/度计费。
)①空调每平方米每月电费:0.033元/ m2.h×10h/天×22天=7.26元/平方米.月②空调每平方米每月折旧费:400元/ m2÷(12个月/年×15年)=2.22元/ m2.月(VRV空调系统造价按400元/平方米估算,使用年限15年作折旧分摊)③空调每平方米每月维修维护费:400元/ m2×1﹪÷12个月=0.33元/m2.月空调每平方米每月成本费:①+②+③=9.81元/ m2.月例二、项目业态主要为一种类型(如写字楼),配VRV空调系统,公共区等空调费用由租户分摊,每月按实际空调能耗费用按面积分摊到各租户。
VRV空调主机需有单独电表计量每月总用电量①空调每平方米每月电费:月空调总用电量(vrv主机)÷实际空调用户总面积(说明:1.月空调总用电量(vrv主机)按电表实际计量,户内末端空调器通常接租户内电表用电无需另行计费,2.实际空调用户总面积不包含空置单元)②空调每平方米每月折旧费:2.2元/ m2.月(测算依据同例一,公共区空调折旧需按面积分摊到空调用户)③空调每平方米每月维修维护费:0.33元/ m2.月(测算依据同例一)空调每平方米每月成本费:①+②+③以上两种示例测算仅为空调每月每平方米成本费用,通常物业公司会在此基础上加上管理费(合理利润)等,具体额度由公司营销部、工程部根据项目类型、定位等情况拟定。
大型商场中央空调造价标准
大型商场的中央空调的造价标准会受到各种因素的影响,包括商场的总面积、所在地区的气候条件、设计要求、设备品牌和型号等等。
通常来说,一般大型商场的中央空调造价标准可以按照单位面积来计算。
根据相关行业经验,一般大型商场中央空调的造价在每平方米2000-3000元之间。
这个价格包括了空调设备、材料、安装费用、管道敷设和维护等方面的费用。
需要注意的是,具体的造价标准还会根据项目的具体情况有所差异,例如商场的建筑结构、层数、使用功能等也会对中央空调的造价产生影响。
因此,在具体项目中,最好还是进行专业的评估和报价,以确定准确的中央空调造价标准。
中央空调运行费用测算 LG GROUP system office room 【LGA16H-LGYY-LGUA8Q8-LGA162】
中央空调运行费用测算
一、测算参数:
1.商业电价按元/KWh(度);
2.中央空调计算面积按10,056㎡;
3.中央空调(制冷系统)按全年开机170天计算;
4.空调水泵1台,功率15KW;
5.热泵机组3台,功率162KW;
6.风机盘管的运行功率不计(租户自行计量);
7.空调风机的运行功率不计;
8.中央空调机组的设备折旧费及人工费不计。
二、中央空调费用测算:
三、测算编制说明:
1、办公楼中央空调系统按每周五天工作日,每天10小时
(8:00am~18:00pm)提供中央空调服务。
用户如需在规定的时间外,使用中央空调系统,需另外提前向物业管理方提出书面申请,并承诺由用户承担产生的超时空调运行费。
2、本测算根据XX项目开发商提供的中央空调系
统设备相关基础数据进行计算,其中带(*)的空调循环水泵暂按运行1台测算(按目前设备的配置,水泵应为两用一备)
3、以上中央空调系统测算中,每月每平方米的收费标准中仅计
算了空调系统的用电情况,未包含空调系统的人员操作和维护保养以及低值易耗品等费用。
4、物业建议在租户单元安装(终端)中央空调能耗使用智能流
量积算仪等方式进行计量,以便于今后物业管理服务单位的收费。
以上测算和建议为我司初步的测算,今后可根据本项目的实际情
况再进行适当调整。
以上建议谨供参考。
中央空调收费方案及收费计算方法The final edition was revised on December 14th, 2020.中央空调计费方案选择及收费计算大型公共建筑、综合大楼往往有多个业主,不同业主有不同的使用要求,中央空调一般是以水为介质,主机集中供能和末端分散使用,如果分散使用的付费主体不同,就要涉及到费用分摊的问题。
1、方案选择以往常用费用分摊的计量方法有:用水表、电表进行中央空调计量收费这类看似简单、便宜的间接计费方法,比如:电表计费,水表计费等是极不科学,不公平的。
电表计费就是通过电表计量用户的空调末端的用电量作为用户的空调用量依据来进行收费的;如按电表计量收费:只要用户打开室内风机盘管,就必定计量收费!能量中心的空调主机即使不运行只要用户空调末端打开都有计费。
水表计费就是通过水表计量用户的空调末端用水量作为用户的空调用量依据来进行收费的,按此方法:无论主机开启是否,启动水泵,水表就有计量收费!因此,无论水表、电表进行中央空调的计量收费,都不能真正反应空调“量”的实质,中央空调的要计的“量”是消耗的能量(热交换量)的多少,用水表、电表进行中央空调计量收费显然是不合情理的、荒谬的。
中央空调要计量的“量”既不是水量,也不是电量,更不是时间量,而是中央空调介质水中携带的能量(冷量或热量)的变化量(能量表)由带信号输出的流量计、两只温度传感器和能量积算仪三部分组成,它通过计量中央空调介质(冷冻水)的某系统内瞬时流量、温差,由能量积算仪积分计算出系统的热交换量。
按冷热量读数进行收费时,不同用户根据其使用的空调冷热量的多少,缴纳不同的空调使用费,可得到业主的认可,也可避免物管部门与用户的收费纠纷。
注:这种中央空调计费方式原理明确,结果直观,易于理解。
由于它要计量多个参数,特别是中央空调系统的大流量小温差环境,对能量表的温差的精度要求较高,所以其生产成本较高安装示意图:2 、空调使用费的制定空调使用费一般由物业公司收取,故其价格应采用成本法。
中央空调运行成本测算中央空调运行费用、维护费构成说明中央空调运行费用:1.中央空调运行所用的电费(包括冷水机组、冷冻水泵、冷却水泵、冷却塔等设备)2.冷却塔的蒸发水水费中央空调维护费1.设备折旧费2.中央空调系统的维修、保养费3.中央空调系统的人工管理费4.其他各项附加费和物业管理利润中央空调运行费用为中央空调系统运行的直接费用,可从水、电计量表中直接获得准确的水、电能耗数据;中央空调维护费在空调系统的运行过程中基本是一个固定值,可以称为基本数。
“基本数”采用《物业管理法规文件汇编》中收费指导标准来计算。
(K=2.40元/m2.月,K 表示单位基本数)二、##X大厦中央空调使用功能划分##X大厦空调总面积∑F=67000m2。
主要由如下三部分构成。
三、中央空调运行费测算1、所有空调场所均需供应空调(8:00~18:00),设备使用组合为:3大2小冷水机组与与其相应的冷冻、冷却水泵和冷却塔。
①电费:W11=2×(544+229) +544=2090KWW12=4×(75+37)=448KWW13=2×(22+11)=66KWW14=4×30=120KW∑Wl= W11+ W12+ W13+ W14=2724KWP11=2724×O.9446×30×10=771927.12元②水费:P12=9000×4.95+9000×0.9×1.2=54270元③空调运行费:∑Pl= P11+ P12=771927.12元+54270元=826197.12元④单位空调费为③÷66126=12.49元/m2.月2.局部空调场所供应空调(18:00~24:OO),设备使用组合为:2大冷水机组与与其相应的冷冻、冷却水泵和冷却塔。
①电费:W21=2×544=1088KW W22=2×(37+75)=228KW W23=22+22=44KW W24=30×2=60KW∑W2= W21+-…+ W24=1420KWP21=1420×0.9446×6×30=241439元②水费:P22=3726×4.95+3726×0.9×1.2=22467.78元③空调运行费:∑P2= P21 +P22=263906.78元④单位空调费为:③÷(F酒店+F出租)=263906.78÷45280.14=5.82元/m2.月3.酒店独立供应空调(O:00~8:OO),设备使用组合为:一大一小冷水机组与与其相应冷冻水泵和冷却塔。
商业广场中央空调系统参数、设备折旧及成本计算商业广场中央空调系统参数、设备折旧及成本计算提要:设备折旧额=(设备原总值-预计净残值)/预计使用寿命2、计算条件①主机:设计寿命20年/每年工作160天/每天工作3小时商业广场中央空调系统参数、设备折旧及成本计算一、主机铭牌数据机组型号BZ175V111(k)Bo出厂编号02063518检验员号QA01制造日期2002年6月制冷量175万kcal/h制冷量2035kw冷水入口温度12oc冷水出口温度7oc冷水流量350m3/h冷水压限燃料低值热值8500kcal/Nm3热源最大耗量1698kw溴化锂溶液量电压/频率380v/50Hz耗电量大件运输重量二、主机常用数据燃料耗用量制冷:128kg/小时制热:140kg/小时电消耗:10.5kw三、系统其它数据1、总造价约400万元2、设计使用年限20年3、冷却水塔电功率15kw/n4、冷却水泵(单台)55kw/n5、冷冻水泵(单台)55kw/n6、冷却水首次充注耗用量7、冷冻水首次充注耗用量100t四、机盘管标称功率统计1、1F前楼(南楼)建行:1152w大堂:1920w农行:1344w合计:4416w后楼合计:480w2、2F前楼证券交易大厅:1786w中庭:768w证券办公室:1402w后楼:826w3、3F前楼咖啡厅:1786w东侧厅:2938w后楼:922w4、4F/6F-14F/16F-18F前楼:672w后楼:672w共13层合计:5、5F前楼:776w后楼:832w6、15F前楼:988w后楼:832w7、19F(前楼)768w8、总计:五、系统设备折旧1、计算公式:设备折旧额=(设备原总值-预计净残值)/预计使用寿命2、计算条件①主机:设计寿命20年/每年工作160天/每天工作3小时②系统其它设备均按:寿命20年/每年工作160天/每天工作8小时③系统原值按400万元/净残值忽略不计3、折旧额结果:约为20万/年,1250元/天,元/小时六、成本计算1、计算条件:柴油:3000元/t电:元/kwh水:元/t2、耗油:制冷:128kg/h*3000元/t≈384元/h制热:140kg/h*3000元/t≈420元/h3、冷却塔耗电:15kw/h*元≈元/h4、冷却泵耗电:55kw/h*元≈元/h5、冷冻泵耗电:55kw/h*元≈元/h6、直燃机电耗:/h*元≈元/h7、风机盘管电耗:42kw/h*元≈63元/h8、系统总成本为:折旧额+油耗+总电耗,计算结果为:制冷:元/h制热:元/h8、折合成风机单位电耗为:制冷:元/h÷42kw/h≈元/kwh制热:元/h÷42kw/h≈元/kwh注:人力及维持费用未计。
大厦中央空调费用测算中央空调运行费用、维护费构成说明中央空调运行费用:1.中央空调运行所用的电费(包括冷水机组、冷冻水泵、冷却水泵、冷却塔等设备)2.冷却塔的蒸发水水费中央空调维护费1.设备折旧费2.中央空调系统的维修、保养费3.中央空调系统的人工管理费4.其他各项附加费和物业管理利润中央空调运行费用为中央空调系统运行的直接费用,可从水、电计量表中直接获得准确的水、电能耗数据;中央空调维护费在空调系统的运行过程中基本是一个固定值,可以称为基本数。
“基本数”采用《物业管理法规文件汇编》中收费指导标准来计算。
(K=2.40元/m2.月,K表示单位基本数)1、所有空调场所均需供应空调(8:00~18:00),设备使用组合为:3大2小冷水机组及与其相应的冷冻、冷却水泵和冷却塔。
①电费:W11=2×(544+229) +544=2090KWW12=4×(75+37)=448KWW13=2×(22+11)=66KWW14=4×30=120KW∑W l= W11+ W12+ W13+ W14=2724KWP11=2724×O.9446×30×10=元②水费:P12=9000×4.95+9000×0.9×1.2=54270元③空调运行费:∑P l= P11+ P12=元+54270元=元④单位空调费为③÷66126=元/m2.月2.局部空调场所供应空调(18:00~24:OO),设备使用组合为:2大冷水机组及与其相应的冷冻、冷却水泵和冷却塔。
①电费:W21=2×544=1088KWW22=2×(37+75)=228KWW23=22+22=44KWW24=30×2=60KW∑W2=W21+-…+W24=1420KWP21=1420×0.9446×6×30=241439元②水费:P22=3726×4.95+3726×0.9×1.2=22467.78元③空调运行费:∑P2= P21+P22=263906.78元④单位空调费为:③÷(F酒店+F出租)=263906.78÷45280.14=5.82元/m2.月3.酒店独立供应空调(O:00~8:OO),设备使用组合为:一大一小冷水机组及与其相应冷冻水泵和冷却塔。
商场中央空调收费标准商场中央空调是商场内的重要设施之一,它不仅可以提供舒适的环境温度,还能够保证商场内商品和顾客的舒适度。
然而,商场中央空调的使用也需要一定的费用支出。
为了规范商场中央空调的收费标准,保障商场和顾客的利益,我们制定了以下收费标准。
首先,商场中央空调的收费按照使用面积来计算。
具体的收费标准如下,商场中央空调的使用面积在1000平方米以下的,收费标准为每平方米0.5元;使用面积在1000平方米以上的,收费标准为每平方米0.3元。
这样的收费标准能够根据不同商场的规模来进行灵活调整,既能够保证商场的收益,又能够让商场在收费方面不至于过于担负。
其次,商场中央空调的收费还需要考虑到使用时间。
我们规定,商场中央空调的收费按照小时来计算,具体的收费标准为每小时每平方米0.1元。
这样的收费标准能够让商场在不同的时间段内进行灵活调整,比如在早晚人流高峰期适当提高收费标准,而在其他时间段适当降低收费标准,以便更好地满足顾客的需求和商场的经营需求。
另外,商场中央空调的收费还需要考虑到季节因素。
我们规定,商场中央空调的收费在夏季和冬季会有所不同。
在夏季,商场中央空调的收费标准为每小时每平方米0.2元,而在冬季,收费标准为每小时每平方米0.1元。
这样的收费标准能够让商场在不同季节内进行灵活调整,以便更好地满足顾客的需求和商场的经营需求。
总的来说,商场中央空调的收费标准需要考虑到使用面积、使用时间和季节因素,以便更好地满足商场和顾客的需求。
我们制定的收费标准能够在灵活调整的基础上,保证商场中央空调的正常运行,同时也能够让顾客在舒适的环境中购物和消费。
希望商场能够按照我们制定的收费标准来进行收费,以保障商场和顾客的共同利益。
中央空调耗电量计算中央空调耗电量计算特灵水机中央空调方案1:本方案中配置了特灵型号为CGAH030A 的主机3台,它的外机功率是15.2KW/小时×3台=45.6KW。
配置风机盘管 43台,每台功率是0.05KW/小时,风机盘管总功率是0.05KW/小时×43台=2.15KW在满负荷运行状态下,空调的总耗电量45.6KW+2.15KW=47.7KW/小时,按正常使用8小时每天,年均使用150天计,年运行的耗电量为47.7×8小时×150天=57240KW,年总运行费用为57240KW×0.85元=48654元。
备注:风扇功率2.4KW/小时水泵功率2.2KW/小时压缩机功率10.6 KW/小时外机总功率是2.4+2.2+10.6=15.2 KW/小时15.2 KW×3台=45.6 KW/小时中央空调耗电量计算冷媒机冷媒空调方案2:本方案中须配置型号为5匹的风管机8台、3匹的风管机19台、2匹的风管机7台、1匹的风管机9台,它们的主机功率分别是4.2KW/小时、2.6KW/小时、2.05KW/小时、0.95KW/小时。
5匹: 4.2 KW×8台=33.6KW/小时3匹: 2.6 KW×19台=49.4KW/小时2匹: 2.05 KW×7台=14.35KW/小时1匹: 0.95 KW×9台=8.55KW/小时空调的总耗电量是33.6+49.4+14.35+8.55=105.9 KW/小时在满负荷运行状态下,空调的总耗电量为105.9KW/小时,按正常使用8小时/天,年均使用150天计,年运行的耗电量为105.9×8小时×150天=127080KW/小时,年总运行费用为127080 KW×0.85元=108018元。
在保修期内,乙方每年负责清洗过滤网及主机一次。
过保修期外,如果甲方要求清洗过滤网及主机需交纳相应费用。
整体解决方案系列
商厦中央空调运行方案及
费用测算
(标准、完整、实用、可修改)
编号:FS-QG-72854商厦中央空调运行方案及费用测算Commercial air-conditioning operation plan and cost calculation 说明:为明确各负责人职责,充分调用工作积极性,使人员队伍与目标管理科学化、制度化、规范化,特此制定
商厦中央空调运行方案及费用测算
一、中央空调冷水机组运行费用:
绿景家园大厦6月至10月提供冷气,写字间供冷时间8:00-18:00,商场供冷时间9:00-21:00。
开机方案
夏季(6月1日-8月31日92天)秋季(9月1日-10月31日61天)
8:00-18:00(10小时)开2台主机920小时开1台610小时
19:00-21:00(3小时)开1台276小时开1台183小时
年冷水机组(不含新风机、风机盘管)耗电度,电费单价按0.65元/度,折合月耗电费用元。
供冷面积按平方米计算,平均单价为:
月耗电费用/供冷面积=元/平方米/月。
二、中央空调系统维护费用
中央空调系统维护保养费用为:元/平方米/月,祥见附件四:《中央空调维护、耗能费用测算表》。
三、空调费价格
综合运行费用及维护费用得出绿景家园中央空调价格: 写字间空调耗能费为:元/月/平方米,按〈供冷季〉交费。
写字间空调维护保养费为:元/月/平方米,按〈全年〉交费。
商场空调耗能费为:元/月/平方米,按〈供冷季〉交费。
商场空调维护保养费为:元/月/平方米,按〈全年〉交费。
我司空调管理的经济原则是"不亏不盈",在保证服务质量的基础上,对甲方提供最大限度的价格优惠。
请输入您公司的名字
Foonshion Design Co., Ltd。