梁,500×1000梁木模板与支撑计算书
- 格式:rtf
- 大小:63.96 KB
- 文档页数:4
梁木模板与支撑计算书一、梁模板基本参数梁截面宽度 B=500mm,梁截面高度 H=800mm,H方向对拉螺栓1道,对拉螺栓直径14mm,对拉螺栓在垂直于梁截面方向距离(即计算跨度)850mm。
梁模板使用的木方截面40×80mm,梁模板截面侧面木方距离200mm。
梁底模面板厚度h=15mm,弹性模量E=6000N/mm2,抗弯强度[f]=15N/mm2。
梁侧模面板厚度h=15mm,弹性模量E=6000N/mm2,抗弯强度[f]=15N/mm2。
二、梁模板荷载标准值计算模板自重 = 0.200kN/m2;钢筋自重 = 1.500kN/m3;混凝土自重 = 24.000kN/m3;施工荷载标准值 = 2.500kN/m2。
强度验算要考虑新浇混凝土侧压力和倾倒混凝土时产生的荷载设计值;挠度验算只考虑新浇混凝土侧压力产生荷载标准值。
新浇混凝土侧压力计算公式为下式中的较小值:其中γc——混凝土的重力密度,取24.000kN/m3;t ——新浇混凝土的初凝时间,为0时(表示无资料)取200/(T+15),取3.000h;T ——混凝土的入模温度,取20.000℃;V ——混凝土的浇筑速度,取1.000m/h;H ——混凝土侧压力计算位置处至新浇混凝土顶面总高度,取1.200m;β——混凝土坍落度影响修正系数,取0.850。
根据公式计算的新浇混凝土侧压力标准值 F1=17.130kN/m2考虑结构的重要性系数0.90,实际计算中采用新浇混凝土侧压力标准值:F1=0.90×17.140=15.426kN/m2考虑结构的重要性系数0.90,倒混凝土时产生的荷载标准值:F2=0.90×6.000=5.400kN/m2。
三、梁底模板木楞计算梁底木方的计算在脚手架梁底支撑计算中已经包含!四、梁模板侧模计算面板直接承受模板传递的荷载,应该按照均布荷载下的连续梁计算,计算如下作用在梁侧模板的均布荷载q=(1.2×15.43+1.40×5.40)×0.80=20.857N/mm面板的截面惯性矩I和截面抵抗矩W分别为:本算例中,截面惯性矩I和截面抵抗矩W分别为:截面抵抗矩 W = bh2/6 = 80.00×1.50×1.50/6 = 30.00cm3;截面惯性矩 I = bh3/12 = 80.00×1.50×1.50×1.50/12 = 22.50cm4;式中:b为板截面宽度,h为板截面高度。
梁模板支撑计算书高支撑架的计算参照《建筑施工扣件式钢管脚手架安全技术规范》(JGJ130-2001)。
支撑高度在4米以上的模板支架被称为扣件式钢管高支撑架,对于高支撑架的计算规范存在重要疏漏,使计算极容易出现不能完全确保安全的计算结果。
本计算书还参照《施工技术》2002.3.《扣件式钢管模板高支撑架设计和使用安全》,供脚手架设计人员参考。
模板支架搭设高度为4.5米,基本尺寸为:梁截面 B ×D=450mm ×1100mm ,梁支撑立杆的横距(跨度方向) l=0.60米,立杆的步距 h=1.50米,梁底增加1道承重立杆。
45001500110图1 梁模板支撑架立面简图采用的钢管类型为48×3.0。
一、模板面板计算面板为受弯结构,需要验算其抗弯强度和刚度。
模板面板的按照多跨连续梁计算。
作用荷载包括梁与模板自重荷载,施工活荷载等。
1.荷载的计算:(1)钢筋混凝土梁自重(kN/m):q1 = 25.000×1.100×0.600=16.500kN/m(2)模板的自重线荷载(kN/m):q2 = 0.350×0.600×(2×1.100+0.450)/0.450=1.237kN/m(3)活荷载为施工荷载标准值与振倒混凝土时产生的荷载(kN):经计算得到,活荷载标准值P1 = (1.000+2.000)×0.450×0.600=0.810kN均布荷载 q = 1.2×16.500+1.2×1.237=21.284kN/m集中荷载 P = 1.4×0.810=1.134kN面板的截面惯性矩I和截面抵抗矩W分别为:本算例中,截面惯性矩I和截面抵抗矩W分别为:W = 60.00×1.80×1.80/6 = 32.40cm3;I = 60.00×1.80×1.80×1.80/12 = 29.16cm4;A计算简图0.158弯矩图(kN.m)剪力图(kN)0.034变形图(mm)经过计算得到从左到右各支座力分别为N1=2.228kNN2=7.218kNN3=1.266kN最大弯矩 M = 0.158kN.m最大变形 V = 0.4mm(1)抗弯强度计算经计算得到面板抗弯强度计算值 f = 0.158×1000×1000/32400=4.873N/mm2面板的抗弯强度设计值 [f],取15.00N/mm2;面板的抗弯强度验算 f < [f],满足要求!(2)抗剪计算截面抗剪强度计算值T=3×4333.0/(2×600.000×18.000)=0.602N/mm2截面抗剪强度设计值 [T]=1.40N/mm2抗剪强度验算 T < [T],满足要求!(3)挠度计算面板最大挠度计算值 v = 0.380mm面板的最大挠度小于255.0/250,满足要求!二、梁底支撑方木的计算(一)梁底方木计算按照三跨连续梁计算,最大弯矩考虑为静荷载与活荷载的计算值最不利分配的弯矩和,计算公式如下:均布荷载 q = 7.218/0.600=12.030kN/m最大弯矩 M = 0.1ql2=0.1×12.03×0.60×0.60=0.433kN.m最大剪力 Q=0.6×0.600×12.030=4.331kN最大支座力 N=1.1×0.600×12.030=7.940kN方木的截面力学参数为本算例中,截面惯性矩I和截面抵抗矩W分别为:W = 5.00×10.00×10.00/6 = 83.33cm3;I = 5.00×10.00×10.00×10.00/12 = 416.67cm4;(1)方木抗弯强度计算抗弯计算强度 f=0.433×106/83333.3=5.20N/mm2方木的抗弯计算强度小于13.0N/mm2,满足要求!(2)方木抗剪计算最大剪力的计算公式如下:Q = 0.6ql截面抗剪强度必须满足:T = 3Q/2bh < [T]截面抗剪强度计算值 T=3×4331/(2×50×100)=1.299N/mm2截面抗剪强度设计值 [T]=1.30N/mm2方木的抗剪强度计算满足要求!(3)方木挠度计算最大变形 v =0.677×10.025×600.04/(100×9500.00×4166666.8)=0.222mm方木的最大挠度小于600.0/250,满足要求!三、梁底支撑钢管计算(一) 梁底支撑横向钢管计算横向支撑钢管按照集中荷载作用下的连续梁计算。
500x1000梁模板扣件钢管支撑架计算书依据规范:《建筑施工脚手架安全技术统一标准》GB51210-2016《建筑施工扣件式钢管脚手架安全技术规范》JGJ 130-2011 《建筑施工模板安全技术规范》JGJ 162-2008《建筑结构荷载规范》GB50009-2012《钢结构设计规范》GB50017-2003《混凝土结构设计规范》GB50010-2010《建筑地基基础设计规范》GB50007-2011《建筑施工木脚手架安全技术规范》JGJ 164-2008计算参数:钢管强度为205.0 N/mm2,钢管强度折减系数取1.00。
模板支架搭设高度为3.3m,梁截面B×D=500mm×1000mm,立杆的纵距(跨度方向) l=0.40m,立杆的步距 h=1.50m,梁底增加1道承重立杆。
面板厚度12mm,剪切强度1.4N/mm2,抗弯强度17.0N/mm2,弹性模量9000.0N/mm2。
内龙骨采用50.×80.mm木方。
木方剪切强度1.7N/mm2,抗弯强度17.0N/mm2,弹性模量9000.0N/mm2。
梁两侧立杆间距 1.00m。
模板自重0.20kN/m 2,混凝土钢筋自重25.50kN/m 3。
振捣混凝土荷载标准值2.00kN/m 2,施工均布荷载标准值2.50kN/m 2。
扣件计算折减系数取1.00。
3300图1 梁模板支撑架立面简图按照GB51210规范6.1.11条规定确定荷载组合分项系数如下:由可变荷载效应控制的组合S=1.2×(25.50×1.00+0.20)+1.40×2.50=34.340kN/m 2由永久荷载效应控制的组合S=1.35×25.50×1.00+0.7×1.40×2.50=36.875kN/m 2由于永久荷载效应控制的组合S 最大,永久荷载分项系数取1.35,可变荷载分项系数取0.7×1.40=0.98采用的钢管类型为φ48.3×3.6。
梁木模板与支撑计算书一、梁模板基本参数梁截面宽度 B=500mm,梁截面高度 H=1000mm,H方向对拉螺栓2道,对拉螺栓直径14mm,对拉螺栓在垂直于梁截面方向距离(即计算跨度)1000mm。
梁模板使用的木方截面50×100mm,梁模板截面底部木方距离200mm,梁模板截面侧面木方距离250mm。
梁底模面板厚度h=12mm,弹性模量E=4500N/mm2,抗弯强度[f]=25N/mm2。
梁侧模面板厚度h=12mm,弹性模量E=4500N/mm2,抗弯强度[f]=25N/mm2。
二、梁模板荷载标准值计算模板自重 = 0.340kN/m2;钢筋自重 = 1.500kN/m3;混凝土自重 = 24.000kN/m3;施工荷载标准值 = 2.500kN/m2。
强度验算要考虑新浇混凝土侧压力和倾倒混凝土时产生的荷载设计值;挠度验算只考虑新浇混凝土侧压力产生荷载标准值。
新浇混凝土侧压力计算公式为下式中的较小值:其中c——混凝土的重力密度,取24.000kN/m3;t ——新浇混凝土的初凝时间,为0时(表示无资料)取200/(T+15),取5.714h; T ——混凝土的入模温度,取20.000℃;V ——混凝土的浇筑速度,取2.500m/h;H ——混凝土侧压力计算位置处至新浇混凝土顶面总高度,取0.900m;1——外加剂影响修正系数,取1.200;2—— 混凝土坍落度影响修正系数,取1.200。
根据公式计算的新浇混凝土侧压力标准值 F1=21.590kN/m 2实际计算中采用新浇混凝土侧压力标准值 F1=21.600kN/m 2倒混凝土时产生的荷载标准值 F2= 6.000kN/m 2。
三、梁模板底模计算本算例中,截面惯性矩I 和截面抵抗矩W 分别为:W = 50.00×1.20×1.20/6 = 12.00cm 3;I = 50.00×1.20×1.20×1.20/12 = 7.20cm 4;梁底模板面板按照三跨度连续梁计算,计算简图如下17.25kN/mA梁底模面板计算简图1.抗弯强度计算抗弯强度计算公式要求: f = M/W < [f]其中 f —— 梁底模板的抗弯强度计算值(N/mm 2);M —— 计算的最大弯矩 (kN.m);q —— 作用在梁底模板的均布荷载(kN/m);q=1.2×[0.34×0.50+24.00×0.50×1.00+1.50×0.50×1.00]+1.4×2.50×0.50=17.25kN/m最大弯矩计算公式如下:M=-0.10×17.254×0.2002=-0.069kN.mf=0.069×106/12000.0=5.751N/mm 2梁底模面板抗弯计算强度小于25.00N/mm 2,满足要求!2.抗剪计算最大剪力的计算公式如下:Q = 0.6ql截面抗剪强度必须满足:T = 3Q/2bh < [T]其中最大剪力 Q=0.6×0.200×17.254=2.070kN截面抗剪强度计算值 T=3×2070/(2×500×12)=0.518N/mm 2截面抗剪强度设计值 [T]=1.40N/mm 2面板的抗剪强度计算满足要求!3.挠度计算最大挠度计算公式如下:其中 q = 0.34×0.50+24.00×0.50×1.00+1.50×0.50×1.00=12.920N/mm三跨连续梁均布荷载作用下的最大挠度v = 0.677×12.920×200.04/(100×4500.00×72000.0)=0.432mm梁底模板的挠度计算值: v = 0.432mm 小于 [v] = 200/250,满足要求!四、梁模板底木方计算梁底木方的计算在脚手架梁底支撑计算中已经包含!五、梁模板侧模计算梁侧模板按照三跨连续梁计算,计算简图如下34.32kN/mA图 梁侧模板计算简图1.抗弯强度计算抗弯强度计算公式要求: f = M/W < [f]其中 f —— 梁侧模板的抗弯强度计算值(N/mm 2);M —— 计算的最大弯矩 (kN.m);q —— 作用在梁侧模板的均布荷载(N/mm);q=(1.2×21.60+1.4×6.00)×1.00=34.320N/mm最大弯矩计算公式如下:M=-0.10×34.320×0.2502=-0.215kN.mf=0.215×106/24000.0=8.938N/mm 2梁侧模面板抗弯计算强度小于25.00N/mm 2,满足要求!2.抗剪计算最大剪力的计算公式如下:Q = 0.6ql截面抗剪强度必须满足:T = 3Q/2bh < [T]其中最大剪力 Q=0.6×0.250×34.320=5.148kN截面抗剪强度计算值 T=3×5148/(2×1000×12)=0.644N/mm 2截面抗剪强度设计值 [T]=1.40N/mm2面板的抗剪强度计算满足要求!3.挠度计算最大挠度计算公式如下:其中 q = 21.60×1.00=21.60N/mm三跨连续梁均布荷载作用下的最大挠度v = 0.677×21.600×250.04/(100×4500.00×144000.0)=0.882mm梁侧模板的挠度计算值: v = 0.882mm小于 [v] = 250/250,满足要求!六、穿梁螺栓计算计算公式:N < [N] = fA其中 N ——穿梁螺栓所受的拉力;A ——穿梁螺栓有效面积 (mm2);f ——穿梁螺栓的抗拉强度设计值,取170N/mm2;穿梁螺栓承受最大拉力 N = (1.2×21.60+1.4×6.00)×1.00×1.00/2=17.16kN穿梁螺栓直径为14mm;穿梁螺栓有效直径为11.6mm;穿梁螺栓有效面积为 A=105.000mm2;穿梁螺栓最大容许拉力值为 [N]=17.850kN;穿梁螺栓承受拉力最大值为 N=17.160kN;穿梁螺栓的布置距离为侧龙骨的计算间距1000mm。
梁模板(扣件式,梁板立柱共用)计算书计算依据:1、《建筑施工模板安全技术规范》JGJ162-20082、《建筑施工扣件式钢管脚手架安全技术规范》JGJ 130-20113、《混凝土结构设计规范》GB 50010-20104、《建筑结构荷载规范》GB 50009-20125、《钢结构设计规范》GB 50017-2003一、工程属性二、荷载设计三、模板体系设计设计简图如下:平面图立面图四、面板验算取单位宽度b=1000mm,按二等跨连续梁计算:W=bh2/6=1000×15×15/6=37500mm3,I=bh3/12=1000×15×15×15/12=281250mm4 q1=0.9×max[1.2(G1k+(G2k+G3k)×h)+1.4Q2k,1.35(G1k+(G2k+G3k)×h)+1.4ψc Q2k]×b=0.9×max[1.2×(0.1+(24+1.5)×1)+1.4×2,1.35×(0.1+(24+1.5)×1)+1.4×0.7×2]×1=32.868kN /mq1静=0.9×1.35×[G1k+(G2k+G3k)×h]×b=0.9×1.35×[0.1+(24+1.5)×1]×1=31.104kN/m q1活=0.9×1.4×0.7×Q2k×b=0.9×1.4×0.7×2×1=1.764kN/mq2=[1×(G1k+(G2k+G3k)×h)]×b=[1×(0.1+(24+1.5)×1)]×1=25.6kN/m计算简图如下:1、强度验算M max=0.125q1L2=0.125×32.868×0.252=0.257kN·mσ=M max/W=0.257×106/37500=6.848N/mm2≤[f]=15N/mm2满足要求!2、挠度验算νmax=0.521q2L4/(100EI)=0.521×25.6×2504/(100×5400×281250)=0.343mm≤[ν]=L/250=250/250=1mm满足要求!3、支座反力计算设计值(承载能力极限状态)R1=R3=0.375q1静L+0.437q1活L=0.375×31.104×0.25+0.437×1.764×0.25=3.109kN R2=1.25q1L=1.25×32.868×0.25=10.271kN标准值(正常使用极限状态)R1'=R3'=0.375q2L=0.375×25.6×0.25=2.4kNR2'=1.25q2L=1.25×25.6×0.25=8kN五、小梁验算承载能力极限状态:梁底面板传递给左边小梁线荷载:q1左=R1/b=3.109/1=3.109kN/m梁底面板传递给中间小梁最大线荷载:q1中=Max[R2]/b = Max[10.271]/1= 10.271kN/m梁底面板传递给右边小梁线荷载:q1右=R3/b=3.109/1=3.109kN/m小梁自重:q2=0.9×1.35×(0.3-0.1)×0.5/2 =0.061kN/m梁左侧模板传递给左边小梁荷载q3左=0.9×1.35×0.5×(1-0.18)=0.498kN/m梁右侧模板传递给右边小梁荷载q3右=0.9×1.35×0.5×(1-0.18)=0.498kN/m梁左侧楼板传递给左边小梁荷载q4左=0.9×Max[1.2×(0.5+(24+1.1)×0.18)+1.4×2,1.3 5×(0.5+(24+1.1)×0.18)+1.4×0.7×2]×(0.5-0.5/2)/2×1=0.992kN/m梁右侧楼板传递给右边小梁荷载q4右=0.9×Max[1.2×(0.5+(24+1.1)×0.18)+1.4×2,1.3 5×(0.5+(24+1.1)×0.18)+1.4×0.7×2]×((1-0.5)-0.5/2)/2×1=0.992kN/m左侧小梁荷载q左=q1左+q2+q3左+q4左 =3.109+0.061+0.498+0.992=4.66kN/m中间小梁荷载q中= q1中+ q2=10.271+0.061=10.332kN/m右侧小梁荷载q右=q1右+q2+q3右+q4右 =3.109+0.061+0.498+0.992=4.66kN/m小梁最大荷载q=Max[q左,q中,q右]=Max[4.66,10.332,4.66]=10.332kN/m正常使用极限状态:梁底面板传递给左边小梁线荷载:q1左'=R1'/b=2.4/1=2.4kN/m梁底面板传递给中间小梁最大线荷载:q1中'=Max[R2']/b = Max[8]/1= 8kN/m 梁底面板传递给右边小梁线荷载:q1右'=R3'/b=2.4/1=2.4kN/m小梁自重:q2'=1×(0.3-0.1)×0.5/2 =0.05kN/m梁左侧模板传递给左边小梁荷载q3左'=1×0.5×(1-0.18)=0.41kN/m梁右侧模板传递给右边小梁荷载q3右'=1×0.5×(1-0.18)=0.41kN/m梁左侧楼板传递给左边小梁荷载q4左'=[1×(0.5+(24+1.1)×0.18)]×(0.5-0.5/2)/2×1=0.62 7kN/m梁右侧楼板传递给右边小梁荷载q4右'=[1×(0.5+(24+1.1)×0.18)]×((1-0.5)-0.5/2)/2×1=0 .627kN/m左侧小梁荷载q左'=q1左'+q2'+q3左'+q4左'=2.4+0.05+0.41+0.627=3.487kN/m中间小梁荷载q中'= q1中'+ q2'=8+0.05=8.05kN/m右侧小梁荷载q右'=q1右'+q2'+q3右'+q4右' =2.4+0.05+0.41+0.627=3.487kN/m小梁最大荷载q'=Max[q左',q中',q右']=Max[3.487,8.05,3.487]=8.05kN/m为简化计算,按简支梁计算,如下图:1、抗弯验算M max=max[0.125ql12,0.5ql22]=max[0.125×10.332×0.2252,0.5×10.332×02]=0.065k N·mσ=M max/W=0.065×106/40833=1.601N/mm2≤[f]=11.44N/mm2满足要求!2、抗剪验算V max=max[0.5ql1,ql2]=max[0.5×10.332×0.225,10.332×0]=1.162kNτmax=3V max/(2bh0)=3×1.162×1000/(2×50×70)=0.498N/mm2≤[τ]=1.232N/mm2满足要求!3、挠度验算ν1=5q'l14/(384EI)=5×8.05×2254/(384×7040×142.917×104)=0.027mm≤[ν]=l1/250=2 25/250=0.9mm满足要求!4、支座反力计算承载能力极限状态R max=max[qL1,0.5qL1+qL2]=max[10.332×0.225,0.5×10.332×0.225+10.332×0]=2.325kN 同理可得:梁底支撑小梁所受最大支座反力依次为R1=1.048kN,R2=2.325kN,R3=1.048kN 正常使用极限状态R max'=max[q'L1,0.5q'L1+q'L2]=max[8.05×0.225,0.5×8.05×0.225+8.05×0]=1.811kN 同理可得:梁底支撑小梁所受最大支座反力依次为R1'=0.785kN,R2'=1.811kN,R3'=0.785kN 六、主梁验算1、抗弯验算主梁弯矩图(kN·m)σ=M max/W=0.113×106/4490=25.17N/mm2≤[f]=205N/mm2 满足要求!2、抗剪验算主梁剪力图(kN)V max=1.163kNτmax=2V max/A=2×1.163×1000/424=5.483N/mm2≤[τ]=125N/mm2满足要求!3、挠度验算主梁变形图(mm)νmax=0.024mm≤[ν]=L/250=334/250=1.336mm满足要求!4、支座反力计算承载能力极限状态支座反力依次为R1=0.017kN,R2=2.193kN,R3=2.193kN,R4=0.017kN正常使用极限状态支座反力依次为R1'=0.008kN,R2'=1.683kN,R3'=1.683kN,R4'=0.008kN七、2号主梁验算P=max[R2,R3]=Max[2.193,2.193]=2.193kN,P'=max[R2',R3']=Max[1.683,1.683]=1.683kN1、抗弯验算2号主梁弯矩图(kN·m) σ=M max/W=0.173×106/4490=38.466N/mm2≤[f]=205N/mm2 满足要求!2、抗剪验算2号主梁剪力图(kN)V max=1.426kNτmax=2V max/A=2×1.426×1000/424=6.724N/mm2≤[τ]=125N/mm2满足要求!3、挠度验算2号主梁变形图(mm)νmax=0.08mm≤[ν]=L/250=450/250=1.8mm满足要求!4、支座反力计算极限承载能力状态支座反力依次为R1=2.96kN,R2=4.715kN,R3=4.715kN,R4=2.961kN 立杆所受主梁支座反力依次为R2=4.715/1=4.715kN,R3=4.715/1=4.715kN 八、纵向水平钢管验算P=max[R1,R4]=0.017kN,P'=max[R1',R4']=0.008kN计算简图如下:1、抗弯验算纵向水平钢管弯矩图(kN·m)σ=M max/W=0.001×106/4490=0.298N/mm2≤[f]=205N/mm2 满足要求!2、抗剪验算纵向水平钢管剪力图(kN)V max=0.011kNτmax=2V max/A=2×0.011×1000/424=0.052N/mm2≤[τ]=125N/mm2满足要求!3、挠度验算纵向水平钢管变形图(mm)νmax=0mm≤[ν]=L/250=450/250=1.8mm满足要求!4、支座反力计算支座反力依次为R1=0.023kN,R2=0.037kN,R3=0.037kN,R4=0.023kN同理可得:两侧立杆所受支座反力依次为R1=0.037kN,R4=0.037kN九、可调托座验算1、扣件抗滑移验算两侧立杆最大受力N=max[R1,R4]=max[0.037,0.037]=0.037kN≤1×8=8kN 单扣件在扭矩达到40~65N·m且无质量缺陷的情况下,单扣件能满足要求!2、可调托座验算可调托座最大受力N=max[R2,R3]=4.715kN≤[N]=30kN满足要求!十、立杆验算1、长细比验算顶部立杆段:l01=kμ1(h d+2a)=1×1.427×(1600+2×300)=3139.4mm非顶部立杆段:l02=kμ2h =1×1.808×1500=2712mmλ=l0/i=3139.4/15.9=197.447≤[λ]=210长细比满足要求!2、风荷载计算M w=1×φc×1.4×ωk×l a×h2/10=1×0.9×1.4×0.362×0.45×1.52/10=0.046kN·m3、稳定性计算根据《建筑施工扣件式钢管脚手架安全技术规范》JGJ130-2011,荷载设计值q1有所不同:1)面板验算q1=1×[1.2×(0.1+(24+1.5)×1)+1.4×0.9×2]×1=33.24kN/m2)小梁验算q1=max{3.155+1×1.2×[(0.3-0.1)×0.5/2+0.5×(1-0.18)]+1×[1.2×(0.5+(24+1.1)×0.18)+1.4×0.9×1]×max[0.5-0.5/2,(1-0.5)-0.5/2]/2×1,10.388+1×1.2×(0.3-0.1)×0.5/2}=10.448k N/m同上四~八计算过程,可得:R1=0.03kN,R2=4.732kN,R3=4.732kN,R4=0.03kN顶部立杆段:l01=kμ1(h d+2a)=1.155×1.427×(1600+2×300)=3626.007mmλ1=l01/i=3626.007/15.9=228.051,查表得,φ1=0.14立杆最大受力N w=max[R1+N边1,R2,R3,R4+N边2]+M w/l b=max[0.03+1×[1.2×(0.5+ (24+1.1)×0.18)+1.4×0.9×1]×(0.9+0.5-0.5/2)/2×0.45,4.732,4.732,0.03+1×[1.2×(0.5 +(24+1.1)×0.18)+1.4×0.9×1]×(0.9+1-0.5-0.5/2)/2×0.45]+0.046/1=4.778kNf=N/(φA)+M w/W=4778.44/(0.14×424)+0.046×106/4490=90.744N/mm2≤[f]=205N/m m2满足要求!非顶部立杆段:l02=kμ2h =1.155×1.808×1500=3132.36mmλ2=l02/i=3132.36/15.9=197.004,查表得,φ2=0.186立杆最大受力N w=max[R1+N边1,R2,R3,R4+N边2]+1×1.2×0.15×(3.7-1)+M w/l b=ma x[0.03+1×[1.2×(0.5+(24+1.1)×0.18)+1.4×0.9×1]×(0.9+0.5-0.5/2)/2×0.45,4.732,4.732,0.03+1×[1.2×(0.5+(24+1.1)×0.18)+1.4×0.9×1]×(0.9+1-0.5-0.5/2)/2×0.45]+0.486+0.04 6/1=5.264kNf=N/(φA)+M w/W=5264.44/(0.186×424)+0.046×106/4490=76.998N/mm2≤[f]=205N/ mm2满足要求!十一、高宽比验算根据《建筑施工扣件式钢管脚手架安全技术规范》JGJ130-2011第6.9.7:支架高宽比不应大于3H/B=3.7/25=0.148≤3满足要求,不需要进行抗倾覆验算!十二、立杆支承面承载力验算F1=N=5.264kN1、受冲切承载力计算根据《混凝土结构设计规范》GB50010-2010第6.5.1条规定,见下表可得:βh=1,f t=1.115N/mm2,η=1,h0=h-20=330mm,u m =2[(a+h0)+(b+h0)]=1720mmF=(0.7βh f t+0.25σpc,m)ηu m h0=(0.7×1×1.115+0.25×0)×1×1720×330/1000=443.012kN≥F1 =5.264kN满足要求!2、局部受压承载力计算根据《混凝土结构设计规范》GB50010-2010第6.6.1条规定,见下表可得:f c=11.154N/mm2,βc=1,βl=(A b/A l)1/2=[(a+2b)×(b+2b)/(ab)]1/2=[(300)×(300)/(100×100)]1/2=3,A ln=ab=10000mm 2F=1.35βcβl f c A ln=1.35×1×3×11.154×10000/1000=451.737kN≥F1=5.264kN满足要求!。
梁模板(木支撑)计算书(木支撑立杆截面类型为方木)梁模板(木支撑)计算书(木支撑立杆截面类型为方木)梁模板(木支撑)计算书1、模板参数木支撑纵距Lb (m): 0.500;立杆计算高度H (m): 3.000;立杆采用方木;立杆方木截面宽度b(mm): 80.000;立杆方木截面高度h(mm): 80.000;梁底斜撑方木截面宽度b1 (mm): 40.000:梁底斜撑方木截面高度h1 (mm): 60.000:帽木长度La(m): 1.000:帽木截面宽度b2 (mm): 60.000:帽木斜撑方木截面高度h2 (mm): 80.000:斜撑与立杆连接处到帽木的距离h0 (mm): 600.000:梁截面宽度B(m): 0.250:梁截面高度D(m): 0.500:2、荷载参数模板自重(kN/m2): 0.350;混凝土与钢筋自重(kN/m2): 25.000;振捣混凝土荷载(kN/m2): 1.000;新浇混凝土荷载侧压力(kN/m2):12.000;3、梁侧模板参数梁侧斜撑截面宽度b3 (mm): 40.000;梁侧斜撑截面高度h3 (mm): 60.000;梁侧背楞截面宽度b4 (mm): 40.000;梁侧背楞截面高度h4 (mm): 60.000;梁侧斜撑至梁侧背楞的距离Ld(m): 0.150;4、面板参数面板选用类型: 胶合面板;面板弹性模量E(N/mm2): 9500.000;面板厚度(mm): 20.000;面板抗弯设计值fm(N/mm2): 13.000;5、立杆方木参数立杆方木选用木材:杉木;方木弹性模量E(N/mm2): 9000.000;方木抗压强度设计值fv(N/mm2): 10.000;6、斜撑方木参数斜撑方木选用木材:杉木;斜撑方木弹性模量E(N/mm2): 9000.000;斜撑方木抗压强度设计值fv(N/mm2): 11.000;7、帽木方木参数帽木方木选用木材:杉木;弹性模量E(N/mm2): 9000.000;抗剪强度设计值fv(N/mm2): 1.400;抗弯强度设计值fm(N/mm2): 11.000;8、梁侧背楞参数梁侧背楞选用类型:杉木;梁侧背楞弹性模量E(N/mm2): 9000.000;梁侧背楞抗弯强度设计值fm(N/mm2): 11.000;二、梁模板荷载标准值计算1.梁侧模板荷载强度验算要考虑新浇混凝土侧压力和倾倒混凝土时产生的荷载;挠度验算只考虑新浇混凝土侧压力。
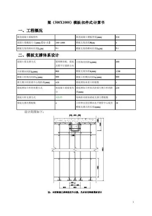
梁(500X1000)模板(扣件式)计算书一、工程概况新浇混凝土梁板特性新浇混凝土楼板厚度(mm) 350 混凝土梁截面尺寸(mm)【宽×高】500×1000 模板支架高度H(m) 4模板支架的纵向长度L a(m) 8.1 模板支架的横向长度L b(m) 8.1 二、模板支撑体系设计混凝土梁支撑方式梁两侧有板,梁底次楞平行梁跨方向立杆纵向间距l a(mm) 400 立杆横向间距l b(mm) 900 模板支架步距h(mm) 1500 楼板立杆纵向间距l a'(mm) 800 楼板立杆横向间距l b'(mm) 800 梁左侧立杆距梁中心线距离(mm) 450 梁底增加承重立杆根数 1梁底增加立杆的布置方式按混凝土梁梁宽均分梁底增加立杆依次距梁左侧立杆的距离(mm)450梁底立杆支撑方式双扣件每纵距内附加梁底支撑主楞根数 2 梁底支撑次楞根数 4 立杆伸出顶层横向水平钢管中心线至模板支撑点的长度a(mm)50模板设计立面图模板设计平面图三、荷载设计模板及支架自重标准值模板(kN/m2) 0.3 次楞(kN/m) 0.01 主楞(kN/m) 0.033 支架(kN/m) 0.15 梁侧模板自重标准值(kN/m2) 0.5新浇筑混凝土自重标准值(kN/m3) 25钢筋自重标准值(kN/m3)梁 1.5板 1.1施工人员及设备荷载标准值(kN/m2) 1振捣混凝土时产生的荷载标准值(kN/m2)2四、模板验算模板类型覆面木胶合板模板厚度(mm) 15 模板抗弯强度设计值f m(N/mm2) 22 模板抗剪强度设计值f v(N/mm2) 1.4模板弹性模量E(N/mm2) 10000W=bh2/6=1000×152/6=37500mm3,I=bh3/12=1000×153/12=281250mm4q=1.2Σq Gk+1.4Σq Qk=1.2×[0.3+(25+1.5)×1]×1.0+1.4×(1+2)×1.0=36.36kN/mq`=Σq Gk+Σq Qk=[0.3+(25+1.5)×1]×1.0+(1+2)×1.0=29.8kN/m1、抗弯验算M max=0.1ql2=0.1×36.36×0.1662=0.1kN·mσmax=M max/W=0.1×106/37500=2.672N/mm2≤f m=22N/mm2符合要求!2、抗剪验算Q max=0.6ql=0.6×36.36×0.166=3.621kNτmax=3Q max/(2bh)=3×3.621×103/(2×1000×15)=0.362N/mm2≤f v=1.4N/mm2符合要求!3、挠度验算νmax=0.677q`l4/(100EI)=0.677×29.8×1664/(100×10000×281250)=0.054mmνmax=0.054mm≤[ν]=min[l/150,10]=min[166/150,10]=1.107mm符合要求!4、支座反力R1=R4=0.4ql=2.414kN,R2=R3=1.1ql=6.639kNR`1=R`4=0.4q`l=1.979kN,R`2=R`3=1.1q`l=5.441kN五、次楞验算次楞验算方式三等跨连续梁次楞材质类型方木次楞材料规格(mm) 45×90 次楞材料自重(kN/m) 0.01次楞抗弯强度设计值f m(N/mm2) 15.444 次楞抗剪强度设计值f v(N/mm2) 1.782 次楞截面抵抗矩W(cm3) 60.75 次楞截面惯性矩I(cm4) 273.375 次楞弹性模量E(N/mm2) 93501梁左侧楼板传递给次楞荷载:q2=1.2ΣN Gk+1.4ΣN Qk=[1.2×(0.3+(25+1.1)×0.35)+1.4×(1+2)]×(0.45-0.5/2)/2=1.552kN/m梁右侧楼板传递给次楞荷载:q3=1.2ΣN Gk+1.4ΣN Qk=[1.2×(0.3+(25+1.1)×0.35)+1.4×(1+2)]×(0.9-0.45-0.5/2)/2=1.552kN/m梁左侧模板传递给次楞的荷载:q4=1.2ΣN Gk=1.2×0.5×(1-0.35)=0.39kN/m梁右侧模板传递给次楞的荷载:q5=1.2ΣN Gk=1.2×0.5×(1-0.35)=0.39kN/mq=max[2.414/1.0+0.012+1.552+0.39,6.639/1.0+0.012,2.414/1.0+0.012+1.552+0.39]=6.651kN/mq`=max[1.979/1.0+0.01+1.244+0.325,5.441/1.0+0.01,1.979/1.0+0.01+1.244+0.325]=5.451kN/m计算简图如下:1、强度验算M max=0.1ql2=0.1×6.651×0.1332=0.012kN·mσmax=M max/W=0.012×106/60750=0.195N/mm2≤f m=15.444N/mm2符合要求!2、抗剪验算Q max=0.6ql=0.6×6.651×0.133=0.532kNτmax=3Q max/(2bh0)=3×0.532×1000/(2×45×90)=0.197N/mm2τmax=0.197N/mm2≤f v=1.782N/mm2符合要求!3、挠度验算νmax=0.677q`l4/(100EI)=0.677×5.451×133.3334/(100×9350×2733750)=0mm νmax=0mm≤[ν]=min[l/150,10]=min[133.333/150,10]=0.889mm符合要求!4、支座反力计算梁底次楞依次最大支座反力为:R1=1.1×(2.414+0.012+1.552+0.39)×0.133=0.641kNR2=1.1×(6.639+0.012)×0.133=0.976kNR3=1.1×(6.639+0.012)×0.133=0.976kNR4=1.1×(2.414+0.012+1.552+0.39)×0.133=0.641kNR`1=1.1×(1.979+0.01+1.244+0.325)×0.133=0.522kNR`2=1.1×(5.441+0.01)×0.133=0.8kNR`3=1.1×(5.441+0.01)×0.133=0.8kNR`4=1.1×(1.979+0.01+1.244+0.325)×0.133=0.522kN六、主楞(横向水平钢管)验算主楞材质类型钢管主楞材料规格(mm) Ф48×3主楞材料自重(kN/m) 0.033 主楞截面面积(mm2) 424 主楞抗弯强度设计值F m(N/mm2) 205 主楞抗剪强度设计值f v(N/mm2) 125 主楞截面抵抗矩W(cm3) 4.49 主楞截面惯性矩I(cm4) 10.78 主楞弹性模量E(N/mm2) 2060001计算简图如下:1、强度验算主楞弯矩图(kN·m) M max=0.112kN·mσmax=M max/W=0.112×106/4490=25.048N/mm2≤f m=205N/mm2 符合要求!2、抗剪验算主楞剪力图(kN) Q max=1.338kNτmax=2Q max/A=2×1.338×1000/424=6.313N/mm2τmax=6.313N/mm2≤f v=125N/mm2符合要求!3、挠度验算主楞变形图(mm) νmax=0.029mm≤[ν]=min[l/150,10]=min[450/150,10]=3mm 符合要求!4、支座反力支座反力依次为R1=0.296kN,R2=2.677kN,R3=0.296kN支座反力依次为R`1=0.241kN,R`2=2.19kN,R`3=0.241kN 七、纵向水平钢管验算计算简图如下:1、强度验算纵向水平钢管弯矩图(kN·m) M max=0.286kN·mσmax=M max/W=0.286×106/4490=63.712N/mm2≤f m=205N/mm2符合要求!2、抗剪验算纵向水平钢管剪力图(kN) Q max=3.4kNτmax=2Q max/A=2×3.4×103/424=16.039N/mm2τmax=16.039N/mm2≤f v=125N/mm2符合要求!3、挠度验算纵向水平钢管变形图(mm) νmax=0.121mm≤[ν]=min[l/150,10]=min[400/150,10]=2.667mm符合要求!4、支座反力支座反力依次为R1=4.647kN,R2=8.762kN,R3=8.762kN,R4=4.647kN 八、扣件抗滑验算扣件抗滑承载力设计值折减系数 1max在扭矩达到40~65N·m的情况下,双扣件能满足要求!九、立杆验算l0=k1k2(h+2a)=1.167×1×(1500+2×50)=1867mmλ=l0/i=1867/15.9=118≤[λ]=210长细比符合要求!查《上海市钢管扣件式模板垂直支撑系统安全技术规程》表3.4.1得φ=0.4642、风荷载验算1) 模板支架风荷载标准值计算ωk=μzμsω0=0.69×1×0.4=0.276kN/m22) 模板风荷载标准值计算ωk=μzμsω0=0.69×1×0.4=0.276kN/m23、稳定性验算1) 不组合风荷载时立杆从左到右受力为(N ut=1.2∑N Gk+1.4∑N Qk):R1=0.987+[1.2×(0.3+(25+1.1)×0.35)×0.4+1.4×(1+2)×0.4]×(0.8/2+(0.45-0.5/2)/2)+1.2×0.15×4=4.811kNR2=8.764+1.2×0.15×(4-1)=9.304kNR3=0.987+[1.2×(0.3+(25+1.1)×0.35)×0.4+1.4×(1+2)×0.4]×(0.8/2+(0.9-0.45-0.5/2)/2) +1.2×0.15×4=4.811kNN ut=max[R1,R2,R3]=max[4.811, 9.304, 4.811]=9.304kNN ut/(φA)=9.304×103/(0.464×424)=47.294N/mm2≤[f]=205N/mm2符合要求!2) 组合风荷载时立杆从左到右受力为(N ut=1.2∑N Gk+0.9×1.4∑N Qk):R1=4.711kN, R2=9.193kN, R3=4.711kNN ut=max[R1,R2,R3]=max[4.711, 9.193, 4.711]=9.193kNM w=0.9×1.4ωk l a h2/10=0.9×1.4×0.276×0.4×1.52/10=0.031kN·mN ut/(φA)+M w/W=9.193×103/(0.464×424)+0.031×106/(4.49×103)=53.7N/mm2≤[f]=205N/mm2符合要求!4、荷载计算1)静荷载标准值脚手架钢管的自重:N G1=0.15H=0.15×4=0.6kN模板的自重:N G2=(0.3 ×0.5 +0.5 ×(2×1 -2×0.35 ))×l a=(0.3×0.5+0.5×(2×1-2×0.35))×0.4=0.32kN钢筋混凝土梁自重:N G3=(25+1.5)×1×0.5×l a =(25+1.5)×1×0.5×0.4=5.3kN静荷载标准值:N G=N G1+N G2+N G3=0.6+0.32+5.3=6.22kN2)活荷载标准值活荷载标准值:N Q=(1+2)×0.5×l a =(1+2)×0.5×0.4=0.6kN5、立杆竖向变形计算N k=∑N Gk+∑N Qk=R max+0.15×H=7.168+0.15×4=7.768kN△1=N k H/(EA)=7768.37×4000/(206000×424)=0.356mm△2=nδ=3×0.5=1.5mm△3=Hα△t=4000×1.2×10-5×5=0.24mm△=△1+△2+△3=0.356+1.5+0.24=2.096mm△=2.096mm≤[△]=H/1000=4000/1000=4mm符合要求!6、支架整体稳定计算结构模板纵向挡风面积A F(m2) 8.1aΣr i2=1.32+0.52+0.12+0.12+0.52+1.32=3.9m2M=F×H=ωk H2/2l a+ωk A F l a/L a H=0.276×42/2×0.4+0.276×8.1×0.4/8.1×4=1.325kN·m P1=0.442kN,P2=0.17kN,P3=0.034kN,P4=0.034kN,P5=0.17kN,P6=0.442kNP max=Max{0.442,0.17,0.034,0.034,0.17,0.442}=0.442kNN ut=1.2∑N Gk+1.4∑N Qk=R max+0.15×1.2×H+1.4P max=8.764+0.15×1.2×4+1.4×0.442=10.103kNσ=N ut/(φA)=10.103×103/(0.464×424)=51.352N/mm2≤[f]=205N/mm2符合要求!7、支架抗倾覆计算当模板支架已搭好,钢筋未绑扎混凝土未浇筑,抗倾覆最不利。
梁(500X1000)模板(扣件式)计算书一、工程概况新浇混凝土梁板特性新浇混凝土楼板厚度(mm) 350 混凝土梁截面尺寸(mm)【宽×高】500×1000 模板支架高度H(m) 4模板支架的纵向长度L a(m) 8.1 模板支架的横向长度L b(m) 8.1 二、模板支撑体系设计混凝土梁支撑方式梁两侧有板,梁底次楞平行梁跨方向立杆纵向间距l a(mm) 400 立杆横向间距l b(mm) 900 模板支架步距h(mm) 1500 楼板立杆纵向间距l a'(mm) 800 楼板立杆横向间距l b'(mm) 800 梁左侧立杆距梁中心线距离(mm) 450 梁底增加承重立杆根数 1梁底增加立杆的布置方式按混凝土梁梁宽均分梁底增加立杆依次距梁左侧立杆的距离(mm)450梁底立杆支撑方式双扣件每纵距内附加梁底支撑主楞根数 2 梁底支撑次楞根数 4 立杆伸出顶层横向水平钢管中心线至模板支撑点的长度a(mm)50模板设计立面图模板设计平面图三、荷载设计模板及支架自重标准值模板(kN/m2) 0.3 次楞(kN/m) 0.01 主楞(kN/m) 0.033 支架(kN/m) 0.15 梁侧模板自重标准值(kN/m2) 0.5新浇筑混凝土自重标准值(kN/m3) 25钢筋自重标准值(kN/m3)梁 1.5板 1.1施工人员及设备荷载标准值(kN/m2) 1振捣混凝土时产生的荷载标准值(kN/m2)2四、模板验算模板类型覆面木胶合板模板厚度(mm) 15 模板抗弯强度设计值f m(N/mm2) 22 模板抗剪强度设计值f v(N/mm2) 1.4模板弹性模量E(N/mm2) 10000W=bh2/6=1000×152/6=37500mm3,I=bh3/12=1000×153/12=281250mm4q=1.2Σq Gk+1.4Σq Qk=1.2×[0.3+(25+1.5)×1]×1.0+1.4×(1+2)×1.0=36.36kN/mq`=Σq Gk+Σq Qk=[0.3+(25+1.5)×1]×1.0+(1+2)×1.0=29.8kN/m1、抗弯验算M max=0.1ql2=0.1×36.36×0.1662=0.1kN·mσmax=M max/W=0.1×106/37500=2.672N/mm2≤f m=22N/mm2符合要求!2、抗剪验算Q max=0.6ql=0.6×36.36×0.166=3.621kNτmax=3Q max/(2bh)=3×3.621×103/(2×1000×15)=0.362N/mm2≤f v=1.4N/mm2符合要求!3、挠度验算νmax=0.677q`l4/(100EI)=0.677×29.8×1664/(100×10000×281250)=0.054mmνmax=0.054mm≤[ν]=min[l/150,10]=min[166/150,10]=1.107mm符合要求!4、支座反力R1=R4=0.4ql=2.414kN,R2=R3=1.1ql=6.639kNR`1=R`4=0.4q`l=1.979kN,R`2=R`3=1.1q`l=5.441kN五、次楞验算次楞验算方式三等跨连续梁次楞材质类型方木次楞材料规格(mm) 45×90 次楞材料自重(kN/m) 0.01次楞抗弯强度设计值f m(N/mm2) 15.444 次楞抗剪强度设计值f v(N/mm2) 1.782 次楞截面抵抗矩W(cm3) 60.75 次楞截面惯性矩I(cm4) 273.375 次楞弹性模量E(N/mm2) 93501梁左侧楼板传递给次楞荷载:q2=1.2ΣN Gk+1.4ΣN Qk=[1.2×(0.3+(25+1.1)×0.35)+1.4×(1+2)]×(0.45-0.5/2)/2=1.552kN/m梁右侧楼板传递给次楞荷载:q3=1.2ΣN Gk+1.4ΣN Qk=[1.2×(0.3+(25+1.1)×0.35)+1.4×(1+2)]×(0.9-0.45-0.5/2)/2=1.552kN/m梁左侧模板传递给次楞的荷载:q4=1.2ΣN Gk=1.2×0.5×(1-0.35)=0.39kN/m梁右侧模板传递给次楞的荷载:q5=1.2ΣN Gk=1.2×0.5×(1-0.35)=0.39kN/mq=max[2.414/1.0+0.012+1.552+0.39,6.639/1.0+0.012,2.414/1.0+0.012+1.552+0.39]=6.651kN/mq`=max[1.979/1.0+0.01+1.244+0.325,5.441/1.0+0.01,1.979/1.0+0.01+1.244+0.325]=5.451kN/m计算简图如下:1、强度验算M max=0.1ql2=0.1×6.651×0.1332=0.012kN·mσmax=M max/W=0.012×106/60750=0.195N/mm2≤f m=15.444N/mm2符合要求!2、抗剪验算Q max=0.6ql=0.6×6.651×0.133=0.532kNτmax=3Q max/(2bh0)=3×0.532×1000/(2×45×90)=0.197N/mm2τmax=0.197N/mm2≤f v=1.782N/mm2符合要求!3、挠度验算νmax=0.677q`l4/(100EI)=0.677×5.451×133.3334/(100×9350×2733750)=0mm νmax=0mm≤[ν]=min[l/150,10]=min[133.333/150,10]=0.889mm符合要求!4、支座反力计算梁底次楞依次最大支座反力为:R1=1.1×(2.414+0.012+1.552+0.39)×0.133=0.641kNR2=1.1×(6.639+0.012)×0.133=0.976kNR3=1.1×(6.639+0.012)×0.133=0.976kNR4=1.1×(2.414+0.012+1.552+0.39)×0.133=0.641kNR`1=1.1×(1.979+0.01+1.244+0.325)×0.133=0.522kNR`2=1.1×(5.441+0.01)×0.133=0.8kNR`3=1.1×(5.441+0.01)×0.133=0.8kNR`4=1.1×(1.979+0.01+1.244+0.325)×0.133=0.522kN六、主楞(横向水平钢管)验算主楞材质类型钢管主楞材料规格(mm) Ф48×3主楞材料自重(kN/m) 0.033 主楞截面面积(mm2) 424 主楞抗弯强度设计值F m(N/mm2) 205 主楞抗剪强度设计值f v(N/mm2) 125 主楞截面抵抗矩W(cm3) 4.49 主楞截面惯性矩I(cm4) 10.78 主楞弹性模量E(N/mm2) 2060001计算简图如下:1、强度验算主楞弯矩图(kN·m) M max=0.112kN·mσmax=M max/W=0.112×106/4490=25.048N/mm2≤f m=205N/mm2 符合要求!2、抗剪验算主楞剪力图(kN) Q max=1.338kNτmax=2Q max/A=2×1.338×1000/424=6.313N/mm2τmax=6.313N/mm2≤f v=125N/mm2符合要求!3、挠度验算主楞变形图(mm) νmax=0.029mm≤[ν]=min[l/150,10]=min[450/150,10]=3mm 符合要求!4、支座反力支座反力依次为R1=0.296kN,R2=2.677kN,R3=0.296kN支座反力依次为R`1=0.241kN,R`2=2.19kN,R`3=0.241kN 七、纵向水平钢管验算计算简图如下:1、强度验算纵向水平钢管弯矩图(kN·m) M max=0.286kN·mσmax=M max/W=0.286×106/4490=63.712N/mm2≤f m=205N/mm2符合要求!2、抗剪验算纵向水平钢管剪力图(kN) Q max=3.4kNτmax=2Q max/A=2×3.4×103/424=16.039N/mm2τmax=16.039N/mm2≤f v=125N/mm2符合要求!3、挠度验算纵向水平钢管变形图(mm) νmax=0.121mm≤[ν]=min[l/150,10]=min[400/150,10]=2.667mm符合要求!4、支座反力支座反力依次为R1=4.647kN,R2=8.762kN,R3=8.762kN,R4=4.647kN 八、扣件抗滑验算扣件抗滑承载力设计值折减系数 1max在扭矩达到40~65N·m的情况下,双扣件能满足要求!九、立杆验算l0=k1k2(h+2a)=1.167×1×(1500+2×50)=1867mmλ=l0/i=1867/15.9=118≤[λ]=210长细比符合要求!查《上海市钢管扣件式模板垂直支撑系统安全技术规程》表3.4.1得φ=0.4642、风荷载验算1) 模板支架风荷载标准值计算ωk=μzμsω0=0.69×1×0.4=0.276kN/m22) 模板风荷载标准值计算ωk=μzμsω0=0.69×1×0.4=0.276kN/m23、稳定性验算1) 不组合风荷载时立杆从左到右受力为(N ut=1.2∑N Gk+1.4∑N Qk):R1=0.987+[1.2×(0.3+(25+1.1)×0.35)×0.4+1.4×(1+2)×0.4]×(0.8/2+(0.45-0.5/2)/2)+1.2×0.15×4=4.811kNR2=8.764+1.2×0.15×(4-1)=9.304kNR3=0.987+[1.2×(0.3+(25+1.1)×0.35)×0.4+1.4×(1+2)×0.4]×(0.8/2+(0.9-0.45-0.5/2)/2) +1.2×0.15×4=4.811kNN ut=max[R1,R2,R3]=max[4.811, 9.304, 4.811]=9.304kNN ut/(φA)=9.304×103/(0.464×424)=47.294N/mm2≤[f]=205N/mm2符合要求!2) 组合风荷载时立杆从左到右受力为(N ut=1.2∑N Gk+0.9×1.4∑N Qk):R1=4.711kN, R2=9.193kN, R3=4.711kNN ut=max[R1,R2,R3]=max[4.711, 9.193, 4.711]=9.193kNM w=0.9×1.4ωk l a h2/10=0.9×1.4×0.276×0.4×1.52/10=0.031kN·mN ut/(φA)+M w/W=9.193×103/(0.464×424)+0.031×106/(4.49×103)=53.7N/mm2≤[f]=205N/mm2符合要求!4、荷载计算1)静荷载标准值脚手架钢管的自重:N G1=0.15H=0.15×4=0.6kN模板的自重:N G2=(0.3 ×0.5 +0.5 ×(2×1 -2×0.35 ))×l a=(0.3×0.5+0.5×(2×1-2×0.35))×0.4=0.32kN钢筋混凝土梁自重:N G3=(25+1.5)×1×0.5×l a =(25+1.5)×1×0.5×0.4=5.3kN静荷载标准值:N G=N G1+N G2+N G3=0.6+0.32+5.3=6.22kN2)活荷载标准值活荷载标准值:N Q=(1+2)×0.5×l a =(1+2)×0.5×0.4=0.6kN5、立杆竖向变形计算N k=∑N Gk+∑N Qk=R max+0.15×H=7.168+0.15×4=7.768kN△1=N k H/(EA)=7768.37×4000/(206000×424)=0.356mm△2=nδ=3×0.5=1.5mm△3=Hα△t=4000×1.2×10-5×5=0.24mm△=△1+△2+△3=0.356+1.5+0.24=2.096mm△=2.096mm≤[△]=H/1000=4000/1000=4mm符合要求!6、支架整体稳定计算结构模板纵向挡风面积A F(m2) 8.1aΣr i2=1.32+0.52+0.12+0.12+0.52+1.32=3.9m2M=F×H=ωk H2/2l a+ωk A F l a/L a H=0.276×42/2×0.4+0.276×8.1×0.4/8.1×4=1.325kN·m P1=0.442kN,P2=0.17kN,P3=0.034kN,P4=0.034kN,P5=0.17kN,P6=0.442kNP max=Max{0.442,0.17,0.034,0.034,0.17,0.442}=0.442kNN ut=1.2∑N Gk+1.4∑N Qk=R max+0.15×1.2×H+1.4P max=8.764+0.15×1.2×4+1.4×0.442=10.103kNσ=N ut/(φA)=10.103×103/(0.464×424)=51.352N/mm2≤[f]=205N/mm2符合要求!7、支架抗倾覆计算当模板支架已搭好,钢筋未绑扎混凝土未浇筑,抗倾覆最不利。
板模板(木支撑)计算书模板支架采用木顶支撑,计算根据《木结构设计规X》(GB50005-2003)、《混凝土结构设计规X》(GB50010-2002)、《建筑结构荷载规X》(GB 50009-2001)、《建筑施工计算手册》江正荣著、建筑施工手册》(第四版)等编制。
一、参数信息1、模板支架参数横向间距或排距(m): 1.000;纵距(m): 1.000;立柱长度(m): 3.000;立柱采用圆木:圆木小头直径(mm): 80.000;圆木大头直径(mm): 100.000;斜撑截面宽度(mm):30.000;斜撑截面高度(mm):40.000;帽木截面宽度(mm):60.000;帽木截面高度(mm):80.000;斜撑与立柱连接处到帽木的距离(mm): 600.000;板底支撑形式:圆木支撑;方木的间隔距离(mm):300.000;圆木的小头直径(mm):50.000;2、荷载参数模板与木板自重(kN/m2):0.350;混凝土与钢筋自重(kN/m3):25.000;施工均布荷载标准值(kN/m2):2.000;3、楼板参数钢筋级别:二级钢HRB 335(20MnSi);楼板混凝土强度等级:C35;每层标准施工天数:8;每平米楼板截面的钢筋面积(mm2):1440.000;楼板的计算跨度(m):4.000;楼板的计算宽度(m):4.500;楼板的计算厚度(mm):120.000;施工期平均气温(℃):25.000;4、板底圆木参数板底圆木选用木材:杉木;圆木弹性模量E(N/mm2):9000.000;圆木抗弯强度设计值f(N/mm2):11.000;m圆木抗剪强度设计值f(N/mm2):1.400;v5、帽木方木参数帽木方木选用木材:杉木;方木弹性模量E(N/mm2):9000.000(N/mm2):11.000;方木抗弯强度设计值fm(N/mm2):1.400;方木抗剪强度设计值fv6、斜撑方木参数斜撑方木选用木材:杉木;方木弹性模量E(N/mm2):9000.000;(N/mm2):11.000;方木抗压强度设计值fv7、立柱圆木参数立柱圆木选用木材:杉木;圆木弹性模量E(N/mm2):9000.000;(N/mm2):10.000;圆木抗压强度设计值fv二、模板底支撑方木的验算:本工程模板板底采用圆木作为支撑,圆木按照简支梁计算;圆木截面惯性矩I和截面抵抗矩W分别为:W = 0.0982×d3= 0.0982×5.0003 = 12.275 cm3;I = 0.0491×d4= 0.0491×5.0004 = 30.688 cm4;木楞计算简图1、荷载的计算:(1)钢筋混凝土板自重线荷载(kN/m):q1= 25.000×0.120×0.300 = 0.900 kN/m;(2)模板的自重线荷载(kN/m):q2= 0.350×0.300 = 0.105 kN/m;(3)活荷载为施工荷载标准值(kN):p1= 2.000×1.000×0.300 = 0.600 kN;2、抗弯强度验算:最大弯矩考虑为静荷载与活荷载的计算值最不利分配的弯矩之和,计算公式如下:均布荷载q = 1.2×(q1+q2) = 1.2×(0.900+0.105) = 1.206 kN/m;集中荷载P = 1.4×p1= 1.4×0.600 = 0.840 kN;最大弯距M = P×l/4+q×l2/8 = 0.840×1.000/4+1.206×1.0002/8= 0.361 kN;最大支座力N = P/2+q×l/2 = 0.840+1.206×1.000/2 = 1.023 kN ;截面应力σ = M/W = 0.361/0.012 = 29.389 N/mm2;圆木的最大应力计算值为29.389N/mm2,大于圆木抗弯强度设计值11.000N/mm2,不满足要求!3、抗剪强度验算:最大剪力的计算公式如下:截面抗剪强度必须满足下式:其中最大剪力:V = 1.206×1.000/2+0.840/2 = 1.023 kN;截面受剪应力计算值:T = 3×1.023×103/(2×40.000×60.000) = 0.639N/mm2;截面抗剪强度设计值:[f] = 1.400 N/mm2;v圆木的最大受剪应力计算值为0.639N/mm2,小于圆木抗剪强度设计值1.400N/mm2,满足要求!4、挠度验算:最大挠度考虑为静荷载与活荷载的计算值最不利分配的挠度和,按规X规定,挠度验算取荷载标准值,计算公式如下:均布荷载 q = q1+q2 = 0.900+0.105 = 1.005 kN/m;集中荷载 p = 0.600 kN最大变形ω = 5×1.005×1.000×1012/(384×9000.000×30.688×104) +0.600×1.000×109/(48×9000.000×30.688×104)= 4.743 mm;圆木的最大挠度为4.743mm,大于最大容许挠度4.000mm,不满足要求!三、帽木验算:支撑帽木按照集中以与均布荷载作用下的两跨连续梁计算;集中荷载P取纵向板底支撑传递力:P = 1.206×1.000+0.840 = 2.046 kN;均布荷载q取帽木自重:q = 1.000×0.060×0.080×3.870 = 0.019 kN/m;截面抵抗矩:W = b×h2/6 = 6.000×8.0002/6 = 64.000 cm3;截面惯性矩:I = b×h3/12= 6.000×8.0003/12 = 256.000 cm4;帽木受力计算简图经过连续梁的计算得到帽木剪力图(kN)帽木弯矩图(kN.m)帽木变形图(mm)经过连续梁的计算得到各支座对支撑梁的支撑反力由左至右分别为:R[1] = 2.426 kN;R[2] = 4.169 kN;R[3] = 1.608 kN;最大弯矩 Mmax= 0.222 kN.m;最大变形ωmax = 0.118 mm;最大剪力 Vmax= 2.494 kN;截面应力σ = 3.462 N/mm2。
梁、板木模板及支撑计算书————————————————————————————————作者:————————————————————————————————日期:楼板模板扣件钢管高支撑架计算书高支撑架的计算参照《建筑施工扣件式钢管脚手架安全技术规范》(JGJ130-2001)。
本计算书还参照《施工技术》2002.3.《扣件式钢管模板高支撑架设计和使用安全》。
模板支架搭设高度为8.05米,搭设尺寸为:立杆的纵距 b=0.80米,立杆的横距 l=0.80米,立杆的步距 h=1.50米。
图楼板支撑架立面简图图楼板支撑架立杆稳定性荷载计算单元采用的钢管类型为48×3.5。
一、模板面板计算面板为受弯结构,需要验算其抗弯强度和刚度。
模板面板的按照三跨连续梁计算。
静荷载标准值 q1 = 25.000×0.120×1.000+0.350×1.000=3.350kN/m活荷载标准值 q2 = (2.000+1.000)×1.000=3.000kN/m面板的截面惯性矩I和截面抵抗矩W分别为:本算例中,截面惯性矩I和截面抵抗矩W分别为:W =100.00×1.80×1.80/6 = 54.00cm3;I= 100.00×1.80×1.80×1.80/12 = 48.60cm4;(1)强度计算f = M / W < [f]其中 f ——面板的强度计算值(N/mm2);M——面板的最大弯距(N.mm);W ——面板的净截面抵抗矩;[f] ——面板的强度设计值,取15.00N/mm2;M = 0.100ql2其中 q ——荷载设计值(kN/m);经计算得到M= 0.100×(1.2×3.350+1.4×3.000)×0.450×0.450=0.166kN.m经计算得到面板强度计算值 f = 0.166×1000×1000/54000=3.083N/mm2面板的强度验算 f < [f],满足要求!(2)抗剪计算T =3Q/2bh < [T]其中最大剪力 Q=0.600×(1.2×3.350+1.4×3.000)×0.450=2.219kN 截面抗剪强度计算值T=3×2219.0/(2×1000.000×18.000)=0.185N/mm2截面抗剪强度设计值[T]=1.40N/mm2抗剪强度验算T < [T],满足要求!(3)挠度计算v = 0.677ql4 / 100EI < [v] =l/250 面板最大挠度计算值v = 0.677×6.350×4504/(100×6000×486000)=0.605mm面板的最大挠度小于450.0/250,满足要求!二、支撑方木的计算方木按照均布荷载下三跨连续梁计算。
梁模板扣件钢管支撑架计算书依据规范:《建筑施工扣件式钢管脚手架安全技术规范》JGJ130-2011《建筑施工模板安全技术规范》JGJ 162-2008《建筑结构荷载规范》GB50009-2012《钢结构设计规范》GB50017-2003《混凝土结构设计规范》GB50010-2010《建筑地基基础设计规范》GB50007-2011《建筑施工木脚手架安全技术规范》JGJ 164-2008计算参数:钢管强度为205.0 N/mm2,钢管强度折减系数取0.90。
模板支架搭设高度为3.1m,梁截面 B×D=500mm×1000mm,立杆的纵距(跨度方向) l=0.90m,立杆的步距 h=1.50m,梁底增加2道承重立杆。
面板厚度15mm,剪切强度1.4N/mm2,抗弯强度12.0N/mm2,弹性模量4200.0N/mm2。
内龙骨采用双钢管φ48×2.8mm。
梁两侧立杆间距 1.00m。
梁底按照均匀布置承重杆4根计算。
模板自重0.20kN/m2,混凝土钢筋自重25.50kN/m3。
倾倒混凝土荷载标准值1.00kN/m2,施工均布荷载标准值3.00kN/m2。
梁两侧的楼板厚度0.25m,梁两侧的楼板计算长度0.50m。
扣件计算折减系数取0.30。
3050图1 梁模板支撑架立面简图按照模板规范4.3.1条规定确定荷载组合分项系数如下:由可变荷载效应控制的组合S=1.2×(25.50×1.00+0.20)+1.40×1.00=32.240kN/m 2 由永久荷载效应控制的组合S=1.35×25.50×1.00+0.7×1.40×1.00=35.405kN/m 2由于永久荷载效应控制的组合S 最大,永久荷载分项系数取1.35,可变荷载分项系数取0.7×1.40=0.98计算中考虑梁两侧部分楼板混凝土荷载以集中力方式向下传递。
梁木模板与支撑计算书、梁模板基本参数梁截面宽度B=300mm, 梁截面高度H=1000mm,H 方向对拉螺栓1道,对拉螺栓直径 20mm 对拉螺栓在垂直于梁截面方向距离 (即计算跨度)400mn 。
梁模板使用的方木截面 50 x 100mm梁模板截面底部方木距离 300mm 梁模板截面侧面方木距离 400mm 梁底模面板厚度h=18mm 弹性模量E=6000N/mn 2 ,抗弯强度 梁侧模面板厚度h=18mm 弹性模量E=6000N/mn 2,抗弯强度梁底模板、梁模板荷载标准值计算模板自重 =0.340kN/m 钢筋自重 =1.500kN/m混凝土自重=24.000kN/m 施工荷载标准值 =2.500kN/m 2强度验算要考虑新浇混凝土侧压力和倾倒混凝土时产生的荷载;挠度验算只考虑新浇混凝土侧压力。
新浇混凝土侧压力计算公式为下式中的较小值:F = 0.2即注0]爲亦 F-rH其中I : 'I ―― 混凝土的重力密度,取 24.000kN/m 3;t ―― 新浇混凝土的初凝时间,为 0时(表示无资料)取200/(T+15),取2.000h ; T ―― 混凝土的入模温度,取 35.000 °C ; V ―― 混凝土的浇筑速度,取 2.500m/h ;H――混凝土侧压力计算位置处至新浇混凝土顶面总高度,取'■ 1―― 外加剂影响修正系数,取 1.000 ;[f]=15N/mm[f]=15N/mm1.200m ;R''2 混凝土坍落度影响修正系数,取0.850F1=0.22*24*2*1*0.85*1.58=14.19 kN/m F2=24*1.2=28.8 kN/m2根据公式计算的新浇混凝土侧压力标准值 实际计算中采用新浇混凝土侧压力标准值三、梁模板底模计算本算例中,截面惯性矩I 和截面抵抗矩V 分别为W = 30.00 X 1.80 X 1.80/6 = 16.20cm 3; I = 30.00X 1.80 X 1.80 X 1.80/12 = 14.58cm4;梁底模板面板按照三跨度连续梁计算,计算简图如下梁底模面板计算简图其中f ――梁底模板的抗弯强度计算值(N/mm 2);M ―― 计算的最大弯矩 (kN.m); q ――作用在梁底模板的均布荷载(kN/m);q=1.2X [0.34 X 0.30+24.00 X 0.30 X 1.00+1.50 X 0.30 X 1.00]+1.4 X 2.50 X0.30=10.35kN/m最大弯矩计算公式如下M=-0.10 X 10.35 X 0.300 2=0.093kN.m f=0.093 X 106/16200.0=5.74N/mm 2梁底模面板抗弯计算强度小于15.00N/mm 2,满足要求2. 抗剪计算最大剪力的计算公式如下:Q = 0.6ql截面抗剪强度必须满足:F1=14.190kN/m 2 F1=14.190kN/m 2倒混凝土时产生的荷载标准值F2= 28.8.000kN/m300300 30B1.抗弯强度计算 抗弯强度计算公式要求:f = M/W < [f]T = 3Q/2bh < [T]其中最大剪力Q=0.6 X 0.300 X 10.35=1.863kN 截面抗剪强度计算值截面抗剪强度设计值T=3 X 10.35/(2 X 300 X 18)=0.2875N/mm 2[T]=1.40N/mm 2面板的抗剪强度计算满足要求3. 挠度计算最大挠度计算公式如下其中q = 0.34 X 0.30+24.00 X 0.30 X 1.00+1.50 X 0.30 X 1.00=7.75N/mm三跨连续梁均布荷载作用下的最大挠度v = 0.677 X 7.75 X 300.0 4/(100 X 6000.00 X 145800.0)=0.4858mm 梁底模板的挠度计算值:v = 0.4858mm 小于[v] = 300/250=2.057, 满足要求四、梁模板底方木计算梁底方木的计算在脚手架梁底支撑计算中已经包含!五、梁模板侧模计算梁侧模板按照三跨连续梁计算,计算简图如下22.63kN/mr、L I 1 \1、!■i h i P冃 1 ■■I-、F A r R _400 400 : 400 _图梁侧模板计算简图1. 抗弯强度计算抗弯强度计算公式要求: f = M/W < [f]其中f ――梁侧模板的抗弯强度计算值(N/mm2);M ―― 计算的最大弯矩(kN.m);q——作用在梁侧模板的均布荷载(N/mm);q=(1.2 X 14.19+1.4 X 4.00) X 1.00=22.628N/mm最大弯矩计算公式如下:%八畀X 22.628 X 0.400 2=-0.362kN.mM=-0.10。
梁模板(扣件钢管架)计算书梁段:L16a。
一、参数信息1.模板支撑及构造参数梁截面宽度 B(m): 0.4m;梁截面高度 D(m): 1m;混凝土板厚度(mm): 120mm;立杆纵距(沿梁跨度方向间距)La(m): 0.8m;立杆上端伸出至模板支撑点长度a(m): 0.1m;脚手架步距(m): 1.2m;梁支撑架搭设高度H(m):12.6m;梁两侧立柱间距(m): 0.8m;承重架支设: 多根承重立杆,钢管支撑垂直梁截面;立杆横向间距或排距Lb(m): 0.6m;采用的钢管类型为Φ48×3.50;扣件连接方式: 单扣件,考虑扣件质量及保养情况,取扣件抗滑承载力折减系数: 0.8;2.荷载参数模板自重(kN/m2): 0.35kN/m2;钢筋自重(kN/m3): 1.5kN/m3;施工均布荷载标准值(kN/m2): 2.5kN/m2;新浇混凝土侧压力标准值(kN/m2): 18kN/m2;倾倒混凝土侧压力(kN/m2): 2kN/m2;振捣混凝土荷载标准值(kN/m2): 2kN/m2;3.材料参数木材品种:杉木;木材弹性模量E(N/mm2):10000N/mm2;木材抗弯强度设计值fm(N/mm2):16N/mm2;木材抗剪强度设计值fv(N/mm2):1.7N/mm2;面板类型:胶合面板;钢材弹性模量E(N/mm2):210000;钢材抗弯强度设计值fm(N/mm2):205N/mm2;面板弹性模量E(N/mm2):9500N/mm2;面板抗弯强度设计值fm(N/mm2):13N/mm2;4.梁底模板参数梁底纵向支撑根数:2;面板厚度(mm):12mm;5.梁侧模板参数主楞间距(mm):500mm;次楞间距(mm):300mm;穿梁螺栓水平间距(mm):600mm;穿梁螺栓竖向间距(mm):300mm;穿梁螺栓直径(mm):M14mm;主楞龙骨材料:木楞,截面类型:矩形宽度:40mm,高度:80mm;主楞根数:2次楞龙骨材料:木楞,截面类型:矩形宽度:40mm,高度:80mm;次楞根数:2二、梁模板荷载标准值计算1.梁侧模板荷载强度验算要考虑新浇混凝土侧压力和倾倒混凝土时产生的荷载;挠度验算只考虑新浇混凝土侧压力。
梁木模板与支撑计算书一、梁模板基本参数梁截面宽度B=300mm,梁截面高度H=600mm,H方向对拉螺栓1道,对拉螺栓直径14mm,对拉螺栓在垂直于梁截面方向距离(即计算跨度)450mm。
梁模板使用的木方截面40×80mm,梁模板截面侧面木方距离150mm。
梁底模面板厚度h=15mm,弹性模量E=6000N/mm2,抗弯强度[f]=15N/mm2。
梁侧模面板厚度h=15mm,弹性模量E=6000N/mm2,抗弯强度[f]=15N/mm2。
二、梁模板荷载标准值计算模板自重=0.340kN/m2;钢筋自重=1.500kN/m3;混凝土自重=24.000kN/m3;施工荷载标准值=2.500kN/m2。
强度验算要考虑新浇混凝土侧压力和倾倒混凝土时产生的荷载设计值;挠度验算只考虑新浇混凝土侧压力产生荷载标准值。
新浇混凝土侧压力计算公式为下式中的较小值:其中γc——混凝土的重力密度,取24.000kN/m3;t——新浇混凝土的初凝时间,为0时(表示无资料)取200/(T+15),取5.714h;T——混凝土的入模温度,取20.000℃;V——混凝土的浇筑速度,取2.500m/h;H——混凝土侧压力计算位置处至新浇混凝土顶面总高度,取1.200m;β——混凝土坍落度影响修正系数,取0.850。
根据公式计算的新浇混凝土侧压力标准值F1=28.800kN/m2考虑结构的重要性系数0.9,实际计算中采用新浇混凝土侧压力标准值:F1=0.9×28.800=25.920kN/m2考虑结构的重要性系数0.9,倒混凝土时产生的荷载标准值:F2=0.9×6.000=5.400kN/m2。
三、梁底模板木楞计算梁底木方的计算在脚手架梁底支撑计算中已经包含!四、梁模板侧模计算面板直接承受模板传递的荷载,应该按照均布荷载下的连续梁计算,计算如下作用在梁侧模板的均布荷载q=(1.2×25.92+1.40×5.40)×0.60=23.198N/mm面板的截面惯性矩I和截面抵抗矩W分别为:本算例中,截面惯性矩I和截面抵抗矩W分别为:W=60.00×1.80×1.80/6=32.40cm3;I=60.00×1.80×1.80×1.80/12=29.16cm4;(1)抗弯强度计算f=M/W<[f]其中f——面板的抗弯强度计算值(N/mm2);M——面板的最大弯距(N.mm);W——面板的净截面抵抗矩;[f]——面板的抗弯强度设计值,取15.00N/mm2;M=0.100ql2其中q——荷载设计值(kN/m);经计算得到M=0.100×(1.20×15.552+1.40×3.240)×0.150×0.150=0.052kN.m 经计算得到面板抗弯强度计算值f=0.052×1000×1000/32400=1.611N/mm2面板的抗弯强度验算f<[f],满足要求!(2)抗剪计算T=3Q/2bh<[T]其中最大剪力Q=0.600×(1.20×15.552+1.4×3.240)×0.150=2.088kN 截面抗剪强度计算值T=3×2088.0/(2×600.000×18.000)=0.290N/mm2截面抗剪强度设计值[T]=1.40N/mm2面板抗剪强度验算T<[T],满足要求!(3)挠度计算v=0.677ql4/100EI<[v]=l/250面板最大挠度计算值v=0.677×15.552×1504/(100×6000×291600)=0.030mm面板的最大挠度小于150.0/250,满足要求!五、穿梁螺栓计算计算公式:N<[N]=fA其中N——穿梁螺栓所受的拉力;A——穿梁螺栓有效面积(mm2);f——穿梁螺栓的抗拉强度设计值,取170N/mm2;穿梁螺栓承受最大拉力N=(1.2×25.92+1.40×5.40)×0.60×0.45/1=10.44kN 穿梁螺栓直径为14mm;穿梁螺栓有效直径为11.6mm;穿梁螺栓有效面积为A=105.000mm2;穿梁螺栓最大容许拉力值为[N]=17.850kN;穿梁螺栓承受拉力最大值为N=10.439kN;穿梁螺栓的布置距离为侧龙骨的计算间距450mm。
梁木模板与支撑计算书一、梁模板基本参数梁截面宽度 B=500mm,梁截面高度 H=1000mm,H方向对拉螺栓1道,对拉螺栓直径14mm,对拉螺栓在垂直于梁截面方向距离(即计算跨度)600mm。
梁模板使用的木方截面40×80mm,梁模板截面侧面木方距离200mm。
梁底模面板厚度h=15mm,弹性模量E=6000N/mm2,抗弯强度[f]=15N/mm2。
梁侧模面板厚度h=15mm,弹性模量E=6000N/mm2,抗弯强度[f]=15N/mm2。
二、梁模板荷载标准值计算模板自重 = 0.200kN/m2;钢筋自重 = 1.500kN/m3;混凝土自重 = 24.000kN/m3;施工荷载标准值 = 2.500kN/m2。
强度验算要考虑新浇混凝土侧压力和倾倒混凝土时产生的荷载设计值;挠度验算只考虑新浇混凝土侧压力产生荷载标准值。
新浇混凝土侧压力计算公式为下式中的较小值:其中γc——混凝土的重力密度,取24.000kN/m3;t ——新浇混凝土的初凝时间,为0时(表示无资料)取200/(T+15),取3.000h; T ——混凝土的入模温度,取20.000℃;V ——混凝土的浇筑速度,取1.000m/h;H ——混凝土侧压力计算位置处至新浇混凝土顶面总高度,取1.200m;β——混凝土坍落度影响修正系数,取0.850。
根据公式计算的新浇混凝土侧压力标准值 F1=17.130kN/m2考虑结构的重要性系数0.90,实际计算中采用新浇混凝土侧压力标准值:F1=0.90×17.140=15.426kN/m2考虑结构的重要性系数0.90,倒混凝土时产生的荷载标准值:F2=0.90×6.000=5.400kN/m2。
三、梁底模板木楞计算梁底木方的计算在脚手架梁底支撑计算中已经包含!四、梁模板侧模计算面板直接承受模板传递的荷载,应该按照均布荷载下的连续梁计算,计算如下作用在梁侧模板的均布荷载q=(1.2×15.43+1.40×5.40)×1.00=26.071N/mm面板的截面惯性矩I和截面抵抗矩W分别为:本算例中,截面惯性矩I和截面抵抗矩W分别为:截面抵抗矩 W = bh2/6 = 100.00×1.50×1.50/6 = 37.50cm3;截面惯性矩 I = bh3/12 = 100.00×1.50×1.50×1.50/12 = 28.13cm4;式中:b为板截面宽度,h为板截面高度。
梁木模板与支撑计算书一、梁模板基本参数
梁截面宽度 B=500mm,
梁截面高度 H=1000mm,
H方向对拉螺栓1道,对拉螺栓直径14mm,
对拉螺栓在垂直于梁截面方向距离(即计算跨度)600mm。
梁模板使用的木方截面40×80mm,
梁模板截面侧面木方距离200mm。
梁底模面板厚度h=15mm,弹性模量E=6000N/mm2,抗弯强度[f]=15N/mm2。
梁侧模面板厚度h=15mm,弹性模量E=6000N/mm2,抗弯强度[f]=15N/mm2。
二、梁模板荷载标准值计算
模板自重 = 0.200kN/m2;
钢筋自重 = 1.500kN/m3;
混凝土自重 = 24.000kN/m3;
施工荷载标准值 = 2.500kN/m2。
强度验算要考虑新浇混凝土侧压力和倾倒混凝土时产生的荷载设计值;挠度验算只考虑新浇混凝土侧压力产生荷载标准值。
新浇混凝土侧压力计算公式为下式中的较小值:
其中γc——混凝土的重力密度,取24.000kN/m3;
t ——新浇混凝土的初凝时间,为0时(表示无资料)取200/(T+15),取3.000h;
T ——混凝土的入模温度,取20.000℃;
V ——混凝土的浇筑速度,取1.000m/h;
H ——混凝土侧压力计算位置处至新浇混凝土顶面总高度,取1.200m;
β——混凝土坍落度影响修正系数,取0.850。
根据公式计算的新浇混凝土侧压力标准值 F1=17.130kN/m2
考虑结构的重要性系数0.90,实际计算中采用新浇混凝土侧压力标准值:
F1=0.90×17.140=15.426kN/m2
考虑结构的重要性系数0.90,倒混凝土时产生的荷载标准值:
F2=0.90×6.000=5.400kN/m2。
三、梁底模板木楞计算
梁底木方的计算在脚手架梁底支撑计算中已经包含!
四、梁模板侧模计算
面板直接承受模板传递的荷载,应该按照均布荷载下的连续梁计算,计算如下
作用在梁侧模板的均布荷载q=(1.2×15.43+1.40×5.40)×1.00=26.071N/mm
面板的截面惯性矩I和截面抵抗矩W分别为:
本算例中,截面惯性矩I和截面抵抗矩W分别为:
截面抵抗矩 W = bh2/6 = 100.00×1.50×1.50/6 = 37.50cm3;
截面惯性矩 I = bh3/12 = 100.00×1.50×1.50×1.50/12 = 28.13cm4;
式中:b为板截面宽度,h为板截面高度。
(1)抗弯强度计算
f = M / W < [f]
其中 f ——面板的抗弯强度计算值(N/mm2);
M ——面板的最大弯距(N.mm);
W ——面板的净截面抵抗矩;
[f] ——面板的抗弯强度设计值,取15.00N/mm2;
M = 0.100ql2
其中 q ——荷载设计值(kN/m);
经计算得到 M = 0.100×(1.20×15.426+1.40×5.400)×0.200×0.200=0.104kN.m 经计算得到面板抗弯强度计算值 f = 0.104×1000×1000/37500=2.781N/mm2
面板的抗弯强度验算 f < [f],满足要求!
(2)抗剪计算
T = 3Q/2bh < [T]
其中最大剪力 Q=0.600×(1.20×15.426+1.4×5.400)×0.200=3.129kN 截面抗剪强度计算值 T=3×3129.0/(2×1000.000×15.000)=0.313N/mm2
截面抗剪强度设计值 [T]=1.40N/mm2
面板抗剪强度验算 T < [T],满足要求!
(3)挠度计算
v = 0.677ql4 / 100EI < [v] = l / 250
面板最大挠度计算值 v = 0.677×15.426×2004/(100×6000×281250)=0.099mm
面板的最大挠度小于200.0/250,满足要求!
五、穿梁螺栓计算
计算公式:
N < [N] = fA
其中 N ——穿梁螺栓所受的拉力;
A ——穿梁螺栓有效面积 (mm2);
f ——穿梁螺栓的抗拉强度设计值,取170N/mm2;
穿梁螺栓承受最大拉力 N = (1.2×15.43+1.40×5.40)×1.00×0.60/1=15.64kN 穿梁螺栓直径为14mm;
穿梁螺栓有效直径为11.6mm;
穿梁螺栓有效面积为 A=105.000mm2;
穿梁螺栓最大容许拉力值为 [N]=17.850kN;
穿梁螺栓承受拉力最大值为 N=15.643kN;
穿梁螺栓的布置距离为侧龙骨的计算间距600mm。
每个截面布置1 道穿梁螺栓。
穿梁螺栓强度满足要求!
六、梁支撑脚手架的计算
支撑条件采用钢管脚手架形式,参见楼板模板支架计算内容。
梁模板及支撑计算满足要求!。