投影幕尺寸计算
- 格式:doc
- 大小:44.00 KB
- 文档页数:3
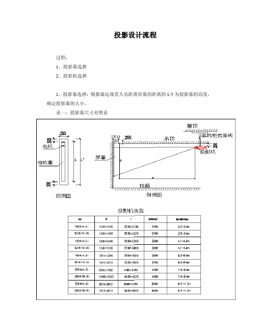
投影设计流程过程:1、投影幕选择2、投影机选择1、投影幕选择:根据最远观看人员距离屏幕的距离的1/4为投影幕的高度,确定投影幕的大小。
表一:投影幕尺寸对照表(1)16:9比例幕布计算方法:长= 对角线X 0.8716宽= 对角线X 0.4903例:100寸幕,长= 100 X 0.8716 = 87.16英寸= 87.16 X 2.54 = 221.39 (cm)宽= 100 X 0.4903 = 49.03英寸= 49.03 X 2.54 = 124.54 (cm)(2)4:3比例幕布计算方法:长= 对角线X 0.8宽= 对角线X 0.6(注意:各品牌厂家,出厂标法不同。
请按实际为准)2、确定好投影幕大小后,根据上表中a的值可以估算是否在合适位置可以安装投影机。
若可以,则可以进行下一步,若无条件,则根据距离调整投影幕的大小。
3、确认投影幕安装条件,一般要求投影幕可视范围下沿距地不小于1200,由此可确认目前层高是否具有安装该投影幕的条件。
4、确定投影机类型一般来讲,主要用于视频图象的投影,选用DLP技术;大型工程可选用3片DLP高亮度投影机。
主要用于文件投影的选用LED技术。
5、确定投影机亮度投影机亮度计算公式:幕前亮度=(投影机亮度/(投影幕面积×3.14))×幕增益×环境系数投影机亮度=(幕前亮度×投影幕面积×3.14)/(幕增益×环境系数),若幕增益为1.2,环境系数为0.9,则:投影机亮度=(幕前亮度×投影幕面积×3.14)/1.08注:幕前亮度经验值:300(优秀)、250(良好)、150(及格)幕的增益由幕本身决定。
环境系数取决于光线传输距离、传输环境。
6、配合内容设计完成后,投影机开孔、幕开孔、幕的位置与室内沟通。
投影机重量与结构确认。
屏幕及镜头换算方法投影距离换算公式:以100寸幕布为例:宽2.05m×高1.52 投影机F值:1.7-2.2 投影距离:1.7×2.05m=3.48m2.2×2.05m=4.51m 投影距离就是:3.48-4.51之间任意位置就可以。
投影距离换算法:F值×幕宽=投影机距离屏幕长和宽换算公式:4:3和16:9表示幕的长度和宽度的比例,不是长度,它表示幕布的规格。
一般说多少寸表示对角线的长度,英寸跟厘米的换算大约是1英寸=2.5厘米。
所以120寸的对角线长度120×2.5=3米然后,用三角形的三边计算公式,长宽为4:3,那么对角线比例应该是5,所以,长=对角线×4/5=2.4米,宽=对角线×3/5=1.8米幕布对角线换算公式:幕布对角线(米)=幕布对角线(寸)×2.5厘米幕布长和宽换算公式:幕布长=幕布对角线(米)×4/5 幕布宽=幕布对角线(米)×3/5投影幕尺寸及宽高一览表:(单位:毫米)4:3普通屏幕尺寸16:9宽屏幕尺寸80寸4:3 1626×1629 80寸16:9 1771×996 100寸4:3 2032×1524 92寸16:9 2030×1440 120寸4:3 2438×1829 100寸16:9 2214×1245 150寸4:3 3048×2286 106寸16:9 2340×1320 170寸4:3 3453×2591 120寸16:9 2657×1494 200寸4:3 4064×3048 133寸16:9 2940×1650 250寸4:3 5080×3810 150寸16:9 3321×1868 300寸4:3 6096×4572 159寸16:9 3550×1980 350寸4:3 7112×5334 161寸16:9 3550×2030 400寸4:3 8128×6096 170寸16:9 3764×2117 450寸4:3 9144×6858 200寸16:9 4428×2491。
180、200、100、120、150寸投影幕尺寸幕布尺寸家庭投影仪之间的进入许多家庭,而且现在投影仪的价格也逐渐走低,很多有条件的人都纷纷打造属于自己的影音空间。
那在家庭影院中又了投影仪自然少不了要有一面投影幕咯,能把么投影幕的尺寸应该是多少呢?下面我们就一起来了解一下吧。
投影幕的分类:俗话说的好“好马配好鞍”一台好的投影仪,自然需要一面好的投影幕来体现其价值,好的投影幕更是能让投影机效果产生飞跃,如今市面上的投影幕也有很多种类。
投影屏幕的分类方式有很多种,比如按工作方式分类,通常可分为正投屏幕和背投屏幕。
正投幕就是投影机与人在幕的同侧,靠反射光线观看画面;而背投幕则是人和投影部件分别在投影幕的两侧,光线需要透过投影幕,人才能看到画面。
不过我们日常生活中见到较多的还是正投影幕。
投影幕的材质:投影幕按材质可以简单分为软屏幕和硬屏幕,而其中正投幕以软幕为主,背投幕则以硬幕居多。
在软屏幕中包括有白塑幕、珠光屏幕和金属屏幕,硬屏幕则包括有平面屏幕和弧形屏幕。
投影幕按照使用方式则有如下分类:快速折叠幕,电动幕,手拉自锁幕,支架幕,拉线幕,地拉幕,画框幕等等。
而随着应用场合的不同,用户也可以选择不同的安装方式,如壁挂、天花板安装和可移动式等等。
投影幕的尺寸:投影幕的尺寸主要取决于使用空间的面积和观众人数的多少,以及位置的安放。
首要的原则是选择适合观众的投影幕,而不是选择适合投影机的投影幕。
目前使用最多的投影幕尺寸在80~120英寸之间,最大的投影幕已经达到了30米宽的尺寸,一般的中小型会议室和家庭投影选用100英寸左右的屏幕既可以满足使用了。
关于投影幕的安装位置,也有一些数值可供参考。
投影幕的高度最好略高于观众的视平线,投影幕离最前排观众的距离可以定在2倍投影幕高度的水平,高亮度的机器可适当增加,投影幕底边离地面距离一般可在50~80厘米。
同时,投影幕尺寸的大小也要考虑投影机的亮度、对比度、投影距离等参数。
投影距离和投影画面尺寸的计算公式最小投射距离(米) = 最小焦距(米)x 画面尺寸(英寸)÷ 液晶片尺寸(英寸)最大投射距离(米) = 最大焦距(米)x 画面尺寸(英寸)÷ 液晶片尺寸(英寸)最大投射画面(英寸) = 投射距离(米)x 液晶片尺寸(英寸)÷ 最小焦距(米)最小投射画面(英寸) = 投射距离(米)x 液晶片尺寸(英寸)÷ 最大焦距(米)长度单位换算公式:1英寸=2.54厘米=0.0254米1 英尺=12 英寸=0.3048 米1 毫米=0.03937 英寸1 厘米=10 毫米=0.3937 英寸1 分米=10厘米=3.937英寸1 米=10分米=1.0936码=3.2808英尺普通屏幕的宽度和高度的比为4:3 ,于是由勾股定理得到:屏幕宽度(米)=屏幕尺寸(英寸)x 0.0254x 0.8 =屏幕尺寸(英寸)÷50屏幕高度(米)=屏幕尺寸(英寸)x 0.0254x 0.6 =屏幕尺寸(英寸)÷66得到的单位为米例如:(1)、已知:EPSON EMP-820的焦距是28.3mm~37.98mm, 液晶片尺寸是0.9英寸LCD板,需要72英寸的画面。
求:最小的投射距离和最大的投射距离。
最小投射距离(米)=0.0283米 x 72英寸÷0.9英寸 = 2.264米最大投射距离(米)=0.03798米x 72英寸÷0.9英寸 = 3.0384米(2)、已知:EPSON EMP-8300的焦距是53mm~72mm, 液晶片尺寸是1.4英寸LCD 板,投射距离为5米,求:最大的投射画面和最小的投射画面。
最大投射画面(英寸) =5米x 1.4英寸÷0.053米 = 132英寸屏幕尺寸计算:长度单位换算公式:1英寸=2.54厘米=0.0254米普通屏幕的宽度和高度的比为4:3 ,于是由勾股定理得到:屏幕宽度(米)=屏幕尺寸(英寸)x 0.0254米/英寸x 0.8 大约=屏幕尺寸(英寸)÷50屏幕高度(米)=屏幕尺寸(英寸)x 0.0254米/英寸x 0.6 大约=屏幕尺寸(英寸)÷66得到的单位为米依此公式举例:120英寸的屏幕的宽度为60÷50=2.4(米)高度为60÷66=1.8(米)常用尺寸:卷帘/支架(方幕)附:投影距离是指投影机镜头与屏幕之间的距离,一般用米来作为单位。
一、16:9比例幕布计算方法:长= 对角线X 0.8716宽= 对角线X 0.4903例:100寸幕,长= 100 X 0.8716 = 87.16英寸= 87.16 X 2.54 = 221.39 (cm)宽= 100 X 0.4903 = 49.03英寸= 49.03 X 2.54 = 124.54 (cm)二、4:3比例幕布计算方法:长= 对角线X 0.8宽= 对角线X 0.6300”投影幕(4:3)=6096*4572mm120”投影幕(4:3)=2440*1830mm投影的距离=投影机幕布的宽X投影机镜头的焦距由公式套出:投影机幕布宽=投影距离÷投影机镜头的焦距投影机镜头的焦距=投影距离÷投影机幕布宽举个例子:松下FD570投影机要在10米的距离投100寸的话求应该用哪个投影机镜头我们可以这样算 10(米)÷2.03(米)=4.9261084(这个就是投影机镜头的焦距)由此可以得出需要的镜头是ET-DLE300 (变焦长距离3.7-5.7:1)以下这些镜头是适用于松下FD系列的投影机上的ET-DLE050 定焦短距镜(0.8:1)ET-DLE100 变焦短距镜(1.3-1.8:1)ET-DLE200 变焦长距离(2.5-4.0:1)ET-DLE300 变焦长距离(3.7-5.7:1)ET-DLE400 变焦长距离(5.7-8.0:1)标准镜头 1.8~2.5F是镜头的透光度。
F越小,镜头的透光性越好。
f是镜头的放大比率。
如,f=1.4时,就是说,在一固定的位置上,画面可放大1.4倍。
镜头的光圈是用数值来表示的,一般从1.6-2.0,为使用方便,一个镜头设置多档光圈,光圈的数值越大,光圈就越小,光通量也越少,每一个镜头的最大光圈都用数值标在镜头的前方。
焦距也是用数值来表示的,通常从50-210,分为短焦、标准和长焦,还有超短和超长焦的。
数值越小焦距越短,数值越大焦距越长,投影机对镜头焦距的要求正投一般在50-140,背投一般在35左右,焦距决定了打满预定尺寸时投影机与影幕的距离,焦距越短,投影机与影幕的距离就越近,反之就越远。
投影距离与投影尺寸的换算公式简单的方法:已知画面尺寸得到投射距离:最小投射距离(米)=最小焦距(米)x画面尺寸(英寸)÷液晶片尺寸(英寸)最大投射距离(米)=最大焦距(米)x画面尺寸(英寸)÷液晶片尺寸(英寸)已知投射距离得到画面尺寸最大投射画面(米)=投射距离(米)x液晶片尺寸(英寸)÷最小焦距(米)最小投射画面(米)=投射距离(米)x液晶片尺寸(英寸)÷最大焦距(米)例如:1、Toshiba TLP-S71的焦距是26.5mm~31.5mm,液晶片尺寸是0.7英寸LCD 板,需要85英寸的画面。
最小投射距离(米)=0.0265米x85英寸÷0.7英寸=3.217米最大投射距离(米)=0.0315米x85英寸÷0.7英寸=3.825米2、已知:EPSON EMP-6000的焦距是24.0-38.2mm,液晶片尺寸是0.8英寸LCD板,投射距离为4米,求:最大的投射画面和最小的投射画面。
最大投射画面(英寸)=4米x0.8英寸÷0.024米=133.3英寸最小投射画面(英寸)=4米x0.8英寸÷0.0382米=83英寸上面提到投影画面尺寸,我们需要根据投影画面尺寸来选择投影屏幕尺寸,我们现在所说的屏幕尺寸实际为屏幕对角线的长度,单位为英寸。
一般我国的尺刻度为米,且量长和款比较方便,所以有必要知道根据屏幕尺寸(英寸)得到屏幕宽度(米)和屏幕高度(米)长度单位换算公式:1英寸=2.54厘米=0.0254米普通屏幕的宽度和高度的比为4:3,于是由勾股定理得到:屏幕宽度(米)=屏幕尺寸(英寸)x0.0254米/英寸x0.8=屏幕尺寸÷50屏幕高度(米)=屏幕尺寸(英寸)x0.0254米/英寸x0.6=屏幕尺寸÷66得到的单位为米依此公式:60英寸的屏幕的宽度为60÷50=1.2(米)高度为60÷66=0.909(米)150英寸的屏幕的宽度为150÷50=3(米)高度为150÷66=2.27(米)200英寸的屏幕的宽度为200÷50=4(米)高度为200÷66=3(米)根据以上计算公司,我们就可以自己计算了,当然现在也有一些软件可供使用。
投影幕布尺寸计算方式•投影幕布分家用和商用两种,家用投影机一般采用16:9的显示比例。
因为目前的电影基本都是这个比例,视频网站提供的在线播放比例也是16:9居多。
4:3显示比例的投影幕主要在商用、教育等专业领域。
2.35:1的投影幕是一种宽视角的显示比例,主要用户高端的家庭影院中,一般的家用到并不需要这么专业的比例。
•一.长度单位换算公式:1英寸=2.54厘米=0.0254米1、16:9比例幕布计算方法:长 = 对角线 X 0.8716 宽= 对角线 X 0.4903例:100寸幕,长 = 100 X 0.8716 = 87.16英寸 = 87.16 X 2.54 = 221.39 (cm) 宽 = 100 X 0.4903 = 49.03英寸 = 49.03 X 2.54 = 124.53 (cm)2、4: 3 比例幕布计算方法:长 = 对角线 X 0.8 宽 = 对角线 X 0.6例:100寸幕,长 = 100 X 0.8 = 80英寸 = 80 X 2.54 = 203.2 (cm)宽 = 100 X 0.6 = 60英寸 = 60 X 2.54 = 152.4 (cm)二、投影幕布按照用途的不同也分很多种规格尺寸是的,有家用的,学校用的,KTV用的等。
常用的幕布尺寸的规格,普通的银幕规格基本上如下图表所示,大于180及以上尺寸的是用于工程项目了。
4:3(宽*高)16:9(宽*高)16:10(宽*高)84英寸 1.63*1.22m 1.86*1.05m 1.81*1.13m100英寸 2.03*1.52m 2.22*1.25m 2.15*1.35m120英寸 2.4*1.8m 2.66*1.50m 2.58*1.61m150英寸3*2.29m 3.32*1.87m 3.23*2.02m160英寸 3.6*2.7m 3.54*1.99m 3.45*2.16m180英寸4*3m 3.98*2.24m 3.78*2.42m。
一、16:9比例幕布计算方法:长= 对角线X 0.8716宽= 对角线X 0.4903例:100寸幕,长= 100 X 0.8716 = 87.16英寸= 87.16 X 2.54 = 221.39 (cm)宽= 100 X 0.4903 = 49.03英寸= 49.03 X 2.54 = 124.54 (cm)二、4:3比例幕布计算方法:长= 对角线X 0.8宽= 对角线X 0.6300”投影幕(4:3)=6096*4572mm120”投影幕(4:3)=2440*1830mm投影的距离=投影机幕布的宽X投影机镜头的焦距由公式套出:投影机幕布宽=投影距离÷投影机镜头的焦距投影机镜头的焦距=投影距离÷投影机幕布宽举个例子:松下FD570投影机要在10米的距离投100寸的话求应该用哪个投影机镜头我们可以这样算 10(米)÷2.03(米)=4.9261084(这个就是投影机镜头的焦距)由此可以得出需要的镜头是ET-DLE300 (变焦长距离3.7-5.7:1)以下这些镜头是适用于松下FD系列的投影机上的ET-DLE050 定焦短距镜(0.8:1)ET-DLE100 变焦短距镜(1.3-1.8:1)ET-DLE200 变焦长距离(2.5-4.0:1)ET-DLE300 变焦长距离(3.7-5.7:1)ET-DLE400 变焦长距离(5.7-8.0:1)标准镜头 1.8~2.5F是镜头的透光度。
F越小,镜头的透光性越好。
f是镜头的放大比率。
如,f=1.4时,就是说,在一固定的位置上,画面可放大1.4倍。
镜头的光圈是用数值来表示的,一般从1.6-2.0,为使用方便,一个镜头设置多档光圈,光圈的数值越大,光圈就越小,光通量也越少,每一个镜头的最大光圈都用数值标在镜头的前方。
焦距也是用数值来表示的,通常从50-210,分为短焦、标准和长焦,还有超短和超长焦的。
数值越小焦距越短,数值越大焦距越长,投影机对镜头焦距的要求正投一般在50-140,背投一般在35左右,焦距决定了打满预定尺寸时投影机与影幕的距离,焦距越短,投影机与影幕的距离就越近,反之就越远。
投影仪计算公式范文
投影仪是一种光学设备,能够通过将图像或视频投射到屏幕上来提供大屏幕的显示效果。
投影仪的计算公式主要涉及到对图像的尺寸、距离和光源的计算。
以下是一些常见的投影仪计算公式。
一、屏幕尺寸和投影距离的计算:
1.屏幕尺寸的计算公式:
屏幕尺寸=投影距离×屏幕高度(或宽度)/投影高度(或宽度)
2.投影距离的计算公式:
投影距离=(屏幕尺寸×投影高度(或宽度))/屏幕高度(或宽度)
二、屏幕高度和投影高度的计算:
1.屏幕高度的计算公式:
屏幕高度=投影高度×投影距离/投影宽度
2.投影高度的计算公式:
投影高度=屏幕高度×投影宽度/投影距离
三、投影宽度的计算:
投影宽度=投影高度×投影比例
四、投影亮度的计算:
投影亮度=光源亮度×光源功率/投影画面面积
五、图像分辨率的计算:
图像分辨率=投影宽度(或高度)×像素密度
六、整体投影器计算公式:
1.光源使用时间:
光源使用时间=光源寿命/使用小时数
2.投影区域面积:
投影区域面积=投影宽度×投影高度
3.色彩细节:
色彩细节=像素密度²
4.投影器引用光源功率:
投影器引用光源功率=投影设备亮度/投影面积
以上是一些常见的投影仪计算公式。
通过这些公式,可以根据所需的投影尺寸、距离和亮度,来计算出最合适的投影仪参数。
然而,在实际应用中,还需考虑到多种因素,如环境光线、屏幕材质等,以确保获得最佳的显示效果。
对于16:9的幕:CODE:[Copy to clipboard]长=对角线 X 0.8716宽=对角线 X 0.4903例:100寸幕,CODE:[Copy to clipboard]长=100 X 0.8716 = 87.16英寸 = 87.16 X 2.54 = 221.39 (cm)宽=100 X 0.4903 = 49.03英寸 = 49.03 X 2.54 = 124.54 (cm)对于4:3的幕:CODE:[Copy to clipboard]长=对角线 X 0.8宽=对角线 X 0.6投影距离与投影尺寸的换算公式在选购投影机时,我们首先注意到投影机的亮度、分辨率、对比度、均匀度等重要参数,另外,我们也要弄清楚投影机的焦距和液晶片尺寸等参数,以便在投影距离和画面尺寸上适合我们使用场合,投影距离和画面尺寸是与投影机的焦距和液晶片尺寸紧密相关的,其相互关系如下:已知画面尺寸得到投射距离:最小投射距离(米) = 最小焦距(米)x 画面尺寸(英寸)÷液晶片尺寸(英寸)最大投射距离(米) = 最大焦距(米)x 画面尺寸(英寸)÷液晶片尺寸(英寸)已知投射距离得到画面尺寸最大投射画面(米) = 投射距离(米)x 液晶片尺寸(英寸)÷最小焦距(米)最小投射画面(米) = 投射距离(米)x 液晶片尺寸(英寸)÷最大焦距(米)例如:1、Toshiba TLP-S71的焦距是26.5mm~31.5mm, 液晶片尺寸是0.7英寸LCD板,需要85英寸的画面。
最小投射距离(米)=0.0265米 x 85英寸÷0.7英寸 = 3.217米最大投射距离(米)=0.0315米x 85英寸÷0.7英寸 = 3.825米2、已知:EPSON EMP-6000的焦距是24.0 - 38.2 mm, 液晶片尺寸是0.8英寸LCD板,投射距离为4米,求:最大的投射画面和最小的投射画面。
投影屏幕计算公式首先,我们来介绍一下投影屏幕的尺寸计算公式。
尺寸计算公式主要涉及到屏幕的宽度(W)、高度(H)和投影比例(AR)等参数。
以16:9的宽高比为例,计算公式如下:W=AR*HH=W/AR投影比例通常以宽度与高度的比值表示。
在16:9的宽高比中,投影比例为16/9=1.78、知道屏幕的高度或宽度,就可以通过计算公式得到其宽度或高度。
其次,我们来介绍一下投影距离的计算公式。
投影距离是指投影仪与屏幕之间的距离,需要考虑到投影仪的放置位置和投影屏幕的大小。
投影距离计算公式如下:D=(W*Ds)/sD=(H*Ds)/s其中,D表示投影距离,W表示投影屏幕的宽度,H表示投影屏幕的高度,Ds表示投影屏幕的对角线长度,s表示放映比例或放映宽高比。
最后,我们来介绍一下投影比例的计算公式。
投影比例是指在投影仪和屏幕之间投影的内容相对于原始内容的比例。
一般情况下,投影比例为1:1,即内容的大小不变。
计算投影比例的公式如下:PR=Ds/Dp其中,PR表示投影比例,Ds表示投影屏幕的对角线长度,Dp表示投影内容的对角线长度。
通过这个公式可以计算出投影比例。
这些投影屏幕计算公式的应用范围很广泛。
在设计和安装投影系统时,可以通过这些公式来选择合适的屏幕尺寸、确定投影距离和调整放映比例。
在教育、商业和娱乐等场合中,投影屏幕计算公式也被广泛应用,帮助人们获得最佳的视觉体验。
总结一下,投影屏幕计算公式包括尺寸计算公式、投影距离计算公式和投影比例计算公式。
它们是在投影学和几何学的基础上发展起来的,可以帮助人们在设计和布置投影系统时做出正确的决策。
这些公式的应用范围很广泛,可以在各种场合和行业中帮助人们获得最佳的视觉体验。
普通屏幕(宽度和高度的计算公式普通屏幕(4:3比例)宽度和高度的计算公式:(1英寸=2。
54厘米=0。
0254米)我们现在所说的屏幕尺寸实际为屏幕对角线的长度,单位为英寸,普通屏幕的宽度和高度的比为4:3 ,于是由勾股定理得到:屏幕宽度(米)=屏幕尺寸(英寸)x 0。
0254米/英寸x 0。
8 =屏幕尺寸÷50屏幕高度(米)=屏幕尺寸(英寸)x 0。
0254米/英寸x 0。
6 =屏幕尺寸÷66得到的单位为米依此公式,所以150英寸的屏幕的宽度为150÷50=3(米)高度为150÷66=2。
27(米)200英寸的屏幕的宽度为200÷50=4(米)高度为200÷66=3(米)=================================平时我们说所的100寸投影幕,是指对角线长度为100英寸的投影幕,但是实际使用时,我们需要把他转换成长宽,而且单位也要换成厘米,1英寸=2.54厘米16 :9:长=对角线 X 0.8716宽=对角线 X 0.4903例:100寸幕,长=100 X 0.8716 = 87.16英寸 = 87.16 X 2.54 = 221.39 (cm) 宽=100 X 0.4903 = 49.03英寸 = 49.03 X 2.54 = 124.54 (cm)4 :3:长=对角线 X 0.8宽=对角线 X 0.6例:100寸幕,长=100 X 0.8 = 80英寸 = 80 X 2.54 = 203.2 (cm) 宽=100 X 0.6 = 60英寸 = 60 X 2.54 = 152.4 (cm)另一种,通过测量长宽计算投影幕的尺寸:4:3屏幕尺寸(英寸)=〔屏幕宽度(米)×5/4〕×100/2.5416:9屏幕尺寸(英寸)=〔屏幕宽度(米)×18.257/16〕×100/2.54下面列出常见尺寸的长宽(尺寸inch=宽mm*长mm),小数点后面的省略4 :345"x60"(75") = 1160x153050"x67"(84") = 1300x171060"X80"(100") = 1540x203072"X96"(120") = 1850x244081"X108"(135") = 2080x274090"X120"(150") = 2310x3050108"X144"(180")= 2770x3660120"X160"(200")= 3080x406516 : 941"X72"(82") = 1591x183045"X80"(92") = 1702x203049"X87"(100") = 1798x221059"X105"(120") = 2051x2660。
投影幕尺寸计算及投影机投距计算公式在选择投影幕尺寸之前,需要确定投影机的分辨率以及观影距离。
投影幕的尺寸通常用对角线长度来表示。
下面是一种常用的投影幕尺寸计算公式:投影屏幕的尺寸(对角线长度)=(观众距离/12)×0.2其中,观众距离是指观众所处的座位到投影屏幕的距离,单位为英尺(ft)。
公式中的0.2是一个常量,可以根据实际情况进行微调,以获得最佳的观影效果。
例如,如果观众距离是10英尺,那么投影屏幕的尺寸(对角线长度)可以计算为:投影屏幕的尺寸=(10/12)×0.2=0.167英尺为了将其转换为实际长度,可以使用屏幕对角线长度和宽高比的关系。
常见的宽高比为16:9或4:3、如果屏幕宽高比为16:9,可以使用勾股定理来计算屏幕的宽度和高度。
投影屏幕的宽度=投影屏幕的尺寸×宽高比(横向)投影屏幕的高度=投影屏幕的宽度/宽高比(纵向)例如,如果屏幕尺寸为0.167英尺,并且宽高比为16:9,则可以使用如下公式计算屏幕的宽度和高度:投影屏幕的宽度= 0.167 × 16 / sqrt(16²+9²) ≈ 0.293英尺投影屏幕的高度=0.293/16×9≈0.164英尺因此,该屏幕的实际尺寸为0.293英尺×0.164英尺。
投影机投距计算公式:投影机的投距是指投影机和投影屏幕之间的距离。
投影机的投距主要由投影仪的镜头焦距以及希望获得的投射图像的大小决定。
一种常用的投影机投距计算公式如下:投影机投距=投影屏幕宽度×投影比例/投射图像宽度其中,投射图像宽度是指期望获得的投射图像的宽度。
投射比例是指投影机的投影比例,通常为1.0。
例如,如果希望获得的投射图像宽度为10英尺,投影屏幕宽度为0.293英尺,投影比例为1.0,则可以使用如下公式计算投影机的投距:投影机投距=0.293×1.0/10=0.0293英尺同样,可以使用同样的公式计算投影机和投影屏幕的纵向投距。
一、16:9比例幕布计算方法:长= 对角线X 0.8716宽= 对角线X 0.4903例:100寸幕长= 100 X 0.8716 = 87.16英寸= 87.16 X 2.54 = 221.39 (cm)宽= 100 X 0.4903 = 49.03英寸= 49.03 X 2.54 = 124.54 (cm)二、4:3比例幕布计算方法:长= 对角线X 0.8宽= 对角线X 0.6(注意:各品牌厂家,出厂标法不同。
请按实际为准)另一种换法:4:3屏幕尺寸(英寸)=〔屏幕宽度(米)×5/4〕×100/2.5416:9屏幕尺寸(英寸)=〔屏幕宽度(米)×18.257/16〕×100/2.54在您确定了投影环境后,所需的银幕大小的公式就应该是:所需银幕大小(对角线尺寸)=你和投影银幕之间的距离除以0.8再乘以1.87。
家用投影机的亮度一般都要比普通商用投影机的亮度偏低,大约都在500流明~1000流明,在小的环境中使用投影机,需要购买低亮度的投影机,一般来说,800ANSI流明左右的机型就足够了;稍大投影机环境(25m2左右的场所,可选择1000ANSI流明亮度的机型;超过25m2的投影场所则建议用1500ANSI 流明左右的机型。
市场上高亮度的投影机越来越多了起来,这并不是说,这些高亮度的投影机都适合您,亮度的增大,不仅使投影机的功耗随之增大,而且,高亮度投影机对重现电视、DVD等视频类信号还具有相反的负作用,随着亮度的增大,由于透射型芯片的光阀闭合不能达到100%的闭合,所以造成了视频信号在显示纯黑信号的的极大缺陷,使视频信号本来纯黑信号变成了灰蒙蒙的灰色调。
影响了这些节目源的观看效果。
投影距离和投影画面尺寸的计算公式长度单位换算公式:1英寸=2.54厘米=0.0254米普通屏幕的宽度和高度的比为4:3 ,于是由勾股定理得到:屏幕宽度(米)=屏幕尺寸(英寸)x 0.0254米/英寸x 0.8 =屏幕尺寸(英寸)÷50屏幕高度(米)=屏幕尺寸(英寸)x 0.0254米/英寸x 0.6 =屏幕尺寸(英寸)÷66得到的单位为米依此公式举例:60英寸的屏幕的宽度为60÷50=1.2(米)高度为60÷66=0.909(米)150英寸的屏幕的宽度为150÷50=3(米)高度为150÷66=2.27(米) 200英寸的屏幕的宽度为200÷50=4(米)高度为200÷66=3(米)常用尺寸:卷帘屏幕(卷帘/附:投影距离是指投影机镜头与屏幕之间的距离,一般用米来作为单位。
在实际的应用当中,在狭小的空间要获取大画面,需要选用配有广角镜头的投影机,这样就可以在很短的投影距离获得较大的投影画面尺寸;在影院和礼堂的环境投影距离很远的情况下,要想获得合适大小的画面,就需要选择配有远焦镜头的投影机,这样就可以在较远的投影距离也可以获得合适的画面尺寸,不至于画面太大而超出幕布大小。
普通的投影机为标准镜头2.0,适合大多数用户使用。
投影距离的计算公式为:投影幕布下边距(宽) X 投影机镜头焦距 = 投影机镜头与幕布间应留的距离例如:用2.0的标准镜头打200寸(320m*4.17m)的投影幕投影距离的计算公式为:4.17m*2.0=8.34m 考虑到投影机机身有1米,应该在8.34m的距离基础上再加1m,用于摆放投影机,即9.34米. 如果打背投的话,就显得比较占用会场空间了,所以建议用0.8的广角镜打,计算公司则为 417m*0.8=3.34m,加上机身1M的长度,只要留4.34m的距离就够了,大大节约了空间.投影方式吊顶功能:将投影机倒置吊在屋顶上进行投影,要求投影机投射的图像能实现上下翻转功能。
像屏位置公式150寸4:3幕布尺寸是2.286*3.05米,150寸16:9的幕布尺寸是3.32*1.867米。
1、选择投影幕时,必须了解投影机的投影距离,以便更好地确定投影屏的尺寸。
2、投影机的幕布应预留位置,在条件允许的情况下,幕布尺寸当然越大越好。
3、显示屏尺寸绝对不是越大越好,和观看距离有很大的关系。
4、投影式幕宽公式:屏幕宽度(米)=屏幕尺寸(英寸)x0.0254米/英寸 x0.8=屏幕尺寸:50。
幕布长度的计算公式:屏幕高度(米)=屏幕尺寸(英寸) x0.0254米/英寸 x0.6=屏幕尺寸=66。
x=F1(L,B) y=F2(L,B) 式中L,B是椭球面上某点的大地坐标,而X,Y是该点投影后的平面直角坐标。
一般地,用光线照射物体,在某个平面(地面、墙壁等)上得到的影子叫做物体的投影,照射光线叫做投影线,投影所在的平面叫做投影面。
有时光线是一组互相平行的射线,例如太阳光或探照灯光的一束光中的光线。
由平行光线形成的投影是平行投影。
由同一点(点光源发出的光线)形成的投影叫做中心投影。
投影线垂直于投影面产生的投影叫做正投影。
投影线平行于投影面产生的投影叫做平行投影。
物体正投影的形状、大小与它相对于投影面的位置有关。
是镜头到屏幕距离,将投影机镜头前面的投影距离(以英寸为单位)除以屏幕宽度(以英寸为单位)。
公式:投射距离/屏幕宽度=投掷:宽度比率投掷距离= 10'(120英寸)屏幕宽度= 8'(96英寸)投掷:宽度比率= 1.25:1因此,你会寻找一个抛光宽比为1.25:1,(10'÷8'):1的镜头。
2.如果屏幕宽度发生变化,请选择提供“投射到宽度”范围的镜头。
例,最小图像宽度投射距离= 10'(120英寸)最小图像宽度= 5'(60英寸)投掷:宽度比= 2:1最大图像宽度投射距离= 10'(120英寸)最大图像宽度= 6'8 “(80英寸)投掷:宽度比= 1.5:1因此,投影机的镜头距离屏幕10英尺,能够创建从5英尺宽到6英尺8英寸宽的图像尺寸,投影宽度比为1.5-2:1,(10'÷6'8“)至(10'÷5'):1。
投影幕尺寸计算
16:9:
长=对角线X 0.8716
宽=对角线X 0.4903
例:
100寸幕,长=100 X 0.8716 = 87.16英寸= 87.16 X 2.54 = 221.39 (cm)
宽=100 X 0.4903 = 49.03英寸= 49.03 X 2.54 = 124.54 (cm)
4:3:
长=对角线X 0.8
宽=对角线X 0.6
另一种:
4:3屏幕尺寸(英寸)=〔屏幕宽度(米)×5/4〕×100/2.54
16:9屏幕尺寸(英寸)=〔屏幕宽度(米)×18.257/16〕×100/2.54
1、投射比例和变焦
严格来说:投射比例= 投射距离/ 图像宽度
但是我们通常习惯说图像的对角线尺寸,而不是图像宽度。
因此本文中我们做了小小的修改:
投射比例= 投射距离/ 图像尺寸,图像尺寸就是指图像的对角线尺寸。
如果投影机不具有变焦功能,那么投射比例是固定的。
也就是说,图像的尺寸完全有投射距离决定。
如果投影机具有变焦功能,则投射比例是可变的。
也就是说,你在同一距离上,可以投射出不同大小的图像。
或者说,相同的图像大小,可以是不同的投射距离。
变焦范围= 最大焦距/ 最小焦距= 最大投射比例/ 最小投射比例
实例:已知:VW11HT的焦距是44.6mm~53.6mm 求:变焦范围
变焦范围= 53.6 / 44.6 = 1.2
2、投射比例与焦距
投射比例可以通过投影机的焦距和显示面板(LCD/LCoS/DLP)的尺寸来计算。
如果投射画面和显示板是相同的形状,比如都是16:9或者4:3的话,计算公式:投射比例= 焦距/ 显示面板对角线长度(焦距和显示面板对角线长度必须使用同一单位。
) 如果是16:9的显示板投射4:3的画面或者4:3的显示板投射16:9的画面,计算公式稍为复杂。
实例:已知:VW11HT的焦距是44.6mm~53.6mm, 显示面板是1.35"LCD板求:投射比例44.6mm = 1.76"53.6mm = 2.11"最小投射比例= 1.76/1.35 = 1.30最大投射比例= 2.11/1.35 = 1.56
3、最大/最小投射距离
投影机镜头组的最小聚焦范围决定最小投射距离。
而最大的投射距离通常则由屏幕亮度决定,如果投射距离过大,投射的图像很大,而图像的亮度下降,整体的视觉效果变差。
下面我们还会专门介绍如何计算亮度。
投射距离= 投射比例x 屏幕对角线尺寸(英寸) = 焦距x 屏幕对角线/ 显示面板对角线
实例1:已知:VW11HT的焦距是44.6mm~53.6mm, 显示面板是1.35"LCD板,需要100”的画面。
求:最小的投射距离和最大的投射距离。
44.6mm = 1.76"53.6mm = 2.11"最小投射距离= 1.76 x 100 / 1.35 = 130" = 3.3米最大投射距离= 2.11 x 100 / 1.35 = 156" = 4.0米
实例2:已知:VW11HT的焦距是44.6mm~53.6mm, 显示面板是1.35"LCD板,需要150”的画面。
求:最小的投射距离和最大的投射距离。
最小投射距离= 1.76 x 150 / 1.35 = 195" = 5.0米最大投射距离= 2.11 x 150 / 1.35 = 234" = 6.0米实际意义:在没有其他手段辅助下,VW11HT投射150"画面的最小距离是5米,3米不可能投出150"画面。
已知画面尺寸得到投射距离:
最小投射距离(米)= 最小焦距(米)x 画面尺寸(英寸)÷液晶片尺寸(英寸)
最大投射距离(米)= 最大焦距(米)x 画面尺寸(英寸)÷液晶片尺寸(英寸)
已知投射距离得到画面尺寸:
最大投射画面(米)= 投射距离(米)x 液晶片尺寸(英寸)÷最小焦距(米)
最小投射画面(米)= 投射距离(米)x 液晶片尺寸(英寸)÷最大焦距(米)
例如:
1、Toshiba TLP-S71的焦距是26.5mm~31.5mm, 液晶片尺寸是0.7英寸LCD板,需要85英寸的画面。
最小投射距离(米)=0.0265米x 85英寸÷0.7英寸= 3.217米
最大投射距离(米)=0.0315米x 85英寸÷0.7英寸= 3.825米
2、已知:EPSON EMP-6000的焦距是24.0 - 38.2 mm,液晶片尺寸是0.8英寸LCD板,投射距离为4米,求:最大的投射画面和最小的投射画面。
最大投射画面(英寸)=4米x 0.8英寸÷0.024米= 133.3英寸
最小投射画面(英寸)=4米x 0.8英寸÷0.0382米= 83英寸
上面提到投影画面尺寸,我们需要根据投影画面尺寸来选择投影屏幕尺寸,我们现在所说的屏幕尺寸实际为屏幕对角线的长度,单位为英寸。
一般我国的尺刻度为米,且量长和款比较方便,所以有必要知道根据屏幕尺寸(英寸)得到屏幕宽度(米)和屏幕高度(米)
长度单位换算公式:1英寸=2.54厘米=0.0254米
普通屏幕的宽度和高度的比为4:3 ,于是由勾股定理得到:
屏幕宽度(米)=屏幕尺寸(英寸)x 0.0254米/英寸x 0.8 =屏幕尺寸÷50
屏幕高度(米)=屏幕尺寸(英寸)x 0.0254米/英寸x 0.6 =屏幕尺寸÷66
得到的单位为米
依此公式:
60英寸的屏幕的宽度为60÷50=1.2(米)高度为60÷66=0.909(米)
150英寸的屏幕的宽度为150÷50=3(米)高度为150÷66=2.27(米)
200英寸的屏幕的宽度为200÷50=4(米)高度为200÷66=3(米)。