九年级物理电压 电阻检测题(WORD版含答案)
- 格式:doc
- 大小:190.50 KB
- 文档页数:13
初三物理电压和电阻测试题(含答案)一、选择题1.在如图(a )所示电路中,当闭合开关后,两个电压表指针偏转均为图(b )所示,则电阻R 1和R 2两端的电压分别为( )A. 4.8V ,1.2VB. 6V ,1.2VC. 1.2V ,6VD. 1.2V ,4.8V【答案】 A【解析】【解答】解:由图a 可知,电阻R 1与R 2串联,电压表V 1测电源的电压,电压表V 2测电阻R 2两端电压,∵串联电路中总电压等于各分电压之和,且两电压表指针位置相同,∴电压表V 1示数应大于电压表V 2示数,则电压表V 1量程是0~15V ,分度值是0.5V ,电压表示数U=6V ;电压表V 2量程是0~3V ,分度值是0.1V ,电压表示数U 2=1.2V ;∴电阻R 1的电压U 1=U U ﹣2=6V 1.2V=4.8V ﹣.故选A .【分析】由图a 可知,电阻R 1与R 2串联,电压表V 1测电源的电压,电压表V 2测电阻R 2两端电压,根据串联电路特点确定电压表量程与分度值,读出电压表示数,然后由串联电路特点求出R 1两端的电压.2.在图中所示,电源两端电压保持不变,闭合开关S 后,电路正常工作,过了一会儿灯L 突然变亮,两表示数都变大,则该电路出现的故障可能是( )A. 灯L 短路B. 灯L 断路C. 电阻R 断路D. 电阻R 短路【答案】 D【解析】【解答】先根据灯泡的亮度变化确定短路还是断路,然后根据电表的示数情况来判断电路故障具体位置.电流表示数变大,说明电路一定出现短路现象电阻R短路。
故答案为:D。
【分析】本题考查学生对电路故障的分析能力。
先根据灯泡的亮度变化确定短路还是断路然后根据电表的示数情况来判断电路故障具体位置,是短路还是断路。
3.在如图电路中,开关闭合时,电压表V1、V2、V3的读数分别是U1、U2、U3 , 则U1、U2、U3的关系正确的是( )A. U1=U2+U3B. U1=U2=U3C. U1>U2>U3D. U3>U2>U3【答案】 B【解析】【解答】解:由图可知,两盏灯并联,V1并联在L2两端,所以V1测量L2两端的电压;而V3与L1并联,所以V3测量L1两端的电压;V2直接并联在电源两端,所以V2测量电源电压;并联电路的电压关系为:并联电路中各支路两端的电压相等,即U=U1=U2=U3 .故选B.【分析】分析电路结构,明确各电路元件的连接方式,明确各电压表所测电路电压间的关系.4.下列可以用超导材料制成的是( )A. 电炉丝B. 电动机的线圈C. 日光灯灯丝D. 电热水器发热体【答案】B【解析】【解答】超导材料在一定条件下电阻为零,所以利用电流的热效应来工作的用电器不能使用超导材料 . 选项A、C、D均不符合题意 . B是利用电流的磁效应,将电能转化为机械能,B符合题意 .故答案为:B .【分析】利用电流的热效应来工作的用电器不能使用超导材料 .5.如图所示电路中,电源电压保持不变.若电路中的电阻R出现断路故障,当闭合开关S 时,下列判断正确的是( )A. 电压表V示数不为零,电流表A示数为零B. 电压表V示数不为零,电流表A1示数为零C. 电压表V示数为零,电流表A1示数不为零D. 电压表V示数为零,电流表A示数不为零【答案】 B【解析】【解答】由图示可知,当闭合开关S时,由于电阻R断路,相当电路中只接有一个灯泡,电流表A1与电压表串联,其示数为零,电压表测电源电压不为零,电流表A测通过灯泡的电流不为零.故答案为:B.【分析】由电路图可知,电阻R与灯泡并联,电压表测并联电路两端的电压,电流表A测量干路电流,电流表A1测电阻中的电流;根据电路发生断路电路中没有电流,断路两端有电压判断三个仪表的示数.6.下列图中,滑动变阻器的接线方法正确的是( )A. B. C. D.【答案】D【解析】【解答】解:A、图中接了上面两接线柱,相当于导线,故A错误; B、图中接了下面两接线柱,相当于定值电阻,故B错误;C、图中下面接在了滑动变阻器的腿上,没有接在接线柱上,故C错误;D、图中滑动变阻器按一上一下原则接线,对电路起调节作用,故D正确.故选D.【分析】滑动变阻器的原理是靠改变连入电路中电阻线的长度改变电阻,需按一上一下的原则接线.7.材料、横截面积均相同的两根电阻丝(温度相同),a的长度大于b的长度,则( )A. a的电阻小于b的电阻B. a的电阻等于b的电阻C. a的电阻大于b的电阻D. 无法判断a与b电阻的大小【答案】C【解析】【解答】解:要比较电阻大小需要用到控制变量法.在导体材料、横截面积一定时,导体的电阻大小与长度有关,长度越长,电阻越大;因此a的电阻大于b的电阻. 故选C.【分析】影响电阻大小的因素有:导体的材料、长度和横截面积.8.如图所示电路,电源电压保持不变,闭合开关S,电流表和电压表的都有示数.如果某时刻电路出现故障,两表的示数都变大了,那么故障可能是( )A. 电阻R1短路B. 电阻R1断路C. 电阻R2短路D. 电阻R2断路【答案】C【解析】【解答】A.电阻R1短路 ,电流表的示数增大,电压表的示数减小,A不符合题意;B.电阻R1断路,电流表的示数减小,电压表的示数增大,B不符合题意;C.电阻R2短路 ,电流表、电压表的示数都变大,C符合题意;D.电阻R2断路 ,电流表、电压表的示数都变小,D不符合题意。
初三物理电压电阻测试卷有答案一、选择题(共18道总分36分)1、如图,当开关S闭合,两只灯泡均发光,两电表均有示数.一段时间后,其中一盏灯不发光,观察到电压表示数为零,电流表示数增大,经检查除小灯泡外其余器材连接良好,造成这种情况的原因可能是A.灯L1断路B.灯L2短路C.灯L1短路D.灯L1、L2都断路2、下列各种说法中错误的是()A.生活用电电压为220VB.日常生产中有时还用到380V的电压C.一节干电池的电压一般是2VD.不高于36V的电压是安全电压3、如图所示,闭合开关,两灯都不亮.为检查故障,某同学先用电压表与灯L1并联,观察到电压表无示数,再将电压表与灯L2并联,观察到电压表有示数,那么电路中出现的故障是A.灯L1短路B.灯L1断路C.灯L2短路D.灯L2断路4、如图所示,下列电路中属于串联电路的是5、洋洋设计了一个自动测高仪,给出了四个电路,如图8所示,R是定值电阻,R´是滑动变阻器。
其中能够实现身高越低,电压表示数越小的电路是6、小华用如图所示电路进行如下操作,下列说法正确的是( )A.直接将A、B连接,闭合开关后电路短路B.测量电流时,应将电流表"+"接在A点,"-"接在B点C.在A、B间接电压表,闭合开关后电压表无示数D.在A、B间接另一灯泡,两灯泡是并联的7、如右图所示的电路中,若开关S闭合,灯L1L2均不亮,某同学用一根导线去查找电路故障,当他用导线连接L1两端时,两灯仍不亮;当导线连接L2两端时,L1亮、L2不亮.由此可以判断()A.灯L1断路B.灯L2断路C.灯L1短路D.灯L2短路8、关于导体的电阻,下列说法正确的是:A.导体的电阻与导体两端的电压有关;B.导体的电阻与通过导体的电流有关;C.导体两端电压为零时,导体的电阻也为零;D.导体的电阻与电流、电压大小无关,是导体本身的一种属性。
9、如图所示,关于电流表和电压表的使用方法中正确的是()A.B.C.D.10、小宇学习了电路知识后,想利用发光二极管设计一个带有指示灯开关的照明电路,晚间关闭照明灯后,利用二极管发出的光指示开关所在的位置.他共设计了四个电路,如图所示,其中L为节能灯,规格为"220V 15W"、D为发光二极管,规格为"1.2V 0.002A"、S为单刀双掷开关、R为限流电阻.图中能够满足要求的电路()A.B.C.D.11、如图所示,电源电压保持不变,当只闭合S2时,电压表的示数为3V,当只闭合S1时,电压表的示数为4.5V,则此时L1、L2两端的电压分别是()A.3V和7.5VB.1.5V和4.5VC.3V和1.5VD.1.5V和3V12、一段金属导体,用力使其均匀拉长,则该导体的电阻将A.变大B.不变C.变小D.无法确定13、有两个阻值不同的定值电阻R1、R2,它们的电流随电压变化的I―U图线如图所示。
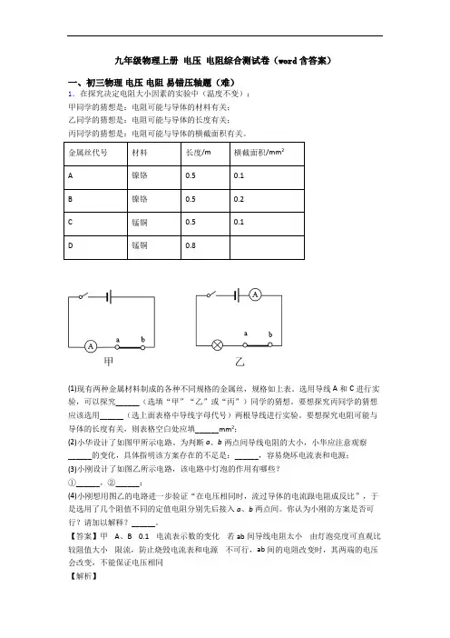
九年级物理上册电压电阻综合测试卷(word含答案)一、初三物理电压电阻易错压轴题(难)1.在探究决定电阻大小因素的实验中(温度不变):甲同学的猜想是:电阻可能与导体的材料有关;乙同学的猜想是:电阻可能与导体的长度有关;丙同学的猜想是:电阻可能与导体的横截面积有关。
金属丝代号材料长度/m横截面积/mm2A镍铬0.50.1B镍铬0.50.2C锰铜0.50.1D锰铜0.8(1)现有两种金属材料制成的各种不同规格的金属丝,规格如上表。
选用导线A和C进行实验,可以探究______(选填“甲”“乙”或“丙”)同学的猜想。
要想探究丙同学的猜想应该选用______(选上面表格中导线字母代号)两根导线进行实验。
要想探究电阻可能与导体的长度有关,则表格空白处应填______mm2;(2)小华设计了如图甲所示电路。
为判断a、b两点间导线电阻的大小,小华应注意观察______的变化,具体指明该方案存在的不足是:______,容易烧坏电流表和电源;(3)小刚设计了如图乙所示电路,该电路中灯泡的作用有哪些?①______,②______;(4)小刚想用图乙的电路进一步验证“在电压相同时,流过导体的电流跟电阻成反比”,于是选用了几个阻值不同的定值电阻分别先后接入a、b两点间。
你认为小刚的方案是否可行?请加以解释?______。
【答案】甲 A、B 0.1 电流表示数的变化若ab间导线电阻太小由灯泡亮度可直观比较阻值大小限流,防止烧毁电流表和电源不可行,ab间的电阻改变时,其两端的电压会改变,不能保证电压相同【解析】【分析】【详解】(1)[1]由表中所给条件知,导线A和C的长度、横截面积相同,导体的材料不同,故可以探究甲同学的猜想。
[2]要探究横截面积与导体电阻大小的关系,就要控制导体的材料、长度相同,横截面积不同,在表格中给的导线中,只有A、B符合条件。
[3]要探究长度与导体电阻大小的关系,就要控制导体的材料、横截面积相同,导体的长度不同,在表格中给的导线中,只有C、D符合条件,故表格空白处应填0.1mm2。
初三物理电压电阻测试卷有答案一、选择题(共18道总分36分)1、在图所示的电路中,电源电压保持不变,闭合电键S,电路正常工作。
一段时间后,电压表V的示数不变,电流表A的示数变大,若故障只发生在两个电阻R1或R2上,用某完好的电阻R(R<R1<R2)替换R1,替换后电压表的示数不变,电流表的示数变得更大(没有超过电流表量程),则A.R1可能断路B.R2一定断路C.R1可能短路D.R2一定短路2、如图所示的两个电路中,电源电压相等且保持不变.闭合开关S,当滑动变阻器的滑片P都向右移动时,灯泡L1和L2的亮度变化情况是()A.L1变暗,L2亮度不变B.L1、L2都变亮C.L1变亮,L2变暗D.L1、L2都变暗3、光敏电阻的特点是有光照射它时阻值变小.如图所示是某小区门口利用光敏电阻设计的行人监控装置, R1为光敏电阻, R2为滑动变阻器,A、B间接监控装置,则:()A.当有人通过通道而遮蔽光线时,A、B间电压降低B.当有人通过通道而遮蔽光线时,通过R1的电流变大C.当仅增大R2连入电路中的阻值时,通过R1的电流变大D.当仅增大R2连入电路中的阻值时,可降低A、B间的电压4、如右图,为了让灯泡发光,其中a、b分别为()A.a、b都是电压表B.a、b都是电流表C.a是电压表,b是电流表D.a是电流表,b是电压表5、如图所示,当开关闭合时,灯L1、L2都不亮,电流表无示数,但电压表示数较大.可能的故障是()A.L1断路B.L2断路C.L2短路D.L1短路6、如图3所示,电源电压不变,当开关闭合,滑动变阻器的滑片P向右移动时,下列说法正确的是()A.电流表的示数变大B.电压表的示数不变C.电压表的示数变小D.灯泡变暗7、如图2,滑动变阻器的四种接法中,当滑片P向左滑动时电阻变大的是()8、下列哪个物理量是决定导体电阻大小的因秦之一()A.导体的长度B.导体的材料C.导体两端的电压D.导体实际消耗的电功率9、图所示为滑动变阻器的四种接线方法.把它们分别连接在电路中,当滑片P 向右移动时,可使通过滑动变阻器的电流变大的接法是()10、如图所示,闭合开关,两灯并联,各电表都能正常工作,下列判断正确的是()A.a、b、c都是电流表B.a、b、c都是电压表C.a、c是电压表,b是电流表D.a、c是电流表,b是电压表11、根据表中所提供的数据,可以确定适宜制作保险丝的是()金属铅铜铁钨长1 m,横切面积1 mm2的导0.206 0.017 0.096 0.053线在20℃时的电阻/Ω在标准大气压下的熔点/℃328 1 083 1 535 3 410A.铅B.铜C.铁D.钨12、如图3所示的电路中,将开关S闭合,灯L1和灯L2均发光,则下列说法中正确的是A.灯L1和灯L2串联B.灯L1和灯L2并联C.通过灯L1和灯L2的电流一定相等D.灯L1和灯L2两端的电压不一定相等13、(2015怒江模拟)如图所示,闭合开关S,两灯均不亮,电流表无示数,电压表有示数,则故障是( )A.灯L1开路B.灯L2开路C.灯L1短路D.灯L2短路14、如图,灯泡L1比L2亮,电压表V2示数为6V,下列说法正确的是A. V1示数为6V B. V1示数大于6V C.V示数小于6V D. V示数大于6V15、超导材料是一种电阻为零的材料,小明预测超导材料将会在以下方面得到应用,你认为其中合理的是A.制而成电饭锅的发热体B.作为远距离输电导线C.制成滑动变阻器的电阻线D.制成白纸灯泡的灯丝16、如图所示的各电路图中,电压表能测L灯两端电压的是()1A.B.C.D.17、如图所示的电路中,闭合开关S,已知电源电压为6V,L两端的电压为11V,则下列说法正确的是:A.电压表的示数为1V B.电压表的示数为5VC.电压表的示数为6V D.电压表的示数为7V18、使用手电筒时发现小灯泡不亮,造成该现象的原因不可能的是()A.开关处出现短路B.小灯泡灯丝断了C.小灯泡接触不良D.电池两端电压过低二、填空题(共10道总分30分)19、有A、B、C三根导线,其中A、B是铜导线,C是镍铬合金线.A、B两根导线的长短相同,A比B粗;B、C两根导线的长短、粗细都相同,则三根导线中电阻最大的是,电阻最小的是.20、如图10所示,电阻箱的读数为________Ω。
九年级物理电压电阻检测题(Word版含答案)一、初三物理电压电阻易错压轴题(难)1.某同学用下图所示的电路探究“通过导体的电流与电压、电阻的关系”,电源电压恒为.(1)闭合开关后,电流表无示数,但电压表有示数,原因可能是__________.A.电流表断路B.电压表断路C.R1断路D.R2断路(2)探究电流与电压的关系时,应保持________不变(选填“R1”或“R2”).(3)探究电流与电阻的关系时,当R1的阻值是2Ω,电流表示数是1.0A,要使电流表示数是0.5A,R1的阻值是________Ω;多次测量后,作出的I-R1图像是图乙中的________.【答案】CR14D【解析】【分析】(1)闭合开关,电流表无示数,可能电路出现断路,电压表有示数,则与电压表并联的电路断路;(2)探究电流和电压的关系,应保持电阻不变;(3)探究电流和电阻的关系时,应保持电阻两端的电压不变,根据欧姆定律得到R1的阻值;根据电流和电阻的关系得到I-R1图像。
【详解】(1)闭合开关,电流表没有示数,可能出现断路,电压表有示数,则与电压表并联的R1断路,故选C。
(2)该实验是探究R1的电流和电压、电阻的关系,探究电流与电压的关系时,应保持R1不变;(3)R1两端的电压U=IR=1.0A×2Ω=2V,探究电流与电阻的关系时,应保持电阻两端的电压不变,要使电流表示数是0.5A,R1的阻值;因为电压不变,通过导体的电流和电阻成反比,所以作出的I-R1图像是图乙中的D。
【点睛】本题考查电流电压和电阻的关系,当导体的电阻一定时,导体中的电流与导体两端的电压成正比;当导体两端的电压一定时,导体中的电流与导体的电阻成反比。
2.“探究串联电路的电压关系”的实验电路如图甲所示.(1)为了使探究得出的结论具有普遍意义,L1、L2应该选择_____(相同/不同)的小灯泡.(2)小明根据图甲连接好电路,闭合开关,电压表示数如图乙所示,为了使实验结果更准确,接下来他应该_____.(3)测出L1两端的电压后,小明断开开关,准备拆下电压表,改接在B、C之间.小聪认为小明的操作太麻烦,只需将与A点相连的导线改接到C点即可.小聪的办法是否正确?答:_____(正确/不正确).(4)测量完成后,进行小组交流讨论.下表选录了四个小组的数据,你认为这些数据是否合理?答:_____(合理/不合理).请说明理由:_____.实验小组L1两端电压/V L2两端电压/V串联总电压/V1 1.6 2.9 4.52 2.1 2.4 4.43 2.5 2.0 4.44 1.8 2.7 4.5【答案】不同断开开关,更换电压表的量程不正确合理因为在测量过程中,会有一些误差,总体上串联总电压约等于L1两端电压和L2两端电压之和【解析】【详解】(1)[1]为了使探究得出的结论具有普遍意义,L1、L2应该选择不同的灯泡,避免两灯泡的电压相同,得出串联电路中各用电器电压相同的结论;(2)[2]从图乙可以看到,电压表的量程是0到15V,读数是2V,为了使实验结果更准确,接下来他应该断开开关,更换电压表的量程,改为0到3V;(3)[3]小聪的办法不正确,因为电压表与B点接触那端是正接线柱,当将与A点相连的导线改接到C点时,电流将会从电压表的负接线柱流入,所以小聪的办法不正确;(4)[4][5]这些数据是合理的,因为在测量过程中,会有一些误差,总体上串联总电压约等于L1两端电压和L2两端电压之和。
九年级物理上册电压电阻检测题(WORD版含答案)一、初三物理电压电阻易错压轴题(难)1.热敏电阻的阻值会随温度的改变而改变。
小张同学用如图甲所示的电路来探究热敏电阻R T的阻值与温度的关系。
已知M为控温器,电源电压未知但恒定不变,R为电阻箱(一种可以改变并读出阻值的变阻器)。
因实验器材的限制,利用该电路无法直接测出热敏电阻的阻值,聪明的小张进行了如下操作:①根据图甲连接电路,闭合开关前,将电阻箱的阻值调到足够大;②控制控温器中液体温度为10℃,闭合开关,调节电阻箱的阻值,使电流表的示数达到某数值,记录此时电阻箱的阻值为26Ω;③依次改变控温器中的液体温度,同时……,得到相关数据记录如下表所示。
分析并回答下列问题:(1)步骤③中“……”部分的操作是____。
(2)从表中可以得出结论:在一定温度范围,_____。
(3)在科技创新活动中,小张用该热敏电阻和电压表制成了一支指针式温度计(电路图如图乙所示,电压表未接入),它可以直接在电压表刻度盘上读出相应温度。
闭合开关后,小华发现电流表有示数,将电压表依次并在各接线柱之间发现ab间无示数,接ac、bc间有示数,此时电路中的故障是____。
小华重新正确连接电路后,若想要电压表的读数随温度的升高而增大,则应在原理图乙中_____两端接入电压表。
A.a、b B.b、c C.a、c【答案】调节电阻箱的阻值,使电流表的示数保持不变热敏电阻的阻值随温度的升高而减小定值电阻短路A【解析】【详解】(1)为了探究热敏电阻R T的阻值与温度的关系,应保持其他变量不变,即调节电阻箱阻值来保持电流表示数不变;(2)因为热敏电阻R t与电阻箱串联,而电路电流保持不变,所以电路总电阻保持不变,读表可知,那么随着温度升高,变阻箱电阻增大,即热敏电阻R T的减小。
(3)如图乙:闭合开关后,小华发现电流表有示数,说明电路没有断路,将电压表依次并在各接线柱之间发现ab间无示数,而接ac、bc间有示数,则ab间一定发生短路;想要电压表的读数随温度的升高而增大,电路总电压不变的情况下,根据串联分压原理,定值电阻ab两端电压随热敏电阻R t减小而增加,故应接在ab之间,选A。
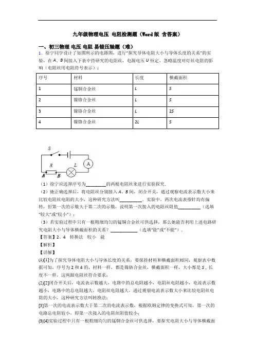
九年级物理电压电阻检测题(Word版含答案)一、初三物理电压电阻易错压轴题(难)1.徐宁同学设计了如图所示的电路图,进行“探究导体电阻大小与导体长度的关系”的实验,在A、B间接入下表中待研究的电阻丝,电源电压U恒定,忽略温度对灯丝电阻的影响(电阻丝用电阻符号表示):序号材料长度横截面积1锰铜合金丝L S2镍铬合金丝L S3镍铬合金丝L2S4镍铬合金丝2L S(1)徐宁应选择序号为_________的两根电阻丝来进行实验探究.(2)她正确选择后,将电阻丝分别接入A、B间,闭合开关,通过观察电流表示数大小来比较电阻丝电阻的大小,这种研究方法叫__________.实验中,两次电流表指针均有偏转,但第一次的示数大于第二次的示数,说明第一次接入的电阻丝阻值__________(选填“较大”或“较小”);(3)若实验过程中只有一根粗细均匀的锰铜合金丝可供选择,那么她能否利用上述电路研究电阻大小与导体横截面积的关系?____________(选填“能”或“不能”).【答案】2、4 转换法较小能【解析】【详解】(1)[1]为了探究导体电阻大小与导体长度的关系,要保持材料和横截面积相同,观察表中数据可知,序号为2和4的,材料一样,都是镍铬合金丝,横截面积一样,大小都是S,长度不一样,这两跟电阻丝符合要求;(2)[2]闭合开关后,电流表示数越大,电路中的总电阻越小,电阻丝电阻越小,电流表示数越小,电路中的总电阻越大,电阻丝电阻越大,通过观察电流表示数大小来比较电阻丝电阻的大小,这种研究方法叫转换法;[3]第一次的电流表示数大于第二次的电流表示数,根据欧姆定律的变换式可知,第一次的电路总电阻较小,即第一次接入的电阻丝阻值较小;(3)[4]实验过程中只有一根粗细均匀的锰铜合金丝可供选择,要探究电阻大小与导体横截面积的关系,可以把这根锰铜合金丝剪取一半,接入电路做实验,然后再把两根锰铜合金丝缠绕在一起,再接入电路做实验,这样两次实验,电阻丝的材料一样,长度一样,只是横截面积不同;这样是可以探究电阻大小与导体横截面积的关系.2.在“探究影响导体电阻大小的因素”实验中,小军设计了如图所示电路.a、b间接导体.(1)在连接电路时发现,还缺少一个元件,他应该在电路中再接入的元件是________.连接电路时应将其处在________状态.(2)为了粗略判断a、b两点间导体电阻的大小,可观察________.这种方法叫________.(3)实验时小军发现手边有一根较长的金属丝,他可以探究导体是否与________和________有关.(4)另有甲、乙两位同学分别对小军的电路做了如下的改进:甲把灯泡更换为电流表;乙在原电路中串联接入电流表,你认为________同学的改进更好一些,理由是________.【答案】开关断开灯泡的亮度转换法长度横截面积乙灯泡可以保护电路【解析】【分析】【详解】(1)缺少电路的基本组成元件开关;在连接电路时开关应处于断开状态,这是为了防止电路中有短路的地方而导致损坏用电器;(2)因为通过灯泡的电流越大,灯泡越亮,因此a、b间的电阻越大,电路中的电流越小,灯泡的越暗;反之,灯泡越亮;故根据灯泡的亮度反映a、b间电阻的大小;物理学中的这种研究问题的方法叫做转换法;(3)导体的电阻是本身的属性,它跟导体的长度、横截面积和材料有关:当探究导体电阻与长度的关系时,可控制横截面积和材料不变,改变导体的长度,能够完成;当探究导体电阻与横截面积的关系时,可控制长度和材料不变,改变导体的横截面积,能够完成;当探究导体电阻与材料的关系时,可控制长度和横截面积不变,因为只有一个金属丝,所以无法改变材料,不能够完成;所以他可以探究导体是否与导体的长度和导体的横截面积有关.(4)将灯泡换为电流表,a、b间的电阻决定电路中的电流,因此,当a、b间电阻过小时,电流会过大,电路可能会被烧坏;在原电路中串联一个电流表,因为有灯泡的存在,可以起到保护电路的作用.因此乙同学的方案更好.3.在探究串联电路的电流规律时,小敏同学连成了如图所示的电路。
初三物理电压电阻测试卷(带答案)一、选择题(共18道总分36分)1、如图所示的电路中,下列说法正确的是()电压A.开关S闭合时,电压表测L1B.开关S闭合时,电压表测电源电压电压C.开关S闭合时,电压表测L2和电源的总电压D.开关S断开时,电压表测L12、如图所示是小明同学测定小灯泡电阻的电路图,当闭合开关S时,发现灯不亮,电流表、电压表均无示数。
若电路故障只出现在灯L和变阻器R中的一处,则下列判断正确的是( )A.灯L短路B.灯L断路C.变阻器R短路D.变阻器R断路3、如图所示的电路,闭合开关S,两灯均正常发光,下列说法中正确的是()A.通过a点的电流等于通过c点的电流B.通过a点的电流大于通过c点的电流C.电压表测的是c点的电压D.电压表测的是电源电压4、如图所示,粗心的小强把电流表并联在灯泡L1两端了,此时如果闭合开关,将会发生( )A.电源短路B.电流表损坏C.L1不亮D.L2灯丝烧断5、如图所示,电路中两只灯泡L1和L2均正常发光,则下面说法中正确的是〔〕A.甲是电流表,乙是电压表B.甲是电压表,乙是电流表C.甲、乙都是电流表D.甲、乙都是电压表6、下列说法正确的是A.水结成冰后,分子间的作用力减小B.扩散现象只发生在气体、液体之间C.对人体安全的电压是36VD.一个电子所带的电荷量为1.9×10-16C7、关于电流表和电压表的使用方法,下列说法中正确的是()A.测量电压时,电压表必须与被测电路串联B.测量电流时,电流表必须与被测电路串联C.不管电流表还是电压表,连接时必须使电流从"+"接线柱流出,从"-"接线柱流入D.电压表的量程改变后,每小格表示的值仍保持不变8、在探究电路的电压规律的实验时用了如图所示的某个电路,已知R1=R2<R,电压表、和的读数分别为1.0V、1.5V和2.5V。
实验时的电路图应是() 39、在图所示的电路中,电源电压和灯泡电阻都保持不变,当滑动变阻器R的滑片P由中点向右移动时,下列判断中正确的是A.电流表和电压表的示数都增大B.电流表和电压表的示数都减小C.电流表的示数减小,电压表的示数增大D.电流表的示数减小,电压表的示数不变10、在选择电压表的量程时,正确的是()A.尽可能选择大一些的量程B.选用大小不同的量程测量,测量结果同样精确C.经试触后被测电压不超过小量程挡,应选用小量程进行测量D.试触时电压表示数为2.8V,选15V的量程更好些11、通常情况下,关于一段粗细均匀的镍铬合金丝的电阻,下列说法中正确的是()A.合金丝的电阻跟该合金丝的长度有关B.合金丝两端的电压越大,合金丝的电阻越小C.合金丝的电阻跟该合金丝的横截面积无关D.通过合金丝的电流越小,合金丝的电阻越大12、如图13所示的滑动变阻器不改变阻值可正确接入电路的两个接线柱可以是[]A.a和c B.b和c C.a和b D.b和d13、如下图所示电路中,甲、乙两处各接什么电表,当S闭合后,能使两灯均能发光:A.甲接电压表,乙接电流表B.甲、乙均接电压表C.甲、乙均接电流表D.甲接电流表,乙接电压表14、有一同学用电压表测L2两端的电压,如图所示,闭合开关后,发现电压表示数接近电源电压,而L1、L2两灯均不亮,产生这种现象的原因可能是()A.电压表坏了B.L2的灯丝断了C.L1的灯丝断了D.L1处发生短路15、在常温干燥的情况下,下列餐具属于导体的是()A.塑料筷子B.陶瓷碗C.不锈钢勺D.玻璃果盘16、电阻R1的阻值比电阻R2小,把它们并联后,总电阻[]A.既小于R1又小于R2B.既大于R1又大于R2C.小于R2而大于R1D.等于R1与R2之和17、如图所示,电源电压为6V,当开关S闭合后,只有一灯泡发光,且电压表示数为6V,产生这一现象的原因可能是:A.灯L1处短路; B.灯L2处短路;C.灯L1处断路;D.灯L2处断路.18、在如图中,要使L1与L2串联,在"〇"处接入电流表或电压表,测量电路中的电流、L1两端的电压。
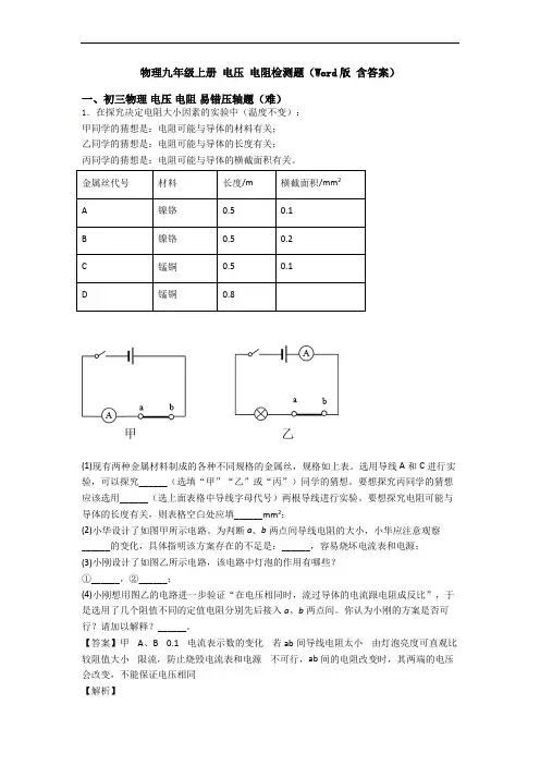
物理九年级上册电压电阻检测题(Word版含答案)一、初三物理电压电阻易错压轴题(难)1.在探究决定电阻大小因素的实验中(温度不变):甲同学的猜想是:电阻可能与导体的材料有关;乙同学的猜想是:电阻可能与导体的长度有关;丙同学的猜想是:电阻可能与导体的横截面积有关。
金属丝代号材料长度/m横截面积/mm2A镍铬0.50.1B镍铬0.50.2C锰铜0.50.1D锰铜0.8(1)现有两种金属材料制成的各种不同规格的金属丝,规格如上表。
选用导线A和C进行实验,可以探究______(选填“甲”“乙”或“丙”)同学的猜想。
要想探究丙同学的猜想应该选用______(选上面表格中导线字母代号)两根导线进行实验。
要想探究电阻可能与导体的长度有关,则表格空白处应填______mm2;(2)小华设计了如图甲所示电路。
为判断a、b两点间导线电阻的大小,小华应注意观察______的变化,具体指明该方案存在的不足是:______,容易烧坏电流表和电源;(3)小刚设计了如图乙所示电路,该电路中灯泡的作用有哪些?①______,②______;(4)小刚想用图乙的电路进一步验证“在电压相同时,流过导体的电流跟电阻成反比”,于是选用了几个阻值不同的定值电阻分别先后接入a、b两点间。
你认为小刚的方案是否可行?请加以解释?______。
【答案】甲 A、B 0.1 电流表示数的变化若ab间导线电阻太小由灯泡亮度可直观比较阻值大小限流,防止烧毁电流表和电源不可行,ab间的电阻改变时,其两端的电压会改变,不能保证电压相同【解析】【分析】【详解】(1)[1]由表中所给条件知,导线A和C的长度、横截面积相同,导体的材料不同,故可以探究甲同学的猜想。
[2]要探究横截面积与导体电阻大小的关系,就要控制导体的材料、长度相同,横截面积不同,在表格中给的导线中,只有A、B符合条件。
[3]要探究长度与导体电阻大小的关系,就要控制导体的材料、横截面积相同,导体的长度不同,在表格中给的导线中,只有C、D符合条件,故表格空白处应填0.1mm2。
初三物理电压电阻测试卷(带答案)一、选择题(共18道总分36分)1、如题5图所示的电路中a、b是电表,闭合开关要使电灯发光,则:()A.a、b都是电流表B.a、b都是电压表C.a是电流表,b是电压表D.a是电压表,b是电流表2、如图所示,闭合电健,两个灯泡都不亮,电流表指针几乎未动,而电压表指针有明显偏转,该电路的故障可能是()A.电流表坏了或未接好:B.从a经过L1到b的电路中有断路。
C.L2灯丝烧断灯座未接通。
D.电流表和L1、L2都坏了。
3、图14,A、B、C、D中所示的为滑线变阻器的结构和连入电路情况示意图,当滑片向右滑动时,连入电路的电阻变小的为[]4、关于电压,下列说法错误的是:A电压是电路中形成电流的原因;B电路中有电流时,电路两端就有一定的电压;C电源是提供电压的装置;D有电压就一定有电流;5、如图所示的电路,闭合开关,观察发现灯泡L1亮、L2不亮.调节变阻器滑片P,灯泡L1的亮度发生变化,但灯泡L2始终不亮.出现这一现象的原因不可能的是()A.灯泡L2灯丝断了B.滑动变阻器短路了C.灯泡L2短路了D.滑动变阻器接触不良6、如图所示,选择合适的电表符号填入电路空缺处,要求:当开关S闭合后,灯泡L1和L2正常发光,则()A.甲为电流表,乙为电压表,丙为电流表B.甲为电流表,乙为电压表,丙为电压表C.甲为电压表,乙为电压表,丙为电流表D.甲为电压表,乙为电流表,丙为电流表7、关于电流表和电压表的使用,下列说法错误的是()A.使用前都应检查指针是否指零B.若有两个量程,一般都先用大量程"试触"C.两表都不能将两接线柱直接接到电源的两极上D.接入电路时,都应使电流从正接线柱流入,从负接线柱流出8、如图所示,R0为定值电阻,R1为滑动变阻器,V1、V2为实验室用电压表(接线柱上标有"-"、"3"、"15"),闭合开关后,调节滑片P,使两电压表指针所指位置相同。
九年级上册物理电压电阻单元综合测试(Word版含答案)一、初三物理电压电阻易错压轴题(难)1.在“探究串联电路电压特点”的实验中:(1)某次测量时,电压表的示数如图所示,则此时灯L1两端的电压为_____V;(2)某同学在测量了灯L1两端的电压后,断开开关,然后将AE导线的A端松开,接到D接线柱上,测量灯L2两端的电压,这一做法存在的问题是_____;(3)闭合开关S后,发现灯L1发光,L2不发光。
同学们有以下几种猜想:①灯L2灯丝断了;②灯L2的灯座短路;③灯L2也工作,但L2中电流比L1中电流小。
以上猜想中正确有_____(填序号)。
【答案】2.2 电压表的正负接线柱接反②【解析】【分析】【详解】(1)[1]由实物图可知,两灯串联,电压表测L1的电压;电源为两节干电池,则电源电压==2 1.5V3VU⨯根据串联分压的特点可知,灯L1两端的电压不可能大于3V,故图中电压表选择的是0~3V 量程,对应的分度值是0.1V,指针指在2V右面第2个小格上,读数为⨯=2V+0.1V2 2.2V(2)[2]如果将AE导线的A端松开,接到D接线柱上测量灯L2两端的电压,这样电流从电压表的“﹣”接线柱流入,从“+”接线柱流出了,开关闭合后,电压表的指针将反偏,即电压表的正负接线柱接反了,因此这种接法是错误的。
(3)[3]闭合开关S后,发现灯L1发光,L2不发光,则:①若灯L2灯丝断了,电路断路,灯泡L1也不发光,故①错误;②若灯L2的灯座短路,灯L1发光,L2不发光,故②正确;③若灯L2也工作时,由串联电路的电流特点可知,L2中电流和L1中电流相等,故③错误。
综上所述,以上猜想中正确只有②。
2.小宇同学在“探究串联电路电压规律”的实验时,得到“电源两端电压总大于各用电器两端电压之和”的结论,这与之前“电源两端电压等于各用电器两端电压之和”的猜想不符。
小宇用图甲所示的电路继续进行探究:(1)测量电源及灯泡两端电压,电压表接在AB两点,是为了测量灯___两端的电压,闭合开关,电压表的示数(如图乙所示)是____V;(2)接着小宇直接将电压表接A点的接线改接到D点,闭合开关后,发现电压表_______;(3)纠正错误后,小宇测出导线BC间的电压大约为0.05V。
九年级上册物理电压电阻单元综合测试(Word版含答案)一、初三物理电压电阻易错压轴题(难)1.在“探究串联电路电压特点”的实验中:(1)某次测量时,电压表的示数如图所示,则此时灯L1两端的电压为_____V;(2)某同学在测量了灯L1两端的电压后,断开开关,然后将AE导线的A端松开,接到D接线柱上,测量灯L2两端的电压,这一做法存在的问题是_____;(3)闭合开关S后,发现灯L1发光,L2不发光。
同学们有以下几种猜想:①灯L2灯丝断了;②灯L2的灯座短路;③灯L2也工作,但L2中电流比L1中电流小。
以上猜想中正确有_____(填序号)。
【答案】2.2 电压表的正负接线柱接反②【解析】【分析】【详解】(1)[1]由实物图可知,两灯串联,电压表测L1的电压;电源为两节干电池,则电源电压==U⨯2 1.5V3V根据串联分压的特点可知,灯L1两端的电压不可能大于3V,故图中电压表选择的是0~3V 量程,对应的分度值是0.1V,指针指在2V右面第2个小格上,读数为⨯=2V+0.1V2 2.2V(2)[2]如果将AE导线的A端松开,接到D接线柱上测量灯L2两端的电压,这样电流从电压表的“﹣”接线柱流入,从“+”接线柱流出了,开关闭合后,电压表的指针将反偏,即电压表的正负接线柱接反了,因此这种接法是错误的。
(3)[3]闭合开关S后,发现灯L1发光,L2不发光,则:①若灯L2灯丝断了,电路断路,灯泡L1也不发光,故①错误;②若灯L2的灯座短路,灯L1发光,L2不发光,故②正确;③若灯L2也工作时,由串联电路的电流特点可知,L2中电流和L1中电流相等,故③错误。
综上所述,以上猜想中正确只有②。
2.小华用如图所示电路来探究串联电路电压的特点。
(1)在拆接电路时,开关应处在___________状态(选填“断开”或“闭合”); (2)实验中应选择规格__________(填“相同”或“不同”)的小灯泡;(3)用电压表分别测出A 与B 、B 与C 、A 与C 两点间的电压为U AB 、U BC 、U AC 。
初三物理电压电阻测试卷有答案一、选择题(共18道总分36分)1、如图甲所示电路,闭合开关S后,将滑动变阻器的滑片P从一端滑到另一端,R1、R2的U~I关系图象如图乙所示:在上述过程中,滑片P从任意一点滑动到另外一点时,电流表A的示数变化量为△I,电压表V1、V2的示数变化量分别为△U1、△U2,R1、R2的功率变化量分别为△P1、△P2,则()A.R1的阻值为70ΩB.电源电压是18VC.||=||总成立D.||=||总成立2、在手电筒电路中,提供电能的是A.灯泡B.电池C.导线D.开关3、在下面的电路中,闭合开关S,能用电压表测量L2两端电压的是()A.B.C.D.4、如图所示的四个电路中,电流表或电压表连接正确的是()5、如图所示,为一电阻箱结构示意图,下面关于此电阻箱接入电路电阻值大小的说法正确的是()A.只拔出铜塞a、b,接入电路电阻为7欧姆B.只拔出铜塞c、d,接入电路电阻为7欧姆C.要使接入电路电阻为7欧姆,只有拔出铜塞c、d才行D.将铜塞a、b、c、d全拔出,接入电路的电阻最小6、小明同学按照如图9所示的电路"研究串联电路中电流、电压的特点",当开关闭合时,灯L1亮,灯L2不亮,电流表和电压表均有示数.则故障原因可能是A.L1断路B.L1短路C.L2断路D.L2短路7、如图所示,开关S闭合时,可能发生的现象是()A、L1发光、L2不发光B、L1被烧坏C、L2被烧坏D、电池被烧坏8、下列物质中属于半导体的是()A.氯化钠B.砷化镓C.二氧化硅D.镍铬合金9、如图11所示,AB、CD为两根平行且均匀的相同电阻丝,直导线EF可以在AB、CD上滑行并保持与AB垂直,EF与AB、CD接触良好。
B、D之间的电压U 保持不变,A、C之间接一个理想电压表,当EF处于图中位置时电压表示数为6.0伏,如将EF由图中位置向左移动一段距离△L后电压表示数变为5.0伏,若将EF由图中位置向右移动一段相同距离△L后,电压表示数将变为A、6.5伏B、7.0伏C、7.5伏D、8.0伏10、下列数据中,符合实际情况的是()A.中学生的身高约为170dmB.人的心脏跳动一次的时间约为5sC.对人体来说,安全电压是220VD.人体的正常体温约为37°C11、如图5所示的各电路中,灯泡和电阻均相同,能利用滑动变阻器调节电灯从亮到熄灭的正确电路是〔〕12、如图,小伟同学做实验把电压表串联在电路中,那么当开关闭合后,将()A.灯泡的灯丝烧断B.电压表一定烧坏C.电源损坏D.电压表指针有明显偏转13、如图所示,开关闭合,两个灯泡都不发光,电流表指针几乎不动,而电压表指针有明显偏转,该电路故障可能是()A.电流表开路,并且L1、L2灯丝断了B.L1灯丝断了C.灯泡L2开路D.灯泡L1短路14、(10·柳州)两电阻的阻值分别为2Ω和3Ω,它们串联后的总电阻为A.2ΩB. lΩC.3ΩD.5Ω15、一节新干电池的电压是A.1.5 V B.15 V C.36 V D.220 V16、如下左图所示的两个电路中,电源电压相等,闭合开关S,当甲图中滑动变阻器的滑片向左滑动、乙图中的滑片向右滑动时,灯泡L1和L2的亮度的变化是A.L1L2都变暗B.L1L2都变亮C.L1变亮,L2变暗D.L1变亮,L2的亮度不变17、图中电路的电源电压不变,当变阻器的滑片P向右移动时,正确的结论是A A、B、C三灯全部变暗。
九年级电压电阻检测题(Word版含答案)一、初三物理电压电阻易错压轴题(难)1.在“探究串联电路电压特点”的实验中:(1)某次测量时,电压表的示数如图所示,则此时灯L1两端的电压为_____V;(2)某同学在测量了灯L1两端的电压后,断开开关,然后将AE导线的A端松开,接到D接线柱上,测量灯L2两端的电压,这一做法存在的问题是_____;(3)闭合开关S后,发现灯L1发光,L2不发光。
同学们有以下几种猜想:①灯L2灯丝断了;②灯L2的灯座短路;③灯L2也工作,但L2中电流比L1中电流小。
以上猜想中正确有_____(填序号)。
【答案】2.2 电压表的正负接线柱接反②【解析】【分析】【详解】(1)[1]由实物图可知,两灯串联,电压表测L1的电压;电源为两节干电池,则电源电压==U⨯2 1.5V3V根据串联分压的特点可知,灯L1两端的电压不可能大于3V,故图中电压表选择的是0~3V 量程,对应的分度值是0.1V,指针指在2V右面第2个小格上,读数为⨯=2V+0.1V2 2.2V(2)[2]如果将AE导线的A端松开,接到D接线柱上测量灯L2两端的电压,这样电流从电压表的“﹣”接线柱流入,从“+”接线柱流出了,开关闭合后,电压表的指针将反偏,即电压表的正负接线柱接反了,因此这种接法是错误的。
(3)[3]闭合开关S后,发现灯L1发光,L2不发光,则:①若灯L2灯丝断了,电路断路,灯泡L1也不发光,故①错误;②若灯L2的灯座短路,灯L1发光,L2不发光,故②正确;③若灯L2也工作时,由串联电路的电流特点可知,L2中电流和L1中电流相等,故③错误。
综上所述,以上猜想中正确只有②。
2.某实验小组探究金属丝电阻大小与横截面积的关系,实验室提供了下列器材:小灯泡、电压表、电流表、电池组、滑动变阻器、刻度尺、开关和导线若干。
(1)为了完成实验,还需要选择什么规格的金属丝。
(2)请你选择合适的器材,设计一个实验方案(电路图配合文字叙述)(3)分析可能出现的实验现象并得出结论【答案】(1)选择材料相同、长度相等,横截面积不同的金属丝若干(2)见解析(3)见解析【解析】【详解】(1)在不考虑温度变化的情况下,影响电阻大小的因素有导体的材料、长度和横截面积。
初三物理电压电阻测试卷有答案一、选择题(共18道总分36分)1、超导现象是20世纪的重大发现之一,科学家发现某些物质在温度很低时,如铅在-266℃以下,电阻就变成零。
若常温下超导体研制成功,则超导体适合做A.电铬铁B.输电线C.滑动变阻器的线圈D.电炉丝2、在图所示的四个电路中,当闭合开关S后,小灯泡L1、L2都能正常发光,其中电压表可直接测出L2两端电压的电路图是A.B.C.D.3、如图,当开关S闭合后,灯泡L1,L2都发光,两个电表都有示数,工作一段时间后,突然灯泡L2熄灭,L1仍然发光,两个电表都无示数,该电路可能出现的故障是()A.电流表断路B.L2断路C.电压表短路D.L2短路4、上海世博会园区80%的夜景照明光源采用低碳节能的LED(发光二极管)照明技术。
制作LED灯的核心材料是:A、导体B、半导体C、绝缘体D、超导体5、小明同学在利用如图所示电路进行电学实验时,闭合开关,发现灯L1亮、灯L2不亮,电流表和电压表均有示数。
则故障原因是A.灯L1断路B.灯L1短路C.灯L2断路D.灯L2短路6、小明在一次野炊活动中,将中间剪得较窄的口香糖锡箔纸(可看做导体)接在干电池正负两极上,如图所示,锡箔纸较窄处最先燃烧.这是因为与长度相同的锡箔纸较宽处相比,较窄处()A.电阻较大B.电流较大C.电压较小D.电功率较小7、如图所示,选择合适的电表符号填入电路空缺处,要求:当开关S闭合后,灯泡L1和L2正常发光,则()A.甲为电流表,乙为电压表,丙为电流表B.甲为电流表,乙为电压表,丙为电压表C.甲为电压表,乙为电压表,丙为电流表D.甲为电压表,乙为电流表,丙为电流表8、如图6所示的电路中,闭合开关S,能用电压表测量L1两端电压的正确电路是()9、如图所示的电路,闭合开关S后,电灯L1、L2都不发光,且两电表的指针都不动.现将两电灯的位置对调,再次闭合开关时,发现两只灯泡仍不亮,电流表的指针仍不动,但电压表的指针却有了明显的偏转,该电路的故障可能是()A.电流表内部接线断了B.灯L1灯丝断了C.灯L2灯丝断了D.电流表和两个电灯都坏了10、如图所示电路,开关S闭合后,若L1灯丝突然烧断,会发生的现象()A.L1、L2、L3均熄灭,电压表、电流表示数均为零B.L1、L2均熄灭,L3仍然发光,电压表、电流表示数均变大C.除L1灯不亮外,其余一切照旧,无任何其它变化D.L1、L2、L3均熄灭,电压表示数变大,电流表示数几乎为零11、如图12所示,开关s闭合后,小灯泡不发光,电流表无示数.这时用电压表测得a、b两点间和b、c两点间的电压均为零,而a、d间和b、d间的电压均不为零,这说明()A.电源接线柱接触不良. B.开关的触片或接线柱接触不良c.电流表接线柱接触不良D.灯泡灯丝断了或灯座接触不良12、在如图所示的电路中,a、b、c、d为四个接线柱,闭合开关S后,灯泡L不亮;若用电压表接在b、d间,闭合开关S,电压表有明显示数;若将电流表接在b、c间,无论闭合还是断开开关S,电流表都有明显示数,且灯泡L发光.则故障一定是()A.灯泡断路B.灯泡短路C.电阻R短路D.电阻R断路13、如图所示,在"○"处可以连接电流表或电压表测量电路中的电流、电压,为使L1与L2串联,以下做法正确的是()A.a为电流表,b为电压表,c为电流表B.a为电压表,b为电压表,c为电流表C.a为电流表,b为电流表,c为电压表D.a为电流表,b为电流表,c为电流表14、光敏电阻的阻值随着光照的强弱而改变。
九年级物理电压电阻检测题(Word版含答案)一、初三物理电压电阻易错压轴题(难)1.有一个低压电源的电压在 30 V~36 V 间,小明要测量出它的电压(设电源电压保持不变),除了待测电源,手边有一个量程为 0~15 V 的一块电压表,及四个阻值已知的电阻,分别为R1(0.01 Ω)、R2(20 Ω)、R3(30 Ω)和R4(30 kΩ)各一个,一个开关及若干导线,请合理选择以上器材,测出电源电压。
要求:(1)在虚线框中画出实验电路图;(____)(2)写出实验步骤及所需测量的物理量________;(3)写出电源电压的表达式(用已知量和测量量表示)。
U= ______。
【答案】 a.按照电路图连接电路,开关断开;b.闭合开关 S,读出电压表的示数U1.U=2.5 U1【解析】【分析】【详解】(1)[1]由题意可知,电压表的最大量程小于电源的电压,故所用的实验电路应是串联电路,串联的两个电阻应选用20Ω和30Ω,用电压表测出其中一个电阻的电压,再根据串联电路的分压特点,可过求出另一个电阻的电压,则电源的电压亦可求出。
故电路如图:(2)[2]实验的操作过程是:a.按电路图连接电路,连接电路时开关应断开;b.闭合开关S,读出电压表的示数U1。
(3)[3]由实验操作可测出电阻R2的电压U1,而R2、R3的阻值分别为20Ω、30Ω,由串联电路的分压特点,有U1:U2=R2:R3=20Ω:30Ω=2:3即U2=1.5U1那么电源的电压U=U1+U2=U1+1.5U1=2.5U12.某同学为了探究“电阻丝的电阻R与长度L、横截面积S和材料的关系”,进行了如下操作:(1)在实验中,先保持电阻丝的横截面积S和材料不变,探究电阻丝的电阻R与长度L的关系,这种方法叫做________法。
(2)为了探究电阻丝的电阻R与L的关系,实验室备有以下实验器材:A.电源E (电压U=1.5V)B.电流表A1 (量程 0-100mA)C.电流表A2 (量程 0-0.6A)D.电阻箱R0(阻值0~999.9Ω)E.待测电阻丝R (阻值约为10Ω)F.开关一个,导线若干,则:① 为了提高实验的精确程度,在实验中电流表应选的是_______ (选填器材前的字母代号)② 把电阻丝拉直后,将其两端固定在刻度尺的接线柱a和b上,电阻丝上夹一个金属夹P,移动金属夹 P 的位置,就可改变接入电路中金属丝的长度L,把这些实验器材按图甲连接起来。
九年级物理电压电阻检测题(WORD版含答案)一、初三物理电压电阻易错压轴题(难)1.“探究串联电路的电压关系”实验电路如图甲所示。
(1)在使用电压表之前,发现电压表的指针向没有刻度的那一边偏转,则应对电压表进行______;(2)为了使探究得出的结论具有普遍意义,L1、L2应该选择______(选填“相同”或“不相同”)的小灯泡;(3)根据图甲连接好电路,闭合开关,电压表示数如图乙所示,读数为______V,为了使实验结果更准确,接下来的操作是:______;(4)测出L1两端电压后,小明同学断开开关,准备拆下电压表,改装在B、C之间,小聪同学认为小明的操作太麻烦,只需将与A点相连的导线改接到C点即可。
小聪的办法是否正确?请说明理由。
答:______;理由:______;(5)测出AB、BC、AC之间的电压,记录在图表格中。
根据实验数据得出结论:串联电路总电压等于各用电器两端电压之和。
此结论存在的不足之处是:______。
U AB/V U BC/V U AC/V3.1 1.44.5【答案】机械调零不相同 2.0 电压表换用0~3V量程,重做实验不正确电压表正负接线柱接反实验存在偶然性,需多测几组数据【解析】【分析】【详解】(1)[1]使用电压表之前,发现电压表的指针偏向零刻度的左边,说明电压表没有调零,此时应对电压表进行机械调零。
(2)[2]在“探究串联电路的电压关系”实验中,为了使得到的结论具有普遍性,应该采用规格不相同的灯泡多做几次实验。
(3)[3]如图乙所示电压表选择的是0~15V大量程,其示数为2.0V。
[4]2.0V远小于15V,容易产生误差,为了读数更准确,电压表应该换用0~3V的小量程,重新完成实验。
(4)[5][6]不正确,理由是根据电流流向,电流从电压表正极进、负极出的原则可知,将与A 点相连的导线改接到C点后,电压表正负接线柱接反。
(5)[7]实验中只测出了一组AB、BC、AC之间的电压,便得到结论,一次实验数据得到的结论具有偶然性,为了使结论更具有普遍性,应该多测几组数据。
2.软硬程度不同的铅笔其用途不同例如6B软铅笔用来作画,软硬适中的HB铅笔用来写字,6H硬铅笔用来制图。
已经知道铅笔芯的电阻大小与其长度、横截面积有关。
小明有5cm和15cm的6H、HB、6B的铅笔芯若干,用如图所示的方案探究铅笔芯的电阻大小与其硬度是否有关。
(1)实验中小明通过______反映铅笔芯电阻的大小。
(2)应选用______cm的铅笔芯做实验更好一些(3)实验中更换不同硬度的铅笔芯,发现灯泡亮度几乎不变可能是铅笔芯的电阻差别比较小;改进的措施是:在电路中串联一个______。
(4)实验中,______更换不同硬度的铅笔芯时,(选填“需要”或“不需要”)保持电源电压不变。
(5)根据改进后的方案,画出记录数据的装格,表格中要有必要的信息______【答案】灯泡的亮度 15 电流表需要实验次数铅笔芯硬度电流表示数I/A铅笔芯电阻(选填“较小”、“较大”、“很大”)16H2HB36B铅笔芯横截面积相同,长度为15cm【解析】【分析】【详解】(1)[1]当电压一定时,铅笔芯的电阻越大,电路中的电流越小,灯泡越暗,所以可以用灯泡的亮度来反映铅笔芯的电阻大小。
(2)[2]不同硬度的铅笔芯,选用较长的,它们的电阻差别较大,灯泡亮度变化明显,便于观察。
(3)[3]灯泡亮度几乎不变,说明电流变化不明显,串联一个电流表,可以更准确地反映电流的变化情况。
(4)[4]研究不同硬度铅笔芯的电阻与硬度的关系,应该控制其它因素相同,所以需要保持电源电压不变。
(5)[5]实验时,要控制铅笔芯长度和横截面积相同,进行多次实验,由于没有电压表,所以不能测出铅笔芯的电阻值,只能通过电流表示数来比较其电阻大小,所以设计表格如下:实验次数铅笔芯硬度电流表示数I/A铅笔芯电阻(选填“较小”、“较大”、“很大”)16H2HB36B铅笔芯横截面积相同,长度为15cm3.探究性学习小组的同学们合作进行探究“串联电路的电压特点”,设计了如图Ⅰ所示电路,并连接了相应的实物电路,如图Ⅱ所示。
(1)在连接的实物电路中有一处错误,无法完成实验,连接错误的导线是______(填a、b 或c)(2)正确连接后,闭合开关,发现电流表和电压表V1都没示数,电压表V2有示数,电路故障可能是______,更换器材后继续实验,根据测得的实验数据,绘制了如图Ⅲ所示的曲线图。
①图Ⅲ中,甲、乙两条曲线是根据图Ⅰ电路测得的实验数据所绘制的曲线,其中图Ⅰ电路中电压表V1对应的曲线是______(填“甲”或“乙”);②已知电源电压恒为6V,根据探究目的分析图Ⅲ中的曲线,得出的实验结论是______;③由图Ⅲ可知,滑动变阻器的最大阻值为______Ω。
(拓展)学习小组的同学还想由此电路探究电流与电阻的关系,可供选择的定值电阻的阻值为5Ω、5Ω、10Ω、15Ω、20Ω、25Ω。
①电路连接正确后,先用5Ω的定值电阻进行实验,闭合开关后,移动滑动变阻器的滑片,使电压表示数为2V ,读出了电流表的示数;再将5Ω的定值电阻换成10Ω的定值电阻进行实验,向______移动滑片直至电压表示数为2V ,并记录电流表的示数;②该同学还想多测几组数据,但他不能选用的定值电阻阻值是______Ω。
【答案】b 滑动变阻器断路 甲 串联电路中总电压等于各部分电压之和 40 右 25【解析】【分析】【详解】(1)[1]根据图Ⅰ可以看出,电压表应该并联在滑动变阻器两端,而图Ⅱ中的滑动变阻器被短路,所以导线b 应该接到滑动变阻器的左下端接线柱或接到定值电阻R 1的右侧接线柱上。
(2)[2]正确连接后,闭合开关,发现电流表和电压表V 1都没示数,说明电路断路,电压表V 2有示数,则电路故障可能是与电压表V 2并联的滑动变阻器断路。
[3]根据图Ⅰ可以看出,电路是一个串联电路,电流增大时,根据U=IR ,电压表V1的示数也增大,对应图Ⅲ中的甲曲线。
[4]由图Ⅲ可以看出电流相等时,甲、乙曲线对应的电压之和相等为6V ,得出的实验结论是:串联电路中总电压等于各部分电压之和。
[5]由图Ⅰ、Ⅲ可知,滑动变阻器滑片滑到最右端时,电压最大为4V ,电流最小为0.1A ,滑动变阻器的最大阻值为max P max min 4V ==40Ω0.1AU R I = [6]电路连接正确后,先用5Ω的定值电阻进行实验,闭合开关后,移动滑动变阻器的滑片,使电压表示数为2V ,读出了电流表的示数;再将5Ω的定值电阻换成10Ω的定值电阻进行实验,电阻增大,电路的电流减小,根据U=IR ,则滑动变阻器两端的电压减小,定值电阻两端的电压增大,需要增大滑动变阻器接入电路的阻值,滑动变阻器滑片向右移动直至电压表示数为2V ,并记录电流表的示数。
[7]滑动变阻器的最大阻值为40Ω,电源电压为6V ,定值电阻两端的电压为2V ,滑动变阻器两端电压为4V ,根据21Pmax maxU U R R = 代入数据max4V 2V =40R Ω 解得R max =20Ω,则选择的最大电阻为20Ω,不能选择25Ω4.某实验小组探究金属丝电阻大小与横截面积的关系,实验室提供了下列器材:小灯泡、电压表、电流表、电池组、滑动变阻器、刻度尺、开关和导线若干。
(1)为了完成实验,还需要选择什么规格的金属丝。
(2)请你选择合适的器材,设计一个实验方案(电路图配合文字叙述)(3)分析可能出现的实验现象并得出结论【答案】(1)选择材料相同、长度相等,横截面积不同的金属丝若干(2)见解析(3)见解析【解析】【详解】(1)在不考虑温度变化的情况下,影响电阻大小的因素有导体的材料、长度和横截面积。
要探究金属丝电阻大小与横截面积的关系,根据控制变量法的原则,需要选择材料相同、长度相等,横截面积不同的金属丝若干,为了实验现象明显可选择电阻率较大的镍铬合金丝。
(2)实验方案:选择电池组、电流表、小灯泡、开关和若干导线连接串联电路,图中AB两点间接入材料相同、长度相等,横截面积不同的金属丝,从小灯泡的亮度可以粗略比较电阻的大小,还可以防止出现短路,通过电流表示数可以准确比较电阻的大小,电路图如下:(3)实验现象:接入AB两点间的导体横截面积越大时,闭合开关后,小灯泡越亮,电流表示数越大;实验结论:在导体的材料和长度相同时,横截面积越大,导体电阻越小。
5.小红在做“探究影响导体电阻大小的因素”实验时,做出了如下猜想猜想一:导体的电阻可能与导体的长度有关猜想二:导体的电阻可能与导体的横截面积有关:猜想三:导体的电阻可能与导体的材料有关实验室提供了4根电阻丝,其规格、材料如下表所示:编号材料横截面积S/(mm2)长度L/(m)A镍铬合金 1.00.25B镍铬合金 1.00.50(1)如图电路,实验前最好在导线a、b间连接___________(选填“导线”或“电阻”),在M、N之间分别接上不同导体,闭合开关,通过观察___________来比较导体电阻大小(2)为了验证猜想一,可依次把M、N跟___________(填“A”、“B”、“C”或“D”)的两端相连,闭合开关,记下电流表的示数,分析比较这两根电阻丝电阻的大小.(3)依次把M、N跟电阻丝A、C的两端连接,闭合开关,发现接电阻丝C时电流表的示数较大,分析比较A、C两根电阻丝电阻的大小,可探究电阻跟___________的关系,其结论是:导体的长度和材料一定时,横截面积越大,其阻值________________.(4)若将电阻丝C均匀拉伸,使其横截面积变为原来的一半,则此时该电阻的阻值_________(选填“等于”或“不等于”)原来的2倍.小超在做“探究影响导体电阻大小的因素”实验时,发现实验器材中电阻丝只有一根,其他器材足够,不能完成的实验探究是(______________)A.导体电阻与长度的关系 B.导体电阻与材料的关系C.导体电阻与温度的关系 D.导体电阻与横截面积的关系【答案】电阻电流表的示数 A、B 横截面积越小不等于 B【解析】【分析】【详解】(1)[1][2]为了避免电路中电流过大,实验前最好在导线a、b间连接电阻;从图中可以看到连接好电路后,电流表测的是电路中的电流,接入电路的电阻丝电阻越大、电流越小,电阻越小、电流越大,所以可以通过观察电流表的示数来比较电阻丝电阻大小;(2)[3]为了验证猜想一,应该保持电阻横截面积和材料一样,从表中可以看到,编号为A、B的导体合适,可依次把M、N跟A、B的两端相连;(3)[4][5] A、C两根电阻丝材料一样,长度也一样,横截面积不同,所以说分析比较A、C两根电阻丝电阻的大小,可探究电阻跟横截面积的关系;接电阻丝C时电流表的示数较大,那么电阻丝C的电阻较小,但是电阻丝C的横截面积较大,可推测其结论是,导体的长度和材料一定时,横截面积越大,其阻值越小;(4)[6]若将电阻丝C均匀拉伸,使其横截面积变为原来的一半,那么长度会变大,横截面积会变小,电阻丝C阻值会变大,此时该电阻的阻值不等于原来的2倍;[7]A.同一根电阻丝,其材料是相同的,横截面积也不变,可以通过改变其接入电路的长度,探究导体电阻与长度的关系,A项不合题意;B.同一根电阻丝,其材料是相同的,没有第二种材料,不能探究导体电阻与材料的关系,选项B符合题意;C.只是一根电阻丝,可以拿酒精灯加热它,让它温度发生变化,可以探究导体电阻与温度的关系,C项不合题意;D.同一根电阻丝,其材料是相同的,只要控制它的长度一样,通过对折等方法让它的横截面积变化,是可以探究导体电阻与横截面积的关系,D项不合题意.6.在探究“导体的电阻与哪些因素有关”的问题时,小吴老师引导同学们做了如下实验:(1)猜想:导体电阻可能与导体材料、长度、温度、_______等有关.(2)实验时,若想探究导体的长度对导体电阻的影响,可选如上图所示的________图.(3)测量时将所测得的数据进行处理后,作出了电阻丝的电阻与电阻丝的长度的关系图象,如下图甲所示.分析图象可得出,导体的电阻与长度的关系是_______.(4)在实验过程中小黄组的电流表损坏了,但聪明的小黄同学就将探测的电阻丝接入图乙中的AB两点之间,并通过观察灯泡的亮度来粗略比较电阻大小,这种物理研究方法叫_________法.(5)小黄组的同学觉得通过观察小灯泡的亮度来比较电阻大小时,认为观察不明显,于是小黄组的同学找老师换来新的小量程电流表分别对图乙的电路作了如下的改进:其中小兵同学把灯泡更换为电流表;小勇同学在原电路中串联入电流表,你认为_________同学的改进更好一些(忽略灯丝电阻变化).【答案】横截面积乙长度越长,电阻越大转换小勇【解析】【分析】【详解】(1)猜想:导体电阻可能与导体材料、长度、温度、横截面积等有关;(2)探究导体的长度对导体电阻的影响,要保持导体的材料、横截面积相同,改变导体的长度,所以应选用乙图进行探究;(3)分析图象可得出,导体的电阻与长度的关系是成正比;(4)将电阻丝接入A. B两点间,闭合开关,电阻的大小转换为灯泡的亮暗或电流表的示数来比较电阻丝电阻的大小,这种方法叫转换法;(5)将灯泡换为电流表,当电路中电阻过小时,电流会过大,电路可能会被烧坏;在原电路中串联一个电流表,灯泡可以起到保护电路的作用.因此小勇同学的方案更好,可以起到保护电路的作用.7.一实验小组用如图所示的器材探究“串联电路的电压关系”。