主要处理构筑物及设备参数
- 格式:doc
- 大小:196.50 KB
- 文档页数:8
生活垃圾填埋场渗滤液处理工程技术规范(HJ 564-2010)2010-03-09 12:51 环卫科技网作者:秩名发表/查看评论>>前言为贯彻《中华人民共和国固体废物污染环境防治法》和《中华人民共和国水污染防治法》,防治垃圾渗滤液对环境的污染,改善环境质量,保障人体健康,制定本标准。
本标准规定了生活垃圾填埋场渗滤液污染治理工程设计、施工、验收以及运行管理等的技术要求。
本标准为首次发布。
本标准由中华人民共和国环境保护部科技标准司组织制订。
本标准起草单位:中国环境保护产业协会(城市生活垃圾处理委员会)、城市建设研究院、中国环境科学研究院(固体废物污染控制技术研究所)、北京东方同华科技有限公司、维尔利环境工程(常州)有限公司、北京天地人环保科技有限公司、西门子(天津)水技术工程有限公司、北京国环莱茵环境工程技术有限公司。
本标准环境保护部2010年2月3日批准。
本标准自2010年4月1日起实施。
本标准由环境保护部负责解释。
生活垃圾填埋场渗滤液处理工程技术规范1适用范围本标准规定了生活垃圾填埋场渗滤液处理工程的总体要求、工艺设计、检测控制、施工验收、运行维护等的技术要求。
本标准适用于生活垃圾填埋场垃圾渗滤液处理工程,可作为环境影响评价、工程咨询、设计施工、环境保护验收及建成后运行与管理的技术依据。
2规范性引用文件本标准内容引用了下列文件中的条款。
凡是不注日期的引用文件,其有效版本适用于本标准。
GB12348 工业企业厂界噪声标准GB14554 恶臭污染物排放标准GB16297 大气污染物综合排放标准GB16889 生活垃圾填埋污染控制标准GB50007 建筑地基基础设计规范GB50009 建筑结构荷载规范GB50010 混凝土结构设计规范GB50011 建筑抗震设计规范GB50013 室外给水设计规范GB50014 室外排水设计规范GB50015 建筑给水排水设计规范GB50016 建筑设计防火规范GB50019 采暖通风与空气调节设计规范GB/T50033 建筑采光设计标准GB50034 建筑物照明设计规范GB50037 建筑地面设计规范GB50052 供配电系统设计规范GB50053 10kV以下变电所设计规范GB50054 低压配电设计规范GB50057 建筑物防雷设计规范GB50067 汽车库、修车库、停车场设计防火规范GB50069 给排水构筑物结构设计规范GB50128 立式圆筒形焊接罐施工及验收规范GB50140 建筑灭火器配置设计规范GB50187 工业企业总平面设计规范GB50189 公共建筑节能设计标准GB50191 构筑物抗震设计规范GB50334 城市污水处理厂工程质量验收规范HGJ229 工业设备、管道防腐蚀工程使用及验收规范GB50352 民用建筑设计通则GBJ22 厂矿道路设计规范GBJ93 工业自动化仪表工程施工及验收规范GBZ1 工业企业设计卫生标准CECS138 给排水钢筋混凝土水池结构设计规范CJJ17 生活垃圾卫生填埋技术规范JGJ67 办公建筑设计规范HG20508 控制室设计规定HG20509 仪表供电设计规定HG20511 信号报警、联锁系统设计规定HG/T20573 分散型控制系统设计规定JTGD40 公路水泥混凝土路面设计规范JTGD50 公路沥青路面设计规范TJ36 工业企业设计卫生标准《建设项目竣工环境保护验收管理办法》(国家环境保护总局2001年)《污染源自动监控管理办法》(国家环境保护总局令第28号)3术语及定义GB/T20103-2006中确立的和下列术语和定义适用于本标准。
SBR工艺处理烤鳗废水概述福建省某冷冻食品有限公司是一家主要生产烤鳗的中外合资企业,生产过程中排放的废水主要含有血液。
油脂、鳗鱼内脏碎块和酱油(调味品),可生化性较好。
工程采用厌氧调节——SBR法废水处理工艺,经2个月的调试运行后通过竣工验收,监测结果表明,处理后出水符合GB8978——1996《污水综合排放标准》中一级排放标准。
1 水质及处理工艺1.1 废水水量、水质该厂拥有一条烤鳗生产线,年生产烤鳗1000t,平均日产5t烤鳗成品,单位产品耗水率30m3,即设计处理规模150m3/d。
排入废水处理站的废水包括剖杀工序废水和车间清洗废水,其中剖杀工序废水占75%,内含血红蛋白。
油脂和鳗鱼内脏碎块;车间清洗水主要含油脂和调味品。
混合废水中油脂、NH3-N、SS等指标均较高,具体数据见表3。
1.2 处理工艺确定废水处理选择SBR为主体的处理工艺,其流程如图1。
废水经过格网和隔油池处理后进入厌氧调节池,并由高位出水口重力流入SBR池,曝气、沉淀后排放。
SBR池中剩余污泥定期由潜污泵提升到污泥干化场,干泥可作为农肥,污泥渗滤液回流到调节池再处理。
1.3 主要构筑物主要构筑物、设备及其工艺参数见表1。
2 设计要点2.1 预处理:包括格网和隔油池。
废水中含有大量鳗鱼的内脏碎块,采用提拉替换式尼龙网袋作为格网,有效地防止了该部分物质进入后续处理系统,拦截的悬浮物可作为猪饲料,隔油池将油脂回收利用,同时避免了油脂对后续处理的不良影响。
2.2 厌氧调节池废水经1天多的停留后,血红蛋白等大分子有机物将被厌氧菌分解成有机小分子,更容易在后续好氧处理中氧化分解。
废水采用重力作用流人SBR系统,不设置提升泵,降低了设备投资和运行费用。
2.3 通过SBR系统曝气调节、控制混合液的溶解氧和沉淀、闲置时间,使有机污染物得到有效去除,同时达到良好地脱氮效果。
3 调试运行3.1 培菌、驯化①培菌过程:投加1.5t的湿猪粪作为接种污泥,放入烤鳗废水进行闷曝,每天排放适量上清液,再补充原水。
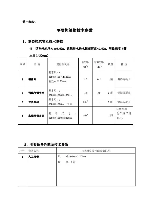
第一标段:主要构筑物技术参数1、主要构筑物及技术参数注:以室外地坪为±0.00m,系统污水进水标高暂定-1.00m。
埋设深度(覆土层为300mm)2、主要设备性能及技术参数2 污水提升泵规格流量=2.5m3/h 扬程=7m 轴功率=0.55KW数量:2台(1用1备)3 硝化液回流泵规格流量=5m3/h 扬程=8m 轴功率=0.55KW数量:1台4 鼓风机规格:风量: 0.63m³/min功率: 0.75KW升压: 3000mmH2O转速: 450r/min排风口径:直径50净重: 190kg毛重: 223kg数量: 2台(一用一备,交替运行)5 PLC自动控制柜控制方式:采用全自动PLC控制数量: 1台6 A级生物处理池设计总容积:10.5m3有效水深:2.65m有效容积:9.5 m3停留时间:3.8hr容积负荷:0.8~1.0kgBOD/m³.d溶解氧:0.5~1.0mg/L曝气规格:ABS组合穿孔曝气10 污泥消化池设计容积:7.8m3有效水深:2.6m有效容积:7m3基本尺寸:1800×1500×2900mm(人孔高300mm)数量:1只11 调节池预曝气装置型式:穿孔曝气数量:1套主管:DN50支管:DN3212 次氯酸钠发生器数量:1台外形规格:1200×1000×1300mm第二标段:8.质量等级标准及要求8.1 质量等级要求合格标准。
8.2 招标设备的要求投标人所提供的货物不仅要符合相应的国家或行业的技术标准和规范,还应满足本招标文件已提出的技术、规格要求,招标文件中技术要求与采购清单中若有不一致的,以本招标文件为准。
1.招标设备的总体要求1.1投标货物须为货物直接制造厂商制造的、全新的、未经使用的、技术先进的优质产品,并符合国家相应的技术标准。
1.2代理商投标应出具制造商出具的为采购货物提供售后服务的证明文件原件。
污水厂废水二级处理主要构筑物经验数值
汇总
所属行业: 水处理关键词:污水厂污泥膨胀活性污泥
污水厂的调控离不开数据的支撑,记住这些经验数值会让工作变得简单一些。
01 曝气池
1、对于特定的水质,曝气池中的MLVSS/MLSS的比值是固定的,比如城市污水一般在0.75~0.8之间。
2、剩余污泥的排泥量一般要保持恒定。
3、SVI过高说明已经发生或者将要发生污泥膨胀。
一般城市污水处理厂的SVI值介于70~100之间;以工业废水处理为主的污水厂SVI值在200~300之间。
4、污泥负荷>0.5kgBOD5/(kgMLSSdot;d)或40m的二沉池,池边水深分别为3.0m、3.5m、4.0m和4.0m。
2、二沉池出水堰的溢流率为1.5~2.9L/(mdot;s)。
3、活性污泥法二沉池污泥区的容积一般为2~4h污泥量;生物膜法二沉池污泥区的容积一般为4h污泥量。
4、二沉池监测项目:
1)pH一般略低于进水值,正常为6~9;
2)二沉池出水SS应当在30mg/L以下,最大不应超过50mg/L;
3)出水DO值应略低于曝气池出水;
4)CODcr小于100mg/L,BOD5小于30mg/L;
5)氨氮小于15mg/L,磷酸盐小于0.5mg/L。
5、泥面的高低可以反映活性污泥在二沉池的沉降性能,是控制排放剩余污泥的关键参数。
正常运行时的二沉池上清液的厚度应不少于0.5 - 0.7m。
一、概况沧州市中医院是一家集医疗、保健、康复和急救于一体的综合性医疗机构。
该医院的污水主要来自门诊、病房、化验室、制剂、洗衣房等,这些污水中含有病菌、病毒、寄生虫卵和有毒有害的物理化学的污染物,若这种污水未经处理直接排入城市下水道,对周围环境危害较大,环保部门要求尽快治理。
二、污水的水量、水质和排放标准1、水量污水排放量:50 m³/d(污水量500L/床·d,按100张床计算)平均时污水量:2.08 m³/h设计水量:3 m³/h K=2.0~2.42、水质参照同类医院污水水质,为保证设计安全,原水设计水质为:BOD5=120mg/L, COD Cr=250mg/L, SS=200mg/L,PH=7~7.59 粪大肠菌群数:2亿个/L3、处理后水质达到《污水综合排放标准》(GB8978-1996)中的二级标准,即BOD5≤60mg/L, COD Cr≤150mg/L, SS≤150mg/L,PH=6~9 粪大肠菌群数≤500个/L总余氯≥6.5mg/L(接触时间≥1.5h)三、方案编制依据1、编制原则a、选用的处理技术合理,工艺先进,确保处理系统长期稳定运行;b 、在尽量减少投资的基础上,确保构(建)筑物的设计和处理设备的配置和工程投资的合理性;c 、处理工艺技术设备操作简便,运行管理和维护方便,尽可能降低进行成本。
2、编制依据a 、《综合污水排放标准》(GB8978-1996)b 、建设单位提供的污水排放情况c 、环保部门的要求四、工艺流程1、该医院污水为间歇排放,因水量水质的波动,不宜采用连续式生物处理工艺,本着经济、高效、适用的原则选择“SBR+消毒工艺”处理该医院污水,其工艺流程如下:污水 排放消毒剂 定期外排医院污水处理工艺流程2、工艺流程简要说明病区生活污水经化粪池,其他污水(经相应处理)自流入格栅池,大颗粒可沉固体及漂浮物被拦截,然后进入调节沉淀池,在此调节水质、水量后加混凝剂,去除大部分SS 和部分COD ,清水流入SBR反应器,经曝气后,在充氧曝气和生物相的作用下将有机物降解为二氧化碳和水,出水到接触消毒器,用次氯酸钠消毒后达标排放。
贵州大学课程设计任务书课题名称污水处理工程学院土木工程学院专业给水排水工程班级 101学号 1008070030姓名程威污水处理工程课程设计任务书一、目的与任务1.目的本设计是污水处理工程教学中一个重要的实践环节,要求综合运用所学的有关知识,在设计中掌握解决实际工程问题的能力,并进一步巩固和提高理论知识。
2.任务根据已知资料,进行城市污水处理厂的工艺设计。
要求确定污水处理流程,计算各处理构筑物的尺寸,布置污水处理厂总平面图和高程图。
二、设计内容和要求1.设计说明书说明城市概况、设计任务、工程规模、水质水量、工艺流程、设计参数、主要构筑物的尺寸和个数、主要设备的型号和数量等;有关内容可参考如下所列。
第一章总论第一节设计任务和内容第二节基本资料第二章污水处理工艺流程说明污水处理工艺流程比较、论证(提出2种以上的工艺方案进行比较),污水处理工艺流程选定。
第三章污水处理构筑物设计按照选定的工艺流程,分节设计每个污水处理单元,简要论证比较,列出各构筑物的计算过程、主要设备(如水泵、鼓风机等)的选取。
第四章污泥处理构筑物的设计。
按照选定的污泥处理工艺流程,分节设计每个污泥处理单元,说明每个处理单元内的主要设备配置情况。
第五章污水厂总体布置第一节主要构(建)筑物与附属建筑物第二节污水厂平面布置第三节污水厂高程布置污水处理厂的高程计算(各构筑物内部的水头损失查阅教材或手册,构筑物之间的水头损失按管道长度计算)2设计图纸污水处理厂总平面布置图和高程布置图各一张,均为A2图幅的CAD 制图。
污水厂总平面图应按初步设计要求去完成,图上应绘出主要处理构筑物、处理建筑物、辅助构(建)筑物、附属建筑物、道路、绿化地带及厂区界限等,并用坐标表示其外形尺寸和相互距离,应有坐标轴线或坐标网格。
总平面图上绘出各种连接管渠,管道以单线条表示,并标明管径。
图中应附构(建)筑物一览表,说明各构(建)筑物的名称、数量及主要外形尺寸。
图中应附图例及必要的文字说明。
格栅格栅间隙的划分:3~10mm 细格栅,10~40mm 中格栅,大于40mm 粗格栅。
若水泵前格栅间隙小于或者等于25mm ,则其后面的处理流程中可不再设置格栅。
一般在污水处理系统前设置的格栅,其栅条间隙为:①人工清除时,25~40mm ;②机械清除时,16~25mm;③最大间隙,40mm 。
栅渣的数量及性质,当无实测资料时,可采用: (1)格栅间隙16~25mm ,0.05~0.10m ³栅渣/10m ³污水 (2)格栅间隙30~50mm ,0.01~0.03m ³栅渣/10m ³污水 (3)栅渣含水率一般取80%,容量960㎏/m ³。
格栅安装倾角一般为45°~75°;过栅流速一般采用0.6~1.0m/s ;格栅前水流速度一般为0.4m~0.9m/s ;通过格栅的水头损失一般采用0.08~0.15m 。
名称公式符号说明栅槽宽度m B()bnn S B +-=1bhvsin maxαQn =S —栅条宽度,mb —栅条间隙,m n —栅条间隙个数,个 Q max —最大设计流量,m 3/sα—格栅倾角,(°)h —栅前水深,m V —过栅流速,m/s通过格栅的水头损失m h 1αξsin 2gv20=hkh h 01=h0—水头损失,mG —重力加速度,m/s2k —系数,格栅被栅渣阻塞时,水头损失增大的倍数可按k=3.36v —1.32计算或取k=2—3ξ局部阻力系数,与栅条断面形状有关,34⎪⎭⎫⎝⎛=b s βξ,当为矩形断面时,β=2.42。
栅后槽总高度mH21h h h H ++=h 2—栅前渠道超高,m 一般采用0.3m栅槽总长度mLαtg H l l L 1215.00.1++++=αtg B B l 211-= 212l l =11h h H +=1l —进水渠道肩宽部分长度,m1B —进水渠宽,m1α—进水渠道渐宽部分展开角度,()︒一般取︒202l —栅槽与出水渠道渐窄部分长度,m1H —栅前渠道深,m每日栅渣量()d /m3WzK WQW 1000864001max=1W —栅渣量,m ³/10m ³(污水),格栅间隙为16~25nn 时,1W =0.10~0.05;格栅间隙为30~50mm 时,1W =0.03~0.01z K —生活污水流量总变化系数。
工艺流程中构筑物及设备的比选知识讲解下载温馨提示:该文档是我店铺精心编制而成,希望大家下载以后,能够帮助大家解决实际的问题。
文档下载后可定制随意修改,请根据实际需要进行相应的调整和使用,谢谢!并且,本店铺为大家提供各种各样类型的实用资料,如教育随笔、日记赏析、句子摘抄、古诗大全、经典美文、话题作文、工作总结、词语解析、文案摘录、其他资料等等,如想了解不同资料格式和写法,敬请关注!Download tips: This document is carefully compiled by the editor. I hope that after you download them, they can help you solve practical problems. The document can be customized and modified after downloading, please adjust and use it according to actual needs, thank you!In addition, our shop provides you with various types of practical materials, such as educational essays, diary appreciation, sentence excerpts, ancient poems, classic articles, topic composition, work summary, word parsing, copy excerpts, other materials and so on, want to know different data formats and writing methods, please pay attention!工艺流程中构筑物及设备的比选知识讲解1. 导言工艺流程中构筑物及设备的选择是任何工程项目中至关重要的一环。
UASB—SBR工艺处理啤酒生产废水1 废水水质及排放标准桂林某啤酒有限公司目前生产能力为25×104 t/a,吨啤酒产生废水量为7~8m3,排放废水量为6500 m3/d。
废水经处理后,要求达到《污水综合排放标准》(GB 8978—1996)的一级标准,其主要水质指标见表1。
2 主要构筑物及设备①UASB池:由原有的水解/酸化池改造而成,容积负荷为8.7 kgCOD/(m3·d),水力停留时间为7.0 h,设计水量为6500m3/d,有效容积为1 870m3。
共分12组并联运行,每组的有效尺寸为13.3 m×8.5 m×5.5 m。
三相分离器采用南开大学环境科学与工程学院的专利技术制造。
②SBR池:即原有的SBR池,其进水包括UASB池出水、低浓度废水以及锅炉房排水。
SBR池的污泥负荷为0.17 kgBOD/(m3·d),周期T为12 h。
其中,进水时间为4 h,曝气时间为6 h(曝气从进水结束前2 h 开始),沉淀时间为2 h,排水时间为1 h,闲置时间为1 h(有时视水量而变化)。
SBR池的COD去除率达95%,出水的COD浓度≤20~30 mg/L。
SBR池分3组交替进水,每组的有效尺寸为38.4 m×16 m×5.4 m。
采用螺旋式曝气器,每个曝气器的服务面积为1.5m2,共297个。
构筑物一览表见表2。
3 工艺流程保留原有的SBR工艺,将水解/酸化反应池改造成UASB反应池的过程中,同时实行清污分流,将冷却水直接排放,高浓度废水先经过UASB池处理,出水再与低浓度废水混合进入SBR反应池。
整个工艺流程如图1所示。
4 实际运行效果4.1 UASB的启动启动过程经历了污泥活性恢复、提高负荷和满负荷进水三个阶段。
启动于2000年5月开始,从成都污水处理厂运来80 t厌氧消化脱水污泥,采用边用废水对泥饼进行溶化、稀释、搅拌,边向UASB池内泵入的方式完成接种污泥的投放。
污水处理厂工艺计算书一、工程设计规模:首期设计规模5万m3/d,远期规划规模为8.0万m3/d。
生化系统前处理按(提升泵房按最大处理量8万m3/d的1.34倍,即10.72万m3/d的流量设计,沉砂系统按5万m3/d的1.34倍进行设计);生化池按平均流量计算;生化后处理单元按K Z=1.34倍即6.7万m3/d进行设计。
1、设计进水水质:COD cr:380 mg/L NH3-N:25 mg/lBOD5:180 mg/L TP: 4 mg/lSS :250 mg/L 磷酸盐(以P计)3 mg/LTN:35 mg/L PH:6~10石油类:15 mg/L 色度≤64动植物油:15 mg/L 粪大肠菌群数≤250000个/L2、设计出水水质:COD cr:40 mg/L NH3-N:8 mg/lBOD5:20 mg/L TP: 1.5 mg/lSS :20 mg/L 磷酸盐(以P计)0.5 mg/LTN:20 mg/l PH:6~9石油类: 3 mg/L 粪大肠菌群数≤10000个/L动植物油: 3 mg/L 色度≤30挥发酚0.3 mg/L 硫化物0.5 mg/L阴离子表面活性剂≤1二、主要建、构筑物和设备污水处理厂,首期设计规模为5万m3/d,远期规划规模为8.0万m3/d。
推荐方案主要构筑物包括:粗格栅间、进水泵房、细格栅、旋流沉砂池、厌氧池、氧化沟、鼓风机房、配水井、二沉池、回流污泥井、剩余污泥井、污泥脱水机房、紫外线消毒池等。
1、粗格栅井城市污水经排水管道系统收集后,重力流至进水泵房,经过进水泵房提升输送到处理构筑物中。
因污水中含有一些较大颗粒的悬浮杂物等杂质,为了保护水泵正常运转,在进水泵房前必须设置格栅。
功能:去除污水中较大的漂浮物,并拦截直径大于20mm的杂物,以保证污水提升系统的正常运行。
格栅井按最大处理量8万m3/d的1.34倍,即10.72万m3/d 的流量设计,一次建成。
格栅按5万m3/d的1.34倍设计、选型⑴主要参数设计流量:Q max=0.776m3/s过栅流速:V=0.8 m/s栅前水深:h=1.2m栅条间隙:b=20mm栅条宽度:s=10mm格栅倾角:α=75°一期共设置格栅数2台,1用1备,远期增设1台⑵设计计算①栅条的间隙数(n)n=Q max(sinα) 1/2/bhv=0.776×(0.966)1/2÷0.02÷1.2÷0.8≈40(个)②单格栅槽宽度(B1)单格格栅栅条的间隙数=40个B1=s(n-1)+bn =0.01×(40-1)+0.02×40=1.18m,取1.2 m,(一期设机械粗格栅2道,格栅净宽1.2m)。
题目名称日处理3.5万吨净水厂设计目录设计说明书 (1)一、概述 (1)1、设计任务及要求 (1)2、基本资料 (1)二、总体设计 (1)1、净水工艺流程的确定 (1)2、处理构筑物及设备型式选择 (2)三、混凝沉淀 (3)1、设计水量 (3)2、混凝剂投配设备的设计 (3)3、混合设备的设计 (5)4、絮凝池的设计 (6)5、沉淀池的设计 (10)四、过滤 (13)1、滤池的布置 (13)2、滤池的设计计算 (13)五、消毒 (17)1、加药量的确定 (17)2、加氯间的布置 (17)六、其他设计 (17)1、清水池的设计 (17)2、吸水井的设计 (17)3、二泵房的设计 (18)4、辅助建筑物面积设计 (18)七、水厂总体布置 (18)1、水厂的平面布置 (18)2、水厂的高程布置 (18)参考文献 (18)一、概述1.设计任务及要求净水厂课程设计的目的在于加深理解所学专业理论,培养运用所学知识综合分析和解决实际工程设计问题的初步能力,在设计、运算、绘图、查阅资料和设计手册以及使用设计规范等基本技能上得到初步训练和提高。
课程设计的内容是根据所给资料,设计一座城市净水厂,要求对主要处理构筑物的工艺尺寸进行计算,确定水厂平面布置和高程布置,最后绘出水厂平面布置图、高程布置图和某个单项处理构筑物(絮凝沉淀池、澄清池或滤池)的工艺设计图(达到初步设计的深度),并简要写出一份设计计算说明书。
2.基本资料(1)水厂规模:水厂日处理水量3.5万m3,属于小型水厂。
(2)水源为河水,原水水质如下表所示:(4)气象资料:年平均气温22℃,最冷月平均温度4℃,最热月平均温度34℃,最高温度39℃,最低温度1℃。
常年风向东南。
(5)地质资料:净水厂地区高程以下0~3米为粘质砂土,3~6米为砂石堆积层,再下层为红砂岩。
地基承载里为2.5~4公斤/厘米。
(6)厂区地形平坦,平均高程为70.00米。
水源取水口位于水厂西北50米,水厂位于城市北面1km.(7)二级泵站扬程(至水塔)为40米。
《水处理工程技术》课程标准一、前言(一)课程基本信息1.课程名称:水处理工程技术2.课程类别:专业核心课3.学时:904.适用专业:水环境监测与治理(二)课程性质本课程是高职水环境监测与治理专业核心课程。
本课程旨在培养学生掌握水质特点、水质指标、水质标准、典型水处理工艺流程,各水处理构筑物及设备的基本原理,掌握水处理的基本方法和技术等基本知识,具备进行中小型水处理工程设计的基本能力和较强的水处理工程运行管理的实际工作能力,培养学生分析问题和解决问题的能力,为从事水处理实际工作打下良好的基础。
本课程以基础化学(包括无机化学、有机化学、物理化学、分析化学)、流体力学、水泵与水泵站、水环境微生物、工程制图、AUToCAD辅助设计等课程的学习为基础,同时与环境工程施工技术、定额预算与施工组织管理、环境影响评价、环境管理和跟岗实训I、顶岗实训等课程与实训相衔接,共同塑造学生的专业核心技能。
(三)课程标准的设计思路I.课程设置的依据水处理工程技术是在对水环境监测与治理专业学生就业岗位和工作任务的基础上而开发设置的,学生毕业后在水处理工程厂站运行管理维护、小型水处理工程设计、工程计量与计价、施工与施工组织管理等岗位工作都需要用到和水处理工程技术相关的知识和技能。
5.课程改革的基本理念课程以工作任务确定职业能力,以职业能力为目标,对接行业标准,关注职业素养,构建由项目带动、任务驱动的工作过程化课程;教学中贯穿工学结合,体现工作过程,达到教、学、做的融合;注重运用多媒体教学、现场教学等教学手段;实施多元评价,全方位关注学生对知识和技能的掌握。
6.课程目标、内容制定的依据课程目标制定以《水环境监测与治理专业人才培养方案》中关于环境监测与治理技术专业学生人才培养的目标为依据,内容以“方案”中对学生就业的工作岗位以及岗位中所要求的职业能力为依据。
7.课程目标实现的途径课程解构原有的学科知识本位课程设置模式,重构以工作过程为导向的职业能力本位的课程体系。
五、主要处理构筑物及设备参数
1、调节池
数量:1座,与格栅渠和建
形式:钢砼结构
工艺尺寸:5000×2000×3000
有效容积:25m3
配套设施:
空气搅拌系统
形式:PVC穿孔管
数量:1套
污水泵
形式:潜水排污泵
型号:50PU2.4
数量:2台,1用1备
流量:3.35m3/h
扬程:8m
功率:0.4kw
人工格栅
数量:1台
型号:BS-300×500
栅隙:5mm
材质:不锈钢
2、水解酸化池
数量:1台
形式:钢制
工艺尺寸:1200×3000×3000mm
停留时间:2.5小时
总有效容积:9m3
配套设备:
填料(含支架)
规格:TL-150
数量:7.5 m3
提篮式格栅
数量:1台
栅条间隙:1mm
曝气装置
型号:MBP-215
数量:6套
3、MBR池
数量:1座
形式:钢制
工艺尺寸:3500×3000×3000mm
停留时间:7.5小时
总有效容积:7.5m3
配套设备:
MBR膜组件
型号:YH-MBR-338
有效膜面积:338m3
数量:1组
风机
数量:2台,1用1备
型号:HC60S
风量:1.82m3/min
风压:0.3kgf/cm2
功率:2.2kw
真空压力表
数量:1台
规格:-0.1~0.1Mpa
自吸泵
数量:2台,1用1备
型号:ZWⅡ25-8-15
流量:4.2 m3/h
扬程:15m
功率:1.5kw
混合液回流泵(污泥泵)
形式:潜水排污泵
型号: 50PU2.15
数量:2台,1用1备
流量:6 m3/h
扬程:5m
功率:0.15kw
4、污泥池
数量:1台
形式:钢制
有效容积:3m3
外形尺寸:800×1500×3000mm 5、消毒池
数量:1台
形式:钢制
有效容积:3m3
外形尺寸:800×1500×3000mm 6、消毒装置
数量:1套
型号:PFD-500
有效容积:500L
配套设备
消毒搅拌机
数量:1台
功率:0.37kw
消毒计量泵
数量:2台,1用1备
型号:GM0002
流量:2L/h
功率:0.25kw
7、清洗装置
数量:1套
型号:PFD-1000
有效容积:1000L
配套设备
清洗搅拌机
数量:1台
功率:0.37kw
清洗投加泵
数量:1台
型号:25PF-3-6
流量:1.5 m3/h
功率:0.75kw
8、操作平台
数量:15m2
包括钢质走道、钢爬梯及护栏等。
9、管阀件
数量:1套
包括管道、阀门及管件等。
10、控制系统
数量:1套
包括电控柜、电线电缆等。
11、设备间
数量:1座
形式:砖混
工艺尺寸:3000×5000×3500mm
六、电器与自控
1、电源
污水处理站电力电源为380V、50HZ作为处理站供电电源。
2、自控设备
系统主要功能:
1.设全自动控制及手动控制功能。
2.水泵、风机能在设置时间内自动交替使用。
3.进水泵依据水位进行自动控制,低水位停止、高水位启动,超警戒水报警。
4.设备停止工作两小时以上,为保持生物膜活性,风机能定时间歇运行。
5.控制时序均可任意调节,设有过流、过载、断相、短路保护,故障自动切换并声光报警。
6.污水处理站设可靠的接地保护系统,以保证用电的安全。
7.PLC主机为优质产品,其他主要元件采用优质产品,运行可靠,使用寿命长。
污水处理
站24小时运行,控制系统自动化水平高。
七、主要构筑物及设备清单
1、主要设备一览表
序号设备名称规格型号数量备注
1 人工格栅BS-300×500 1套不锈钢
2 污水泵50PU2.4 2台1用1备
3 空气搅拌系统PVC穿孔管1套
4 水解酸化池1200×3000×3000mm1台
5 填料(含支架)TL-150 7.5m3
6 提篮式格栅栅条间隙1mm 1台
7 曝气装置MBP-215 6套
8 MBR池3500×3000×3000mm1台
9 MBR膜组件YH-MBR-338 1组
10 风机HC60S 2台1用1备
11 真空压力表-0.1~0.1Mpa 1台
12 自吸泵ZWⅡ25-8-15 2台1用1备
13 混合液回流泵(污泥泵)50PU2.15 2台1用1备
14 污泥池800×1500×3000mm1台
15 消毒池800×1500×3000mm1台
16 消毒装置PFD-500 1套
16-1 搅拌机0.37kw 1台
16-2 计量泵GM0002 2台1用1备
17 清洗装置PFD-500 1套
17-1 搅拌机0.37kw 1台
17-2 投加泵25PF-3-6 1台
18 操作平台15m2
19 管阀件1套
20 控制系统1套
2、处理建(构)筑物一览表
序号名称外形尺寸数量结构形式备注
1 调节池2000×5000×3000mm1座刚砼结构
2 设备间3000×5000×3500mm1座钢混结构
3 设备基础6000×3500×300mm1套刚砼结构
八、运行成本测算
1、电费
处理系统各部分设备用电计算如下:
电费按0.6元/kw·h计算折成成本:
E1=108.84×0.6/80≈0.8163(元/吨水)
2、药剂费
PAC药剂费用约为:E2≈0.12(元/吨水)
3、维修保养每年1000元计,折成成本为:
E3=5000/(80×360) ≈0.17(元/吨水)
4、当处理装置满负荷运行时,折算成处理运行成本总计为:
E=E1+E2+E3=1.1063(元/吨水)
2000 m3/d主要设备材料规格表。