九年级物理上册第十二章 机械能和内能单元测试与练习(word解析版)
- 格式:doc
- 大小:516.00 KB
- 文档页数:19
2023-2024学年苏教版初中物理单元测试学校:__________ 班级:__________ 姓名:__________ 考号:__________注意事项:1.答题前填写好自己的姓名、班级、考号等信息;2.请将答案正确填写在答题卡上;一、选择题(本大题共计15小题,每题3分,共计45分)1.下列四幅图中,属于利用热传递改变物体内能的()A.双手摩擦能生热B.烧水时水温升高C.锯木材锯子发烫D.钻木取火【答案】B【解析】解: A.搓手取暖时两手相互摩擦做功,机械能转化为内能,是通过做功改变物体的内能,故 A错误;B.用煤气烧水,属于热传递改变物体内能,故 B正确;C.锯木头时锯和木头相互摩擦做功,机械能转化为内能,锯条温度升高,所以锯条发热,此过程是通过做功改变物体的内能,故 C错误;D.古代的人钻木取火是通过做功改变物体的内能,故 D错误.故选: B.2.关于温度、比热容、热量、内能,以下说法正确的是()A. 一个物体吸收了热量,它的温度一定会升高B. 一块0\^circ C 的冰没有内能,它的分子不会运动C. 用水作为汽车发动机散热器的冷却剂,其主要原因是水的比热容较小D. 一个物体的温度升高了,它的内能一定增加【答案】D【解析】解:A 、一个物体吸收了热量,它的温度不一定会升高,如晶体熔化、液体沸腾时,都要吸收热量,但温度不变;故A错误.B、因为物体的分子永不停息地做无规则的运动,所以任何物体都有内能,0^\circ C 的冰仍具有内能,故B错误.C 、因为水的比热容较大,相同质量的水和其它物质比较,升高相同的温度,水吸收的热量多,所以可作为冷却剂.故C错误.D、对物体做功或吸收热量,都能使物体温度升高,内能增加,故D正确.故选D.3.两个相同的容器内分别装有质量相同的甲、乙两种液体,用同一热源分别加热,液体温度与加热时间的关系如图所示.下列说法中正确的是()A. 如果升高相同的温度,乙液体吸收的热量多B. 如果吸收相同的热量,乙液体升高的温度多C. 甲液体的比热容大于乙液体的比热容D. 加热相同的时间,甲液体吸收的热量小于乙液体吸收的热量【答案】A【解析】由图象可以看出:A 、升高相同温度时,甲需要的时间较短,乙需要的时间较长,也就是甲需要的热量较少,乙液体吸收的热量较多。
物理九年级上册第十二章机械能和内能同步单元检测(Word版含答案)一、初三物理第十二章机械能和内能易错压轴题提优(难)1.某实验小组用图所示的装置粗略测量蜡的热值q,图中A桶内装有水,B为下部开了许多通气孔的罩子(1)要完成本实验,还需要的测量工具是天平、砝码和______;(2)罩子B的主要作用是______;(3)实验收集的数据为:A桶中水的质量为m水,水的初温为t1,末温为t2,蜡烛燃烧前的质量为m1,燃烧后的质量为m2。
则蜡的热值q=______(水的比热容为c水);(4)实验测出的热值会比真实值偏小,造成这一偏差的原因可能是______(至少有一个选项正确,将正确选项的字母填在横线上)。
A.蜡烛没有完全燃烧B.桶A中水的质量太多C.桶A吸收了部分热量D.蜡烛燃烧放出的热量一部分散失到空气中【答案】温度计防止热散失2112()c m t tm m--水水 ACD【解析】【分析】【详解】(1)[1]测量蜡的热值时,根据Qqm=放的原理进行实验,而蜡的质量用天平进行测量,燃烧焟放出的热量Q放在忽略热散失的情况下,等于A桶中内水吸收的热量,而Q吸=c水m(t-t0),所以还需要温度计来测量温度。
(2)[2]罩子B的作用是防止蜡燃烧放出的热量散失到空气中。
(3)[3]由题意知,水吸收的热量Q吸=c水m水(t2-t1)而Q吸=Q放,那么蜡的热值211212()c m t tQqm m m m-==--水水放(4)[4]据Qqm=放,实验中造成测量的热值比实际值偏小的原因有:蜡烛没有完全燃烧,造成放出的热量偏少,则热值偏小;桶A中吸收了部分热量造成水吸收的热量比实际放出的热量少,则热值偏小;蜡烛燃烧放出的热量一部分散失到空气中,造成测量的热量偏少,则热值偏小。
故ACD选项都有可能。
2.探究不同物质的吸热能力(1)如图所示,在探究“不同物质的吸热能力”实验中,小雨同学在两只烧杯中装入______相同的食用油和水,用相同的酒精灯给它们加热,目的是使食用油和水在相同时间内______,从而通过______来反映吸收热量的多少;(2)小雨同学进行实验时,每隔一分钟记录食用油和水的温度,记录的实验数据如下表:升高的温度∆t/°C510152025食用油的加热时间t/min12345水的加热时间t/min246810根据实验数据可以发现______相同的不同物质,升高相同的温度,吸收的热量是______的。
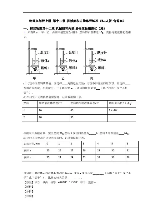
物理九年级上册第十二章机械能和内能单元练习(Word版含答案)一、初三物理第十二章机械能和内能易错压轴题提优(难)1.如图所示,甲、乙、丙图中装置完全相同,燃料的质量都是10g,烧杯内的液体初温相同。
(1)比较不同燃料的热值,应选择____两图进行实验;比较不同物质的比热容,应选择____两图进行实验;在实验中,三个烧杯中a、b液体的质量必须___(填“相等”或“不相等”);(2)在研究不同燃料热值实验时,记录数据如下表:燃料加热前液体温度/℃燃料燃尽时液体温度/℃燃料的热值/(J/kg)12040 2.4×10622030根据表中数据计算:完全燃烧20g燃料1放出的热量为_____J,燃料2的热值是____J/kg;(3)比较不同物质的比热容实验时,记录数据如下表:加热时间/min0123456液体a25262728293031液体b25272932343638可知道:对液体a和液体b都加热6min,液体a吸收热量________(选填“大于”或“小于”或“等于”),比热容较大的是__________。
【答案】甲乙甲丙相等 4.8×104 1.2×106等于液体a【解析】【分析】【详解】(1)[1]比较不同燃料的热值,应用不同的燃料给相同的液体加热,所以应选择甲乙两图进行实验。
[2]比较不同物质的比热容,应用相同的燃料给不同的液体加热,所以应选择甲丙两图进行实验。
[3]在实验中用上控制变量法进行探究,所以要探究不同燃料的热值,除了燃料种类不同,其它物理量要控制相同,即液体的种类及其质量、初温要相同;同理要探究不同物质的比热容时,除了液体种类不同,其它物理量要相同,即热源、燃料的质量要相同。
(2)[4]由表格数据知,完全燃烧20g燃料1放出的热量Q放=m1q1=0.02kg×2.4×106J/kg=4.8×104J[5]完全燃烧10g燃料1放出的热量4414.8101J2J122.410Q Q===⨯⨯⨯放放而甲图中,液体a吸收的热量等于燃料燃烧放出的热量,设液体的质量为m,据Q吸=cm(t-t0)得,液体a的比热容()34110J22.4 1.210J()(0)40QQcm t t m t t m m⨯====--⋅⨯-吸放℃℃乙图中,燃料燃烧放出的热量Q放2 =Q吸2=cm(t'-t0')=341.210J(3020) 1.210Jmm⋅-=⨯⨯⋅℃℃则燃料2的热值4621.210J1.210J/kg0.01kgQqm⨯===⨯放2燃料(3)[6][7]在甲和丙中,用相同的热源给液体加热,在相同的时间内放出的热量相同,则a、b液体吸收的热量相同。
物理九年级上册第十二章机械能和内能单元测试与练习(word解析版)一、初三物理第十二章机械能和内能易错压轴题提优(难)1.某同学学习了燃料的热值后,自己设计了一个实验来探究煤油和菜籽油的热值大小关系。
他实验时组装了如图8所示的两套规格完全相同的装置,并每隔1分钟记录一次杯中水的温度(见下表)。
加热的时0123456间/min甲杯水温25272932343638 /℃乙杯水温25262728293031 /℃(1)在安装、调整实验器材时,科学合理的顺序是(甲图中):先调整固定______的位置,再调整固定______的位置(均选填“A”或“B”)。
(2)为保证实验结论的可靠,实验时应控制两套装置中相同的量有加热时间和水的______;(3)通过表中记录的数据,你认为煤油和菜籽油两种燃料中,热值较大的是______;(4)该同学实验前用天平测出了烧杯中水的质量及两油灯中燃料的质量并记录了数据,利用=∆计算出了水吸收的热量,他认为通过这些数据能准确地计算出煤油和菜公式Q c m t籽油的热值。
你认为他的计算结果可靠吗?______,为什么?________。
【答案】B A质量、初温煤油不可靠燃料燃烧的热量有损失(或煤油菜籽油不能完全燃烧)【解析】【分析】【详解】(1)[1][2]在安装、调整实验器材时,需要先根据酒精灯外焰调整B的高度,再根据温度计调整A的高度,所以要先固定B的位置,再调整固定A的位置。
(2)[3]为保证实验结论的可靠,实验时应控制两套装置中相同的量有:加热时间和水的质量、水的初温。
(3)[4]通过表中记录的数据可知,加热时间相同,甲杯水温上升快,故甲杯水吸收的热量多,由Q qm 放知,相同时间内煤油燃烧放出的热量多,所以煤油和菜籽油两种燃料中,热值较大的是煤油。
(4)[5][6]不可靠。
煤油、菜籽油不可能完全燃烧,且伴有热量损失,故结果不准确。
2.为了探究物体动能大小与哪些因素有关,同学们设计了如图甲、乙所示的实验装置来进行实验.(1)图甲是让不同质量的小球沿同一光滑斜面从B 处由静止自由释放,然后分别撞击放在同一水平面上的同一木块,木块在水平面运动一段距离后静止时的情景.该方案是为了探究动能大小与_________关系,若木块被撞后移动的距离越远,说明小球对木块的推力______越多,小球撞击木块时的动能________.(2)图乙是让质量相同的小球沿同一光滑斜面分别从A 、B 处由静止自由释放,然后分别撞击到放在同一水平面上的同一木块,木块在水平面运动一段距离后静止时的情景.据此,你能得出的结论是_____.(3)本实验装置的水平面如果绝对光滑,还能得出结论吗? ____,理由是___________.(4)若质量不同的小球分别从斜面的不同高度静止自由释放推动同位置的木块,则_______(选填“能”或“不能”)根据木块被推动的距离来判断小球初始重力势能的大小.【答案】质量 做功 越大 当质量相同时,物体的速度越大动能越大 不能 小球与木块会做匀速直线运动 能【解析】【分析】【详解】(1)[1][2][3]图甲两个小球质量不一样,下落时高度一样,到达斜面底部时速度一样.该方案是为了探究动能大小与质量的关系;若木块被撞后移动的距离越远,说明小球对木块的推力做功越多,小球撞击木块时的动能越大;(2)[4]图乙的情景能得到的结论是,质量相同时,物体的运动速度越大,动能越大;(3)[5][6]本实验装置的水平面如果绝对光滑,那么木块就会一直运动下去,不能比较谁的动能大,不能得出结论;(4)[7]木块被推动的距离越远,证明小球的动能越大,斜面光滑,没有能量损失,那么动能大小等于重力势能,重力势能也大,故能判断小球初始重力势能的大小.3.为了比较水和沙子吸热的规律,某小组做了如图所示的实验:在两个相同的烧杯中,分别装有质量、初温都相同的水和沙子,用两个相同的酒精灯对其加热,实验数据记录如下表:质量/g升温10°C所需时间/s升温20°C所需时间/s升温30°C所需时间/s沙子306492124水3092163220(1)在此实验中用_____________表示水和沙子吸热的多少;(2)分析表中的实验数据可知:当物体温度变化量和____________相同时,水吸收的热量____________(选填“大于”或“小于”或“等于”)沙子吸收的热量;(3)请你写出比较水和沙子吸热能力的另外一种方法:__________。
九年级物理上册第十二章机械能和内能单元达标训练题(Word版含答案)一、初三物理第十二章机械能和内能易错压轴题提优(难)1.如图所示,甲、乙、丙图中装置完全相同,燃料的质量都是10g,烧杯内的液体初温相同。
(1)比较不同燃料的热值,应选择____两图进行实验;比较不同物质的比热容,应选择____两图进行实验;在实验中,三个烧杯中a、b液体的质量必须___(填“相等”或“不相等”);(2)在研究不同燃料热值实验时,记录数据如下表:燃料加热前液体温度/℃燃料燃尽时液体温度/℃燃料的热值/(J/kg)12040 2.4×10622030根据表中数据计算:完全燃烧20g燃料1放出的热量为_____J,燃料2的热值是____J/kg;(3)比较不同物质的比热容实验时,记录数据如下表:加热时间/min0123456液体a25262728293031液体b25272932343638可知道:对液体a和液体b都加热6min,液体a吸收热量________(选填“大于”或“小于”或“等于”),比热容较大的是__________。
【答案】甲乙甲丙相等 4.8×104 1.2×106等于液体a【解析】【分析】【详解】(1)[1]比较不同燃料的热值,应用不同的燃料给相同的液体加热,所以应选择甲乙两图进行实验。
[2]比较不同物质的比热容,应用相同的燃料给不同的液体加热,所以应选择甲丙两图进行实验。
[3]在实验中用上控制变量法进行探究,所以要探究不同燃料的热值,除了燃料种类不同,其它物理量要控制相同,即液体的种类及其质量、初温要相同;同理要探究不同物质的比热容时,除了液体种类不同,其它物理量要相同,即热源、燃料的质量要相同。
(2)[4]由表格数据知,完全燃烧20g燃料1放出的热量Q放=m1q1=0.02kg×2.4×106J/kg=4.8×104J[5]完全燃烧10g燃料1放出的热量4414.8101J2J122.410Q Q===⨯⨯⨯放放而甲图中,液体a吸收的热量等于燃料燃烧放出的热量,设液体的质量为m,据Q吸=cm(t-t0)得,液体a的比热容()34110J22.4 1.210J()(0)40QQcm t t m t t m m⨯====--⋅⨯-吸放℃℃乙图中,燃料燃烧放出的热量Q放2 =Q吸2=cm(t'-t0')=341.210J(3020) 1.210Jmm⋅-=⨯⨯⋅℃℃则燃料2的热值4621.210J1.210J/kg0.01kgQqm⨯===⨯放2燃料(3)[6][7]在甲和丙中,用相同的热源给液体加热,在相同的时间内放出的热量相同,则a、b液体吸收的热量相同。
物理九年级上册第十二章机械能和内能同步单元检测(Word版含答案)一、初三物理第十二章机械能和内能易错压轴题提优(难)1.某实验小组用图所示的装置粗略测量蜡的热值q,图中A桶内装有水,B为下部开了许多通气孔的罩子(1)要完成本实验,还需要的测量工具是天平、砝码和______;(2)罩子B的主要作用是______;(3)实验收集的数据为:A桶中水的质量为m水,水的初温为t1,末温为t2,蜡烛燃烧前的质量为m1,燃烧后的质量为m2。
则蜡的热值q=______(水的比热容为c水);(4)实验测出的热值会比真实值偏小,造成这一偏差的原因可能是______(至少有一个选项正确,将正确选项的字母填在横线上)。
A.蜡烛没有完全燃烧B.桶A中水的质量太多C.桶A吸收了部分热量D.蜡烛燃烧放出的热量一部分散失到空气中【答案】温度计防止热散失2112()c m t tm m--水水 ACD【解析】【分析】【详解】(1)[1]测量蜡的热值时,根据Qqm=放的原理进行实验,而蜡的质量用天平进行测量,燃烧焟放出的热量Q放在忽略热散失的情况下,等于A桶中内水吸收的热量,而Q吸=c水m(t-t0),所以还需要温度计来测量温度。
(2)[2]罩子B的作用是防止蜡燃烧放出的热量散失到空气中。
(3)[3]由题意知,水吸收的热量Q吸=c水m水(t2-t1)而Q吸=Q放,那么蜡的热值211212()c m t tQqm m m m-==--水水放(4)[4]据Qqm=放,实验中造成测量的热值比实际值偏小的原因有:蜡烛没有完全燃烧,造成放出的热量偏少,则热值偏小;桶A中吸收了部分热量造成水吸收的热量比实际放出的热量少,则热值偏小;蜡烛燃烧放出的热量一部分散失到空气中,造成测量的热量偏少,则热值偏小。
故ACD选项都有可能。
2.探究不同物质的吸热能力(1)如图所示,在探究“不同物质的吸热能力”实验中,小雨同学在两只烧杯中装入______相同的食用油和水,用相同的酒精灯给它们加热,目的是使食用油和水在相同时间内______,从而通过______来反映吸收热量的多少;(2)小雨同学进行实验时,每隔一分钟记录食用油和水的温度,记录的实验数据如下表:升高的温度∆t/°C510152025食用油的加热时间t/min12345水的加热时间t/min246810根据实验数据可以发现______相同的不同物质,升高相同的温度,吸收的热量是______的。
九年级物理上册第十二章机械能和内能达标检测(Word版含解析)一、初三物理第十二章机械能和内能易错压轴题提优(难)1.如图所示,甲、乙、丙图中装置完全相同,燃料的质量都是10g,烧杯内的液体初温相同。
(1)比较不同燃料的热值,应选择____两图进行实验;比较不同物质的比热容,应选择____两图进行实验;在实验中,三个烧杯中a、b液体的质量必须___(填“相等”或“不相等”);(2)在研究不同燃料热值实验时,记录数据如下表:燃料加热前液体温度/℃燃料燃尽时液体温度/℃燃料的热值/(J/kg)12040 2.4×10622030根据表中数据计算:完全燃烧20g燃料1放出的热量为_____J,燃料2的热值是____J/kg;(3)比较不同物质的比热容实验时,记录数据如下表:加热时间/min0123456液体a25262728293031液体b25272932343638可知道:对液体a和液体b都加热6min,液体a吸收热量________(选填“大于”或“小于”或“等于”),比热容较大的是__________。
【答案】甲乙甲丙相等 4.8×104 1.2×106等于液体a【解析】【分析】【详解】(1)[1]比较不同燃料的热值,应用不同的燃料给相同的液体加热,所以应选择甲乙两图进行实验。
[2]比较不同物质的比热容,应用相同的燃料给不同的液体加热,所以应选择甲丙两图进行实验。
[3]在实验中用上控制变量法进行探究,所以要探究不同燃料的热值,除了燃料种类不同,其它物理量要控制相同,即液体的种类及其质量、初温要相同;同理要探究不同物质的比热容时,除了液体种类不同,其它物理量要相同,即热源、燃料的质量要相同。
(2)[4]由表格数据知,完全燃烧20g燃料1放出的热量Q放=m1q1=0.02kg×2.4×106J/kg=4.8×104J[5]完全燃烧10g燃料1放出的热量4414.8101J2J122.410Q Q===⨯⨯⨯放放而甲图中,液体a吸收的热量等于燃料燃烧放出的热量,设液体的质量为m,据Q吸=cm(t-t0)得,液体a的比热容()34110J22.4 1.210J()(0)40QQcm t t m t t m m⨯====--⋅⨯-吸放℃℃乙图中,燃料燃烧放出的热量Q放2 =Q吸2=cm(t'-t0')=341.210J(3020) 1.210Jmm⋅-=⨯⨯⋅℃℃则燃料2的热值4621.210J1.210J/kg0.01kgQqm⨯===⨯放2燃料(3)[6][7]在甲和丙中,用相同的热源给液体加热,在相同的时间内放出的热量相同,则a、b液体吸收的热量相同。
九年级物理上册第十二章 机械能和内能单元测试与练习(word 解析版)一、初三物理第十二章 机械能和内能 易错压轴题提优(难)1.小明利用图甲装置研究某燃料热值。
他取少量燃料置于燃烧皿中,测出总质量为 30g ,点燃后对100g 的热水加热4min 立即熄灭燃料,再测得燃料和燃烧皿总质量如图乙所示,并根据实验数据绘制的水温随时间变化的图像如图丙中a 线所示。
(1)实验的第2-4min 的过程中,水______(选填“吸”或“不吸”热);(2)已知此过程中燃料均匀燃烧放热,所放热量仅60%能被水吸收,4min 内水吸收的热量为______J ,则该燃料的热值为 ______J/kg ;(整个过程中忽略水的质量变化)(3)若实验装置和热损失比例均不变,利用该燃料加热另一杯水,绘出了如图所示丙中b 线,则这杯水的质量______(选填“大于”、“等于”、或“小于”)上一杯水质量。
【答案】吸 5.04⨯104J 2.1⨯106J/kg 相等【解析】【分析】 【详解】(1)[1]由图象知,水沸腾时温度保持99℃,说明水的沸点为99℃,水沸腾的特点是:不断吸热,但温度不变;此时水面上方的气压小于一标准大气压;在第2∼4min 的过程中,水的温度不变,但内能增大。
(2)[2]水4min 吸收的热量为2min 吸收热量的2倍,水4min 吸收热量())()0433=2=2-2 4.210J kg 10010J k 9 5.90g 93410Q Q cm t t -'=⨯⨯⋅⨯⨯⨯⨯-=吸吸℃℃℃ [3]由图乙可知燃料质量30g 25.8g 4.2g m =-=由=Q Q η吸放可得燃料放出热量 Q Q η=吸放而Q mq =放,故有=Q mq η吸该燃料的热值64-3===2.110J kg 4.21.0kg 60%50410J Q q m η⨯⨯⨯⨯吸 (3)[4]由图丙可知,相同时间,两杯水吸收的热量相同,温度变化相同,根据Q=cm △t 可知质量的大小相等。
九年级物理上册 第十二章 机械能和内能单元测试卷 (word 版,含解析)一、初三物理第十二章 机械能和内能 易错压轴题提优(难)1.用如图甲所示装置进行实验,比较A 、B 两种不同物质的吸热能力。
在两个相同的烧瓶中分别装入初温、质量相同的A 、B 两种液体,分别接入甲、乙两段电阻丝,实验中记录下A 、B 两种液体的温度。
(1)要完成该实验探究,除了图甲中所示的器材外,还需要的测量工具有天平和______。
(2)为保证A 、B 两物质能吸收相同的热量,对甲、乙两段电阻丝的阻值要求R 甲______R 乙(选填“>”、“=”或“<”)。
(3)小明根据实验测得的数据分别描绘出了A 、B 两种液体的温度随加热时间变化的图象,如图乙所示。
若加热过程中无热量损失,由乙图分析可知______(选填“A ”或“B ”)液体的吸热能力强。
(4)若A 的比热容为34.210J/(kg C)o ⨯⋅,则B 的比热容为______J/(kg C)o ⋅。
【答案】秒表 = A 32.110⨯【解析】【分析】(1)实验中需要测量通电的时间;(2)电流产生的热量与电流的大小、通电时间和电阻的大小有关;(3)比较物质吸热能力的2种方法:①使相同质量的不同物质升高相同的温度,比较吸收的热量(即比较加热时间),吸收热量多的吸热能力强;②使相同质量的不同物质吸收相同的热量(即加热相同的时间),比较温度的变化,温度变化小的吸热能力强;(4)根据两种液体的温度随加热时间变化的图象得出加热5分钟A 、B 升高的温度,根据Q c m t=△,在质量和吸热相同的情况下升高的温度与比热容成反比,从而求出B 的比热容。
【详解】(1)[1]实验中需要测量导体通电的时间,所以需要用到秒表。
(2)[2]为保证A 、B两物质能吸收相同的热量,根据控制变量法可知,实验中甲、乙两段电阻丝的阻值要相同。
(3)[3]根据描绘出A 、B 两种液体的温度随加热时间变化的图象知,加热相同时间,A 液体升温小,根据比较吸热能力的第2种方法,A 的吸热能力强;(4)[4]根据描绘出的A 、B 两种液体的温度随加热时间变化的图象知,加热5分钟(吸热相同),B 液体升高的温度为B 50C 10C 40C t ︒︒︒∆=-=A 液体升高的温度为A 30C 10C 20C t ︒︒︒∆=-=根据Q c m t=△可知,在质量和吸热相同的情况下,升高的温度与比热容成反比,故B 的比热容 ()()33A B A B 20J 4.210 2.11040kg J kg t c c t =⨯=⨯⨯=⨯⋅⋅℃℃℃℃ 2.在探究“比较不同物质吸热的情况”的实验中,实验装置如图所示,实验中记录的数据如下表所示。
物理九年级上册 第十二章 机械能和内能单元达标训练题(Word 版 含答案)一、初三物理第十二章 机械能和内能 易错压轴题提优(难)1.在做“观察水的沸腾”实验时,甲、乙、丙三个实验小组的同学用相同规格、酒精灯火焰大小一样的实验器材,如图A 装置进行实验。
(1)图B 中,温度计的示数为________℃;(2)三组同学都根据自己的实验数据描绘了图象(如图C ),不计能量损耗,则三烧杯中的水的质量:m a ______m b ;m b ______m c 。
由图象还可以判断水面上方的气压________一个标准大气压(以上三空均选填“>”“=”或“<”);(3)水的比热容为4.2×103 J/(kg ·℃),质量为200 g 的水从30 ℃加热到80 ℃,水吸收的热量是________J 。
【答案】47 < > < 42000【解析】【分析】【详解】(1)[1]在温度计上,10℃之间有10个小格,一个小格代表1℃,所以此温度计的分度值为1℃;“50”在“40”以上,说明温度高于0℃,为47℃。
(2)[2][3][4]由图2可以看出,a 、b 、c 的沸点相同,其中a 、b 初温相同,加热到沸腾所用的时间不同,则两条图线描绘的是“初温相同质量不同的水”的加热情况;初温相同,b 的加热时间比a 的长,故b 的质量大与a 的质量;a 、c 的温度随时间变化的图象是平行的,在相同时间内升高的温度相同,故a 的质量等于c 的质量,所以可得a cb m m m =<由图象还可以得出,此时水的沸点是98℃,由液体的沸点跟气压的关系可知,此时水面上方的气压小于一个标准大气压。
(3)[5]水吸收的热量为()34.210J/(kg C)0.2kg 80C-30C =42000J Q c m t =∆=⨯⋅︒⨯⨯︒︒2.探究不同物质的吸热能力(1)如图所示,在探究“不同物质的吸热能力”实验中,小雨同学在两只烧杯中装入______相同的食用油和水,用相同的酒精灯给它们加热,目的是使食用油和水在相同时间内______,从而通过______来反映吸收热量的多少;(2)小雨同学进行实验时,每隔一分钟记录食用油和水的温度,记录的实验数据如下表:升高的温度∆t/°C510152025食用油的加热时间t/min12345水的加热时间t/min246810根据实验数据可以发现______相同的不同物质,升高相同的温度,吸收的热量是______的。
九年级上册物理第十二章机械能和内能单元综合测试(Word版含答案)一、初三物理第十二章机械能和内能易错压轴题提优(难)1.某兴趣小组将一张硬卡片对折,在开口的一边剪两个小豁口A和B,然后套上橡皮筋,做成了一个会跳的卡片(如图所示)。
为了探究卡片跳起的高度与哪些因素有关,该兴趣小组提出了以下猜想:A.与卡片的质量有关B.与橡皮筋的形变量有关C.与橡皮筋的条数有关为了验证猜想,小组选用几根相同的橡皮筋和几张相同的卡片进行实验。
(1)小明将图中的卡片反过来,把它放在桌面上用手向下压,使橡皮筋伸长,迅速松开手,观察到的现象是________,这个现象说明:发生弹性形变的橡皮筋能对卡片________,因此它具有________能。
(2)为了探究卡片跳起高度与质量是否有关,应选择质量不同的卡片,控制其他实验条件相同,操作中将卡片反过来,每次把它在桌面上用手压平的目的是____________________________,实验中若观察到不同质量的卡片跳起的高度不同,则说明跳起高度与质量________(选填有关或无关)。
(3)探究卡片跳起高度与橡皮筋形变量是否有关,请你为该小组提供使橡皮筋的形变量不同的两种方法:①____________;②____________。
【答案】卡片跳起做功弹性势使每次橡皮筋的形变量相同有关分别压两个卡片时将一个卡片压平,另一个不压平使小豁口A、B的间距不相同【解析】【分析】【详解】(1)[1]橡皮筋伸长说明橡皮筋发生了弹性形变,发生弹性形变的物体想要恢复原状,就会对使它发生形变的物体施加力的作用,所以橡皮筋对硬卡片施加力,使它弹起。
[2]橡皮筋对卡片施加力,卡片弹起即在力的方向上运动了,所以橡皮筋对卡片做功。
[3]做功会引起能量的转化,橡皮筋的弹性势能转化为卡片的动能,因此橡皮筋具有弹性势能。
(2)[4]探究跳起的高度与质量是否有关,应选择质量不同的卡片,控制其它的实验条件相同,操作中将卡片反过来,根据控制变量法,每次把它在桌面上用手压平的目的是控制橡皮筋的形变量相同。
物理九年级上册 第十二章 机械能和内能单元试卷(word 版含答案)一、初三物理第十二章 机械能和内能 易错压轴题提优(难)1.小明利用图甲装置研究某燃料热值。
他取少量燃料置于燃烧皿中,测出总质量为 30g ,点燃后对100g 的热水加热4min 立即熄灭燃料,再测得燃料和燃烧皿总质量如图乙所示,并根据实验数据绘制的水温随时间变化的图像如图丙中a 线所示。
(1)实验的第2-4min 的过程中,水______(选填“吸”或“不吸”热);(2)已知此过程中燃料均匀燃烧放热,所放热量仅60%能被水吸收,4min 内水吸收的热量为______J ,则该燃料的热值为 ______J/kg ;(整个过程中忽略水的质量变化)(3)若实验装置和热损失比例均不变,利用该燃料加热另一杯水,绘出了如图所示丙中b 线,则这杯水的质量______(选填“大于”、“等于”、或“小于”)上一杯水质量。
【答案】吸 5.04⨯104J 2.1⨯106J/kg 相等【解析】 【分析】【详解】(1)[1]由图象知,水沸腾时温度保持99℃,说明水的沸点为99℃,水沸腾的特点是:不断吸热,但温度不变;此时水面上方的气压小于一标准大气压;在第2∼4min 的过程中,水的温度不变,但内能增大。
(2)[2]水4min 吸收的热量为2min 吸收热量的2倍,水4min 吸收热量())()0433=2=2-2 4.210J kg 10010J k 9 5.90g 93410Q Q cm t t -'=⨯⨯⋅⨯⨯⨯⨯-=吸吸℃℃℃ [3]由图乙可知燃料质量30g 25.8g 4.2g m =-=由=Q Q η吸放可得燃料放出热量 Q Q η=吸放而Q mq =放,故有=Q mq η吸该燃料的热值64-3===2.110J kg 4.21.0kg 60%50410J Q q m η⨯⨯⨯⨯吸 (3)[4]由图丙可知,相同时间,两杯水吸收的热量相同,温度变化相同,根据Q=cm △t 可知质量的大小相等。
九年级物理上册第十二章机械能和内能单元达标训练题(Word版含答案)一、初三物理第十二章机械能和内能易错压轴题提优(难)1.某实验小组用图所示的装置粗略测量蜡的热值q,图中A桶内装有水,B为下部开了许多通气孔的罩子(1)要完成本实验,还需要的测量工具是天平、砝码和______;(2)罩子B的主要作用是______;(3)实验收集的数据为:A桶中水的质量为m水,水的初温为t1,末温为t2,蜡烛燃烧前的质量为m1,燃烧后的质量为m2。
则蜡的热值q=______(水的比热容为c水);(4)实验测出的热值会比真实值偏小,造成这一偏差的原因可能是______(至少有一个选项正确,将正确选项的字母填在横线上)。
A.蜡烛没有完全燃烧B.桶A中水的质量太多C.桶A吸收了部分热量D.蜡烛燃烧放出的热量一部分散失到空气中【答案】温度计防止热散失2112()c m t tm m--水水 ACD【解析】【分析】【详解】(1)[1]测量蜡的热值时,根据Qqm=放的原理进行实验,而蜡的质量用天平进行测量,燃烧焟放出的热量Q放在忽略热散失的情况下,等于A桶中内水吸收的热量,而Q吸=c水m(t-t0),所以还需要温度计来测量温度。
(2)[2]罩子B的作用是防止蜡燃烧放出的热量散失到空气中。
(3)[3]由题意知,水吸收的热量Q吸=c水m水(t2-t1)而Q吸=Q放,那么蜡的热值211212()c m t tQqm m m m-==--水水放(4)[4]据Qqm=放,实验中造成测量的热值比实际值偏小的原因有:蜡烛没有完全燃烧,造成放出的热量偏少,则热值偏小;桶A中吸收了部分热量造成水吸收的热量比实际放出的热量少,则热值偏小;蜡烛燃烧放出的热量一部分散失到空气中,造成测量的热量偏少,则热值偏小。
故ACD选项都有可能。
2.(提出问题)水和空气哪种物质的导热性能好?(猜想与假设)小明进行了如下猜想:猜想一:水的导热性能好;猜想二:空气的导热性能好(设计与进行实验)小明用两个相同的牛奶瓶,都装入热牛奶,一个放在温度与室温相同的水中,另一个放在空气中,为了尽量减少其他因素的影响,他把两个瓶都用木块垫起来,放在同一个桌面上,如上图所示,实验时他每隔一定的时间记录一次甲、乙两温度计的示数,得到的数据如下表:(实验结论)(1)分析表中数据,可得出结论:_____(评估与交流)(2)对甲、乙两个瓶中的牛奶,除了要控制它们的初温相同外,还要控制它们的_____相同(3)热牛奶放在水中温度下降是通过_____方式来_____(选填“增加”或“减少”)内能(4)进一步分析表中甲的示数,小明又发现,在冷却过程中,牛奶冷却的快慢前后并不一致,是越来越___的(实验拓展)(5)如果有一天,你要喝一杯奶茶,下列两种冷却方法中,效果较好的是_____A.将滚烫的热茶冷却5分钟,然后加适量冷牛奶B.先将适量的冷牛奶加进滚烫的热茶中,然后冷却5min(6)物理学中我们用速度来表示物体运动的快慢,若小明用“冷却速度”来表示物体冷却快慢,则“冷却速度”可定义为:质量为1千克的物体,_____叫做冷却速度【答案】在水中冷却比在空气中冷却效果要好质量热传递减少慢A单位时间内降低的温度【解析】【详解】(1)分析可知,在相同时间内水中冷却速度更快,所以在水中比空气中冷却效果更好;(2)在研究空气和水的导热性时,应该保证其它条件相同,除了水的初温外还要保证水的质量相等;(3)由于水与牛奶瓶有温度差,所以要发生热传递,即牛奶温度下降是由于热量传递减少其内能;(4)这是由于随着牛奶温度下降,周围水的温度在升高,使牛奶冷却的速度变慢,因此牛奶冷却的快慢还会受到温度的影响.所以当实验时间较长时,相同时间内牛奶降温的速度逐渐变慢,就是指冷却速率变慢.(5)根据(4)中的结论,物体冷却随时间推移是先快后慢,本质原因是温差逐渐缩小,奶茶热的时候温度下降得快,开始快后来越来越慢,开始先让它保持较高的温度,可以在五分钟内放出更多的热量,然后加入冷牛奶,利用热传递使其再次降温。
2023-2024学年苏教版初中物理单元测试学校:__________ 班级:__________ 姓名:__________ 考号:__________注意事项:1.答题前填写好自己的姓名、班级、考号等信息;2.请将答案正确填写在答题卡上;一、选择题(本大题共计8小题,每题3分,共计24分)1.关于温度、热量和内能,下列说法正确的是()A. 温度相同的物体内能一定相等B. 汽油机做功冲程中燃气的内能减小C. 我们不敢大口喝热气腾腾的汤,是因为汤含有的热量较多D. 电能可以使灯泡发光,同时产生内能,这些内能又可以自动地转化为电能【答案】B【解析】解: A .内能跟物体的质量、状态、温度有关,温度相同的物体,内能不一定相同,故 A错误;B.汽油机的做功冲程中,燃气对活塞做功,燃气的内能转化为机械能,所以燃气的内能减少,故 B正确;C .我们不敢大口地喝热气腾腾的汤,是因为热汤的温度高,热量是一个过程量,不能说物体含有多少热量,故 C错误;D.电能可以使电灯发光,同时产生内能,而这些内能无法自动地转化为电能,是因为能量的转化是有方向性的,故 D错误.故选 B.2.如图所示,对于下列实验所描述的物理过程,说法正确的是()A. 甲图试管内的水蒸气推动塞子冲出去时,塞子的机械能减少B. 将乙图装置的玻璃板抽去,两瓶中气体逐渐混合均匀,说明空气的密度比二氧化氮大C. 往丙图瓶中打气,瓶内的空气推动塞子跳起时,瓶内空气的内能增大D. 丁图厚玻璃管中的空气被压缩时,管内空气的内能增大【答案】D【解析】解: A.甲图中试管内的水蒸气推动塞子冲出时,水蒸气对塞子做功,水蒸气的内能减少,塞子的机械能增大,故 A错误;B.抽去玻璃隔板,两瓶中气体逐渐混合均匀,说明分子在不停地做无规则运动,故 B 错误;C.给瓶内打气,瓶内的空气推动塞子跳起来时,瓶内空气对塞子做功,瓶内空气的内能减小,故 C错误;D.丁图下压活塞,活塞对管内空气做功,管内空气内能增大,故 D正确.故选 D.3.笔记本电脑发热会影响使用寿命。
九年级物理上册第十二章机械能和内能单元复习练习(Word版含答案)一、初三物理第十二章机械能和内能易错压轴题提优(难)1.如图所示,甲、乙、丙图中装置完全相同,燃料的质量都是10g,烧杯内的液体初温相同。
(1)比较不同燃料的热值,应选择____两图进行实验;比较不同物质的比热容,应选择____两图进行实验;在实验中,三个烧杯中a、b液体的质量必须___(填“相等”或“不相等”);(2)在研究不同燃料热值实验时,记录数据如下表:燃料加热前液体温度/℃燃料燃尽时液体温度/℃燃料的热值/(J/kg)12040 2.4×10622030根据表中数据计算:完全燃烧20g燃料1放出的热量为_____J,燃料2的热值是____J/kg;(3)比较不同物质的比热容实验时,记录数据如下表:加热时间/min0123456液体a25262728293031液体b25272932343638可知道:对液体a和液体b都加热6min,液体a吸收热量________(选填“大于”或“小于”或“等于”),比热容较大的是__________。
【答案】甲乙甲丙相等 4.8×104 1.2×106等于液体a【解析】【分析】【详解】(1)[1]比较不同燃料的热值,应用不同的燃料给相同的液体加热,所以应选择甲乙两图进行实验。
[2]比较不同物质的比热容,应用相同的燃料给不同的液体加热,所以应选择甲丙两图进行实验。
[3]在实验中用上控制变量法进行探究,所以要探究不同燃料的热值,除了燃料种类不同,其它物理量要控制相同,即液体的种类及其质量、初温要相同;同理要探究不同物质的比热容时,除了液体种类不同,其它物理量要相同,即热源、燃料的质量要相同。
(2)[4]由表格数据知,完全燃烧20g燃料1放出的热量Q放=m1q1=0.02kg×2.4×106J/kg=4.8×104J[5]完全燃烧10g燃料1放出的热量4414.8101J2J122.410Q Q===⨯⨯⨯放放而甲图中,液体a吸收的热量等于燃料燃烧放出的热量,设液体的质量为m,据Q吸=cm(t-t0)得,液体a的比热容()34110J22.4 1.210J()(0)40QQcm t t m t t m m⨯====--⋅⨯-吸放℃℃乙图中,燃料燃烧放出的热量Q放2 =Q吸2=cm(t'-t0')=341.210J(3020) 1.210Jmm⋅-=⨯⨯⋅℃℃则燃料2的热值4621.210J1.210J/kg0.01kgQqm⨯===⨯放2燃料(3)[6][7]在甲和丙中,用相同的热源给液体加热,在相同的时间内放出的热量相同,则a、b液体吸收的热量相同。
九年级物理上册第十二章机械能和内能单元检测(提高,Word版含解析)一、初三物理第十二章机械能和内能易错压轴题提优(难)1.某实验小组用图所示的装置粗略测量蜡的热值q,图中A桶内装有水,B为下部开了许多通气孔的罩子(1)要完成本实验,还需要的测量工具是天平、砝码和______;(2)罩子B的主要作用是______;(3)实验收集的数据为:A桶中水的质量为m水,水的初温为t1,末温为t2,蜡烛燃烧前的质量为m1,燃烧后的质量为m2。
则蜡的热值q=______(水的比热容为c水);(4)实验测出的热值会比真实值偏小,造成这一偏差的原因可能是______(至少有一个选项正确,将正确选项的字母填在横线上)。
A.蜡烛没有完全燃烧B.桶A中水的质量太多C.桶A吸收了部分热量D.蜡烛燃烧放出的热量一部分散失到空气中【答案】温度计防止热散失2112()c m t tm m--水水 ACD【解析】【分析】【详解】(1)[1]测量蜡的热值时,根据Qqm=放的原理进行实验,而蜡的质量用天平进行测量,燃烧焟放出的热量Q放在忽略热散失的情况下,等于A桶中内水吸收的热量,而Q吸=c水m(t-t0),所以还需要温度计来测量温度。
(2)[2]罩子B的作用是防止蜡燃烧放出的热量散失到空气中。
(3)[3]由题意知,水吸收的热量Q吸=c水m水(t2-t1)而Q吸=Q放,那么蜡的热值211212()c m t tQqm m m m-==--水水放(4)[4]据Qqm=放,实验中造成测量的热值比实际值偏小的原因有:蜡烛没有完全燃烧,造成放出的热量偏少,则热值偏小;桶A中吸收了部分热量造成水吸收的热量比实际放出的热量少,则热值偏小;蜡烛燃烧放出的热量一部分散失到空气中,造成测量的热量偏少,则热值偏小。
故ACD选项都有可能。
2.(提出问题)水和空气哪种物质的导热性能好?(猜想与假设)小明进行了如下猜想:猜想一:水的导热性能好;猜想二:空气的导热性能好(设计与进行实验)小明用两个相同的牛奶瓶,都装入热牛奶,一个放在温度与室温相同的水中,另一个放在空气中,为了尽量减少其他因素的影响,他把两个瓶都用木块垫起来,放在同一个桌面上,如上图所示,实验时他每隔一定的时间记录一次甲、乙两温度计的示数,得到的数据如下表:(实验结论)(1)分析表中数据,可得出结论:_____(评估与交流)(2)对甲、乙两个瓶中的牛奶,除了要控制它们的初温相同外,还要控制它们的_____相同(3)热牛奶放在水中温度下降是通过_____方式来_____(选填“增加”或“减少”)内能(4)进一步分析表中甲的示数,小明又发现,在冷却过程中,牛奶冷却的快慢前后并不一致,是越来越___的(实验拓展)(5)如果有一天,你要喝一杯奶茶,下列两种冷却方法中,效果较好的是_____A.将滚烫的热茶冷却5分钟,然后加适量冷牛奶B.先将适量的冷牛奶加进滚烫的热茶中,然后冷却5min(6)物理学中我们用速度来表示物体运动的快慢,若小明用“冷却速度”来表示物体冷却快慢,则“冷却速度”可定义为:质量为1千克的物体,_____叫做冷却速度【答案】在水中冷却比在空气中冷却效果要好质量热传递减少慢A单位时间内降低的温度【解析】【详解】(1)分析可知,在相同时间内水中冷却速度更快,所以在水中比空气中冷却效果更好;(2)在研究空气和水的导热性时,应该保证其它条件相同,除了水的初温外还要保证水的质量相等;(3)由于水与牛奶瓶有温度差,所以要发生热传递,即牛奶温度下降是由于热量传递减少其内能;(4)这是由于随着牛奶温度下降,周围水的温度在升高,使牛奶冷却的速度变慢,因此牛奶冷却的快慢还会受到温度的影响.所以当实验时间较长时,相同时间内牛奶降温的速度逐渐变慢,就是指冷却速率变慢.(5)根据(4)中的结论,物体冷却随时间推移是先快后慢,本质原因是温差逐渐缩小,奶茶热的时候温度下降得快,开始快后来越来越慢,开始先让它保持较高的温度,可以在五分钟内放出更多的热量,然后加入冷牛奶,利用热传递使其再次降温。
九年级上册物理第十二章机械能和内能单元测试题(Word版含解析)一、初三物理第十二章机械能和内能易错压轴题提优(难)1.某实验小组用图所示的装置粗略测量蜡的热值q,图中A桶内装有水,B为下部开了许多通气孔的罩子(1)要完成本实验,还需要的测量工具是天平、砝码和______;(2)罩子B的主要作用是______;(3)实验收集的数据为:A桶中水的质量为m水,水的初温为t1,末温为t2,蜡烛燃烧前的质量为m1,燃烧后的质量为m2。
则蜡的热值q=______(水的比热容为c水);(4)实验测出的热值会比真实值偏小,造成这一偏差的原因可能是______(至少有一个选项正确,将正确选项的字母填在横线上)。
A.蜡烛没有完全燃烧B.桶A中水的质量太多C.桶A吸收了部分热量D.蜡烛燃烧放出的热量一部分散失到空气中【答案】温度计防止热散失2112()c m t tm m--水水 ACD【解析】【分析】【详解】(1)[1]测量蜡的热值时,根据Qqm=放的原理进行实验,而蜡的质量用天平进行测量,燃烧焟放出的热量Q放在忽略热散失的情况下,等于A桶中内水吸收的热量,而Q吸=c水m(t-t0),所以还需要温度计来测量温度。
(2)[2]罩子B的作用是防止蜡燃烧放出的热量散失到空气中。
(3)[3]由题意知,水吸收的热量Q吸=c水m水(t2-t1)而Q吸=Q放,那么蜡的热值211212()c m t tQqm m m m-==--水水放(4)[4]据Qqm=放,实验中造成测量的热值比实际值偏小的原因有:蜡烛没有完全燃烧,造成放出的热量偏少,则热值偏小;桶A中吸收了部分热量造成水吸收的热量比实际放出的热量少,则热值偏小;蜡烛燃烧放出的热量一部分散失到空气中,造成测量的热量偏少,则热值偏小。
故ACD选项都有可能。
2.某兴趣小组将一张硬卡片对折,在开口的一边剪两个小豁口A和B,然后套上橡皮筋,做成了一个会跳的卡片(如图所示)。
为了探究卡片跳起的高度与哪些因素有关,该兴趣小组提出了以下猜想:A.与卡片的质量有关B.与橡皮筋的形变量有关C.与橡皮筋的条数有关为了验证猜想,小组选用几根相同的橡皮筋和几张相同的卡片进行实验。
九年级物理上册第十二章 机械能和内能单元测试与练习(word 解析版)一、初三物理第十二章 机械能和内能 易错压轴题提优(难)1.小明利用如图装置研究做功与能量的转化关系。
重物通过细绳与木块相连,细绳不可伸长,AQ 为水平面,AP 段长为L ,表面光滑;PQ 段粗糙,实验开始时,木块的细绳拉直,质量为M 的木块位于P 点,质量为m 的重物恰好置于地面,将木块从P 向右拉至A ,放手后木块向左运动,最终停在B 点,PB 长为x 。
不计空气阻力、滑轮摩擦。
(1)木块在AB 段运动过程中,重物的重力做功为(用字母表示)___________;木块经过PB 段内能______________(选填“不变”、“增大”或“减小”);(2)观察实验并联系生活实际,小明提出猜想:重物和木块获得的总动能与重物重力做功多少有关。
他提出猜想的生活依据是:________________ ;(3)为了验证猜想,小明做了以下实验,重物100g m =,木块900g M =,改变木块从P 点右移的距离L ,测得一组数据,记录如下:(g 取10N/kg ) 序号 1 2 3 4 5 6 PA 的长/m L0.1 0.15 0.2 0.35 0.45 0.5 木块在P 点的速度平方()221/m s v -⋅ 0.2 0.3 0.4 0.7 0.9 1.0①已知物体动能的表达式为212mv ,分析重物和木块获得的总动能与重物的重力做功的多少,可知猜想是____________(选填“正确”或“错误”)的,得出的结论是__________。
在AP 段滑行的过程中,该系统(重物和木块)的机械能____________(选填“守恒”或“不守恒”);②利用实验信息分析,当0.7m L =时,木块M 在P 点获得的动能是___________________J ;(4)如果上述结论具有普遍性,则一个物体从高为h 的光滑斜面顶端,由静止开始滑下,不计空气阻力,物体滑到斜面底端时的速度v =_____________(用字母表示)。
【答案】mgL 增大 物体下落过程中速度越来越快 正确 重物和木块获得的总动能与重物重力做功的多少相等 守恒【解析】【分析】【详解】(1)[1]由题意可知,重物的重力是G mg =,木块在AB 段运动过程中,重物下降的高度是L ,那么重物的重力做功大小是W mgL =重[2]木块经过PB 段由于受到摩擦力的作用,内能会增大。
(2)[3]重物和木块获得的总动能与重物重力做功多少有关,随着重物重力做功越来越大,速度也越来越大,所以这个依据是物体下落过程中速度越来越快。
(3)[4]由表中数据可看到,PA 的数值越大,木块在P 点的速度越大,动能越大,所以猜想是正确的。
[5]由表中数据可知,第1次实验中重物和木块获得的总动能是()()2-1110.1kg 0.9kg 0.2m s 0.1J 2W =⨯+⨯⋅=总动能 重物的重力做功是110.1kg 10N/kg 0.1m 0.1J W mgL ==⨯⨯=重力第2次实验中重物和木块获得的总动能是()()2-1210.1kg 0.9kg 0.3m s 0.15J 2W =⨯+⨯⋅=总动能 重物的重力做功是 220.1kg 10N/kg 0.15m 0.15J W mgL ==⨯⨯=重力同理,第3、4、5、6次实验也可以得到这样的数据,所以可得出结论:重物和木块获得的总动能与重物重力做功的多少相等。
[6]AP 段是光滑的,所以势能完全转化为动能,系统机械能守恒。
[7]比较表中数据可知,2v 与L 成正比,当0.1m L =时,()22-10.2m s v =⋅,那么 ()2-10.2m s 0.1m k ⋅=⨯ 解得22m/s k =,可得到222m/s v L =⨯,当0.7m L =时22222m/s 0.7m 1.4m /s v =⨯=所以可知木块M 在P 点获得的动能是222110.9kg 1.4m /s 0.63J 22W Mv ==⨯⨯= (4)[8]一个物体从高为h 的光滑斜面顶端,由静止开始滑下,不计空气阻力,则机械能是守恒的,物体重力所做的功转化为动能,可以得到关系式212mgh mv =解得2v gh =。
2.用如图甲所示装置进行实验,比较A 、B 两种不同物质的吸热能力。
在两个相同的烧瓶中分别装入初温、质量相同的A 、B 两种液体,分别接入甲、乙两段电阻丝,实验中记录下A 、B 两种液体的温度。
(1)要完成该实验探究,除了图甲中所示的器材外,还需要的测量工具有天平和______。
(2)为保证A 、B 两物质能吸收相同的热量,对甲、乙两段电阻丝的阻值要求R 甲______R 乙(选填“>”、“=”或“<”)。
(3)小明根据实验测得的数据分别描绘出了A 、B 两种液体的温度随加热时间变化的图象,如图乙所示。
若加热过程中无热量损失,由乙图分析可知______(选填“A ”或“B ”)液体的吸热能力强。
(4)若A 的比热容为34.210J/(kg C)o ⨯⋅,则B 的比热容为______J/(kg C)o ⋅。
【答案】秒表 = A 32.110⨯【解析】【分析】(1)实验中需要测量通电的时间;(2)电流产生的热量与电流的大小、通电时间和电阻的大小有关;(3)比较物质吸热能力的2种方法:①使相同质量的不同物质升高相同的温度,比较吸收的热量(即比较加热时间),吸收热量多的吸热能力强;②使相同质量的不同物质吸收相同的热量(即加热相同的时间),比较温度的变化,温度变化小的吸热能力强;(4)根据两种液体的温度随加热时间变化的图象得出加热5分钟A 、B 升高的温度,根据Q c m t=△,在质量和吸热相同的情况下升高的温度与比热容成反比,从而求出B 的比热容。
【详解】 (1)[1]实验中需要测量导体通电的时间,所以需要用到秒表。
(2)[2]为保证A 、B 两物质能吸收相同的热量,根据控制变量法可知,实验中甲、乙两段电阻丝的阻值要相同。
(3)[3]根据描绘出A 、B 两种液体的温度随加热时间变化的图象知,加热相同时间,A 液体升温小,根据比较吸热能力的第2种方法,A 的吸热能力强;(4)[4]根据描绘出的A 、B 两种液体的温度随加热时间变化的图象知,加热5分钟(吸热相同),B 液体升高的温度为B 50C 10C 40C t ︒︒︒∆=-=A 液体升高的温度为A 30C 10C 20C t ︒︒︒∆=-=根据Q c m t=△可知,在质量和吸热相同的情况下,升高的温度与比热容成反比,故B 的比热容 ()()33A B A B 20J 4.210 2.11040kg J kg t c c t =⨯=⨯⨯=⨯⋅⋅℃℃℃℃ 3.为了比较水和沙子吸热的规律,某小组做了如图所示的实验:在两个相同的烧杯中,分别装有质量、初温都相同的水和沙子,用两个相同的酒精灯对其加热,实验数据记录如下表:质量/g 升温10°C 所需时间/s升温20°C 所需时间/s 升温30°C 所需时间/s 沙子 30 6492 124 水 3092 163 220(1)在此实验中用_____________表示水和沙子吸热的多少;(2)分析表中的实验数据可知:当物体温度变化量和____________相同时,水吸收的热量____________(选填“大于”或“小于”或“等于”)沙子吸收的热量;(3)请你写出比较水和沙子吸热能力的另外一种方法:__________。
【答案】酒精灯加热时间 质量 大于 在两个相同的金属盒,加入质量相同的水和沙子,用酒精灯加热相同的时间,比较它们的末温,末温低的吸热能力大【解析】【分析】【详解】(1)[1]采用相同的酒精灯对其加热,加热时间越长,沙子和水吸收的热量越多,因此实验中用酒精灯加热时间表示水和沙子吸热的多少。
(2)[2][3]分析表中的实验数据可知:水和沙子质量相同,升高温度相同时,即温度变化量和质量相同时,水所需加热的时间比沙子更长,所以水吸收的热量大于沙子吸收的热量。
(3)[4]在两个相同的金属盒,加入质量和初温都相同的水和沙子,用酒精灯加热相同的时间,比较它们的末温,末温低的吸热能力大。
即使它们吸收相同的热量,比较它们的温度变化量,温度变化量小的吸热能力大,温度变化大的吸热能力小。
4.相关资料表明,大部分重大交通事故是因为汽车超载超速造成的。
兴趣小组决定对超载超速问题进行一次模拟探究,经讨论后认为,可以用小球作为理想模型,代替汽车作为研究对象。
如图,将小球从高度为h的同一斜面上由静止开始滚下,推动同一小木块向前移动一段距离s后停下,完成甲、乙、丙三次实验,其中h1=h3>h2,m A=m B﹤m C:小球质量/g高度/cm木块移动的距离/cmA10510B20518C30529D101038E101586(1)小球在水平面上越滚越慢最后停下来,是因为小球受到了 _________的作用;(2)小球在滚下斜面的过程中,它的______能转化为动能,实验中超载超速带来的危害程度用 _____(选填“高度h”或“距离s”)大小来反映的。
(3)分析比较 _______两次实验可得,小球质量相同时,速度越大,动能越 _______ 从而反映出超速带来的危害程度。
(4)分析比较 ______两次实验可得,小球速度相同时,质量越大,动能越大;从而反映出超载带来的危害程度。
(5)为比较超载超速带来的危害程度,兴趣小组利用上述器材进行定量研究。
得到数据如表,请根据上表数据分析,货车超载与超速两者相比,潜在危害较大的是 __________。
【答案】摩擦力重力势距离S甲乙大甲丙超速【解析】【分析】【详解】(1)[1]小球在水平面上滚动时受到(滚动)摩擦力的作用,故越滚越慢最后停下来。
(2)[2][3]小球在滚下斜面的过程中,重力势能减小动能增加,故重力势能转化为动能;实验中超载超速带来的危害程度用小球推动同一小木块向前移动的距离大小来反映,距离越大,危害程度越高。
(3)[4][5]比较甲乙两次实验可得,小球质量相同时,速度越大,木块被推动的距离越大,故可得小球质量相同时,速度越大,动能越大。
(4)[6]比较甲丙两次实验可得,小球速度相同时,质量越大,木块被推动的距离越大,故可得小球速度相同时,质量越大,动能越大。
(5)[7]比较A、 B、 C三个小球,高度相同,质量变为2倍、3倍,木块滑动的距离也基本上是2倍、3倍,即动能也是2倍、3倍;比较A、D、 E三个小球,质量相同,高度变为2倍、3倍,木块滑动的距离基本上是4倍、9倍,即动能也是4倍、9倍;所以速度对物体的动能影响更大,当超速发生交通事故时,由此造成的危害更严重。