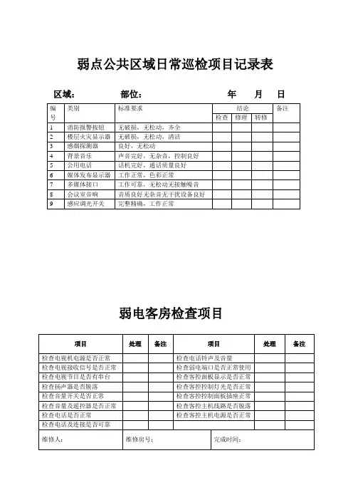
弱电设备设施保养记录表格
- 格式:docx
- 大小:18.75 KB
- 文档页数:9
最全的弱电机房工程运维方案,后附所需表格弱电机房运维工作是一项重要的工作,如果我们刚做完一个机房工程,那么我们至少要提供一年的运维服务,如果后期还继续运维的话,可以再和业主谈,今天分享一套数据中心(IDC)运维内容,后附运维工作所需的表格。
正文:••IDC机房基础设施管理主要是对各类基础设施设备的巡检、监控、维护、操作,本体系制定了上述内容的具体方法及相关要求。
本体系指定的目标是保障机房基础设施、设备正常、安全、可持续运行,规范日常运行管理工作,对保障机房正常使用环境的设备运行进行有效监控。
本体系适用于基础设施各相关岗位。
•二、维护职能划分•日常巡检工作内容应由机房值班人员负责,巡检结束后填写《日常巡检记录表》。
维护保养工作应由专业分包服务人员实施,维护保养结束后及时填写维护保养记录,并应由机房运维岗位负责人签字确认。
原则上UPS及精密空调的维护应由设备厂商专职工程师实施。
••供配电系统是指通过电源由多种配电设备(或元件)和配电设施所组成直接向终端用户分配电能的一个电力网络系统。
是对低压配电柜、UPS系统等的统称。
1.3.1日常巡检内容2.供配电系统日常巡检内容包括:(1)配电室环境温度、洁净度,注意有无异味、异常声响等;(2)查看各个开关的仪表显示应正常;(3)查看各开关状态确认无误;(4)检查各开关有无异常声响、变形;(5)用点温仪测量开关温度并记录;(6)检查变压器温度、声音、电压、电流、风机启动有无异常;(7)日常巡检工作由值班人员进行,巡检状况因记录在《日常巡检记录表中》;1.3.2巡视检查频次2.每日一次。
1.3.3维护保养2.3.3.3.1月维护4.5.a)清洁设备表面和场所的卫生;6.7.b)对日常维护记录中反映出来的主要数据的变化规律进行分析,发现异常要进行调整或检修;8.9.c)检查转动和震动部件,紧固其不应松动的紧固件(不包括电气接点,电气接点的维护、紧固应有计划的停电进行);10.11.d)由分包服务责任人按规定填写《供配电系统维护记录表》。
弱电系统维护保养报告格式
1. 引言
本报告旨在提供弱电系统维护保养的标准报告格式,以确保弱电系统的正常运行和持续稳定性。
本报告应包括以下内容:
2. 维护保养日期
在报告的首部,应明确标注维护保养的日期,以便追踪维护保养的历史记录和定期性。
3. 维护保养人员
列出参与弱电系统维护保养的人员姓名,包括主要负责人和辅助人员。
4. 维护保养项目
列出所有进行的维护保养项目,包括但不限于以下内容:
- 弱电设备巡检:检查所有弱电设备的正常运行情况,包括电源、连接线路和设备状态等。
- 弱电系统测试:进行弱电系统的测试,包括信号传输、数据传输和网络连接等。
- 弱电系统清洁:清洁弱电设备和配件,以确保其正常工作和延长使用寿命。
- 弱电设备维修:记录需要修理或更换的弱电设备,并记录维修过程和结果。
- 弱电系统备份:备份弱电系统的数据和配置,以防止数据丢失和系统故障。
5. 维护保养结果
对每个维护保养项目进行详细描述,包括发现的问题、采取的措施和结果。
确保结果清晰明了,以便后续跟踪和评估。
6. 建议和改进
根据维护保养过程中的发现和结果,提出改进和建议,以优化弱电系统的稳定性和性能。
7. 下次维护保养计划
在报告的最后,明确下一次维护保养的计划日期,并记录任何需要特别注意的事项或准备工作。
结论
弱电系统维护保养报告应该按照上述格式进行编写,以确保记录的一致性和易读性。
通过定期编写和评估这些报告,可以提高弱电系统的稳定性和可靠性,预防潜在问题的发生。
给水系统巡检维保记录表保养及检查日期:
1、审核
2、检查巡视维保人
消防系统巡检维保记录表
维保及检查日期:
1、审核
2、检查维保人
电梯日常巡检维修记录表
维保及检查日期:电梯编号:
1、审核
2、检查维修人
弱电系统维保巡检记录表
维保及检查日期:
1、审核
2、检查维保人
避雷接地系统巡检维保记录表
维保及检查日期:
1、审核
2、检查维保人
配电系统巡检维保记录表
维保及检查日期:
1、审核
2、检查维保人
园区铁艺护栏、消防通道门巡检维保记录表维保及检查日期:
1、审核
2、检查维保人
公共门窗巡检维保记录表
维保及检查日期:
1、审核
2、检查维保人
路面道路设施、标志巡视维保记录表维保及检查日期:
1、审核
2、检查维保人
送排烟机巡视维保记录表
维保及检查日期:
1、审核
2、检查维保人
防火卷帘、人防设备巡视维保记录表维保及检查日期:
1、审核
2、检查维保人
公共灯具巡视维保记录表
维保及检查日期:
1、审核
2、检查维保人
排水系统巡视维保记录表
维保及检查日期:
1、审核
2、检查维保人。
弱电系统安全记录表
1. 引言
本文档旨在记录和跟踪弱电系统的安全情况和事件。
弱电系统包括但不限于通信系统、网络系统、监控系统等。
2. 安全记录
日期:[日期]
记录人:[记录人姓名]
2.1 安全事件记录
在以下表格中记录弱电系统发生的安全事件,包括日期、事件类型、事件描述、处理措施和结果等:
2.2 保养和维护记录
在以下表格中记录弱电系统的保养和维护情况,包括日期、保
养/维护内容、执行人和备注等:
3. 安全总结
根据以上记录,结合弱电系统的运行和安全情况,及时总结和
分析发生的安全事件和保养维护情况,提出可能的改进措施和建议。
4. 下一步行动
根据安全总结和分析结果,制定下一步行动计划,明确负责人
和时间节点,并跟踪执行情况。
以上为弱电系统安全记录表的内容,如有问题或需要补充,请
及时联系记录人。
弱电设备保养记录弱电设备是指电力系统中电压级别低、电流相对较小的电器设备,如信号设备、控制设备等。
弱电系统的正常运行需要依赖于一系列的弱电设备,因此对于弱电设备的保养与维护显得非常重要。
本文将介绍弱电设备保养记录的重要性、保养记录的内容与方法等。
保养记录的重要性弱电设备被广泛使用于各种场合,如工厂、办公场所、住宅小区等,因此弱电设备的质量和稳定性将直接关系到人们的工作和生活。
同时,弱电设备的保养与维护也是确保系统高效运行和延长使用寿命的关键所在。
在日常保养与维护过程中,记录保存是至关重要的。
通过保养记录的方式,可以及时追踪设备的运行状况,发现问题并及时处理,避免了故障和事故的发生。
保养记录的内容弱电设备的保养记录包括以下内容:设备基本信息设备基本信息包括:设备名称、设备型号、生产厂家、出厂日期、安装日期、使用地点等。
保养维护时间记录保养维护的时间,包括:保养起止时间、保养周期、保养人员等。
保养维护内容记录设备的保养维护内容和维护工作的具体步骤,以及维护过程中发现的问题和解决方法等。
保养维护结果保养维护结果包括:设备的运行状况、维护后是否正常运行等。
保养建议根据设备的保养情况,给出下一步的保养建议,包括维护计划、更换部件等。
保养记录的方法弱电设备的保养记录可以采用手工记录方式,也可以通过电子设备记录方式。
手工记录方式手工记录方式是指在设备保养过程中,将保养记录内容通过手写或打印等方式记录下来。
手工记录方式所需设备简单、易于操作,但可能存在记录内容管理不便、存储不易等问题。
电子记录方式电子记录方式是指通过电子设备记录保养记录。
电子记录方式具有记录内容操作简单、存储便利等优点。
采用电子记录方式可以通过信息技术手段实现设备管理与自动化控制。
弱电设备保养记录是保证设备安全稳定运行的基础。
对于任何一种弱电设备,建立保养记录都是非常必要的。
保养记录可以帮助我们及时发现问题,解决故障,及时做好设备维护工作,降低设备维护成本和延长设备使用寿命。
弱电系统自检记录检查表(样本)背景介绍随着现代建筑的普及,弱电系统在建筑物中的重要性日益凸显。
弱电系统包括但不限于通信系统、电视系统、音像系统、消防报警系统、监控系统等。
在日常维护保养中,必须及时进行自检记录检查,以确保弱电系统的正常运行。
本文将给出一个弱电系统自检记录检查表样本,以供参考。
弱电系统自检记录检查表样本时间检查项目结果备注2022-09-01 电视系统正常无2022-09-01 监控系统正常无2022-09-02 通信系统异常描述:无法拨打外部电话2022-09-02 音像系统正常无2022-09-03 消防报警系统异常描述:火灾报警器故障2022-09-03 电视系统正常无检查项目说明下面对表格中出现的检查项目进行简要说明。
电视系统电视系统是指包括有线电视、卫星电视、地面数字电视等各种形式的电视频道接收系统。
检查时需确保信号源的正常输出、设备的正常运行、频道切换的畅通等。
监控系统监控系统包括了视频监控、安防门禁、智能物联网、安全防范等方面,可以对建筑物周围的整体、场所、人员、设施等作出预警和监控。
检查时需检查摄像头是否损坏、视频画面是否清晰、存储设备是否正常等。
通信系统通信系统是指建筑物内部和外部联系交流的各种设备及系统,如音频、电话、网络、传真等。
检查时需检查电话线路是否正常、通信设备是否工作正常等。
音像系统音像系统包括扬声器、扩音器、视听播放系统等。
检查时需检查设备是否正常、音响效果是否正常等。
消防报警系统消防报警系统是指建筑物内部的火灾报警器、手动报警按钮、报警控制器、喷淋、排烟、防烟等各种设备系统。
检查时需检查设备是否正常、报警信号是否正常等。
弱电系统是建筑物中不可或缺的重要设施,必须定期进行维护保养。
本文提供了一种弱电系统自检记录检查表样本,可供使用和参考。
当然,针对实际情况,每个建筑物应根据自身情况制定相应的自检记录检查表,并定期进行检查和维护,以保障弱电系统的正常运行。
弱电系统维护及保养报告样本1. 背景弱电系统是指电力系统中的低电压部分,包括但不限于通信系统、网络系统、安防系统等。
为了确保弱电系统的正常运行和延长其使用寿命,进行定期维护和保养是必要的。
2. 维护内容根据弱电系统的特点和实际情况,维护内容可以包括以下几个方面:2.1 检查设备定期检查弱电设备的运行状态,包括线路、插头、插座、开关等,确保其完好无损,没有松动或损坏的部分。
2.2 清洁设备定期清洁弱电设备,包括外壳、散热孔等,以防止灰尘和污垢的堆积影响设备的散热和正常运行。
2.3 检查电源检查弱电设备的电源供应情况,确保电源正常并且没有异常波动,以免影响设备的稳定性和安全性。
2.4 检查连接线路检查弱电设备的连接线路,确保连接牢固可靠,没有断裂、虚焊或短路等问题。
2.5 更新软件和固件定期更新弱电设备的软件和固件,以获得最新的功能和修复已知的漏洞和问题。
3. 保养报告对于每次维护和保养,应编写相应的保养报告,内容应包括以下几个方面:3.1 维护日期和时间记录维护的具体日期和时间,以便追溯和排查问题。
3.2 维护人员记录参与维护的人员姓名和工号,以便追溯责任和交流沟通。
3.3 维护内容详细描述进行的维护内容和操作步骤,以便后续查阅和复盘。
3.4 维护结果记录维护后的设备状态和运行情况,包括发现的问题、解决的方法和效果评估。
3.5 建议与改进根据维护过程中的观察和经验,提出相关设备或系统的改进建议,以进一步提升弱电系统的性能和可靠性。
4. 总结弱电系统的维护和保养是确保其正常运行和延长使用寿命的关键步骤。
通过定期检查设备、清洁设备、检查电源和连接线路,以及更新软件和固件,可以有效预防问题和故障的发生。
编写保养报告有助于记录维护过程和结果,并提出改进建议,以持续提升弱电系统的性能和可靠性。
无锡工艺职业技术学院教案〔首页〕教师姓名授课班级授课形式讲授授课日期年月日第周上课地点学习工程工程一隐形眼镜初步知识课时17学习任务任务2隐形眼镜的根本设计课时4知识目标能力目标1、了解角膜的结构和生理。
2、了解镜片的参数、可变参数、边缘形态对配戴舒适度的影响。
3、掌握镜片的直径、基弧、矢深三者间的关系及对配适状态的影响。
4、能根据配适状态合理地调换镜片。
重点:镜片的基弧、直径、矢深三者和配适状态间的关系。
教学重点难点:根据基弧、直径、矢深三者间的关系合理地调换镜片到达最正确教学难点的配适状态。
教学方法多媒体教学教学场所准备:多媒体教室。
教学准备教学资料准备:教材或讲义考核与评价单元自测作业布置教学后记无锡工艺职业技术学院教案纸教学步骤与内容(工程一隐形眼镜初步知识任务2 隐形眼镜的根本设计引入新课:由日常生活的例子如一张A4纸用水可贴在黑板上,同样的条件很难贴在圆球的外表。
结合隐形眼镜的配戴部位——戴在角膜外表的泪液层上引出隐形眼镜内外表的形态要和角膜外表相一致,从而引出隐形眼镜的根本设计。
讲授新课:一、角膜的结构与生理1、形态结构:椭圆形,~11mm,~12mm。
t(中央,t(周边)1mm,r(前,r(后。
e约。
角膜透明、无血管,中央呈圆形,向外逐渐平坦,主要由三叉神经眼支支配。
2、组织学结构由外到内分成五层,上皮细胞层、前弹力层、基质层、后弹力层、内皮细胞层。
3、生理功能1〕角膜上皮层:可再生,分化周期7-14天,可阻挡微生物和细菌侵入。
2〕前弹力层:损伤后不能再生。
3〕基质层:损伤后能再生,但速度缓慢,能保持物理强度、维持角膜形态。
4〕后弹力层:损伤后可再生。
5〕内皮细胞层:损伤后不能再生,会失去正六边形相互镶嵌排列的规律。
二、隐形眼镜的设计1、根本概念:1〕镜片的参数:2〕镜片的可变参数:3〕镜片的设计:2、镜片的可变参数1〕内曲面:球面弧、非球面弧。
——隐形眼镜镜片内外表常设计成双球弧面、多球弧面和抛物线弧面。
最全的弱电机房工程运维方案,后附所需表格弱电机房运维工作是一项重要的工作,如果我们刚做完一个机房工程,那么我们至少要提供一年的运维服务,如果后期还继续运维的话,可以再和业主谈,今天分享一套数据中心(IDC)运维内容,后附运维工作所需的表格。
正文:••IDC机房基础设施管理主要是对各类基础设施设备的巡检、监控、维护、操作,本体系制定了上述内容的具体方法及相关要求。
本体系指定的目标是保障机房基础设施、设备正常、安全、可持续运行,规范日常运行管理工作,对保障机房正常使用环境的设备运行进行有效监控。
本体系适用于基础设施各相关岗位。
•二、维护职能划分•日常巡检工作内容应由机房值班人员负责,巡检结束后填写《日常巡检记录表》。
维护保养工作应由专业分包服务人员实施,维护保养结束后及时填写维护保养记录,并应由机房运维岗位负责人签字确认。
原则上UPS及精密空调的维护应由设备厂商专职工程师实施。
••供配电系统是指通过电源由多种配电设备(或元件)和配电设施所组成直接向终端用户分配电能的一个电力网络系统。
是对低压配电柜、UPS系统等的统称。
1.3.1日常巡检内容2.供配电系统日常巡检内容包括:(1)配电室环境温度、洁净度,注意有无异味、异常声响等;(2)查看各个开关的仪表显示应正常;(3)查看各开关状态确认无误;(4)检查各开关有无异常声响、变形;(5)用点温仪测量开关温度并记录;(6)检查变压器温度、声音、电压、电流、风机启动有无异常;(7)日常巡检工作由值班人员进行,巡检状况因记录在《日常巡检记录表中》;1.3.2巡视检查频次2.每日一次。
1.3.3维护保养2.3.3.3.1月维护4.5.a)清洁设备表面和场所的卫生;6.7.b)对日常维护记录中反映出来的主要数据的变化规律进行分析,发现异常要进行调整或检修;8.9.c)检查转动和震动部件,紧固其不应松动的紧固件(不包括电气接点,电气接点的维护、紧固应有计划的停电进行);10.11.d)由分包服务责任人按规定填写《供配电系统维护记录表》。
网络设备维护保养的记录表格
为了确保网络设备的正常运行和提高网络服务质量,特制定本维护保养记录表格。
请根据实际情况填写以下内容:
维护保养内容
1. 设备外观检查
- 检查设备外壳是否有损坏、变形、松动等情况。
- 检查设备表面是否有异常发热现象。
2. 设备硬件检查
- 检查设备内部硬件是否有损坏、松动、灰尘过多等情况。
- 检查设备电源线、数据线等连接是否正常。
3. 设备软件检查
- 检查设备操作系统是否正常运行,无异常提示。
- 检查设备配置文件是否完整,无损坏。
4. 设备性能检查
- 检查设备网络性能是否正常,如带宽、延迟、丢包率等。
- 检查设备内存、存储等资源使用情况,确保正常运行。
5. 安全防护检查
- 检查设备安全策略是否正确设置,如防火墙、ACL等。
- 检查设备是否受到恶意攻击,如病毒、黑客等。
6. 备份配置文件
- 对设备配置文件进行备份,以备不时之需。
7. 记录维护保养情况
- 记录本次维护保养发现的问题及处理措施。
- 记录设备运行状况,为下次维护保养提供参考。
注意事项
1. 维护保养过程中,请确保设备处于断电状态,以免发生意外。
2. 请遵守设备厂家提供的操作规范,避免对设备造成二次损坏。
3. 维护保养记录需详细、真实,以便跟踪设备运行状况。
请根据以上内容进行填写和操作,以确保网络设备的正常运行。
如有疑问,请随时与维护保养人员联系。
弱电工程保养维修报告模板一、项目信息
项目名称:[项目名称]
项目地点:[项目地点]
报告日期:[报告日期]
二、维修保养内容
1. 弱电设备保养
对以下弱电设备进行保养并记录保养情况:
- [设备1名称]:
- 保养日期:
- 保养内容:
- 保养人员:
- [设备2名称]:
- 保养日期:
- 保养内容:
- 保养人员:
...
2. 弱电设备维修
对以下出现故障的弱电设备进行维修并记录维修情况:
- [设备1名称]:
- 故障描述:
- 维修日期:
- 维修内容:
- 维修人员:
- [设备2名称]:
- 故障描述:
- 维修日期:
- 维修内容:
- 维修人员:
...
三、总结
本次维修保养工作顺利完成,保养了设备X个,维修了设备X 个。
所有设备均已恢复正常运行。
四、建议与改进
针对本次维修保养工作,提出以下建议与改进措施:
- 建议定期对所有弱电设备进行保养,以确保设备的正常运行;
- 建议加强对设备故障的快速响应和解决能力,以减少设备停
机时间;
- 建议对保养和维修记录进行归档和整理,以便日后查询和分析。
五、附件
- [附件1:设备保养记录表]
- [附件2:设备维修记录表]
以上为弱电工程保养维修报告模板,根据实际情况填写相关内容,并确保准确记录保养和维修情况。
弱电工程设施保养报告模板一、报告基本信息1. 报告名称:弱电工程设施保养报告2. 报告日期:YYYY年MM月DD日3. 项目名称:XXX弱电工程项目4. 项目地点:XXX5. 业主单位:XXX6. 施工单位:XXX二、设施保养内容1. 弱电设备检查:包括服务器、交换机、路由器、防火墙等主要设备的运行状态、硬件配置、系统版本、接口连接等。
2. 网络运行状况:包括网络带宽、延迟、丢包率、设备利用率等指标的监测与分析。
3. 安全防护措施:检查安全设备(如防火墙、入侵检测系统等)的配置与策略,以及安全日志的分析和处理。
4. 系统与数据备份:检查系统备份文件、数据备份文件的存在性与完整性,确保可随时恢复关键数据。
5. 故障处理与维护:对发生的故障进行分类、记录、分析,并提出相应的解决方案和改进措施。
三、设施保养发现1. 设备运行正常,无故障现象。
2. 网络运行状况良好,带宽充足,延迟较低,丢包率正常。
3. 安全防护措施得当,无异常攻击和安全漏洞。
4. 系统与数据备份完整,可随时恢复关键数据。
5. 本周期内,共处理XXX起故障,均已及时解决,无影响项目运行。
四、设施保养改进措施1. 持续关注设备运行状态,定期对关键设备进行性能评估和升级。
2. 加强网络监控,对异常流量和潜在威胁进行实时预警和处理。
3. 定期更新安全策略,强化安全防护措施,提高系统安全性。
4. 优化备份策略,确保关键数据的安全性和可靠性。
5. 加强故障处理与维护能力,提高项目运行稳定性。
五、设施保养计划1. 下一保养周期:YYYY年MM月DD日。
2. 保养内容:同本报告第二部分。
3. 保养重点:根据本周期发现的问题和改进措施,对关键设备和系统进行重点关注和维护。
六、其他说明1. 本报告仅供参考,具体设施保养情况以实际检查为准。
2. 如有任何疑问或建议,请联系:XXX。
(本模板仅供参考,您可以根据实际需求进行修改和补充)。