mazak设定刀库电气原点
- 格式:docx
- 大小:15.04 KB
- 文档页数:1
十一、对刀操作基本上数控加工中心都会有G54~G59六个工件坐标系。
将编程坐标系与工件坐标系重合一起才可以正确加工。
1.G54~G59的工件坐标系设置方法如下:(1)在位置界面按左翻页键两次,出现工件偏移。
工件偏置画面功能如下:为EOA/ISO程序中的6个工件坐标系(G54到G59)设置零点偏置。
①画面容1、画面显示序号项目单位描述[1] X、Y、Z mm(inch)机床零点到G54标系零点的距离(工件零点偏置)4、 5、6 度或mm(inch)[2] X、Y、Z mm(inch)机床零点到G55系零点的距离4、 5、6 度或mm(inch)(工件零点偏置)[3] X、Y、Z mm(inch)机床零点到G56系零点的距离(工件零点偏置)4、 5、6 度或mm(inch)[4] X、Y、Z mm(inch)机床零点到G57系零点的距离(工件零点偏置)4、 5、6 度或mm(inch)[5] X、Y、Z mm(inch)机床零点到G58零点的距离(工件零点偏置)4、 5、6 度或mm(inch)[6] X、Y、Z mm(inch)机床零点到G59零点的距离(工件零点偏置)4、 5、6 度或mm(inch)[7] X、Y、Z mm(inch)工件零点在每个工件坐标系上的漂移量。
4、 5、6 度或mm(inch)[8] X、Y、Z mm(inch)与机床项目在位置画中一样。
参见位置画面一样。
4、 5、6 度或mm(inch)②数据注册下面数据可在工件偏置画面中。
1.工件坐标系G54到G59(项目[1][6])的零点偏置值工件零点偏置值是从机床零点到工件零点的偏置值。
2.工件坐标系(项目[7])的偏置值。
用于工件坐标系G54到G59偏移的外部工件零点偏置值.3.设定工件原点偏置值的步骤A.设定已知的工件原点偏置值(1)将光标移动到要设定偏置值的坐标系的相应轴的位置。
按下光标键调出光标,将光标移动到指定位置。
在伺服放大器的寄存器中,实现绝对位置检测。
如果电池电压降低或更换伺服放大器,保存在寄存器中的数据就会丢失即刀塔原点丢失,通过如下步骤可以重新设定刀塔原点:(1) 在手动模式下,按下刀箱拆散"TURRET UNCLAMP"菜单键。
(2) 按下机床菜单"MACHINE"键,调用机床菜单。
(3) 按下维修"MAINTENANCE"菜单键。
(4) 同时按下刀台模式"TURRET MODE"菜单键+MF1键,该菜单键高亮显示。
(5) 利用刀塔旋转"TOOL SELECT"按钮,使1号刀位转到当前位置(如下图所示)。
刀塔低速旋转。
(目测刀塔体侧面与刀塔座侧面平行。
)(6) 再次按下刀台方式"TURRET MODE"菜单键,取消高亮显示。
(7) 再次按下刀箱拆散"TURRET UNCLAMP"菜单键,锁紧刀塔。
当刀塔被正确锁紧时,就听不到定位销或电机发出的异常声音。
确认没有异常声音发出。
(8) 利用记号笔标记当前所在位置。
(9) 按下刀箱拆散"TURRET UNCLAMP"菜单键,重新松开刀塔。
(10) 重新同时按下刀台模式"TURRET MODE"菜单键+MF1键,使刀台模式"TURRET MODE"菜单键高亮显示。
(11) 在按下位置设定"TUR. HOME SET"菜单键的同时按下刀塔旋转"TOOL SELECT"按钮,刀塔缓慢旋转到达最近的栅格点停止。
绝对位置坐标系建立。
(12) 旋转刀塔达到步骤(8)所标记位置。
(13) 按下刀台方式"TURRET MODE"菜单键,取消高亮显示状态。
(14) 按下刀箱拆散"TURRET UNCLAMP"菜单键,锁紧刀塔。
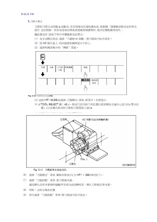
5-2-2 iNtt1.刀塔头尊点刀塔的刀塔头由伺服q达駆动.并采用绝对位誉检测系统.控制器“储着帔初始设定的爭点.进行定位控制。
但在电池电压降低或更换控制器等时.绝对位置数据将消失。
遇此情况时.按如下所示步骤重新设定零点:(1)在手动模式状态.选择“刀箱柝nr菜腋・便刀塔成为松开状杏•(2)按NC悚什盘上的向陆使机械艸显示于砂上.(3)选择机械菜唯中的“縛修”菜尬•Fig- 5-10刀埒的写点汝定(V2)(4)边按MF1键(28)边选择-刀箱模式-菜呛.使菜巾•反转显示.⑸ 按TOOL SELECT键〔43 J・移动刀具号码1的位菱以使其朝向主紬中心找方向(零点位置) (以目测大致对好刀塔和刀塔底座上面)o(6)选择“刀箱模式”菜单.解除反转显示(与MF1 « (28)同时按下)。
(7)选择“刀箱拆散”菜单.使刀塔被夹紧。
通过确认没有夹紧销的碰触声音或马达的蜂鸣音,确认刀塔被正常夹紧。
(8)用标,忐标记现在位置.(9)再次选择“刀箱拆散”菜单"使刀塔成为松开状态•(10)使“刀箱模式”菜单再次反转显示(与MF1键(28)同时按下)•(11)在选择了“刀箱康脚ft定”菜单的状态(在按下菜单键的状态)下•按TOOL SELECT键(43」(F/H)时,刀塔旋转.到达最初権樹位置时自动停止。
绝对位置坐标披建立。
(12)选择“刀箱模式”菜单•,解除反转显示(与MF1键(28)同时按下)・(13)使“刀箱模式”菜单再次反转显示(与MF1键(28)同时按下)・(14)使刀塔移动到在步骤(8)标记的位置。
(15)选抒“刀箱模式”菜单•,解除反转显示。
(16)选择“刀箱拆散”菜单,使刀塔被夹紧。
通过确认没有夹紧销的碰触声音或马达的蜂鸣音.确认刀塔被正常夹紧•(17)按电源断开按钮,断路器的OFF T ON操作連复2次。
按电源接通按QL接通了电源则结束.。
Tool Magazine Home Position Adjustment(M640M) (刀库原点调整M640M 系统,)The magazine servomotor is controlled by MR-J2-CT driver which can adjust the zero point (PK1) position by changing the position data. The procedure below describes how to set it using the ORIGIN SET in the zero-point adjustment.(刀库伺服电机使是被通过改变位置数据能调整零点位置的MR-J2驱动器控制,下面描述的是在原点调整中怎样‘原点设定’)1. Set the PLC parameter R2107 bit F to "1", and turn off the power. (The magazine home return becomes validated.)(更改参数R2107 位F为‘1’,开关机两次)(刀库原点回归有效)2. Make sure that the tool shifter is either in the magazine side or the ATC side.(确认刀具转换机构位置,刀库侧或换刀手臂侧)3. Turn on the power and select the magazine pocket PK1.(选择‘1’号刀袋在换刀位置)4. Press the MACHINE MENU key while the CNC is in the manual mode to display the machine menu, and then press the MAGAZINE SET.MENU key in the machine menu.(手动模式按下MACHINE 菜单后选择MAGZINE SET. MENU)5. Press the ORIGIN MODE menu key while holding the MF1 key pressed.(同时按下MF1和ORIGI MODE 菜单)* This operation makes the magazine rotation slow when the FORWARD and REVERSE buttons on the magazine operation panel and the MAGAZINE JOG CW and MAGAZINE JOG CCW menu keys in the machine menu are used.(此操作可以使刀库用MAGAZIEN JOG CW/CCW菜单 和 FORWARD/REVERSE 按键缓慢旋转)6. By using the FORWARD/REVERSE button on the magazine operation panel and the MAGAZINE JOG CW/MAGAZINE JOG CCW menu key in the machine menu, turn the magazine in order to set the magazine PK1 to the correct ATC position.(用刀库操作面板按键FORWARD/REVERSE 和MAGAZINE JOG CW/CCW 菜单旋转刀库使‘1’号刀袋到合适的换刀位置)* This position agrees with the center position of the tool shifter on the magazine side.(此位置与刀具转换机构在刀库侧的中心位置一致)7. Press the ORIGIN SET key while holding the MF1 key pressed. The menu begins blinking.(同时按下MF1和ORIGIN SET 菜单,ORIGIN SET 菜单开始闪烁)8. Hold the MAGAZINE JOG CW or MAGAZINE JOG CCW menu key pressed until the ORIGIN SET MENU key is highlighted.(持续按下MAGAZINE JOG CW OR MAGAZINE JOG CCW 菜单直到ORIGIN SET MENU 电亮)9. Turn off and on the power and check that the magazine stops at the correct position by rotating it. Note!! please wait 10sec to back on the main braker after turn it off.(关开机后按下MAGAZINE HOME RETURN 菜单,检查确认‘1’号刀袋在正确位置)(关机后再次开机请间隔时间超过10秒)10. Set the PLC parameter R2107 Bit F to "0". (This magazine home return becomes invalidated.)(更改参数R2107位F 为‘0’)。
Mazak立式加工中心重新设定ATC臂电气原点作业指导书Mazak立式加工中心ATC电气原点在放大器电池电量低于2.6V时会丢失,如果因为电池或其他原因丢失了电气原点,请按照以下步骤进行恢复(注意观察刀套位置,刀套必须倒下方可进行以下操作,刀套倒下方法为关闭机床电源,手动释放电磁阀YV16):1、按屏幕下方左翻页键2、下图中红圈处诊断菜单键进入诊断主画面3、下图中红圈处版本菜单键进入版本画面4、在版本界面,按机床屏幕下方右翻页键5、现在就可以从机床操作面板直接输入密码1131,如下图所示11316、输入1131后,按机床操作面板上的“INPUT”7、打开机床数据编辑锁。
8、按屏幕下方左翻页键,点击下图红圈处参数菜单,进入参数菜单界面。
9、点击下图红圈处PLC参数菜单,进入PLC参数菜单界面。
10、点击下图红圈处RB参数菜单。
(VTC-160将R2105参数0043更改为4043)11、选择RB12号参数,然后点击下图红圈处位输入菜单。
12、选择RB12号参数,然后点击下图红圈处位6菜单,使位6菜单点亮。
13、关闭系统,等待10秒开启系统。
14、按机床面板上扳手键,然后点击下图红圈出F0菜单,进入机械菜单。
15、按机床面板上右软键。
16、同时按住MF1+MF2+ATC臂原点模式菜单键使ATC臂原点模式菜单键点亮,同时按住MF1+MF2+ATC臂原点设置菜单键使ATC臂原点设置菜单键点亮。
17、按ATC臂马达CW或ATC臂马达CCW菜单键,使ATC臂原点模式和ATC臂原点设置键灯熄灭,完成ATC电气原点的设置。
18、关机——开机。
19、重新进入ATC臂调整界面,重复点击ATC臂0度键,直到该菜单键灯点亮。
20、用三件套检查ATC臂位置是否正确,如果不正确,调整ATC臂后按以上步骤重新设定ATC电气原点。
21、重新进入设置,将RB12号参数位6灯熄灭,关机——开机,完成整个ATC臂零点的设置。
MAZAK 机床操作说明书操作说明书 MAZATROL MATRIX (INTEGREX IV 规格) NC 单元的操作和自动运行准备说明书编号: H740S30030C 机械编号: 在使用本机之前,请充分掌握本说明书内容,进行正确的操作或作业。
如果有任何疑问之处,请与就近的MAZAK 技术服务中心或技术中心联系。
重要说明 1. 务必遵守说明书内的安全事项,以及贴在机械上的安全铭牌的内容。
如果没有遵从这些内容,可能会造成重大的人身事故或物品损害。
如果需要交换用的安全铭牌,请向MAZAK 技术服务中心或技术中心订购。
2. 切忌擅自进行影响机械安全性的任何改造。
如果希望进行改造,请与MAZAK 技术服务中心或技术中心联系。
3. 为说明细节部分,本说明书中部分例图以卸下护罩或门的状态画出。
请注意,为安全起见,在实际运转时必须装好。
4. 本说明书根据最新材料编写,然而因为不断的技术革新而万一在所购买的机械与本说明书内容有所不同,请与MAZAK 技术服务中心或技术中心联系。
MAZAK 技术服务中心或技术中心将会提供正确的资料。
5. 请将本使用说明书保管在机械附近,以便随时查阅。
6. 要重新订购说明书时,请与说明书编号(或机械名称、机械编号、说明书名称)一并与就近的 MAZAK 技术服务中心或技术中心联系。
说明书制作: YAMAZAKI MAZAK CORP. 说明书编辑科02. 2006 第3 部NC 单元的操作和自动运行准备INTEGREX IV 规格H740S30030C 安全注意事项S-1 安全注意事项前言为进一步安全使用安装有CNC(电脑数控)装置(以下简称NC)的本机,下面说明有关NC 的安全注意事项。
为此,不仅是进行程序设计的人员,而且是进行机械操作等的人员也需要充分掌握本说明书内容后进行作业。
另外,根据所使用的NC 不同,由于没有对应的功能、任选装置,因此会有不符合的注意事项,但希望通读一下。
Mazak 重新设定机床原点作业指导书
Mazak立式数控加工中心(VTC-160和VCN-410两种型号)出现“12绝对位置警告”报警时,就指示保存绝对位置数据的电池电压变低。
如果出现该报警,应检查全部轴放大器电池电压并对电压值低于2.8V的电池进行更换。
电池型号:
更换电池是可以在开机状态下执行,此时需特别注意安全,防止短路发生。
如果在关机状态下更换电池,请保证机床先开机半个小时以上,并在一个小时内完成电池的更换。
如果在更换电池的时候不小心导致机床原点丢失,或因其他原因机床出现“机床原点丢失”无法执行回零操作时,请按以下步骤重新设定机床原点。
1、按屏幕下方左翻页键
2、下图中红圈处诊断菜单键进入诊断主画面
3、下图中红圈处版本菜单键进入版本画面
4、在版本界面,按机床屏幕下方右翻页键
5、现在就可以从机床操作面板直接输入密码1131,如下图所示
1131
6、输入1131后,按机床操作面板上的“INPUT”
7、进入参数画面,按下图的“SERVO MONITOR”菜单键,在右侧会多出“参数”菜单
8、按“参数”菜单,参数菜单会变成红色,屏幕上就会弹出主轴参数设置框
9、使用机床操作面板上的翻页键(上翻页、下翻页)和方向键来移动光标选择参数SV17号参数。
10、将X、Y、Z和A轴的SV17号参数由&208C调整为&200C(即由“绝对位置控制”改为“相对位置控制”)
11、关机——开机,执行机床回零操作。
12、机床报警消除后,重复以上步骤将SV17号参数改回到原来的&208C。
13、关机——开机,检查机床回零,确认各轴动作正常。
马扎克 MAZATROL MAZAK 加工中心操作说明书1. 简介马扎克MAZATROL MAZAK加工中心是一种先进的数控加工设备,具有高精度、高效率、多功能的优点。
本操作说明书旨在帮助操作员了解如何正确操作马扎克加工中心,以确保设备的正常运行和操作安全。
2. 设备组成马扎克MAZATROL MAZAK加工中心由以下几个主要组成部分组成:2.1 控制系统控制系统是马扎克加工中心的核心,它负责接收操作员输入的指令,并控制机床的动作、工具切换、工件夹持等。
2.2 机床本体机床本体是马扎克加工中心的实际加工设备,包括主轴、进给轴、主轴夹具等。
它接受控制系统的指令,并进行相应的运动和加工操作。
2.3 自动换刀系统自动换刀系统能够自动切换不同的刀具进行加工,提高加工效率。
操作员可以根据不同的加工要求设定合适的刀具切换方案。
2.4 冷却液系统冷却液系统负责向刀具提供冷却润滑剂,降低切削温度,提高切削效率和工具寿命。
3. 操作流程以下是马扎克MAZATROL MAZAK加工中心的基本操作流程:3.1 开机1.检查电源连接是否正常,确保设备接地良好。
2.打开主电源,待设备完成自检并启动后,打开控制系统电源。
3.根据操作系统提示,登录系统。
3.2 加载加工程序1.使用USB设备或网络上传加工程序文件。
2.在控制系统中选择加载加工程序的路径和文件。
3.检查加载的加工程序是否正确。
3.3 设置工件坐标系1.根据实际情况,选择合适的工件坐标系。
2.使用工具进行测量和校准,确保工件位置的准确性。
3.4 设置切削条件1.根据加工要求,设定合适的切削速度、进给速度等参数。
2.根据刀具种类和材料选择合适的冷却液。
3.5 预备操作1.安装合适的夹具,固定工件。
2.根据切削条件确定合适的刀具,并安装在主轴夹具上。
3.调整工件位置和刀具位置,确保加工路径和刀具路径相符。
3.6 开始加工1.启动加工程序,控制系统会自动执行加工操作。
mazak设定刀库电气原点
M640 VTC三位数系列
设定刀库电气原点
备注:适用于因更换刀库伺服电机使电气原点丢失产生的报警。
1、将1号刀套位置至于当前位置,即可以实现换刀位置。
注:如果当前位置不是1号刀套,先按以下步骤设定原点,然后使刀库在正常状态下旋转,使1号刀套转到当前刀位,再按如下步骤重新设定一次原点。
2、按下诊断-版本-诊断监控,将诊断监控画面中的PLC参数R2105由0043改为4043,关
断电源,使原点设定有效。
(VNC机型由0003改为6003)
3、接通电源,在手动模式下,按下MACHINE机床菜单键,调用机床菜单。
4、按下F0 菜单键。
(确定‘机械手0’菜单键是否为点亮状态,如果未点亮,请先设定机
械手原点)
5、同时按下刀库原点菜单键+MF1键,该菜单键点亮。
6、同时按下刀库原点设定菜单键+MF1键,该菜单键点亮。
7、同时按下刀库正向电动菜单键+MF1键,直到点亮的刀库原点菜单键和刀库原点设定菜
单键熄灭为止。
8、关断电源(等待10秒以上)再接通电源。
9、按下刀库返回零点菜单键,使刀库返回原点。
10、将参数R2105改为0043,关断电源,使刀库原点位置设定无效。
Mazak立式加工中心重新设定刀库电气原点作业指导书
Mazak立式加工中心刀库电气原点在放大器电池电量低于2.6V时会丢失,如果因为电池或其他原因丢失了电气原点,请按照以下步骤进行恢复:
1、按屏幕下方左翻页键
2、下图中红圈处诊断菜单键进入诊断主画面
3、下图中红圈处版本菜单键进入版本画面
4、在版本界面,按机床屏幕下方右翻页键
5、现在就可以从机床操作面板直接输入密码1131,如下图所示
6、输入1131后,按机床操作面板上的“INPUT”
7、打开机床数据编辑锁。
8、按屏幕下方左翻页键,点击下图红圈处参数菜单,进入参数菜单界面。
9、点击下图红圈处PLC参数菜单,进入PLC参数菜单界面。
10、点击下图红圈处RB参数菜单。
11、选择RB12号参数,然后点击下图红圈处位输入菜单。
12、选择RB12号参数,然后点击下图红圈处位6菜单,使位6菜单点亮。
13、关闭系统,等待10秒开启系统。
14、按机床面板上扳手键,然后点击下图红圈出F0菜单,进入机械菜单。
15、同时按住MF1+MF2+刀库原点键使刀库原点菜单键点亮,同时按住MF1+MF2+刀库原点设置菜单键使刀库原点设置菜单键点亮。
16、按刀库向前或刀库反转菜单键,完成刀库电气原点的设置。
17、关机——开机。
18、确认刀号是否正确,如果不正确,手动旋转刀库使1号到对准下方,然后按以上步骤重新设计刀库电气原点。
M640 VTC三位数系列
设定刀库电气原点
备注:适用于因更换刀库伺服电机使电气原点丢失产生的报警。
1、将1号刀套位置至于当前位置,即可以实现换刀位置。
注:如果当前位置不是1号刀套,先按以下步骤设定原点,然后使刀库在正常状态下旋转,使1号刀套转到当前刀位,再按如下步骤重新设定一次原点。
2、按下诊断-版本-诊断监控,将诊断监控画面中的PLC参数R2105由0043改为4043,关
断电源,使原点设定有效。
(VNC机型由0003改为6003)
3、接通电源,在手动模式下,按下MACHINE机床菜单键,调用机床菜单。
4、按下F0 菜单键。
(确定‘机械手0’菜单键是否为点亮状态,如果未点亮,请先设定机
械手原点)
5、同时按下刀库原点菜单键+MF1键,该菜单键点亮。
6、同时按下刀库原点设定菜单键+MF1键,该菜单键点亮。
7、同时按下刀库正向电动菜单键+MF1键,直到点亮的刀库原点菜单键和刀库原点设
定菜单键熄灭为止。
8、关断电源(等待10秒以上)再接通电源。
9、按下刀库返回零点菜单键,使刀库返回原点。
10、将参数R2105改为0043,关断电源,使刀库原点位置设定无效。