主要污染物排放标准及类别精选文档
- 格式:docx
- 大小:56.96 KB
- 文档页数:8
国家污染物排放标准
国家污染物排放标准是指国家对于工业企业、交通运输、生活污水等排放的污
染物所规定的限制标准。
这些标准的制定是为了保护环境、维护生态平衡、保障人民健康,是环境保护工作的重要内容之一。
首先,国家对于工业企业的污染物排放标准进行了严格的规定。
工业企业作为
污染物的主要排放源,其排放对环境造成的影响尤为显著。
因此,国家对工业企业的污染物排放标准进行了严格的限制,要求企业在生产过程中严格控制污染物的排放,确保不超过国家规定的标准限值。
其次,交通运输也是重要的污染物排放源。
汽车尾气、船舶废气等都是造成空
气污染的重要原因。
因此,国家对交通运输的污染物排放标准也进行了严格的规定,要求车辆和船舶在使用过程中必须符合国家规定的排放标准,采取有效措施减少污染物的排放。
此外,生活污水的排放也是环境保护工作中需要重点关注的问题。
国家对于城
市污水处理厂的建设和运行提出了严格的标准要求,要求污水处理厂必须对污水进行有效处理,确保排放的水质符合国家规定的标准,不对周围环境造成污染。
国家污染物排放标准的制定和执行,对于保护环境、改善生态环境、维护人民
健康具有重要的意义。
只有严格执行这些标准,才能有效地减少污染物对环境造成的危害,保护好我们的家园。
总之,国家污染物排放标准的制定是环境保护工作的重要举措,是保护环境、
改善生态环境、维护人民健康的重要保障。
我们每个人都应该从自身做起,积极支持并执行国家的环境保护政策,共同为建设美丽中国贡献自己的力量。
希望通过全社会的努力,我们的环境会变得越来越美好。
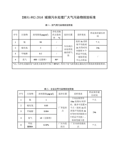
DB31-982-2016 城镇污水处理厂大气污染物排放标准
表一:排气筒污染物排放限值
GB14554-1993恶臭污染物排放标准表三:排气筒污染物排放限值
表四:厂界污染物排放限值
GB16297-1996大气污染物综合排放标准
表五:排气筒污染物排放限值
表六:无组织排放限值
GB18918-2002城镇污水处理厂污染物排放标准
(大气)
表七:厂界(防护带边缘)废气排放限值
图1
GB18918-2002城镇污水处理厂污染物排放标准
(水)
表八:基本控制项目最高允许排放浓度(日均值)
GB50325-2010 民用建筑工程室内环境污染控制规范
表九:基本控制项目最高允许排放浓度
图2。
主要行业污染物排放系数参照表一、主要污染物排放系数(一)燃料燃烧过程中的污染物排放系数1、每吨蒸气所产生的烟气量[单位:米3/(时·吨)]若锅炉尾部的实际过剩空气系数a值与表内数值不同时,并要将排烟量换算为标准状态下的排烟量,可按下式计算:GNm=a/a'V D273/273+t'式中:GNm——标准状态下实际排烟量(标米3/时);a'——表中过剩空气系数;V’——表中排烟温度t'时的烟气量(米3/时)t'——表中的排烟度(o c)a——实际过剩空气系数;D——锅炉蒸发量(吨/时)。
2、燃烧1吨煤炭排放的各污染物量 (单位:千克/ 吨)注:S*指煤的含硫量(%)。
若煤的含硫量为2%,则1吨煤然烧排SO2为16.0×2=32千克。
统计固体、液体和气体等燃料排放的各种污染物量时,如公式法和查表法计算的结果不同时,以公式计算的结果数为准。
3、燃烧1立方米油排放的各污染物量(单位:千克/米3)注:S*指燃料含硫量(%),计算方法与燃煤同,油类含硫量:原油0.1%-3.3%,汽油<0.25%,轻油0.5%-0.75%,重油0.5-3.5%4、燃烧1百万立方米燃料气排放的各污染物量(二)生产过程中的污染物排放系数1、冶金工业(1)钢铁工业(2)有色金属工业有色金属工业(单位:吨)2、煤炭工业3、化学工业(1)无机化学工业无机化学工业包括酸碱、合成氨、氮、磷、钾肥和各种无机盐类的生产,下面只介绍几个主要行业生产过程中污染物排放系数。
(2)有机化学工业有机化工是以石油、煤、天然气为原料,通过一系列复杂的化学反应制得有机原料或产品,有机化工副产品多、废水量大,现将部分有机原料或产品的污染物排放系数作以介绍:1)基本有机合成基本有机合成工业排污系数:2)高分子合成工业3)石油工业4)日用化学工业(单位:吨)5)农药工业(单位:吨)4、轻工业(1)食品工业(2)造纸工业(3)纺织印染工业5、制革工业制革工业中,污染物主要来自准备工段和鞣制工段产生的工业废水。
中国现在的排放标准中国的排放标准是指对于各类污染物的排放要求和限制。
目前中国制定了一系列的环保、减排政策以应对日益严峻的环境问题,其中就包括了严格的排放标准。
以下是中国现有的主要排放标准。
1. 大气污染物排放标准我国主要大气污染物排放标准包括二氧化硫、氮氧化物、PM10、PM2.5等。
其中,二氧化硫和氮氧化物是导致雾霾天气形成的主要污染物,PM10和PM2.5则是空气中悬浮颗粒物质。
当前,中国对这些污染物的排放标准分别为:(1)二氧化硫:烧煤、石油、天然气等化石燃料的排放标准为 200-400毫克/立方米,其他行业的排放标准为 100-200毫克/立方米。
(4)PM2.5:首都北京、天津、河北等部分城市须严格执行的日均值限量为 35微克/立方米,其他城市为 75微克/立方米。
2. 汽车排放标准车辆排放是城市污染的重要源头之一。
为了减少车辆排放对城市环境的污染,中国制定了各类车辆所需符合的排放标准,涵盖了尾气中的一氧化碳、氮氧化物、颗粒物等污染物。
目前,我国的汽车排放标准参考欧盟的标准,并按照国情进行微调。
2019年7月,中国出台了国六排放标准。
具体要求是:达到国六标准的汽柴油车,一次性污染物排放浓度应不超过 2.3毫克/立方米或 4.5毫克/立方米。
工业生产中,颗粒物、因物脱除器和废气等污染物是重要的污染源。
加强工业废气的管理和限制,有利于环境保护。
我国的工业废气排放标准包括挥发性有机物排放标准、重金属排放标准、氯气排放标准、废气排放总量控制标准等等。
我国水资源状况不容乐观,水污染问题严重。
为了保护水质环境,我国制定了一系列的水污染物排放标准,对于企业生产和排污行为进行了规范。
包括对废水中的化学需氧量(COD)、五日生化需氧量 (BOD5)、氨氮等污染物级别的规定和控制。
5. 噪声污染标准随着城市化进程的加速,汽车、机器以及工业设备的噪音污染问题也日益突出。
因此,我国在2017年颁布了新修订的《城市道路交通噪声排放标准》和《工矿企业噪声排放标准》,对城市道路交通噪声和工矿企业噪声进行了规范。
各行业水污染排放标准大全第一部分综合类(水)污染物排放标准1.1城镇污水处理厂污染物排放标准中华人民共和国国家标准城镇污水处理厂污染物排放标准GB 18918 — 2019国家环境保护总局关于发布《城镇污水处理厂污染物排放标准》的公告环发[2019] 179号为贯彻《中华人民共和国环境保护法》,加强城镇污水处理厂污染物排放控制和污水资源化利用,保障人体健康,现批准《城镇污水处理厂污染物排放标准》为国家污染物排放标准,并由我局和国家质量监督检验检疫总局联合发布。
标准编号、名称如下:GB 18918 ― 2019 城镇污水处理厂污染物排放标准。
该标准为强制性标准,由中国环境科学出版社出版,自2003年7月1日起实施。
特此公告。
2019年12月24日前言为贯彻《中华人民共和国环境保护法》、《中华人民共和国水污染防治法》、《中华人民共和国海洋环境保护法》、《中华人民共和国大气污染防治法》、《中华人民共和国固体废物污染环境防治法》,促进城镇污水处理厂的建设和管理,加强城镇污水处理厂污染物的排放控制和污水资源化利用,保障人体健康,维护良好的生态环境,结合我国《城市污水处理及污染防治技术政策》,制定本标准。
第 1 页本标准分规定了城镇污水处理厂出水、废气和污泥中污染物的控制项目和标准值。
本标准自实施之日起,城镇污水处理厂水污染物、大气污染物的排放和污泥的控制一律执行本标准。
排入城镇污水处理厂的工业废水和医院污水,应达到GB 8978《污水综合排放标准》、相关行业的国家排放标准、地方排放标准的相应规定限值及地方总量控制的要求。
本标准为首次发布。
本标准由国家环境保护总局科技标准司提出。
本标准由北京市环境保护科学研究院、中国环境科学研究院负责起草。
本标准由国家环境保护总局2002年12月2日批准。
本标准由国家环境保护总局负责解释。
城镇污水处理厂污染物排放标准1 范围本标准规定了城镇污水处理厂出水、废气排放和污泥处置(控制)的污染物限值。
污染物排放标准(⼀)⼤⽓污染物综合排放标准(1)掌握本标准的适⽤范围。
本标准适⽤于现有污染源⼤⽓污染物排放管理,以及建设项⽬的环境影响评价、设计、环境保护设施竣⼯验收及其投产后的⼤⽓污染物排放管理。
(2)熟悉本标准的指标体系;本标准设置下列三项指标:1通过排⽓筒排放废⽓的允许排放浓度。
2 通过排⽓筒排放的废⽓,按排⽓筒⾼度规定的允许排放速率。
任何⼀个排⽓筒必须同时遵守上述两项指标,超过其中任何⼀项均为超标排放。
3 以⽆组织⽅式排放的废⽓,规定⽆组织排放的监控点及相应的监控浓度限值。
(3)掌握排放速率标准分级;按污染源所在的环境空⽓质量功能区类别,执⾏相应级别的排放速率标准,即:位于⼀类区的污染源执⾏⼀级标准(⼀类区禁⽌新、扩建污染源,⼀类区现有污染源改建执⾏现有污染源的⼀级标准);位于⼆类区的污染源执⾏⼆级标准;位于三类区的污染源执⾏三级标准。
(4)熟悉关于排⽓筒⾼度与排放速率的有关规定;排⽓筒⾼度除须遵守表列排放速率标准值外,还应⾼出周围200⽶半径范围的建筑5⽶以上,不能达到该要求的排⽓筒,应按其⾼度对应的表列排放速率标准值严格50%执⾏。
新污染源的排⽓筒⼀般不应低于15⽶。
若新污染源的排⽓筒必须低于15⽶时,其排放速率标准值按外推计算结果再严格50%执⾏。
(5)熟悉监测采样时间与频次;排⽓筒中废⽓的采样以连续1⼩时的采样获取平均值;或在1⼩时内,以等时间间隔采集4个样品,并计平均值。
⽆组织排放监控点的采样⽆组织排放监控点和参照点监测的采样,⼀般采⽤连续1⼩时采样计平均值;若浓度偏低,需要时可适当延长采样时间;若分析⽅法灵敏度⾼,仅需⽤短时间采集样品时,应实⾏等时间间隔采样,采集四个样品计平均值。
特殊情况下的采样时间和频次若某排⽓筒的排放为间断性排放,排放时间⼩于1⼩时,应在排放时段内实⾏连续采样,或在排放时段内以等时间间隔采集2个~4个样品,并计平均值;若某排⽓筒的排放为间断性排放,排放时间⼤于1⼩时,则应在排放时段内上述的要求采样;当进⾏污染事故排放监测时,应按需要设置采样时间和采样频次,不受上述要求的限制;建设项⽬环境保护设施竣⼯验收监测的采样时间和频次,按国家环境保护局制定的建设项⽬环境保护设施竣⼯验收监测办法执⾏。
主要污染物排放标准及类别Modified by JACK on the afternoon of December 26, 2020主要污染物排放标准及类别污水排放:执行污水综合排放标准GB8978-2002 表四中三级标准。
噪声排放:执行建筑施工场界噪声排放标准GB12523-2011中相关标准。
扬尘排放:执行大气污染物综合排放标准GB16297-2004中表2颗粒物无组织排放标准。
固体废弃物:执行《生活垃圾填埋场污染控制标准》GB16889-2008;《危险废物焚烧污染控制标准》 GB18484-2011,一般废物和为吸纳废物分类处理。
环境保护部会同国家质检总局日前发布了《锅炉大气污染物排放标准》GB13271—2014、《生活垃圾焚烧污染控制标准》GB18485—2014、《锡、锑、汞工业污染物排放标准》GB30770—2014和《非道路移动机械用柴油机排气污染物排放限值及测量方法中国第三、四阶段》GB20891—2014等四项国家大气污染物排放控制标准。
就此四项标准的相关内容,环境保护部科技标准司有关负责人回答了记者的提问。
一、关于《锅炉大气污染物排放标准》问:标准修订的必要性和背景是什么?答:《锅炉大气污染物排放标准》GB13271-2001发布实施以来,在控制烟尘、酸雨和二氧化硫污染等方面发挥了重要作用。
随着我国烟气治理技术的成熟,锅炉单台容量的快速增大,现有的锅炉大气污染物排放标准已显得较为宽松。
同时,我国燃煤量持续增加,单台容量较小的锅炉数量比例高,宽松的排放标准不利于提高污染治理设施效率、提升设施的运行水平。
在当前能源结构尚处于以燃煤为主的情况下,锅炉大气污染物排放量大,直接影响环境空气质量。
因此,为满足我国环境空气质量改善和污染物总量减排的目标而进行标准的修订显得尤为迫切。
问:新标准的制定思路是如何确定的?答:鉴于我国锅炉炉型众多、量大面广,制定一个全国统一的严格标准可操作性不强,新标准综合考虑环境管理需求和环保标准体系建设,确定基于成熟的最佳可行污染防治技术制订较为严格的国家排放标准。
主要污染物排放限制
一、主要水污染物排放限值
按照《广东省水污染物排放限值》(DB 44/26-2001)的规定,罗村街道内水域属于二类控制区,对应企业排放的污水应执行二级标准。
另外,建设项目根据其建设时间,其水污染物排放执行下列规定:
(1)2002年1月1日前建设的项目,水污染物排放执行第一时段标准;
(2)2002年1月1日起建设的项目,水污染物排放执行第二时段标准。
根据以上两点现列出各项主要污染物的第一、第二时段的二级标准限值:
单位为mg/L
二、主要大气污染物排放限值
按照《广东省大气污染物排放限值》(DB 44/27-2001)的规定,罗村街道属于环境空气二类控制区,位于二类控制区的污染源(企业)执行二级标准。
另外,建设项目根据其建设时间,其大气污染物排放执行下列规定:
(1)2002年1月1日前建设的项目执行第一时段限值;
(2)2002年1月1日起建设的项目执行第二时段限值。
根据以上两点现列出各项主要污染物的第一、第二时段的二级标准限值:
单位为mg/m3
注1:其中VOCVOC是挥发性有机化合物(volatile organic compounds)的英文缩写。
主要成分有:烃类、卤代烃、氧烃和氮烃,它包括:苯系物、有机氯化物、氟里昂系列、有机酮、胺、醇、醚、酯、酸和石油烃化合物等。
现只选取列出部分代表性污染物的排放限值。
1、建设项目概括甘肃金盛能源股份有限公司兰炭气、焦炉气、电石气综合利用年产8万吨液化甲烷项目投资42155.0万元,利用金昌日升隆化工有限公司产生的兰炭尾气并依托丰盛环保科技股份有限公司200Kt/a合成氨装置预处理后的焦炉气、电石气,经变压吸附后生产80Kt/aLNG产品,同时为丰盛环保科技股份有限公司200Kt/a合成氨装置提供原料气。
从而实现了生产装置所用原料的大突破,使得生产成本大幅下降,在节约成本提高经济效益的同时实现变废为宝,解决了园区环境污染和资源浪费的问题。
(1)项目名称兰炭气、焦炉气、电石气综合利用年产8万吨液化甲烷项目;(2)建设单位甘肃金盛能源股份有限公司。
(3)建设地点拟建项目位于河西堡镇化工集中区,厂区北侧为甘肃丰盛环保科技股份有限公司厂区,西北侧为鑫华焦化有限公司厂区,东南侧为金泥水泥厂。
(4)建设性质及总投资本项目建设性质为新建,项目总投资42155.0万元。
(5)建设规模拟建项目新建兰炭气柜一座、变温吸附车间、变换车间、变压吸附车间、净化车间、深冷分离车间及产品LNG储罐等主体工程内容和配套的办公生活设施,投入运营后达到年产LNG8万吨的规模。
(6)产品方案本项目年生产LNG 8.0万吨。
LNG产品目前没有国家标准,项目LNG产品部分参照执行《液化天然气一般特性(GB/T19204-2004)》的技术规格。
(6)建设内容项目组成以及建设内容见表1:表1 主要建设内容一览表2、产业政策符合性分析项目属于《产业结构调整指导目录》(2011年版)中鼓励类中第三十八项“环境保护与资源节约综合利用”中的第15项“三废”综合利用及治理工程,项目的建设符合国家产业政策。
3、建设项目所在区域环境质量现状(1)环境功能区划①环境空气功能区划依照《环境空气质量标准》中的规定,本项目位于大气环境二类区域内。
②声环境功能区划河西堡镇对产业园拟建地区未进行声环境功能区划分,依照《声环境质量标准》中的规定,该区域是以工业生产为主要功能,需要防止工业噪声对周围环境产生严重影响的区域,应属于3类声环境功能区。
主要污染物排放标准及类别精选文档TTMS system office room 【TTMS16H-TTMS2A-TTMS8Q8-主要污染物排放标准及类别污水排放:执行污水综合排放标准GB8978-2002 表四中三级标准。
噪声排放:执行建筑施工场界噪声排放标准GB12523-2011中相关标准。
扬尘排放:执行大气污染物综合排放标准GB16297-2004中表2颗粒物无组织排放标准。
固体废弃物:执行《生活垃圾填埋场污染控制标准》GB16889-2008;《危险废物焚烧污染控制标准》 GB18484-2011,一般废物和为吸纳废物分类处理。
环境保护部会同国家质检总局日前发布了《锅炉大气污染物排放标准》GB13271—2014、《生活垃圾焚烧污染控制标准》GB18485—2014、《锡、锑、汞工业污染物排放标准》GB30770—2014和《非道路移动机械用柴油机排气污染物排放限值及测量方法中国第三、四阶段》GB20891—2014等四项国家大气污染物排放控制标准。
就此四项标准的相关内容,环境保护部科技标准司有关负责人回答了记者的提问。
一、关于《锅炉大气污染物排放标准》问:标准修订的必要性和背景是什么?答:《锅炉大气污染物排放标准》GB13271-2001发布实施以来,在控制烟尘、酸雨和二氧化硫污染等方面发挥了重要作用。
随着我国烟气治理技术的成熟,锅炉单台容量的快速增大,现有的锅炉大气污染物排放标准已显得较为宽松。
同时,我国燃煤量持续增加,单台容量较小的锅炉数量比例高,宽松的排放标准不利于提高污染治理设施效率、提升设施的运行水平。
在当前能源结构尚处于以燃煤为主的情况下,锅炉大气污染物排放量大,直接影响环境空气质量。
因此,为满足我国环境空气质量改善和污染物总量减排的目标而进行标准的修订显得尤为迫切。
问:新标准的制定思路是如何确定的?答:鉴于我国锅炉炉型众多、量大面广,制定一个全国统一的严格标准可操作性不强,新标准综合考虑环境管理需求和环保标准体系建设,确定基于成熟的最佳可行污染防治技术制订较为严格的国家排放标准。
同时,还考虑各地对地方环境质量管理的需求,在标准中明确地方省级人民政府根据各自情况可依法制定更严格的地方排放标准。
两级排放标准体系将共同构成我国锅炉行业的排放标准体系。
排放限值确定采用如下的原则:1严格控制燃煤锅炉新增量,加速淘汰燃煤小锅炉,降低燃煤锅炉大气污染物排放量;推动清洁能源的使用。
2一般地区向现行的地标排放限值看齐;重点地区实施特别排放限值,采用最先进的技术和措施满足达标排放。
3重点解决颗粒物排放的问题,推广使用先进的布袋除尘和静电除尘技术;兼顾二氧化硫治理,采用高效的湿法脱硫技术;促进低氮燃烧技术发展;将汞污染物控制逐步纳入排放管理。
问:与2001年标准相比,新标准主要在哪些方面做了修改?答:新标准增设了燃煤锅炉氮氧化物和汞及其化合物的排放限值,规定了大气污染物特别排放限值,取消了按功能区和锅炉容量执行不同排放限值的规定,取消了燃煤锅炉烟尘初始排放浓度限值;提高了各项污染物排放控制要求,同时规定环境影响评价文件要求严于本标准或地方标准时,按照批复的环境影响评价文件执行。
问:新标准实施的环境效益和经济成本如何?答:执行新标准后,10t/h以下的燃煤锅炉需要进行燃油和燃气锅炉改造、集中供热或并网、替代优质型煤锅炉和生物质成型燃料锅炉等措施,10t/h以上燃煤锅炉需要安装机械除尘+湿法脱硫或电除尘+湿法脱硫装置,这些措施的应可带来锅炉烟尘烟尘削减66万吨,二氧化硫削减314万吨。
为满足排放标准的要求,大部分在用锅炉需要进行污染治理设施的新投入,根据不同的改造方案选择,10t/h以下小锅炉改造总成本在1600亿元-2000亿元,10t/h以上燃煤锅炉,改造总投资在1608亿元-2067亿元。
根据我国经济发展情况,预测每年还将新增锅炉8-10万t,其中燃煤锅炉占80%,采取电除尘+湿法脱硫、袋除尘+湿法脱硫或电袋复合除尘+湿法脱硫的治理措施,其总环保投资约80亿元。
问:量大面广的小型锅炉需要采用哪些技术路线来达到新标准的控制要求?答:在用锅炉中10t以下锅炉万台60MW,占全国燃煤锅炉总数的70%,耗煤亿吨。
小型锅炉主要集中在人口密集地区,燃烧效率低,污染治理设施建设运行水平都很低,烟囱高度低,排放浓度高,对局地环境空气质量影响大,因此改善环境空气质量需要对小锅炉采取有效的控制措施。
标准制定过程中主要是依据国家的相关文件要求,综合考虑工业锅炉实际情况,严格落实加速淘汰燃煤小锅炉的政策,制定较为严格的排放限值。
小锅炉改造可选用以下方案:1改用燃气、燃油锅炉。
2拆除小型燃煤锅炉,实施区域集中供热或并网。
3在广大农村地区、小城镇地区,鼓励使用生物质成型燃料。
4使用低硫优质洁净煤。
5实施尾端治理。
二、关于《生活垃圾焚烧污染控制标准》问:我国采用焚烧技术处理生活垃圾的必要性以及焚烧技术的发展情况如何?答:目前,生活垃圾处理方式主要有:资源化、填埋和焚烧三种,不同的处理方式适用条件不同。
其中资源化技术包括堆肥,可以充分利用垃圾中的可用物质,但是只能处理一部分垃圾,而且这种技术的发展也受到资源化产品的市场约束,因此不能用来解决大量生活垃圾的问题;填埋技术对所处理的垃圾成分不加限制,技术和操作相对简单,运行费用相对较低,但是会占用大量土地,包括填埋场地和场地周边的土地,所产生的填埋气、渗滤液和恶臭等污染物也难以控制,主要是因为填埋是一种敞开作业、而且垃圾中的有机物在不停发生反应;焚烧技术可以解决填埋技术中存在的问题。
焚烧是工厂化作业,环境污染相对容易控制,但是建设和运行成本都很高,因此更适用于经济发达、人口密度大的地区。
随着我国城市土地的日趋紧张和经济发展水平的提高,焚烧将成为城市生活垃圾处理的主要方式。
我国的生活垃圾焚烧率近年来不断增加,现有生活垃圾焚烧设施主要集中在上海、江苏、浙江和广东等人口密度大、经济发达的地区。
与国外发达国家相比,我国生活垃圾焚烧技术发展有以下两个特点:一是起步晚、发展迅猛,实现了跳跃式发展、基本达到国际先进水平。
二是具有国际水平的现代化焚烧技术和简易焚烧技术并存发展。
问:现行标准执行情况如何存在哪些问题答:我国首个《生活垃圾焚烧污染控制标准》发布于2000年,2001年第一次修订,此次为第二次修订。
2001年版标准自发布实施以来,对加强污染控制,防治二次污染,促进生活垃圾焚烧设施技术进步发挥了重要作用。
近年来,我国垃圾焚烧处理规模发展迅速,垃圾焚烧厂数量和处理能力日益增加,焚烧处理技术已有较大进步。
同时,我国的环境管理要求逐步提高,人民群众的环保意识逐渐增强,现行标准已不能完全适应环境保护的要求,主要存在以下问题:一是现行标准二恶英类等污染控制指标要求偏松,与现有技术水平和环境保护目标要求不匹配。
二是现行标准采用的是监督性监测的手段,难以对焚烧厂的运行工况和烟气排放进行实时跟踪监测,导致焚烧工况不稳定和烟气排放超标时采取的应急措施滞后,瞬时烟气排放指标超标严重。
鉴于上述问题,环境保护部及时开展了对《生活垃圾焚烧污染控制标准》的修订工作。
问:本次标准修订主要做了哪些修改?答:修订工作坚持以下三个原则:一是以保护公众健康为最主要目标,严格控制有毒有害物质排放,二恶英类控制限值采用国际上最严格的控制限值。
二是综合考虑我国环境管理的目标要求。
三是充分考虑我国生活垃圾焚烧设施的技术发展水平。
与现行标准相比,新标准主要修订了以下五方面内容:一是扩大了标准适用范围。
生活污水处理设施产生的污泥和一般工业固体废物专用焚烧设施的污染控制参照该标准执行;若工业窑炉协同处置生活垃圾,掺加生活垃圾的质量超过入炉窑物料总质量30%时,其污染控制按照该标准执行。
二是将一氧化碳既作为运行工况指标也作为污染控制指标。
根据国内外的研究结果,一氧化碳与二恶英类的排放浓度具有统计相关性。
目前,二恶英类不能达到在线监测的技术水平,因此通过对运行工况进行在线监控,间接控制二恶英类排放水平。
三是明确烟气排放在线监控要求。
检测数据在厂区外的公示牌中显示,以接受公众的监督;同时该系统应与当地环保行政主管部门监控中心联网,接受执法部门的监督和管理。
四是进一步提高了污染控制要求。
二恶英类控制限值采用国际上最严格的控制限值m3,重金属及其他限值均有不同程度收严。
五是明确了焚烧炉启、停炉和事故排放要求。
焚烧系统启动、关闭和故障时污染物的产生量显着增大。
因此,焚烧系统尽可能减少启动、关闭的次数,保持长年连续运行。
问:新标准中污染物控制项目和限值确定的依据是什么?答:在借鉴发达国家和地区的成功经验的基础上,以保护人体健康为首要目标,选取排放量相对较大、且可实施控制和监测的污染物。
新标准规定了颗粒物、二氧化硫、氮氧化物、氯化氢等常规污染物的排放要求,也规定了致癌物二恶英类的排放要求;考虑到一氧化碳与二恶英类的排放浓度具有统计相关性,新标准规定了一氧化碳的排放控制要求;生活垃圾焚烧排放的废气中会有重金属排放,根据挥发特性,分三组分别规定了易挥发汞及其化合物、半挥发镉、铊及其化合物、难挥发重金属锑、砷、铅、铬、钴、铜、锰、镍及其化合物的排放要求。
综合考虑污染物环境风险、处理技术工艺及达标成本确定污染物的限值,与现行标准相比有了较大幅度的加严。
环境风险大的项目采用了世界上最严格的限值。
二恶英类排放限值与欧盟标准一致,都为m3。
问:新标准实施的环境效益和经济成本如何?答:新标准的限值大多比现行标准加严了30%,可较大幅度降低污染物排放量。
通过实施新标准,生活垃圾焚烧产生的氮氧化物可减排25%,二氧化硫可减排62%,二恶英类可减排90%。
实施新标准重点需要增加脱硝设施的建设费用和监测费用。
脱硝设备建设投资成本每条生产线300-600万元,运行费用相当于每吨垃圾增加近10元。
部分地区小型焚烧设施往往没有完善的烟气处理系统,需要增加建设烟气处理系统,每家焚烧厂烟气处理系统的建设成本大约1500万元。
一套烟气在线监测系统需要增加投资700万元,增加运行费用10万元/年。
问:新标准对生活垃圾焚烧厂选址的要求是什么为何没有规定具体的环境防护距离答:新标准对生活垃圾焚烧厂的选址提出了如下要求:选址应符合当地的城乡总体规划、环境保护规划和环境卫生专项规划,并符合当地的大气污染防治、水资源保护、自然生态保护等要求。
应依据环境影响评价结论确定生活垃圾焚烧厂厂址的位置及其与周围人群的距离,经具有审批权的环境保护行政主管部门批准,可作为规划控制的依据。
在对生活垃圾焚烧厂厂址进行环境影响评价时,应重点考虑生活垃圾厂内各设施可能产生的有害物质泄漏、大气污染物含恶臭物质的产生与扩散以及可能的事故风险等因素,根据其所在地区的环境功能区类别,综合评价其对周围环境、居住人群的身体健康、日常生活和生产活动的影响,确定生活垃圾焚烧厂与常住居民居住场所、农用地、地表水体以及其他敏感对象之间合理的位置关系。