深基坑钢筋混凝土内支撑梁无损静力切割拆除施工技术研究与应用
- 格式:doc
- 大小:472.50 KB
- 文档页数:5
深基坑混凝土内撑梁换撑与拆除施工技术研究摘要:深基坑混凝土内撑梁是有效预防坍塌、沉陷事故发生的措施,能够保证施工的安全,确保施工顺利进行。
在施工过程中,内撑梁的换撑与拆除是施工重点,因此要保证施工的安全与质量。
本文首先介绍深基坑混凝土内撑梁换撑概述,其次根据实际施工经验分析深基坑混凝土内撑梁换撑与拆除要点并总结施工方案,最后重点阐述具体的施工技术。
关键词:深基坑;混凝土;内撑梁;换撑;拆撑;施工技术引言:深基坑混凝土内撑梁换撑与拆除施工是较为复杂的,对施工的质量要求较高,同时在经济快速发展下,城市建设步伐的加快,对施工提出更高要求的挑战。
为保证内撑梁换撑与拆除施工的质量与安全,要进一步强化相关施工技术,严格把握施工环节的实际施工情况。
在施工技术质量进一步提高下,有助于保证施工的安全,节约施工成本。
1 深基坑混凝土内撑梁换撑与拆除在中国基坑是从20世纪90年代开始发展的,基坑深度从1980年前的5m左右,发展到八十年代末期的10m,再到1990年往后,基坑深度已经达到了20m。
我国基坑发展到深基坑的重要因素就是市场对建筑需求越来越高,对建筑质量要求标准更高。
内撑梁作为影响基坑质量、保障安全的重要措施,其纵向支撑地下空间,支撑地下与地上的安全,因此要重点关注内撑梁的施工。
混凝土内撑梁在实际施工中,与传统内撑梁支撑方法相比有多种优势,能够提高支撑强度、提高施工速度、降低施工成本、不受外界因素影响,所以混凝土内撑梁逐渐被应用于深基坑施工中,实现保护建筑、道路的目标,保证施工的经济效益。
在实际施工过程中,内撑梁换撑与拆除技术有多种方法,针对不同施工情况需要进行合理的选择,比如在地下商场、地下展览馆等项目中,采取斜向换撑、肋板换撑等方法;在对环境以及安全要求较高的城区项目中采用绳锯切割法等。
2 深基坑混凝土内撑梁换撑与拆除要点深基坑混凝土内撑梁换撑与拆除施工技术具有一定复杂性,因此施工的相关要点也较为繁多,如果施工过程中不够严谨,难以保证施工的质量符合标准,且存在一定的安全风险。
深基坑混凝土内支撑拆除施工技术的应用深基坑混凝土内支撑是指在建筑物、基础、桥梁等工程施工过程中,为了防止土体塌方而设置的支撑结构。
深基坑混凝土内支撑拆除施工技术是指在深基坑支护改造或建设工程结束后,拆除混凝土内支撑结构的施工技术。
随着我国城市建设的不断发展,深基坑混凝土内支撑拆除施工技术的应用也越来越广泛。
本文将介绍深基坑混凝土内支撑拆除施工技术的应用及其技术要点。
1. 施工前的准备工作在进行深基坑混凝土内支撑拆除之前,需要对拆除范围内的土壤进行勘测,确定地下管线、设施及周边建筑物情况。
需要对支撑结构进行全面的检测和评估,保证其能够安全可靠地进行拆除。
需要做好安全防护和施工区域管控等准备工作。
2. 拆除方案设计根据深基坑内支撑结构的具体情况,结合土壤条件和周边环境因素,设计合理的拆除方案。
拆除方案设计应考虑支撑结构的材料、结构类型、拆除顺序等因素,确保拆除过程中安全可控。
3. 拆除工艺选择根据拆除方案,选择合适的拆除工艺。
一般常用的拆除工艺包括切割拆除、爆破拆除和拆除式爆破拆除等。
不同的拆除工艺适用于不同类型的支撑结构,需要根据具体情况进行选择。
4. 安全施工在进行深基坑混凝土内支撑拆除施工时,需要严格按照拆除方案和工艺要求进行操作,确保施工安全。
要加强现场安全管理,做好施工现场的警示标识和管控工作,保障施工人员和周边环境的安全。
5. 现场监测在拆除过程中,需要实时监测支撑结构的变形和周围土体的变化情况,及时发现问题并采取措施加以解决,确保拆除过程中的安全可控。
6. 环境保护在进行深基坑混凝土内支撑拆除施工时,要做好周边环境的保护工作,避免因施工过程产生的噪音、粉尘、振动等对周边环境造成不良影响。
通过以上技术要点的合理应用,可以确保深基坑混凝土内支撑拆除施工的安全可控,保障周边建筑物和地下管线的安全,同时节约施工成本,提高施工效率。
随着城市地下工程的不断发展,深基坑混凝土内支撑拆除施工技术也在不断创新和发展。
金刚石绳锯静力无损切割深基坑钢筋混凝土内支撑施工工法金刚石绳锯静力无损切割深基坑钢筋混凝土内支撑施工工法一、前言随着城市建设的不断发展,深基坑的施工工艺,尤其是钢筋混凝土内支撑工法,一直是建筑施工中的重要环节。
为了解决传统施工方法中容易破坏周围建筑物的问题,金刚石绳锯静力无损切割深基坑钢筋混凝土内支撑施工工法应运而生。
二、工法特点金刚石绳锯静力无损切割深基坑钢筋混凝土内支撑施工工法有以下几个特点:1. 采用金刚石绳锯进行切割,具有高硬度和高抗磨损性,能够快速切割混凝土且不损伤内支撑结构。
2. 通过静力原理,利用绳索施加的拉力保持内支撑结构的稳定,避免了传统方法中的物理破坏。
3. 施工过程中无需破拆钢筋和混凝土,减少了施工噪音和扬尘,对周围环境影响小。
4. 施工速度快,能够节约时间和人力成本。
三、适应范围金刚石绳锯静力无损切割深基坑钢筋混凝土内支撑施工工法适用于钢筋混凝土结构强度较高、内支撑结构设置合理,且周围环境对振动和噪音有一定要求的深基坑工程。
四、工艺原理该工法的原理是通过金刚石绳锯进行静力切割,使用绳索施加的拉力保持内支撑结构的稳定。
金刚石绳锯被固定在基坑顶部,通过绳索的拉力切割混凝土,同时利用绳索的牵引力保持内支撑结构的稳定。
工法的实际应用需要根据工程具体情况设计合理的绳索布置和切割方案。
五、施工工艺1. 基坑准备:清理基坑内杂物并确保基坑边壁的平整。
2. 绳索布置:根据基坑形状和内支撑结构布置绳索,并确保绳索的牵引力能够支撑住内支撑结构。
3. 切割混凝土:固定金刚石绳锯在基坑顶部,通过绳索施加的拉力切割混凝土。
4. 监测和调整:施工过程中需要进行监测,确保内支撑结构的稳定,并根据实际情况进行调整。
六、劳动组织该工法施工需要具备相关技术人员,包括施工经理、技术员、操作人员等。
七、机具设备1. 金刚石绳锯:具有高硬度和高抗磨损性的切割工具。
2. 绳索:用于施加拉力和牵引内支撑结构。
3. 监测设备:用于监测内支撑结构的稳定性。
深基坑围护结构混凝土内支撑绳锯静力切割技术摘要:内支撑拆除在深基坑工程中具有施工难度大、风险较高等特点。
为确保施工质量,需从环境、工期、成本、围护结构影响等因素对四种内支撑拆除技术进行可行性分析,还需利用数据检测模拟分析不同施工步骤对基坑结构稳定性产生的影响,以此明确最佳施工方案。
文章对深基坑围护结构混凝土内支撑拆除技术进行了研究分析,以供参考。
关键词:深基坑;围护结构;混凝土;内支撑拆除1前言深基坑内支撑的拆除是个不小的工程,内支撑拆除方案的选择不仅要考虑质量、安全和进度,还需要考虑对周边环境的影响;同时现场施工管理组织的好坏,对基坑、地下室、主体结构的施工质量和工期要求,起着关键性的保证作用。
本文结合实际工程,因地制宜选择内支撑拆除方案,给出拆除工艺流程和节点处理措施、关键要素,全面梳理和总结施工过程中的管理要点,对深基坑内支撑拆除工程具有借鉴和指导意见。
2内支撑拆除方式选择在进行内支撑拆除施工前,选择人工破碎拆除或爆破拆除等方式,从可行性、造价、工期等多方面选择施工方式,综合比对后,选择现内支撑拆除的新趋势金刚石绳锯切割为主,换撑梁处理方法为地下室外墙和支护桩之间的换撑梁采用400mm×400mm@1700mm的钢筋混凝土梁换撑的方案。
2.1内支撑拆除平台搭设当拆除内外撑梁与支撑结构板间距均不大于1750mm时,采用槽钢焊接制成的马凳作为拆除内外支撑结构梁和拆除过程中使用的一个临时的支撑,此时马凳由上横梁(1槽钢)、中下横梁(1槽钢)构成、下中横梁(1槽钢)构成、纵梁(1槽钢)结构、两侧对称的八字立柱(1槽钢)组成。
根据楼板搭设后的实际高度来计算确定槽钢的焊接规格长度,并根据距离楼板的实际高度来决定焊接高度。
其他焊接缝隙则采用垫置木方梁和枕木梁并将其顶死至梁底处的焊接方式,场外采用预先已焊接处理好的整体焊接的槽钢马凳,焊接时必须严格保证整体焊接后的质量。
内支撑梁放置在钢板马镫上的托架,根据对比计算分段切割内支撑梁长度,每钢段应至少分别放置两个槽钢板马镫,放置支架的位置应距离切割钢板边缘位置约300~400mm。
一种新型深基坑内支撑梁拆除施工技术研究与应用关键词:超高层建筑;深基坑;内撑梁拆除;水钻切割;内容摘要:一种新型深基坑内支撑梁拆除方法就是水钻切割,水钻切割是利用金刚石将钢筋混凝土构件切断,具有施工速度快、安全隐患小、降尘防噪作用。
1概述桩撑体系支护方式具有强度高、经济合理等特点,被广泛运用到工程中。
对于采用桩撑体系的工程,后续的内支撑梁选用何种拆除方法显得尤为重要。
传统的拆除方法是利用人工加风镐锤凿、机械破除、静态逼裂缝及爆破等方式。
这些方法施工速度较慢、安全隐患高、均会产生大量的粉尘及噪声污染。
太平金融大厦采用水钻切割技术,很好的解决了基坑内支撑拆除中的难题,极大的提高了工作效率,保证了施工安全,同时减少了对周围环境的污染。
2 工程概况太平金融大厦总承包工程位于深圳市福田区福中三路与益田路交汇处西南角,是一幢地下4层、地上48层、建筑总高度228m的超高层办公楼。
本工程基坑为不规则长方型,南北长约100.1m,东西长约75.5m,基坑开挖深度近22m,基坑采用桩撑支护体系,有3道内支撑,地下室结构开始施工时间为2011年4月14日,地下室结构封顶时间为2011年9月26日。
本工程采用水钻切割拆除技术,施工方法简便、快速、环保,大大缩短了工期,为地下室结构提前封顶提供了有利的保障。
3、水钻切割的工艺原理水钻切割工艺是采用镶有金刚石的筒锯对准混凝土构件需要拆除的部位不断重复切割,利用金刚石超高的强度将钢筋混凝土切断,直至该部位切透为止,与此同时采用水冷却,既为切割设备降温,延长设备使用寿命,又可以起到降尘防噪的作用。
4、水钻切割施工优点4.1切割机械化程度高,施工精度易于控制采用水钻切割工艺,放线位置即为准确的切割分界线,同时切缝光滑、平整,外观美观。
4.2 切割速度快,效率高施工中切割速度快,只要控制好每个钻孔重合的距离,即可避免重复钻孔,提高施工效率。
对于切割的构件可采用塔吊直接吊运到装载车上运出现场。
深基坑混凝土内支撑拆除施工技术的应用深基坑是指超过一定深度的地下工程基坑,通常用于地铁施工、地下车库建设、高层建筑施工等。
在深基坑开挖过程中,为了保证地下水不涌入、地面不下沉,通常需要进行混凝土内支撑。
而混凝土内支撑拆除施工技术则是指在深基坑工程完成后,对混凝土内支撑进行安全、高效的拆除工作。
下面从混凝土内支撑的类型、拆除施工技术的应用以及施工中的注意事项等方面进行探讨。
一、混凝土内支撑的类型混凝土内支撑是深基坑工程中常用的支撑形式,主要包括悬臂梁支撑、桅杆支撑、撑墙支撑等。
悬臂梁支撑是指在基坑周边设置预留梁,将钢梁悬挑入基坑内支撑,适用于土质松软的地层;桅杆支撑是指在基坑周边设置桅杆,通过桅杆与地面锚杆的相互作用来支撑基坑土体,适用于较硬地层;撑墙支撑是指通过设置撑墙来支撑基坑土体,适用于特别软土或小面积基坑。
不同类型的混凝土内支撑需要在施工设计中充分考虑地质条件和施工要求,选择合适的支撑形式。
二、拆除施工技术的应用1. 制定详细的拆除方案在混凝土内支撑拆除施工前,应由专业工程技术人员制定详细的拆除方案。
拆除方案应包括拆除顺序、拆除方法、安全措施等内容,确保拆除施工的安全和高效。
2. 使用专业设备进行拆除在混凝土内支撑拆除施工中,通常需要使用液压破碎机、钻孔机、电动切割机等专业设备。
这些设备能够有效、准确地进行拆除作业,提高施工效率。
也需要合理选择和配置拆除设备,保证施工中的安全和质量。
3. 采用适当的拆除方法拆除施工中,应根据混凝土内支撑的具体情况采用合适的拆除方法。
对于悬臂梁支撑,可以采用分段破碎的方式进行拆除;对于桅杆支撑,可以采用撬杆和液压破碎机相结合的方法进行拆除;对于撑墙支撑,可以采用切割机进行拆除。
在选择拆除方法时,应充分考虑施工环境和安全因素,保证施工的顺利进行。
4. 加强安全监管拆除施工是地下工程中的危险作业,为保证施工安全,应采取一系列的安全措施。
包括设置安全警示标志、加强现场监督和管理、保证施工人员的安全培训等。
深基坑混凝土内支撑拆除施工技术的应用深基坑混凝土内支撑旨在确保基坑的稳定和安全。
在基坑混凝土结构完成后,我们往往需要拆除这些内支撑结构,以便进行后续的施工工作。
深基坑混凝土内支撑拆除施工技术是指在拆除过程中采用的一系列方法和措施,以确保拆除工作的顺利进行,并且不会对周围环境和结构造成不可逆的破坏。
深基坑混凝土内支撑拆除的关键是保证施工过程的安全性和有效性。
下面将介绍几种常见的拆除方法和相关施工技术。
1. 手工拆除法:对于基坑内较小的支撑结构,可以采用人工进行拆除。
这一方法的优点是操作灵活,可根据具体情况进行调整和控制。
手工拆除需要工人具备较高的技术水平和经验,以确保操作的安全性。
2. 钢筋割切法:钢筋在混凝土结构中起到加固和支撑作用。
钢筋割切法是通过切割钢筋来实现混凝土结构的拆除。
常用的钢筋割切方法包括火焰切割、氧-乙炔切割和电动切割等。
在使用钢筋割切法进行拆除时,需要注意保护周围环境和结构的安全。
3. 动力拆除法:对于较大的支撑结构,可以采用机械设备进行拆除,如挖掘机、液压破碎机等。
动力拆除法拆除速度快,效果明显,但也存在一定的风险,需要有专业人员进行操作,并做好周围环境和结构的保护工作。
在深基坑混凝土内支撑拆除施工中,还需要注意以下几点:1. 安全防护:拆除工作涉及到高处作业、机械操作和物体坠落等危险因素,必须采取相应的安全防护措施,包括佩戴安全帽、护目镜和防护服等,以保护工人的人身安全。
2. 监测与控制:在拆除过程中,需要进行实时的监测和控制,以确保拆除工作的稳定性和准确性。
可以使用监测设备进行基坑变形和支撑结构的受力状况的监测,并根据监测结果进行调整和控制。
3. 环境保护:拆除过程中产生的灰尘、噪音和废弃物等对周围环境和结构可能造成不可逆的影响。
在拆除工作中,需要进行相应的环境保护措施,如喷洒水雾降尘、设置隔音屏障和妥善处理废弃物等。
深基坑混凝土内支撑拆除施工技术的应用旨在保证施工过程的安全性和有效性。
深基坑钢筋混凝土内支撑梁环切拆除施工技术研究摘要:近年来钢筋混凝土梁普遍作为深基坑内支撑梁来使用,拆除钢筋混凝土内支撑梁是一项繁琐而复杂的施工过程,文中提出深基坑钢筋混凝土内支撑梁环切拆除施工技术,结合现场实际情况通过分段设计两种支撑体系,预先制作,加快施工速度,确保施工安全。
采用金刚石绳锯切割设备,利用有金刚石锯齿的切割绳循环转动切割各种构件。
该技术有效的减少了施工噪音及扬尘,保证了施工过程的安全,加快了项目的建设速度,节约了社会资源和施工成本,可推广至深基坑多道钢筋混凝土内支撑梁,或者其他混凝土结构的切割拆除工程施工,具有良好的应用前景。
1 前言钢筋混凝土梁具有很好的强度、刚度和稳定性,抗压强度特高,而且钢筋混凝土内支撑具有取材方便、造价低、耐久性好等优点,所以使用钢筋混凝土梁作为深基坑内支撑梁就越普遍。
但是,拆除钢筋混凝土内支撑梁是一项繁琐而复杂的施工过程,既要保证拆除内支撑梁不影响基坑围护结构的稳定性,又要使得拆除过程不影响地下主体结构的施工,保证工期。
传统的钢筋混凝土内支撑的拆除方法主要为人工风镐拆除、静态破碎拆除、机械捶打拆除、控制爆破拆除。
这四种方法在国内外均有广泛的应用,各有优缺点及使用条件。
但是在深基坑使用多道内支撑梁的情况下,传统的拆除方法往往不能满足保障基坑的稳定性和保证施工工期。
我司承建的广州南站生产辅助房配套工程施工总承包项目地下室二层、局部三层,基坑开挖深度约11m,地下三层位置约15m,采用旋挖钻孔灌注桩加钢筋混凝土内支撑的基坑支护方案,二层与三层地下室均设置两道内支撑,支撑梁L1尺寸为800mm×1000mm,支撑梁L2尺寸为1200mm×1000mm,连系梁L3尺寸为600mm×800mm。
该项目在基坑的施工过程中遇到各种影响基坑稳定性的地质问题,导致施工工期滞后三个月以上。
为保证上部结构施工工期,需解决既保障在拆除混凝土内支撑梁的过程中不影响基坑的稳定性,又能满足环境要求和缩短拆除时间这两个难题。
深基坑钢筋混凝土内支撑体系绳锯切割拆除技术随着工程技术的不断进步,建筑施工逐渐向着更加高效、安全的方向发展。
深基坑施工是目前建筑领域中较为常见的施工方式之一,而对于深基坑施工过程中涉及到的深基坑钢筋混凝土内支撑体系的拆除工作则是一个相对较为复杂和危险的工作。
本文将介绍钢筋混凝土内支撑体系绳锯切割拆除技术。
技术原理深基坑施工中的钢筋混凝土内支撑体系一般采用的是钢支撑或CFRP支撑,在支撑外侧设置支撑墙,在支撑框架内部放置内支撑体系。
而绳锯切割技术即是指通过锯片或锯线对钢筋混凝土内支撑体系进行切割,将其分割为较小的块体,方便拆卸。
绳锯切割技术主要采用两种方式进行切割。
一种是钻孔锯切法,该方法需要在深基坑内顶部进行钻孔,然后将绳锯通过钻孔延伸至倾斜的内支撑体系上进行切割;另一种是直接锯切法,该方法则是直接在内支撑体系上采用锯线或锯片进行切割。
技术流程绳锯切割拆除工作一般需要经过以下流程:1.设计切割方案。
根据内支撑体系的结构、材料等参数进行设计,并制定切割方案。
2.安装设备。
在施工现场进行现场勘察,确定具体的设备安装点,并按照设计方案安装绳锯设备。
3.进行切割作业。
通过钻孔锯切法或直接锯切法对内支撑体系进行切割,将其分解为较小的块体。
4.取下分割后的块体。
利用吊装机械等设备将分割后的块体取下。
5.清理现场。
将拆除后的材料分类保存,并对现场进行清理和处理。
技术优势绳锯切割拆除技术具有以下优点:1.对深基坑的破坏小。
传统方法一般使用钢锤等工具进行拆除,容易损坏深基坑的结构,而绳锯切割能够将内支撑体系分割为大块或小块,有利于进行分类拆除。
2.提高拆除效率。
传统的拆除方式,因其所需的人力和时间较多,效率不高。
而绳锯切割拆除能够便捷地进行施工,提高施工效率。
3.减少施工风险。
传统拆除方式,如使用钢锤、钢锤打锥等工具进行拆除,存在较大的安全风险;而绳锯切割技术采用机械化作业方式,相对而言更加安全。
技术应用绳锯切割拆除技术已经开始在深基坑施工中得到广泛应用,其适用于对内支撑体系的拆除作业,能够提高施工效率、减少施工风险。
深基坑混凝土内支撑拆除施工技术的应用随着城市建设的不断发展和城市化进程的加快,越来越多的高层建筑、地下车库、地铁等工程需要进行深基坑开挖,而深基坑的开挖涉及到混凝土内支撑的施工与拆除。
混凝土内支撑拆除作为基坑工程的重要环节,其施工技术对于整个工程的顺利进行有着至关重要的作用。
本文将就深基坑混凝土内支撑拆除施工技术的应用进行探讨,以期为相关工程施工提供参考和帮助。
一、深基坑混凝土内支撑拆除的必要性深基坑混凝土内支撑是为了保证深基坑开挖施工期间地表和周边结构的安全而设置的,其主要作用是防止土体坍塌和地表沉陷,确保工程安全顺利进行。
而在基坑开挖完毕之后,混凝土内支撑就需要进行拆除,以便进行后续的工程施工。
所以,深基坑混凝土内支撑的拆除是基坑工程的重要环节,其必要性不言而喻。
二、深基坑混凝土内支撑拆除的施工条件和作业环境在进行深基坑混凝土内支撑拆除施工时,需要满足一定的施工条件和作业环境。
需要保证周边建筑物和地下管线的安全,以及保证周边人员和车辆的通行无阻。
需要确保施工现场的通风良好,以防止因混凝土拆除而产生的粉尘对施工人员的危害。
施工现场的安全防护设施也需完善,以确保施工人员的安全。
三、深基坑混凝土内支撑拆除的常见施工方法目前,常见的深基坑混凝土内支撑拆除的施工方法主要包括机械拆除和人工拆除两种。
机械拆除主要是利用液压破碎机、剪切机等专业设备对混凝土进行拆除,速度快效率高,适用于较大规模的混凝土拆除工程;而人工拆除则主要是针对一些狭小空间或者特殊形状的混凝土结构,需要通过手工工具进行拆除,速度慢效率低,适用于一些特殊情况下的混凝土拆除工程。
四、深基坑混凝土内支撑拆除的施工注意事项在进行深基坑混凝土内支撑拆除施工时,需要注意以下几点:1. 施工前需制定详细的施工方案,并进行现场的安全技术交底。
2. 确保拆除设备和工具的正常运转,以及对施工人员进行相关安全培训。
3. 对于深基坑内部的支撑结构进行逐层拆除,避免一次性拆除过多导致支撑不稳定。
金刚石绳锯静力无损切割深基坑钢筋混凝土内支撑施工工法金刚石绳锯静力无损切割深基坑钢筋混凝土内支撑施工工法一、前言深基坑的钢筋混凝土内支撑是保证施工安全的重要环节。
而传统的拆除方法往往会导致对钢筋混凝土结构的损坏,严重影响工程的安全性和质量。
为此,金刚石绳锯静力无损切割深基坑钢筋混凝土内支撑施工工法应运而生。
二、工法特点该工法以金刚石绳锯为主要工具,通过静力切割的方式实现对深基坑钢筋混凝土内支撑的拆除。
具有以下特点:1. 高效节约:与传统拆除方法相比,金刚石绳锯无需爆破,操作简单,减少设备和人员投入,提高作业效率。
2.精确无损:金刚石绳锯切割平整,能够实现对深基坑钢筋混凝土内支撑的精确无损切割,避免对结构的破坏。
3. 高安全性:金刚石绳锯静力切割无产生火花或噪音,对施工现场和周边环境无污染,大大提高了施工的安全性。
三、适应范围金刚石绳锯静力无损切割深基坑钢筋混凝土内支撑施工工法适用于各种深基坑工程,尤其是对于对施工安全要求较高的场所,如人员密集的市区、邻近建筑物的基坑等。
四、工艺原理金刚石绳锯在切割过程中,采用静力切割的方式,通过金刚石绳与混凝土的摩擦来实现切割,从而避免产生震动和噪音。
该工法采取了以下技术措施:1. 选择合适的金刚石绳锯:根据具体工程需要选择切割效果好、耐磨性强的金刚石绳锯。
2. 设计切割路径:根据内支撑的布置情况,合理设计切割路径,确保切割效果和施工安全。
3. 切割参数控制:控制切割参数,如切割速度、切割深度等,以保证切割质量和施工效率。
五、施工工艺1. 现场准备:清理施工现场,确保安全通道畅通;安装金刚石绳锯和相应的辅助设备。
2. 切割前准备:根据设计要求确定切割路径和参数;将金刚石绳锯固定在切割机上。
3. 切割操作:启动切割机,沿着设计好的切割路径进行切割;控制切割速度和深度,并及时清理切割完成的部分。
4. 切割完毕:将完成切割的混凝土内支撑清理干净,以便后续工程施工。
六、劳动组织根据工程规模和进度安排,合理组织施工人员和设备;制定详细的工作流程和责任分工,确保施工工期和质量的控制。
静力切割拆除钢筋混凝土内支撑梁施工工法一、前言钢筋混凝土内支撑梁是一种常用于拆除混凝土结构的静力切割拆除工法。
该工法以其高效、安全、节约成本等优势,被广泛应用于各类拆除工程中。
本文将介绍静力切割拆除钢筋混凝土内支撑梁的工法特点、适应范围、工艺原理、施工过程、劳动组织、机具设备、质量控制、安全措施、经济技术分析以及工程实例。
二、工法特点1. 高效性:静力切割拆除钢筋混凝土内支撑梁能够快速高效地完成拆除作业,节约施工时间。
2. 安全性:采用此工法能够减少对周围结构的振动和噪音,提高施工安全性。
3. 环保节能:相比传统的机械拆除方式,静力切割拆除不会产生大量的噪音、粉尘和排放物,对环境友好。
4. 节约成本:此工法施工所需机械设备相对简单,施工人力成本相对较低,能够有效降低施工成本。
三、适应范围静力切割拆除钢筋混凝土内支撑梁适用于各类建筑结构的拆除工程,尤其适用于高层建筑、桥梁和地下结构中存在钢筋混凝土内支撑梁的情况。
四、工艺原理该工法采用预制隔离块、爆破冲击钻、静力切割机等设备,通过切割钢筋和撤除混凝土,将钢筋混凝土内支撑梁拆除。
工艺原理基于对力学和材料力学的研究,通过合理布置切割点、控制切割过程来实现拆除过程的稳定和安全。
五、施工工艺施工过程主要包括以下几个阶段:准备工作、爆破冲击钻施工、静力切割施工、混凝土拆除、细部处理、清理等细节工作。
六、劳动组织劳动组织需要根据具体工程情况设计,包括施工班组的设置、工人安排、施工计划的编制等,以保障施工过程的顺利进行。
七、机具设备静力切割拆除钢筋混凝土内支撑梁所需的机具设备包括:爆破冲击钻、静力切割机、发电机组、切割工具、清理工具等。
八、质量控制为确保施工质量达到设计要求,需进行切割点的精确布置、切割过程的准确控制、混凝土拆除的均匀性检查、工艺参数的监控等。
九、安全措施在施工过程中需要考虑到施工人员的安全,包括设立安全警示标志、采取防护措施、合理安排施工人员、定期检查机具设备等,以预防施工中的安全事故。
深基坑混凝土内支撑拆除施工技术的应用研究发表时间:2020-06-11T02:01:05.032Z 来源:《防护工程》2020年6期作者:潘秋芳[导读] 当前形势下,从深基坑支撑拆除工作来看,往往具有危险系数高、施工工期紧等特点,一些深基坑的开挖面积达到了数万平米,开挖深度超过了20多米,具体拆除期间难度极大。
海南佳磊工程监理有限公司海南海口 570100摘要:当前形势下,从深基坑支撑拆除工作来看,往往具有危险系数高、施工工期紧等特点,一些深基坑的开挖面积达到了数万平米,开挖深度超过了20多米,具体拆除期间难度极大。
在开展深基坑混凝土内支撑的拆除工作时,如果施工技术应用不当就可能引发工程安全问题,并对周围居民的正常生产生活带来不利影响。
因而,当前应加强对深基坑混凝土内支撑拆除施工的研究,并根据工程实际状况选用合理、高效的技术措施,确保拆除工作的顺利实施。
本文首先对深基坑混凝土内支撑拆除工作常用的工法进行探讨,并结合工程案例对具体的拆除施工技术做出研究。
关键词:深基坑;混凝土支撑;内支撑拆除;拆除施工1深基坑内支撑拆除方法就深基坑支撑拆除工作而言,往往具有危险系数高、施工工期紧等特点,一些深基坑的开挖面积达到了数万平米,开挖深度超过了20多米,具体拆除期间难度极大。
一般来说,目前对于深基坑混凝土内支撑结构的拆除主要用到以下几种方法:其中,机械拆除法最为常见,也存在爆破法,但不常用。
此外,风镐破除法、人工拆除法也偶尔被采用。
由于不同拆除方法各具优缺点,因而施工期间应结合工程实际状况做好拆除工法的选用。
1.1人工风镐打凿法在使用风镐打凿法拆除钢筋混凝土内支撑时,将镐钎顶住钢筋混凝土面,在另一端通入气缸,通过手柄套筒进行压缩柱塞阀的弹簧而接通气路,使冲击锤不断往复运动打击钎尾,从而来破碎钢筋混凝土。
进行施工作业,在一些机械无法到达的位置,以人工辅助施工,进而对内支撑进行有效的凿除。
1.2静态机械切割法施工人员在内支撑下部搭设辅助的支架后开始进行现场切割,利用叉车把切割下来的混凝土块从基坑内运输转移至指定场地,在场地处布置汽车吊将切割下来的混凝土块吊运到运输车上进行外运处理。
深基坑混凝土内支撑拆除施工技术的应用随着城市建设的不断发展,深基坑工程在城市建设中得到了广泛的应用。
深基坑的施工过程中,混凝土内支撑是十分重要的一环。
混凝土内支撑的选材和施工技术直接影响到基坑工程的稳定性和安全性。
在基坑工程完成后,混凝土内支撑的拆除工作同样是十分关键的环节。
本文将重点介绍深基坑混凝土内支撑拆除施工技术的应用。
在进行深基坑混凝土内支撑拆除施工前,需要对施工条件进行全面的评估。
要检查周边环境是否存在安全隐患,如是否有地铁、地下管线等工程,是否有邻近建筑物等。
要对混凝土内支撑的工程质量进行评估,包括混凝土的材质、强度,内支撑的稳定性等。
要根据基坑的实际情况,结合现场地质勘测数据,确定拆除过程中的安全防护措施和拆除工艺方案。
二、深基坑混凝土内支撑拆除的施工流程深基坑混凝土内支撑的拆除过程一般分为以下几个步骤:准备工作、支撑结构动力学计算、拆除方案设计、拆除现场布置、拆除进度控制等。
1. 准备工作在深基坑混凝土内支撑拆除施工前,需要进行充分的准备工作。
首先要对拆除现场进行清理,清除垃圾和杂物,并进行必要的标志和围栏设置。
需要调配好所需的施工人员和机械设备,保证施工过程的顺利进行。
还要对施工人员进行安全教育和技能培训,确保施工过程中的安全和质量。
2. 支撑结构动力学计算在拆除深基坑混凝土内支撑前,需要进行支撑结构的动力学计算。
通过计算支撑结构的受力情况和受力分布,确定拆除的顺序、方法和方案。
在动力学计算中,需要考虑到混凝土的强度、支撑结构的刚度、基坑周边环境的影响等因素,确保拆除过程中的安全和稳定。
3. 拆除方案设计根据支撑结构的动力学计算结果,设计合理的拆除方案。
拆除方案设计要考虑到拆除的顺序和方法,确保拆除过程中的安全和稳定。
还要考虑到拆除过程中可能遇到的问题和突发情况,制定相应的应对措施和预案。
4. 拆除现场布置在确定了拆除方案后,需要对拆除现场进行布置。
包括设置必要的安全防护设施和标志、调配好所需的机械设备和物资、进行现场交通和人员管控等工作。
深基坑混凝土支撑体系切割拆除技术优化与应用摘要:本文主要以工程实例进行研究,归纳了深基坑混凝土支撑体系拆除的优化施工工艺和配套技术,包括采用跳仓法代替伸缩后浇带、多层楼面协同支承中型叉车场内运输、实行两阶段卸荷切割等施工工艺等,制定严格科学的拆撑管理制度和实时监测制度。
工程实践表明,优化后的施工工艺确保了深基坑支撑梁拆除时支护体系的安全,节约了工期和成本。
关键词:深基坑;混凝土支撑体系;切割拆除技术引言采用切割法拆除基坑混凝土支撑,具有噪声小、振动低、不产生扬尘污染、对周边环境影响小等特点,值得处于城市中心的工程优先选用。
结合工程实例,阐述了切割法拆除基坑混凝土支撑体系的具体技术应用。
1混凝土支撑拆除方法的比较1.1爆破拆除法爆破拆除需要专项资质和审批,实施爆破拆除,要提前向每户居民送达安民告示,甚至安排暂时撤离及封路等,才可实施。
爆破过程中形成的噪声、震动大,粉尘污染多。
本工程地处闹市区,周边居民区林立,并且靠近在建地铁线,按照政府相关规定,不能实施爆破拆除。
1.2机械拆除法机械拆除直接使用镐头机对支撑进行破碎拆除,而后使用吊网将废渣吊出运离施工现场。
机械拆除虽然方法简单,但是过程中产生的震动及噪声依旧较大,灰尘较多,对周边居民正常生活影响大。
且本工程支撑较密,镐头机作业面也受一定约束进而影响施工周期,综合考虑也不选用机械拆除法。
1.3切割拆除法切割拆除法噪声低,震动小,灰尘小,施工速度能保证进度需求,故本工程采用碟锯切割法拆除混凝土支撑。
2工程概况某项目是集商业、办公、酒店、商务公寓于一体的超高层城市综合体,总建筑面积22.3万m2,占地面积2.2万m2。
该综合体地下4层,基坑深17.8m、长168m、宽128m,面积2.1万m2,基坑采用钢筋混凝土连续墙+内支撑的形式支护,支撑由混凝土对撑桁架和角桁架组成。
支撑梁最大截面尺寸为1000mm×1000mm,总长度约18.7km,混凝土浇筑总量约1.7万m3,支撑拆除工作量大,综合考虑后项目采用绳锯切割法拆除支撑。
深基坑混凝土内支撑拆除施工技术的应用目前在我国城市中各类工程的基坑支护中,普遍都是采用的混凝土内支撑,因为其具有结构稳定、受力合理等优点。
不过,混凝土内支撑属于一种较大体积的临时支撑构件,所以在其的拆除過程中涉及的问题较多,一不小心即可能会威胁到施工安全。
为此,在深基坑混凝土内支撑拆除施工过程中必须要采取科学合理的施工技术,既要保证施工安全和效率,又要满足现代绿色施工要求。
本文主要以某建筑工程为例对深基坑混凝土内支撑拆除施工技术的应用进行了探讨。
标签:深基坑混凝土内支撑;拆除施工;施工技术;应用在城市中很多工程的深基坑施工中,受场地狭小、周边环境复杂等因素的影响,经常会选择采用混凝土内支撑,但到了地下室施工阶段,必须要对混凝土内支撑进行有效的拆除。
在深基坑混凝土内支撑拆除施工过程中,需要充分考虑到安全性、经济性、环保性及工期等相关问题。
虽然可用的拆除方法较多,但不是每种方法都能够满足上述要求,在实际施工中首先应当要结合实际情况选择合理的施工技术。
以下就以某建筑工程为例来谈谈深基坑混凝土内支撑拆除施工技术的应用,仅供参考。
1、工程概况某建筑工程项目位于某城市的闹市区,其基坑深度在20.6-27.9m之间,属于深基坑,基坑形状为长条形,南北方向长度约为160m,东西方向宽度约为60m。
本项目的地下室共有4层,采用排桩+内支撑梁的基坑支护模式,设有3道混凝土内支撑梁,混凝土为C30强度。
在本项目的深基坑混凝土内支撑拆除施工环节,除冠梁外均需要进行拆除,具体拆除内容包括2道围檩和3道内支撑梁,总计拆除混凝土方量约5004m3。
施工场地狭小、工期期限较短。
2、深基坑混凝土内支撑拆除施工技术方法2.1人工拆除法人工拆除法的具体操作步骤为:首先利用小型切割剔凿分段分片地剔除混凝土内支撑梁,然后再将剔下的混凝土块转移。
该方法的主要优点是:整体施工成本较低、安全系数较高。
主要缺点是:人工劳动力需求较大、工期较长。
深基坑钢筋混凝土内支撑梁无损静力切割拆除施工技术研究与应用
作者:李永胜
来源:《科技与创新》2016年第08期
摘要:结合工程特点及施工现场的实际情况,采用钢筋混凝土内支撑梁无损静力切割拆除施工技术解决了工程钢筋混凝土内支撑的拆除问题,推动了该技术的发展,成功实施了中铁三局科技研发中心大楼钢筋混凝土内支撑梁的拆除施工,取得了良好的经济效益和社会效益。
关键词:钢筋混凝土内支撑;线型无损切割;车库;基坑
中图分类号:U445.6 文献标识码:A DOI:10.15913/ki.kjycx.2016.08.153
本工程地处太原市中心地带,安全文明施工要求高、工期短,应在保证安全、不扰民的情况下,快速完成钢筋混凝土内支撑梁的拆除工作,从而为后续施工创造有利条件。
本文结合工程实际情况,结合类似工程的施工案例,重点研究和探讨了一种快速、安全、环保的拆除技术。
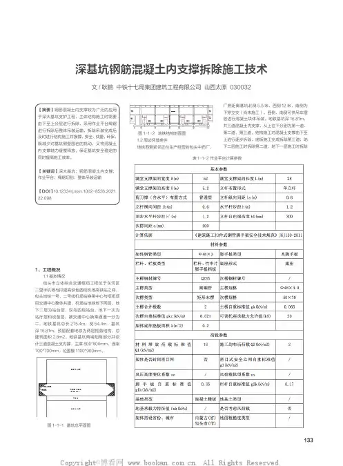
1 工程概况
中铁三局科技研发中心工程位于太原市市中心,东临新建南路,北临迎泽大街,西邻民生银行办公楼,南侧为山西大酒店。
总建筑面积为67 768 m2,结构为地下2层、地上38层,总建筑高度为174 m。
主楼基础开挖深度为13 m(电梯基坑开挖深度为18 m),车库开挖深度为12 m。
基坑周长为290 m,车库基坑面积为5 200 m2。
基坑支护采用钢筋砼灌注桩加一道圆环形钢筋混凝土内支撑,内支撑由钢格构柱(支撑桩)、冠梁、支撑梁和支撑环梁构成。
钢筋混凝土冠梁截面尺寸为1 000 mm×1 000 mm,其梁顶标高为-2.6 m;支撑环梁的尺寸为1 000 mm×1 500 mm,其梁顶标高为-2.6m;支撑梁的尺寸为800 mm×800 mm,其梁顶标高为-2.7m。
混凝土强度等级为C30。
当地下2层车库主体及外墙外侧防水和回填土施工完成后,拆除钢筋砼水平内支撑梁,并进行地下1层车库主体施工。
2 方案选择
传统的钢筋混凝土内支撑梁的拆除方法主要为人工风镐拆除、静态破碎拆除、机械锤打拆除、控制爆破拆除。
这4种方法在国内外均有广泛的应用,各有优缺点及适用条件。
人工风镐拆除适合工程量小的小型钢筋混凝土构件拆除施工,如果在工程量较大和大断面钢筋混凝土的施工中采用该方法,则具有施工周期长、投入人工和机械设备多、危险性大等缺点;静态破碎
拆除对含钢筋量较高的混凝土的破碎效果差,且具有施工周期长的缺点;机械锤打拆除的安全性高、效率高,但机械作业面必须较大,且能承受机械自重和施工荷载,本工程要拆除的钢筋混凝土内支撑梁高出地下2层顶板2.6 m,且楼板无法承受机械自重及施工荷载;控制爆破拆除虽然能有效地破碎大型钢筋混凝土构件,且破碎较为彻底,具有效率高、施工周期短的特点,但是安全性较低,需要采取严格的安全防护措施,且对施工方的技术要求较高。
本工程钢筋混凝土内支撑梁拆除施工会受到诸多因素的影响。
为了快速、安全、环保地完成拆除任务,经过对比分析,决定采用无损静力切割拆除施工技术。
3 无损静力切割拆除的施工方案
无损静力切割拆除采用金刚石绳锯在液压马达的驱动下绕切割面高速运动研磨切割体,从而完成切割工作。
由于使用金刚石单晶作为研磨材料,所以,可切割石材、钢筋砼等坚硬构件。
切割是在液压马达的驱动下进行的,液压泵运转平稳,且可通过高压油管远距离操控。
因此,切割具有安全、方便、振动小和噪声小的特点,被切割的构件能在无扰动的情况下被分离。
此外,切割过程中高速运转的金刚石绳锯靠水冷却,并利用水将研磨碎屑冲走。
本工程要拆除的钢筋混凝土内支撑梁位于地下2层车库顶板上部2.6 m处,因此,需搭设操作平台,并安装切割设备。
切割完成后,利用塔吊将切割好的混凝土块调运到指定堆放场地或利用板车运出。
具体施工流程如图1所示,混凝土水平支撑梁分块平面图如图2所示。
4 施工技术要点
4.1 任意形状、高精度线型切割技术
金刚石绳锯切割适用于大型钢筋混凝土构件的分解和小面积切割,其不受被拆除构件体积、形状等的限制,能切割和拆除大型钢筋混凝土构件,具有切割精度高、可变换切割方向的特点,并可按照各种切割要求任意旋转切割装置,从而完成水平、垂直、倾斜等多种切割作业。
此外,采用该技术造成的影响较小,非常适合在城市中采用。
切割剖面图如图3所示。
4.2 远距离电脑操作控制技术
该技术采用远程控制柜控制整个切割过程,操作人员远离切割作业面,可保证施工人员的安全,并避免人为因素对施工的干扰,有利于加快施工速度。
采用该技术可实现两人同时操作多台设备,从而大幅度提高作业效率。
此外,采用远距离操作控制可实现水下、危险作业区等一些特定环境下一般设备、技术难以完成的混凝土拆除任务。
4.3 无损伤技术
传统拆除中一般采用剔、凿、水钻钻孔等方法,分离构件时不仅无法实现整齐分离截面,还会对后续加固施工造成一定的影响。
利用绳锯专业切割设备可实现对大体积混凝土构筑物的小面积、大体积整体分离,分离截面整齐,大大提高了切割效率,有效缩短了工期,且在切割过程中不产生振动,可最大程度地确保已有结构的稳定性和安全性;混凝土切缝光滑、平整,不需要进行后期处理,对建筑物结构无损伤,且对后续的加固施工没有影响。
4.4 移动式切割钢筋混凝土操作平台
本工程的钢筋混凝土内支撑梁位于地下2层车库顶板上部2.6 m处。
为了保证施工安全,钢筋混凝土梁被切割成小段后必须水平放置于切割操作平台上,之后由塔吊吊走。
为了加快施工速度、保证施工安全和降低工程造价,现场用钢管和工字钢加工制作了切割操作平台,且该操作平台可移动。
由于现场共配置了6台切割机,所以,制作了6个切割操作平台,具体如图4所示。
4.5 绿色环保施工技术的应用
金刚石绳锯切割机不会对需要保留的混凝土结构造成任何破坏,且能保持切割面平滑。
该设备可根据环境和实际需要将混凝土切割成任意形状,具有防破坏性、环保性,且其在施工中不产生粉尘。
5 结束语
本文以中铁三局科技研发中心项目深基坑钢筋混凝土水平内支撑拆除施工为实例,基于工程本身的特点和现场实际情况,设计了深基坑钢筋混凝土水平内支撑的拆除方案,并顺利完成了深基坑钢筋混凝土水平内支撑的拆除工作。
深基坑钢筋混凝土内支撑梁无损静力切割拆除技术的应用加快了混凝土内支撑梁的拆除速度,从而缩短了施工工期,降低了造价,保证了施工安全,实现了绿色施工,并为企业带来了良好的经济效益和社会效益,为今后同类型工程施工提供了可借鉴的经验和技术参考。
参考文献
[1]王智伟.混凝土加工机理及单节块锯切混凝土研究[D].南宁:广西大学,2006.
[2]王成勇,胡映宁,丁海宁.混凝土锯切技术的应用与研究现状[J].金刚石与磨料磨具工程,2004(05).
[3]徐至钧.深基坑支护技术精选集[M].北京:中国建筑工业出版社,2012.
[4]余永祯.建筑施工手册[M].北京:中国建筑工业出版社,2003.。