某框架结构工程量计算表
- 格式:docx
- 大小:39.59 KB
- 文档页数:12
一、现浇混凝土及钢筋混凝土模板工程量计算规则1.现浇混凝土及钢筋混凝土模板工程量,除另有规定外,均按混凝土与模板接触面的面积,以m2计算。
2.现浇钢筋混凝土柱、梁、板、墙的支模高度(即室外地坪至板底或板面至板底之间的高度)以3.6m 以内为准,超过3. 6m以上部分,另按超过部分计算增加支撑工程量。
3.现浇钢筋混凝土墙、板单孔面积在0.3m2以内的孔洞,不予扣除,洞侧壁模板亦不增加;单孔面积在0.3 m2以外时,应予扣除,洞侧壁模板面积并入墙、板模板工程量之内计算。
4.现浇钢筋混凝土框架分别按梁、板、柱、墙有关规定计算,附墙柱,并入墙内工程量计算。
5.杯形基础杯口高度大于杯口大边长度的,套高杯基础定额项目。
6.柱与梁、柱与墙、梁与梁等连接的重叠部分以及伸入墙内的梁头、板头部分,均不计算模板面积。
7.构造柱外露面均应按图示外露部分计算模板面积。
构造柱与墙接触面不计算模板面积。
8.现浇钢筋混凝土悬挑板(雨篷、阳台)按图示外挑部分尺寸的水平投影面积计算。
挑出墙外的牛腿梁及板边模板不另计算。
9.现浇钢筋混凝土楼梯,以图示露明面尺寸的水平投影面积计算,不扣除小于500mm楼梯井所占面积。
楼梯的踏步、踏步板平台梁等侧面模板,不另行计算。
10.混凝土台阶不包括梯带,按图示台阶尺寸的水平面积计算,台阶端头两侧不另计算模板面积。
11.现浇混凝土小型池槽按构件外围体积计算,池槽内、外侧及底部的模板不另行计算。
二、预制钢筋混凝土构件模板工程量计算规则1.预制钢筋混凝土模板工程量,除另有规定者外均按混凝土实体体积以m3计算。
2.小型池槽按外型体积以m3计算。
3.预制桩尖按虚体积(不扣除桩尖虚体积部分)计算三、构筑物钢筋混凝土模板工程量计算规则1.构筑物工程的模板工程量,除另有规定者外,区别现浇、预制和构件类别,分别按一和二的有关规定计算。
2.大型池槽等分别按基础、墙、板、梁、柱等有关规定计算并套相应定额项目。
3.液压滑升钢模板施工的烟囱、水塔塔身、贮仓等,均按砼体积以m3计算。
三、LT(檩条)工程量:屋面檩条布置图(结施-09)LT-1数量:22*2=44根;LT-2数量:22*10=220根檩条规格:C180*60*20*2.5 ;单重:6.673Kg/m节点详图二(结施-13)LT-1重量=6.545*44*6.673节点详图二(结施-13)LT-2重量=6.24*220*6.673四、WLT(屋面拉条)工程量:屋面檩条布置图(结施-09)WLT1数量:16*12=192根;WLT2数量:12根屋面拉条规格:圆钢12 ;单重:0.888Kg/m节点详图二(结施-13)GJ-1示意图(结施-05)WLT1重量=(1.5+0.1)*192*0.888WLT2重量=(0.4+0.1)*12*0.888五、WXLT(屋面斜拉条)工程量:屋面檩条布置图(结施-09)边跨斜拉条数量:4*12=48节点详图二(结施-13)斜拉条规格:圆钢12屋面檩条布置图(结施-09)中间跨斜拉条数量:4*12=48边跨斜拉条重量=√(3.125-0.3)2+1.3752+0.1=3.24m*48*0.888 中间跨斜拉条重量=√(3.125-0.3)2+1.52+0.1=3.3m*48*0.888六、WCG(屋面撑杆)工程量:屋面檩条布置图(结施-09)边跨屋面撑杆数量:2*12=24根屋面檩条布置图(结施-09)中间跨屋面撑杆数量:2*12=24根节点详图二(结施-13)边跨屋面撑杆钢管重量=1.375*24*2.589边跨屋面撑杆钢筋重量=(1.375+0.1)*24*0.888中间跨屋面撑杆钢管重量=1.5*24*2.589中间跨屋面撑杆钢筋重量=(1.5+0.1)*24*0.888七、YC(隅撑)工程量:屋面檩条布置图(结施-09)边跨YC1数量=6*2+12*11=144YC2数量=2*2+4*11=48YC3数量=2*2+4*11=48规格:角钢50*5 单重=3.77Kg/m节点详图二(结施-13)YC1重量=(0.18+0.384)*1.414*3.77*144YC1节点板重量=0.11*0.12*6*7.85*144GJ-1示意图(结施-05)坡度系数=(703-384)/5165=0.06176YC2重量=(0.06176*1.153+0.384+0.18)*1.414*3.77*48 YC2节点板重量=0.11*0.12*6*7.85*48YC3重量=(0.06176*4.153+0.384+0.18)*1.414*3.77*48 YC3节点板重量=0.11*0.12*6*7.85*48八、GXG-1(钢系杆)工程量:屋面支撑平面布置图(结施-07)GXG-1 数量:N=6*12=72根节点1(结施-08)4-4剖面(结施-08)GXG-1详图(结施-08)GXG-1:钢管89*4长度L=6250-(160+10)*2=5910mm ; 钢管重量=5.91*8.385=49.56Kg*72/1000 节点板12厚重量G1=0.17*0.09*94.2=1.44Kg*72*2/1000节点板10厚重量G2=0.17*0.17*78.5=2.27Kg*72*2/1000GXG-1与屋架梁连接板10厚重量G3=0.147*0.384*78.5=4.43Kg*72*2/1000GXG-1与屋架梁连接板10厚重量(边跨外侧)G4=0.097*0.384*78.5=0.29Kg*6*2/1000九、边跨SC-1(水平支撑)工程量:屋面支撑布置图(结施-07)边跨SC-1数量:6个节点1(结施-08)SC-1距B轴线间距离:250mm节点2(结施-08)SC-1距A轴线间距离:250+450=700mm边跨SC-1长度L=√6.252+(5.75-0.7-0.25)2+0.15*2=8.18m;重量G=8.18*3.85*12/1000 角钢75*10重量: 0.1*60*11.089/1000十、中间跨SC-1(水平支撑)工程量:屋面支撑布置图(结施-07)中间跨SC-1数量:9个节点1(结施-08)中间跨SC-1距轴线间距离为:250mm中间跨SC-1长度L=√6.252+(6.0-0.25-0.25)2 +0.15*2=8.63m;重量G=8.63*3.85*18/1000十一、A轴及F轴墙架工程量:墙面支撑布置图(结施-10)C160*60*20*2.5 单重:6.28Kg/m节点7 (结施-10)A轴及F轴水平墙梁长度L1=6.25*12+0.26*2=75.52m;重量G1=(75.52*6*2-4)*6.28/1000A轴及F轴垂直墙梁高度H1=7.5-1.2=6.3m;重量G2=(6.3*46+4.5*4+3*2)*6.28/1000节点7 (结施-10)A轴及F轴墙梁连接板8mm厚(3-3剖面):G3=0.16*0.2*62.8*6*13*2/10001轴及13轴墙梁连接板8mm厚(4-4剖面):G4=0.26*0.2*62.8*(5*6*2+8)/1000十二、1轴及13轴墙架工程量:墙面支撑布置图(结施-11)1轴及13轴水平墙梁长度L2=29.5+0.175*2=29.85m;重量G5=(29.85*10+18*2-4)*6.28/1000 1轴及13轴垂直墙梁高度H2=(7.5-1-1.2)=5.3m;重量G6=(5.3*18+4.5*4+2*2)*6.28/10001轴山墙支撑布置图(结施-11)1轴及13轴墙顶角钢50*4长度L3=√(29.5/2+0.175)2+0.62=14.94m;重量G7=14.94*4*3.059/1000十三、1轴及13轴山墙支撑(GXG-2)工程量:1、13轴山墙支撑布置图(结施-11)数量:(GXG-2)4根;GXG-2 6根;钢管89*4重量G=(5.66*6+5.41*4)*8.385/1000 节点板10厚:0.17*0.17*78.5*20/1000节点板12厚:0.11*0.17*94.2*20/1000柱上连接板10厚:0.16*0.2*78.5*20/1000十四、A轴及F轴柱间支撑(ZC-1)工程量:A、F轴柱间支撑布置图(结施-08)数量:共6组;圆钢25长度L1=√6.252+(7.5-0.35-0.85)2 +0.15*2=9.17m;重量G1=9.17*3.85*12/1000 角钢75*10 重量G2=0.1*24*11.089/1000十五、A轴及F轴墙板工程量:建筑设计说明(建施-01)墙板转角详图(建施-02)A、F轴墙板面积S1=(75+0.34*2)*(7.5-1.2)*2=953.57平方米十六、1轴及13轴墙板工程量:1、13轴墙板面积S2=(29.5+0.335*2)*(7.5-1.2)*2+(29.5+0.335*2)*0.6=398.24平方米扣减门窗洞:M1 2樘:4*2.8*2=22.4平方米C1 23樘:2.65*1.8*23=109.71平方米C2 23樘:2.65*1*23=60.95平方米C3 5樘: 2.4*1.8*5=21.6平方米C4 9樘: 2.4*1*9=21.6平方米以上门窗洞面积合计:236.26平方米墙板面积合计=953.57+398.24-236.26=1115.55平方米十七、屋面彩板工程量:1-1剖面(建施-05)屋面板面积:长度=75+(0.1+0.16+0.08)*2+0.3*2=76.28m宽度=(√(29.5/2+0.175+0.16+0.08)2+0.62+0.3)*2=30.96m 面积=76.28*30.96=2361.63平方米南、北立面图(建施-04)十八、总结钢结构工程算量程序:。
第一章基础工程1.1 场地平整S=(58+4)*(26+4)=1860m21.2 桩基人工挖土单桩:7.0*1/4*3.14*0.8² =3.517 m3共计:1.3*578*3.517=2032.71 m31.3 桩基础工程量J1:共140根1)混凝土工程量:V=3.14D²HN/4=0.7854*0.8*0.8*7.0*140=492.60 m3 2)钢筋:a. 主筋:G=12.8*12*0.888*140*1.02=1113.00Kgb. 箍筋:G=8.076*12.8*140*1.02=843.52 Kgc. 钢筋小计:1113.00+843.52=1956.52 KgJ2:共145根1)混凝土工程量:V=3.14D²HN/4=0.7854*0.9*0.9*7.0*145=550.70m32)钢筋:a. 主筋:G=12.8*12*0.888*145*1.02=556.50Kgb. 箍筋:G=8.076*12.8*145*1.02=421.76 Kgc. 钢筋小计:556.50+421.76=978.26 KgJ3:共145根1)混凝土工程量:V=3.14D2HN/4=0.7854*0.8*0.8*7.0*145=550.70 m32)钢筋:a. 主筋:G=12.8*12.13*0.888*145*1.02=3014.37Kgb. 箍筋:G=8.076*12.8*145*1.02=2108.81 Kgc. 钢筋小计:3014.37+2108.81=5123.18 KgJ4:共148根1)混凝土工程量:V=3.14D2HN/4=0.7854*0.8*0.8*12.8.*148=580.70 m3 2)钢筋:a. 主筋:G=12.8*13*0.888*148*1.02=2411.50Kgb. 箍筋:G=8.076*12.8*148*1.02=1087.04 Kgc. 钢筋小计:2411.50+1087.04=3498.54 Kg桩基工程量总计:桩-混凝土:V=2032.71 m3桩-钢筋:G=69339 Kg第二章钢筋混凝土工程2.1 地梁工程量模板:S=(2.1+3.0)*0.35*2*8+6.6*0.35*2*4+4.8*2*16*0.35+(3.0+2.1+1.5)*0.4*2*6+(3.0+2.1)*0.35*2*6+(3.3+2.4)*0.3*2*6+4.5*0.4*2*6+3.9*0.35*2*5+3.6*0.5*2*2+3.0*0.5*2*2=668.61 m3钢筋:DL1: 8根a. 主筋:G=[(3.0+2.1)*1.21*6*5.1*1.58*4]*8=554.06Kgb. 箍筋:l=[(0.3-0.06)+(0.35-0.06)]*2-0.1=0.96n=(5.1-0.060)/0.20+1=25.2G=0.395*l*n*8=72.81 Kgc.钢筋小计:554.06+72.81=626.87 KgDL2: 4根a. 主筋:G=[6.6*2.98*4+6.6*2.47*2+6.6*2.0*2+6.6*1.58*2]*4=634.13Kgb. 箍筋:l=[(0.3-0.06)+(0.35-0.06)]*2-0.1=0.96n=(6.6-0.060)/0.20+1=31G=0.395*l*n*4=47.02 Kgc.钢筋小计:634.13+47.02=681.15 KgDL3: 6根a. 主筋G=[(3.0+2.1+1.5)*4*2.47+(3.0+2.1+1.5)*4*2.0+(3.0+2.1+1.5*2*1.58)]*6 =833.18Kgb. 箍筋:l=[(0.3-0.06)+(0.4-0.06)]*2-0.10=1.06n=[(3.0+2.1+1.5)-0.60]/0.20+1=31G=0.395*l*n*6=77.88 Kgc. 钢筋小计:833.18+77.88=911.06 KgDL4: 16根a. 主筋:G=(4.8*4*1.21+4.8*2*2.0+4.8*4*1.58)*16 =1164.29Kgb. 箍筋:l=[(0.3-0.06)+(0.35-0.06)]*2-0.10=0.96n=(4.8-0.60)/0.20+1=18G=0.395*l*n*16=109.21 Kgc. 钢筋小计:1164.29+109.21=1273.50 KgDL5:6根a. 主筋:G=(3.0+2.1)*(2*2.0+2*1.21+2*1.58+4*1.58)*6 =486.54Kgb. 箍筋:l=[(0.3-0.06)+(0.45-0.06)]*2-0.10=1.16n=[(3.0+2.1)-0.60]/0.20+1=23.5G=0.395*l*n*6=65.98 Kgc. 钢筋小计:486.54+65.98=552.52 KgDL6:6根a. 主筋:G=1.5*3*(3*2.0+5*1.58)*6=375.3Kgb. 箍筋:l=[(0.3-0.06)+(0.45-0.06)]*2-0.10=1.16n=(1.5*3-0.60)/0.20+1=20.5G=0.395*l*n*6=54.75 Kgc. 钢筋小计:375.3+54.75=430.05 KgDL7:6根a. 主筋:G=3.3*(8*1.21+4*1.58)*6 =316.8Kgb. 箍筋:l=[(0.3-0.06)+(0.3-0.06)]*2-0.10=0.86n=(3.3-0.60)/0.15+1=19G=0.395*l*n*6=38.73 Kgc. 钢筋小计:316.8+38.73=355.53 KgDL8: 6根a. 主筋:G=2.4*(8*1.21+4*1.58)*6 =230.4Kgb. 箍筋:l=[(0.3-0.06)+(0.3-0.06)]*2-0.10=0.86n=(2.4-0.60)/0.10+1=19G=0.395*l*n*16=38.73 Kgc. 钢筋小计:230.4+38.73=269.13 KgDL9: 5根a. 主筋:G=3.9*(6*1.21+4*1.58)*5=264.81Kgb. 箍筋:l=[(0.3-0.06)+(0.35-0.06)]*2-0.10=0.96n=(3.9-0.60)/0.20+1=17.5G=0.395*l*n*5=34.13 Kgc. 钢筋小计:264.81+34.13=298.94 KgDL10: 2根a. 主筋:G=(3.0+3.6)*(6*2.98+2*3.85)*2=337.66Kgb. 箍筋:l=[(0.3-0.06)+(0.5-0.06)]*2-0.10=1.26n=[(3.0+3.6)-0.60]/0.15+1=41G=0.395*l*n*2=40.81 Kgc. 钢筋小计:337.66+40.81=378.47 Kg钢筋工程量总计:17209.233 Kg混凝土工程量:V=(2.1+3.0)*0.35*0.30*8+6.6*0.35*0.30*4+4.8*0.35*0.3*16+ (3.0+2.1+1.5)*0.4*0.3*6+(3.0+2.1)*0.35*0.3*6+(3.3+2.4)*0.3*0.3*6+(1.5+1.5+1.5)*0.4*0.3*6+3.9*0.35*0.3*5+3.6*0.5*0.3*2+3.0*0.5*0.3*2=106.2 m32.2 底层、二层柱、梁、楼板工程量计算2.2.1 柱-模扳:Z-1:18根 b*h=0.45*0.45 h=4.35-0.45S=18*0.45*(4.35-0.45)*4=126.36 m2Z-2:6根 b*h=0.45*0.45 h=4.35-0.45S=6*0.45*(4.35-0.45)*4=42.12 m2Z-3:8根 b*h=0.45*0.45 h=4.35-0.45S=8*0.45*(4.35-0.45)*4=56.16 m2Z-4:4根 b*h=0.45*0.45 h=4.35-0.45S=4*0.45*(4.35-0.45)*4=28.08 m2Z-5:2根 b*h=0.5*0.5 h=4.35-0.45S=2*0.5*(4.35-0.45)*4=15.6 m2Z-6:2根 b*h=0.4*0.4 h=4.35-0.45S=2*0.4*(4.35-0.45)*4=12.48 m2Z-7:2根 b*h=0.4*0.4 h=4.35-0.45S=2*0.4*(4.35-0.45)*4=12.48 m2Z-8:2根 b*h=0.5*0.5 h=4.35-0.45S=2*0.5*(4.35-0.45)*4=15.6 m2底层柱模板工程量总计:606.72m2柱-钢筋:G=(52+42+25+19)*18+(52+39+85+66)*6+(24+18+151+93)*8+(113+96+291+598)*4+(87+112+79+67)*2+(107+143+89+47)*2=36541Kg柱-混凝土:V=0.45*0.45*(4.35-0.45)*36+0.5*0.5*(4.35-0.45)*4+0.4*0.4*(4.35-0.45)*4=107.4 m32.2.2 梁-模板:S=(0.4*2+0.25)*3.3*10+(0.45*2+0.25)*5.1*12+(0.3*2+0.25)*4.8*16+(0.35*2+0.25)*4.8*16+(0.45*2+0.25)*10.2*6+(0.4*2+0.25)*13.2*3+(0.3*2+0.25)*2.4*5+(0.3*2+0.25)*3.3*2=517.42 m2梁-钢筋:KL1: 8根a. 主筋:G=5.1*(4*2.0+2*1.58+2*1.21)*8=554.064Kgb. 箍筋:l=[(0.25-0.06)+(0.35-0.06)]*2-0.10=0.85n=(5.1-0.06)/0.2+1=25.2G=0.395*l*n*8=69.84 Kgc.钢筋小计:554.064+69.84=623.904 KgKL2: 8根a. 主筋:G=3.3*8*3.85*8=813.12Kgb. 箍筋:l=[(0.25-0.06)+(0.40-0.06)]*2-0.10=0.96n=(3.3-0.06)/0.2+1=17.2G=0.395*l*n*8=54.61 Kgc. 钢筋小计:813.12+54.61=867.73 KgKL3: 8根a. 主筋:G=3.6*(4*2.47+1*2.0+2*3.85)8=563.904Kgb. 箍筋:l=[(0.25-0.06)+(0.45-0.06)]*2-0.10=1.06n=(3.6-0.06)/0.2+1=18.7G=0.395*l*n*8=63.64 Kgc. 钢筋小计:563.904+63.64=627.546 KgKL4: 8根a. 主筋:G=3.0*8(6*2.98+2*2.47+4*3.85)*8=917.28Kgb. 箍筋:l=[(0.25-0.06)+(0.35-0.06)]*2-0.10=0.86n=(3.0-0.06)/0.2+1=15.7G=0.395*l*n*8=43.482 Kgc. 钢筋小计:917.28+43.482=960.762 KgKL5: 8根a. 主筋:G=2.1*(2*1.21+2*1.58+2*0.888)*8=123.581Kgb. 箍筋:l=[(0.25-0.06)+(0.45-0.06)]*2-0.10=1.06n=(2.1-0.06)/0.2+1=11.2G=0.398*l*n*8=40.50 Kgc. 钢筋小计:123.581+40.50=164.082 KgKL6: 32根a. 主筋:G=4.8*(5*1.58+1*1.21)*32=1399.296Kgb. 箍筋:l=[(0.25-0.06)+(0.45-0.06)]*2-0.10=1.06n=(4.8-0.06)/0.2+1=24.7G=0.398*l*n*8=84.376 Kgc. 钢筋小计:1399.296+84.376=1483.672 KgKL7: 8根a. 主筋:G=3.3*(2*0.888+3*1.58+2*2.0)*8=277.622Kgb. 箍筋:l=[(0.25-0.06)+(0.45-0.06)]*2-0.10=1.06 n=(3.3-0.06)/0.2+1=17.2G=0.398*l*n*8=60.751 Kgc. 钢筋小计:277.622+60.751=338.373 KgKL8: 10根a. 主筋:G=2.4*(5*1.58+1*2.47)*10=248.88Kgb. 箍筋:l=[(0.25-0.06)+(0.30-0.06)]*2-0.10=0.76 n=(2.4-0.06)/0.2+1=12.7G=0.398*l*n*10=39.322 Kgc. 钢筋小计:248.88+39.322=288.202 KgKL9: 6根a. 主筋:G=2.1*(2*0.888+2*2.0+2*2.47)*6=135.022Kgb. 箍筋:l=[(0.25-0.06)+(0.40-0.06)]*2-0.10=1.08 n=(2.1-0.06)/0.2+1=11.2G=0.398*l*n*6=30.948 Kgc. 钢筋小计:135.022+30.948=165.971 KgKL10: 6根a. 主筋:G=5.1*(3*2.0+2*2.47)*6=334.764Kgb. 箍筋:l=[(0.25-0.06)+(0.50-0.06)]*2-0.10=1.16n=(5.1-0.06)/0.2+1=26.2G=0.398*l*n*6=74.792 Kgc. 钢筋小计:334.764+74.792=409.56 KgKL11: 6根a. 主筋:G=4.5*(4*2.0+4*1.58)*6=386.64 Kgb. 箍筋:l=[(0.25-0.06)+(0.35-0.06)]*2-0.10=0.86n=(4.5-0.06)/0.2+1=23.2G=0.398*l*n*6=49.288 Kgc. 钢筋小计:386.64+49.288=165.971 Kg钢筋总计:19097.19 Kg梁-混凝土:V=0.4*0.25*3.3*10+0.45*0.25*5.1*12+0.3*0.25*4.8*16+0.35*0.25*4.8 *16+0.45*0.25*10.2*6+0.4*0.25*13.2*3+0.3*0.25*2.4*5+0.3*0.25*3.3*2=105.975 m32.2.3 楼板:现浇楼板楼板-模板:S=6.6*(2.1+3.0+2.1+1.5+1.5)*2+4.8*(3.0+2.1+1.5)*8+3.3*(3.0+2.1+1.5*3)*2+2.4*(3.0+2.1+1.5*3)*2+4.8*(3.0+2.1+1.5*3)+3.0*3.9+3.6*(3.9+2.4+1.5)=1477m2钢筋总计:G=9854.2Kg楼板-混泥土:V=221.55m32.3 三层柱、梁、楼板工程量2.3.1 柱-模板:Z-1:18 b*h=0.45*0.45 h=3.6-0.45S=18*0.45*(3.6-0.45)*4=102.06m2Z-2: 6 b*h=0.45*0.45 h=3.6-0.45S=6*0.45*(3.6-0.45)*4=34.02 m2Z-3: 8 b*h=0.45*0.45 h=3.6-0.45S=8*0.45*(3.6-0.45)*4=45.36 m2Z-4: 4 b*h=0.45*0.45 h=3.6-0.45S=4*0.45*(3.6-0.45)*4=22.68 m2Z-5: 2 b*h=0.45*0.45 h=3.6-0.45S=2*0.5*(3.6-0.45)*4=12.6 m2Z-6: 2 b*h=0.4*0.4 h=3.6-0.45S=2*0.4*(3.6-0.45)*4=10.08 m2Z-7: 2 b*h=0.5*0.5 h=3.6-0.45S=2*0.5*(3.6-0.45)*4=12.6 m2柱-模板总计:604.32 m2柱-钢筋:G=(52+39+55+21)*18+(38+28+21+33)*6+(49+57+151+93)*8+(113+96+291+598)*4+(79+67+13+11)*2+(29+22+27+12)*2+(89+47+26+49)*2=36012Kg柱-混凝土:V=0.45*0.45*(3.6-0.45)*36+0.5*0.5*(3.6-0.45)*4+0.4*0.4*(3.6-0.45)*2=98.77 m32.3.2 梁-模板:S=[(0.35*2+0.25)*(2.1+3)*6+3.3*(0.25+0.3*2)*10+4.8*(0.25+0.35*2)*12+(2.1+1.5)*(0.25+0.45*2)*5+4.8*(0.25+0.3*2)*4+(1.5+1.5)*(0.25+0.45*2)*2+3.3*(0.25+0.45*2)*2]*2+(2.4+4.8+2.4)*(0.25+0.6*2)+(2.4+4.8+2.4)*(0.25+0.35*2)+(1.5+2.1)*(0.25+0.35*2)*2=505.42 m2梁-钢筋:KL1: 8根a. 主筋:G=(3+2.1)*(4*2.47+2*1.58+1*1.21)*8=581.0Kgb. 箍筋:l=[(0.25-0.06)+(0.35-0.06)]*2-0.10=0.86n=(5.1-0.06)/0.2+1=26.2G=0.398*l*n*8=74.0 Kgc.钢筋小计:581.0+74.0=655.0 KgKL2: 4根a. 主筋:G=(3+2.1)*(4*2+4*2.98+1*2.47)*4=458.2 Kgb. 箍筋:l=[(0.25-0.06)+(0.45-0.06)]*2-0.10=1.06n=(5.1-0.06)/0.2+1=26.2G=0.398*l*n*4=46.0 Kgc. 钢筋小计:458.2+46.0=504.2 KgKL3: 6根a. 主筋:G=[3*(2*2.47+4*3.85+2*3.85+2*2.98)]*6=612.0 Kgb. 箍筋:l=[(0.25-0.06)+(0.35-0.06)]*2-0.10=0.86n=(3-0.06)/0.2+1=15.7G=0.398*l*n*6=32.90 Kgc. 钢筋小计:612.0+32.90=644.9 KgKL4: 2根a. 主筋:G=3*(2*2+4*2.98+2*2.98+2*2.47)*2=146.1 Kgb. 箍筋:l=[(0.25-0.06)+(0.35-0.06)]*2-0.10=0.86n=(3-0.06)/0.2+1=15.7G=0.398*l*n*2=11.00 Kgc. 钢筋小计:146.1+11.00=157 KgKL5:4根a. 主筋:G=(2.1+1.5)*(2*2.47+1*3.85+2*2.47)*4=198.0 Kgb. 箍筋:l=[(0.25-0.06)+(0.45-0.06)]*2-0.10=1.06n=(3.6-0.06)/0.2+1=16G=0.398*l*n*4=27.70 Kgc. 钢筋小计:198.0+27.70=225.7 KgKL6:10根a. 主筋:G=2.1*(2*2+2*2.98+1*2.47+2*2+2*2.98)*10=470.19 Kgb. 箍筋:l=[(0.25-0.06)+(0.45-0.06)]*2-0.10=1.06n=(2.1-0.06)/0.2+1=11.2G=0.398*l*n*10=50.63 Kgc. 钢筋小计:470.19+50.63=520.82 KgKL7:6根a. 主筋:G=(3.3+3.3)*(2*3.85+3*3.85+2*2.472+2*2)*6=1116.32 Kg b. 箍筋:l=[(3.3+3.3)-0.06]*2-0.10=12.98n=(6.6-0.06)/0.2+1=4.27G=0.398*l*n*6=132.35 Kgc. 钢筋小计:1116.32+132.35=1248.67 KgKL8:8根a. 主筋:G=4.8*(2*2.47+1*1.21+2*2.47+3*1.58)*8=607.87 Kg b. 箍筋:l=[(0.25-0.06)+(0.35-0.06)]*2-0.10=0.86n=(4.8-0.06)/0.2+1=24.7G=0.398*l*n*8=68.46 Kgc.钢筋小计:607.87+68.46=676.33 KgKL9:16根a. 主筋:G=4.8*(2*2.47+1*1.21+2*2.47+3*1.58)*16=1215.74v b. 箍筋:l=[(0.25-0.06)+(0.35-0.06)]*2-0.10=0.86n=(4.8-0.06)/0.2+1=24.7G=0.398*l*n*16=136.91 Kgc. 钢筋小计:1215.74+136.91=1352.65 KgKL10:8根a. 主筋:G=4.8*(2*1.58+1*1.21+2*1.58)*8=289.15 Kgb. 箍筋:l=[(0.25-0.06)+(0.3-0.06)]*2-0.10=0.76n=(4.8-0.06)/0.2+1=24.7G=0.398*l*n*8=60.50 Kgc.钢筋小计:289.15+60.50=349.65 KgKL11:4根a. 主筋:G=3.3*(2*1.58+3*1.58)*4=104.28b. 箍筋:l=[(0.25-0.06)+(0.45-0.06)]*2-0.10=1.06n=(3.3-0.06)/0.2+1=17.2G=0.398*l*n*4=30.38 Kgc. 钢筋小计:104.28+30.38=134.66 KgKL12:4根a. 主筋:G=2.1*(2*0.888+2*1.21)*4=35.25 Kgb. 箍筋:l=[(0.25-0.06)+(0.45-0.06)]*2-0.10=1.06n=(2.1-0.06)/0.2+1=11.2G=0.398*l*n*4=20.25 Kgc. 钢筋小计:35.25+20.25=55.5 KgKL13:1根a. 主筋:G=(2.4*2+4.8)*(2*2+1*1.21+2*2+3*1.58)*1=133.92b. 箍筋:l=[(0.25-0.06)+(0.35-0.06)]*2-0.10=0.86n=(2.4*2+4.8-0.06)/0.2+1=48.7G=0.398*l*n*1=16.77 Kgc. 钢筋小计:133.92+16.77=150.69 KgKL14:1根a. 主筋:G=(2.4*2+4.8)*(2*2.98+2*2+2*2.98*2+1*2.47)*1=233.76 Kg b. 箍筋:l=[(0.25-0.06)+(0.6-0.06)]*2-0.10=1.36n=[(2.4*2+4.8)-0.06)]/0.2+1=48.7G=0.398*l*n*1=26.52 Kgc. 钢筋小计:233.76+26.52=260.28 KgKL15:2根a. 主筋:G=1.5*(3*1.21+2*1.21+3*1.58)*2=32.37 Kgb. 箍筋:l=[(0.25-0.06)+(0.35-0.06)]*2-0.10=0.86n=[1.5-0.06)]/0.2+1=8.2G=0.398*l*n*2=6.16 Kgc. 钢筋小计:32.37+6.16=38.53 Kg钢筋总计:17026.54 Kg梁-混凝土:V=(0.35*0.25*5.1*6+3.3*0.25*0.3*10+4.8*0.25*0.35*12+3.6*0.25*0.45*5+4.8*0.25*0.3*4+3*0.25*0.45*2+3.3*0.25*0.45*2*2+9.6*0.25*0.6+9.6*0.25*0.35+3.6*0.25*0.35=99.427m32.3.3 楼板:现浇混泥土板楼板-模板:S=3.3*5.1*8+4.8*3.6*8+3.0*4.8*8+2.1*4.8*8+1.5*3*3+3.3*4.5*5 +3.3*5.1*5+3.3*2.1*2+2.4*3.6*2+4.8*3.6=689.04 m2楼板-钢筋:G=9736.9Kg楼板-混泥土:V=207.51m2第三章砌体结构工程量3.1 底层、二层3.1.1 墙量:门面积:Sm=1.2*2.1*1+0.9*2.1*16=40.47 m2窗面积:Sc=12*2.4*1.8+10*1.5*1.8+1*2.4*0.9=162m3墙体面积:S=(4.35-0.45)*(10.2*4+6.6*4+19.2*4+6.6*6+9.6*6+5.7*6+7.8*2+3.6+3.0*2+3.9)- Sm-Sc=2147.35 m3V=0.24S=0.24*2147.35=542.627 m3墙体抹灰面积:S抹灰=2S=2*2147.35=4294.69 m23.1.2 楼地面:底面抹灰:V=FH=0.01*1508=15.08 m33.2 三层3.2.1 墙量门面积:Sm=10*0.9*2.1+2*1.5*2.1+2*1.2*2.1=40.47 m2窗面积:Sc=12*2.4*1.8+10*1.5*1.8+2*1.2*1.2=162 m2墙体面积:S=(3.6-0.45)*(10.2*4+6.6*4+19.2*4+6.6*2+9.6*4+3.3*4+4.8*4*2+3.3*2+1.5*2+9.6)- Sm- Sc=2147.35 m2V=0.24S=0.24*2147.35=542.627 m3墙体抹灰面积:S抹灰=2S=2*2147.35=4294.69 m23.2.2 楼地面底面抹灰:V=FH=0.01*1508=15.08 m3 3.2.3 屋面工程量防水层: S=1508m2细石混泥土屋面:V=1508*0.05=29.54m3。
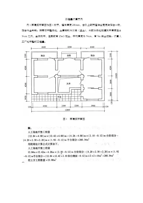
工程量计算示例例1.某建筑平面图如图1所示,墙体厚度240mm,台阶上部雨篷伸出宽度与阳台一致,阳台为全封锁。
按要求平整场地,土壤类别为Ⅲ类(坚土),大部份场地挖填找平厚度在±30cm之内,当场找平,但局部有23m3挖土,平均厚度为50cm,有5m弃土运输。
计算人工厂地平整的工程量。
图1 某建筑平面图例2.如图2所示,求建筑物人工平整场地工程量。
图2 人工平整场地示用意例3.某工程场地平整,方格网边长肯定为20m,各角点自然标高和设计标高如图所示。
土类为Ⅱ类普通土,常年地下水位为-2.40m。
计算人工开挖土方的工程量。
图3 某工程场地示用意例4.某建筑物基础平面及剖面如图所示。
已知设计室外地坪以下砖基础体积为15.85m3,混凝土垫层体积为2.86m3,室内地面厚度为180mm,工作面C=300mm,土质为Ⅱ类普通土。
要求挖出土方堆于现场,回填后余下的土外运。
试对土石方工程相关项目进行列项,并计算各分项工程量。
图4 某建筑物基础平面及剖面图a) 平面图b)基础1-1剖面图例5.如图所示,现场土质为Ⅱ类普通土,地槽双面支挡土板,墙厚240mm,计算人工挖地槽和支挡土板工程量。
支挡土板沟槽平面图图5 支挡土板沟槽平面图例6.土壤类别为Ⅱ类普通土,基础为现浇混凝土独立基础,垫层宽度1.5m,挖土深度2.3m,其施工方案如图示。
编制其工程量清单计价表。
图6 独立柱基础结构示用意a)独立柱基础平面图b)独立柱基础剖面图例7.如图7所示,某办公楼工程为砖混结构,外墙厚365mm,内墙厚240mm,楼板厚120mm,计算:“三线一面”基数;基础工程量;实砌墙体工程量。
门窗及墙体埋件见下表图7 某办公楼工程示用意例8.某工程等高式标准砖大放脚基础如图所示,当基础墙高h=1.6m,基础长l=27.85m 时,计算砖基础工程量。
例9.某建筑物如图所示。
内外墙与基础均为砖砌,均用M5水泥石灰砂浆砌筑。
内、外砖墙厚度均为240mm,外墙为清水砖墙,用水泥膏勾缝,外墙裙顶标高为1.2m。
建筑装饰工程定额计价实例某房屋工程为框架结构,底层建筑平面图、二层结构平面图如图所示,已知设计室外地坪-0.15,设计室内地坪±0.00,二层结构板面标高为6.50m,板厚12cm。
外、内墙均为1砖厚多孔砖墙;门窗尺寸见门窗表。
门窗表外墙面:1:3水泥砂浆抹底灰,50×230外墙面砖水泥砂浆粘贴;内墙(含附墙柱梁)面和独立柱面:1:1:6混合砂浆底纸筋灰面。
地面:碎石垫层80厚,C15砼垫层70厚,1:3水泥砂浆找平15厚,1:2水泥砂浆面层20厚。
水泥砂浆踢脚线。
砼天棚面:水泥纸筋灰砂浆底纸筋灰面。
试计算该房屋工程底层外墙面、内墙面、地面、天棚装饰项目的工程量,并列出预算表计算直接工程费。
假设外墙门靠外墙内边线、外墙窗居外墙中心线安装,门窗框厚90mm ;人工、材料、机械台班单价均暂按定额取定价计算。
解:由于本工程底层各房间的建筑装饰做法相同,故可采用统筹法计算各项工程量。
1、工程量计算基数:底层建筑面积=14.24×12.24=174.2976m 2编号 洞口尺寸(mm )樘数 宽 高 M1 1000 2100 2 M2 1500 2500 1 C1 2000 1500 4 C2150015005外墙中心线=(14+12)×2=52m内墙净长线=6+12-0.12×4=17.52m外墙外边线=52+0.24×4=52.96m外墙内边线=52-0.24×4=51.04m外墙净长=52-(0.28×2+0.4×2)×2-(0.48×2+0.6)×2=52-2.72-3.12=46.16m内墙净长=6+12-(0.28+0.2)-(0.48×2+0.6)=18-0.48-1.56=15.96m2、计算外墙面装饰工程量:外墙门窗洞口面积=1.5×2.5+2.0×1.5×4+1.5×1.5×5=27.00m2内墙门窗洞口面积=1.0×2.1×2=4.20m2外墙门窗洞口侧壁面积=(1.5+2.5×2)×(0.24-0.09)+[(2.0+1.5)×2×4+(1.5+1.5)×2×5]×(0.24-0.09)/2=0.975+4.350=5.325m250×230外墙面砖水泥砂浆粘贴: S=外墙外边线×镶贴高度-外墙门窗洞口面积+外墙门窗洞口侧壁面积=52.96×(6.50+0.15)-27.00+5.325=330.51m2外墙面1:3水泥砂浆抹底灰: 330.51m23、计算内墙面装饰工程量:附墙柱侧面积=(0.16×2+0.08×2+0.36×2×2)×(6.50-0.12)=1.92×6.38=12.2496 m2附墙梁底面积=46.16×(0.3-0.24)+15.96×(0.3-0.24)=2.7696+0.9576=3.7272m2内墙面1:1:6混合砂浆底纸筋灰面: S=(外墙内边线+内墙净长线×2-T 形搭接墙厚)×抹灰高度-外墙门窗洞口面积-内墙门窗洞口面积×2+附墙柱侧面积+附墙梁底面积=(51.04+17.52×2-0.24×4)×(6.50-0.12)-27.00-4.20×2+12.2496+3.7272=543.0656-27.00-8.40+12.2496+3.7272=523.6424=523.64m2单独砼柱面1:1:6混合砂浆底纸筋灰面: (0.4+0.6)×2×(6.50-0.12)=12.76m24、计算地面装饰工程量:地面面积=建筑面积-(外墙中心线+内墙净长线)×墙厚=174.2976-(52+17.52)×0.24=157.6128m2碎石地坪垫层80厚: 157.6128×0.08=12.61m3C15混凝土地坪垫层70厚: 157.6128×0.07=11.03m31:3水泥砂浆找平15厚: 157.61m21:2水泥砂浆面层20厚: 157.61m2水泥砂浆踢脚线:S=[(外墙内边线+内墙净长线×2-T形搭接墙厚)+附墙柱两侧宽+独立柱周长]×高度=[(51.04+17.52×2-0.24×4)+(0.16×2+0.08×2+0.36×2×2)+(0.4+0.6)×2]×0.15=89.04×0.15=13.36 m25、计算天棚面装饰工程量:带梁天棚梁侧面积=(8-0.28-0.4×1.5)×(0.6-0.12)×2+(12-0.48×2-0.6)×(0.7-0.12)×2+(6-0.18-0.15)×(0.5-0.12)×2×2+(6-0.18-0.15-0.25)×(0.4-0.12)×2×2=7.12×0.48×2+10.44×0.58×2+5.67×0.38×4+5.42×0.28×4=33.6344m2附墙梁底面积=3.7272m2砼天棚水泥纸筋灰砂浆底纸筋灰面:S=建筑面积-(外墙中心线+内墙净长线)×墙厚+带梁天棚梁侧面积-附墙梁底面积=174.2976-(52+17.52)×0.24+33.6344-3.7272=157.6128+33.6344-3.7272=187.52 m26、列出预算表计算外墙面、内墙面、地面、天棚装饰项目的直接工程费:∴本工程外墙面、内墙面、地面、天棚装饰项目的直接工程费为26310元。
钢结构厂房工程量计算表解释说明1. 引言1.1 概述本文旨在介绍钢结构厂房工程量计算表的使用和要点解释以及通过实例演示和案例分析来展示其应用。
随着工业发展的不断推进,钢结构厂房逐渐成为各行各业中常见的建筑形式。
而钢结构厂房的工程量计算是评估项目成本、制定施工方案以及进行后续施工管理等重要环节,因此具有重要意义。
1.2 文章结构本文共分为五个部分。
首先是引言部分,概述了文章内容、目的和结构。
第二部分将详细介绍钢结构厂房工程量计算表,包括其简介、计算重要性以及使用方法和步骤等内容。
第三部分将重点解释工程量计算表中各项要点,包括材料清单项目解释、施工分部分项解释和工程数量计算方法解释。
第四部分将通过实例演示和案例分析来展示该计算表的实际应用,并对结果进行讨论和应用展望。
最后,在第五部分中总结主要观点,并强调钢结构厂房工程量计算表的重要性,并展望其未来发展方向。
1.3 目的钢结构厂房工程量计算表是一项重要的工具,能够准确评估项目成本并提供施工管理所需数据。
然而,由于其复杂性和专业性,对于初学者或非专业人士来说可能存在一定的困难。
因此,本文的目的是帮助读者全面了解钢结构厂房工程量计算表以及其使用方法和要点解释,并通过实例演示和案例分析来展示其应用价值。
希望通过本文的阐述,读者能够更好地理解、掌握和应用钢结构厂房工程量计算表,提高相关项目的管理水平和效率。
2. 钢结构厂房工程量计算表2.1 简介钢结构厂房工程量计算表是用来记录和计算钢结构厂房建设项目的各项工程量的一种表格。
在建筑行业中,工程量计算是非常重要的一项工作,它可以准确地评估项目所需的资源和成本,并为项目管理提供基础数据支持。
钢结构厂房作为一类特殊的建筑形式,其施工涉及到多个细节问题,因此需要有一个专门的工程量计算表来进行记录和分析。
2.2 工程量计算的重要性钢结构厂房的施工涉及到许多复杂且关键的细节问题,如梁柱、桁架、屋面等部分的数量和尺寸,以及相关材料的使用情况等。
目录第一章、编制依据 (1)(一)编制依据 (1)(二)编制说明 (1)第二章、工程概况 (3)(一)工程概况 (3)(二)建设要求 (3)第三章、施工部署 (4)(一)管理组织机构 (4)(二) 施工总部署 (7)(三)、施工准备 (11)(四)施工总平面布置 (12)(五)技术质量保证措施 (13)第四章施工进度计划 (18)第五章主要分部分项工程施工方案 (20)(一)、测量放线 (20)(二)、基础工程 (20)(三)、主体结构工程 (21)(四)建筑装饰装修工程 (23)(五)建筑屋面工程 (26)(六)建筑脚手架与安全防护 (27)第六章季节施工措施 (28)(一)雨季施工 (28)(二)夏季、冬季施工 (28)第七章现场安全文明施工措施 (32)(一)施工安全: (32)(二)污水处理措施 (33)(三)降低扬尘措施 (33)第八章质量通病的防治措施 (35)(一)、钢筋工程 (35)第九章技术节约及降低成本措施 (37)(一)技术措施: (37)(二)管理措施: (37)第十章成品保护措施 (38)第一章、编制依据(一)编制依据业主提供的招标文件、施工图及相关的图集、标准进行编制。
业主提供的建筑、结构、图纸。
国家颁布的现行施工及验收规范、技术标准规程和建筑安装工程质量验收评定标准。
同时根据有关技术管理、质量管理、安全管理、文明施工文件。
(二)编制说明本施工组织设计根据建筑施工特点和以往积累的经验遵循以下几项原则:1、贯彻党和国家对基本建设的各项方针和政策;2、遵守合同规定的各项条款;3、合理安排施工程序和顺序;4、采用国内外先进技术、科学地确定施工方案;5、采用流水施工方法和网络计划技术安排进度计划;6、合理布置施工平面图,减少施工用地;7、充分利用现有机械设备,扩大机械化施工范围,8、尽量降低工程成本,提高工程经济效益;9、认真贯彻执行质量、职业健康安全(ISO9001:2000、GB/T28001—2001)管理体系。
建筑工程设计说明一、建筑层数:三层结构形式:框架结构建设总高度:安全等级:二级室内外高差:450mm 屋面防水等级:二级耐火等级:二级设计抗震烈度:8度二、1.尺寸单位:图中尺寸单位除注明者外,柱高以米计,其他均以毫米计。
2.室内±高出室外,±相应的绝对标高放线时由甲方与施工单位现场确定。
3.墙体材料:250厚混凝土砌块。
4.地面排水:a.各有水房间找1%坡,坡向地漏。
b.入口处平台向室外找坡1%,找坡后完成面高处低于室内完成面20mm。
5.门窗:a.外门窗坐樘中。
b.内门坐樘开启方向为平开。
c.所有开启扇处均加以设纱扇、纱窗。
6.油漆维护:所有外露铁件均刷银粉漆,做法图集。
7.构造柱做法详见图16。
8.防潮层做法:在墙体处铺设20厚1∶2水泥砂浆加5%防水粉。
三、建筑构造用料做法:1.地面:地16#陶瓷地砖地面用于卫生间外地面见详细做法地26#陶瓷地砖卫生间地面用于卫生间见详细做法2.楼面:楼16#陶瓷地砖楼面用于除卫生间外楼面楼26#陶瓷地砖卫生间楼面用于卫生间楼36#PVC塑胶卷材楼面(做详见说明)用于净化区部分楼面3.踢脚:踢脚16#.面砖踢脚用于除卫生间外楼地面部分4.墙裙:裙16#釉面砖墙裙用于卫生间部分5.室内墙面:内墙16#水泥砂浆墙面用于除踢脚墙裙以外部分6.天棚:顶16#.彩钢板吊顶吊顶采用50厚彩钢复合析,内填不燃材料顶26#.水泥砂浆顶棚要求耐火等级不低于小时,用于净化区,吊顶高。
7.外墙面:外墙16#涂料外墙面见立面图涂料16#乳胶漆8.屋面:屋16#.高聚改性沥青卷材防水层面9.台阶:台16#.地砖面层台阶10.散水:散16#.混凝土散水该工程为一制药厂生产车间及办公大数,共三层,请根据以上说明及所附图纸,按甲方提供清单工程量,乙方核对工程量组清单单价的方法,对该工程工程量及所需建筑安装工程费进行计算汇总,得出定额单价汇总表、清单单价分析表及清单单价汇总表等工作。
1、工程量的计算
采用定额计算法,依据公式(1).或公式(2).计算,
P=Q/S-------------(1)P=Q×H-------------(2)
式中:P—劳动量(工日)或机械班数(台班);
Q------工程量;
S------产量定额;
H------时间定额;
由于目前尚无全国定额,本设计采用的是吉林省定额。
计算过程各结果见表
工作班次的确定:因为梁板混凝土需要连续施工,因此混凝土的工作班次一般为每天三个工作班次;而基础工程中基坑挖土和回填因为工期的原因实行每天两个工作班次;装饰装修工程因为大部分工作在室内进行,为了满足工期的要求,实行每天两个工作班次。
工作人数的确定:根据工期要求、最小工作面、最小劳动组合和可能安排的人数确定劳动人数(混凝土工通常10-15人就够了,一般从另一角度分析,可以用每个施工人员所需最低面积(施工密度) 来考虑,经验证明施工现场每一施工工人所需面积在20~25m2,平均23m2。
钢:木:砼(含瓦)——1.5:2:1 这是我的估计仅供参考见表中);工作天数的确定:根据公式t= P/(R* b) 式中
t------完成某分部分项施工天数
R------每班配备在该分部分项工程上的人数或机械台数
b------每天工作班数
P------该分部分项工程的劳动量
3、施工机械需要量
机械数量的确定根据公式:P=H*Q
式中P-------机械台班数
H-------时间定额
Q-----工程数量。
《土建工程造价案例分析》案例一某现浇砼框架结构别墅如下图所示,外墙为370厚多孔砖,内墙为240厚多孔砖(内墙轴线为墙中心线),柱截面为370×370mm(除已标明的外,柱轴线为柱中心线),板厚为100mm,梁高为600mm。
室内柱、梁、墙面及板底均做抹灰。
坡屋面顶板下表面至楼面的净高的最大值为4.24m,坡屋面为坡度1:2的两坡屋面。
雨篷YP1水平投影尺寸为2.10×3.00m, YP2水平投影尺寸为1.50×11.55m, YP3水平投影尺寸为 1.50×3.90m。
请按建筑面积计算规范(GB/T50353-2005)和江苏省04年计价表规定,计算:1、建筑面积; 2、一层内墙砌筑脚手架;3、一层抹灰脚手架;4、外墙砌筑脚手架(山墙外墙脚手架算至山尖1/2处);5、外墙抹灰脚手架。
案例2某单独招标打桩工程,断面及示意如图所示,设计静力压预应力圆形管桩75根,设计桩长18m(9+9m),桩外径400mm,壁厚35mm,自然地面标高-0.45m,桩顶标高-2.1m,螺栓加焊接接桩,管桩接桩接点周边设计用钢板,根据当地地质条件不需要使用桩尖,成品管桩市场信息价为2500元/m3。
本工程人工单价、除成品管桩外其他材料单价、机械台班单价按计价表执行不调整,企业管理费费率7%,利润费率5%,机械进退场费为6500元,检验试验费费率0.2%,临时设施费费率1.0%,安全文明施工措施费按1.8%,工程排污费费率1‰,建筑安全监督管理费费率1.9‰,社会保障费费率1.2%,公积金费率0.22%,税金费率3.44%,其他未列项目暂不计取,应建设单位要求管桩场内运输按定额考虑。
请根据上述条件按《建设工程工程量清单计价规范》(08)列出工程量清单(桩计量单位按“根”),并根据工程量清单按江苏省04计价表和09费用定额的规定计算打桩工程总造价。
(π取值3.14;按计价表规则计算送桩工程量时,需扣除管桩空心体积。
【教材·案例一】背景:某钢筋混凝土框架结构建筑物,共四层,首层层高4. 2m,第二至四层层高分别为3.9m,首层平面图、柱独立基础配筋图、柱网布置及配筋图、一层顶梁结构图、一层顶板结构图如图3-1A、图3-1B、图3-1C、图3-1D、图3-1E所示。
柱顶的结构标高为15.9m,外墙为240mm厚加气混凝土砌块墙,首层墙体砌筑在顶面标高为-0.20m的钢筋混凝土基础梁上,M5.0混合砂浆砌筑。
Ml为1900mm×3300mm的铝合金平开门;C1为2100mm×2400mm的铝合金推拉窗;C2为1200mm×2400mm的铝合金推拉窗;C3为1800mm×2400mm的铝合金推拉窗;窗台高900mm。
门窗洞口上设钢筋混凝土过梁,截面为240mm×180mm,过梁两端各伸出洞边250mm。
已知本工程抗震设防烈度为6度,抗震等级为四级(框架结构),梁、板、柱的混凝土均采用C30预拌混凝土:钢筋的保护层厚度:板为15mm,梁柱为25mm,基础为35mm。
楼板厚有150mm、100mm两种。
块料地面自下而上的做法依次为:素土夯实;300mm厚3:7灰土夯实;60mm厚C15素混凝土垫层;素水泥浆一道;25mm 厚1:3干硬性水泥砂浆结合层,800mm×800mm全瓷地面砖水泥砂浆粘贴,白水泥砂浆擦缝。
木质踢脚线高150mm,基层为9mm厚胶合板,面层为红榉木装饰板,上口钉木线。
柱面的装饰做法为:木龙骨榉木饰面包方柱,木龙骨为25mm×25mm,中距300mm×300mm,基层为9mm厚胶合板,面层为红榉木装饰板。
天棚吊顶为轻钢龙骨矿棉板平顶,U形轻钢龙骨中距为450mmx450mm,面层为矿棉吸声板,首层吊顶底标高为3.4m。
图3-1A首层平面图图3-1B柱独立基础配筋图图3-1C柱网布置及配筋图图3-1D 一层顶梁结构图【问题】1.依据《房屋建筑与装饰工程量计算规范》(GB50854-2013)的要求计算建筑物首层的过梁、砌块墙、矩形柱(框架柱)、矩形梁(框架梁)、平板、块料地面、木质踢脚线、柱面(包括靠墙柱)装饰、吊顶天棚、矩形梁模板及平板模板的工程量。
某框架结构工程量计算表引言某框架结构工程量计算表是用于记录某个项目中框架结构的工程量计算的表格。
通过计算表格中的各项指标,可以评估项目中框架结构的工程量,并为工程的安排、进度的控制、资源的配置提供参考依据。
本文档将介绍某框架结构工程量计算表的结构和使用方法。
表格结构某框架结构工程量计算表的结构如下:序号模块功能点描述负责人设计量(LOC)校对量(LOC)复核量(LOC)1 模块A 1.1 功能点A11.2 功能点A22 模块B2.1 功能点B12.2 功能点B2表格包含以下列:•序号:每个模块和功能点的唯一标识。
•模块:模块的名称,在项目中可以有多个模块。
•功能点描述:对每个功能点的描述,便于理解和识别。
•负责人:负责该功能点的人员。
•设计量(LOC):设计该功能点所需的行数(即代码行数)。
•校对量(LOC):校对该功能点的人员所需的行数。
•复核量(LOC):复核该功能点的人员所需的行数。
使用方法使用某框架结构工程量计算表进行工程量计算的步骤如下:1.根据项目需求,确定项目中的模块划分,并在“模块”列中填写模块的名称。
2.根据项目需求,将各个模块拆分为具体的功能点,并在相应的模块下增加功能点的行。
3.在“功能点描述”列中对每个功能点进行描述,以便于理解和识别功能点。
4.根据实际情况填写“负责人”列,指定每个功能点的负责人员。
5.根据设计的复杂度和规模,估算出每个功能点的设计量(LOC),并在“设计量(LOC)”列中填写对应值。
6.若需要进行校对和复核,则根据实际情况填写“校对量(LOC)”和“复核量(LOC)”列。
7.根据实际情况,评估每个功能点的校对和复核所需的行数,填写相应的值。
8.根据表格中的数据,总结出各个模块和整个项目的工程量,并进行综合评估和调整。
9.根据工程量计算结果,制定项目安排、进度控制和资源配置计划。
总结某框架结构工程量计算表是一种用于记录和评估项目中框架结构工程量的工具。
通过使用该表格,项目管理人员可以更好地了解项目的工程量情况,并根据实际情况进行资源配置和进度控制。
课程设计任务书
1. 设计题目:某框架结构工程量计算
2. 设计条件
指导老师提供的工程图纸。
3. 设计要求、内容
根据选定工程图纸计算清单工程量,编制相应单价,计算有关汇总表。
课程设计成果必须要有电子版,且和纸质版相一致。
纸质课程设计成果(包括工程图纸)用文件袋装,文件袋全班必须统一。
电子版由班干统一收集交给指导老师。
1)、计算步骤
第一步;收集并熟悉有关资料,确定课程设计格式。
第二步;计算清单工程量(表-1)。
第三步;计算分部分项工程量综合单价(表-2)并汇总分部分项工程合价(表-08)。
2)、评分标准
成绩评定:教师根据学生的考勤情况,课程设计完成情况及规范程度,按五级记分制评分。
平时考勤占30%;课程设计完成情况占70%。
说明:
1,工程量可以手工计算或软件计算后输入电脑,但不可以只有结果而没有计算过程。
2,如需要查找有关定额子目和清单项目,采用广联达造价软件(计价3.0)的学习版可以查到。
参考文献
1、《建设工程量清单计价规范》GB50500-2008,2008
2、广东省建筑工程综合定额2006
3、广东省建筑工程计价办法2006
4、武育秦主编.建筑工程造价.武汉:武汉理工大学出版社,2007.2
表1工程量计算书
表2分部分项工程量清单与计价表。