大枣检验标准操作规程
- 格式:doc
- 大小:28.05 KB
- 文档页数:4
紫晶枣检测报告写干制红枣干制红枣是一种常见的食材,具有丰富的营养价值。
为了保证干制红枣的质量和安全性,紫晶枣检测报告是必不可少的。
本文将以紫晶枣检测报告为基础,详细介绍干制红枣的检测过程和结果,以及其对人体健康的益处。
一、检测过程1. 样品采集:为了保证检测结果的准确性,我们选择了市场上常见的干制红枣样品进行测试。
样品采集时,我们特别注意了样品的新鲜度和包装完整性,以避免外界因素对结果的干扰。
2. 检测项目:紫晶枣检测报告主要包括对干制红枣的外观、形态、化学成分、微生物等方面的检测。
通过对样品的综合分析,我们能够全面了解干制红枣的质量状况。
3. 外观检测:外观是干制红枣质量的重要指标之一。
我们对样品的颜色、大小、形状、表面光泽等进行了观察和记录。
通过外观检测,我们可以初步判断红枣是否符合标准。
4. 化学成分检测:干制红枣含有丰富的营养物质,如维生素C、维生素E、膳食纤维等。
我们利用化学分析的方法,对样品中这些成分的含量进行了测定。
结果显示,干制红枣中维生素C的含量较高,而维生素E和膳食纤维的含量也在正常范围之内。
5. 微生物检测:微生物是影响食品安全的重要因素之一。
我们对样品中的大肠菌群、霉菌、酵母菌等进行了检测。
结果显示,样品中微生物的含量均在卫生标准范围之内,符合食品安全要求。
二、检测结果根据紫晶枣检测报告的结果显示,样品的外观符合干制红枣的标准,颜色鲜亮,大小均匀一致。
化学成分方面,样品中维生素C的含量较高,维生素E和膳食纤维的含量也在正常范围之内。
微生物方面,样品中的大肠菌群、霉菌、酵母菌等含量均符合卫生标准,不存在食品安全问题。
三、干制红枣的营养价值和益处干制红枣作为一种常见的食材,其营养价值丰富。
首先,干制红枣含有丰富的维生素C,可以增强人体的免疫力,预防感冒和其他疾病。
其次,红枣中的维生素E具有抗氧化作用,可以延缓衰老,保护心血管健康。
此外,红枣还富含膳食纤维,有助于促进肠道蠕动,预防便秘。
红枣熟制品(紫晶枣)1范围本标准适用于以新鲜红枣为原料,经挑选、清洗、煮制、冷水冷却、沥干、烘干、晾制、抽真空(或不抽真空)、杀菌、装袋(瓶)、包装等工艺加工而成的红枣熟制品(紫晶枣)。
2规范性引用文件本标准中引用的文件对于本标准的应用是必不可少的。
凡是注日期的引用文件,仅所注日期的版本适用于本标准。
凡是不注日期的引用文件,其最新版本(包括所有的修改单)适用于本标准。
3技术要求3.1原料要求原料应符合相应的食品标准和有关规定。
3.2生产用水应符合GB 5749的要求。
3.3感官要求应符合表1的规定。
表1感官要求3.4污染物限量应符合GB 2762水果制品的规定。
严于食品安全国家标准的指标应符合表2的规定。
表2污染物限量3.5农药残留限量应符合GB 2763和国家有关规定和公告的要求。
3.6微生物限量3.6.1致病菌限量应符合GB 29921中即食果蔬制品的规定。
3.6.2微生物限量还应符合表3的规定。
项目要求检验方法色泽具有该产品应有的色泽取适量试样置于洁净的白色瓷盘中,在自然光下观察色泽、状态,检查有无异物,闻其气味,用温开水漱口,品尝滋味。
滋味、气味具有该产品应有的滋味、气味,无异味状态具有该产品应有的状态,无霉变,无正常视力可见外来异物项目指标检验方法铅(以Pb 计)/(mg/kg)≤0.8GB 5009.12表3微生物限量项目采样方案a及限量检验方法n c m M菌落总数/(CFU/g)52103104GB4789.2大肠菌群/(CFU/g)5210102GB4789.3霉菌/(CFU/g)≤50GB4789.15 a样品的分析及处理按GB4789.1和GB/T4789.24执行。
一、原料描述:本文件所称红枣是由充分成熟的鲜枣,经晾干、晒干或烘烤干制而成,果皮红色至紫红色。
二、产品类别:水果干制品(干制红枣)
三、产品种类:分为灰枣、骏枣两类。
四、产品形态及等级:
①灰枣的形态、等级见下图
②骏枣的形态、等级见下图
五、包装要求
由内、外两包装组成,
①外包装:洁净、无破损纸箱
②内包装:密封、干燥、洁净食品级防尘塑料袋六、验收标准
七、缺陷分类
八、验收规程
九、贮存
①存放仓库应干燥,地面应铺设隔板。
距墙壁不小于60 cm,使通风良好。
防止底部受潮恒温库保存,防潮防虫。
②仓储温度应2℃~8℃,相对湿度85%~90%。
原料库需每日登记仓库温湿度记录。
——当库房湿度异常时,需要及时通风、除湿。
确保库房湿度恢复至规定指标。
——要及时抽取库房存储原料进行水分测试,水分异常,也需要进行抽湿处理。
——进行霉菌检测,确保原材料没有霉变。
③检验员每个月对库内的原料进行抽样检查,出现异常及时抽样按验收项目进行复检并将结果反馈仓管员处理。
抽检指标如下:
——感官指标全项。
——水分≤25%。
——霉菌不得检出。
十、运输
①运输工具应保持清洁,无异味。
②在运输过程中要轻装、轻卸,应避免日晒雨淋。
③避免与有毒、有害、有腐蚀性物质混放、混运。
十一、记录
①《来料检验通知单》
②《原料检验合格报告》
③《留样记录》
④《库房温度、湿度记录》。
一、实验目的1. 了解红枣炮制的目的和意义。
2. 掌握红枣炮制的基本方法和质量标准。
3. 熟悉红枣炮制过程中的注意事项,确保炮制效果。
二、实验原理红枣,又称大枣,具有补中益气、养血安神、健脾养胃等功效。
红枣炮制过程中,通过炒、蒸、煮等方法,可以改变其药性,提高疗效,降低毒性和副作用。
三、实验材料1. 红枣:500克2. 清水:适量3. 食盐:适量4. 炒锅:1个5. 蒸锅:1个6. 筛子:1个7. 天平:1个四、实验方法1. 炒红枣(1)将红枣洗净,晾干水分。
(2)称取500克红枣,置于炒锅中。
(3)用中火翻炒,炒至红枣表面微黄,内部熟透。
(4)加入适量食盐,翻炒均匀,炒至水分蒸发。
(5)取出炒好的红枣,晾凉,备用。
2. 蒸红枣(1)将红枣洗净,晾干水分。
(2)将红枣放入蒸锅中,加水,水量以没过红枣为宜。
(3)大火煮沸后,转小火蒸30分钟。
(4)取出蒸好的红枣,晾凉,备用。
3. 煮红枣(1)将红枣洗净,晾干水分。
(2)将红枣放入锅中,加水,水量以没过红枣为宜。
(3)大火煮沸后,转小火煮30分钟。
(4)取出煮好的红枣,晾凉,备用。
五、实验结果与分析1. 炒红枣成品性状:红枣表面微黄,内部熟透,具有浓郁的香气。
药效分析:炒红枣可增加其香气,提高药效,降低毒性和副作用。
2. 蒸红枣成品性状:红枣表面光亮,内部熟透,质地柔软。
药效分析:蒸红枣可增加其柔软度,便于食用,提高药效。
3. 煮红枣成品性状:红枣表面有轻微皱褶,内部熟透,汤汁浓郁。
药效分析:煮红枣可增加汤汁,提高药效,降低毒性和副作用。
六、实验结论通过本次实验,我们掌握了红枣炮制的基本方法和质量标准。
不同炮制方法可改变红枣的药性,提高疗效,降低毒性和副作用。
在实际应用中,可根据具体需求选择合适的炮制方法。
七、实验注意事项1. 红枣炮制过程中,注意火候,避免烧焦。
2. 炒、蒸、煮红枣时,水量不宜过多,以免影响药效。
3. 炮制后的红枣应晾凉,避免受潮变质。
红枣片验收标准同学们,咱们都吃过红枣片吧,香香甜甜的可好吃啦。
那你们知道红枣片在进入我们的小嘴巴之前,要经过什么样的验收标准吗?今天呀,我就来给大家讲讲这个有趣的事儿。
咱们先来说说红枣片的样子。
好的红枣片看起来就特别让人喜欢,它们的颜色是那种红红的,就像小火苗的颜色一样,特别鲜艳。
要是红枣片的颜色暗暗的,灰灰的,那就不太好啦。
就像我们画画的时候,如果颜色涂得不好看,那这幅画就不吸引人了。
比如说我之前吃过一次红枣片,颜色有点发黑,吃起来味道也怪怪的,后来才知道那是因为红枣片不太新鲜了,没有达到好的验收标准。
再说说红枣片的大小。
红枣片不能太大,也不能太小。
太大的红枣片咬起来不方便,就像你吃一块很大的饼干,嘴巴都塞不下。
太小的呢,又感觉吃起来不过瘾。
好的红枣片大小就刚刚好,就像我们平时玩的小方块积木那么大,一口一个,特别合适。
还有红枣片的味道。
好的红枣片闻起来有浓浓的红枣香,那种香味就像妈妈煮的红枣粥的味道,甜甜的,香香的,让你闻了就忍不住流口水。
要是闻到有一股刺鼻的味道或者是其他奇怪的味道,那这个红枣片肯定是有问题的。
我有一次打开一包红枣片,闻到一股很奇怪的味道,就像放了很久的东西发霉的味道,那这样的红枣片肯定是不能吃的。
红枣片的口感也很重要哦。
好的红枣片咬起来是脆脆的,但是又不会太硬,就像咬薯片一样,“嘎吱”一声,特别有趣。
要是咬起来软软的,黏黏的,那就不好吃了。
我记得我和小伙伴分享红枣片的时候,有的红枣片咬起来特别费劲,就像在咬石头一样,这样的红枣片就是不合格的。
另外呀,红枣片的干净程度也不能忽视。
我们吃的红枣片应该是干干净净的,不能有脏东西或者小虫子什么的。
要是在红枣片里看到有小黑点或者小虫子,那多可怕呀。
就像我们吃饭的时候,要是饭里有小虫子,肯定就不想吃了。
所以呀,同学们,这些就是红枣片的验收标准啦。
下次我们吃红枣片的时候,就可以用这些标准来看看我们吃的红枣片是不是合格的呢。
这样我们就能吃到又香又甜、健康又美味的红枣片啦。
原药材检验标准操作规程目的:建立一个中药饮片原药材检验标准操作程序,确保检验结果准确可靠。
适用范围:中药原药材。
责任人:质量保证部主任、质量控制部主任、化验员。
标准来源:《中华人民共和国药典》2010年版一部、《安徽省中药饮片炮制规范》。
内容:1、性状取本品适量,放入白瓷盘中,用眼观察,可见以下性状特征:本品呈椭圆形或球形,长2~3.5cm,直径1.5~2.5cm。
表面暗红色,略带光泽,有不规则皱纹。
基部凹陷,有短果梗。
外果皮薄,中果皮棕黄色或淡褐色,肉质,柔软,富糖性而油润。
果核纺锤形,两端锐尖,质坚硬。
气微香,味甜。
2、鉴别主要使用仪器:电子分析天平、电子显微镜等。
2.1显微鉴别:2.1.1 试液配制2.1.1.1 水合氯醛试液:取水合氯醛50克,加水15毫升与甘油10毫升使溶解,即得。
2.1.1.2 甘油醋酸试液:取甘油、醋酸及水各等份混匀,即得。
2.1.1.3 稀甘油:取甘油33毫升,加水稀释至100毫升,再加樟脑一小块或液化苯酚1滴,即得。
2.1.2 供试品制备2.1.2.1 取本品10g,研细后取少量粉末,置载玻片上,滴加水合氯醛搅拌均匀,置酒精灯上加热透化;加稀甘油数滴,搅拌均匀,分装2~3片,加盖玻片,即得。
2.1.2.2 取研细的粉末少量置载玻片上,加甘油醋酸试液,搅拌均匀,加盖玻片,即得。
2.1.2.3取研细后取少量粉末,置载玻片上,滴加水搅拌均匀,同时滴加少许稀甘油,加盖玻片,即得。
2.1.3 置显微镜下观察本品粉末淡黄棕色。
淀粉粒众多,卵圆形、三角状卵形、椭圆形、类圆形或不规则形,直径5~40μm,脐点点状,位于较小端,也有呈裂缝状者,层纹有的明显。
油细胞及树脂细胞散于薄壁组织中,内含淡黄色油滴或暗红棕色物质。
纤维成束或散离,先端钝尖,少数分叉,有的一边呈波状或锯齿状,直径15~40μm,壁稍厚,非木化,具斜细纹孔,常可见菲薄的横隔。
梯纹导管、螺纹导管及网纹导管多见,少数为环纹导管,直径15~70μm。
太原大宁堂药业有限公司GMP管理文件目的:本标准规定了大枣饮片检验操作规程,使其检验规范化、标准化。
范围:适用于本公司大枣饮片的质量检验。
责任人:质量检验员、质量检验科科长、质量管理部部长。
内容:1. 引用标准:《中华人民共和国药典》2010年版一部P212. 质量指标:见《大枣饮片质量标准》(JS-YP-005)。
3. 试剂:石油醚(60~90℃)、乙醚、乙醇、硅胶G、甲苯、乙酸乙酯、冰醋酸、硫酸。
4. 对照品与对照药材:齐墩果酸对照品、白桦脂酸对照品、大枣对照药材。
5. 仪器与用具:超声波仪、微量进样器、薄层板、层析缸、恒温干燥箱、钢直尺(精度0.5mm)、马弗炉、电子天平、架盘天平。
6. 操作步骤:6.1性状:通过目测、嗅觉、味觉以及钢直尺测量的方法直观检验:6.1.1本品呈椭圆形或球形,长2~3.5cm,直径1.5~2.5cm。
6.1.2表面暗红色,略带光泽,有不规则皱纹。
6.1.3基部凹陷,有短果梗。
6.1.4外果皮薄,中果皮棕黄色或淡褐色,肉质,柔软,富糖性而油润。
6.1.5果核纺锤形,两端锐尖,质坚硬。
6.1.6气微香,味甜。
6.2鉴别:6.2.1照《药材及成方制剂显微鉴别操作规程》(JS-TJ-001),置显微镜下观察:6.2.1.1本品粉末棕色。
6.2.1.2外果皮棕色至棕红色;表皮细胞表面观类方形、多角形或长方形,细胞内太原大宁堂药业有限公司JS-PJ-005 共2页第2页充满棕红色物,断面观外被较厚角质层;表皮下细胞黄色或黄棕色,类多角形,壁稍厚。
6.2.1.3草酸钙簇晶(有的碎为砂晶)或方晶较小,存在于中果皮薄壁细胞中。
6.2.1.4果核石细胞淡黄棕色,类多角形,层纹明显,孔沟细密,细胞内含黄棕色物。
6.2.2照《薄层色谱法操作规程》(JS-TJ-005)试验:6.2.2.1取本品粉末2g,加石油醚(60~90℃)10ml浸泡10分钟,超声处理约10 分钟,滤过,弃去石油醚液,药渣晾干,加乙醚20ml,浸泡l小时,超声处理15分钟,滤过,滤液浓缩至2ml,作为供试品溶液。
进出口干制红枣检验规程1 范围本标准规定了进出口各类干制红枣的取样和检验方法。
本标准适用于进出口各类干制红枣的检验。
2 规范性引用文件下列文件对于本文件的应用是必不可少的。
凡是注日期的引用文件,仅所注日期的版本适用于本文件。
凡是不注日期的引用文件,其最新版本(包括所有的修改单)适用于本文件。
GB/T 8170 数值修约规则与极限数值的表示和判定GB/T 5835 干制红枣3 分类3.1 小红枣金丝小枣、鸡心枣等。
3.2 大红枣灰枣、狼枣、圆铃枣、长红枣、赞皇大枣、灵宝大枣、板枣、相枣、骏枣、扁核酸枣、山西(陕西)木枣、大荔圆枣、晋枣、壶枣、油枣等。
4 术语4.1 外观、色泽、气味整批红枣的色泽、果形、颗粒大小、皱纹粗细、匀整程度、洁净程度以及气味等。
4.2 杂质4.2.1 有害杂质:有损人体健康的有毒有害和有碍食品卫生的物质,包括各种动物的毛发、甲壳、骨屑及其排泄物,各种有毒有害植物体和籽实,各种金属、玻璃、沥青、瓷片、水泥、煤屑等碎块及其他有害杂质。
4.2.2 一般杂质:不属于4.2.1条的各种非本品物质以及没有使用价值的本品。
4.3 不完善果4.3.1 不成熟果:果实干硬瘦小,果肉不饱满,果皮颜色淡偏黄,尚有使用价值的果实。
4.3.2 虫蛀果:果实受害虫危害,伤及果肉,或留有虫絮、虫体、排泄物,尚有使用价值的果实。
4.3.3 破头果:果皮裂口达果长五分之一以上,裂口不变色,不霉烂的果实。
4.3.4 油头果:果实外皮明显变黑,果肉颜色明显变深的果实。
4.3.5 霉变果:果实受微生物侵害,果肉部分变色变质,或果皮表面留有明显危害痕迹的果实。
4.3.6 其他不完善果:不属于上述各项的不完善果。
4.4 水分按本检验规程测得的本批红枣的水分含量。
4.5 生产年度本批红枣的实际生产年度。
4.6 等级4.6.1 统级枣(原树枣):经加工挑选,未进行分级的红枣。
4.6.2 分级枣:经加工挑选,红枣颗粒个头均匀,根据当年生产情况按每公斤果数进行分级。
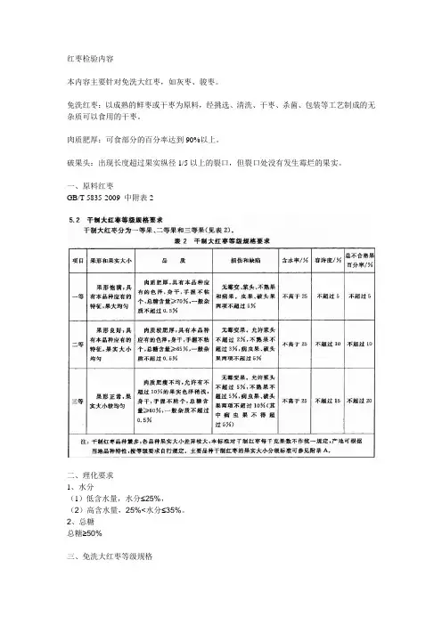
红枣检验内容本内容主要针对免洗大红枣,如灰枣、骏枣。
免洗红枣:以成熟的鲜枣或干枣为原料,经挑选、清洗、干枣、杀菌、包装等工艺制成的无杂质可以食用的干枣。
肉质肥厚:可食部分的百分率达到90%以上。
破果头:出现长度超过果实纵径1/5以上的裂口,但裂口处没有发生霉烂的果实。
一、原料红枣GB/T 5835-2009 中附表2二、理化要求1、水分(1)低含水量,水分≤25%,(2)高含水量,25%<水分≤35%。
2、总糖总糖≥50%三、免洗大红枣等级规格四、理化检验1、水分按GB5009.3-2010规定的方法测定2、总糖按GB/T5009.8-2008规定的方法测定3、果型和个头按四分法取样1000g,用肉眼观察。
有粒数规定的,应查点粒数。
4、品质用不锈钢刀将样品切开,用肉眼观察果肉、色泽、杂质。
5、损伤和缺点随机取样品1000g,用肉眼观察,根据等级规格规定,分别检验霉烂果、不熟果,并查点残次果(浆头、病果、虫果、破头果)个数,计算残次率。
6、净含量按JJF1070-2005规定执行五、批次同品种、同一批原料生产的产品为一检验批次。
六、抽样方法和抽样量1、抽样应具有代表性,在整批产品的不同部位,按规定件数随机抽取样品。
2、每批产品在100件以下时,抽样数量按3%抽取;超过100件时,每增加100件增抽1件,增加部分不足100件时按100件计算。
3、袋装及其他小包装产品,同批次250g以上的包装,每件不得少于3各,250g以下的包装,每件不得少于6各。
4、从每个产品的上、中、下三部分分别取样,每个取样数量应基本一致,将全部样品充分混匀后,以四分法抽取1000g供作试样。
5、将所抽取样品装入清洁干燥的容器内供检验验用,用做微生物检验的样品应按无菌操作程序进行取样。
七、出厂检验出厂检验项目包括感官、净含量、水分、二氧化硫残留量、菌落总数、大肠菌群。
中药薄层色谱鉴别大枣实验报告
实验名称:中药薄层色谱鉴别大枣,该品为鼠李科植物枣树的干燥成熟果实。
具有养胃补血功效,可用于贫血、病后体虚及血小板减少等症。
下面我就对其进行了薄层色谱鉴别试验报告。
方法和材料1.薄层板的制备:将大枣、黄芩分别粉碎成粗粉末状;取无水乙醇或冰醋酸150毫升溶解大枣中粉(100克)、小枣(30克)、红枣(60克)三种样品,充分搅拌均匀,过滤,滤液浓缩至相当干燥程度,以石油醚(60—90℃)提取三次,每次20毫升,合并上清液。
按照含量测定项下方法,以氯仿-甲醇(8:2)展开,展距10厘米,展开剂挥发干燥后,喷以5%香草醛硫酸溶液,105℃烘烤2小时,供试品色谱在与对照药材色谱相应位置处显相同颜色斑点。
2.测定方法:分别精密吸取上述三种样品溶液各20μl 注入液相色谱仪,记录色谱图,按外标法以峰面积计算供试品中总蒽醌含量。
结果与讨论经实验研究表明,本文研制出一种高效的薄层色谱鉴别大枣样品的新方法,采用氯仿-甲醇比例为8:2展开进行色谱分析,并利用斑点呈现率检索,不仅能准确定性,而且能准确定量。
因此本试验操作简便,分离迅速,灵敏度较好,适宜于快速分析,符合现代医学的要求。
- 1 -。
出口干制红枣检验规程(一)本标准规定了出口各类干制红枣的取样和检验办法。
本标准适用于出口各类干制红枣的检验。
2 引用标准 GB 8170数值修约规章 3.分类3.1 小红枣金丝小枣、鸡心枣等。
3.2 大红枣灰枣、郎枣、圆铃枣、长红枣、赞皇大枣、灵宝大枣、板枣、相枣、骏枣、扁核酸枣、山西(陕西)木枣、大荔圆枣、晋枣、壶枣、油枣等。
4 术语 4.1 外观、色泽、气味整批红枣的色泽、果形、颗粒大小、皱纹粗细、匀整程度、洁净程度以及气味等。
4.2 杂质。
4.2.1 有害杂质:有损人体健康的有毒有害和有碍食品卫生的物质,包括各种动物的毛发、甲壳、骨屑及其排泄物,各种有毒有害植物体和籽实,各种金属、玻璃、沥青、瓷片、水泥、煤屑等碎块及其他有害杂质。
4.2.2 普通杂质:不属于4.2.1条的各种非本品物质以及没有用法价值的本品。
4.3 不完美果 4.3.1 不成熟果:果实干硬瘦小,果肉不饱满,果皮色彩淡偏黄,尚有用法价值的果实。
4.3.2 虫蛀果:果实受害虫危害,伤及果肉,或留有虫絮、虫体、排泄物,尚有用法价值的果实。
4.3.3 破头果:果皮裂口达果长五分之一以上,裂口不变色,不霉烂的果实。
4.3.4 油头果:果实外皮显然变黑,果肉色彩显然变深的果实。
4.3.5 霉变果:果实受微生物侵犯,果肉部分变色变质,或果皮表面留有显然危害痕迹的果实。
4.3.6 其他不完美果:不属于上述各项的不完美果。
4.4 水分按本检验规程测得的本批红枣的水分含量。
4.5 生产年度本批红枣的实际生产年度。
4.6 等级 4.6.1 统级枣(原树枣):经加工选择,未举行分级的红枣。
4.6.2 分级枣:经加工选择,红枣颗粒个头匀称,按照当年生产状况按每公斤果数举行分级。
4.6.3 落风枣:在正常成熟以前自然落树的红枣。
4.7 异品种不符合本品种的其他各类红枣。
4.8 匀称度红枣颗粒的大小匀称程度。
5 取样5.1 用具 a.盛样容器:干燥、洁净、无污染、无异味,可密闭的容器。
原药材检验标准操作规程
目的:建立一个中药饮片原药材检验标准操作程序,确保检验结果准确可靠。
适用范围:中药原药材。
责任人:质量保证部主任、质量控制部主任、化验员。
标准来源:《中华人民共和国药典》2010年版一部、《安徽省中药饮片炮制规范》。
内容:
1、性状
取本品适量,放入白瓷盘中,用眼观察,可见以下性状特征:
本品呈椭圆形或球形,长2~3.5cm,直径1.5~2.5cm。
表面暗红色,略带光泽,有不规则皱纹。
基部凹陷,有短果梗。
外果皮薄,中果皮棕黄色或淡褐色,肉质,柔软,富糖性而油润。
果核纺锤形,两端锐尖,质坚硬。
气微香,味甜。
2、鉴别
主要使用仪器:电子分析天平、电子显微镜等。
2.1显微鉴别:
2.1.1 试液配制
2.1.1.1 水合氯醛试液:取水合氯醛50克,加水15毫升与甘油10毫升使溶解,即得。
2.1.1.2 甘油醋酸试液:取甘油、醋酸及水各等份混匀,即得。
2.1.1.3 稀甘油:取甘油33毫升,加水稀释至100毫升,再加樟脑一小块或液化苯酚1滴,即得。
2.1.2 供试品制备
2.1.2.1 取本品10g,研细后取少量粉末,置载玻片上,滴加水合氯醛搅拌均匀,置酒精灯上加热透化;加稀甘油数滴,搅拌均匀,分装2~3片,加盖玻片,即得。
2.1.2.2 取研细的粉末少量置载玻片上,加甘油醋酸试液,搅拌均匀,加盖玻片,即得。
2.1.2.3取研细后取少量粉末,置载玻片上,滴加水搅拌均匀,同时滴加少许稀甘油,加盖玻片,即得。
2.1.3 置显微镜下观察
本品粉末淡黄棕色。
淀粉粒众多,卵圆形、三角状卵形、椭圆形、类圆形或不规则形,直径5~40μm,脐点点状,位于较小端,也有呈裂缝状者,层纹有的明显。
油细胞及树脂细胞散于薄壁组织中,内含淡黄色油滴或暗红棕色物质。
纤维成束或散离,先端钝尖,少数分叉,有的一边呈波状或锯齿状,直径15~40μm,壁稍厚,非木化,具斜细纹孔,常可见菲薄的横隔。
梯纹导管、螺纹导管及网纹导管多见,少数为环纹导管,直径15~70μm。
导管或纤维旁有时可见内含暗红棕色物的管状细胞,直径12~20μm。
2.2 薄层鉴别
取本品粉末2g,加石油醚(60~90℃)10ml浸泡10分钟,超声处理约10分钟,滤过,弃去石油醚液,药渣晾干,加乙醚20ml,浸泡1小时,超声处理15分钟,滤过,滤液浓缩至2ml,作为供试品溶液。
另取齐墩果酸对照品,加乙醇制成每1ml含1mg的溶液,作为对照品溶液。
照薄层色谱法(《中华人民共和国药典》附录ⅥB)试验,吸取供试品溶液10μl、对照品溶液3μl,分别点于同一硅胶G薄层板上,以甲苯-乙酸乙酯-冰醋酸(14:4:0.5)为展开剂,展开,取出,晾干,喷以10%硫酸乙醇溶液,加热至斑点显色清晰。
供试品色谱中,在与对照品色谱相应的位置上,显相同颜色的斑点。
3、检查
主要使用仪器:电子分析天平、马弗炉、坩埚。
3.1水分
取供试品2-5g,平铺于干燥至恒重的扁形称量瓶中厚度不超过10mm,精密称定,打开瓶盖在100~105℃干燥5小时,将瓶盖盖好,移置干燥器中,冷却30分钟,精密称定,再在上述温度干燥1小时,冷却,称重,至连续两次称重的差异不超过5mg为止。
根据减失的重量,按下式计算即得。
W2-W3
供试品中的含水量(%)=────────×100%
W2-W
W 称量瓶重(g)
W2 烘前称量瓶和样品重之和(g)
W3 烘后称量瓶和样品重之和(g)
本品含水量不得过20.0%。
3.2总灰分
取供试品适量,粉碎使能通过二号筛混合均匀后,取2~3g,置炽灼至恒重的坩埚中,称定重量(准确至0.01g),缓缓炽热,注意避免燃烧,至完全炭化时,逐渐升高温度至500~600℃,使完全灰化并至恒重。
根据残渣重量,按下式计算即得。
W2-W1
供试品中总灰分的含量(%)=────────×100%
W
W1坩埚重(g)
W 样品重(g)
W2炽灼残渣与坩埚重之和(g)
本品总灰分不得过2.0%。
3.3二氧化硫残留量
按中国药典2010 年版第一增补本附录二氧化硫残留量测定法测定,取本品细粉10g,精密称定,置于两颈圆底烧瓶中,加水300ml—400 ml(应加水至没过氮气导气管的下端),取6mol/L盐酸10ml加入带刻度的分液漏斗中连接分液漏斗,并导入氮气至瓶底,。
锥形瓶内加水125ml和淀粉指示液1 ml作为吸收
液,置于磁力搅拌器上不断搅拌。
连接回流冷凝管,在冷凝管上部连接导气管,将导气管插入250ml锥形瓶底部,开通氮气,调节氮气流量为0.2L/min,打开带刻度的分液漏斗的活塞,使盐酸流入烧瓶。
加热圆底烧瓶内的溶液至沸,并保持微沸约3分钟后开始用0.01mol/l, 的碘滴定液滴定,吸收液置于磁力搅拌器上不断搅拌,至吸收液显蓝色或蓝紫色,持续30秒不消失,并将滴定的结果用空白校正,每1毫升的碘滴定液(0.01mol/l)相当于0.6406mg的二氧化硫。
本品二氧化硫量不得过150mg/kg。