桥梁结构计算.
- 格式:ppt
- 大小:6.10 MB
- 文档页数:15
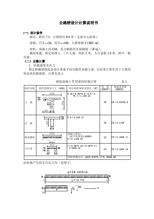
公路桥设计计算说明书(一)设计条件跨径:跨径7.5,计算跨径6.9米(支座中心距离)。
荷载:汽车—20;挂车—100;人群荷载3.52/mKN。
材料:混凝土用C30,受力钢筋用Ⅱ级钢筋(16锰)。
截面布置:拟定如图1。
三片主梁,间距2米。
人行道板1.0米。
跨中一根次梁。
(二)主梁计算1.恒载强度及内力假定桥截面构造各部分重量平均分配给各根主梁,以此来计算作用于主梁的每延米恒载强度,计算见表1。
钢筋混凝土T型梁的恒载计算表1由恒载产生的支点反力为(见图1)q=36.4K N/myRAQ A xKN qL R A 1.23127.124.362=⨯==取脱离体如图所示,由0=∑y F 得恒载剪力的一般式为: x qx R Q A x 4.361.231-=-=同理,由0=∑c M 得恒载弯矩的计算公式为:x A M xx q x R +⋅⋅=⋅2,即222.181.2312x x x q x R M A x -=⋅-⋅=各计算截面的剪力和弯矩值列于表内。
1)汽车荷载冲击系数243.10075.03375.11=-=+L μ2)人群荷载2/5.3m KN P r =3)计算主梁的横向分配系数(1) 跨中荷载的横向分配系数。
本桥跨内设有三根次梁,具有可靠的横向联结,且承重结构的长宽比为12.2327.12=⨯=B L 故可按修正偏心受压法来计算横向分配系数0m 。
按修正偏心受压法计算梁横向影响线的竖标的计算公式为:∑∑±=ii I a I ea I I 211111βη ① 式中:1I ——i 号主梁的惯性矩; i a ——梁的计算中心距离;β ——抗扭修正系数,按下式计算:∑∑+=ii h TiI a E I GL 22611β ②e ——力的作用点到桥梁截面对称线的距离,即偏心距。
式②中:Ti I ——i 号主梁的抗扭惯矩,按式③进行计算;h E ——混凝土的弹性惯量;G ——混凝土的剪切模量,可取h E G 425.0=。
第2章 桥梁上部结构计算2.1 设计资料及构造布置2.1.1 设计资料1.桥梁跨径桥宽标准跨径:30m (墩中心距离) 主梁全长:29.96m 计算跨径:28.9m桥面净空:净—11m+2⨯0.5m=12m 2.设计荷载公路-Ⅰ级,,每侧人行柱、防撞栏重力作用分别为11.52kN m -⋅和14.99kN m -⋅。
3.材料及工艺混凝土:主梁采用C50,栏杆及桥面铺装采用C30。
预应力钢筋采用《公路钢筋混凝土及预应力混凝土桥涵设计规范》(JTGD62—2004)的s φ12.7钢绞线,每束7根,全梁配6束,pk f =1860Mpa 。
普通钢筋直径大于和等于12mm 的采用HRB335钢筋;直径小于12mm 的均用R235钢筋。
按后张法施工工艺制作主梁,采用内径70mm 、外径77mm 的预埋波纹管和夹片锚具。
4.设计依据(1)交通部颁《公路工程技术标准》(JTG B01—2003),简称《标准》; (2)交通部颁《公路桥涵设计通用规范》(JTG D60-2004),简称《桥规》(3)交通部颁《公路钢筋混凝土及预应力混凝土桥涵设计规范》(JTG D62—2004),简称《公预规》。
5.基本计算数据(见表2-1)表2-1 基本计算数据2.1.2 横截面布置1.主梁间距与主梁片数主梁间距通常应随梁高与跨径的增大而加宽为经济,同时加宽翼板对提高主梁截面效率指标ρ很有效,故在许可条件下应适当加宽T梁翼板。
由于本设计桥面净空为17.5m,主梁翼板宽度为2500mm,由于宽度较大,为保证桥梁的整体受力性能,桥面板采用现浇混凝土刚性接头,因此主梁的工作截面有两种:预施应力、运输、吊装阶段的小截面(bi=1600mm)和运营阶段的大截面(bi=2500mm)。
净—14m+2 1.75m的桥宽选用七片主梁,如图2.1所示。
图2.1 结构尺寸图(尺寸单位:mm)2.主梁跨中截面主要尺寸拟定1) 主梁高度预应力混凝土简支梁桥的主梁高度与其跨径之比通常在1/15~1/25,标准设计中高跨比约在1/18~1/19。
简单桥梁结构计算公式简单桥梁结构是指由简单的梁、桁架等构件组成的桥梁结构。
在设计和施工过程中,需要对桥梁结构进行计算,以保证其安全性和稳定性。
下面将介绍一些常用的简单桥梁结构计算公式。
1. 梁的受力计算公式。
在桥梁结构中,梁是承受荷载的主要构件之一。
梁的受力计算公式可以通过以下公式进行计算:M = -EI(d^2y/dx^2)。
其中,M为梁的弯矩,E为弹性模量,I为截面惯性矩,y为梁的挠度,x为梁的距离。
通过这个公式可以计算出梁在不同位置的弯矩,从而确定梁的受力情况。
2. 桁架的受力计算公式。
桁架是另一种常见的桥梁结构,其受力计算公式可以通过以下公式进行计算:F = σA。
其中,F为桁架的受力,σ为应力,A为受力面积。
通过这个公式可以计算出桁架在受力情况下的应力值,从而确定桁架的受力情况。
3. 桥墩的承载力计算公式。
桥墩是桥梁结构的支撑部分,其承载力计算公式可以通过以下公式进行计算:P = Aσ。
其中,P为桥墩的承载力,A为承载面积,σ为应力。
通过这个公式可以计算出桥墩在承载荷载时的承载能力,从而确定桥墩的稳定性。
4. 桥面板的受力计算公式。
桥面板是桥梁结构的行车部分,其受力计算公式可以通过以下公式进行计算:q = wL/2。
其中,q为桥面板的荷载,w为单位面积荷载,L为荷载长度。
通过这个公式可以计算出桥面板在受力情况下的荷载值,从而确定桥面板的受力情况。
5. 桥梁整体结构的受力计算公式。
桥梁整体结构的受力计算是指对整个桥梁结构进行受力分析,其计算公式可以通过有限元分析等方法进行计算,得出桥梁结构在受力情况下的应力、变形等参数,从而确定桥梁结构的受力情况。
在实际的桥梁设计和施工过程中,需要综合运用以上的计算公式,对桥梁结构进行全面的受力分析和计算,以保证桥梁结构的安全性和稳定性。
同时,还需要考虑桥梁结构的材料、施工工艺等因素,进行合理的设计和施工,从而确保桥梁结构的质量和可靠性。
总之,简单桥梁结构的计算公式是桥梁设计和施工过程中的重要工具,通过合理的计算和分析,可以确保桥梁结构的安全性和稳定性,为人们的出行和物资运输提供良好的保障。
桥梁常用计算公式桥梁是道路、铁路、水路等交通工程中非常重要的基础设施。
在设计和施工过程中,需要进行一系列的计算来保证桥梁的稳定性和安全性。
下面是桥梁常用的计算公式和方法,供参考:1.静力平衡计算桥梁的静力平衡是保证桥梁结构稳定的基础。
在计算静力平衡时,常用的公式有:-受力平衡公式:对于简支梁,ΣFy=0,ΣMa=0;对于连续梁,ΣFy=0,ΣMa=0。
-桥墩反力计算公式:P=Q+(M/b),其中P为桥墩反力,Q为桥面荷载,b为桥墩底宽度。
2.梁的弯矩计算桥梁在受到荷载作用时,会出现弯矩。
常用的梁的弯矩计算公式有:-点荷载的弯矩计算公式:M=Px;- 面荷载的弯矩计算公式:M=qx^2/2;-均布载荷的弯矩计算公式:M=qL^2/83.梁的挠度计算挠度是指梁在受荷载作用时的变形程度。
常用的梁的挠度计算公式有:-点荷载的挠度计算公式:δ=Px^2/(6EI);- 面荷载的挠度计算公式:δ=qx^2(6L^2-4xL+x^2)/24EI;-均布载荷的挠度计算公式:δ=qL^4/(185EI)。
4.桥梁的自振频率计算自振频率是指桥梁结构固有的振动频率。
常用的自振频率计算公式有:-单跨梁自振频率计算公式:f=1/2π(1.875)^2(EI/ρA)^0.5/L^2;-多跨梁自振频率计算公式:f=1/2π(π^2(EI/ρA)^0.5/L^2+Σ(1.875)^2(EI/ρA)^0.5/L_i^2)。
5.破坏形态计算桥梁在受到荷载作用时可能发生不同的破坏形态,常用的破坏形态计算公式有:-弯曲破坏计算公式:M=P*L/4;-剪切破坏计算公式:V=P/2;-压弯破坏计算公式:M=P*L/2;-压剪破坏计算公式:V=P。
6.抗地震设计计算在地震区设计的桥梁需要进行抗地震设计,常用的抗地震设计计算公式有:-设计地震力计算公式:F=ΣW*As/g;-结构抗震强度计算公式:S=ηD*ηL*ηI*ηW*A。
其中,ΣW为结构作用力系数,As为地震地表加速度,g为重力加速度,ηD为调整系数,ηL为长度和工况调整系数,ηI为体型和影响系数,ηW为材料和连接性能系数,A为结构抗震强度。
桥梁结构计算汇总桥梁结构计算是指对桥梁进行力学计算和结构分析,以确定其安全可靠性及合理性的过程。
桥梁结构计算通常包括静力分析、动力分析、疲劳分析和地震响应分析等。
以下是对桥梁结构计算的汇总,详细介绍了桥梁结构计算的主要内容和方法。
静力分析是桥梁结构计算的基础,主要通过静力平衡方程来计算桥梁的受力状态。
在静力分析中,需要考虑桥梁受力的各种载荷形式,如自重、交通荷载、温度荷载等。
同时还要考虑桥梁结构的几何形状和材料特性等因素。
静力分析的结果可以用于确定桥梁各个部位的受力大小和分布情况,进而评估桥梁结构的安全可靠性。
动力分析是桥梁结构计算中的重要内容,主要用于评估桥梁在受到动态载荷作用时的响应情况。
动力分析需要考虑桥梁的固有振动特性和外部载荷的激励作用。
通常采用有限元方法进行动力分析,通过求解桥梁结构的动力方程,得到桥梁受力和挠度的频率响应函数。
通过分析这些频率响应函数,可以评估桥梁在不同载荷频率下的响应情况,从而判断其安全性和合理性。
疲劳分析是桥梁结构计算中的另一个重要内容,主要用于评估桥梁在交通荷载作用下的疲劳寿命。
疲劳分析需要考虑桥梁结构的应力历程和疲劳寿命曲线等因素。
通常采用Wöhler曲线来描述桥梁材料的疲劳寿命,然后通过计算桥梁的应力范围来评估其疲劳寿命。
疲劳分析的结果可以用于确定桥梁的疲劳寿命和安全系数,进而指导桥梁的维护和管理。
地震响应分析是桥梁结构计算中的另一个重要内容,主要用于评估桥梁在地震作用下的动态响应情况。
地震响应分析需要考虑桥梁的地震波输入、结构的动力特性和地震荷载的激励作用。
通常采用时程分析方法进行地震响应分析,通过求解桥梁结构的动力方程和地震方程,得到桥梁在地震作用下的位移、加速度和应力等参数。
地震响应分析的结果可以用于评估桥梁在地震作用下的安全性和可靠性,进而指导桥梁的设计和改造。
总的来说,桥梁结构计算是一项复杂且关键的工作,需要综合考虑桥梁的力学特性、材料特性和环境特性等因素。
关于桥梁结构计算分析摘要:结合当代桥梁计算技术的发展,从桥梁结构工程师的角度分析指出桥梁计算从属于和促进了精细化设计。
分析计算工作的层次性和动态性特点,强调结构分析的人员对结构概念的掌握尤其重要。
指出计算工作需要策划,不同的桥型有其侧重点,计算应有针对性的提出解决方案,并建议了计算工作的一般流程。
就具体实施而言,工程计算应该立足于现有的软件硬件资源。
探讨如何对待软件工具和判断调试计算结果,总结了一些分析判断经验。
通过列举特定案例计算内容和解决思路,给桥梁计算工作同行起到抛砖引玉的作用。
关键词:桥梁结构分析解决方案思路1前言我国的桥梁建设发展迅猛,其规模和科技水平已紧随世界先进行列。
基于有限元方法的软件技术也日新月异,计算已经和理论,实验一起,并列为三大科学方法之一。
随着桥梁跨度记录不断刷新、新的结构体系和组合材料的应用以及施工工艺的发展,计算分析不断遇到新的需求和挑战。
桥梁结构计算往精细化方向发展,桥梁结构计算面临复杂化。
例如逐步抛弃偏载系数的概念,采用空间影响线(面)求解活载效应,梁、板和实体单元以及混合模型广泛应用,计算模型的自由度和机时都在不断增加。
例如超长拉索结构的非线性问题及施工控制、钢筋混凝土结构开裂非线性分析、墩水耦合振动分析、钢桥细节构造的疲劳分析[1]、钢砼组合结构细部分析[2]、基于并行计算技术的车桥耦合分析[3]、数值风洞计算等,这些问题都相当复杂。
桥梁计算从属于和促进了精细化设计。
桥梁设计工作涉及项目需求分析,功能定位,美学,经济性,安全性等要求,以及桥址地形、地质、气象、通航、行洪、地震、道路、管线等其它桥址环境约束和施工条件的应对。
桥梁计算工作是为设计服务的,计算分析主要解决结构受力性能问题。
有些结构设计也开始提出稳健性、敏感性、冗余度、宽容度和可维护性方面的分析内容,属于设计思路主导的具体方法。
精细化计算与新材料应用一样,使桥梁设计水平得到长足的进步。
以下从桥梁结构工程师的角度谈谈计算工作的一些特点和认识。
桥梁结构电算桥梁结构计算的特点结构形式多样大型桥梁超静定次数高荷载形式复杂最终受力状态与施工方法和施工过程有关结构力学的研究内容研究结构的组成和合理形式,确定合理的计算简图研究结构内力和变形的计算方法研究结构的稳定性和动力效应结构分析的基本特点运用计算机和有限元方法进行结构内力、位移、稳定性和动力特性的研究。
方法:有限元工具:计算机本课程的基本内容1 桥梁结构受力特征及分析方法;2 重力影响的计算方法;3 活载影响的计算方法;4 其它荷载影响的计算方法;5 软件BSAS的原理和使用方法。
第一部分基本原理和方法1 1 概概述本课程的性质、特点、基本内容(1)本课程性质、特点:本课程属于专业课,旨在把学过的计算机语言、程序设计、桥梁、力学等知识结构起来,用于桥梁结构分析。
特点是既强调基本概念,又重视实际操作,基本原理与软件使用结合(结合软件“桥梁结构分析系统BSAS”教学版的使用)。
本课程的性质、特点、基本内容(2)基本内容:基本原理部分:(a)桥梁结构受力特征及分析方法;(b)重力影响的计算方法;(c)活载影响的计算方法;(d)其它荷载影响的计算方法;(e)软件BSAS的原理和使用方法。
上机操作部分(约占60%课时)主要讲解和练习软件“桥梁结构分析系统BSAS forWindows”教学版的原理和使用方法。
本课程所要求的先修课程和知识1.算法语言和程序设计(C、C++、或Fortran);2.材料力学、结构力学、结构设计原理; 3.桥梁结构工程;4.微机操作。
第一部分基本原理和方法2 结构分析的基本方法分析方法(1)解析法建立精确的数学-物理模型,通过数学方程求解。
是一种对于模型精确求解的方法。
(2)数值法基于解析法的一种近似分析方法,包括:有限元,有限差分法,有限体积法,边界元法等有限元分析的基本概念有限元属于力学分析中的数值法,起源于航空工程中的矩阵分析,它是把一个连续的介质(或构件)看成是由有限数目的单元组成的集合体,在各单元内假定具有一定的理想化的位移和应力分布模式,各单元间通过节点相连接,并藉以实现应力的传递,各单元之间的交接面要求位移协调,通过力的平衡条件,建立一套线性方程组,求解这些方程组,便可得到各单元和结点的位移、应力。
一、概述一跨简支,标准跨径:40m,计算跨径38.5m,斜交角77°,主梁中心高1.8m,采用预弯钢-砼组合箱梁结构,钢箱梁中心高1.5m,采用Q345C钢材,现浇混凝土C50钢纤维混凝土,厚30cm。
桥型截面布置如下(单位:mm):单幅桥主梁断面图 1二、主梁材料及参数1.主梁Q345C钢,工厂预制。
Q345C钢物理-力学性能如下:弹性模量: E s=2.06x105 MPa剪切模量: G s=0.79x105 MPa质量密度: r=78.5 kN/m3线膨胀系数: a s=1.2 x10-5/℃泊松比: m s=0.3应力松弛: s=1.5%局部次要钢结构采用Q235C钢屈服强度取σs=324MPa,其相应的基本容许应力乘以折减系数324/343=0.945,折减后见上表括号内数值。
2. C50混凝土抗压标准强度:f ck=32.4MPa、抗压设计强度为f cd=22.4MPa;抗拉标准强度:ft k=2.65MPa、抗拉设计强度为f td=1.83MPa;弹性模量Ec=3.45x104MPa3.普通钢筋:R235钢筋的抗拉(抗压)设计强度:f sd=195MPa;HRB335钢筋的抗拉(抗压)设计强度:f sd=280MPa;三、荷载计算1、主梁自重边梁1#、3#梁宽5.1m、2#梁宽4.8m一片钢箱梁自重(每延米): q=863.7*1.05/40=22.67 kN/m现浇层自重(每延米):1#、3#梁 q=5.1*0.3*26=39.78 kN/m2#梁 q=4.8*0.3*26=37.44 kN/m2、二期恒载铺装自重(每延米):1#、3#梁 q=5.1*0.1*24=12.24 kN/m2#梁 q=4.8*0.1*24=11.52 kN/m地袱及盖板(每延米): q=16 kN/m栏杆(每延米): q=2 kN/m防撞墙(每延米): q=8 kN/mD500mm水管及支撑板: q=2.9 kN/m(※钢箱梁、现浇层、附属构造具体尺寸详见施工图※)3、可变作用1)温度荷载简支梁整体温差按±30℃考虑,温度梯度按《公路桥涵设计通用规范》(JTG D60-2004)的规定计算。