丰田卡罗拉_前照灯控制电路
- 格式:pdf
- 大小:56.95 KB
- 文档页数:6
A6黑色12345 90980-11599A7灰色123490980-10942(示宽灯、DRL、前转向信号灯)A8黄色1290980-12490A9黑色21390980-11016(大灯水平马达)A10灰色1290980-11207A13黑色12390980-10845A14黑色1290980-11156A15黑色1290980-11019A16黑色21390980-11016 (大灯水平马达)A17灰色123490980-10942(示宽灯、DRL、前转向信号灯)A18黄色1290980-12490A19黑色2182824-60460A20黑色1290980-11070A21黑色1 90980-10619A22黑色190980-10619A23黑色2182824-60460A24黑色190980-10619A25黑色1290980-12416A26黑色12 90980-12416A29黑色1290980-11659(高)A30黑色1290980-11659(高)A1白色1 32 490980-11118A2蓝色2134590980-12954A3黑色23415690980-12831A4白色1290980-10825A5黑色1290980-10825A11白色123 90980-10956A12白色1290980-10903A27黑色1290980-12900A28灰色2190980-12A31-259-A41黑色252627282930313233343536373811415161718192021222324132345678910111290980-WA064A35黑色12345690980-12382A36黑色12345690980-12382A40黑色12345678141516171819202191011121322232425262728293031323334353637383940414243444546474849505152535455565758596090980-12931A33黑色23190980-10841A34黑色1290980-11003A31黑色2182824-60460(低)A32黑色2182824-60460(低)A37白色3567918201716144158191021221121312190980-12372A38蓝色3567918201716144158191021221121312190980-12372A39黑色3567918201716144158191021221121312190980-12372A42黑色252627282930313233343536373811415161718192021222324132345678910111290980-WA065-260-B11B2黑色1234590980-12292B31B4灰色2190980-10735B51B6灰色1290980-11051B8灰色190980-11363B9灰色1290980-11156B10黑色190980-11400B11黑色1290980-11875B12灰色1290980-11875B13黑色12 90980-11875B14灰色1290980-11875B15灰色87921346590980-12A23B16黑色1290980-12611B17黑色2 90980-12A88B18灰色123490980-10869B19黑色1290980-11025B20黑色12390980-10845B21灰色1234567891011121390980-12326B22蓝色12 90980-11156B23黑色12390980-12353B24灰色12390980-12353B25黑色1290980-11162B26灰色1290980-11162B27灰色12 3490980-11930B28黑色12345690980-11858B29黑色123490980-11885B30灰色123490980-11885B31黑色123490980-11885B7灰色1290980-10576-261-B32灰色123490980-11885B33黑色12390980-10845B34黑色1290980-11156B35黑色1290980-11156B36黑色123490980-12495B381B39黑色6162636465919293949576777879801231241251261271091101111011021031331341356869707172737475838485868788899011511611711811912012112266818267112113114969798991001281291301311323132333435363738394041424344451041051061071081361371381391402627282930565758596090980-12A38C11D1黑色1290980-11875-262-E1白色1234567891090980-10997E2白色1234567891090980-10997E3白色1234567891090980-10997E4白色12345690980-10996E5白色12345690980-10996E6白色12345690980-10996E7白色1234590980-12366E8白色8765431290980-12551E9白色8765432190980-11615E10白色1290980-12063E11黑色12111213141516171819202122345242378691090980-12912E12黑色1290980-12063E13黑色134571214111082961390980-12370E14黄色123490980-12160E15黑色123456789101112131415161718192090980-12460E16白色1234567891090980-12359E17白色123456790980-12358E18白色1615141312111098765432190980-11665E19黄色11134567891314151617181921232425262728293020102212290980-12391E20黑色8765431290980-12551E21黑色1290980-11579E22黑色1234567890980-12558E23黑色123490980-11136E25白色1315161823261417242556789104321122019112228272190980-12330E26白色1290980-12498E27黑色2134590980-12954E28白色1234590980-12366-263-E30黑色12390980-11667E31黑色2190980-11918E32白色2115164185196207218229231024112513271428317122690980-12555E33白色2115164185196207218229231024112513271428317122690980-12555E34白色21131431541651761871982092110221123122490980-12554E35白色21131431541651761871982092110221123122490980-12554E36白色12378919202110111222232413141525262745616171828293090980-12909E37白色5671718198910202122111213232425141516262728123490980-12908E38白色1097862543190980-12135E39白色12345690980-12012E40白色2190980-11918E41灰色1290980-11148E42白色134571214111082961390980-12370E43白色3121237278289291030113112321333143418382040424173722219395256261535163690980-12557E44白色2134590980-12954E45黑色1234567891090980-12898E29黑色1627389101112131441551690980-12423-264-E46灰色1234567890980-12520E47白色35678101113141516181412917282824-52390E48白色5671718198910202122111213232425141516262728123482824-52380E49白色12378919202110111222232413141525262745616171828293082824-52370E50黑色1234591087690980-12368E51黑色123456790980-12092E52黑色1234567890980-12558E53灰色123490980-12876E54黑色123490980-11950E55黑色3121237278289291030113112321333143418382040424173722219395256261535163690980-12557E56黑色5432190980-11909E57灰色6758432190980-12550E58灰色1234567891090980-10993E59黑色1234567131211109890980-12767E60黑色6758432190980-12550E61黑色1098765432190980-12162E62黑色1234590980-12366E63黑色1137894125613201923222110141511621718242526272829303132333435363738394090980-12924E64黑色1290980-10825E65黑色1234591087690980-12368E66白色1290980-10962E67黑色1290980-10962-265-E68黑色1290980-10962E70灰色3567918201716144158191021221121312190980-12372E71灰色3567918201716144158191021221121312190980-12372E72灰色3567918201716144158191021221121312190980-12372E73黑色3567918201716144158191021221121312190980-12372E74灰色3567918201716144158191021221121312190980-12372E75黑色3567918201716144158191021221121312190980-12372E76黑色123490980-12876F1黑色2190980-11918F2黑色123490980-11107F3黑色123456790980-12092-266-G1白色1290980-10935G2白色213674590980-12059G3白色678910114123590980-12610G4白色1290980-11148G5白色1234590980-10789G6白色123490980-12304G7灰色12345690980-12790G8白色1234567891090980-12226G9黑色34561290980-10797G10白色2135490980-12189白色1290980-10935白色213674590980-12059白色678910114123590980-12610白色1290980-11148H1H2H3H4H6白色69581471541721181631113101290980-12122H7白色123490980-12304H8灰色12345690980-12790H5黑色34561290980-10797H9白色1234567891090980-12226H10白色1234567891090980-12328H11白色2135490980-12189J1白色1234590980-10789J2黑色34561290980-10797J3白色1234567891090980-12226K1白色1234590980-10789K2黑色34561290980-10797K3白色1234567891090980-12226-267-L1黑色1 90980-10871L2黑色190980-10871L3黑色13290980-10908L4黑色13290980-10908L5灰色1290980-10906L6黑色2190980-WA051L7黑色2190980-WA051L8黑色190980-10914L9灰色1290980-10906L10黑色2190980-12452L11黄色123490980-12699L12黄色2190980-12717L13黄色21 90980-12717L14黑色2190980-12575L18白色21436590980-12381L20白色12390980-12795L22白色1234590980-11077L23黑色12345690980-10957L24灰色1290980-11148L25黑色12L26白色413290980-10795L27白色413290980-10795L28灰色1290980-10825L29灰色12345690980-12790L21白色12390980-12795L15黄色43675111122159814131090980-12449L16白色1234590980-12366L17白色1234590980-12366L19黑色1 90980-10871L30黑色132 90980-10908L31灰色1290980-11162L32灰色1290980-11162L33黑色1290980-11156L34黑色1290980-11156L35白色1290980-10935-268-L36白色1290980-10935L37白色1290980-11148L38白色1290980-11148L39白色12390980-12695L40黑色2190980-12452L41黑色190980-10871L42黑色190980-10871L43白色12390980-12795L44黑色2190980-12452L45黄色123490980-12699L46黄色2190980-12717L47黄色2190980-12717L48黑色2190980-12575L51白色1234590980-12366L52蓝色1234590980-12366L53黑色2190980-12452L54黑色3567918201716144158191021221121312190980-12372L50白色413290980-10795L49黄色43675111122159814131090980-12450L55黑色3567918201716144158191021221121312190980-12372L56白色12345678910111290980-12773L57白色413290980-10795L58白色413290980-10795-269-P1黑色12345690980-12382P2黑色12345690980-12382P3黑色12345690980-12382P4黑色12345690980-12382P5黑色1290980-11246P6黑色1290980-11246P7黑色1290980-11246P8黑色1290980-11246Q1黑色190980-10913T1灰色123490980-12335T2蓝色1290980-12341T3白色643217891011121451390980-10807T4白色12345690980-10933T5白色12390980-11763T6白色1234567891011121390980-12346W1黑色123490980-12335W2灰色1290980-12341X1黑色56789432190980-12849X2灰色124390980-12A52X3灰色124390980-12A52-270-d1橙色2190980-12576g1灰色1290980-10860h1黑色1290980-12416j1黑色1290980-12416e1黑色2190980-12452f1黑色2190980-12452z2橙色2190980-12224z4白色123490980-12360z5白色8765431290980-12221z6黑色12118765123941090980-12559z7白色12345678990980-12899z8黑色2190980-12918z10白色12390980-12296z11白色123490980-12360z12白色1234590980-12366z9灰色2190980-10928z1白色6785234190980-12264O1白色1290980-10935O2白色1290980-10935O3白色27543112108691190980-12812O4黑色12118765123941090980-12559O5白色123490980-11950O6灰色1231B 白色190980-127961D 白色190980-127961E 白色182824-740101G 白色11H白色1-271-3A 白色31323334352530292827782423222120919181017161115125613555414535251504948464544434241403938373665432147263B 白色190980-127563C 白色109413211121314151617181920272829303132333435363738394041484950515253545556564221432244237845244625472690980-128903E 白色6541327891011121314151617181920212223242526272829303132333435363738394090980-1288490980-12A153D 白色87413291011121314151617182223242526272829303132333435364041424344454647485637193820392190980-12887-272-90980-1091590980-10916白色AE1121290980-1241190980-12412灰色AE224568151********1271691811076543151********1181711091890980-1274290980-12743白色AE381234567910111213141516171811123456789101213141516171890980-1274090980-12741黑色AE41234567891011141213151617181920234567891011121314151617181920190980-1237190980-12372蓝色AE5356791820171614415819102122112131218765418171916153149202131121021112290980-1273690980-12737白色AE612345678910111211123456789101290980-1237190980-12372灰色AE83567918201716144158191021221121312187654181********149202131121021112290980-1298890980-12989黄色AE721431234-273-90980-1274490980-12745白色BA212345678910111213141516171812345678910111213141516171890980-1091590980-10916白色BA3121290980-11155灰色BD1121290980-1277090980-12771白色BA11234567891011121314262524232221201918171615141312111098765432116171819202122232425261590980-1241190980-12412白色AL324568151714131131271691811076543151416131221181711091890980-1274290980-12743白色AL181234567910111213141516171811123456789101213141516171890980-1180990980-11799白色AL21234213490980-11156-274-90980-1236790980-12368白色EF1123459108765432198107690980-1273890980-12739白色EL110987654321181716151413121112345678910111213141516171890980-1274090980-12741黑色EL21234567891011141213151617181920234567891011121314151617181920190980-1237190980-12372灰色EL3356791820171614415819102122112131218765418171916153149202131121021112290980-1273690980-12737白色EL412345678910111211123456789101290980-1274090980-12741黑色EL51234567891011141213151617181920234567891011121314151617181920190980-1237190980-12372灰色EL6356791820171614415819102122112131218765418171916153149202131121021112290980-1269790980-12698黄色EL7121290980-1269790980-12698黄色EL81212-275-90980-1241990980-12366白色蓝色EX1123455432190980-1199290980-11886黄色Ed1211290980-1263890980-12A22白色GE14105367141513161720111818212919765431615171413110112021281819990980-12A2090980-12478白色GE212345678910111271234568910111290980-1254690980-12A21白色GE349536713141215168218117111076543151416131212891011171890980-1263890980-12A22白色HE14105367141513161720111818212919765431615171413110112021281819990980-12A2090980-12478白色HE2123456789101112712345689101112-276-90980-12A0090980-12A01白色JL131112151486713129104511121568131910234514790980-1254690980-12A21白色HE349536713141215168218117111076543151416131212891011171890980-12A0090980-12A01白色KL131112151486713129104511121568131910234514790980-1237390980-12374白色LT191234587617161514131211101234567891011121314151617-277-90980-1251990980-12520灰色PL1123456784321876590980-1106090980-10860白色gL1121290980-1106090980-12342白色hL1121290980-1106090980-12342白色jL1121290980-1277090980-12771白色OE112345678910111213142625242322212019181716151413121110987654321161718192021222324252615- 3 -90980-1273290980-12733白色WT11423123490980-1269790980-12698黄色Le1121290980-1269790980-12698黄色Lf11212-278-。
前照灯控制电路简要介绍前照灯控制电路简要介绍1. 概述前照灯,作为汽车行驶时的主要照明设备之一,在夜间、恶劣天气和低能见度条件下,起到提供良好视野、保障行车安全的重要作用。
为了能够灵活、准确地控制前照灯的亮度和工作模式,汽车前照灯控制电路应运而生。
2. 原理和构成前照灯控制电路主要由以下几个部分组成:2.1 电源供应:提供电能供给前照灯工作,通常采用汽车电瓶作为电源,通过电力系统进行供电。
2.2 开关装置:用于手动或自动控制前照灯的开关状态,包括普通开关、自动光敏开关、远光开关等。
普通开关通过人工操作来控制前照灯的开关,而自动光敏开关则能根据外界光照情况自动地开启或关闭前照灯。
2.3 控制模块:用于调节前照灯的亮度和工作模式,通常由一个或多个微控制器组成。
通过传感器收集到的车速、刹车状态、转向灯等信息,结合用户的需求,控制模块能够智能地调整前照灯的亮度和模式,如远光、近光、日间行车灯、转向灯等。
2.4 前照灯组件:包括前照灯灯泡或LED灯珠以及光学透镜等。
灯泡或LED灯珠产生光能,透镜则起到聚光和照明效果的作用,使得前照灯能够以特定的亮度和角度照射到前方道路。
3. 工作原理前照灯控制电路的工作原理主要取决于电路中的控制模块和传感器。
下面通过一个简单示意图来介绍前照灯控制电路的工作原理:3.1 检测车辆状态:控制模块通过车辆的传感器检测车速、刹车状态、转向指示器的状态等,了解当前车辆的行驶状况。
3.2 接收用户输入:控制模块还可以接收到用户设置的前照灯亮度、光模式的输入信息,用户可以通过车内的操作按钮或仪表盘上的调节旋钮来调整前照灯的工作状态。
3.3 控制前照灯亮度:根据车辆状态和用户输入的信息,控制模块计算出前照灯应该具备的亮度,然后通过调整电流或电压的大小控制灯泡或LED灯珠的亮度。
3.4 控制前照灯工作模式:根据车辆行驶状态和用户设置,控制模块可以自动切换前照灯的工作模式,如切换远光、近光、日间行车灯等。
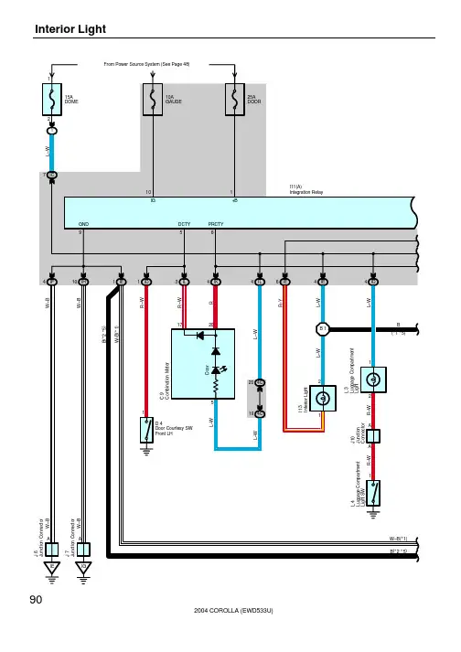
前照灯控制电路的故障诊断与排除一、前照灯控制电路1.前照灯电路的组成前照灯控制电路主要由灯光开关、变光开关、前照灯继电器及前照灯组成。
灯光开关的形式有拉钮式、旋转式和组合式等形式。
通常采用组合开关,将前照灯、小灯(前位灯、尾灯、仪表灯、牌照灯)、转向信号灯及变光等开关制成一体,安装在转向盘左下方的转向柱上。
组合开关操纵杆端部旋钮有三个位置,转动旋钮,可依次接通小灯和前照灯。
变光开关的作用是变换前照灯的近光和远光。
它有脚踏变光开关和组合式开关两种。
普通脚踏变光开关结构如图所示。
当用脚踏按钮时,推杆推动转轮向一个方向转动60℃,从而交替接通远、近光。
组合开关操纵杆端部旋钮置于前照灯位置,拨动操纵杆可使前照灯变光(近光与远光变换)。
(3)前照灯继电器前照灯的工作电流大,特别是四灯制的汽车,若用车灯开关直接控制前照灯,车灯开关易损坏,因此在灯光电路中设有灯光继电器。
如用灯光开关直接控制前照灯,灯光开关易烧坏,因此,在前照灯电路中设有前照灯继电器。
前照灯继电器SW端子接灯光开关,E端子搭铁,B端子接电源,L端子接变光开关。
当接通灯光开关(前照灯位置),继电器线圈通电,触点闭合,通过变光开关向前照灯供电。
2.前照灯控制电路(1)近光灯电路蓄电池电压→50A主前照灯熔丝→H-LP继电器线圈→前照灯变光开关E60的8脚→前照灯变光开关E60的11脚→E 1搭铁。
此时H-LP继电器线圈得电,其触点闭合。
蓄电池电压→50A主前照灯熔丝→H-LP继电器触点后分两路:一路经10A左前照灯近光熔丝→左侧前照灯近光灯A65→A1搭铁;另一路经10A右前照灯近光熔丝→右侧前照灯近光灯A64→A3搭铁。
此时,左、右前照灯近光灯均亮。
(2)远光灯电路当前照灯变光开关E60置于远光档、且位于头部位置时,E60的9脚与11脚导通。
蓄电池电压→50A主前照灯熔丝→调光继电器线圈→前照灯变光开关E60的9脚→前照灯变光开关E60的11脚→El搭铁。
卡罗拉左前大灯不亮的工作计划一、收集资料(一)卡罗拉维修手册1、保险丝、继电器的位置和功率2、大灯线路走向电源变光开关继电器保险丝灯泡搭铁3、大灯的拆装方法(二)任务分析1、案例分析客户陈述及故障发生时的状况:前晚在高速公路行车时觉得灯光发暗,观察路况费力。
故障发生状况提示:行驶速度、发动机状态、发生频度、发生时间、部位、天气、路面状况等。
接车员检测确认建议:小灯正常,大灯近光正常,左侧大灯远光也正常,但左侧大灯远光不亮。
建议检测左侧大灯远光相关电路及元件2、原因分析①保险丝:在转速及供电电流变化较大的情况下,易造成保险丝熔断②继电器:在转速及供电电流变化较大的情况下,易造成保险丝烧坏③灯泡:在转速及供电电流变化较大的情况下,易烧坏,在平时清洗车辆易造成大灯进水腐蚀,从而造成短路或其他损坏。
④插接头:在车辆使用年限较长和工况复杂的情况下容易松动、烧蚀以至于造成灯泡损坏⑤导线:在车辆使用年限较长和工况复杂的情况下容易老化、裂纹,造成断路、短路现象⑥接地:在车辆使用年限较长或维修后来锁紧,就会造成接触不良或脱落松动⑦发电机:在车辆使用年限及皮带老化松动,容易造成发电机发电不平衡,整流器异常,输出电流变大会造成相关部件部件损坏。
3、易损件的检查方法:①保险丝目测:接脚有无松动,熔断丝有无熔断电阻:用万用表测量两接脚的阻值正常小于1欧姆,异常无穷大试灯:打开大灯开关,试灯一端搭铁,一端搭在保险丝的输入端看是否有亮,然后在检查输出端是否有亮,如果输入端亮输出端不亮,断定保险丝损坏②继电器目测:从车上取下继电器,目测四个插脚是否松动。
外加电源:从车上取下继电器,用车用电源正负极接入继电器接脚1#和2#,然后用万用表检测继电器接脚3#和5#的电阻,如果电阻为无穷大就说明继电器损坏,正常为小于一欧姆。
对换法:从车上远近光继电器对换的方法来检查继电器的好坏③灯泡目测:观察灯泡是否氧化、烧蚀,插接口是否松动。
电阻:用万用表正负表笔各接入灯泡头上的两个接脚正常阻值为1.5欧姆外加电源:用车用电源正负接入灯泡上的两插脚如果不亮就为灯泡损坏。
前照灯控制电路教学设计1.前照灯控制电路的工作原理2.前照灯控制电路的元件选择为了设计一个稳定可靠的前照灯控制电路,我们需要选择合适的元件。
以下是一些常见的元件选择建议:-继电器:选择适合负载的继电器,其切换容量应大于前照灯的功率。
-开关:选择适当的开关来控制前照灯的亮灭。
-保险丝:通过在电路中添加保险丝来保护电路和前照灯。
3.前照灯控制电路的连接方式-将继电器的继电器线圈引脚连接到前照灯开关的输出端,以激活继电器。
-将前照灯连接到继电器的常闭开关端,以使前照灯在继电器断开时关闭。
-将继电器的电源引脚连接到车辆电源,确保继电器能够正常工作。
4.实际操作示例为了更好地理解和应用前照灯控制电路,我们提供以下实际操作示例。
步骤1:准备材料和工具准备以下材料和工具:-继电器-前照灯-开关-保险丝-电线-铁锡和焊接工具步骤2:连接电路按照以下连接方式将电路连接起来:-将继电器的继电器线圈引脚连接到前照灯开关的输出端。
-将前照灯连接到继电器的常闭开关端。
-将继电器的电源引脚连接到车辆电源。
步骤3:焊接连接使用铁锡和焊接工具进行焊接连接,确保连接稳固可靠。
步骤4:添加保险丝在电路中添加保险丝,以保护电路和前照灯。
步骤5:测试电路将电路连接到汽车电源,并通过操作前照灯开关测试电路的正常工作。
5.总结通过这个教学设计,我们详细介绍了前照灯控制电路的工作原理,并提供了一个具体的电路示例来进行实际操作。
学习者可以通过这个教学设计了解前照灯控制电路的原理和应用,并通过实际操作锻炼其动手能力和故障排除能力。
汽车前照灯(大灯)电路控制的形式及分析方法汽车前照灯控制电路有些是比较复杂的,电路的分析及电流的走向,在汽车电路的故障诊断中起着非常重要的作用。
为了帮助读者及维修人员搞清楚各电路的流向及控制方法,现将一些常见的前照灯控制电路(控制火线式带大灯继电器和变光继电器、控制搭铁式带大灯继电器和变光继电器、只带大灯继电器的控制形式大灯控制电路、带远光和近光继电器的大灯控制形式大灯控制电路、没有继电器的火线控制式大灯控制电路、没有继电器的控制搭铁式的大灯控制电路)及电流控制电路,给出详尽的电路分析方法,节省大量的时间,资料非常难得宝贵,无论是对修理工和教师,都有很大的帮助作用。
一、带大灯继电器和变光继电器大灯控制电路1. 控制火线式(1)大灯不工作时(2)前照灯继电器工作电路当灯光开关接通后,其电路是:蓄电池正极→易熔线FL→灯光开关→灯光继电器通电线圈→搭铁→蓄电池负极左前照灯远光灯工作电路当灯光开关接通时,其电路是:蓄电池正极→易熔线FL→灯光继电器的触点K1→变光继电器的触点K2→保险丝A→左远光灯→搭铁→蓄电池的负极。
右前照灯远光灯工作电路蓄电池正极→易熔线FL→灯光继电器的触点K1→变光继电器的触点K2→保险丝A→W点→右远光灯→搭铁→蓄电池的负极。
远光指示灯电路当灯光开关接通时,其电路是:蓄电池正极→易熔线FL →灯光继电器的触点K 1→变光继电器的触点K 2→保险丝A →W 点→Q 点→远光指示灯→搭铁→蓄电池的负极。
当接通变光开关时,左右前照灯的近光灯电路接通: 左前照灯近光灯工作电路蓄电池正极→易熔线FL →灯光继电器的触点K 1→变光继电器的触点K 2→保险丝B →左近光灯→搭铁→蓄电池的负极。
右前照灯近光灯工作电路远光指示灯变光继电器灯光继电器灯光开关远光左近光右变光开关K 1→ →→→ →→ → →→K 2→→ QFL保险丝A保险丝B→远光W→→→ →→→ →→→→→→ → →→→ →→→ 近光蓄电池正极→易熔线FL →灯光继电器的触点K 1→变光继电器的触点K 2的下触点→保险丝B →右近光灯→搭铁→蓄电池的负极。
前照灯电路控制流程
嘿,朋友们!今天咱就来好好唠唠前照灯电路控制流程,这可真的超级有趣哦!
你想想看,当你晚上开着车行驶在路上,前照灯“啪”地一下亮起来,就像黑暗中的灯塔,照亮你前行的路,这是多神奇的事儿呀!比如说,你晚上开车回家,打开前照灯,那一瞬间,它不就像你的忠实伙伴,为你探路嘛!
那前照灯电路控制到底是咋工作的呢?其实啊,就像一个小团队协同作战一样!当你转动钥匙到点火位置时,就好像是给这个小团队吹响了“集结号”。
电流就像一个个勇敢的小战士,从电池里冲出来,顺着线路奔跑。
然后呢,开关就像个指挥官,它说“开”,电流就精准地流到前照灯那里。
哇塞,前照灯一下子就亮起来了,这不是很牛嘛!
再举个例子,假如你在特别黑的地方开车,这时候前照灯的作用可就凸显出来了。
它就像是你的眼睛,帮你看清前方的一切。
如果没有这个精准的电路控制流程,那可咋整呀!
在这个过程中,每个部件都有着自己的任务,缺一不可呀!就像一场接力赛,一环扣一环。
这前照灯电路控制流程,不就是科技的小魔法嘛,让我们的出行变得更安全、更方便。
所以说啊,前照灯电路控制流程真的是非常非常重要的,它默默守护着我们的行车安全,让我们在夜晚开车也能安心、放心!怎么样,是不是很有意思呀!。
[发动机室]-18-[仪表板]-19-[车身]车门控制接收器 (*1)智能车门控制接收器总成 (*2)燃油泵控制 ECU 总成滑动天窗控制ECU(滑动天窗主动齿轮分总成)* 1: 带智能进入和起动系统* 2: 不带智能进入和起动系统-20-天线-21--22-[发动机室继电器盒和发动机室接线盒内部电路](接下页)120A ALT1250A HTR 1250A ABS NO.11240A RDI1230A ABS NO.21250A DEF 1210A S-HORN 1210A DRL12*11240A H-LP-MAIN1215A EFI-B 1225A EFI-MAIN 1220A STRG LOCK1215A IG21210A TURN&HAZ 1210A ETCS1230A ST 1210A HORN 1230A D/C CUT1211120A RADIO127.5A DOME 1210A ECU-B NO.1121111111111111111111111B11H11E 11G* 1:60A EPS (1ZR-FE, 4ZR-FE) 80A EPS (2ZR-FE, 7ZR-FE)-23-(接上页)7.5A AM21210A ECU-B NO.2125A ECU-B NO.31211111111(接下页)11D 10A H-LP LH-LO1212110A H-LP RH-LO121110A H-LP LH-HI12110A H-LP RH-HI1110A EFI NO.212110A EFI NO.1121110A MIR HTR1230A PTC HTR NO.31230A PTC HTR NO.21230A PTC HTR NO.11211111-24-[发动机室继电器盒和发动机室接线盒内部电路]EFI- MAIN 继电器5 13 21 111 DIM 继电器52311 111 IG2 继电器52311 111 DRL 继电器52311 111 1 号 ST 继电器52311 11 11 11 11 111 541321 111 H-LP 继电器52311 111(接上页)(接下页)DEF 继电器1-25-1 号 FAN 继电器5 23 11 111 2 号 PTC 继电器51321 111 1 号 PTC 继电器51321 111 3 号 PTC 继电器51321 111 EPS 继电器51321 111 HORN 继电器52311 111(接上页)-26-31323334352530292827782423222120919181017161115125613555414535251504948464544434241403938373665432147263132333435253029282778242322212091918101716111512561355541453525150494846454443424140393837366543214726109413211121314151617181920272829303132333435363738394041484950515253545556564221432244237845244625472610941321112131415161718192027282930313233343536373839404148495051525354555656422143224423784524462547261187413291011121314151617182223242526272829303132333435364041424344454647485637193820392187413291011121314151617182223242526272829303132333435364041424344454647485637193820392165413278910111213141516171819202122232425262728293031323334353637383940654132789101112131415161718192021222324252627282930313233343536373839403E3A3D3C2130A POWER2130A P-SEAT 3B(自发动机室主线束)(自仪表板线束)(自仪表板线束)(自地板线束)白色白色白色白色白色(自发动机室主线束)-27-32313029282726252423222120191817主车身 ECU 16151413121110987654321[仪表板接线盒总成内部电路]5A AM1121212127.5A STOP1230A P-SEAT 1220A S/ROOF10A TAIL 7.5A PANELTAIL 继电器FOG RR 继电器13B 553A 283C 273C 43D 123A 133A 473A 483D 93A 273A103E 233D 93D 353C7.5A RR FOG12403E 523C7.5A OBD12127.5A FR FOG33C223D 103D 73A473D 83A 173E 323E233E 283A 103A 243E 483A 493A453A 413D 533C 453D 463D 333E 363A 363D 373D 263E(接下页)W I P F R 25A 12W A S H E R 15A 12R L D O O R 20A 12R R D O O R 20A 12F R D O O R 20A 12D O O R B A C K 10A 12E C U -I G N O .37.5A 12A M 15A 12F R F O G 7.5A 12D /L N O .220A 12S /R O O F 20A 12S T O P 7.5A 12R R F O G 7.5A 12O B D 7.5A 12A /B 7.5A 21M E T 5A 21S E A T H T R 15A 12I G N 7.5A 21E C U -I G N O .55A 12E C U -I G N O .47.5A 12H T R -I G 7.5A 12E C U -I G N O .27.5A 12E C U -I G N O .17.5A 12W I P -S 5A 21P A N E L 7.5A 12T A I L 10A 12S F T L O C K -A C C 5A 12A C C 7.5A 12C I G 15A 12D/LOCK继电器D/UNLOCK 继电器LUG LOCK 继电器133C 143C 83E53C 13E 43C 93E123C23E 393E23A 53E 323C 343C 333C 443A 333D 173D 343D 353D 183D63C183A 393A 383D 193D 203D 83D 1220A D/L NO.21210A DOOR BACK(接下页)(接上页)[仪表板接线盒总成内部电路]253D 243D53D153D323D143D203A313D133D33E383A173A163D373A283E443D423D273D503A283D153A313A433D293D523A513A193C163A383C183C393C7.5A ACC121212121215A CIG63D125A SFTLOCK-ACCACC 继电器263D7.5A HTR-IG7.5A ECU-IG NO.37.5A ECU-IG NO.1127.5A ECU-IG NO.21 号 IG1 继电器(接下页)(接上页)193A 413A 403A 393D 213D 303E 463C 483C 243C 493C263C 473C 93C 563C 123D 43A 33A63A 103C 33D13D 303D3C 113D 13A 23D163C173C 373C 63E 73E13C 1173C 213A 203C 333E 53A 413C 423A553C121212127.5A A/B73D113A125A WIP-S7.5A IGN 5A MET5A ECU-IG NO.51225A WIP FR 43E 23C1215A WASHER1215A SEAT HTR 127.5A ECU-IG NO.43 号 IG1 继电器POWER 继电器2 号 IG1 继电器1230A POWER 1220A RL DOOR 1220A RR DOOR 1220A FR DOOR(接下页)(接上页)(*1)(*2)* 1 : 带防夹功能* 2: 不带防夹功能[仪表板接线盒总成内部电路]4132120528181622FFGO BCTL DIM FLCYILE LSRLGCY HORNDBKL SH LIN2PKBGND1ACT+TRLY ACT-RFGOACCLGYL3HRLY1511814TR+69271029主车身 ECU543A 383E 433C 463A 253E 543C 343E 223E 373E 243A 363E 223C 293E 12143E 403D 353A 443C 423C 213C403C 233C 363C 153C 21563A 273E BECUIG DRLE30293C 433A 163E 313C 503C 303C 153E 313E 24453C 32513C 19353E26533A 17(接上页)4:4 号继电器盒仪表板加强件5533221235115321DOME CUT 继电器HTR 继电器FOG FR 继电器S-HORN 继电器[4 号 R/B 内部电路]523151325231532144444444HTR 继电器S-HORN 继电器4444FOG FR 继电器4444DOME CUT 继电器4444。
卡罗拉左前大灯不亮的工作计划一、收集资料(一)卡罗拉维修手册1、保险丝、继电器的位置和功率2、大灯线路走向电源变光开关继电器保险丝灯泡搭铁3、大灯的拆装方法(二)任务分析1、案例分析客户陈述及故障发生时的状况:前晚在高速公路行车时觉得灯光发暗,观察路况费力。
故障发生状况提示:行驶速度、发动机状态、发生频度、发生时间、部位、天气、路面状况等。
接车员检测确认建议:小灯正常,大灯近光正常,左侧大灯远光也正常,但左侧大灯远光不亮。
建议检测左侧大灯远光相关电路及元件2、原因分析①保险丝:在转速及供电电流变化较大的情况下,易造成保险丝熔断②继电器:在转速及供电电流变化较大的情况下,易造成保险丝烧坏③灯泡:在转速及供电电流变化较大的情况下,易烧坏,在平时清洗车辆易造成大灯进水腐蚀,从而造成短路或其他损坏。
④插接头:在车辆使用年限较长和工况复杂的情况下容易松动、烧蚀以至于造成灯泡损坏⑤导线:在车辆使用年限较长和工况复杂的情况下容易老化、裂纹,造成断路、短路现象⑥接地:在车辆使用年限较长或维修后来锁紧,就会造成接触不良或脱落松动⑦发电机:在车辆使用年限及皮带老化松动,容易造成发电机发电不平衡,整流器异常,输出电流变大会造成相关部件部件损坏。
3、易损件的检查方法:①保险丝目测:接脚有无松动,熔断丝有无熔断电阻:用万用表测量两接脚的阻值正常小于1欧姆,异常无穷大试灯:打开大灯开关,试灯一端搭铁,一端搭在保险丝的输入端看是否有亮,然后在检查输出端是否有亮,如果输入端亮输出端不亮,断定保险丝损坏②继电器目测:从车上取下继电器,目测四个插脚是否松动。
外加电源:从车上取下继电器,用车用电源正负极接入继电器接脚1#和2#,然后用万用表检测继电器接脚3#和5#的电阻,如果电阻为无穷大就说明继电器损坏,正常为小于一欧姆。
对换法:从车上远近光继电器对换的方法来检查继电器的好坏③灯泡目测:观察灯泡是否氧化、烧蚀,插接口是否松动。
电阻:用万用表正负表笔各接入灯泡头上的两个接脚正常阻值为1.5欧姆外加电源:用车用电源正负接入灯泡上的两插脚如果不亮就为灯泡损坏。