2016年一汽丰田卡罗拉维修电路图09-插接器表
- 格式:pdf
- 大小:590.91 KB
- 文档页数:20
2016款丰田卡罗拉出现无法启动的故障分析摘要:发动机无法启动是汽车常见的故障,笔者以2016款卡罗拉1.6L CVT轿车发动机无法启动故障为例,结合维修实际情况及1.6L卡罗拉发动机启动控制过程特点进行了分析,同时对无法启动故障进行排除,总结出发动机无法启动故障诊断过程中应注意的问题。
关键词:汽车;无法启动;故障分析1 故障现象一辆2016款卡罗拉1.6L CVT GL-i轿车无法正常着车,但启动时能听到启动机正常运转的声音。
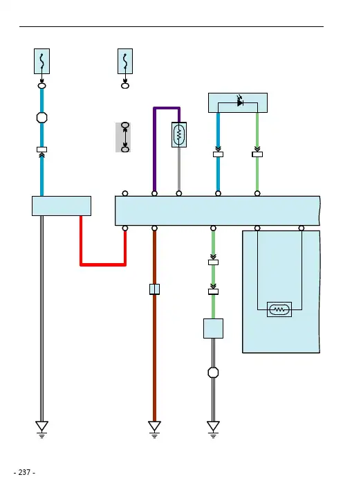
2 卡罗拉轿车起动系统控制电路分析(1)点火钥匙由关闭档拧到“IG”档时的电路分析:1)发动机电脑电源电路:IG2档通过一个继电器给发动机电脑的IGSW接线柱供电,发动机电脑控制主继电器(EFI MAIN继电器)工作,EFI MAIN继电器给发动机电脑提供电源。
电脑工作后给相关的传感器提供5V的直流电源。
2)发动机故障灯控制:发动机电脑发出指令给仪表盘电脑,仪表盘上的故障灯就会被点亮。
3)检查车钥匙的合法性:通过发动机电脑识别车钥匙是否合法,若发现为不合法的钥匙,那么发动机电脑发出指令使仪表盘上钥匙报警灯闪烁(合法钥匙插入后,报警灯熄灭),此时即使发动机电脑检测到正常的发动机的转速信号也不会提供点火和喷油控制信号。
4)燃油泵控制:发动机电脑会通过燃油泵的继电器控制燃油泵工作2-3s的时间,从而建立起工作油压。
(2)点火开关由“IG”档拧到启动档时,发动机电脑进行如下线路控制:1)燃油泵控制电路分析:发动机电脑接收到曲轴位置传感器的转速信号后,电脑给燃油泵继电器磁场线圈FC端提供负极使燃油泵继电器工作,来建立油管内油压。
2)起动机工作电路:点火开关“ST1”接柱给发动机电脑提供起动信号,线路还通过变速器空挡、驻车档位置开关串联在启动继电器线圈供电电路中,起动继电器工作后给起动机的50端子供电,起动机工作带动飞輪旋转启动发动机。
3)喷油系统、点火系统的控制:发动机电脑接收到曲轴位置传感器的转速信号后,结合节气门位置传感器开度信号、冷却液温度传感器信号、空气流量计信号,按适合的点火提前角,根据发动机1-3-2-4的点火顺序给四个缸点火控制器提供点火信号。
[发动机室]-18-[仪表板]-19-[车身]车门控制接收器 (*1)智能车门控制接收器总成 (*2)燃油泵控制 ECU 总成滑动天窗控制ECU(滑动天窗主动齿轮分总成)* 1: 带智能进入和起动系统* 2: 不带智能进入和起动系统-20-天线-21--22-[发动机室继电器盒和发动机室接线盒内部电路](接下页)120A ALT1250A HTR 1250A ABS NO.11240A RDI1230A ABS NO.21250A DEF 1210A S-HORN 1210A DRL12*11240A H-LP-MAIN1215A EFI-B 1225A EFI-MAIN 1220A STRG LOCK1215A IG21210A TURN&HAZ 1210A ETCS1230A ST 1210A HORN 1230A D/C CUT1211120A RADIO127.5A DOME 1210A ECU-B NO.1121111111111111111111111B11H11E 11G* 1:60A EPS (1ZR-FE, 4ZR-FE) 80A EPS (2ZR-FE, 7ZR-FE)-23-(接上页)7.5A AM21210A ECU-B NO.2125A ECU-B NO.31211111111(接下页)11D 10A H-LP LH-LO1212110A H-LP RH-LO121110A H-LP LH-HI12110A H-LP RH-HI1110A EFI NO.212110A EFI NO.1121110A MIR HTR1230A PTC HTR NO.31230A PTC HTR NO.21230A PTC HTR NO.11211111-24-[发动机室继电器盒和发动机室接线盒内部电路]EFI- MAIN 继电器5 13 21 111 DIM 继电器52311 111 IG2 继电器52311 111 DRL 继电器52311 111 1 号 ST 继电器52311 11 11 11 11 111 541321 111 H-LP 继电器52311 111(接上页)(接下页)DEF 继电器1-25-1 号 FAN 继电器5 23 11 111 2 号 PTC 继电器51321 111 1 号 PTC 继电器51321 111 3 号 PTC 继电器51321 111 EPS 继电器51321 111 HORN 继电器52311 111(接上页)-26-31323334352530292827782423222120919181017161115125613555414535251504948464544434241403938373665432147263132333435253029282778242322212091918101716111512561355541453525150494846454443424140393837366543214726109413211121314151617181920272829303132333435363738394041484950515253545556564221432244237845244625472610941321112131415161718192027282930313233343536373839404148495051525354555656422143224423784524462547261187413291011121314151617182223242526272829303132333435364041424344454647485637193820392187413291011121314151617182223242526272829303132333435364041424344454647485637193820392165413278910111213141516171819202122232425262728293031323334353637383940654132789101112131415161718192021222324252627282930313233343536373839403E3A3D3C2130A POWER2130A P-SEAT 3B(自发动机室主线束)(自仪表板线束)(自仪表板线束)(自地板线束)白色白色白色白色白色(自发动机室主线束)-27-32313029282726252423222120191817主车身 ECU 16151413121110987654321[仪表板接线盒总成内部电路]5A AM1121212127.5A STOP1230A P-SEAT 1220A S/ROOF10A TAIL 7.5A PANELTAIL 继电器FOG RR 继电器13B 553A 283C 273C 43D 123A 133A 473A 483D 93A 273A103E 233D 93D 353C7.5A RR FOG12403E 523C7.5A OBD12127.5A FR FOG33C223D 103D 73A473D 83A 173E 323E233E 283A 103A 243E 483A 493A453A 413D 533C 453D 463D 333E 363A 363D 373D 263E(接下页)W I P F R 25A 12W A S H E R 15A 12R L D O O R 20A 12R R D O O R 20A 12F R D O O R 20A 12D O O R B A C K 10A 12E C U -I G N O .37.5A 12A M 15A 12F R F O G 7.5A 12D /L N O .220A 12S /R O O F 20A 12S T O P 7.5A 12R R F O G 7.5A 12O B D 7.5A 12A /B 7.5A 21M E T 5A 21S E A T H T R 15A 12I G N 7.5A 21E C U -I G N O .55A 12E C U -I G N O .47.5A 12H T R -I G 7.5A 12E C U -I G N O .27.5A 12E C U -I G N O .17.5A 12W I P -S 5A 21P A N E L 7.5A 12T A I L 10A 12S F T L O C K -A C C 5A 12A C C 7.5A 12C I G 15A 12D/LOCK继电器D/UNLOCK 继电器LUG LOCK 继电器133C 143C 83E53C 13E 43C 93E123C23E 393E23A 53E 323C 343C 333C 443A 333D 173D 343D 353D 183D63C183A 393A 383D 193D 203D 83D 1220A D/L NO.21210A DOOR BACK(接下页)(接上页)[仪表板接线盒总成内部电路]253D 243D53D153D323D143D203A313D133D33E383A173A163D373A283E443D423D273D503A283D153A313A433D293D523A513A193C163A383C183C393C7.5A ACC121212121215A CIG63D125A SFTLOCK-ACCACC 继电器263D7.5A HTR-IG7.5A ECU-IG NO.37.5A ECU-IG NO.1127.5A ECU-IG NO.21 号 IG1 继电器(接下页)(接上页)193A 413A 403A 393D 213D 303E 463C 483C 243C 493C263C 473C 93C 563C 123D 43A 33A63A 103C 33D13D 303D3C 113D 13A 23D163C173C 373C 63E 73E13C 1173C 213A 203C 333E 53A 413C 423A553C121212127.5A A/B73D113A125A WIP-S7.5A IGN 5A MET5A ECU-IG NO.51225A WIP FR 43E 23C1215A WASHER1215A SEAT HTR 127.5A ECU-IG NO.43 号 IG1 继电器POWER 继电器2 号 IG1 继电器1230A POWER 1220A RL DOOR 1220A RR DOOR 1220A FR DOOR(接下页)(接上页)(*1)(*2)* 1 : 带防夹功能* 2: 不带防夹功能[仪表板接线盒总成内部电路]4132120528181622FFGO BCTL DIM FLCYILE LSRLGCY HORNDBKL SH LIN2PKBGND1ACT+TRLY ACT-RFGOACCLGYL3HRLY1511814TR+69271029主车身 ECU543A 383E 433C 463A 253E 543C 343E 223E 373E 243A 363E 223C 293E 12143E 403D 353A 443C 423C 213C403C 233C 363C 153C 21563A 273E BECUIG DRLE30293C 433A 163E 313C 503C 303C 153E 313E 24453C 32513C 19353E26533A 17(接上页)4:4 号继电器盒仪表板加强件5533221235115321DOME CUT 继电器HTR 继电器FOG FR 继电器S-HORN 继电器[4 号 R/B 内部电路]523151325231532144444444HTR 继电器S-HORN 继电器4444FOG FR 继电器4444DOME CUT 继电器4444。
A6黑色12345 90980-11599A7灰色123490980-10942(示宽灯、DRL、前转向信号灯)A8黄色1290980-12490A9黑色21390980-11016(大灯水平马达)A10灰色1290980-11207A13黑色12390980-10845A14黑色1290980-11156A15黑色1290980-11019A16黑色21390980-11016 (大灯水平马达)A17灰色123490980-10942(示宽灯、DRL、前转向信号灯)A18黄色1290980-12490A19黑色2182824-60460A20黑色1290980-11070A21黑色1 90980-10619A22黑色190980-10619A23黑色2182824-60460A24黑色190980-10619A25黑色1290980-12416A26黑色12 90980-12416A29黑色1290980-11659(高)A30黑色1290980-11659(高)A1白色1 32 490980-11118A2蓝色2134590980-12954A3黑色23415690980-12831A4白色1290980-10825A5黑色1290980-10825A11白色123 90980-10956A12白色1290980-10903A27黑色1290980-12900A28灰色2190980-12A31-259-A41黑色252627282930313233343536373811415161718192021222324132345678910111290980-WA064A35黑色12345690980-12382A36黑色12345690980-12382A40黑色12345678141516171819202191011121322232425262728293031323334353637383940414243444546474849505152535455565758596090980-12931A33黑色23190980-10841A34黑色1290980-11003A31黑色2182824-60460(低)A32黑色2182824-60460(低)A37白色3567918201716144158191021221121312190980-12372A38蓝色3567918201716144158191021221121312190980-12372A39黑色3567918201716144158191021221121312190980-12372A42黑色252627282930313233343536373811415161718192021222324132345678910111290980-WA065-260-B11B2黑色1234590980-12292B31B4灰色2190980-10735B51B6灰色1290980-11051B8灰色190980-11363B9灰色1290980-11156B10黑色190980-11400B11黑色1290980-11875B12灰色1290980-11875B13黑色12 90980-11875B14灰色1290980-11875B15灰色87921346590980-12A23B16黑色1290980-12611B17黑色2 90980-12A88B18灰色123490980-10869B19黑色1290980-11025B20黑色12390980-10845B21灰色1234567891011121390980-12326B22蓝色12 90980-11156B23黑色12390980-12353B24灰色12390980-12353B25黑色1290980-11162B26灰色1290980-11162B27灰色12 3490980-11930B28黑色12345690980-11858B29黑色123490980-11885B30灰色123490980-11885B31黑色123490980-11885B7灰色1290980-10576-261-B32灰色123490980-11885B33黑色12390980-10845B34黑色1290980-11156B35黑色1290980-11156B36黑色123490980-12495B381B39黑色6162636465919293949576777879801231241251261271091101111011021031331341356869707172737475838485868788899011511611711811912012112266818267112113114969798991001281291301311323132333435363738394041424344451041051061071081361371381391402627282930565758596090980-12A38C11D1黑色1290980-11875-262-E1白色1234567891090980-10997E2白色1234567891090980-10997E3白色1234567891090980-10997E4白色12345690980-10996E5白色12345690980-10996E6白色12345690980-10996E7白色1234590980-12366E8白色8765431290980-12551E9白色8765432190980-11615E10白色1290980-12063E11黑色12111213141516171819202122345242378691090980-12912E12黑色1290980-12063E13黑色134571214111082961390980-12370E14黄色123490980-12160E15黑色123456789101112131415161718192090980-12460E16白色1234567891090980-12359E17白色123456790980-12358E18白色1615141312111098765432190980-11665E19黄色11134567891314151617181921232425262728293020102212290980-12391E20黑色8765431290980-12551E21黑色1290980-11579E22黑色1234567890980-12558E23黑色123490980-11136E25白色1315161823261417242556789104321122019112228272190980-12330E26白色1290980-12498E27黑色2134590980-12954E28白色1234590980-12366-263-E30黑色12390980-11667E31黑色2190980-11918E32白色2115164185196207218229231024112513271428317122690980-12555E33白色2115164185196207218229231024112513271428317122690980-12555E34白色21131431541651761871982092110221123122490980-12554E35白色21131431541651761871982092110221123122490980-12554E36白色12378919202110111222232413141525262745616171828293090980-12909E37白色5671718198910202122111213232425141516262728123490980-12908E38白色1097862543190980-12135E39白色12345690980-12012E40白色2190980-11918E41灰色1290980-11148E42白色134571214111082961390980-12370E43白色3121237278289291030113112321333143418382040424173722219395256261535163690980-12557E44白色2134590980-12954E45黑色1234567891090980-12898E29黑色1627389101112131441551690980-12423-264-E46灰色1234567890980-12520E47白色35678101113141516181412917282824-52390E48白色5671718198910202122111213232425141516262728123482824-52380E49白色12378919202110111222232413141525262745616171828293082824-52370E50黑色1234591087690980-12368E51黑色123456790980-12092E52黑色1234567890980-12558E53灰色123490980-12876E54黑色123490980-11950E55黑色3121237278289291030113112321333143418382040424173722219395256261535163690980-12557E56黑色5432190980-11909E57灰色6758432190980-12550E58灰色1234567891090980-10993E59黑色1234567131211109890980-12767E60黑色6758432190980-12550E61黑色1098765432190980-12162E62黑色1234590980-12366E63黑色1137894125613201923222110141511621718242526272829303132333435363738394090980-12924E64黑色1290980-10825E65黑色1234591087690980-12368E66白色1290980-10962E67黑色1290980-10962-265-E68黑色1290980-10962E70灰色3567918201716144158191021221121312190980-12372E71灰色3567918201716144158191021221121312190980-12372E72灰色3567918201716144158191021221121312190980-12372E73黑色3567918201716144158191021221121312190980-12372E74灰色3567918201716144158191021221121312190980-12372E75黑色3567918201716144158191021221121312190980-12372E76黑色123490980-12876F1黑色2190980-11918F2黑色123490980-11107F3黑色123456790980-12092-266-G1白色1290980-10935G2白色213674590980-12059G3白色678910114123590980-12610G4白色1290980-11148G5白色1234590980-10789G6白色123490980-12304G7灰色12345690980-12790G8白色1234567891090980-12226G9黑色34561290980-10797G10白色2135490980-12189白色1290980-10935白色213674590980-12059白色678910114123590980-12610白色1290980-11148H1H2H3H4H6白色69581471541721181631113101290980-12122H7白色123490980-12304H8灰色12345690980-12790H5黑色34561290980-10797H9白色1234567891090980-12226H10白色1234567891090980-12328H11白色2135490980-12189J1白色1234590980-10789J2黑色34561290980-10797J3白色1234567891090980-12226K1白色1234590980-10789K2黑色34561290980-10797K3白色1234567891090980-12226-267-L1黑色1 90980-10871L2黑色190980-10871L3黑色13290980-10908L4黑色13290980-10908L5灰色1290980-10906L6黑色2190980-WA051L7黑色2190980-WA051L8黑色190980-10914L9灰色1290980-10906L10黑色2190980-12452L11黄色123490980-12699L12黄色2190980-12717L13黄色21 90980-12717L14黑色2190980-12575L18白色21436590980-12381L20白色12390980-12795L22白色1234590980-11077L23黑色12345690980-10957L24灰色1290980-11148L25黑色12L26白色413290980-10795L27白色413290980-10795L28灰色1290980-10825L29灰色12345690980-12790L21白色12390980-12795L15黄色43675111122159814131090980-12449L16白色1234590980-12366L17白色1234590980-12366L19黑色1 90980-10871L30黑色132 90980-10908L31灰色1290980-11162L32灰色1290980-11162L33黑色1290980-11156L34黑色1290980-11156L35白色1290980-10935-268-L36白色1290980-10935L37白色1290980-11148L38白色1290980-11148L39白色12390980-12695L40黑色2190980-12452L41黑色190980-10871L42黑色190980-10871L43白色12390980-12795L44黑色2190980-12452L45黄色123490980-12699L46黄色2190980-12717L47黄色2190980-12717L48黑色2190980-12575L51白色1234590980-12366L52蓝色1234590980-12366L53黑色2190980-12452L54黑色3567918201716144158191021221121312190980-12372L50白色413290980-10795L49黄色43675111122159814131090980-12450L55黑色3567918201716144158191021221121312190980-12372L56白色12345678910111290980-12773L57白色413290980-10795L58白色413290980-10795-269-P1黑色12345690980-12382P2黑色12345690980-12382P3黑色12345690980-12382P4黑色12345690980-12382P5黑色1290980-11246P6黑色1290980-11246P7黑色1290980-11246P8黑色1290980-11246Q1黑色190980-10913T1灰色123490980-12335T2蓝色1290980-12341T3白色643217891011121451390980-10807T4白色12345690980-10933T5白色12390980-11763T6白色1234567891011121390980-12346W1黑色123490980-12335W2灰色1290980-12341X1黑色56789432190980-12849X2灰色124390980-12A52X3灰色124390980-12A52-270-d1橙色2190980-12576g1灰色1290980-10860h1黑色1290980-12416j1黑色1290980-12416e1黑色2190980-12452f1黑色2190980-12452z2橙色2190980-12224z4白色123490980-12360z5白色8765431290980-12221z6黑色12118765123941090980-12559z7白色12345678990980-12899z8黑色2190980-12918z10白色12390980-12296z11白色123490980-12360z12白色1234590980-12366z9灰色2190980-10928z1白色6785234190980-12264O1白色1290980-10935O2白色1290980-10935O3白色27543112108691190980-12812O4黑色12118765123941090980-12559O5白色123490980-11950O6灰色1231B 白色190980-127961D 白色190980-127961E 白色182824-740101G 白色11H白色1-271-3A 白色31323334352530292827782423222120919181017161115125613555414535251504948464544434241403938373665432147263B 白色190980-127563C 白色109413211121314151617181920272829303132333435363738394041484950515253545556564221432244237845244625472690980-128903E 白色6541327891011121314151617181920212223242526272829303132333435363738394090980-1288490980-12A153D 白色87413291011121314151617182223242526272829303132333435364041424344454647485637193820392190980-12887-272-90980-1091590980-10916白色AE1121290980-1241190980-12412灰色AE224568151********1271691811076543151********1181711091890980-1274290980-12743白色AE381234567910111213141516171811123456789101213141516171890980-1274090980-12741黑色AE41234567891011141213151617181920234567891011121314151617181920190980-1237190980-12372蓝色AE5356791820171614415819102122112131218765418171916153149202131121021112290980-1273690980-12737白色AE612345678910111211123456789101290980-1237190980-12372灰色AE83567918201716144158191021221121312187654181********149202131121021112290980-1298890980-12989黄色AE721431234-273-90980-1274490980-12745白色BA212345678910111213141516171812345678910111213141516171890980-1091590980-10916白色BA3121290980-11155灰色BD1121290980-1277090980-12771白色BA11234567891011121314262524232221201918171615141312111098765432116171819202122232425261590980-1241190980-12412白色AL324568151714131131271691811076543151416131221181711091890980-1274290980-12743白色AL181234567910111213141516171811123456789101213141516171890980-1180990980-11799白色AL21234213490980-11156-274-90980-1236790980-12368白色EF1123459108765432198107690980-1273890980-12739白色EL110987654321181716151413121112345678910111213141516171890980-1274090980-12741黑色EL21234567891011141213151617181920234567891011121314151617181920190980-1237190980-12372灰色EL3356791820171614415819102122112131218765418171916153149202131121021112290980-1273690980-12737白色EL412345678910111211123456789101290980-1274090980-12741黑色EL51234567891011141213151617181920234567891011121314151617181920190980-1237190980-12372灰色EL6356791820171614415819102122112131218765418171916153149202131121021112290980-1269790980-12698黄色EL7121290980-1269790980-12698黄色EL81212-275-90980-1241990980-12366白色蓝色EX1123455432190980-1199290980-11886黄色Ed1211290980-1263890980-12A22白色GE14105367141513161720111818212919765431615171413110112021281819990980-12A2090980-12478白色GE212345678910111271234568910111290980-1254690980-12A21白色GE349536713141215168218117111076543151416131212891011171890980-1263890980-12A22白色HE14105367141513161720111818212919765431615171413110112021281819990980-12A2090980-12478白色HE2123456789101112712345689101112-276-90980-12A0090980-12A01白色JL131112151486713129104511121568131910234514790980-1254690980-12A21白色HE349536713141215168218117111076543151416131212891011171890980-12A0090980-12A01白色KL131112151486713129104511121568131910234514790980-1237390980-12374白色LT191234587617161514131211101234567891011121314151617-277-90980-1251990980-12520灰色PL1123456784321876590980-1106090980-10860白色gL1121290980-1106090980-12342白色hL1121290980-1106090980-12342白色jL1121290980-1277090980-12771白色OE112345678910111213142625242322212019181716151413121110987654321161718192021222324252615- 3 -90980-1273290980-12733白色WT11423123490980-1269790980-12698黄色Le1121290980-1269790980-12698黄色Lf11212-278-。