气缸选型对照表
- 格式:doc
- 大小:40.50 KB
- 文档页数:2
气缸的规格尺寸及行程
气缸的尺寸规格主要以气缸的缸筒内径和活塞行程分类;也有按活塞杆直径和杆端螺纹尺寸分类的方法。
下面介绍下气缸的规格尺寸及行程。
气缸的缸筒内径尺寸见表5.4,摘自GB2348—80(IS03320)液压气动系统及元件一缸径及活塞杆外径系列。
气缸可按缸径进行如下分类:
1) Φ2.5~Φ6mm的为微型气缸;
2) Φ8~Φ25mm的为小型气缸;
3) Φ32~Φ320mm的为中型气缸;
4) 大于Φ320mm的为大型气缸。
气缸活塞行程系列按照优先次序分成三个等级顺序选用,如表5.4所示。
国际标准IS06430、6431中推荐活塞公称行程允差见表5.5。
当行程>1250mm时,其公称行程允差由供需双方确定。
活塞杆外径尺寸系列如表5.6所示。
气缸活塞杆常用螺纹尺寸如表5.7所示。
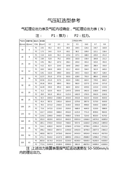
气压缸选型参考气缸理论出力表及气缸内径确定,气缸理论出力表(N)注: P1:推力; P2:拉力。
内的理论出力。
气缸内径的确定1.由负载性质及气缸运动速度选定负载率β值负载率:β=F/P×100%式中:F-气缸活塞杆上所受的实际负载(N)P-气缸理论出力(N).理论输出力P(N)推力P1=π/4×D2×p式中D-气缸内径(cm) p-气缸工作压力(MPa)拉力P2=π/4×(D2-d2)×p式中d-气缸活塞直径(cm)负载性质:阻性负载:β=80%惯性负载:一般场合β=50% V<0.2m/s β=65% 高速运动β=30%2.由实际负载F及负载率β值,即将求出所需的气缸理论输出力P(P1或P2) P=F/β3.由气缸的工作压力P及所需的理论输出力P(P1或P2)即可计算气缸缸径D,再按缸径系列尺寸圆整。
气缸安装使用须知气缸现场使用条件下千变万化,但下述基本点仍须注意:1.气缸安装使用前,应先检查气缸在运输过程中是否损坏,连接部件是否松动,然后再安装使用。
2.安装时,气缸的活塞杆不得承受偏心载荷可横向载荷,应使载荷方向与活塞杆轴线相一致。
3.无论采用何种安装型式,都必须保证缸体不产生变形,气缸的安装底座有足够的刚度,不允许负载和活塞杆的连接用电焊焊接。
4.气缸水平安臵时,特别是长行程气缸,用水平仪在进行三点位臵(活塞杆全部伸出、中间及全部退回)检验。
5.速度调整:首先将速度控制阀(单向节流阀)的开度放在调整范围内的中间位臵,随后逐渐调节减压阀的输出压力,当气缸接近预定速度时,即可确定工作压力,然后用速度控制阀进行微调,最后调节气缸的缓冲,调节缓冲针阀使活塞的惯性得到吸收,其最终速度又不致撞击缸盖为宜。
6.气缸安装完毕后,在工作压力范围内,无负载情况下运行2-3次,检查气缸是否正常工作。
7.若采用带可调缓冲气缸,在开始工作前,应将缓冲调节阀调至阻尼最小位臵,气缸正常工作后,再逐渐调节缓冲针阀,增大缓冲阻尼,直到满意为止。
「赢在总结」气缸选型计算知识“气缸分类篇”一、气动系统的构成在讲气缸和讲气缸选型前,先给大家普及一下“气动系统的构成”;如下图:图1 气动系统的构成示图通过上图,我们可以了解到,气缸是整个气动系统的最后的执行机构;二、工程师对气缸选型的现状现在很多机械工程师,在气缸选型的时候,都是靠感觉、靠参考原设计,靠气缸供应商或代理上来协助选型,或者先试用,不行再改,自己好像完全不懂得怎么来选型。
完全没有步骤和章法!!也在网上搜了一遍,发现是没有一篇文章或一系列文章能把气缸的选型能讲透彻的!为此,智造舍计划,分几个篇章,来介绍气缸,并就如何一步步的进行气缸的选型计算作一个详尽的介绍说明;三、气缸的分类在选型前,我们需要知道气缸是什么?它的分类有哪些?1、什么是气缸:气缸指的是引导活塞在缸内进行直线往复运动的圆筒形金属机件,气缸是由缸筒、端盖、活塞、活塞杆、缓冲柱塞、缓冲节流阀构成。
图2 各类气缸的动图2、气缸的原理:气缸的原理,是通过活塞增加气压,然后气压传动将压缩空气的压力转换为机械能,驱动机构直线往复运动,或摆动和旋转运动。
具体过程是无杆腔输入压缩空气,有杆腔排气,气缸两腔的压力差,作用在活塞上所形成的力,推动活塞运动,使活塞杆伸出;当有杆腔进气,无杆腔排气时,使活塞杆缩回,若有杆腔和无杆腔交替进气和排气,活塞就能做往复直线运动。
3、气缸分类:气缸的分类有比较多的方式。
按驱动方式分(单作用、双作用)按活塞杆分(单出杆、双出杆)按缓冲方式分(无缓冲、垫缓冲、带液压、气缓冲、缓幡器)按润滑方式(给油气缸、不给油气缸)按形状分(方形、圆形、长方形等)按标准分(美标气缸、欧标气缸等)按缸径尺寸分(2.5,4,6,8,10......)按运动方式分:气缸主要有作往复直线运动的、作往复摆动或旋转运动的两类。
(1)往复直线运动的气缸:图3 直线气缸示图(2)往复摆动和旋转的气缸:图4 摆动气缸示图4、往复直线运动气缸的结构:如下图图5 双动气缸结构示意图图6 双动气缸实物解剖图四、气缸的类型气缸的类型有很多,很多可能是我们平时的工作中很少碰到或用到的。
气缸型号规格表
气缸型号直径行程进气口尺寸出气口尺寸
CYL001 50mm 100mm 1/4英寸1/4英寸
CYL002 63mm 125mm 3/8英寸3/8英寸
CYL003 80mm 150mm 1/2英寸1/2英寸
CYL004 100mm 200mm 3/4英寸3/4英寸
CYL005 125mm 250mm 1英寸1英寸
气缸特点:
•高品质材料:选用优质材料制造,保证气缸的稳定性和耐用性。
•精准规格:直径和行程按精确尺寸制造,适用于不同工程需求。
•标准接口:进气口尺寸和出气口尺寸符合国际标准,方便安装和连接。
使用场景:
1.机械制造:适用于各类机械设备的气动传动系统。
2.工业自动化:可应用于流水线自动化装配和搬运设备。
3.汽车制造:用于汽车生产线上的气动控制系统。
注意事项:
•安装前请检查气缸型号和规格是否匹配所需工作条件。
•使用过程中如有异常情况,请及时停止使用并检查维修。
结语
以上为气缸型号规格表及相关说明,希望能为您的工程和设备提供有效的气动控制解决方案。
如有任何疑问或需进一步咨询,请随时与我们联系。
气缸缸径选型计算表0.5Mpa =0.5N/mm~2=0.05102KGf/mm~2气缸的实际负载是由实际工况所决定的,若确定了气缸负载率q,则由定义就能确定气缸的理论输出力,从而可以计算气缸的缸径。
对于阻性负载,如气缸用作气动夹具,负载不产生惯性力,一般选取负载率β为0.8;对于惯性负载,如气缸用来推送工件,负载将产生惯性力,负载率β的取值如下β<0.65 当气缸低速运动,v <100 mm/s 时;β<0.5 当气缸中速运动,v =100~500 mm/s 时;β<0.35 当气缸高速运动,v >500 mm/s 时。
线性导轨摩擦系数μ=0.004气缸耗气量计算气缸活塞的面积A=πD^2/4 (mm^2)1L=0.001 M^3气缸动作耗气量Q F =6V MAX A10^-5压缩状态下的流量Q F (L/Min)气缸的运动速度V MAX (mm/s)气缸的活塞面积A(mm^2)标准状态下的流量Q=Q F (P+P 0)/P 0 (L/Min)使用气压P(Mpa)标准大气压P 0(Mpa)0.1013气缸缸径D(mm)气缸的最大耗气量Q MAX =6(P+P 0)V MAX *10^5/P 0 L/Min 气缸平均耗气量Qca约=0.0000157(D^2L+d^2I d )N(P+1.013) L/Min 气缸行程L(mm)电磁阀与气缸间的配管内径D(mm)电磁阀与气缸间的配管长度I d (mm)气缸的工作频率(周/Min)(往复为1周)空压机输出流量Q C =K 1K 2K 3Q m^3/min 气动系统的最大耗气量Q m^3/min 漏损系数K 1=1.15-1.5(考虑元件漏气)备用系数K 2=1.3-1.6(考虑可能加设备)利用系数K3=0.5-1(考虑多台不同时用)冷冻式干燥机的额定处理流量Q C =K 1K 2K 3Q m^3/min 进气修正系数K 1温度修正系数K 2环境温度修正系数K 3停机保压要求计算:气罐的容量V>=P 0*Q*T/(P1-P2) M^3突然停气势气罐内的初始绝对压力P1 (Mpa)气动系统的允许工作最低绝对压力P2 (Mpa) 停电后气罐维持供气时间T (min)气缸的计算%100?tF F气缸的理论输出力气缸的实际负载=β系统压力波动要求的计算:气罐的容量V>=(V0-Q V t)P0/(P1-P2) M^3气动系统在工作时间t内消耗的自由空气体积V0 M^3空压机或外部管网供给的自由空气流量 m^3/min气动设备和装置的工作周期t min管径D^2=4Q/Vπ*10^6 MM压缩空气的体积流量Q(m^3/S)压缩空气在管道中的流动速度V m/s一般主管路限制在8-10m/s,支管限制在10-15m/s1963.495375。
气缸的选型
根据气缸推力拉力的大小要求,选定气缸使用压力参数以及缸径尺寸
气缸推力计算公式:气缸推力F1=0.25πD2P
气缸拉力计算公式F2=0.25π(D2-d2)P
公式式中:D-气缸活塞直径(cm)
d-气缸活塞杆直径(cm)
P-气缸的工作压力(kgf/cm2)
F1,F2-气缸的理论推拉力(kgf)
•上述出力计算适用于气缸速度50~500mm/s的范围内
•气缸以上下垂直形式安装使用,向上的推力约为理论计算推力的50%
•气缸横向水平使用时,考虑惯性因素,实际出力与理论出力基本相等
为了避免用户选用时的有关计算,下附双作用气缸输出力换算表,用户可根据负载、工作压力、动作方向从表格中选择合适的缸径尺寸
双作用气缸输出力表单位Kgf
•选定气缸的行程:确定工作的移动距离,考虑工况可选择满行程或预留行程。
当行程超过推荐的最长行程时,要考虑活塞杆的刚度,可以选择支撑导向或选择特殊气缸。
•选定气缸缓冲方式:根据需要选择缓冲形式,无缓冲气缸,固定缓冲气缸,可调缓冲气缸
•选择润滑方式:有给油润滑气缸,无给油润滑气缸
•选择气缸系列:根据以上条件,按需选择适当系列的气缸
•选择气缸的安装形式:根据不同的用途和安装需要,选用适当的安装形式
气缸附件的选择:前(后)法兰,脚架,单(双)悬耳,中间铰轴式,铰轴支座式。
CKD气缸型号内容PDFCAD一览产品种类缸径CAC3规格·型号双作用·单活塞杆型40φ,50φ,63φ,80φCAC3内部结构双作用·单活塞杆型40φ,50φ,63φ,80φCAC3外形尺寸图CAC3双作用·单活塞杆型40φ,50φ,63φ,80φ型号内容DXF预览CAC3-A-40基本型耳环宽度16内径φ40选择项(基本型)双耳环连接件(SS41)单耳环连接件(SS41)防尘套限位开关安装架带卡爪(无)CAC3-B-40基本型T型开关耳环宽度19.5内径φ40选择项(基本型)双耳环连接件(SS41)单耳环连接件(SS41)防尘套限位开关安装架带卡爪(无)CAC3-AL-40基本型双耳环连接件已安装耳环宽度16(轴向脚座型)内径φ40 选择项(基本型)双耳环连接件(SS41)单耳环连接件(SS41)防尘套限位开关安装架带卡爪(无)CAC3-BL-40基本型双耳环连接件已安装耳环宽度19.5(轴向脚座型)内径φ40 选择项(基本型)双耳环连接件(SS41)单耳环连接件(SS41)防尘套限位开关安装架带卡爪(无)CAC3-A-50基本型双耳环连接件已安装耳环宽度16内径φ50选择项(基本型)双耳环连接件(SS41)单耳环连接件(SS41)防尘套限位开关安装架带卡爪(无)CAC3-B-50基本型双耳环连接件已安装耳环宽度19.5内径φ50选择项(基本型)双耳环连接件(SS41)单耳环连接件(SS41)防尘套限位开关安装架带卡爪(无)CAC3-AL-50基本型双耳环连接件已安装耳环宽度16(轴向脚座型)内径φ50 选择项(基本型)双耳环连接件(SS41)单耳环连接件(SS41)防尘套限位开关安装架带卡爪(无)CAC3-BL-50基本型双耳环连接件已安装耳环宽度19.5(轴向脚座型)内径φ50 选择项(基本型)双耳环连接件(SS41)单耳环连接件(SS41)防尘套限位开关安装架带卡爪(无)CAC3-A-63基本型双耳环连接件已安装耳环宽度16内径φ63选择项(基本型)双耳环连接件(SS41)单耳环连接件(SS41)防尘套限位开关安装架带卡爪(无)CAC3-B-63基本型双耳环连接件已安装耳环宽度19.5内径φ63选择项(基本型)双耳环连接件(SS41)单耳环连接件(SS41)防尘套限位开关安装架带卡爪(无)CAC3-AL-63基本型双耳环连接件已安装耳环宽度16(轴向脚座型)内径φ63 选择项(基本型)双耳环连接件(SS41)单耳环连接件(SS41)防尘套限位开关安装架带卡爪(无)CAC3-BL-63基本型双耳环连接件已安装耳环宽度19.5(轴向脚座型)内径φ63 选择项(基本型)双耳环连接件(SS41)单耳环连接件(SS41)防尘套限位开关安装架带卡爪(无)CAFL-B-50固定法兰型左侧固定法兰(9.5)内径φ50选择项(固定法兰型)双耳环连接件(SS41)单耳环连接件(SS41)CAFL-A-50固定法兰型T型开关左侧固定法兰(8.0)内径φ50选择项(固定法兰型)双耳环连接件(SS41)单耳环连接件(SS41)CAFR-B-50固定法兰型双耳环连接件已安装右侧固定法兰(9.5)内径φ50选择项(固定法兰型)双耳环连接件(SS41)单耳环连接件(SS41)CAFR-A-50固定法兰型双耳环连接件已安装右侧固定法兰(8.0)内径φ50选择项(固定法兰型)双耳环连接件(SS41)单耳环连接件(SS41)CAFL-B-63固定法兰型双耳环连接件已安装左侧固定法兰(9.5)内径φ63选择项(固定法兰型)双耳环连接件(SS41)单耳环连接件(SS41)CAFL-A-63固定法兰型双耳环连接件已安装左侧固定法兰(8.0)内径φ63选择项(固定法兰型)双耳环连接件(SS41)单耳环连接件(SS41)CAFR-B-63固定法兰型双耳环连接件已安装右侧固定法兰(9.5)内径φ63选择项(固定法兰型)双耳环连接件(SS41)单耳环连接件(SS41)CAFR-A-63固定法兰型双耳环连接件已安装右侧固定法兰(8.0)内径φ63选择项(固定法兰型)双耳环连接件(SS41)单耳环连接件(SS41)CAC3-40-50-Q带肘节部件T型开关已安装肘节部件行程50内径φ40选择项(带肘节部件)双耳环连接件(SS41)防尘套限位开关安装架带卡爪(无) CAC3-40-75-Q带肘节部件T型开关已安装肘节部件行程75内径φ40选择项(带肘节部件)双耳环连接件(SS41)防尘套限位开关安装架带卡爪(无) CAC3-40-100-Q带肘节部件T型开关已安装肘节部件行程100内径φ40选择项(带肘节部件)双耳环连接件(SS41)防尘套限位开关安装架带卡爪(无) CAC3-40-125-Q带肘节部件T型开关已安装肘节部件行程125内径φ40选择项(带肘节部件)双耳环连接件(SS41)防尘套限位开关安装架带卡爪(无) CAC3-40-150-Q带肘节部件T型开关已安装肘节部件行程150内径φ40选择项(带肘节部件)双耳环连接件(SS41)防尘套限位开关安装架带卡爪(无) CAC3-50-50-Q带肘节部件T型开关已安装肘节部件行程50内径φ50选择项(带肘节部件)双耳环连接件(SS41)防尘套限位开关安装架带卡爪(无) CAC3-50-75-Q带肘节部件T型开关已安装肘节部件行程75内径φ50选择项(带肘节部件)双耳环连接件(SS41)防尘套限位开关安装架带卡爪(无) CAC3-50-100-Q带肘节部件T型开关已安装肘节部件行程100内径φ50选择项(带肘节部件)双耳环连接件(SS41)防尘套限位开关安装架带卡爪(无) CAC3-50-125-Q带肘节部件T型开关已安装肘节部件行程125内径φ50选择项(带肘节部件)双耳环连接件(SS41)防尘套限位开关安装架带卡爪(无) CAC3-50-150-Q带肘节部件T型开关已安装肘节部件行程150内径φ50选择项(带肘节部件)双耳环连接件(SS41)防尘套限位开关安装架带卡爪(无) CAC3-63-50-Q带肘节部件T型开关已安装肘节部件行程50内径φ63选择项(带肘节部件)双耳环连接件(SS41)防尘套限位开关安装架带卡爪(无) CAC3-63-75-Q带肘节部件T型开关已安装肘节部件行程75内径φ63选择项(带肘节部件)双耳环连接件(SS41)防尘套限位开关安装架带卡爪(无) CAC3-63-100-Q带肘节部件T型开关已安装肘节部件行程100内径φ63选择项(带肘节部件)双耳环连接件(SS41)防尘套限位开关安装架带卡爪(无) CAC3-63-125-Q带肘节部件T型开关已安装肘节部件行程125内径φ63选择项(带肘节部件)双耳环连接件(SS41)防尘套限位开关安装架带卡爪(无) CAC3-63-150-Q带肘节部件T型开关已安装肘节部件行程150内径φ63选择项(带肘节部件)双耳环连接件(SS41)防尘套限位开关安装架带卡爪(无)CAC3-80带T型开关内径φ80双耳环连接件CAC3-80-H带H型开关内径φ80双耳环连接件CAC3-80-Y1带T型开关带双耳环连接件内径φ80双耳环连接件CAC3-80-H-Y1带H型开关带双耳环连接件内径φ80双耳环连接件CAC3-80-F双耳环连接件内径φ80用CAC3-STD-F选择项(基本型)双耳环连接件(SS41)单耳环连接件(SS41)防尘套限位开关安装架带卡爪(无)CAC3-F选择项(固定法兰型)双耳环连接件(SS41)单耳环连接件(SS41)CAC3-Q-F选择项(带肘节部件)双耳环连接件(SS41)防尘套限位开关安装架带卡爪(无)。
0.5Mpa =0.5N/mm~2=0.05102KGf/mm~2供气压力P(Mpa)气缸的实际负载是由实际工况所决定的, 气缸缸径D (mm)若确定了气缸负载率q ,则由定义就能确定气缸的理论输出活塞杆直径d (mm )力,从而可以计算气缸的缸径。
负载率β对于阻性负载,如气缸用作气动夹具,负载不产生惯性力,重力加速度g一般选取负载率β为0.8;理论推力Ft1(N )=P*π*D^2/4对于惯性负载,如气缸用来推送工件,负载将产生惯性力, 理论拉力Ft2(N )=P*π*(D^2-d^2)/4负载率β的取值如下推力F1(N )=β*P*π*D^2/4β<0.65 当气缸低速运动,v <100 mm/s 时;拉力F2(N )=β*P*π*(D^2-d^2)/4β<0.5 当气缸中速运动,v =100~500 mm/s 时;气缸的推力(Kgf )=F1/9.8β<0.35 当气缸高速运动,v >500 mm/s 时。
气缸的拉力(Kgf )=F2/9.8线性导轨摩擦系数μ气缸能推动的滑块上物体质量(kg)=F1/μg 线性导轨摩擦系数μ=0.004气缸能拉动的滑块上物体质量(kg)=F2/μg 气缸耗气量计算气缸活塞的面积A=πD^2/4 (mm^2)1L=0.001 M^3气缸动作耗气量QF =6V MAX A10^-5压缩状态下的流量QF (L/Min)气缸的运动速度VMAX (mm/s)气缸的活塞面积A(mm^2)标准状态下的流量Q=QF (P+P 0)/P 0(L/Min)使用气压P(Mpa)标准大气压P0(Mpa)0.1013气缸缸径D(mm)气缸的最大耗气量QMAX =6(P+P 0)V MAX *10^5/P 0L/Min气缸平均耗气量Qca 约=0.0000157(D^2L+d^2I d )N(P+1.013) L/Min气缸行程L(mm)电磁阀与气缸间的配管内径D(mm )电磁阀与气缸间的配管长度Id (mm )气缸的工作频率(周/Min )(往复为1周)空压机输出流量QC =K 1K 2K 3Q m^3/min 气动系统的最大耗气量Q m^3/min 漏损系数K1=1.15-1.5(考虑元件漏气)备用系数K2=1.3-1.6(考虑可能加设备)利用系数K3=0.5-1(考虑多台不同时用)冷冻式干燥机的额定处理流量QC =K 1K 2K 3Q m^3/min 进气修正系数K1温度修正系数K2环境温度修正系数K3停机保压要求计算:气罐的容量V>=P0*Q*T/(P1-P2) M^3突然停气势气罐内的初始绝对压力P1 (Mpa)气动系统的允许工作最低绝对压力P2 (Mpa)停电后气罐维持供气时间T (min )气缸的计算%100tF F 气缸的理论输出力气缸的实际负载=系统压力波动要求的计算:气罐的容量V>=(V0-Q V t)P0/(P1-P2) M^3气动系统在工作时间t内消耗的自由空气体积V0 M^3空压机或外部管网供给的自由空气流量 m^3/min气动设备和装置的工作周期t min管径D^2=4Q/Vπ*10^6 MM压缩空气的体积流量Q(m^3/S)压缩空气在管道中的流动速度V m/s一般主管路限制在8-10m/s,支管限制在10-15m/s0.550200.59.81981.75824.67490.87412.3350.0442.030.00412510105081963.495375。
气缸选型与计算气缸的选型最全资料气缸的理论输出力普通双作用气缸的理论推力(N )为:p D F 204π=式中, D 一缸径(mm),p 一气缸的工作压力(MPa)。
理论拉力(N)为:p d D F )(4221-=π式中,d 一活塞杆直径(mm )时,估算时可令d=0.3D 。
气缸的负载率气缸的负载率:是指气缸的实际负载力F 与理论输出力F0之比。
负载力是选择气缸的重要因素。
负载情况不同,作用在活塞轴上的实际负载力也不同。
气缸的实际负载是由工况所决定的,若确定了负载率η也就能确定气缸的理论普通气缸的计算举例用气缸水平推动台车,负载质量M=150kg ,台车与床面间摩擦系数0.3,气缸行程L=300mm ,要求气缸的动作时间t=0.8s ,工作压力P=0.5Mpa 。
试选定缸径。
气缸理论输出力表其中P1——气缸推力,P2——气缸拉力其它方面的选择1、类型的选择根据工作要求和条件,正确选择气缸的类型。
要求气缸到达行程终端无冲击现象和撞击噪声应选择缓冲气缸;要求重量轻,应选轻型缸;要求安装空间窄且行程短,可选薄型缸;有横向负载,可选带导杆气缸;要求制动精度高,应选锁紧气缸;不允许活塞杆旋转,可选具有杆不回转功能气缸;高温环境下需选用耐热缸;在有腐蚀环境下,需选用耐腐蚀气缸。
在有灰尘等恶劣环境下,需要活塞杆伸出端安装防尘罩。
要求无污染时需要选用无给油或无油润滑气缸等。
2、安装形式根据安装位置、使用目的等因素决定。
在一般情况下,采用固定式气缸。
在需要随工作机构连续回转时(如车床、磨床等),应选用回转气缸。
在要求活塞杆除直线运动外,还需作圆弧摆动时,则选用轴销式气缸。
有特殊要求时,应选择相应的特殊气缸。
3、作用力的大小即缸径的选择。
根据负载力的大小来确定气缸输出的推力和拉力。
一般均按外载荷理论平衡条件所需气缸作用力,根据不同速度选择不同的负载率,使气缸输出力稍有余量。
缸径过小,输出力不够,但缸径过大,使设备笨重,成本提高,又增加耗气量,浪费能源。
气缸的选型
根据气缸推力拉力的大小要求,选定气缸使用压力参数以及缸径尺寸
气缸推力计算公式:气缸推力F1=0.25πD2P
气缸拉力计算公式F2=0.25π(D2-d2)P
公式式中:D-气缸活塞直径(cm)
d-气缸活塞杆直径(cm)
P-气缸的工作压力(kgf/cm2)
F1,F2-气缸的理论推拉力(kgf)
•上述出力计算适用于气缸速度50~500mm/s的范围内
•气缸以上下垂直形式安装使用,向上的推力约为理论计算推力的50%
•气缸横向水平使用时,考虑惯性因素,实际出力与理论出力基本相等
为了避免用户选用时的有关计算,下附双作用气缸输出力换算表,用户可根据负载、工作压力、动作方向从表格中选择合适的缸径尺寸
双作用气缸输出力表单位Kgf
•选定气缸的行程:确定工作的移动距离,考虑工况可选择满行程或预留行程。
当行程超过推荐的最长行程时,要考虑活塞杆的刚度,可以选择支撑导向或选择特殊气缸。
•选定气缸缓冲方式:根据需要选择缓冲形式,无缓冲气缸,固定缓冲气缸,可调缓冲气缸
•选择润滑方式:有给油润滑气缸,无给油润滑气缸
•选择气缸系列:根据以上条件,按需选择适当系列的气缸
•选择气缸的安装形式:根据不同的用途和安装需要,选用适当的安装形式
气缸附件的选择:前(后)法兰,脚架,单(双)悬耳,中间铰轴式,铰轴支座式
如有侵权请联系告知删除,感谢你们的配合!。
已知条件:布局方式、负载重量、工表1 亚德客普通滑台气缸步骤参数取值备注活塞数量布局方式水平水平/竖直负载重量m(kg)0.15竖直时≤1,水平时≤0.5运行距离L(mm)30运行时间t(s)0.5工作气压力P(MPa)0.5应≤减压阀进口压力*85%负载率(安全系数)η0.5常取0.8,0.65,0.5,0.35摩擦系数μ0.1可取0.01~0.11,最小缸径计算负载需最小力F0(N)0.15未考虑η气缸理论出力F(N)0.29已考虑η单轴气缸最小缸径D 0.94推杆直径≈0.4D STW双轴气缸最小缸径D 0.76推杆直径≈0.6D 负载力W(N) 1.47W=mg 负载平均速度V(mm/s)60.00负载偏心距I(mm)40.00负载重心离轴高度L(mm)50.0表2 HLH允许负载及选型气缸类型选取HLH精密单轴气缸缸径选取20气缸行程选取60型号表3 STW允许负载及选型图普通滑台气缸选型向导(以亚德客为例)已知条件单轴2,动能与负载计 算及气缸选型结合运行距离、最小缸径、要求动能和要求负载查表1、表2、表3HLH 20x60双轴说明:1,HLF超薄单轴滑台气缸的允许负载力官方尚无数据,可参考HLH2,HLF和HLH缓冲形式为固定缓冲(螺丝调节),STW为液压缓冲(油压缓冲)类型内径(杆径)6(3)10(4)16(6)20(8)8(3)12(4)16(6)20(8)10(6)16(10)20(12)25(16)32(20)标准行程HLH精密侧滑轨5 10 15 20 25 305 10 15 20 25 30 40 505 10 15 20 25 30 40 50 60HLF超薄精密10 20 3020 30 5030 50 7530 50 75 100STW双向双轴25 50 75 10025 50 75 100 125 150 175 200。
气缸的选型
根据气缸推力拉力的大小要求,选定气缸使用压力参数以及缸径尺寸
气缸推力计算公式:气缸推力F1=πD2P
气缸拉力计算公式F2=π(D2-d2)P
公式式中:D-气缸活塞直径(cm)
d-气缸活塞杆直径(cm)
P-气缸的工作压力(kgf/cm2)
F1,F2-气缸的理论推拉力(kgf)
上述出力计算适用于气缸速度50~500mm/s的范围内
气缸以上下垂直形式安装使用,向上的推力约为理论计算推力的50%
气缸横向水平使用时,考虑惯性因素,实际出力与理论出力基本相等
为了避免用户选用时的有关计算,下附双作用气缸输出力换算表,用户可根据负载、工作压力、动作方向从表格中选择合适的缸径尺寸
双作用气缸输出力表单位Kgf
缸径mm 气缸的理论输出力(推力)单位:KG/公斤
使用空气压力MPa
10 16 20 25 32 40
50117137157 63125156187218250 80100151201251300352402 100157236314393471550628 125245368491615736859982 1604026038041005120614071608 18050876310181272152717812036 20062894212571571188521992514 250981147319632454294534363926 3201608241232164021482556296432 40025313796502662837539879610052
选定气缸的行程:确定工作的移动距离,考虑工况可选择满行程或预留行程。
当行程超过推荐的最长行程时,要考虑活塞杆的刚度,可以选择支撑导向或选择特殊气缸。
选定气缸缓冲方式:根据需要选择缓冲形式,无缓冲气缸,固定缓冲气缸,可调缓冲气缸
选择润滑方式:有给油润滑气缸,无给油润滑气缸
选择气缸系列:根据以上条件,按需选择适当系列的气缸
选择气缸的安装形式:根据不同的用途和安装需要,选用适当的安装形式
气缸附件的选择:前(后)法兰,脚架,单(双)悬耳,中间铰轴式,铰轴支座式。