北航机械设计基础期中考试题
- 格式:doc
- 大小:110.00 KB
- 文档页数:4
专业班级姓名学籍号装订一、填空题(24分)1、四杆机构中若对杆两两平行且相等,则构成()机构。
2、螺旋传动是利用()来传递()和()的一种机械传动。
3、螺纹按照用途的不同,一般分为( )和( )两大类。
4、键的长度主要依据()来选择。
5、下图示为铰链四杆机构,设杆a最短,杆b最长。
试用符号和式子表明它构成曲柄摇杆机条构的件:(1)()。
(2)以()为机架,则()为曲柄。
设该机构已构成曲柄摇杆机构。
当摇杆CD为主动件,机构处于BC与从动曲柄AB共线的两个极限位置,称为机构的两个()位置。
6、螺纹连接防松的实质是( )。
二、单选选择题(20分)1. 用于连接的螺纹牙型为三角形,这是因为三角形螺纹( )。
A. 牙根强度高,自锁性能好B. 传动效率高C. 防振性能好D. 自锁性能差2、适用于被联接件之一较厚,且经常拆装场合的螺旋联接是()A、螺栓联接B、双头螺柱连接C、螺钉联接D、紧钉螺钉联接3、属于摩擦防松的是()A、对顶螺母防松B、焊接防松C、串连金属丝防松4、制造普通平键用()。
A、45钢B、15钢C、65钢5、下列机构中适当选择主动件时,()必具有急回运动特性。
A、曲柄摇杆机构B、双摇杆机构C、不等长双曲柄机构6、内燃机中的曲柄滑块机构工作时是以()为主动件。
A、曲柄B、连杆C、滑块7、普通螺纹的牙型是()。
A、三角形B、梯形C、锯齿形D、矩形8、常用的螺旋传动中,传动效率最高的螺纹是()。
A、三角形螺纹B、矩形螺纹C、梯形螺纹D、锯齿形螺纹9、机械钟表、仪表属于()A、机器B、机构C、构件D、零件10、某螺旋传动,螺距P=4mm,当螺杆原地转4周时,螺母移动距离为48 mm,该螺纹的线数为()A、2B、3C、4D、6三、判断题(20分)()1、机构是由两个以上构件组成的。
()2、运动副的主要特征是两个构件以点、线、面的形式相接触。
()3、在平面连杆机构的“死点”位置,从动件运动方向不能确定。
()4、键连接和销连接都属于可拆连接。
机械设计基础期中考试题目题1已知图示六杆机构,原动件AB作等速回转。
试用作图法确:(1)滑块5的冲程 H;(2)滑块5往返行程的平均速度是否相同?行程速度变化系数K值;(3)滑块处机构的最小传动角γmin答案(1)H=μl· F1F2=34mm(2)不相等, K=(180°+42°)/(180°-42°)=1.61GAGGAGAGGAFFFFAFAF(3)γmin=69°题2图示偏心圆盘凸轮机构中,已知圆盘凸轮以ω=2rad/s 转动,转向为顺时针方向,圆盘半径GAGGAGAGGAFFFFAFAFR=50mm;当凸轮由图示位置转过90°时,从动件的速度为ν=50mm/s。
试求:(1)凸轮的偏心距e;(2)凸轮转过90°时,凸轮机构的压力角αk ;(3)凸轮转过90°时,从动件的位移hk;(4)从动件的行程h。
答案(1)凸轮偏心距。
利用速度瞬心,几何中心O即为速度瞬心p,可得ν=eω,求得e=25mm。
(2)凸轮转过90°时,从动件在K点接触,其压力角为αk。
e/sinαk =R/sinθ;当θ=90°时,αk达到最大值。
GAGGAGAGGAFFFFAFAFαk=arcsin(e/R)=30°(3)凸轮转过90°时,从动件的位移为h K。
(4)从动件在F点接触时为最大位移,即行程为h,此时αF=0。
GAGGAGAGGAFFFFAFAF题 3 凸轮为偏心轮如图,已知参数R=30mm,loA=10mm,e=15mm,rT=5mm,E,F为凸轮与滚子的两个接触点。
求(1)画出凸轮轮廓线(理论轮廓线),求基园r0;(2)E点接触时从动件的压力角αE; (3) 从E到F接触凸轮所转过的角度φ;(4)由E点接触到F点接触从动件的位移S;(5)找出最大αmax的位置。
GAGGAGAGGAFFFFAFAFGAGGAGAGGAFFFFAFAF答案题4图示锥齿轮组成的差速器。
《机械设计基础》期中考试试卷《机械设计基础》期中试卷姓名:班级:一、选择题(每题1分,共5分)1、下列四种螺纹中,自锁性能最好的是()。
A、粗牙普通螺纹B、细牙普通螺纹C、梯形螺纹D、锯齿形螺纹2、为联接承受横向工作载荷的两块薄钢板,一般采用的螺纹联接类型应是()。
A、螺栓联接B、双头螺柱联接C、螺钉联接D、紧定螺钉联接3、当螺纹公称直径、牙型角、螺纹线数相同时,细牙螺纹的自锁性能比粗牙螺纹的()。
A、差B、好C、相同D、不一定4、在螺栓连接中,有时在一个螺栓上采用双螺母,其目的是()。
A、提高强度B、提高刚度C、防松D、减小每圈螺纹牙上的受力5、螺纹的危险截面应在()。
A、大径B、中径C、小径D、直径二、填空题(每空1分,共12分)1、物体的平衡是指物体相对于地面或作________运动的状态。
2、平面汇交力系平衡的必要与充分条件是。
该力系中各力构成的力多边形。
3、指在力的作用下,大小和形状都不发生改变的物体。
4、力的三要素:大小、、。
5、由引起的对物体的作用力称为约束反力6、机械中的零件可以分为两类,一类为零件,一类成为零件。
7、在振动、冲击或交变载荷作用下的螺纹连接,应采用装置。
8、螺旋传动常将主动件的匀速旋转转换为从动件平稳、匀速的运动。
三、判断题(每题1分,共8分)1、普通螺纹的公称直径是指螺纹大径的基本尺寸。
( )2、运动副是联接,联接也是运动副。
( )3、三角形螺纹具有较好的自锁性能。
螺纹之间的摩擦力及支承面之间的摩擦力都能阻止螺母的松脱。
所以就是在振动及交变载荷作用下,也不需要防松。
( )4、机器是由机构组合而成的,机构的组合一定就是机器。
( )5、大小相等、方向相反,而作用线不在一条直线上的两个平行力,称为力偶。
( )6、公差带代号中,螺纹只标注中径公差带代号,内螺纹用大写字母,外螺纹用小写字母。
( )7、差动螺旋传动:螺杆上两螺纹(固定螺母与活动螺母)旋向相反。
( )8、当轴力指向离开截面时,杆件受拉,规定轴力为正,轴力为拉力。
西华大学课程考试(考查)参考答案(B 卷)第1页 共2页课程名称: 机械设计基础 考试时间: 100 分钟 课程代码: 6003279 试卷总分: 100 分 一、判断题参考答案及评分标准:(本大题共6小题,每小题2分,总计12分) 评分标准:判对一项得2分,不判或判错得0分 参考答案: 1﹑√ 2﹑√ 3﹑× 4﹑× 5﹑√ 6﹑× 二、选择题参考答案及评分标准:(本大题共14小题,每小题2分,总计28分) 评分标准:选对一项得2分,不选或选错得0分,…… 参考答案: 1﹑B 2﹑C 3﹑C 、D 4﹑C 5﹑B 6﹑B 7﹑C 8﹑B 9﹑C 10、D 11、D 12、A 13、B 14、A 三、答题要点及评分标准:(8分) 参考答案: 解:F =3n -2P L -P H =3*5-2*7-0=1 此题中存在复合铰链,由构件2、3、4、5、6组成4个低副 具有确定运动 四、答题要点及评分标准:(8分) 参考答案: 解:(1)因为AB BC AD CD l l l l +<+,且又以最短杆AB 的邻边为机架,则此机构为曲柄摇杆机构。
(2)有。
因为以AB 为原动件时,此机构为曲柄摇杆机构。
五、答题要点及评分标准:(12分) 参考答案: 解:由题意的得,5-3-6-4组成行星轮系 i 54H =(n 5-n H )/(n 4-n H )=-Z 3×Z 4/(Z 5×Z 6)=-8 因为1-2-5组成定轴轮系 i 12=n 1/n 2=n 1/n 5=-Z 2/Z 1=-2 所以n 5=450r/min 把n 4=0及n 5=450r/min 代入上式 得到n H =-50r/min 这表明系杆H 的旋转方向和齿轮1的相反,为逆时针方向。
六、答题要点及评分标准:(16分) 参考答案:第 2 页 共 2 页七. 答题要点及评分标准:(16分)参考答案:解:(1)大齿轮齿数 10025412=⨯==uz z 查表得: 79.159.118.262.22121====Sa Sa Fa Fa Y Y Y Y28.26259.162.279.118.2280112212=⨯⨯⨯=⋅=Sa Fa Sa Fa F F Y Y Y Y σσ MPa (2) ∵ ][][2211F F F F σσσσ<<∴ 两齿轮均满足齿根弯曲疲劳强度的要求。
2010-2011年度秋季《机械设计基础》期中考试试卷班级姓名总分满分100,用时90分钟,答案直接作在试卷上一.填空题(共10题,每空1分,共20分)1.机械是和的总称。
2.机器的主体通常有三部分构成:动力部分、、。
3.力的三要素:大小、和。
4.当物体受到力的作用时,可能会发生、变形或破坏和三种情况。
5.物体方向与方向之间所形成的锐角称为压力角。
6.两个作用力大小,方向,作用线互相平行的一对力叫力偶。
7.通常规定:逆时针方向作用的力矩为,顺时针方向作用的力矩为。
8.平面运动副包括和。
9.低副包括和。
10.机构是由构件构成的,构件通常分为机架、和。
二.判断题(共10题,每题2分,共20分)1.力的合成与分解所采用的方法是平行四边形法则。
()2.物体上某一点同时受多个力的作用,若合力是零,则物体处于平衡状态。
()3.在物理上力与力臂的乘积称为力偶矩。
()4.杠杆的平衡条件是:各力对同一支点的力矩的代数和等于零。
()5.力偶矩在实际计算中是不分正负的。
()6.约束力的方向总是与该约束所阻碍的运动方向相同。
()7.平面汇交力系平衡的条件是各力的合力为零.()8.物体单位面积上的内力称为应力。
()9.运动副按照构件运动的空间不同分为直线副和曲线副。
()10.机构具有确定运动的条件是自由度大于等于1。
()三.选择题(共10题,每题2分,共20分)1.力偶中两个力之间的距离叫()A.弯矩 B.力矩 C.力臂 D.力偶臂2.下面属于柔性约束的是()A.绳索 B.铁链 C.轴承 D.火车轨3.零件具有足够的抵抗破坏的能力叫( )A.刚度B.强度C.硬度D.挠度4.曲柄存在的必要条件是( )A.满足杆长和条件B.不满足杆长和条件C.最短杆为机架D. 最长杆为机5.四杆机构满足杆长和条件,则该机构()曲柄摇杆机构。
A.一定是B.一定不是C.有可能D.以上都对6.铰链四杆机构的基本类型是:曲柄摇杆机构、双曲柄机构与()。
2018-2019 学年第 一 学期 期 中 考试(查)试题 A 卷第 1 页 共 6 页考试科目: 机械设计 考试时间: 120 分钟 试卷总分: 100 分考试方式: 闭卷 考生学院: 机械工程学院题号一二三四五 总分 复核人 得分评卷教师签名一、 填空题(每空1分,共25分)1、零件表面的疲劳是受到 长期作用的表面产生 的现象。
2、螺纹联接防松,按其防松原理可分为 防松、摩擦防松和永久防松。
3、由一组协同工作的零件所组成的独立制造或独立装配的组合体称为 。
4、在疲劳曲线上,以循环基数N 0为界分为两个区:当N ≥N 0时,为 区;;当N <N 0时,为 区。
5、螺纹的公称直径是 径,对外螺纹它是指螺纹 所在圆柱的直径。
6、刚度是指机械零件在载荷作用下抵抗 的能力。
零件材料的弹性模量越小,其刚度就越 。
7、按键齿齿廓曲线的不同,花键分为 花键和 花键。
8、对于链速v <0.6m /s 的低速链传动,因其主要失效形式是链条的 ,故应按 条件进行计算。
9、普通平键连接工作时,平键的工作面是 ,平键的剖面尺寸按 从标准中查取。
10、楔键联接靠 传递转矩,用于对中性要求不高的联接。
11、对于普通平键,考虑到载荷分布的不均匀性,双键联接的强度按 个键计算。
12、在设计V 带传动时,V 带的型号可根据 和 查选型图确定。
13、在常用的螺纹牙型中 传动效率最高, 自锁性最好。
14、带传动中,带速一定时,传递功率的大小取决于 的大小。
15、在一般情况下,链传动的 传动比为常数, 传动比不为常数。
二、 选择题(每题1分,共20分)1、某钢制零件材料的对称循环弯曲疲劳极限σ-1 = 300 MPa ,若疲劳曲线指数m = 9,应力b h 学院: 班级: 学号: 姓名:循环基数N0 =107,当该零件工作的实际应力循环次数N =105时,则按有限寿命计算,对应于N的疲劳极限为 MPa 。
A.428B.430.5C.500.4D.3002、带张紧的目的是。
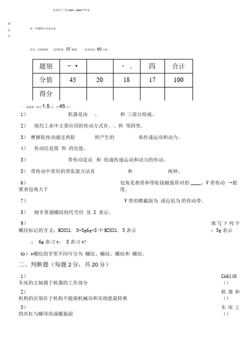
东莞市***校2007—2008学年度第一学期期中考试试卷一、选择题(每空1.5分,共45分)黛 益 幸1)机器是由 、和 三部分组成。
2) 现代工业中主要应用的传动方式有、、和 等四类。
3) 摩擦轮传动通过两轮 所产生的来传递运动和动力。
4) 传动比是指 和 的比值。
5)带传动是由 和 组成传递运动和动力的传动。
5) 带传动中常用的带张紧方法有 和两种。
6)包角是指带和带轮接触弧所对的 ____ 。
V 带传动一•般要求包角大于 度。
7)V 带的横截面为 或近似为 的传动带。
8) 细牙普通螺纹的代号用 及 X 表示。
9)填写下列个螺纹标记的含义:M20X1. 5-5g6g-S 中M20X1. 5表示;5g 表示; 6g 表刁t ; S 表刁t©io )»螺纹的牙型不同可分为 螺纹、螺纹、螺纹和 螺纹。
二、判断题(每题2分,共20分)1)CA6140车床的主轴属于机器的工作部分()2)机器和机构的区别在于机构不能做机械功和实现能量转换 () 3)车床上的丝杠与螺母组成螺旋副()科目:机械基础适用班级:07数模 考试时间:60分钟4)火车车轮和轮轨是线接触的运动副,属于高副()5)摩擦传动类的带传动和摩擦轮传动都不能保持准确的传动比()6)普通铁床上的带传动一般使用的是V带()7)若带传动的传动比i尹1,则小带轮上的包角越大,带传动能力越强()8)普通螺纹的公称直径是指螺纹的顶径()A 机器B 机构 0构件A 结构简单,适用于两轴传动较大的场合B 能保持准确的传动比0传动效率较低 3)V 带的结构由()组成A 伸张层B 强力层 4)平带的开口传动的特点是()A 两带轮轴线平行转向相反 C 两带轮轴线相交转向相反 5) VD 过我时皮带会打滑起保护作用 C压.缩层D包布层B 两带轮轴线平行 转向相同 D两带轮轴线和交 转向相同6)下图中所示螺纹为A 单线右旋螺纹双线石旋螺纹C双线左旋螺纹三线右旋螺纹9) 两个相互配合的螺纹其旋向相同 10) 普通三角型螺纹的牙型角为60度三、选择题(可多选,每空3分,共18分)1)由构件组成并且各运动实体间具有确定相对运动的有()2)下列属于皮带传动特点的有()四、计算题(共17分)1)已知某带传动,主动轮直径Dl=90mm,转速nl=1800r/min,要求从动轮转速n2为600r/niin,试求传动比i 和从动轮直径D2的大小。
机械设计基础期中试题一、选择题1. 下列哪项属于机械元件的连接方式?A. 焊接B. 拆卸C. 镶装D. 打胶2. 以下哪项是机械设计中常用的连接形式?A. 锁紧联轴器B. 直缝焊接C. 直缝铆接D. 电阻焊接3. 如何通过特定形状的嵌合作用来实现元件的连接?A. 铆合连接B. 半扣件连接C. 锁紧连接D. 焊接连接4. 下列哪种紧固件具有不可逆的连接特性?A. 螺纹连接B. 锁紧螺栓连接C. 轴承轴向定位D. 弹性连接5. 在机械设计中,选择正确的摩擦副材料可以实现以下哪种效果?A. 提高防锈性B. 降低制造成本C. 提高传动效率D. 增加摩擦力二、简答题1. 请简述机械设计中常用的零件标志符号(符号表)的作用。
零件标志符号是一种用于标识零件名称、图号、材料、热处理和表面处理等信息的图形符号系统。
它在机械设计和制造过程中起到了以下几个作用:一是标识零件。
通过零件标志符号,可以快速准确地识别和区分不同零件,避免混淆和错误。
二是表达设计意图。
零件标志符号可以携带一些重要的设计意图信息,如公差要求、加工方式、装配顺序等,有助于准确传达设计师的意图,避免误解和错误操作。
三是提高效率。
使用零件标志符号可以简化绘图过程,减少图纸的尺寸和复杂度,提高绘图效率和可读性。
四是促进协作和交流。
通过统一的零件标志符号系统,不同专业的设计师和制造人员可以更好地协作和交流,减少沟通成本和误解的可能性。
五是便于管理和检索。
使用标准的零件标志符号可以方便进行零件管理和检索,有助于提高生产效率和质量控制。
2. 请简述摩擦副的作用及常见类型。
摩擦副是机械传动中常见的一种连接方式,通过接触摩擦力来实现传递力和运动的。
它的主要作用包括以下几个方面:一是传递力。
摩擦副通过摩擦力将动力传递给被连接的部件,实现力的传递和运动的转换。
二是传递运动。
摩擦副可以将旋转运动转化为线性运动,或者将线性运动转化为旋转运动,实现不同工作要求下的运动变换。
机械基础期中试卷2一、选择题:本题共16个小题,每小题3分,共48分,在每小题给出的四个选项中,只有一项是符合题目要求的。
把所选项前的字母填在题后的括号内。
1.拉伸试验时,试样拉断前能承受的最大应力称为材料的()。
A.屈服强度B.抗拉强度C.弹性极限D理想极限2.渐开线标准齿轮的根切现象,发生在()A.模数较大时B.模数较小时C.齿轮较少时D.齿数较多时3.斜齿圆柱齿轮的法面模数m n与端面模数m t的关系式,应该是()A.m n=m t sinβB.m n=m t/cosβC.m n=m t cosβD.m n=m t cosα4.能够完整地反映晶体特征的最小几何单元称为()。
A.晶胞B.晶格常数C.晶格D晶胞常量5.刚体受三力作用而处于平衡状态,则此三力的作用线()。
A.必汇交于一点B.必互相平行C.必都为零D.必位于同一平面内6.一圆轴用碳钢制作,校核其扭转角时,发现单位长度扭转角超过了许用值。
为保证此轴的扭转刚度,采用()措施最有效。
A.改用合金钢材料B.增加表面光洁度C.增加轴的直径D.减小轴的长度7.在一般工作条件下,齿面硬度HB≤350的闭式钢制齿轮传动,通常的主要失效形式为()A.轮齿疲劳折断B.齿面疲劳点蚀C.齿面胶合D.齿面塑性变形8.齿轮传动中,轮齿的齿面疲劳点蚀,通常首先发生在()A.齿顶部分B.靠近节线的齿顶部分C.齿根部分D.靠近节线的齿根部分9.标准斜齿圆柱齿轮传动中,查取齿形系数Y F数值时,应按()A.法面模数m n B.齿宽bC.实际齿数ZD.当量齿数x U10.普通圆柱蜗杆分度圆直径的计算式是()A.d1=m a1q B.d1=m n qC.d1=m a1z1D.d1=m n z111.带传动在工作时产生弹性滑动,是由于()A.包角α太小B.初拉力F0太小C.紧边与松边拉力不等D.传动过载12.在一定转速下,要减轻滚子链传动的运动不均匀性和动载荷,应该() A.增大节距p和增加齿数Z1B.增大节距p和减少齿数Z1C.减小节距p和减少齿数Z1D.减小节距p和增加齿数Z113.转轴弯曲应力σb的应力循环特征为()A.r=-1B.r=0C.r=+1C.-1<r<+114.在下列四种型号的滚动轴承中,只能承受径向载荷的是()A.6208B.N208C.3208D.520815.在下列四种类型的联轴器中,能补偿两轴的相对位移以及可缓和冲击、吸收振动的是()A.凸缘联轴器B.齿式联轴器C.万向联轴器D.弹性柱销联轴器16.等强度梁的截面尺寸()。
课堂测试与练习一、概念题1、机械是由哪几种组成的,各起什么作用?2、什么叫零件?什么叫构件?3、简述运动副的作用及其种类;每种运动副所具有的约束是什么?4、什么是机构及其平面机构?平面机构具有确定运动的条件是什么?5、四杆机构存在曲柄的条件是什么?6、简述三心定理,并证明。
7、试分析滚子半径的大小对凸轮实际轮廓线的影响;8、渐开线有哪些重要性质?在研究渐开线齿轮啮合的哪些原理时曾经用到这些性质?9、简述齿轮啮合基本定律,并证明。
10、试比较斜齿轮与直齿轮有什么不同?11、试推导直齿圆锥齿轮的当量齿轮;12、什么是周转轮系?它的组成是什么?13、试证明棘轮机构的工作条件是φ>ρ;二、计算自由度1、计算压力机工作机构的自由度;2、计算加药机构自由度,给出确定运动条件;3、计算教学参考书P19 (题1-10 )冲压机构的自由度,并指出机构中复合铰链、局部自由度、虚约束;三、已知一翻料机构,连杆长BC=400mm,连杆两个位置如图所示(自己画),要求机架AD与B1C1平行,且在其下相距35mm,试设计四杆机构。
四、 用反转法原理,确定图中凸轮从图示A 点位置转过 60后的压力角,并标在图上。
(见教学参考书P52,题3-1图)五、 设计尖顶对心移动从动件凸轮机构已知:mm 35min =γ,mm h 20=,从动件的运动规律如下:当凸轮以等角速度1ω顺时针旋转 90时,从动件以等加速度等减速运动;当凸轮自 90转到 180时,从动件停止运动;当凸轮自 180转到 270时,从动件以等速回原处;当凸轮自 270转到 360时,从动件又停止不动。
六、 设计一曲柄摇杆机构已知摇杆mm CD 290=,摇杆两极限位置的夹角 32=ψ,行程速度变化系数25.1=K。
若曲柄mm AB 75=,求连杆BC 和机架长度AD 。
七、 已知:一对外啮合标准直齿圆柱齿轮的参数为25.0,1,20,2,120,2421======**c h mm m Z Z a α,试求其传动比12i 、两轮的分度圆直径、齿顶圆直径、全齿高、标准中心距及分度圆齿厚和齿槽宽。
机械设计基础考试题及答案第一篇:机械设计基础考试题及答案一填空题(每小题2分,共20分)1.两构件通过.点或线接触组成的运动副称为高副。
2.满足曲柄存在条件的铰链四杆机构,取与最短杆相邻的杆为机架时,为曲柄摇杆机构,取最短杆为机架时,为双曲柄机构。
3.在凸轮机构中,常见的从动件运动规律为匀速运动时,将出现刚性冲击。
4.直齿圆柱齿轮作接触强度计算时,取节线处的接触应力为计算依据,其载荷由一对对齿轮承担。
5.为使两对直齿圆柱齿轮能正确啮合,它们的模数m 和压力角必须分别相等。
6.两齿数不等的一对齿轮传动,其弯曲应力6.相等等;两轮硬度不等,其许用弯曲应力不相等等。
7.V带传动的主要失效形式是.打滑和疲劳断裂。
8.在设计V带传动时,V带的型号是根据计算功率Pc 和小轮转速n1 选取的。
9.链传动中的节距越大,链条中各零件尺寸越大,链传动的运动不均匀性增大。
10.工作时只受弯矩不承受转矩的轴称为心轴。
二、选择题(每小题1分,共5分)二、选择题 C B D B D 1.渐开线标准齿轮的根切现象发生在。
A.模数较大时 B.模数较小时 C.齿数较少时 D.齿数较多时2.在下列四种型号的滚动轴承中,必须成对使用。
A.深沟球轴承 B.圆锥滚子轴承 C.推力球轴承 D.圆柱滚子轴承3.在下列四种类型的联轴器中,能补偿两轴的相对位移以及可以缓和冲击、吸收振动的是。
A.凸缘联轴器B.齿式联轴器C.万向联轴器D.弹性套柱销联轴器4.在铰链四杆机构中,机构的传动角和压力角的关系是。
A.B.C.D.5.对于普通螺栓联接,在拧紧螺母时,螺栓所受的载荷是。
A.拉力B.扭矩C.压力D.拉力和扭矩三、判断题(正确的打“V”,错误的打“X”。
每小题1分,共8分)三、判断提 X X V X X X X V 1.在铰链四杆机构中,当最短杆与最长杆长度之和大于其余两杆长度之和时,为双曲柄机构。
()2.在凸轮机构中,基圆半径取得较大时,其压力角也较大。
北京航空航天大学
2011-2012学年第二学期期中
《机械设计基础B1》
测验卷
班级学号
姓名成绩
2012年4月
第1页(共6页)
1. 已知直线1
AC AB 2
=,求C ',并写出简要作图步骤。
(10分)
2. 在直线L 上找一点K ,令点K 到Z 轴距离为30mm ,并问直线L 与y 轴距离是多少,并写出简要作图步骤。
(10分)
第2页 (共6页)
a` b`
a
c
b
l`
l
3. 已知平面P (L ×M )的P 60=α ,完成平面P 的V 投影,并写出简要作图步骤。
(10分)
4. 根据V ,H 投影画出立体的W 投影,并选择正确的CSG 树。
(20)
第3页 (共6页)
m`
m
l
正确的CSG树是
5. 根据V,H投影画出立体的W投影。
(10分)
第4页(共6页)
6. 补全V投影,并画出立体的W投影。
(20分)
第5页(共6页)
7. 根据V,H投影画出立体的W投影,并画立体的正等轴测图。
(20分)
第6页(共6页)。
《机械设计基础》期中考卷1一、单项选择题。
(每小题2分,共16分)1. 曲柄摇杆机构中,摇杆为主动件时,( )为死点位置。
A. 不存在B. 曲柄与连杆共线时C. 摇杆与连杆共线时D. 曲柄与机架共线时2. 为保证四杆机构良好的机械性能,( )不应小于最小许用值。
A. 压力角B. 传动角C. 极位夹角D. 啮合角3. ( )决定了从动杆的运动规律。
A. 凸轮转速B. 凸轮大小C. 凸轮形状D. 凸轮轮廓曲线4. 平面四杆机构无急回特性时( ),行程速比系数( )。
A. 压力角α=0,k>1B. 传动角β=0,k<1C. 极位夹角θ=0,k=0D. 极位夹角θ=0,k=15. 在双曲柄机构中,已知三杆长度分别为a=80mm,b=150mm,c=120mm,则d 杆长度应为( )。
A. <110mmB. 110mm≤d≤190mmC. ≥190mmD. >2006. 凸轮机构中,基圆半径是指凸轮转动中心到( )半径。
A. 理论轮廓线上的最大B. 实际轮廓线上的最大C. 实际轮廓线上的最小D. 理论轮廓线上的最小7. 凸轮机构中的压力角是指( )间的夹角。
A. 凸轮上接触点的法线与从动件的运动方向B. 凸轮上接触点的法线与该点线速度C. 轮上接触点的切线与从动件的运动方向D. 以上均不对8. 一标准直齿圆柱齿轮的周节(齿距)P=15.7mm,齿顶圆的直径为d=400mm,则该齿轮( )。
A. 82B. 78C. 80D. 76二、填空题。
(每空1分,共14分)1.两构件之间为( )接触的运动副称为低副,引入一个低副将带入( )个约束。
2.在凸轮机构从动件的常用运动规律中,( )、( )运动规律有柔性冲击。
3.采用标准齿条刀具加工标准齿轮时,其刀具的( )线与轮坯( )圆之间做纯滚动;加工变位齿轮时,其刀具的( )线与轮坯( )圆之间做纯滚动。
一对相啮合的大小齿轮齿面接触应力的关系是( ),其接触强度的关系是( )。
试题A一、填空(每空1分,共20分)1.在疲劳曲线上,以循环基数N0为界分为两个区:当N≥N0时,为()区;当N<N0时,为()区。
2.刚度是指机械零件在载荷作用下抵抗()的能力。
零件材料的弹性模量越小,其刚度就越()。
3.润滑油的()性越好,则其产生边界膜的能力就越强;()越大,则其内摩擦阻力就越大。
4.为改善润滑油在某些方面的性能,在润滑油中加入的各种具有独特性能的化学合成物即为()。
5.正是由于()现象,使带传动的传动比不准确。
带传动的主要失效形式为()和()。
6.蜗杆传动的主要缺点是齿面间的()很大,因此导致传动的()较低、温升较高。
7.链传动水平布置时,最好()边在上,()在下。
8.设计中,应根据被联接轴的转速、()和()选择联轴器的型号。
9.径向滑动轴承的半径间隙与轴颈半径之比称为();而()与()之比称为偏心率 。
10.对于普通平键,考虑到载荷分布的不均匀性,双键联接的强度按()个键计算。
二、判断题(每小题1分,共10分)(正确的划“√”,错误的划“×”)11.十字滑块联轴器中的所有元件都是刚性元件,因此属于刚性联轴器。
()2.两摩擦表面的粗糙度值越小,则越容易实现液体动力润滑。
()3.在计算转轴的强度时,安全系数法比当量弯矩法更精确。
()4.相啮合的蜗杆和蜗轮的螺旋角必须大小相等,旋向相反。
()5.闭式齿轮传动皆须首先按齿面接触强度进行设计计算,确定传动的几何尺寸,然后校核齿根弯曲疲劳强度。
()6.由于链传动不需要张紧力,故作用在轴上的载荷较小。
()7.正是由于过载时产生“弹性滑动”,故带传动对传动系统具有保护作用。
()8.楔键只能用于单向传动,双向传动时,必须采用两个楔键。
()9.性能等级为6.6级的螺栓,其屈服点=600MPa。
()s10.机械零件的计算分为设计计算和校核计算,两种计算的目的都是为了防止机械零件在正常使用期限内发生失效。
()三、简答题(每小题5分,共20分)1.简述为什么开式齿轮传动一般不会出现点蚀现象?2.对于滚动轴承的轴系固定方式,请解释什么叫“两端固定支承”?3.简述形成稳定动压油膜的条件?4.解释名词: 滚动轴承的寿命;滚动轴承的基本额定动载荷。
机械设计基础期中试题机械设计基础期中试题从扩大回转副、变回转副为移动副和以不同的构件为机架来说明平面连杆机构的演化。
以下内容是小编为您精心整理的机械设计基础期中试题,欢迎参考!机械设计基础期中试题一、选择题:1.我国标准规定,渐开线标准直齿圆柱齿轮分度圆上的压力角应为()度。
a)20 b)30c)60 d)902. 渐开线标准直齿圆柱齿轮(正常齿)的齿顶高系数为(),顶隙系数为()。
a) 1,0.1 b)1,0.2 c) 1.2,0.2 d) 1,0.253. 渐开线直齿圆柱齿轮的正确啮合条件是()a)模数相等 b)压力角相等c)模数和压力角分别相等且为标准值 d)a,b,c都不对4.用齿条形刀具加工标准直齿圆柱齿轮,当压力角为20°,齿顶系数为1时,不根切的最少齿数是多少?()a) 15 b)16c) 17 d)185. 平面机构自由度的计算公式为()。
a)3n-2PL-PH b)3n- PL- PHc)2n- PL -PH d)n- PL- PH6. 构件是机构的基本()单元。
a)运动 b)制造 c)联结 d)a)b)c)都不对7.平面四杆机构的压力角和传动角的关系为()。
a)互为余角 b)互为补角 c)a,b都可能 d)a,b都不可能8. 带传动的最大应力发生在()。
a)紧边与小轮的切点 b)紧边 c)松边 d)松边与小轮的切点9.V带的截面形状为()。
a)V形 b)梯形c)圆形 d)矩形10.用范成法切制齿轮时,只要两齿轮(),就可以用同一把滚刀。
a) 模数相等b)压力角相等c) 模数和压力角分别相等d)齿数相等二、填空题:1.闭式硬齿面齿轮传动常按强度设计,然后校核强度。
2.预紧后受轴向变载荷的螺纹联接,为提高联接的疲劳强度,应尽量减小的刚度,以及提高的高度。
3.增加蜗杆头数,可以传动效率,但蜗杆头数过多,将会给带来困难。
4.直齿圆锥齿轮传动的强度计算方法是以的当量圆柱齿轮为计算基础的。
机械基础期中考试试卷及其答案一.填空1、人走路时,经过一段时间后可以看见鞋的后跟处磨损掉一个斜角,这说明鞋与地面产生()磨损。
A、滑动B、滚动C、滚滑动D、磨料2、机械基础是一门机械专业的()基础课。
A、必修的B、综合的C、理论的D、选修的3、机器应满足的基本要求中最主要的是()。
A、经济性好B、操纵方便,工作安全可靠C、实现预定功能D、造型美观,减少污染4、下列属于机构的是()A 机床B 纺织机C 千斤顶D 拖拉机5、力偶等效只要满足()A、只满足力偶矩大小相等B、只满足力偶矩转向相同C、只满足力偶作用面相同D、力偶矩大小、转向、作用面均相等6、静止在水平地面上的物体受到重力G和支持力F N的作用,物体对地面的压力为F,则以下说法中正确的是()。
A、F和F N是一对平衡力B、G和F N是一对作用力和反作用力C、F N和F的性质相同,都是弹力D、G和F N是一对平衡力7、作用在同一物体上的两个力,若其大小相等,方向相反,则它们()。
A、能是一对平衡力B、只能是一个力偶C、可能是一对平衡力或一个力偶D、可能是一对作用力和反作用力8、图所示的各组力偶中的等效力偶组是()。
A、AB、BC、C9、已知某平面任意力系与某平面力偶系等效,则此平面任意力系向平面内任一点简化后是()。
A、一个力B、一个力偶C、一个力与一个力偶 D 、以上均不对10、在图所示的悬臂梁上,作用有垂直于轴线的力F,主动力和约束反力一般构成平面()力系。
A、汇交 B 、平行 C 、任意二.判断题11、自行车、电动自行车、摩托车都是机器。
()12、光滑面约束不仅能阻止被约束物体沿光滑支承面运动,还能阻止被约束物体沿接触面的公法线方向运动。
()13、火车的车轮与铁轨之间的摩擦属于滚动摩擦,所以铁轨不磨损,可长期使用。
()14、当平面一般力系对某点的合力偶矩为零时,该力系向任一点简化的结果必为一个合力。
()15、如果两个轴向拉压杆的材料不同,横截面积相同,受到相同的轴向力,则两个拉压杆横截面上的应力不相同。
课堂测试与练习
一、概念题
1、机械是由哪几种组成的,各起什么作用?
2、什么叫零件?什么叫构件?
3、简述运动副的作用及其种类;每种运动副所具有的约束是
什么?
4、什么是机构及其平面机构?平面机构具有确定运动的条件
是什么?
5、四杆机构存在曲柄的条件是什么?
6、简述三心定理,并证明。
7、试分析滚子半径的大小对凸轮实际轮廓线的影响;
8、渐开线有哪些重要性质?在研究渐开线齿轮啮合的哪些原
理时曾经用到这些性质?
9、简述齿轮啮合基本定律,并证明。
10、试比较斜齿轮与直齿轮有什么不同?
11、试推导直齿圆锥齿轮的当量齿轮;
12、什么是周转轮系?它的组成是什么?
13、试证明棘轮机构的工作条件是φ>ρ;
二、计算自由度
1、计算压力机工作机构的自由度;
2、计算加药机构自由度,给出确定运动条件;
3、计算教学参考书P19 (题1-10 )冲压机构的自由度,并
指出机构中复合铰链、局部自由度、虚约束;
三、已知一翻料机构,连杆长BC=400mm,连杆两个位置如图
所示(自己画),要求机架AD与B1C1平行,且在其下相距35mm,试设计四杆机构。
四、用反转法原理,确定图中凸轮从图示A点位置转过
60后
的压力角,并标在图上。
(见教学参考书P52,题3-1图)
五、 设计尖顶对心移动从动件凸轮机构
已知:mm 35min =γ,mm h 20=,从动件的运动规律如下:当凸轮以等角速度1ω顺时针旋转ο90时,从动件以等加速度等减速运动;当凸轮自ο90转到ο180时,从动件停止运动;当凸轮自ο180转到ο270时,从动件以等速回原处;当凸轮自ο270转到ο360时,从动件又停止不动。
六、 设计一曲柄摇杆机构
已知摇杆mm CD 290=,摇杆两极限位置的夹角ο32=ψ,行程速度变化系数25.1=K 。
若曲柄mm AB 75=,求连杆BC 和机架长度AD 。
七、 已知:一对外啮合标准直齿圆柱齿轮的参数为
25.0,1,20,2,120,2421======**c h mm m Z Z a οα,试求其传动比12i 、
两轮的分度圆直径、齿顶圆直径、全齿高、标准中心距及分度圆齿厚和齿槽宽。
八、 图示的吊车起升传动机构,已知:
110,67,19321===Z Z Z ,87,36,15654===Z Z Z 。
电动机1m 和2m 的角速度s rad /6.6121==ωω。
试计算两台电动机同时工作以及一台停止工作时,与系杆H 相固联的卷筒7的角速度?7==H
ωω
九、在六角车床上六角刀架转位用的槽轮机构中,已知槽数Z=6,槽轮静止时间s t s 65=,运动时间s m
t t 2=。
求槽轮机构的运动系数τ及所需要的销数K .。