XXXXXX厂级AGC改造项目调试方案
- 格式:pdf
- 大小:920.36 KB
- 文档页数:22
AGC调试作业指导书1.目的和要求本指导书提供了AGC调试的方法和要求,从而提高AGC调试质量及效率,规范工程技术人员对AGC的调试工作。
2.适用人员本指导书适用于在所内工程调试、现场工程投运等过程中的工程中心工程师一级及以上人员。
3.职责a)工程部在AGC调试过程中必须对所有AGC项目进行详细调试,仔细记录,并将调试记录备查。
b)所有现场投运、维护人员在现场投运或维护时如对AGC组态有任何改动都必须要详细试验和记录(包括修改依据),并将全部修改后的AGC组态文件拷贝、带回存档4.AGC调试过程4.1.AGC方案评审项目经理根据合同或者设联会纪要要求,召集相关部门经理、技术负责人、项目工程师对AGC方案进行评审,并对AGC特殊点或其他相关技术难题进行方案讨论,如有必要提出功能开发需求并提交技术支持部。
4.2.AGC相关资料获得4.2.1.项目工程师从技术支持部领取最新AGC程序(目前由于AGC尚未标准化,因此尚不能从总工办领取标准可执行文件)。
4.2.2.项目工程师从业主(电厂)取得AGC组态所需相关资料,具体见表1及表2。
表1:AGC组态所需参数全厂参数参数名称填写内容AGC方式按等比例分配故障频率上限Hz(达到该值将退出全厂AGC)故障频率下限Hz(达到该值将退出全厂AGC)正常调频上限Hz(调频模式)正常调频下限Hz(调频模式)紧急调频上限Hz(调频模式下达到该值进入紧急调频模式)紧急调频下限Hz(调频模式下达到该值进入紧急调频模式)正常调频系数(调频模式下使用该参数)紧急调频系数(紧急调频模式下使用该参数)远方有功设值上限MW(按单机最大负荷*机组台数考虑)远方有功设值下限MW远方设定有功与实发值差限MW现地设定有功与实发值差限MW远方设定有功梯度限值MW全厂有功调整死区35MW(按单机调节死区*机组台数考虑)有功设值死区5MW(按单机调节死区考虑)最大水头米最小水头米水头差限值表示正常运行时前后两次水头变化的最大值,若连续两次水头超过限值,则保持原水头并报警全厂输系统频率测量值可靠的系统频率测量源重大事故退全厂AGC信号全厂重大事故综合量I母电压测量值可靠的I母电压测量源II母电压测量值可靠的II母电压测量源其中黄底部分参数为重要组态参数,需要电厂书面确认(必要时需上报调度审核)。
自动发电控制功能调试措施调试目的在设备完好及设计合理的情况下,满足机组安全经济运行的要求。
检查机组适应负荷变化的能力,使机组能够在一定的负荷范围内,按一定的速率跟踪中调要求的负荷指令出力,满足中调控制技术要求。
编制的依据《火电工程启动调试工作规定》(电力工业部建设协调司);《火电发电建设工程启动试运及验收规程》();《火电施工质量检验及评定标准》热工仪表及控制装置篇(年版);《火电工程调整试运质量检验及评定标准》(电力部);《火力发电厂模拟量控制系统验收测试规程》()《山东电网机厂网协调技术要求(试行)》(调技号文);《山东电网机厂网协调管理规定》调试范围()是自动发电控制的简称,其控制目标是使由于负荷变动而产生的区域误差()不断减少直至为零。
省调通过可调整电网发电出力与电网负荷平衡,将电网频率偏差调节到零,保持电网频率为额定值,在控制区内分配发电出力,维持区域间联络线交换功率在计划值内,在控制区内分配发电出力,降低区域运行成本。
本厂功能实现过程中,远动()为省调与仪控的建立了联络通道。
远动接受省调的控制信息,送至;远动接收送出的机组投切等状态量,送至省调。
机组协调控制()系统的正常运行是正常投运的基础。
调试的组织与分工的调试,由中调自动化工作人员、山东中实易通集团股份有限公司、山东电建二公司、华润电力(荷泽)有限责任公司、等共同完成。
调试应具备的基本条件电气远动系统调试完善,投入使用;机炉协调控制调试完善,投入使用。
调试的方法和步骤查线根据系统原理图、接线图检查电气远动到接线是否正确。
确认接入系统的负荷控制指令信号正确。
静态调试远动与的接口信号静态调试从模拟投入信号,检查远动系统接收此信号应正确无误;从远动模拟输出指令信号,接收此信号应正确无误。
中调与接口信号静态调试在远动与的接口信号静态调试完成后,联系中调自动化工作人员,做中调与接口信号静态调试。
从模拟投入信号,检查中调自动化系统接收此信号应正确无误;从中调自动化系统模拟输出指令信号,接收此信号应正确无误。
#1﹑#2机组AGC联调技术措施批准:审核:初审:#1﹑#2机组AGC联调技术措施一.试验目的为保证电网安全可靠运行,提高宁夏电网稳定水平和电能质量,电力调度中心对全网具备AGC的火电机组进行系统联调和参数测试。
按照要求进行参数修改后,联系中调,在50%--100%负荷变化范围内,按照AGC控制参数,要求协调控制系统在AGC 控制方式下负荷跟随,AGC指令以确定的负荷变化速率进行双向变动。
二、组织机构及组织措施试验小组构成:试验小组组长:生产技术部:安监部:1、试验由试验小组统一调度指挥,当值值长负责试验的组织协调,并与中调及时保持联系。
2. 由试验负责人对配合工作的人员进行统一安排和调配,运行机长负责各专业运行人员的操作协调及指导,所有操作员应各司其职,严密监视机组参数的变化。
3. 试验过程中所有参加试验的人员要按分工及时到位,试验期间不得擅自离开工作岗位,认真履行职责,确保试验顺利完成。
三. 安全措施1. 由值长联系中调做好负荷申请,并保证试验保持在规定的时间内,并协调运行人员加强对运行机组参数的监视,按照试验步骤切换机组控制系统的运行方式,通过实时趋势观察机组AGC的响应能力。
2. 试验期间若有对CCS内部组态进行修改和整定,并在线进行下装操作时,由热工人员在工程师站上完成,并做好监护。
3. 试验过程中运行人员加强监视机组实际功率、机组负荷指令、主汽压力、速度级压力、主汽温度、再热汽温度、给水流量、主汽流量、汽包水位、电泵指令及最小流量阀状态、氧量、炉膛压力、总给煤量、除氧器水位、凝汽器水位、机组振动﹑无功功率等参数,如有参数无法控制或超出规程要求,应立即终止试验、恢复系统,并及时汇报中调。
4.试验过程中应严格执行“防止电力生产重大事故的二十五项重点要求”,防止出现锅炉干锅、灭火等事故。
5.试验前运行人员检查好灭火保护、主机保护等各项保护的投入情况,运行人员做好锅炉灭火,汽包水位异常等事故预案。
火电厂实现网调、中调切换调节机组AGC技术改造方案研究火电厂实现网调、中调切换调节机组AGC技术改造方案研究1 引言1000千伏特高压交流试验示范工程属于网对网送电工程,包括三站两线,北起山西长治,途经河南南阳开关站,南至湖北荆门,全长639公里,通过单回1000千伏特高压线路连接华北、华中两个区域电网,线路型号为LGJ-8*500。
此示范工程计划于2008年底投产,国家电网公司高度重视此项工程。
因为现在中调直调火电厂机组AGC是通过现有的远动装置与中调远动装置相连,所以中调直调火电厂机组AGC是由中调来调节。
为了满足特高压交流试验示范工程的需要和根据特高压调节电厂在自动化专业方面应具备条件的具体要求,结合中调直调电厂远动系统的现状,利用NCS系统配置远动通信服务器与专门设置的AO输出模块(直流模拟量4-20mA输出)实现AGC接口功能来由华北网调遥调中调直调火电厂机组的AGC。
同时在特高压交流试验示范工程试验过程中,中调直调火电厂机组在通常情况下AGC调节仍由中调来调节。
一旦特高压交流试验示范工程试验过程中需要其火电厂机组由网调来调节AGC,应能立即从中调调节模式切换到网调调节模式。
因此原来只有中调直调火电厂机组必须具备网调和中调调节机组AGC安全有效的切换功能。
同时因为如果由中调调节机组AGC 时,所下发的指令4-20mA相对应的有功指令与由网调调节同一机组AGC时,所下发的指令4-20mA所相对应的有功指令是不一样的。
因此根据上述特点和特高压交流试验示范工程的实时调度需要,中调直调火电厂机组AGC中调与网调之间的AGC切换应采用DCS逻辑切换的方式。
2 实现由网调来遥调机组AGC的技术改造方案和要求2.1 远动设备应具备的功能NCS系统配置的远动通信服务器直接与调度端(华北网调)通过IEC60870-5-101、IEC60870-5-104规约连接,满足系统调度对信息采集和传递的要求,远动通信服务器连接于NCS站控层网络,最大限度地在计算机网络上实现信息共享。
文章编号:1006 2610(2023)03 0088 06盐锅峡水电厂AGC 调节优化三梅英1,刘养涛2,王 飞3,陈 艳1(1.青海黄河上游水电开发有限责任公司,西宁 810000;2.南京南瑞水利水电科技有限公司,南京 211106;3.中国电建集团西北勘测设计研究院有限公司,西安 710065)摘 要:在 双碳”目标以及新型能源体系建设迅速发展的趋势下,西北电网新能源电量渗透率逐年升高,使得区域电力系统安全稳定运行面临严峻挑战㊂自动发电控制(Automatic Generation Control,AGC)系统对区域电力系统稳态频率控制等具有重要意义㊂通过对盐锅峡水电厂,对其机组AGC 系统进行调节优化,提出了一种基于PID 控制的精确式调节策略㊂最后,通过现场动态实验运行测试数据对比,验证表明所提出的精确式调节策略对AGC 的响应时间和调节速度均有更优表现,具有良好的安全性和稳定性㊂关键词:双碳;AGC;PID;自动发电控制系统中图分类号:TM73 文献标志码:A DOI :10.3969/j.issn.1006-2610.2023.03.016AGC Regulation Optimization for Yanguoxia Hydropower Plant on Yellow RiverSAN Meiying 1,LIU Yangtao 2,WANG Fei 3,CHEN Yan 1(1.Qinghai Upper Yellow River Hydropower Development Co.,Ltd.Xining 810000,China ;2.Nanjing Nari Water Resources and Hydropower TechnologyCompany Limited ,Nanjing 211106,China ;3.Power China Northwest Engineering Corporation Limited ,Xian 710065,China )Abstract :Under the trend of "Carbon Peaking and Carbon Neutrality"and the rapid development of new energy system construction ,the penetra⁃tion rate of new energy power in the northwest power grid is increasing year by year ,which makes the safe and stable operation of regional power system face severe challenges ,and the automatic generation control (AGC )system is of great significance to the steady-state frequency control of regional power system.Aiming at the regulation and optimization of the AGC system of Yanguoxia Hydropower Plant ,a precise adjustment strategy based on PID control is proposed.Finally ,through the field dynamic experimental operation and test data comparison ,it is verified that the pre⁃cise regulation strategy has better performance on the response time and regulation speed of AGC ,and the AGC is of good safety and stability.Key words :Carbon Peaking and Carbon Neutrality ;AGC ;PID ;automatic power generation control system 收稿日期:2023-02-23 作者简介:三梅英(1975-),女,青海省海东市人,高级工程师,主要从事电力系统自动化方面研究工作.0 前 言风㊁光㊁水等清洁能源在电力系统中的高比例接入,使得大量的电力电子设备在系统中投入使用,电力系统的安全稳定运行面临挑战[1]㊂西北电网是一个新能源装机规模大㊁比例高㊁集中度高的同步电网,是我国供电面积最广㊁电力外送比例最高的区域电网[2]㊂预计到2030年,西北地区的新能源装机将达到3.5亿kW,是2020年的3倍,西北电网将面临前所未有的消纳压力㊂由于新能源具有随机性㊁波动性和间歇性等特点,对电力系统的调峰调频性能和质量提出了更高的要求[3-4]㊂为了减小系统的频率波动,提升电厂功率控制和电能质量水平,优化自动发电控制AGC 系统具有重要意义[5]㊂仇进[6]从发用电供需平衡的角度出发确定AGC 容量需求㊂宋学杰[7]综合分析不同因素对控制区调频容量的影响㊂Zhang 等[8]采用最小惯量与一次调频容量评估模型,并采用估算方法获取系统功率静态特征系数㊂以上研究对AGC 系统的优化调节能力取得了进一步提升㊂然而,为满足调度中心多维度的考核机制以及结合电厂现场实际情况具体分析,现有方法存在考虑因素较少,响应速度满等问题㊂为此,本文同时考虑系统响应时间和调节速率,提出一种基于PID控制的精确式调节策略,针对某水电厂的具体情况对AGC系统进行优化调节㊂1 水电厂现有AGC现状盐锅峡水电厂计算机监控系统主要由上位机㊁下位机和连接上下位机的光纤通信网组成,下位机共有13套现地控制单元(LCU),分别执行对应于10台机组㊁220kV开关站㊁上库㊁公用设备的实时监控㊂上位机监控系统于2021年3月改造完成,AGC 等策略沿用原监控配置㊂在上位机改造完成后,调度采用更严格的AGC考核策略,为满足调度对于电厂侧AGC要求,通过对AGC考核细则深入研究学习,对现场设备运行情况分析,确认AGC优化方案㊂调度考核一般有3个维度:可用率考核/投退频次考核㊁调节速率㊁响应时间,本次优化主要针对调节速率和响应时间㊂电厂侧AGC是指按预定条件和要求,以迅速㊁经济的方式自动控制水电厂有功功率来满足系统需要的技术,它是在水轮发电机组自动控制的基础上,实现全电厂自动化的一种方式㊂根据水库上游来水量和电力系统的要求,考虑电厂及机组的运行限制条件,在保证电厂安全运行的前提下,以经济运行为原则,确定电厂机组运行台数㊁运行机组的组合和机组间的负荷分配㊂在完成这些功能时,要避免由于电力系统负荷短时波动而导致机组的频繁起㊁停㊂AGC系统对电力系统的稳定性和可靠性有着重要的作用㊂它可以确保电力系统中的各个发电机之间的功率平衡,从而避免因功率失衡而引起的电压和频率波动㊂同时,AGC系统还可以提高电力系统的响应速度和稳定性,以应对各种紧急情况和故障㊂2 优化方案2.1 停机态时有功测值归零调度是用各台机组的有功测值累加来计算的全厂总有功㊂通过查询历史记录发现机组在停机时,有功变送器测量值跳变较大,且全厂有10台机组,导致调度运算的全厂总有功存在一定的偏差㊂为了防止机组停机时有功零飘,造成全厂总有功波动,在机组停机态和检修态时,将机组有功功率置为0㊂程序修改如下:在DUMMYIO和PID_P程序段中,增加在停机态或者检修态时,机组有功功率置为0㊂图1表示在停机态或者检修态时,设置标志位TJORJX为1㊂图2表示标志位TJORJX为1时,机组有功实发测值设为0㊂图1 停机态设置标志位图2 停机态有功测值赋0优化效果如下:优化前停机时1号机组有功测值在-0.8~0.9MW跳变,优化后停机时1号机组有功测值为0㊂图3表示程序没有优化前,机组有功测值一直在实时波动㊂图4表示优化后,机组在停机态或检修态时,有功测值为0,不再波动㊂图3 优化前停机时1号机组有功测值图4 优化后停机时1号机组有功测值2.2 采样值平滑处理通过检查监控系统有功功率和调速器有功功率采样值,发现监控和调速器功率都存在波动,证明机组确实存在有功测值波动问题,但是调度要求的全厂死区只有4MW,需要对有功测值进行一定的优化㊂电站有10台机组,多台机组同时并网发电时,多台机组死区波动会造成全厂负荷较大波动㊂采用加权平均算法对有功㊁无功测值进行滤波处理㊂取近5个采样周期(500ms)的测值,最近的测值权重为5,其他一次降低为4㊁3㊁2㊁1,处理后的有功测值更为平滑㊂采样平滑处理增加变量如图5所示㊂程序修改:(1)增加变量㊂图5 采样平滑处理增加变量(2)在MAIN 中调用AI_PROC_EN,每500ms刷新一次㊂主程序增加调用如图6所示㊂图6 主程序增加调用(3)在AI_PROC 中做有功和无功加权平均,加权平均后机组有功和无功测值不在剧烈波动㊂有功㊁无功加权平均程序如图7所示㊂图7 有功、无功加权平均程序(4)将P_JQ 替换有功变送器测值㊂PID 有功调节程序段如图8所示㊂图8 PID 有功调节程序段(5)将Q_JQ 替换有功变送器测值㊂图9表示有功测值测量源采用优化后的测值㊂图9 有功测量源替换程序优化前1号机组有功测值跳变频繁且在-1.05~1.1MW 跳变,用加权平均法优化后1号机组有功测值明显稳定㊂这意味着我们可以更加准确地监测和预测1号机组的有功输出㊂通过使用加权平均法,我们可以考虑不同时间段内的测量数据,给予不同的权重值,从而减小了随机误差的影响,提高了数据的精确性和稳定性㊂这为我们制定更加有效的电量生产计划和决策提供了重要的依据和支持㊂优化前㊁后1号机组有功测值如图10㊁11所示㊂图10 优化前1号机组有功测值图11 用加权平均法优化后1号机组有功测值2.3 PID 调节增加精调节功能(1)当设定值与实发值差限大于8MW 时,用大脉宽调节,此脉宽由比例系数㊁调节周期等条件计算出来㊂PID(比例-积分-微分)调节是一种控制算法,用于控制系统的输出量跟随期望输出量的变化㊂PID 调节器由3个部分组成:比例单元㊁积分单元和微分单元㊂09三梅英,刘养涛,王飞,陈艳.盐锅峡水电厂AGC 调节优化===============================================比例单元将系统的当前输出量与期望输出量进行比较,并将其与给定值进行比较,以确定当前误差的大小㊂如果误差较小,则比例单元将增加输出量的值,以使误差保持在给定值附近㊂如果误差较大,则比例单元将减少输出量的值,以使误差逐渐减小㊂积分单元将误差的变化量累加到一个积分器中,以便在误差变得较大之前将其平均掉㊂这有助于减少系统的震荡和调整误差的变化速率㊂微分单元将误差的变化量与期望输出量的变化量进行比较,并将其与给定值进行比较,以确定当前误差的变化速率㊂如果误差的变化速率较快,则微分单元将增加输出量的值,以使误差的变化速率逐渐减小㊂如果误差的变化速率较慢,则微分单元将减少输出量的值,以使误差的变化速率逐渐增加㊂PID调节器的优点是它可以快速响应系统的变化,并且可以在较大的误差范围内进行控制㊂然而,它也有一些缺点,例如它可能在低速时产生振荡,并且需要较多的计算资源来进行实时控制㊂为了解决低速震荡问题,引入了精调程序,在接近调节目标值时,大于精调节死区,小于粗调节死区时,采用精调节功能进行调节,既满足了调速速率要求,也解决了振动问题㊂(2)当设定值与实发值差限在2~8MW,用固定脉宽380ms进行调节㊂(3)当设定值与实发值差限在0.8~2MW,用固定脉宽100ms进行调节㊂(4)程序修改1)增加变量及类型见表1㊂表1 增加变量及类型序号变量名类型1P_RESET BOOL2P_RTRIG R_TRIG3P_START_FINE BOOL4P_DEADBAND_FINE REAL5P_START BOOL6P_MINBAND REAL7p_up_t_min TIME8p_up_t_min_fine TIME9p_down_t_min IME10p_down_t_min_fine TIME11P_START_FINE_COUNT INT12P_TSTARTFINE TON 2)修改INIT程序段新增粗调死区P_MINBAND=2.0;新增精调死区P.DEADBAND=0.8;增加精调增减最小脉宽㊂详见图12和图13㊂图12 修改后有功调节死区图13 增加精调节程序初始化参数3)修改PID_P程序段,增加精调节功能㊂详见图14㊁15和图16㊂图14 新增有功精调程序1图15 新增有功精调程序219西北水电㊃2023年㊃第3期===============================================图16 新增有功精调程序3 4)修改PID_P 程序段,调节超时保护中死区P.DEADBAND 改成精调节死区P _DEADBAND _FINE㊂5)在PID_P 程序段,测值无变化判断中死区P.DEADBAND 改成精调节死区P _DEADBAND _FINE㊂(5)优化后,调度设定值有变化时,实发值能快速响应,并能迅速调稳㊂详见图17㊂图17 优化后有功实发快速跟踪调度设定值2.4 AGC 水头优化AGC 增加自动水头功能,各个水头下重新设定最大出力和振动区㊂(1)增加水头对象计算,对人工水头设定值进行合法性判断㊂详见下方脚本㊂if($人工水头设定值$<36.0){$人工水头设定值$=36.0}else {if($人工水头设定值$>41.0){$人工水头设定值$=41.0;}}if($人工水头设定方式$==1){$AGC 水头$=$人工水头设定值$}else {$AGC 水头$=$毛水头$;$人工水头设定值$=$毛水头$;}(2)重新设定最大出力和振动区,详见图18㊂(3)画面增加自动水头控制,详见图19㊂图18 机组最大出力和振动区图19 水头切换画面2.5 优化小负荷分配目前厂内小负荷分配次数较多,AGC 中小负荷分配阈值为4MW,优化小负荷分配阈值为10MW,小于10MW 的负荷调节采用1台机组调节,尽可能满足响应速度㊂还可根据机组投入AGC 台数自动计算小负荷阈值,每台机组小负荷设定值为10MW,每增加1台机组,小负荷阈值增加5MW㊂最大不超过20MW㊂小负荷具体的分配策略如下:假设有两台机组投入AGC,当前水头下1号机组的可调区间为(A1,B1)和(C1,D1),2号机组的可调区间为(A2,B2)和(C2,D2)㊂1号机组当前负荷P1处在可调区间(A1,B1)内,2号机组当前负荷P2处在可调区间(C2,D2)内㊂那么1号机组在当前可调区间内的可增容量为B1-P1,可减容量为P1-A1,2号机组在当前可调区间内的可增容量为D2-P2,可减容量为P2-C2㊂如果B1-P1>D2-P2,则1号机组的增负荷优先权就高,小负荷分配时,增负荷优先增加到1号机组上;反之,2号机组的增负荷优先权高,小负荷分配时,增负荷优先增加到2号机组上㊂如果P1-A129三梅英,刘养涛,王飞,陈艳.盐锅峡水电厂AGC 调节优化===============================================>P2-C2,则1号机组的减负荷优先权就高,小负荷分配时,减负荷优先减小到1号机组上;反之,2号机组的减负荷优先权高,小负荷分配时,减负荷优先减小到2号机组上㊂简言之,如果有多台机组参加AGC,小负荷分配逻辑会根据各机组当前负荷及对应的可调区间,实时计算出各机组当前的可增㊁可减容量,获得各机组当前增负荷㊁减负荷的优先权大小㊂小负荷分配时,增负荷就优先把负荷增加到增负荷优先权最高的机组上,减负荷就优先把负荷减小到减负荷优先权最高的机组上;如果该机组无法满足分配要求,会将多余的负荷调整到优先权次高的机组上㊂增加小负荷计算对象,具体脚本如下:if($1号机组AGC投入$==1){i1=1;}else{i1=0;}if($2号机组AGC投入$==1){i2=1;}else{i2=0;}if($3号机组AGC投入$==1){i3=1;}else{i3=0;}if($4号机组AGC投入$==1){i4=1;}else{i4=0;}if($5号机组AGC投入$==1){i5=1;}else{i5=0;}if($6号机组AGC投入$==1){i6=1;}else{i6=0;}if($7号机组AGC投入$==1){i7=1;}else{i7=0;}if($8号机组AGC投入$==1){i8=1;}else{i8=0;}if($9号机组AGC投入$==1){i9=1;}else{i9=0;}if($10号机组AGC投入$==1){i10=1;}else{i10=0;}i=i1+i2+i3+i4+i5+i6+i7+i7+i8+i9 +i10;if(i==1){f1=$小负荷1$;}if(i==2){f1=$小负荷1$+$小负荷2$;}if(i==3){f1=$小负荷1$+$小负荷2$*2;} if(i==4&&i<=10){f1=20.0;}if(f1!=$小负荷分配差值范围$) {$小负荷分配差值范围$=f1;}3 结 论经过AGC优化处理后,机组有功功率跳变问题已经有明显改善㊂机组PID调节采用精调节策略后,不会像之前那样有大幅度超调现象,能够调节的比较平缓稳定㊂由于调度特殊的考核机制,建议运行人员在开停机时采用单步增减5MW负荷调节方式,慢慢调整负荷,以满足调度设定值与全厂实发值差限超过4MW不大于15s的要求㊂本次试验完成了全厂10台机组PLC程序修改和上位机AGC组态策略完善,现场动态试验前后对比效果明显,完成了本次改造方案预定目标㊂经过本次升级改造后,AGC响应时间和调节速度都得到了极大的提升㊂参考文献:[1] 徐三敏,张云飞,赵添辰,等. 双碳”目标下新型电力系统发展综述[J].水电与抽水蓄能,2022,8(06):21-25. [2] 裴哲义,孙骁强,王学斌,等. 双碳”目标下电网多能源联合优化调度研究与实践[J].水电与抽水蓄能,2022,8(04):1-12.[3] 崔童飞,李晓明,王硕,等.区域新能源电力系统AGC调频容量实时评估方法[J/OL].电力系统及其自动化学报:1-8[2023-03 -08].https:///10.19635/ki.csu-epsa.001213. [4] 朱华,吴正义.水电厂自动控制功能与电网运行协调优化关键策略[J].水电自动化与大坝监测,2012,36(02):33-35,76. [5] 肖逸,谢俊,刘若平,等.计及风电功率预测误差的备用容量计算新方法[J].电力系统保护与控制,2019,47(09):72-79. [6] 仇进,吴继平,滕贤亮,等.适应辅助服务市场化的自动发电控制调频容量实时计算方法[J].电力系统自动化,2018,42(08):16-21. [7] 宋学杰,陈新仪,宋依群,等.控制区二次调频容量需求预测新方法[J].电力系统及其自动化学报,2016,28(09):123-129.[8] Zhang Guangyuan,Mccalley J D.Estimation of regulation reserverequirement based on control performance standard[J].IEEE Trans on Power Systems,2018,33(02):1173-1183. [9] 蔡杰,芮钧,刘勇,等.IEC61850与KKS在水电站信息模型中的综合应用[J].西北水电,2020(06):104-108.39西北水电㊃2023年㊃第3期===============================================。
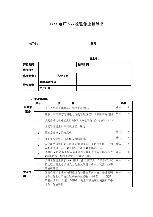
XXXX电厂AGC检验作业指导书电厂名:编号:流水号:一、作业前准备二.作业过程(适应于火电机组)1.参数核实2.AGC接口信息测试记录表1 XXX发电厂1号机组AGC接口信号线路检查记录记录表2 XXX发电厂X号机组AGC接口信号DCS与RTU测试记录表3.AGC静态调试记录表3 调度指令安全校核功能测试记录表4 AGC控制方式切换结果表记录表5 负荷曲线功能测试4.AGC闭环动态测试记录表6 XXX发电厂X号机组AGC控制反向延时测试记录记录表7 XXX发电厂X号机组AGC控制变负荷的静态、动态指标实际测量记录表4.全厂AGC试运行三.作业过程(适应于水电机组)1.参数及接口信息核实与检查记录表8 系统参数确认记录表记录表9 电厂和调度AGC信息交换核对表2. AGC调试态模拟试验记录表10 单机AGC自动退出及投入功能测试记录表记录表11 全厂AGC自动退出及投入功能测试记录表记录表12 AGC控制方式切换结果表测试记录表记录表13 全厂参数及机组参数测试记录表记录表14 不同水头下参数测试结果记录表记录表15 负荷曲线测试结果记录表记录表16 多机AGC功率分配结果记录表记录表17 指令校验功能测试结果记录表3.单机闭环控制测试记录表18 现地定值方式下单机AGC测试记录表记录表19 重点测试的安全项目记录表4. 调度AGC方式下多机AGC闭环测试记录表20 全厂负荷调节和过振动区测试记录表记录表21 机组阶跃响应测试记录表记录表22 机组反向延时测试记录表记录表23 AGC与一次调频叠加试验记录5. 全厂AGC试运行测试三、作业终结填写要求:1.作业结果:正常则填写“√”、异常则填写“×”、无需执行则填写“○”;作业前现场评估后需补充风险的,应在“现场风险评估及交底”栏补充风险内容和临时控制措施。
2.作业中发现作业表单错误、设备缺陷、存在问题或异常情况,应填写“发现问题及处理结果”栏;3.“现场风险评估及交底”栏补充风险或提高原基准风险级别,应填写“风险变化情况”栏;。
AGC调试作业指导书1.目的和要求本指导书提供了AGC调试的方法和要求,从而提高AGC调试质量及效率,规范工程技术人员对AGC的调试工作。
2.适用人员本指导书适用于在所内工程调试、现场工程投运等过程中的工程中心工程师一级及以上人员。
3.职责a)工程部在AGC调试过程中必须对所有AGC项目进行详细调试,仔细记录,并将调试记录备查。
b)所有现场投运、维护人员在现场投运或维护时如对AGC组态有任何改动都必须要详细试验和记录(包括修改依据),并将全部修改后的AGC组态文件拷贝、带回存档4.AGC调试过程4.1.AGC方案评审项目经理根据合同或者设联会纪要要求,召集相关部门经理、技术负责人、项目工程师对AGC方案进行评审,并对AGC特殊点或其他相关技术难题进行方案讨论,如有必要提出功能开发需求并提交技术支持部。
4.2.AGC相关资料获得4.2.1.项目工程师从技术支持部领取最新AGC程序(目前由于AGC尚未标准化,因此尚不能从总工办领取标准可执行文件)。
4.2.2.项目工程师从业主(电厂)取得AGC组态所需相关资料,具体见表1及表2。
表1:AGC组态所需参数全厂参数参数名称填写内容AGC方式按等比例分配故障频率上限Hz(达到该值将退出全厂AGC)故障频率下限Hz(达到该值将退出全厂AGC)正常调频上限Hz(调频模式)正常调频下限Hz(调频模式)紧急调频上限Hz(调频模式下达到该值进入紧急调频模式)紧急调频下限Hz(调频模式下达到该值进入紧急调频模式)正常调频系数(调频模式下使用该参数)紧急调频系数(紧急调频模式下使用该参数)远方有功设值上限MW(按单机最大负荷*机组台数考虑)远方有功设值下限MW远方设定有功与实发值差限MW现地设定有功与实发值差限MW远方设定有功梯度限值MW全厂有功调整死区35MW(按单机调节死区*机组台数考虑)有功设值死区5MW(按单机调节死区考虑)最大水头米最小水头米水头差限值表示正常运行时前后两次水头变化的最大值,若连续两次水头超过限值,则保持原水头并报警全厂输系统频率测量值可靠的系统频率测量源重大事故退全厂AGC信号全厂重大事故综合量I母电压测量值可靠的I母电压测量源II母电压测量值可靠的II母电压测量源其中黄底部分参数为重要组态参数,需要电厂书面确认(必要时需上报调度审核)。
科学技术创新2019.30以行驶安全为前提,通过对汽车驱动、制动、悬架系统等进行主动控制,提高汽车运行的稳定性。
在此基础上,还可以构建驱动系统损耗分析模型,根据损耗情况,确定转矩分配比,提高汽车动力学控制系统的协调度。
2.2联网智能化2.2.1构建大数据平台除了整车智能化技术研究外,汽车联网系统研究也是目前新能源汽车智能化发展的主要方向。
在大数据、云计算等先进信息技术的支持下,可以采用大数据平台高效率完成汽车数据采集和分析工作,为无人驾驶等上层功能的实现提供支持。
从目前国内外的研究进展来看,美国NACTO 协会已经推出一个开放式数字平台,用于交通规划设计和新技术开发,英国TfL 机构通过研究大量交通数据,为动态和静态交通数据分析提供支持。
还有日本的ETC2.0系统,可为驾驶员提供协助,并负责收集车辆行驶信息,提升路面交通整体安全性。
我国目前也在积极构建新能源汽车联网大数据平台,采取国家、地方、企业三级网络架构,借助大数据平台全面采集新能源汽车行驶信息以及道路交通信息,对其进行统计和挖掘分析,能够为新能源汽车监管提供有力支持。
在此情况下,也可以加快新能源汽车的市场发展速度,让人们切实感受到新能源汽车的使用便利性,从而增加购买需求。
2.2.2汽车大数据应用在构建汽车联网大数据平台的基础上,应实现汽车大数据的多元化应用。
在此方面,智能化技术的研究主要集中于两个方向,一是离线设计应用,二是在线分析应用。
其中,离线设计应用主要为新能源汽车生产研发以及技术优化提供支持,通过对新能源汽车大数据进行深入挖掘,了解消费者实际需求,为个性化产品研发提供支持。
在线分析应用主要负责提供车辆监管和服务,比如通过对汽车部件状态进行实时监测,分析新能源汽车行驶安全性,及时发出报警信息,提醒驾驶人员前去检修和保养。
此外,汽车大数据技术的应用也可以为交通智能化管理提供支持,引导车辆避开拥堵路线,实现对交通路网的高效利用。
结束语综上所述,智能化技术在新能源汽车中的应用,能够极大的提升新能源汽车整体性能,为其行驶安全性提供保障。
AGC调试项目AGC调试的目的就是要测试电厂的控制器和机组能否满足AGC控制的要求。
电厂控制器对于火电机组就是协调控制系统;对于接收全厂集中控制信号方式的水电厂活抽水蓄能电站,就是计算机监视控制系统;对于接收单机控制信号的水电机组,就是机组的功率调节装置。
详细的AGC的控制要求如下:电厂控制器能正确接收主站的控制信号,在其调节范围内,控制器的输入与机组功率的输出成线性关系。
对于火电机组,当控制器按整定的调节速率和范围进行控制时,对汽机、锅炉等影响在允许的范围内。
调速器的调节灵敏、调节死区小,无卡滞现象。
(调差率由调度中心给定)控制器的保护措施严密,当调节范围和调节速率超限时,或控制系统故障时,有一系列控制保护动作。
AGC的试验项目有机组单机闭环调试、全厂AGC调试、单个控制区联调、多个控制区联调等几个部分。
机组单机调试AGC机组的单机调试是AGC试验的重要组成部分。
AGC对参加控制的机组及电厂控制器有一定的技术要求,通过试验可以检查它们是否满足要求,并从中获得有关机组和系统的控制参数,为系统的联调准备条件。
单机试验分几个阶段进行。
电厂控制器与机组的调试电厂控制器对于火电机组是机、炉协调控制系统。
由电厂的控制设备维护人员完成,并对控制设备本身进行测试,试验其控制系统和机组是否能满足AGC调节的要求,为AGC单机试验做好准备。
RTU与PLC 接口调试由AGC试验人员在电厂端进行,可采用RTU仿真器设备作为RTU的输出控制信号,相当于AGC发出的控制命令。
在试验中,应检查试验的接口信号是否对应,路径是否开通,RTU的输出与机组控制器的输入是否成线性关系。
从主站的SCADA系统,发出遥调控制信号,测试主站到RTU及机组控制设备之间的下行信号是否稳定和准确,RTU及机组控制系统收到的信号是否准确。
AGC单机闭环调试通过主站的AGC软件进行,通过设置一定的控制方式、控制曲线来观测参加AGC机组的控制性能能否满足控制技术要求。
XXX风电场站内AGC 调试报告审核:部门:编写:日期:年月日1.调试目的为满足省调对 AGC 子站系统的接入要求,充分发挥 AGC 有功功率控制功能,在AGC 系统接入电网前,需要测试 AGC 子站系统的量测采集、策略计算、控制调节、异常响应、安全约束限制等是否满足技术要求,具备现场安全、稳定运行的能力。
2. 调试时间3. 试验过程AGC 系统厂内调试按照静态调试和动态调试两个阶段进行。
3.1.试验安全管理措施3.1.1. 组织措施为确保 AGC 系统试验工作顺利进行,成立由省调、风电场、厂家组成的 AGC 试验工作小组,协调 AGC 试验工作,分工如下:1) 风电场负责组织、协调各方进行 AGC 试验工作;2) 风电场当值运行人员负责调度命令的执行及 AGC 操作,调试人员负责监护;3) 风电场当值运行人员负责对设备运行及母线电压的监视;4) 风电场生产部专业人员负责 AGC 设备的接线、调试;5) 省调负责 AGC 子站技术方案的审批、调试过程监督、指导工作;AGC 主站厂家负责按照 AGC 接入方案的要求,配合完成相关试验工作;6) RTU 厂家及风机监控厂家负责配合 AGC 厂家进行与 RTU 系统及风机监控相关的试验,并密切监控 RTU 系统及风机监控系统是否运行正常。
3.1.2. 安全措施1) 各试验参与单位需认真论证试验方案,参加试验人员必须清楚了解试验内容及每项操作作用,谨慎进行试验项目。
2) 试验期间未经试验总指挥批准同意不得随意更改试验步骤和内容。
3) 本次试验涉及多家单位,各试验单位必须分别做好监视工作,及时记录和汇报异常情况。
4) 试验中若电网出现异常,由省调调度发令终止试验,并迅速恢复到正常方式;若试验系统出现异常,由试验总负责人发令停止试验,待原因查明后,发布是继续进行或终止试验的指令。
5)试验中运行人员密切关注各机组运行情况,在投入 AGC 后出现以下报警可退出 AGC 运行,并向负责人汇报:a) 母线端出现系统频率过高报警b) 有功功率调节系统故障或者调节错误c) 厂内重要保护动作3.2. 静态调试静态调试完成 AGC 系统本体功能,保证设备功能的完整性。
AGC试验方案一、测试目的根据国家能源局南方监管局文件([2017]440号)、南方电网AGC运行管理规定及技术规范的要求,电厂应具备AGC功能。
为保证厂站AGC系统功能和性能满足规程以及AGC系统投入闭环控制后安全稳定的运行。
依据相关规范,特制定XXXXX光伏电站AGC 测试方案。
二、测试人员及职责建议有功功率控制能力及AGC测试工作组的人员安排如下:组长:建议由光伏电站分管生产领导担任成员:建议包括综自系统厂家人员、光伏方阵厂家人员、AGC子站厂家人员、第三方检验测试人员、光伏电站运行值班人员人员名单如下表:序号人员姓名单位联系方式123其中,由负责测试过程中与光伏电站运行值班员及调度配合人员的联系,联系方式:。
测试工作组的人员分工及职责如下:1.组长职责①组织编写有功功率控制能力及AGC测试测试方案。
负责向工作组成员讲解测试方案,说明工作安全风险和防范措施。
②负责测试过程的组织。
负责检查测试人员的精神状态是否良好,负责测试人员的分工安排,指定测试过程中与光伏电站运行值班员及调度配合人员的联系人。
③负责测试过程的过程控制,落实安全控制措施。
④负责监督测试人员严格执行测试方案,满足各项测试要求。
⑤负责组织填写测试结果,出具测试报告。
⑥负责协调光伏电站各部门开展测试。
2.光伏电站测试人员职责①负责检查测试条件,确认满足测试准备要求。
②按照工作分工,根据测试方案的要求开展测试。
③按照工作分工,负责测试过程的监护。
④负责实施安全控制措施。
⑤负责测试过程记录。
3.调度测试人员职责①负责在调度主站配合开展有关测试内容,同步设置运行参数,实施联调测试内容。
②负责调度主站配合测试内容的记录。
③负责监视测试过程,实施调度主站安全控制措施。
4.试验单位职责①负责在光伏电站配合开展有关测试,确保试验方法正确。
②分析试验结果。
5.光伏电站运行值班员职责①履行光伏电站运行值班员职责,按照测试方案调整光伏电站母线电压,投/退光伏电站AGC调度闭环控制。
电厂AGC调频方案1. 引言在电力系统中,频率的稳定性是保障系统正常运行的重要因素之一。
频率的波动可能会导致系统设备的损坏,甚至影响用户的用电体验。
因此,为了保持电力系统的频率稳定,需要进行自动发电控制(AGC)调频。
本文将介绍电厂AGC调频方案,包括调频原理、常用技术和实施步骤等内容。
2. 调频原理调频原理是通过对电力系统实时监测频率的变化,并根据设定的目标频率进行调整。
当系统频率超出一定范围时,发电机组会自动调整出力,以确保频率回归到目标值附近。
电厂AGC调频方案主要包括以下三个要素:2.1. 频率监测电厂需要安装频率传感器或频率测量设备,对系统的频率进行实时监测。
频率监测设备通常会将频率数据传输给调度中心或自动调频控制系统。
2.2. 频率控制当系统频率超出设定的范围时,调度中心或自动调频控制系统会发送调度指令给发电机组,要求其调整出力。
发电机组会根据指令自动调整出力,以控制系统频率的变化。
2.3. 数据传输频率监测数据和调度指令需要进行及时的数据传输。
通常使用通信网络将频率监测数据传输给调度中心或自动调频控制系统,同时将调度指令传输给发电机组。
3. 常用技术在电厂AGC调频方案中,常用的技术包括:3.1. 自动调频控制系统自动调频控制系统是一种集成了频率监测、频率控制和数据传输等功能的软件系统。
该系统能够实时监测频率的变化,并根据设定的目标频率进行调整。
自动调频控制系统通过与发电机组和调度中心的通信,将频率监测数据和调度指令传输。
3.2. 智能算法为了提高调频效果和效率,一些电厂AGC调频方案采用了智能算法,如模糊控制、神经网络等。
这些算法可以根据实时的频率变化和系统负荷情况,智能地调整发电机组出力,以实现更加精确和稳定的调频效果。
3.3. 通信网络电厂AGC调频方案需要进行频率监测数据和调度指令的传输。
为了实现及时的数据传输,通信网络是必不可少的基础设施。
常用的通信网络包括局域网、广域网和卫星通信等。
水电厂AGC自动发电控制系统的调节及改进摘要:伴随科学技术持续性提高,水电厂内逐步应用AGC系统,其自身主要依附控制精度较佳、工作效率高等优势,广泛用于实践中,AGC自动发电控制系统直接关乎整个水电厂运行质量,需对其工作成效加以重视。
本文就水电厂AGC 自动发电控制系统调节和改进展开分析。
关键词:水电厂;AGC;自动发电控制;调节措施现代化水电厂正式运行中,AGC是系统功率、频率高效化控制核心方式被普遍应用,客观呈现自动化发展水平,以免运行中产生的安全事故,自身应用能效十分关键。
AGC安全措施开展十分具备专业化,直接影响整个电网电能质量,针对不同设备厂家,其实现方法存在差异性,需结合实际状况,提出可行性较高的调节和改进措施,保证其实际应用可靠性。
一、水电厂AGC自动发电控制系统调节措施1、AGC机组组合措施针对用于水电厂内的AGC系统而言,可进一步保障电厂运行可靠性基础上,合理配置和调节电厂机组启停和负荷工况点,力争减少电厂水量实际耗损。
水电厂可通过使用AGC系统减少整个运行中人为干扰因素,实现自动化、智能化操作目标。
同时,可动态化追踪水电厂运行中关键装置,进一步减少各类设备维修和维护频次,从本质层面降低整个运行成本。
原有发电系统而言,更多是通过选取调整发电机功率进而保证整个负荷均衡运行,但处于现代化电厂内积极融入新技术、新设备,对其进行创新升级,选用分布式电源,增强整个系统运行对周期环境的敏感度,一经发生异常状况无法保证各系统间均衡,增加事故发生风险,引发大面积停电事故。
为避免具体实践中设备受不良影响,相关管理人员需选取自适应的方法调节AGC设备启停工作,综合性结合该设备内参数,进而实现分层优化,确保水电厂装置设备稳定运行。
AGC系统可积极参考储能设备充电信息做好动态化调节和优化,进而达成降低实际损耗的目标。
2、AGC负荷分配措施AGC机组间为实现负荷均衡化配置,最为关键的是合理控制水电厂水流实际状况,确保其处于流量最小限值,保证整个机组工作特性的同时,可选取合理的计算方法,掌握负荷实际分配状况。
提高机组AGC调节精度及速度的技术改进**、********* *****摘要:介绍了AGC(自动发电控制)在电厂实际运行中出现的问题及处理措施,提出了解决机组AGC调节精度及速度的技术改进方案,通过信号传递系统的完善和阀门调节精度的改善,来达到AGC零考核的目的。
关键词:AGC,CCS协调控制,DCS,精度Improvements In Accuracy And Rate Of AGC Mode Of Power UnitGAN YONG ZHANG YUEHUAI BEI GO-ON POWER PLANT CO.,LTD 235106Abstract: This research topic introduces not only some problems about AGC(Automatic Generation Control)in the producing progress of power plants ,but also a number of measures to deal with these problems.At the same time ,this topic proposes some methods to improve the rate and precision of AGC of generator units,it realizes the producing progress of power plants with no AGC assessments by means of improving the signal transmission system and the regulating precision of valves.Key words: AGC, CCS(Coordinated Control System),DCS,Accuracy众所周知,AGC(自动发电控制)[1]是一项对基础通信自动化要求高、涉及范围广、相关环节多、管理技术上有一定复杂难度的系统工程。
水电厂AGC自动发电控制系统的调节及改进伏文涛(四川华电杂谷脑水电开发有限责任公司,四川成都610041)【摘要】随着技术水平的快速提升以及发展的需要,水电厂中逐渐应用了自动发电控制系统(简称AGC),其具有控制精度好、工作效率高等优势而得到了广泛应用。
AGC自动发电控制系统对于现代水电厂的运行具有非常重要的作用,直接关系到运行的安全性以及电网电能质量。
本文主要产生水电厂AGC自动发电控制系统的调节和改进方面的问题,希望能够对相关人士有所帮助。
【关键词】水电厂;AGC;自动发电控制系统;调节;改进【中图分类号】TM76【文献标识码】A【文章编号】2095-2066(2019)09-0089-02引言在现代水电厂运行过程中,自动发电控制系统(AGC)作为系统功率和频率控制的重要方式得到了广泛应用,在一定程度上体现了我国自动化控制发展水平,同时能够有效避免运行过程中可能发生的安全事故,其具有非常关键性的效用,AGC安全措施的专业与否在很大程度上能影响到电网电能的质量水平。
但是对于不同的设备厂家来说,存在着不同的实现方式。
现阶段水电厂自动发电控制通常会应用两项比较常见的手段:①利用监控系统展开功率分配和闭环控制工作,从而帮助调速器在开度模式展开作业;②利用监控系统展开功率分配,然后再运用调速器予以功率上的闭环控制,而此时调速器就是在功率模式展开作业的。
第二种方式采用的范围更广泛,所以针对此提出AGC自动控制系统调节和改进的策略,这对于进一步推动水电厂的自动化进程具有非常现实的意义。
1水电厂AGC自动发电控制系统调节措施1.1AGC机组组合措施通常来说,于水电厂之中应用AGC系统,能够在确保电厂运行安全性的基础上有效安排调节电厂机组启停和负荷的工况点,最大程度上减少电厂水量消耗。
现代化的水电厂应用AGC系统是非常普遍的,通过AGC系统的有效应用能够减少人为上的因素,达成自动化操作的目标。
除此之外,还可以高效地把控水电厂之中的重要设备及装置,缩减控制室的规模大小,同时可以减少设备维护维修频率,有效降低运行成本。
风电场agc考核整改措施和计划Wind farms play a crucial role in generating clean and renewable energy, but their reliable operation depends on effective automatic generation control (AGC). 风电场在发电方面扮演着至关重要的角色,但它们的可靠运行取决于有效的自动发电控制(AGC)。
In recent AGC assessment, it has been identified that there are certain areas for improvement in the performance of wind farms. 最近的AGC考核中,发现了风电场性能需要改进的特定方面。
To address this issue, a comprehensive plan for improvement and corrective measures needs to be put in place. 为解决这个问题,需要制定一个全面的改进和纠正措施计划。
First and foremost, it is crucial to conduct a thorough assessment of the existing AGC system in the wind farms. It is important to identify any weaknesses or inefficiencies in the current system that may be impacting its performance. 首先,必须对风电场现有的AGC系统进行全面评估。
重要的是要确定目前系统中可能影响其性能的任何弱点或低效率。
Following the assessment, specific areas for improvement should be identified and prioritized. This may include upgrades to the control systems, better integration of forecasting data, or improvements in communication infrastructure. 在评估后,应该确定并优先考虑具体的改进领域。