架空输电线路应力弧垂计算大作业
- 格式:doc
- 大小:517.07 KB
- 文档页数:7
架空线的弧垂、线长及应力计算1 弧垂、线长计算架空线由于档距很大,材料的刚性影响可忽略不计,架空线的形状就像一条两端悬挂的柔软的索链。
所以,可以按悬链线进行计算其弧垂和线成,其方程为:弧垂 f = σ/g〔ch(gl/2σ)-1〕线长L = 2σ/g〔sh(gl/2σ)〕上二式写成级数形式展开后为:f = σ/g{〔1+(L12g2/8σ2)+(L14g4/38σ4)+……〕-1}= (L12g/8σ)+(L14g3/38σ3)+……L = 2σ/g{(L1g/2σ)+(L13g3/48σ3)+(L15g5/3840σ5)+……}= L1+(L13g2/24σ2)+(L15g4/1920σ4)+……为了简化计算,工程上取f第一项计算弧垂,取L前二项计算线长(即用抛物线方程代替悬链线方程近似计算):f = L12g/8σL = L1+(L13g2/24σ2)= L1+(8 f2/3 L1)式中,L1—档距,m;g —架空线的比载,N/m·mm2g = W/S其中,W —单位长度导线重量,N/m;S —导线截面积,mm2σ—架空线最低点应力(水平应力),N/mm2。
按上式计算的误差:当弧垂不大于档距的5%时,线长误差率小于15×10-4%。
几种情况弧垂计算:①在交叉跨越档距中一般需计算被跨越物上面任一点导线的弧垂f x,以便校验交叉跨越距离。
档距中任一点导线的弧垂按下式计算:f x = x(L1-x)g/2σ= 4 f x(1-x/L1)/L1式中,x—从悬挂点至计算坐标点的水平距离,m。
②在悬挂点具有高差的档距中架空线的计算需用斜抛物线法,即:L =(L1/cosφ)+(L13g2 cosφ/24σ2)f = L12g/8σcosφf x = x(L1-x)g/2σcosφ式中,φ—高差角,φ = arc tg(h/L1)其中,h —高差;L1—档距。
2 应力计算①架空线任一点处的应力架空线各点所受应力的方向是沿架空线切线方向变化的,最低点处的应力称为水平应力,只要知道最低点应力,架空线上任一点的应力都可以用下式计算求得:σX= σ+(f-f x)g式中,σX—架空线任一点处的应力,N/mm2;σ—架空线最低点应力(水平应力),N/mm2;f —架空线弧垂,m;f x—计算点导线的弧垂,m;g —架空线比载,N/m·mm2。
架空输电线路最⼤弧垂的判定计算应⽤图⽚部分点击放⼤阅读)1.前⾔⼩编在前⾯介绍过架空输电线路的⽓象条件确定、导、地线参数最⼤使⽤应⼒的计算。
通过⽓象条件及导、地线参数我们能求出导、地线⽐载,因此我们介绍了导、地线⽐载的计算,具体见《架空输电线路导、地线的⽐载计算应⽤⽰例》。
我们知道了最⼤使⽤应⼒,但该最⼤使⽤应⼒属于那种⽓象条件?为此我们通过⽓象条件、导、地线参数及⽐载我们判断控制⽓象条件,既求临界档距,因此我们介绍了控制⽓象条件判断,见《架空输电线路有效临界档距的判定(控制⽓象条件)计算应⽤》。
我们知道了控制⽓象条件的应⼒,但温度的变化导线的应⼒发⽣相应的变化,所以我们⼜介绍了各种⽓象条件下导、地线应⼒的计算,见《[基础课堂]各种⽓象条件下导、地线应⼒的计算应⽤(状态⽅程式求解)》。
前⾯我们介绍的关系如下:▲相关计算关系图通过前⾯的介绍我们能求出各种⽓象条件下导、地线的垂直⽐载就知道过导、地线的垂直荷载(导、地线垂直⽐载、截⾯与垂直档距之积)、⽔平荷载(既风压荷载,导、地线⽔平⽐载、截⾯与⽔平档距之积)。
能求出各种⽓象条件下弧垂最低点处的应⼒,则我们就知道过导、地线的纵向荷载(最低点⽔平应⼒与导、地线与截⾯之积,通过此可以求出⾓度荷载,不平衡张⼒等,后期⼩编会陆续系统介绍)。
前⾯我们介绍的都是弧垂最低的⽔平应⼒,那导线上任何⼀点的应⼒呢,我们前⾯经常提到的弧垂最低的弧垂到底多少呢,我们导线上任意⼀点弧垂⼜是多少,计算弧垂是判断导线对线下的地⾯、建筑物或其他跨越物安全距离确定的参数之⼀。
通过前⾯⼩编的介绍我们知道应⼒随⽓象条件发⽣变化⽽变化,所以弧垂也会随⽓象条件发⽣变化⽽变化,那到底什么时候弧垂最⼤,对地⾯、建筑物或其他跨越物安全距离最⼩呢,本期专题⼩编就介绍怎么判断在什么⽓象条件下弧垂最⼤,最⼤值是多少,后续我们将陆续介绍怎么计算导、线档中、弧垂最低点⼏上任意⼀点的应⼒与弧垂。
2. 最⼤弧垂及计算我们架空输电线路中说的最⼤弧垂是指导、地线在⽆风⽓象条件下垂直平⾯内弧垂的最⼤值。
试论输电线路观测弧垂计算公式的实施要点及调整问题【摘要】架空线路的弧垂问题是影响线路运行安全的重要因素,所以在观测与维护中首先应当利用精度高且易于操作的技术措施进行观测,同时控制观测中的不良因素。
最后在调整中应当注意协调和配合,提高作业的精度,这样才能保证弧垂控制工作的有效进行。
【关键词】弧垂测量;角度测量;精度提高;调整要点引言架空线路中,导线需要在杆塔之间进行悬挂,这样导线就会在杆塔之间形成一个因重力而形成的弧度,这个弧度就是通常说的弧垂,其具体的高度就是指导线悬挂的两点之间的连线到导线最低点的距离,这个距离也是最大的弧垂,其中在观测中控制的就是最大的弧垂。
在高压线路施工中控制弧垂是一项重要的工作,因为新架设的线路在经过一段时间的运行后就会出现不同程度的下垂,未来安全起见弧垂应被适当的调整,所以在实际的运行管理中弧垂的检查和调整是十分重要的工作内容。
1 弧垂观测与计算的公式1.1 角度法测量为了在检查中对弧垂进行准确的观测并提高整个观测的效率,送电网络施工的过程中,广泛的被应用的是经纬仪的观测方式,即角度法测量弧垂的程度。
角度法就是观测架空线路弧垂的角度以此替代观测垂直距离的高度,实现利用经纬仪在地面之间观测的技术措施和计算方法。
优势是对大档距的观察,如果仅仅依靠目测其切入点模糊,而经纬仪相对准确,观测效果精度较高。
而且等长法、异长发观测需要登杆塔进行,所以角度法相对比较安全。
采用角度法对弧垂进行观测,因为经纬仪测量的角度不同,位置不同,有三种不同的情况,即档端角度、档外角度、档内角度。
三种方法都是角度法的不同技术措施,应当优先选择的是档端角度测量。
以为档端角度法选择的经纬仪位置是观测档区内的一端的杆塔中心,观测起来较为方便。
计算简单且方便技术人员相互联络,只有在档端法受到限制时才利用其它方法。
1.2 角度法计算公式在利用三种测量方法时,其计算的公式也会不同,1)档端角度测量,方法是将仪器支架在档距的端点对弧垂进行观测,其计算公式为:在观测弧度的时候,利用这样的方式最为常见也很方便,但是视角切换不易控制,最大弧垂的测量有一定的误差。
架空光缆弧垂计算及受力分析在电力系统中,架设于高压输电线路的光缆主要有ADSS 、OPGW ,ADSS 主要应用于已有的输电线路,OPGW 主要用于新建电力线路,以及对旧线路的改造中。
由于OPGW 具有传输信号的通道.又可作为地线的两重功效,因此得到了越来越多的应用。
光缆架设后,在最恶劣的自然条件下受力,这对光缆的寿命影响很大。
如何确定光缆的受力,对设计者来说也是一个重要的环节。
1 架空光缆的弧垂计算光缆悬挂于杆塔A 、B 之间,并且在自重作用下处于平衡状态。
假设在光缆上均匀分布着载荷g ,则光缆在杆塔A 、B 之间具有一定的弧垂,取光缆上最低点为坐标原点,光缆上任意一段长度为L 。
(如图1所示)。
假设光缆水平方向的应力为0δ,光缆的横截面积为S ,则光缆水平方向的拉力为00T S δ=⨯。
光缆受到的轴向拉力x T ,且与水平方向的夹角为α,则在长度为xL 的一段内,光缆由受力平衡条件得到:00cos sin x xx T T ST g L S αδα==⋅⎧⎨=⋅⋅⎩(1-1)由以上两式相比得:x dy gtg L dx αδ==而:()220x d y g d tg dL dx αδ===dx =两边积分得:d tg gdx αδ=⎰()()110gsh tg x c αδ-=+()10dyg tg sh x c dx αδ⎡⎤==+⎢⎥⎣⎦又有图1知:当0x =时,0tg α=,所以10c =,因此()001/g y ch x m g δδ⎡⎤⎛⎫=-N ⎢⎥⎪⎝⎭⎣⎦所以有:0gdy sh x dx δ⎛⎫=⎪⎝⎭⎰⎰ 020g y ch x c g δδ⎛⎫=+ ⎪⎝⎭又因为,当0x =时,0y =,所以20/c g δ=-。
从而,我们推导出了光缆在两杆塔之间的状态方程为一悬链线曲线方程。
即001gy ch x g δδ⎡⎤⎛⎫=-⎢⎥⎪⎝⎭⎣⎦(1-2) 例如,设光缆两杆塔高度差为10m ,较低的杆塔高为22m ,档距为250m ,取三种情况:①g =0.01188(N /m *mm ),0δ=39.63(Mpa) ;②g =0.01788(N /m *mm ),0δ=37.97(Mpa) ;⑧g =0.03797(N /m *mm ), 0δ=62.83(Mpa);利用数学软件athematia M 得到的曲线如图2所示。
某220kV线路通过我国典型气象区Ⅶ区,导线采用LGJ—300/35,线路的一个耐张段如图所示。
假定架线竣工时(初伸长未放出)悬垂串铅垂,气象条件变化引起悬垂串偏斜后各档应力趋于一致,试按连续档编写程序精确求解各档的应力和弧垂。
已知悬垂串串长λ=1582mm,串重G J=438.7N。
(导线安全系数取k=2.5,E=78400MPa,α=18.8×10-6 1/℃)。
只要学过输电线路设计的人都应该看得懂前面那些数据,那些作为已知条件直接定义了,学线路的肯定会算。
连续档架空线求弧垂,应力(C语言程序代码)#define E 78400#define ri 31.514/1000#define Ri 31.128/1000#define Q0 63.939#define cos1 0.9974587#define cos2 0.9960726#define cos3 0.9937313#define cos4 0.9950372#define t 1.582#define Gj 438.7#define A 333.31#include<stdio.h>#include<math.h>void main (){double l[4];/*绝缘子的偏移量*/double Q[4];/*应力*/double LP[4];/*档距的变化量*/float L1=350.0,L2=450.0,L3=400.0,L4=300.0;/*档距*/double f[4];/*弧垂*/float H1=25.0,H2=40.0,H3=45.0,H4=30.0;Q[0]=48.0;do{LP[0]=(pow(L1,2)*pow(cos1,2)/24*(pow(ri/Q0,2)-pow(Ri/Q[0],2))+(Q[0]-Q0)/E/cos1+9.4/10000) *L1/pow(cos1,2)/(1+pow((L1*Ri),2)/(8*Q[0]*Q[0]));l[0]=LP[0];Q[1]=(l[0]*(Gj/2/A+Ri*L1/2/cos1+Q[0]*H1/L1+Ri*L2/2/cos2)+Q[0]*sqrt(t*t-l[0]*l[0]))/(sqrt(t*t-l[ 0]*l[0])+l[0]*H2/L2);LP[1]=(pow(L2,2)*pow(cos2,2)/24*(pow(ri/Q0,2)-pow(Ri/Q[1],2))+(Q[1]-Q0)/E/cos2+9.4/10000)* L2/pow(cos2,2)/(1+pow((L2*Ri),2)/(8*Q[1]*Q[1]));l[1]=LP[1]+LP[0];Q[2]=(l[1]*(Gj/2/A+Ri*L2/2/cos2+Q[1]*H2/L2+Ri*L3/2/cos3)+Q[1]*sqrt(t*t-l[1]*l[1]))/(sqrt(t*t-l[ 1]*l[1])+l[1]*H3/L3);LP[2]=(pow(L3,2)*pow(cos3,2)/24*(pow(ri/Q0,2)-pow(Ri/Q[2],2))+(Q[2]-Q0)/E/cos3+9.4/10000)* L3/pow(cos3,2)/(1+pow((L3*Ri),2)/(8*Q[2]*Q[2]));l[2]=LP[2]+LP[1]+LP[0];Q[3]=(l[2]*(Gj/2/A+Ri*L3/2/cos3+Q[2]*H3/L3+Ri*L4/2/cos4)+Q[2]*sqrt(t*t-l[2]*l[2]))/(sqrt(t*t-l[ 2]*l[2])+l[2]*H4/L4);LP[3]=(pow(L4,2)*pow(cos4,2)/24*(pow(ri/Q0,2)-pow(Ri/Q[3],2))+(Q[3]-Q0)/E/cos4+9.4/10000)* L4/pow(cos4,2)/(1+pow((L4*Ri),2)/(8*Q[3]*Q[3]));l[3]=LP[3]+LP[2]+LP[1]+LP[0];Q[0]=Q[0]+0.01;}while(fabs(l[3])>0.001);f[0]=Ri*pow(L1,2)/8/Q[0]/cos1;f[1]=Ri*pow(L2,2)/8/Q[1]/cos2;f[2]=Ri*pow(L3,2)/8/Q[2]/cos3;f[3 ]=Ri*pow(L4,2)/8/Q[3]/cos4;printf ("第一档绝缘子的偏移量L1=%f\n",l[0]);printf ("第二档绝缘子的偏移量L2=%f\n",l[1]);printf ("第三档绝缘子的偏移量L3=%f\n",l[2]);printf ("第四档绝缘子的偏移量L4=%f\n",l[3]);printf ("*******************************\n\n");printf ("第一档应力q1=%f\n",Q[0]); printf ("第二档应力q2=%f\n",Q[1]); printf ("第三档应力q3=%f\n",Q[2]); printf ("第四档应力q4=%f\n",Q[3]);printf ("*******************************\n\n");printf ("第一档档距的变化量LP1=%f\n",LP[0]);printf ("第二档档距的变化量LP2=%f\n",LP[1]);printf ("第三档档距的变化量LP3=%f\n",LP[2]);printf ("第四档档距的变化量LP4=%f\n",LP[3]);printf ("*******************************\n\n");printf ("第一档弧垂f1=%f\n",f[0]);printf ("第二档弧垂f2=%f\n",f[1]);printf ("第三档弧垂f3=%f\n",f[2]);printf ("第四档弧垂f4=%f\n",f[3]);printf ("*******************************\n\n");}。
架空输电线路导线应力状态方程式计算过程解析1. 导言好家伙,提到架空输电线路,脑海中是不是立马浮现出那高高在上的电线杆?对,就是那些让我们在路上开车时不自觉仰头的大家伙!它们可不仅仅是把电送到你我家,更是承受着各种各样的应力,真是个“背负重任”的角色。
今天,我们就来聊聊这些导线的应力状态方程式是怎么计算的,听上去挺复杂对吧?其实也没那么难,咱们慢慢来。
2. 应力状态方程式的基本概念2.1 应力是什么首先,咱们得弄明白“应力”到底是个啥。
简单说,就是材料在外力作用下内部产生的抵抗力。
就像是你在沙滩上挖坑,沙子会对你的手产生一种反作用力,这个力就是应力。
电线在风吹日晒、雨淋雪压的情况下,也会产生不同的应力,形成“紧张局势”。
2.2 为什么要计算应力既然知道了什么是应力,那接下来就得问,为什么咱们要计算它呢?嘿,这个就像是咱们在减肥之前先量体重一样,有个基准才能知道自己有没有变化。
通过计算应力,我们能确保电线在各种情况下都不会“扛不住”,避免出现意外,比如断线那就惨了,搞不好连停电都要来一场!3. 应力状态方程式的计算步骤3.1 第一步:确定外力好啦,咱们的计算之旅正式开始。
第一步,就是得弄清楚电线周围的环境,哪些外力会影响它。
风速、雪重、温度变化,都是重要的“参与者”。
比如,冬天一场大雪下来,电线承受的重力可不小,那可是沉甸甸的。
3.2 第二步:建立模型接下来,我们得建立一个合理的计算模型。
就像搭积木一样,得把每个因素都考虑进去。
一般来说,咱们会用一些简化的假设来进行计算,毕竟没必要把每根电线都当成超级复杂的模型来对待。
一般的做法是把电线视为一个均匀的、线性弹性的杆子,然后通过公式来计算应力。
3.3 第三步:应用公式然后就到最激动人心的时刻了,应用公式!应力状态方程式通常可以表示为:σ = F/A。
听上去有点抽象,但没关系,咱们举个例子。
假设有根电线承受着100公斤的重力,而电线的截面积是0.1平方米,那么计算出来的应力就是1000帕斯卡。
架空电力线弧垂计算引言:架空电力线是指悬挂在电力铁塔上的输电线路,通过这些线路将电能传输到各个地方。
在输电过程中,电力线会受到重力的作用,产生一定的弧垂。
为了确保电力线的安全运行,需要对弧垂进行计算和调整。
本文将介绍架空电力线弧垂计算的原理和方法。
一、弧垂的定义和影响因素弧垂是指电力线在两个支撑点之间的最低点与两个支撑点之间的直线距离之差。
弧垂的大小受到以下几个因素的影响:1. 电力线的自重:电力线本身具有一定的重量,自重会使电力线产生下垂。
2. 外界气温:气温的变化会导致电力线的线膨胀和收缩,从而影响弧垂。
3. 风的作用:风的吹拂会给电力线带来风压,从而使电力线产生弧垂。
4. 线路设计:线路设计中的各种参数如跨距、导线型号等也会对弧垂产生影响。
二、弧垂计算的基本原理为了确保电力线在正常运行过程中不会接触到地面或其他物体,需要对弧垂进行计算。
弧垂计算的基本原理是平衡力的原理,即电力线所受到的重力和张力之间的平衡关系。
根据平衡力的原理,可以得出以下公式:T = W + F其中,T表示电力线的张力,W表示电力线的自重,F表示由风压引起的力。
三、弧垂计算的方法1. 基于平衡力原理的计算方法:根据平衡力原理,可以列出电力线在水平方向和竖直方向上的平衡方程,然后解方程组得到电力线的张力和弧垂。
这种方法适用于简单的线路结构和均匀的风压条件。
2. 基于数值模拟的计算方法:利用计算机软件对电力线进行数值模拟,通过改变参数和条件来模拟不同情况下的弧垂。
这种方法可以更准确地计算弧垂,但需要借助专业的软件和复杂的计算模型。
3. 基于经验公式的计算方法:在实际工程中,也可以使用经验公式来对弧垂进行估算。
经验公式是根据大量实测数据总结出来的,可以快速计算出大致的弧垂数值。
这种方法适用于一般的电力线设计和施工,但精度相对较低。
四、弧垂调整的方法根据计算结果,如果发现电力线的弧垂超过了设计要求,需要进行调整。
常用的调整方法有以下几种:1. 调整电力线的张力:可以通过调整线路两端的张力来改变电力线的弧垂,增大张力可以减小弧垂,反之亦然。
架空线路弧垂、应力及线长计算1、导线的机械特性和荷载 1.1导线的机械特性导线的特性参数是指导线的瞬时破坏应力σp 、弹性系数E 、温度线膨胀系数α以及密度γ等数据。
这些特性参数是对导线进行机械计算的重要依据,一般可从有关资料或手册中得到。
1.1.1导线的瞬时破坏应力σp 。
对导线做拉伸试验时,将测得的瞬时拉断力除以导线的截面积,即得导线的瞬时破坏应力σp ,计算公式为σp =AT p (N/mm 2) (ZY0400201002-1)式中:T p —导线的瞬时拉断力,N ;A —导线的截面积,mm 2。
对于钢芯铝绞线来说,指的是的综合瞬时破坏应力σp ,可以通过下面的经验公式求得σp =sa sps s ap a a A A σA σA η++η(N/mm 2) (ZY0400201002-2)式中:ηa —铝线绞合引起的强度损失系数,37股以下绞线ηa =0.95,37股以上绞线ηa =0.9; ηs —钢绞线绞合引起的强度损失系数,取ηa =0.85; σap —铝单线的抗拉强度,N /mm 2; σsp —钢线的抗拉强度,N /mm 2; A a —铝部的截面积; A s —钢部的截面积。
1.1.2导线弹性系数E 。
是指在弹性限度内,导线受拉力作用时,其应力σ与应变ε的比例系数E 。
钢芯铝绞线的弹性系数是一个综合弹性系数E ,可按下式计算aaE E E ++=1a s (N/mm 2) (ZY0400201002-3)式中:E s —单股钢线的弹性系数,N /mm 2; E a —单股铝线的弹性系数,N /mm 2;a —导线铝和钢的截面比,LGJ 型a =5.3~6.0,LGJQ 型a =8.0,LGJJ 型a =4.3~4.4。
1.1.3导线温度线膨胀系数α。
是指导线温度升高1℃时长度伸长的相对值,用公式表示为α=tΔε(1/℃) (ZY0400201002-4)式中:ε—温度变化引起的导线相对变形量;∆t —温度变化量,℃。
架空输电线路电线拉力&弧垂理论基础李叔昆编2012年3月目录一、电线上的荷载二、悬链线方程式三、档距中的弧垂与线长四、大气条件变化时电线中的应力与弧垂的变化――状态方程式五、临界档距六、临界温度七、状态方程式的求解八、电线力学特性表及安装表的计算九、悬点不等高时档距中的应力、弧垂与线长十、孤立档导线的应力和弧垂架空线路的电线悬于大自然界空气中,要遭受外加荷载的作用,如冰雪、风,使电线的拉力发生变化。
外加荷载的作用是不均匀的,一般在计算中假定荷载的分布是均匀的。
在计算中,表明荷载的方式是比载(或单重)。
即单位长度(1m),单位截面(1mm2),电线上的负荷(kg)。
或采用单位长度上的荷载kg/m 。
比载的分类及计算公式:1) 电线自重比载g1g1=W/S kg/m· mm2式中W-电线单重,(kg/m);S-电线截面,(mm2)。
2) 冰层比载g2(当冰层比重为0.0009kg/cm3时)g2=0.00283b(d+b)/S kg/m· mm2式中b-电线上冰层厚度,(mm);d-电线直径,(mm)。
或g2=Πb(d+b)γ0/1000S kg/m· mm2式中γ0-电线上冰比重,(kg/cm3);Π-3.1416。
3 )电线自重加冰重比载g3g3=g1+g2 kg/m· mm2 4) 作用于电线上风压的比载g4g4=0.0000636dV2/S kg/m· mm2式中V-风速,(m/S)。
5) 有冰时作用于电线上风压的比载g5g5=0.0000636V2(d+2b)/S kg/m· mm2 6) 电线自重与风压综合比载g6g6=√(g12+g42) kg/m· mm2 7) 电线自重与冰、风压综合比载g7g7=√(g32+g52) kg/m· mm2◎如图,沿线荷载均匀分布,比载为g 的电线,悬挂于A B 两点之间,所形成的曲线称为悬链线。
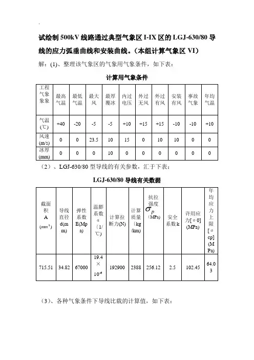
试绘制500kV线路通过典型气象区I-IX区的LGJ-630/80导线的应力弧垂曲线和安装曲线。
(本组计算气象区VI)解:(1)、整理该气象区的气象用气象条件,如下表:计算用气象条件(2)、LGJ-630/80型导线的有关参数,汇于下表:LGJ-630/80导线有关数据(3)、各种气象条件下导线比载的计算值,如下表:比载汇总表(4)、计算临界档距,判断控制条件: 1)、可能控制条件的有关参数见表:可能的应力控制气象条件由于该气象区的最大风速和最厚覆冰气象的气温相同,二者的许用应力相同,因此二者中比载小的不起控制作用,故不把最大风速作为可能控制的气象条件。
2)、按等高悬点考虑,计算各临界档距为:m l ac 4.222=,m l ad 93.35=,32.612j l cd =m ;3)、判断有效临界档距,确定控制气象条件。
将各个临界档距值填于有效临界档距判别表,容易看出m l ad 93.35=为有效临界档距,实际档距ad l l ≤时,最低气温为控制条件;实际档距ad l l ≥时,年均气温为控制条件。
有效临界档距辨别表(5)、计算各气象条件的应力和弧垂。
1)、以各个档距范围的控制条件为已知条件,有关数据如下表:2)、以各气象条件为待求条件,已知参数如下表:待求条件及已知参数3)、利用状态方程〔5-7),求得各待求条件下的应力和弧垂,如表5-16所示,根据计算结果很容易看出,最大弧垂发生在最高气温气象条件。
(6)以上表数据为依据,绘制应力弧垂曲线如下图:应用状态方程式求解各个施工气象下的安装应力进而求得相应的弧垂如下表:度35.9 50 100 150 200 250 300 350 400 450 500 550 600 650 700 40 1.32 1.07 0.93 0.85 0.8 0.76 0.74 0.72 0.7 0.69 0.64 0.68 0.68 0.7 0.67 30 1.03 1 0.9 0.84 0.78 0.75 0.72 0.71 0.69 0.68 0.68 0.67 0.67 0.7 0.66 20 0.87 0.84 0.81 0.78 0.76 0.74 0.71 0.69 0.68 0.67 0.67 0.66 0.66 0.7 0.65 10 0.63 0.63 0.63 0.63 0.63 0.63 0.63 0.63 0.63 0.63 0.63 0.63 0.63 0.6 0.63 0 0.52 0.53 0.55 0.57 0.58 0.59 0.59 0.6 0.6 0.61 0.61 0.61 0.62 0.6 0.62 -10 0.45 0.46 0.47 0.49 0.51 0.53 0.55 0.57 0.58 0.59 0.6 0.61 0.62 0.6 0.62按照表中的应力弧垂数据绘制40—-10℃的6条安装曲线如下图所示:。
收稿日期:20031024作者简介:王向东(1971—),男,工程师,1994年毕业于重庆大学电气工程系。
架空绝缘配电线路应力与弧垂计算及应用王向东(铁道专业设计院水电处 北京 100020) 摘 要:介绍架空绝缘配电线路设计时应力、弧垂的计算及其应用。
关键词:绝缘线路;应力;弧垂 中图分类号:U221 文献标识码:B 文章编号:10042954(2004)030082021 概述为保证架空绝缘配电线路安全可靠运行及适应自然界的各种气象变化,必须保证正确的线路设计。
架空绝缘配电线路设计的前提是导线机械力学计算,其主要是绝缘线路导线应力与弧垂的计算。
该计算是一项复杂、繁琐的工作。
为此,本文介绍一种简洁的计算方法供参考。
同时,编制了一套架空绝缘配电线路导线应力与弧垂计算的程序,该程序能计算出绝缘导线在某种气象条件下及某种档距情况下绝缘线路的应力及弧垂,是进行架空绝缘配电线路应力与弧垂计算的通用软件。
2 导线应力和弧垂设计原则在保证绝缘线安全系数的同时,要求在不利的气象条件下,绝缘线路应力恰好达到最大使用应力或平均运行应力,以充分利用绝缘线的机械强度。
绝缘线的应力与弧垂设计必须首先确定线路在什么气象条件下出现最大应力及所对应的控制应力。
临界档距是确定导线应力出现最大值时的控制气象条件的依据。
为此,在计算临界档距之前,必须确定各控制气象条件及所对应的控制应力,再根据指定的气象条件确定临界档距,根据临界档距即可划分各控制气象条件及其对应的控制应力所控制的档距范围。
3 临界档距计算和有效临界档距的判定架空绝缘线路的状态方程为σn -E L 2g 2n24σ2n=σm -E L 2g 2n24σ2m-αE (t n -t m )(1)式中 σn 、g n 、t n ———已知状态下的导线应力(MPa )、比载(N/m ・mm 2)和温度(℃);σm 、g m 、t m ———待求状态下的导线应力(MPa )、比载(N/m ・mm 2)和温度(℃);L ———档距(m ),对直线杆塔的连续档,则为耐张段的代表档距;E ———导线的弹性系数(MPa );α———导线的线膨胀系数(1/℃)。
架空线路导线弧度该怎样计算?架空线路导线弧度怎样计算?答:输配电架空线路在施工架线和运行中都会要求导线弧垂的工作。
弧垂的大小对于线路的安全运行起到很重要的作用。
孤垂值如果选取不合理,返工处理工作量大,并且十分困难。
因此,对弧垂进行观测检查和调整,是线路施工中最为重要的—部分。
架空线是输电线路中常用的形式。
不同的地域由于温差大的地区弧垂过小,导线的热胀冷缩使导线在低温天气弧垂过小、张力过大而导致导线断股或断裂的现象;弧垂过大在高温季节会使导线垂得很低,出现安全隐患。
另外架空线的放线尺寸如不能精确控制也会导致弧垂大小不一,影响美观。
在架空线施工中,控制合理的弧垂量是保证线路安全运行而又使架空线外形美观的关键问题之一。
下面介绍一下导线长度(L)、弛度(F)和安全系数的计算方法。
对于中、低压配电线路的档距不大,而且均句,市内一般在35~50m左右,即使郊区、农村和特别跨越档一般也小于100m,导线最大应力发生在最低温度时,再加上电杆高度也很均句,导线弛度F (m)和导线长度L(m)都可按下列近似公式计算,误差极小。
F=βℓ²/8 (m)L=ℓ 8f²/3ℓ=ℓβ²ℓ³/24εδ²式中β为相应的比载〔N/(m×mm²)〕式中ℓ为档距(m)式中ε导线最低点的应力(N/mm²)导线悬挂点的应力ε(N/mm²)是εδ βf铝绞线、钢芯铝绞线的允许最小安全系数规程规定一般地区为2.5,重要地区为3,实际都大于3;铜绞线规程规定一般地区为2,重要地区为2.5,实际也都在2.5~5之间。
城镇居民较多,要求提高安全系数,为了绿化要求增加电杆高度,同时中低压配电线路档距一般都较小,因此加大安全系数,适当地增加弛度,对杆高影响不大,而对电杆弯矩、拉线强度、横担和金具强度的要求可大大降低,总的来看还是合理的。
以上个人看法,有关详细技术参数可到当地供电公司的输配电工区找工程师给你解释。
计算机在输电线路导线、避雷线弧垂应力计算中的应用摘要架空输电导线、避雷线的弧垂,在实际工程中是非常重要的,这是因为架空线常年暴置于大自然中,受气象条件的影响较大,当温度变化或外部荷载大小变化时,架空线的长度会发生改变,虽然与其实际长度相比较其所占的百分比很小,但架空线长度的很小变化,会引起导线弧垂和应力产生相当大的变化。
在线路设计中,若设计弧垂过小,架空线收得过紧,则会引起应力过大,振动加剧,同时杆塔荷载增大因而要求强度提高。
反之,若弧垂过大,架空线较松弛,则为了满足导线对地的安全距离要求,需增加杆塔的高度和增大杆塔头部尺寸,使线路投资增加。
因此,弧垂的理论研究和计算,已成为输电线路设计和施工的重要理论计算工作之一。
特别是近几年来,我国超高压交、直流输电线路的迅速发展,越来越多地使用大载面导线或分裂导线,档距也越来越大,所以更应该进一步去研究弧垂计算理论,计算出更精确的弧垂数值来。
本文从阐述在线路设计过程中的所涉及的架空线弧垂应力、不平衡张力及荷载计算等方面的理论、概念及计算方法等入手,其中重点是导线、避雷线弧垂应力计算方面。
并通过结合计算机技术的应用进行算例,从中体现出计算机技术在线路设计繁杂的计算中应用的优越性。
关键字:计算机,线路计算,应用目录引言 (1)1.导线、避雷线弧垂应力1.1 概述 (2)1.2 设计用气象条件 (2)1.3 导线、避雷线的比载计算 (2)1.4 架空线的最大使用应力和年平均应力 (4)1.5 临界档距 (4)1.5.1 临界档距的概念 (5)1.5.2 临界档距的计算公式 (6)1.5.3 临界档距的判定 (7)1.6 最大弧垂的判定 (7)1.7 弧垂应力曲线计算及制作 (8)1.7.1 设计线路概况 (8)1.7.2 导线弧垂应力曲线计算及制作 (9)1.7.3 避雷线弧垂应力曲线计算及制作 (17)1.8 弧垂应力计算语言、自设程序 (22)2.避雷线最大使用应力的确定2.1 简述 (25)2.2 避雷线最大使用应力的选择 (25)3.导线、避雷线不平衡张力计算3.1 概述 (26)3.2 断线张力的确定 (26)3.3 线路正常运行中的不平衡张力计算 (27)3.4 避雷线的支持力 (27)4.杆塔荷载的计算4.1 荷载的分类和荷载组合 (27)4.2 荷载的计算条件 (28)4.3 荷载计算用档距的确定 (29)4.4 荷载的计算 (29)结论 (30)参考文献 (30)附件 (30)引言架空线常年暴置于大自然中,经受各种恶劣气候的影响。
架空线的弧垂、线长及应力计算1 弧垂、线长计算架空线由于档距很大,材料的刚性影响可忽略不计,架空线的形状就像一条两端悬挂的柔软的索链。
所以,可以按悬链线进行计算其弧垂和线成,其方程为:弧垂 f = σ/g〔ch(gl/2σ)-1〕线长L = 2σ/g〔sh(gl/2σ)〕上二式写成级数形式展开后为:f = σ/g{〔1+(L12g2/8σ2)+(L14g4/38σ4)+……〕-1}= (L12g/8σ)+(L14g3/38σ3)+……L = 2σ/g{(L1g/2σ)+(L13g3/48σ3)+(L15g5/3840σ5)+……}= L1+(L13g2/24σ2)+(L15g4/1920σ4)+……为了简化计算,工程上取f第一项计算弧垂,取L前二项计算线长(即用抛物线方程代替悬链线方程近似计算):f = L12g/8σL = L1+(L13g2/24σ2)= L1+(8 f2/3 L1)式中,L1—档距,m;g —架空线的比载,N/m·mm2g = W/S其中,W —单位长度导线重量,N/m;S —导线截面积,mm2σ—架空线最低点应力(水平应力),N/mm2。
按上式计算的误差:当弧垂不大于档距的5%时,线长误差率小于15×10-4%。
几种情况弧垂计算:①在交叉跨越档距中一般需计算被跨越物上面任一点导线的弧垂f x,以便校验交叉跨越距离。
档距中任一点导线的弧垂按下式计算:f x = x(L1-x)g/2σ= 4 f x(1-x/L1)/L1式中,x—从悬挂点至计算坐标点的水平距离,m。
②在悬挂点具有高差的档距中架空线的计算需用斜抛物线法,即:L =(L1/cosφ)+(L13g2 cosφ/24σ2)f = L12g/8σcosφf x = x(L1-x)g/2σcosφ式中,φ—高差角,φ = arc tg(h/L1)其中,h —高差;L1—档距。
2 应力计算①架空线任一点处的应力架空线各点所受应力的方向是沿架空线切线方向变化的,最低点处的应力称为水平应力,只要知道最低点应力,架空线上任一点的应力都可以用下式计算求得:σX= σ+(f-f x)g式中,σX—架空线任一点处的应力,N/mm2;σ—架空线最低点应力(水平应力),N/mm2;f —架空线弧垂,m;f x—计算点导线的弧垂,m;g —架空线比载,N/m·mm2。
[基础课堂]架空输电线路悬挂点、弧垂最大、档距中央、任意点等应力计算应用1.前言小编在前面介绍过架空输电线路的气象条件确定、导、地线参数最大使用应力的计算。
通过气象条件及导、地线参数我们能求出导、地线比载,因此我们介绍了导、地线比载的计算,具体见《架空输电线路导、地线的比载计算应用示例》。
我们知道了最大使用应力,但该最大使用应力属于那种气象条件?为此我们通过气象条件、导、地线参数及比载我们判断控制气象条件,既求临界档距,因此我们介绍了控制气象条件判断,见《架空输电线路有效临界档距的判定(控制气象条件)计算应用》。
我们知道了控制气象条件的应力,但温度的变化导线的应力发生相应的变化,所以我们又介绍了各种气象条件下导、地线应力的计算,见《[基础课堂]各种气象条件下导、地线应力的计算应用(状态方程式求解)》。
为了判断导线对地是否安全我们介绍了怎么判断在什么气象条件下弧垂最大,最大值是多少,我们介绍了最大弧垂的判定,见《[基础课堂]架空输电线路最大弧垂的判定计算应用》。
然后介绍了怎么计算任意一点的最大弧垂,怎么将现场测量的任意一点的弧垂折算至档中最大弧垂与任意一点的最大弧垂,见《[基础课堂]怎样将架空输电线路现场实测弧垂折算至最大弧垂,判断其对地安全?》我们知道架空导线或者地线在不同气象,不同位置的导线对地距离都有差异,为此上期我们介绍了《[基础课堂]架空输电线路最大、最低、档距中央、任意点弧垂计算应用》。
前面我们介绍应力时每次我们都介绍为弧垂最低点的应力,那我们线路上任意一点的应力是多少呢,任意一点的垂向应力是多少呢(水平应力就是我们最点的应力,小编不再阐述)?平时我们在设计或运行时,经常需要计算绝缘子串的机械强度是都满足导线的张力,这张力就是悬挂挂点的相应气象条件的张力,我们计算出悬挂点应力就能知道就能知道张力(应力X截面)。
其实还有我们在计算杆塔的挂板倾角也与我们计算的应力有关,下面小编就对任意一点,弧垂最低点、档距中央、最大弧垂点的的应力(此应力不是我们的水平应力)、悬挂点应力等进行简单介绍。
架空输电线路某500kV 架空输电线路,通过典型气象区I-IX 区,导线为钢芯铝绞线LGJ-630/80 GB1179-1983,试利用Excel 绘制架空线的应力放松曲线,并根据该曲线确定档距为600米,高差为250米时,架空线是否需要放松,如需放松请确定放松系数。
解:依题意得:(1)、绘制架空线应力放松图。
1)、无高差时μεγσμarcchl y ]0[2= 且]0[20σγy l C =,则无高差时μεμarcch =0C 。
又因为)()(000μμεμμCarcch sh C C sh l h yy -=则分别取μ=1.0、0.99、0.98.......0.45、0.40,计算出无高差时0C 的值,接着把0C 依次往下取取到接近0或者等于0,求出对应 的yy l h 的值,根据yy l h 的值对应得到0C 的值(其中:][][0σσεB ==2.5/2.25=1.11),对应值列于下表。
μ=1.0 μ=0.99 μ=0.98 μ=0.97 μ=0.96 μ=0.95 μ=0.94 μ=0.93 μ=0.92 μ=0.91 μ=0.900.00 0.4648 0.4826 0.4994 0.5151 0.5299 0.5439 0.5571 0.5697 0.5815 0.5928 0.6034 0.02 0.4448 0.4626 0.4794 0.4951 0.5099 0.5239 0.5371 0.5497 0.5615 0.5728 0.5834 0.04 0.4248 0.4426 0.4594 0.4751 0.4899 0.5039 0.5171 0.5297 0.5415 0.5528 0.5634 0.06 0.4048 0.4226 0.4394 0.4551 0.4699 0.4839 0.4971 0.5097 0.5215 0.5328 0.5434 0.08 0.3848 0.4026 0.4194 0.4351 0.4499 0.4639 0.4771 0.4897 0.5015 0.5128 0.5234 0.10 0.3648 0.3826 0.3994 0.4151 0.4299 0.4439 0.4571 0.4697 0.4815 0.4928 0.5034 0.12 0.3448 0.3626 0.3794 0.3951 0.4099 0.4239 0.4371 0.4497 0.4615 0.4728 0.4834 0.14 0.3248 0.3426 0.3594 0.3751 0.3899 0.4039 0.4171 0.4297 0.4415 0.4528 0.4634 0.16 0.3048 0.3226 0.3394 0.3551 0.3699 0.3839 0.3971 0.4097 0.4215 0.4328 0.4434 0.18 0.2848 0.3026 0.3194 0.3351 0.3499 0.3639 0.3771 0.3897 0.4015 0.4128 0.4234 0.20 0.2648 0.2826 0.2994 0.3151 0.3299 0.3439 0.3571 0.3697 0.3815 0.3928 0.40340.22 0.2448 0.2626 0.2794 0.2951 0.3099 0.3239 0.3371 0.3497 0.3615 0.3728 0.3834 0.24 0.2248 0.2426 0.2594 0.2751 0.2899 0.3039 0.3171 0.3297 0.3415 0.3528 0.3634 0.26 0.2048 0.2226 0.2394 0.2551 0.2699 0.2839 0.2971 0.3097 0.3215 0.3328 0.3434 0.28 0.1948 0.2126 0.2294 0.2451 0.2599 0.2739 0.2871 0.2997 0.3115 0.3228 0.3334 0.30 0.1748 0.1926 0.2094 0.2251 0.2399 0.2539 0.2671 0.2797 0.2915 0.3028 0.3134 0.32 0.1548 0.1726 0.1894 0.2051 0.2199 0.2339 0.2471 0.2597 0.2715 0.2828 0.2934 0.34 0.1348 0.1526 0.1694 0.1851 0.1999 0.2139 0.2271 0.2397 0.2515 0.2628 0.2734 0.36 0.1148 0.1326 0.1494 0.1651 0.1799 0.1939 0.2071 0.2197 0.2315 0.2428 0.2534 0.38 0.0948 0.1126 0.1294 0.1451 0.1599 0.1739 0.1871 0.1997 0.2115 0.2228 0.2334 0.40 0.0748 0.0926 0.1094 0.1251 0.1399 0.1539 0.1671 0.1797 0.1915 0.2028 0.2134 0.42 0.0548 0.0726 0.0894 0.1051 0.1199 0.1339 0.1471 0.1597 0.1715 0.1828 0.1934 0.44 0.0348 0.0526 0.0694 0.0851 0.0999 0.1139 0.1271 0.1397 0.1515 0.1628 0.1734 0.48 0.0048 0.0226 0.0394 0.0551 0.0699 0.0839 0.0971 0.1097 0.1215 0.1328 0.1434μ=0.89 μ=0.88 μ=0.87 μ=0.86 μ=0.85 μ=0.84 μ=0.83 μ=0.82 μ=0.81 μ=0.80 μ=0.78 μ=0.76 0.6136 0.6231 0.6322 0.6408 0.6490 0.6567 0.6639 0.6708 0.6772 0.6833 0.6943 0.7039 0.6036 0.6131 0.6222 0.6308 0.6390 0.6467 0.6539 0.6608 0.6672 0.6733 0.6843 0.6939 0.5936 0.6031 0.6122 0.6208 0.6290 0.6367 0.6439 0.6508 0.6572 0.6633 0.6743 0.6839 0.5836 0.5931 0.6022 0.6108 0.6190 0.6267 0.6339 0.6408 0.6472 0.6533 0.6643 0.6739 0.5736 0.5831 0.5922 0.6008 0.6090 0.6167 0.6239 0.6308 0.6372 0.6433 0.6543 0.6639 0.5636 0.5731 0.5822 0.5908 0.5990 0.6067 0.6139 0.6208 0.6272 0.6333 0.6443 0.6539 0.5536 0.5631 0.5722 0.5808 0.5890 0.5967 0.6039 0.6108 0.6172 0.6233 0.6343 0.6439 0.5436 0.5531 0.5622 0.5708 0.5790 0.5867 0.5939 0.6008 0.6072 0.6133 0.6243 0.6339 0.5336 0.5431 0.5522 0.5608 0.5690 0.5767 0.5839 0.5908 0.5972 0.6033 0.6143 0.6239 0.5236 0.5331 0.5422 0.5508 0.5590 0.5667 0.5739 0.5808 0.5872 0.5933 0.6043 0.6139 0.5136 0.5231 0.5322 0.5408 0.5490 0.5567 0.5639 0.5708 0.5772 0.5833 0.5943 0.6039 0.5036 0.5131 0.5222 0.5308 0.5390 0.5467 0.5539 0.5608 0.5672 0.5733 0.5843 0.5939 0.4936 0.5031 0.5122 0.5208 0.5290 0.5367 0.5439 0.5508 0.5572 0.5633 0.5743 0.5839 0.4836 0.4931 0.5022 0.5108 0.5190 0.5267 0.5339 0.5408 0.5472 0.5533 0.5643 0.5739 0.4736 0.4831 0.4922 0.5008 0.5090 0.5167 0.5239 0.5308 0.5372 0.5433 0.5543 0.5639 0.4636 0.4731 0.4822 0.4908 0.4990 0.5067 0.5139 0.5208 0.5272 0.5333 0.5443 0.5539 0.4536 0.4631 0.4722 0.4808 0.4890 0.4967 0.5039 0.5108 0.5172 0.5233 0.5343 0.5439 0.4436 0.4531 0.4622 0.4708 0.4790 0.4867 0.4939 0.5008 0.5072 0.5133 0.5243 0.5339 0.4336 0.4431 0.4522 0.4608 0.4690 0.4767 0.4839 0.4908 0.4972 0.5033 0.5143 0.5239 0.4236 0.4331 0.4422 0.4508 0.4590 0.4667 0.4739 0.4808 0.4872 0.4933 0.5043 0.5139 0.4136 0.4231 0.4322 0.4408 0.4490 0.4567 0.4639 0.4708 0.4772 0.4833 0.4943 0.5039 0.4036 0.4131 0.4222 0.4308 0.4390 0.4467 0.4539 0.4608 0.4672 0.4733 0.4843 0.4939 0.3936 0.4031 0.4122 0.4208 0.4290 0.4367 0.4439 0.4508 0.4572 0.4633 0.4743 0.4839 0.3836 0.3931 0.4022 0.4108 0.4190 0.4267 0.4339 0.4408 0.4472 0.4533 0.4643 0.4739 0.3736 0.3831 0.3922 0.4008 0.4090 0.4167 0.4239 0.4308 0.4372 0.4433 0.4543 0.4639 0.3636 0.3731 0.3822 0.3908 0.3990 0.4067 0.4139 0.4208 0.4272 0.4333 0.4443 0.4539 0.3536 0.3631 0.3722 0.3808 0.3890 0.3967 0.4039 0.4108 0.4172 0.4233 0.4343 0.44390.3436 0.3531 0.3622 0.3708 0.3790 0.3867 0.3939 0.4008 0.4072 0.4133 0.4243 0.4339 0.3336 0.3431 0.3522 0.3608 0.3690 0.3767 0.3839 0.3908 0.3972 0.4033 0.4143 0.4239 0.3236 0.3331 0.3422 0.3508 0.3590 0.3667 0.3739 0.3808 0.3872 0.3933 0.4043 0.4139 0.3136 0.3231 0.3322 0.3408 0.3490 0.3567 0.3639 0.3708 0.3772 0.3833 0.3943 0.4039 0.3036 0.3131 0.3222 0.3308 0.3390 0.3467 0.3539 0.3608 0.3672 0.3733 0.3843 0.3939 0.2936 0.3031 0.3122 0.3208 0.3290 0.3367 0.3439 0.3508 0.3572 0.3633 0.3743 0.3839 0.2836 0.2931 0.3022 0.3108 0.3190 0.3267 0.3339 0.3408 0.3472 0.3533 0.3643 0.3739 0.2736 0.2831 0.2922 0.3008 0.3090 0.3167 0.3239 0.3308 0.3372 0.3433 0.3543 0.3639 0.2636 0.2731 0.2822 0.2908 0.2990 0.3067 0.3139 0.3208 0.3272 0.3333 0.3443 0.3539 0.2536 0.2631 0.2722 0.2808 0.2890 0.2967 0.3039 0.3108 0.3172 0.3233 0.3343 0.3439 0.2436 0.2531 0.2622 0.2708 0.2790 0.2867 0.2939 0.3008 0.3072 0.3133 0.3243 0.3339 0.2336 0.2431 0.2522 0.2608 0.2690 0.2767 0.2839 0.2908 0.2972 0.3033 0.3143 0.3239 0.2236 0.2331 0.2422 0.2508 0.2590 0.2667 0.2739 0.2808 0.2872 0.2933 0.3043 0.3139 0.2136 0.2231 0.2322 0.2408 0.2490 0.2567 0.2639 0.2708 0.2772 0.2833 0.2943 0.3039 0.2036 0.2131 0.2222 0.2308 0.2390 0.2467 0.2539 0.2608 0.2672 0.2733 0.2843 0.2939 0.1936 0.2031 0.2122 0.2208 0.2290 0.2367 0.2439 0.2508 0.2572 0.2633 0.2743 0.2839 0.1836 0.1931 0.2022 0.2108 0.2190 0.2267 0.2339 0.2408 0.2472 0.2533 0.2643 0.2739 0.1736 0.1831 0.1922 0.2008 0.2090 0.2167 0.2239 0.2308 0.2372 0.2433 0.2543 0.2639 0.1636 0.1731 0.1822 0.1908 0.1990 0.2067 0.2139 0.2208 0.2272 0.2333 0.2443 0.2539 0.1536 0.1631 0.1722 0.1808 0.1890 0.1967 0.2039 0.2108 0.2172 0.2233 0.2343 0.2439μ=0.74 μ=0.72 μ=0.70 μ=0.65 μ=0.60 μ=0.55 μ=0.50 μ=0.45 μ=0.40 0.7122 0.7191 0.7248 0.7337 0.7354 0.7301 0.7178 0.6985 0.6719 0.7022 0.7091 0.7148 0.7237 0.7254 0.7201 0.7018 0.6885 0.6619 0.6922 0.6991 0.7048 0.7137 0.7154 0.7101 0.6918 0.6785 0.6519 0.6822 0.6891 0.6948 0.7037 0.7054 0.7001 0.6818 0.6685 0.6419 0.6722 0.6791 0.6848 0.6937 0.6954 0.6901 0.6718 0.6585 0.6319 0.6622 0.6691 0.6748 0.6837 0.6854 0.6801 0.6618 0.6485 0.6219 0.6522 0.6591 0.6648 0.6737 0.6754 0.6701 0.6518 0.6385 0.6119 0.6422 0.6491 0.6548 0.6637 0.6654 0.6601 0.6418 0.6285 0.6019 0.6322 0.6391 0.6448 0.6537 0.6554 0.6501 0.6318 0.6185 0.5919 0.6222 0.6291 0.6348 0.6437 0.6454 0.6401 0.6218 0.6085 0.5819 0.6122 0.6191 0.6248 0.6337 0.6354 0.6301 0.6118 0.5985 0.5719 0.6022 0.6091 0.6148 0.6237 0.6254 0.6201 0.6018 0.5885 0.5619 0.5922 0.5991 0.6048 0.6137 0.6154 0.6101 0.5918 0.5785 0.5519 0.5822 0.5891 0.5948 0.6037 0.6054 0.6001 0.5818 0.5685 0.5419 0.5722 0.5791 0.5848 0.5937 0.5954 0.5901 0.5718 0.5585 0.5319 0.5622 0.5691 0.5748 0.5837 0.5854 0.5801 0.5618 0.5485 0.5219 0.5522 0.5591 0.5648 0.5737 0.5754 0.5701 0.5518 0.5385 0.5119 0.5422 0.5491 0.5548 0.5637 0.5654 0.5601 0.5418 0.5285 0.5019 0.5322 0.5391 0.5448 0.5537 0.5554 0.5501 0.5318 0.5185 0.4919 0.5222 0.5291 0.5348 0.5437 0.5454 0.5401 0.5218 0.5085 0.4819 0.5122 0.5191 0.5248 0.5337 0.5354 0.5301 0.5118 0.4985 0.47190.5022 0.5091 0.5148 0.5237 0.5254 0.5201 0.5018 0.4885 0.4619 0.4922 0.4991 0.5048 0.5137 0.5154 0.5101 0.4918 0.4785 0.4519 0.4822 0.4891 0.4948 0.5037 0.5054 0.5001 0.4818 0.4685 0.4419 0.4722 0.4791 0.4848 0.4937 0.4954 0.4901 0.4718 0.4585 0.4319 0.4622 0.4691 0.4748 0.4837 0.4854 0.4801 0.4618 0.4485 0.4219 0.4522 0.4591 0.4648 0.4737 0.4754 0.4701 0.4518 0.4385 0.4119 0.4422 0.4491 0.4548 0.4637 0.4654 0.4601 0.4418 0.4285 0.4019 0.4322 0.4391 0.4448 0.4537 0.4554 0.4501 0.4318 0.4185 0.3919 0.4222 0.4291 0.4348 0.4437 0.4454 0.4401 0.4218 0.4085 0.3819 0.4122 0.4191 0.4248 0.4337 0.4354 0.4301 0.4118 0.3985 0.3719 0.4022 0.4091 0.4148 0.4237 0.4254 0.4201 0.4018 0.3885 0.3619 0.3922 0.3991 0.4048 0.4137 0.4154 0.4101 0.3918 0.3785 0.3519 0.3822 0.3891 0.3948 0.4037 0.4054 0.4001 0.3818 0.3685 0.3419 0.3722 0.3791 0.3848 0.3937 0.3954 0.3901 0.3718 0.3585 0.3319 0.3622 0.3691 0.3748 0.3837 0.3854 0.3801 0.3618 0.3485 0.3219 0.3522 0.3591 0.3648 0.3737 0.3754 0.3701 0.3518 0.3385 0.3119 0.3422 0.3491 0.3548 0.3637 0.3654 0.3601 0.3418 0.3285 0.3019 0.3322 0.3391 0.3448 0.3537 0.3554 0.3501 0.3318 0.3185 0.2919 0.3222 0.3291 0.3348 0.3437 0.3454 0.3401 0.3218 0.3085 0.2819 0.3122 0.3191 0.3248 0.3337 0.3354 0.3301 0.3118 0.2985 0.2719 0.3022 0.3091 0.3148 0.3237 0.3254 0.3201 0.3018 0.2885 0.2619 0.2922 0.2991 0.3048 0.3137 0.3154 0.3101 0.2918 0.2785 0.2519 0.2822 0.2891 0.2948 0.3037 0.3054 0.3001 0.2818 0.2685 0.2419 0.2722 0.2791 0.2848 0.2937 0.2954 0.2901 0.2718 0.2585 0.2319 0.2622 0.2691 0.2748 0.2837 0.2854 0.2801 0.2618 0.2485 0.2219 0.2522 0.2591 0.2648 0.2737 0.2754 0.2701 0.2518 0.2385 0.21192)、根据表中数据,以yy l h 为横坐标,以0C 为纵坐标,对不同的 可以作出一组曲线,该图称为架空线应力放松图,对应如下:(2)、导线为钢芯铝绞线LGJ-630/80 ,查表得对应参数如下:LGJ-630/80导线有关数据截面积A) (2 mm 导线直径d(mm)弹性系数E(Mpa)温膨系数α(1/℃)计算拉断力(N)计算质量(kg/km)抗拉强度(MPa) 安全系数k许用应力[σ0](MPa)年均应力上限[σcp](MPa)715.51 34.82 67000 19.4×6-10192900 2388 256.12 2.5 102.4564.03p许用应力取[0σ]=102.45MPa, ][][0σσεB ==2.5/2.25=1.11。