人防资料全套范例整理版
- 格式:pdf
- 大小:1.94 MB
- 文档页数:47
G—018单位工程质量验收记录四川省建设厅制SG —19单位工程质量控制资料核查记录工程名称 光明大厦 施工单位 大华建筑公司序号 项目资料名称份数 核查意见 核查人1 建筑结构 与防 护图纸会审、设计变更、洽商记录 完整 2 工程定位测量、放线记录 / / 3 原材料出厂合格证及进场检验报告 完整 4 施工试验报告及见证检测报告 完整 5 隐蔽工程验收记录完整 6 施工记录完整 7 预制构件、预拌混凝土合格证 完整 8 主体结构检验及抽样检测报告完整 9防护门、防护密闭门、密闭门、防爆波活门出厂合格证书完整10 防爆超压排气活门、自动排气活门出厂合格证书完整 11 分项、分部工程质量验收记录 完整 12 工程质量事故及事故调查处理资料 / / 13 新材料、新工艺施工记录 / / 1 给水排 水图纸会审、设计变更、洽商记录 完整2 材料配件出厂合格证及进场检验报告完整 3 管道、设备强度试验、严密性试验记录 完整 4 隐蔽工程验收表施工记录完整 5 系统清洗、灌水、通水、通球试验记录 完整 6 施工记录完整 7 分项、分部工程质量验收记录完整 1 通风 采 暖与空调图纸会审、设计变更、洽商记录 完整 2 材料、设备出厂合格证及进场检验报告 完整 3 空调、水管道强度试验、严密性试验记录 / / 4隐蔽工程验收记录完整四川省建设厅制SG—019续单位工程质量控制资料核查记录工程名称光明大厦施工单位大华建筑公司序号项目资料名称份数核查意见核查7 分项、分部工程质量验收记录完整1建筑电气图纸会审、设计变更、洽商记录完整2 材料、设备出厂合格证及进场检验报告完整3 设备调试记录完整4 接地、绝缘电阻测试记录完整5 隐蔽工程验收记录完整6 施工记录完整7 分项、分部工程质量验收记录完整1防火设备图纸会审、设计变更、洽商记录完整2 设备出厂合格证书及开箱检验记录完整3 隐蔽工程验收表完整4 施工记录完整5 防火灭火系统试验记录完整6 分项、分部工程质量验收记录完整自评意见:施工单位注册建造师(项目经理):年月日结论:总监理工程师:(建设单位项目负责人)年月日注:抽查项目由验收组协商确定。
一、分项工程质量验收记录表之勘阻及广创作(RFJ01-2002)4.1-1 国家人防质监站监制(RFJ01-2002) 4.3- 1 国家人防质监站监制(RFJ01-2002) 4.4- 1 国家人防质监站监制度;L为最高与最低两角间距离.-4-(RFJ01-2002) 4.5- 1 国家人防质监站监制(RFJ01-2002) 4.6- 1 国家人防质监站监制-6-(RFJ01-2002) 4.7- 1 国家人防质监站监制-7-(RFJ01-2002)4.8-1国家人防质监站监制(RFJ01-2002)4.10-1国家人防质监站监制2.蜂窝、空洞、露筋、缝隙夹渣层等缺陷, 在装饰前应按施工规范规定进行修理.-11-(RFJ01-2002)4.10-2国家人防质监站监制规范规定进行修理.-12-(RFJ01-2002) 4.11- 1 国家人防质监站监制(RFJ01-2002) 4.12- 1 国家人防质监站监制(RFJ01-2002) 4.12- 2 国家人防质监站监制构件装置分项工程质量验收记录表(用于装配式年夜板建(RFJ01-2002) 4.13- 1 国家人防质监站监制-16-(RFJ01-2002) 4.13- 2 国家人防质监站监制度.-17-(RFJ01-2002) 4.13- 3 国家人防质监站监制(RFJ01-2002) 4.13- 4 国家人防质监站监制-19-(RFJ01-2002) 4.13- 5 国家人防质监站监制-20-(RFJ01-2002) 4.13- 6 国家人防质监站监制-21-(RFJ01-2002) 4.13-7 国家人防质监站监制-22-(RFJ01-2002) 4.14- 1 国家人防质监站监制(RFJ01-2002) 4.15- 1 国家人防质监站监制一、分项工程质量验收记录表2、防水工程(RFJ01-2002)5.1-1国家人防质监站监制按表4.10-1内容验收.-25-(RFJ01-2002) 5.2- 1 国家人防质监站监制。
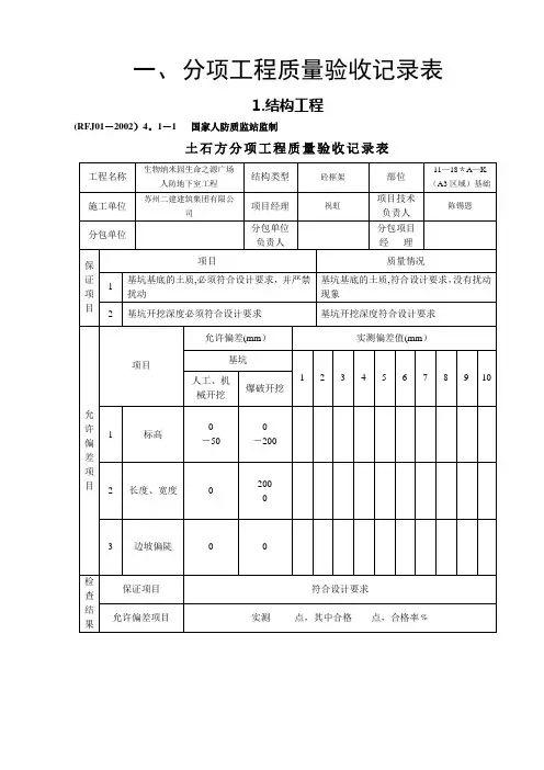
一、分项工程质量验收记录表1.结构工程(RFJ01-2002)4.1-1 国家人防质监站监制土石方分项工程质量验收记录表(RFJ01-2002)4.2-1 国家人防质监站监制爆破掘进分项工程质量验收记录表—2—(RFJ01-2002)4。
3-1 国家人防质监站监制盾构分项工程质量验收记录表—3—(RFJ01-2002)4.4-1 国家人防质监站监制沉井项工程质量验收记录表注:l为长度或宽度;r为半径;b为对角线长;H为下沉总深度;L为最高与最低两角间距离。
-4- (RFJ01-2002)4.5-1 国家人防质监站监制地下连续墙分项工程质量验收记录表—5—(RFJ01-2002)4。
6-1 国家人防质监站监制打(压)桩分项工程质量验收记录表注:d为桩的的直径或截面边长;H为桩长-6- (RFJ01-2002)4.7-1 国家人防质监站监制灌注桩分项工程质量验收记录表-7- (RFJ01-2002)4.8-1 国家人防质监站监制模板分项工程质量验收记录表(RFJ01-2002)4.9-1 国家人防质监站监制钢筋绑扎分项工程质量验收记录表(RFJ01-2002)4.9-2 国家人防质监站监制钢筋焊接分项工程质量验收记录表-10—(RFJ01-2002)4.10-1 国家人防质监站监制混凝土分项工程质量验收记录表2。
蜂窝、空洞、露筋、缝隙夹渣层等缺陷,在装饰前应按施工规范规定进行修理。
—11—(RFJ01-2002)4.10-2 国家人防质监站监制混凝土设备基础分项工程质量验收记录表注:蜂窝、空洞、露筋、缝隙夹渣层等缺陷,在装饰前应按施工规范规定进行修理.—12—(RFJ01-2002)4。
11-1 国家人防质监站监制喷射混凝土分项工程质量验收记录表(RFJ01-2002)4.12-1 国家人防质监站监制构件安装分项工程质量验收记录表(RFJ01-2002)4.12-2 国家人防质监站监制构件安装分项工程质量验收记录表(用于装配式大板建筑)-15—(RFJ01-2002)4。
人防工程资料目录参考资料河南荣泰工程管理有限公司资料目录1:人防报监资料目录2:开工10日内准备资料3:防水施工时收集整理资料4:底板施工时收集整理资料5:墙体施工时收集整理资料6:顶板施工时收集整理资料7:主体结构验收整集整理资料8:设备安装时收集整理资料9:建筑装修时收集整理资料10:防护设备企业应提供的资料11:人防竣工资料核查目录报监资料目录1.河南省人防工程质量监督登记表(一式二份)建设单位填写2。
人防工程质量保证体系审查表(一式四份)3。
人防工程立项批复(验原件)4。
河南省人民防空工程施工图设计文件审查批准书及人民防空工程施工图设计文件审查表及设计院审图回复意见(审图问题逐条回复)(全国人防工程施工图设计审查及技术咨询中心审查的图纸需出具合格证)5.施工单位中标通知书、施工合同(委托人需委托书)6.施工单位资质等级证书、企业法人营业执照及相应人员职称证书7.监理单位中标通知书、监理合同、授权委托书8.监理单位资质等级证书、企业法人营业执照及相应人员职称证书9.勘察单位资质等级证书、企业法人营业执照及相应人员职称证书10.设计单位资质等级证书、企业法人营业执照及相应人员职称证书11.检测单位资质证书、计量认证证书12.见证单位及见证人员授权书13.人防工程施工图建筑总说明与战时平面图(有施工图审查章的图纸)指挥所工程需要全套设计施工图开工十日内准备资料质量保证体系资料建设单位:1.人防工程审核意见书2.设计方案核查意见书3.建筑工程规划许可证4.施工证件(土地证、建设用地许可证、施工许可证等)5.设计变更6.地质勘测报告和桩基检测报告7.平战转换预案8.立项批复文件9.图纸审查意见及回复单10.会审图纸的会议纪要施工单位1. 施工单位资质证书2. 施工中标通知3. 施工许可证4. 施工合同5. 项目经理任命书、项目经理资格证书、法人授权委托书6. 技术负责人资格证书7. 专职质检员资格证书8. 施工员、安全员、材料员、预算造价员资格证书9. 特种作业人员上岗证10.人防工程施工组织设计方案11.基坑、边坡支护设计图纸及深基坑专家论证方案12.基坑边坡支护施工方案、降水排水施工方案、沉降观测资质及方案监理单位1. 监理单位资质证书2. 监理合同3. 总监任命书、总监资格证书、法人授权委托书4. 监理工程师资格证书、见证员上岗证5. 监理规划、安全监理规划6. 监理细则、安全监理细则7. 见证取样方案8. 旁站监理方案勘察单位1. 勘察单位资质证书2. 勘察合同3. 勘察项目负责人资格证书设计单位1. 设计单位资质证书2. 设计合同3. 设计项目负责人资格证书4. 图纸会审记录检测单位1. 检测单位资质证书2. 计量认证证书3. 检测负责人的资格证书防水施工时收集整理资料1:质保资料防水施工单位资质证书、施工人员上岗证书防水专项施工方案防水材料(生产厂家生产许可证、合格证、出厂检验报告、复检试验报告)2:检验评定资料报验申请表涂料防水层分项工程质量验收记录表卷材防水层分项工程质量验收记录表(单建式人防工程采用桩基时)打(压)桩分项工程质量验收记录表防水隐蔽工程检查验收记录表3:照片▲防水材料进场后包装筒或者纸上的合格证照片▲基层面观感质量照片、卷材铺贴方法照片涂料涂刷厚度、质量照片、卷材铺贴搭接宽度测量照片▲阴阳角加强层施工照片▲防水材料施工完毕后观感质量照片底板施工时收集整理资料1.质保资料钢筋(报验申请表、材料数量清单、出厂合格证及检验报告、力学检测试验报告、焊接试验报告)水泥(出厂试验报告、复检试验报告)砂、石子试验报告;粉煤灰试验报告砼外加剂(防水剂、膨胀剂)的厂家资质证书、合格证、出厂检验报告、人防准用证配合比试验报告(试配要求的抗渗设计等级应提高0.2MPa)止水带材料出厂检验报告临战封堵框和人防门门框(数量清单、原材料证明文件、出厂合格证、厂家资质证书、出厂检验报告、过路过桥票据)防爆地漏(材料报审表、出厂合格证、防护设备厂家资质证书、出厂检验报告)注:要具备在人防单位备案的厂家2.检验评定资料人防报验申请表土石方分项工程质量验收记录表模板分项工程质量验收记录表止水带防水分项工程质量验收记录表钢筋绑扎分项工程质量验收记录表钢筋焊接分项工程质量验收记录表钢筋隐蔽工程检查验收记录表砼分项工程质量验收记录表防水砼分项工程质量验收记录表砼隐蔽工程检查验收记录表管道隐蔽工程检查验收记录表排水管道安装分项工程质量验收记录表管道隐蔽试压灌水试验记录卫生器具安装分项工程质量验收记录表接地电阻测试记录接地装置安装分项工程质量验收记录表电气隐蔽工程质量验收记录防护密闭门、密闭门门框制作及安装分项工程质量验收记录表、避雷带隐蔽验收记录表3.照片▲钢筋间距布置测量照片2▲拉结筋布置测量照片3▲人防门门框钢筋布置及标高测量照片4▲45度ф16加强筋设置照片后浇带、施工缝、变形缝设置照片▲底板钢筋接地处理照片▲人防门门框封堵预埋、接地照片▲防爆波地漏安装及标高测量照片▲线管预埋照片线管穿越后浇带、变形缝等处的补偿处理照片▲钢板止水带设置、焊接、搭接测量、转角处照片墙体施工时收集整理资料1. 质保资料防爆呼唤按钮(材料报审表、出厂合格证、厂家资质证书、出厂检验报告)注:经省防办备案的厂家通风预埋管的6mm风管、3mm风管、DN50、DN32、DN15D 等材料(材料报审表、合格证、出厂检验报告)电气、通信、消防报警预埋的热镀锌钢管(SC50SC15、SC32)密闭盒、接线盒和接地(圆钢、扁钢)等材料(材料报审表、材料合格证、出厂检验报告、厂家资质证书)给排水、消防预埋镀锌钢套管的(DN25、DN32、DN50DN70、DN80、DN100)等料(报审表、合格证、出厂检验报告)2. 检验评定资料报验申请表钢筋绑扎分项工程质量验收记录表钢筋焊接分项工程质量验收记录表钢筋隐蔽工程检查验收记录表砼隐蔽工程检查验收记录表防水砼分项工程质量验收记录表金属风管制作分项工程质量验收记录表管道隐蔽工程检查验收记录表电气隐蔽工程质量验收记录表进出工程管线的防护密闭分项工程质量验收记录表防护密闭门、密闭门门框墙制作分项工程质量验收记录表3.照片▲墙体钢筋间距布置测量照片▲拉结筋布置测量照片▲人防门框、封堵框预埋、接地照片▲45度加强筋布置照片通风短管制作、预埋照片6▲气密测量管制作、预埋照片7▲给排水密闭套管制作、预埋照片8顶板施工时收集整理资料1.质保资料砼试验报告(配合比试验报告、抗压强度报告、抗渗报告) 预埋电气配管的材料(材料报审表、合格证、出厂检验报告) 2.检验评定资料钢筋绑扎分项工程质量验收记录表钢筋隐蔽工程检查资料验收记录表钢筋焊接分项工程质量验收记录表砼分项工程质量验收记录表砼隐蔽工程检查验收记录表防水砼分项工程质量验收记录表电气隐蔽工程质量验收记录表配管及管内穿线分项工程质量验收记录表3.照片▲板筋间距布置测量照片▲拉结筋布置测量照片▲人防吊钩设置照片高压测压管预埋照片▲穿板密闭套管、封堵框制作、预埋照片▲电气管线防护密闭处理照片熔断器保护设置照片主体结构验收整理的资料结构分部质保资料钢筋(报验申请表、数量清单、出厂检验报告、力学试验检测报告、焊接试验报告)水泥(出厂试验报告、复检试验报告单)砂、石子试验报告单粉煤灰复试报告单砼外加剂(防水剂、膨胀剂)的厂家资质证书、合格证、出厂检验报告、人防准用证配合比试验报告(试配要求的抗渗设计等级应提高0。
单位工程质量验收记录SG— 019 续混凝土强度合格评定施工单位:四川省建筑机械化工程公司SG—029混凝土强度合格评定SG—036同条件养护试件温度记录注:日平均温度,日最高温度与最低温度的平均值:日平均温度低于0C的不计入累计温度。
四川省建设厅制SG—036 同条件养护试件温度记录注:日平均温度,日最高温度与最低温度的平均值:日平均温度低于0的不计入累计温度。
SG—036同条件养护试件温度记录注:日平均温度,日最高温度与最低温度的平均值:日平均温度低于0C的不计入累计温度。
SG—013建筑工程隐蔽检验记录人防工程竣工观感质量检查记录编号:注:评分说明详见《人民防空工程质量检验评定标准》表 3.4-.3-3所注SG—022结构分部工程质量验收记录模板一分项工程质量验收记录钢筋一分项工程质量验收记录混凝土分项工程质量验收记录SG—022 防水分部工程质量验收记录四川省建设厅制防水混凝土分项工程质量验收记录涂料防水分项工程质量验收记录止水带防水分项工程质量验收记录进出工程管线的防护密闭分项工程质量验收记录许偏差项目差(mm 1 2 3 4 5 6 7 8 9 101 6.4.6-1a 102 6.4.6-1b ± 103 6.4.6-lc 15检查结果保证项目符合《人民防空工程质量检验评定标准》的规定基本项目检查 0 项,其中优良 0 项,优良率 0 %允许偏差项目实测点,其中合格点,合格率%监理工程师(建设单位项目技术负责人)SG—022工程名称罗兰小镇人防地下室结构类型框剪层数地下1层施工单位四川省建筑机械化工程公司技术部门负责人质量部门负责人分包单位/ 分包单位负责人/ 分包技术负责人/序号分项工程名称施工单位检查评定记录验收意见项数其中优良项数各分项工程质量验收记录完整,符合设计和规范要求,该分部工程质量评定为合格,同意后续工程施工。
1 一般抹灰分项工程 62 整体地面分项工程63 4 项目专业技术负责人建筑装修分部工程质量验收记录四川省建设厅制一般抹灰分项工程质量验收记录整体地面分项工程质量验收记录SG—022给水排水分部工程质量验收记录四川省建设厅制给水管道安装分项工程质量验收记录排水管道安装分项工程质量验收记录立式污水泵安装分项工程质量验收记录SG—022四川省建设厅制风管及部件安装分项工程质量验收记录过滤器、除尘器、过滤吸收器安装分项工程质量验收记录密闭阀门安装分项工程质量验收记录消声设备安装分项工程质量验收记录防腐与油漆分项工程质量验收记录允许偏差项目项目允许偏差(mm实测值(mm1 2 3 4 5 6 7 8 9 10检查结果保证项目符合《人民防空工程质量检验评定标准》的规定基本项目检查 3 项,其中优良 1 项,优良率 33.3 % 允许偏差项目实测点,其中合格点,合格率%检查结论项目专业技术负责人年月日验收结论监理工程师(建设单位项目技术负责人)年月日SG—022工程名称罗兰小镇人防地下室结构类型框剪层数地下1层施工单位四川省建筑机械化工程公司技术部门负责人质量部门负责人分包单位/ 分包单位负责人/ 分包技术负责人/序号分项工程名称施工单位检查评定记录验收意见项数其中优良项数各分项工程质量验收记录完整,符合设计和规范要求,该分部工程质量评定为合格,同意后续工程施工。
G—018单位工程质量验收记录四川省建设厅制SG—19 单位工程质量控制资料核查记录四川省建设厅制SG—019续单位工程质量控制资料核查记录注:抽查项目由验收组协商确定。
四川省建设厅制SG—029混凝土强度合格评定施工单位:四川省建筑机械化工程公司SG—029混凝土强度合格评定施工单位:四川省建筑机械化工程公司S G—036同条件养护试件温度记录日平均温度,日最高温度与最低温度的平均值:日平均温度低于0℃的不计入累计温度。
四川省建设厅制S G—036同条件养护试件温度记录日平均温度,日最高温度与最低温度的平均值:日平均温度低于0℃的不计入累计温度。
S G—036同条件养护试件温度记录日平均温度,日最高温度与最低温度的平均值:日平均温度低于0℃的不计入累计温度。
SG—013建筑工程隐蔽检验记录注:本表一式四份:建设单位、施工单位、监理单位、城建档案馆各一份。
人防工程竣工观感质量检查记录编号:注:评分说明详见《人民防空工程质量检验评定标准》表3.4-.3-3所注SG—022结构分部工程质量验收记录基本项目项 目质 量 情 况等 12345678910级 1 4.10.5 砼振捣密实,梁、柱、墙、板蜂窝面积符合施工规范的规定 合格 2 4.10.6 梁、柱、墙、板的孔洞面积符合施工规范的规定 合格 3 4.10.7 主筋无露筋现象 优良 44.10.8 无缝隙夹渣层 优良允许偏差项目项 目 允许偏 实 测 值 (mm )差(mm ) 1 2 3 4 5 6 7 8 9 10 1 4.10.9 10 4 5 2 1 5 6 9 11 4 6 2 4.10.9-2a ±10 +3 -2 -2 +6 +24.10.9-2b ±30 3 4.10.9-3a ±5 4.10.9-3b -5~+8 4 4.10.9-4 5 5 4.10.9-5 8 6 4.10.9-6 5 7 4.10.9-7 5 8 4.10.9-8 15 94.10.9-9a 0~25 4.10.9-9b H/1000检查结果 保证项目 符合《人民防空工程质量检验评定标准》的规定基本项目 检查 4 项,其中优良 2 项,优良率 50 % 允许偏差项目实测 点,其中合格 点,合格率 %检查结论项目专业技术负责人年 月 日验收结论监理工程师(建设单位项目技术负责人)年 月 日防水分部工程质量验收记录工程名称 罗兰小镇人防地下室 结构类型 框剪 层数 地下1层施工单位 四川省建筑机械化工程公司技术部门负责人 质量部门负责人 分包单位/分包单位负责人/分包技术负责人/序号分项工程名称施工单位检查评定记录验收意见项 数其中优良项数各分项工程质量验收记录完整,符合设计和规范要求,该分部工程质量评定为合格,同意后续工程施工。
•人防工程资料填写范例——人防工程主体结构验收程序•人防工程资料填写范例——人防工程竣工验收程序•人防工程资料填写范例——人防竣工验收资料清单•人防工程资料填写范例——RF2.1.1 施工现场质量保证条件评分表(结构工程)•人防工程资料填写范例——RF2.2.1 结构工程功能检测评分表•人防工程资料填写范例——RF2.2.2 孔口防护工程功能检测评分表•人防工程资料填写范例——RF2.2.3 防水工程功能检测评分表•人防工程资料填写范例——RF2.2.4 装饰装修工程功能检测评分表•人防工程资料填写范例——RF2.2.5 给水排水工程功能检测评分表•人防工程资料填写范例——RF2.2.6 通风与空调工程功能检测评分表•人防工程资料填写范例——RF2.2.7 建筑电气安装工程功能检测评分表•人防工程资料填写范例——RF2.3.1 结构工程质量记录评分表•人防工程资料填写范例——RF2.3.2 孔口防护工程质量记录评分表•人防工程资料填写范例——RF2.3.3 防水工程质量记录评分表•人防工程资料填写范例——RF2.3.4 装饰装修工程质量记录评分表•人防工程资料填写范例——RF2.3.5 给水排水工程质量记录评分表•人防工程资料填写范例——RF2.3.6 通风与空调工程质量记录评分表•人防工程资料填写范例——RF2.3.7 建筑电气安装工程质量记录评分表•人防工程资料填写范例——RF2.4.1 结构工程尺寸偏差实测评分表•人防工程资料填写范例——RF2.4.2 孔口防护工程尺寸偏差实测评分表•人防工程资料填写范例——RF2.4.3 防水工程尺寸偏差实测评分表•人防工程资料填写范例——RF2.4.4 装饰装修工程尺寸偏差实测评分表•人防工程资料填写范例——RF2.4.5 给水排水工程尺寸偏差实测评分表•人防工程资料填写范例——RF2.4.6 通风与空调工程尺寸偏差实测评分表•人防工程资料填写范例——RF2.4.7 建筑电气安装工程尺寸偏差实测评分表•人防工程资料填写范例——RF2.5.1 结构工程观感质量评分表•人防工程资料填写范例——RF2.5.2 孔口防护工程观感质量评分表•人防工程资料填写范例——RF2.5.3 防水工程观感质量评分表•人防工程资料填写范例——RF2.5.4 装饰装修工程观感质量评分表•人防工程资料填写范例——RF2.5.5 给水排水工程观感质量评分表•人防工程资料填写范例——RF2.5.6 通风与空调工程观感质量评分表•人防工程资料填写范例——RF2.5.7 建筑电气安装工程观感质量评分表•人防工程资料填写范例——RF2.6.1 工程主体结构质量评价表•人防工程资料填写范例——RF2.7.1 单位工程质量综合评价表•人防工程资料填写范例——1.1.1 工程质量验收的划分•人防工程资料填写范例——1.1.2 工程质量验收的程序和组织•人防工程资料填写范例——1.1.3 工程质量的验收••人防工程资料填写范例——RF1.1.1 施工现场质量管理检查记录表•人防工程资料填写范例——RF1. 2. 1 土方工程检验批质量验收记录表•人防工程资料填写范例——RF1.2.2 逆作法施工检验批质量验收记录表•人防工程资料填写范例——RF1.2.3 模板工程检验批质量验收记录表•人防工程资料填写范例——RF1.2.4 钢筋工程检验批质量验收记录表•人防工程资料填写范例——RF1.2.5 混凝土工程检验批质量验收记录表•人防工程资料填写范例——RF1.2.6 爆破掘进工程检验批质量验收记录表•人防工程资料填写范例——RF1.2.7 喷射混凝土工程检验批质量验收记录表•人防工程资料填写范例——RF1.2.8 砌体工程检验批质量验收记录表•人防工程资料填写范例——RF1.3.1 门框墙制作检验批质量验收记录表•人防工程资料填写范例——RF1.3.2 防护门、防护密闭门、密闭门安装检验批质量验收记录表•人防工程资料填写范例——RF1.3.3 防爆波活门安装检验批质量验收记录表•人防工程资料填写范例——RF1.3.4 自动排气活门、防爆超压排气活门安装检验批质量验收记录表•人防工程资料填写范例——RF1.3.5 密闭穿墙管施工检验批质量验收记录表•人防工程资料填写范例——RF1.3.6 平战转换封堵构件施工检验批质量验收记录表•人防工程资料填写范例——RF1.4.1 防水混凝土工程检验批质量验收记录表•人防工程资料填写范例——RF1.4.2 水泥砂浆防水层工程检验批质量验收记录表•人防工程资料填写范例——RF1.4.3 涂料防水层工程检验批质量验收记录表•人防工程资料填写范例——RF1.4.4 卷材防水层工程检验批质量验收记录表•人防工程资料填写范例——RF1.4.5 金属板防水层工程检验批质量验收记录表•人防工程资料填写范例——RF1.4.6 塑料防水板防水层工程检验批质量验收记录表•人防工程资料填写范例——RF1.4.7 膨润土防水材料防水层工程检验批质量验收记录表•人防工程资料填写范例——RF1.4.8 止水带防水工程检验批质量验收记录表•人防工程资料填写范例——RF1.5.1 —般抹灰工程检验批质量验收记录表•人防工程资料填写范例——RF1.5.2 涂饰工程检验批质量验收记录表•人防工程资料填写范例——RF1.5.3 饰面板(砖)工程检验批质量验收记录表•人防工程资料填写范例——RF1.5.4 整体面层铺设工程检验批质量验收记录表•人防工程资料填写范例——RF1.5.5 板块面层铺设工程检验批质量验收记录表•人防工程资料填写范例——RF1.5.6 吊顶工程检验批质量验收记录表•人防工程资料填写范例——RF1.5.7 门窗安装工程检验批质量验收记录表•人防工程资料填写范例——RF1.6.1 给水管道安装检验批质量验收记录表•人防工程资料填写范例——RF1.6.2 给水管道附件及卫生器具给水配件安装检验批质量验收记录表•人防工程资料填写范例——RF1.6.3 给水附属设备安装检验批质量验收记录表•人防工程资料填写范例——RF1.6.4 排水管道安装检验批质量验收记录表•人防工程资料填写范例——RF1.6.5 卫生器具安装检验批质量验收记录表•人防工程资料填写范例——RF1.6.6 洗消器具安装检验批质量验收记录表•人防工程资料填写范例——RF1.6.7 污水集水池施工检验批质量验收记录表•人防工程资料填写范例——RF1.6.8 污水泵安装检验批质量验收记录表•人防工程资料填写范例——RF1.6.9 灭火器具安装检验批质量验收记录表•人防工程资料填写范例——RF1.7.1 金属风管制作检验批质量验收记录表•人防工程资料填写范例——RF1.7.2 无机玻璃钢风管制作检验批质量验收记录表•人防工程资料填写范例——RF1.7.3 通风部件制作检验批质量验收记录表•人防工程资料填写范例——RF1.7.4 风管及部件安装检验批质量验收记录表•人防工程资料填写范例——RF1.7.5 滤尘器、过滤吸收器安装检验批质量验收记录表•人防工程资料填写范例——RF1.7.6 密闭阀门安装检验批质量验收记录表•人防工程资料填写范例——RF1.7.7 消声设备制作与安装检验批质量验收记录表•人防工程资料填写范例——RF1.7.8 通风机、空调机安装检验批质量验收记录表•人防工程资料填写范例——RF1.7.9 通风管线安装检验批质量验收记录表•人防工程资料填写范例——RF1.7.10 防烟排烟部件制作与安装检验批质量验收记录表•人防工程资料填写范例——RF1.7.11 防腐与油漆工程等检验批质量验收记录表•人防工程资料填写范例——RF1.8.1 电缆线路工程检验批质量验收记录表•人防工程资料填写范例——RF1.8.2 导管及线槽敷设工程检验批质量验收记录表•人防工程资料填写范例——RF1.8.3 变压器安装检验批质量验收记录表•人防工程资料填写范例——RF1.8.4 成套配电柜及动力照明配电箱(盘)安装检验批质量验收记录表•人防工程资料填写范例——RF1.8.5 开关、插座安装检验批质量验收记录表•人防工程资料填写范例——RF1.8.6 电气照明灯具安装检验批质量验收记录表•人防工程资料填写范例——RF1.8.7 接地装置安装检验批质量验收记录表•人防工程资料填写范例——RF1.8.8 柴油发电机组安装检验批质量验收记录表•人防工程资料填写范例——RF1.8.9 火灾自动报警装置安装检验批质量验收记录表•人防工程资料填写范例——RF1.8.10 火灾事故广播、消防通讯设备安装检验批质量验收记录表•人防工程资料填写范例——分项工程质量验收记录•人防工程资料填写范例——RF1.10.1 主体结构隐蔽工程检查验收记录表•人防工程资料填写范例——RF1.10.2 管道隐蔽工程检查验收记录表•人防工程资料填写范例——RF1.10.3 电气隐蔽工程检查验收记录表•人防工程资料填写范例——RF1.10.4 给水排水管道通水试验记录表•人防工程资料填写范例——RF1.10.5 管道系统试压灌水记录表•人防工程资料填写范例——RF1.10.6 排水管道通球试验记录表•人防工程资料填写范例——RF1.10.7 通风系统风口的风量测定记录表•人防工程资料填写范例——RF1.10.8 电气接地电阻测试记录表•人防工程资料填写范例——RF1.11.1 结构工程分部工程验收记录表•人防工程资料填写范例——RF1.11.2 结构工程分部质量控制资料核查记录表•人防工程资料填写范例——RF1.11.3 结构工程功能检测记录表•人防工程资料填写范例——RF1.11.4 结构工程分部工程观感质量检查记录表•人防工程资料填写范例——RF1.11.5 孔口防护工程分部工程质量验收记录表•人防工程资料填写范例——RF1.11.6 孔口防护工程分部质量控制资料核查记录表•人防工程资料填写范例——RF1.11.7 孔口防护工程功能检测记录表•人防工程资料填写范例——RF1.11.8 孔口防护工程观感质量检查记录表•人防工程资料填写范例——RF1.11.9 防水工程分部工程质量验收记录表•人防工程资料填写范例——RF1.11.10 防水工程分部质量控制资料核查记录表•人防工程资料填写范例——RF1.11.11 防水工程功能检测记录表•人防工程资料填写范例——RF1.11.12 防水工程分部观感质量检查记录表•人防工程资料填写范例——RF1.11.13 建筑装饰装修工程分部工程质量验收记录表•人防工程资料填写范例——RF1.11.14 建筑装饰装修工程分部质量控制资料核查记录表•人防工程资料填写范例——RF1.11.15 装饰装修工程功能检测记录表•人防工程资料填写范例——RF1.11.16 装饰装修分部工程观感质量检查记录表•人防工程资料填写范例——RF1.11.17 给排水工程分部工程质量验收记录表•人防工程资料填写范例——RF1.11.18 给排水工程分部质量控制资料核查记录表•人防工程资料填写范例——RF1.11.19 给水排水工程功能检测记录表•人防工程资料填写范例——RF1.11.20 给水排水分部工程观感质量检查记录表•人防工程资料填写范例——RF1.11.21 通风与空调工程分部工程质量验收记录表•人防工程资料填写范例——RF1.11.22 通风与空调工程分部质量控制资料核查记录表•人防工程资料填写范例——RF1.11.23 通风与空调工程功能检测记录表•人防工程资料填写范例——RF1.11.24 通风与空调分部工程观感质量检查记录表•人防工程资料填写范例——RF1.11.25 建筑电气安装工程分部工程质量验收记录表•人防工程资料填写范例——RF1.11.26 建筑电气安装工程分部质量控制资料核查记录表•人防工程资料填写范例——RF1.11.27 建筑电气安装工程功能检测记录表•人防工程资料填写范例——RF1.11.28 建筑电气安装分部工程观感质量检查记录表•人防工程资料填写范例——RF1.12.1 单位工程质量竣工验收记录表•人防工程资料填写范例——RF1.12.2 单位工程质量控制资料核查记录表•人防工程资料填写范例——RF1.12.3 单位工程功能检测记录表•人防工程资料填写范例——RF1.12.4 单位工程观感质量检查记录表•人民防空工程竣工验收备案(河南省)。
一、分项工程质量验收记录表1.结构工程(RFJ01-2002)4。
1-1 国家人防质监站监制土石方分项工程质量验收记录表(RFJ01-2002)4。
2-1 国家人防质监站监制爆破掘进分项工程质量验收记录表-2—(RFJ01-2002)4。
3-1 国家人防质监站监制盾构分项工程质量验收记录表—3- (RFJ01-2002)4.4-1 国家人防质监站监制沉井项工程质量验收记录表注:l为长度或宽度;r为半径;b为对角线长;H为下沉总深度;L为最高与最低两角间距离。
—4—(RFJ01-2002)4。
5-1 国家人防质监站监制地下连续墙分项工程质量验收记录表-5- (RFJ01-2002)4。
6-1 国家人防质监站监制打(压)桩分项工程质量验收记录表-6—(RFJ01-2002)4。
7-1 国家人防质监站监制灌注桩分项工程质量验收记录表注:d为桩的直径;—7—(RFJ01-2002)4。
8-1国家人防质监站监制模板分项工程质量验收记录表钢筋绑扎分项工程质量验收记录表(RFJ01-2002)4。
9-2国家人防质监站监制钢筋焊接分项工程质量验收记录表—10- (RFJ01-2002)4。
10-1国家人防质监站监制混凝土分项工程质量验收记录表2.蜂窝、空洞、露筋、缝隙夹渣层等缺陷,在装饰前应按施工规范规定进行修理。
—11- (RFJ01-2002)4.10-2国家人防质监站监制混凝土设备基础分项工程质量验收记录表注:蜂窝、空洞、露筋、缝隙夹渣层等缺陷,在装饰前应按施工规范规定进行修理。
—12- (RFJ01-2002)4.11-1 国家人防质监站监制喷射混凝土分项工程质量验收记录表—13- (RFJ01-2002)4。
12-1 国家人防质监站监制构件安装分项工程质量验收记录表—14—(RFJ01-2002)4。
12-2 国家人防质监站监制构件安装分项工程质量验收记录表(用于装配式大板建筑)—15—(RFJ01-2002)4.13-1 国家人防质监站监制钢结构焊接分项工程质量验收记录表注:b为焊缝宽度;k为焊角尺寸;为母材厚度—16—(RFJ01-2002)4.13-2 国家人防质监站监制钢柱制作分项工程质量验收记录表注:L为柱长度;L1为柱底面到牛腿支承面距离;b为翼缘板宽度.-17—(RFJ01-2002)4.13-3 国家人防质监站监制钢梁制作分项工程质量验收记录表注:L为梁度;H为梁的端部高;δ为腹板厚度;b为翼缘板宽度。
SG—018 单位工程质量验收记录四川省建设厅制SG—19 单位工程质量控制资料核查记录四川省建设厅制SG—019续单位工程质量控制资料核查记录注:抽查项目由验收组协商确定。
四川省建设厅制SG—029混凝土强度合格评定施工单位:四川省建筑机械化工程公司注:本表一式四份,建设单位、施工单位、监理单位、城建档案馆各一份。
SG—029混凝土强度合格评定施工单位:四川省建筑机械化工程公司注:本表一式四份,建设单位、施工单位、监理单位、城建档案馆各一份。
SG—036同条件养护试件温度记录注:日平均温度,日最高温度与最低温度的平均值:日平均温度低于0℃的不计入累计温度。
四川省建设厅制SG—036同条件养护试件温度记录注:日平均温度,日最高温度与最低温度的平均值:日平均温度低于0℃的不计入累计温度。
SG—036同条件养护试件温度记录注:日平均温度,日最高温度与最低温度的平均值:日平均温度低于0℃的不计入累计温度。
SG—013建筑工程隐蔽检验记录注:本表一式四份:建设单位、施工单位、监理单位、城建档案馆各一份。
人防工程竣工观感质量检查记录编号:注:评分说明详见《人民防空工程质量检验评定标准》表3.4-.3-3所注SG—022结构分部工程质量验收记录模板分项工程质量验收记录混凝土分项工程质量验收记录目 2 4.10.6 梁、柱、墙、板的孔洞面积符合施工规范的规定合格3 4.10.7 主筋无露筋现象优良4 4.10.8 无缝隙夹渣层优良允许偏差项目项目允许偏实测值(mm)差(mm) 1 2 3 4 5 6 7 8 9 101 4.10.9 10 4 52 1 5 6 9 11 4 62 4.10.9-2a ±10 +3 -2 -2 +6 +24.10.9-2b ±303 4.10.9-3a ±54.10.9-3b -5~+84 4.10.9-4 55 4.10.9-5 86 4.10.9-6 57 4.10.9-7 58 4.10.9-8 1594.10.9-9a 0~254.10.9-9b H/1000检查结果保证项目符合《人民防空工程质量检验评定标准》的规定基本项目检查 4 项,其中优良 2 项,优良率 50 % 允许偏差项目实测点,其中合格点,合格率 %检查结论项目专业技术负责人年月日验收结论监理工程师(建设单位项目技术负责人)年月日SG—022防水分部工程质量验收记录工程名称罗兰小镇人防地下室结构类型框剪层数地下1层施工单位四川省建筑机械化工程公司技术部门负责人质量部门负责人分包单位/ 分包单位负责人/ 分包技术负责人/序号分项工程名称施工单位检查评定记录验收意见项数其中优良项数各分项工程质量验收记录完整,符合设计和规范要求,该分部工程质量评定为合格,同意后续工程施工。
一、分项工程质量验收记录表1.结构工程(RFJ01-2002)4.1-1 国家人防质监站监制土石方分项工程质量验收记录表-1- (RFJ01-2002)4.2-1 国家人防质监站监制爆破掘进分项工程质量验收记录表-2- (RFJ01-2002)4.3-1 国家人防质监站监制盾构分项工程质量验收记录表-3- (RFJ01-2002)4.4-1 国家人防质监站监制沉井项工程质量验收记录表注:l为长度或宽度;r为半径;b为对角线长;H为下沉总深度;L为最高与最低两角间距离。
-4- (RFJ01-2002)4.5-1 国家人防质监站监制地下连续墙分项工程质量验收记录表-5- (RFJ01-2002)4.6-1 国家人防质监站监制打(压)桩分项工程质量验收记录表注:d 为桩的的直径或截面边长;H 为桩长-6-(RFJ01-2002)4.7-1国家人防质监站监制灌注桩分项工程质量验收记录表注:d为桩的直径;-7- (RFJ01-2002)4.8-1 国家人防质监站监制模板分项工程质量验收记录表(RFJ01-2002)4.9-1 国家人防质监站监制钢筋绑扎分项工程质量验收记录表-9- (RFJ01-2002)4.9-2 国家人防质监站监制钢筋焊接分项工程质量验收记录表(RFJ01-2002)4.10-1 国家人防质监站监制混凝土分项工程质量验收记录表2.蜂窝、空洞、露筋、缝隙夹渣层等缺陷,在装饰前应按施工规范规定进行修理。
-11- (RFJ01-2002)4.10-2 国家人防质监站监制混凝土设备基础分项工程质量验收记录表注:蜂窝、空洞、露筋、缝隙夹渣层等缺陷,在装饰前应按施工规范规定进行修理。
-12- (RFJ01-2002)4.11-1 国家人防质监站监制喷射混凝土分项工程质量验收记录表-13- (RFJ01-2002)4.12-1 国家人防质监站监制构件安装分项工程质量验收记录表(RFJ01-2002)4.12-2 国家人防质监站监制构件安装分项工程质量验收记录表(用于装配式大板建筑)-15- (RFJ01-2002)4.13-1 国家人防质监站监制钢结构焊接分项工程质量验收记录表注:b为焊缝宽度;k为焊角尺寸;δ为母材厚度-16-(RFJ01-2002)4.13-2 国家人防质监站监制钢柱制作分项工程质量验收记录表注:L为柱长度;L1为柱底面到牛腿支承面距离;b为翼缘板宽度。
本文部分内容来自网络整理,本司不为其真实性负责,如有异议或侵权请及时联系,本司将立即删除!== 本文为word格式,下载后可方便编辑和修改! ==人防资料全套范例篇一:人防资料全套范本SG—018单位工程质量验收记录四川省建设厅制SG—19单位工程质量控制资料核查记录四川省建设厅制SG—019续单位工程质量控制资料核查记录注:抽查项目由验收组协商确定。
混凝土强度合格评定施工单位:四川省建筑机械化工程公司注:本表一式四份,建设单位、施工单位、监理单位、城建档案馆各一份。
混凝土强度合格评定施工单位:四川省建筑机械化工程公司注:本表一式四份,建设单位、施工单位、监理单位、城建档案馆各一份。
篇二:人防资料全套范例SG—018单位工程质量验收记录四川省建设厅制SG—19单位工程质量控制资料核查记录四川省建设厅制SG—019续单位工程质量控制资料核查记录注:抽查项目由验收组协商确定。
四川省建设厅制SG—029混凝土强度合格评定施工单位:四川省建筑机械化工程公司注:本表一式四份,建设单位、施工单位、监理单位、城建档案馆各一份。
SG—029混凝土强度合格评定施工单位:四川省建筑机械化工程公司注:本表一式四份,建设单位、施工单位、监理单位、城建档案馆各一份。
SG—036篇三:人防资料全套范本SG—018单位工程质量验收记录四川省建设厅制SG—19单位工程质量控制资料核查记录四川省建设厅制SG—019续单位工程质量控制资料核查记录注:抽查项目由验收组协商确定。
混凝土强度合格评定施工单位:四川省建筑机械化工程公司注:本表一式四份,建设单位、施工单位、监理单位、城建档案馆各一份。
混凝土强度合格评定施工单位:四川省建筑机械化工程公司注:本表一式四份,建设单位、施工单位、监理单位、城建档案馆各一份。
篇四:201X全套人防资料表格人防资料目录一、分项工程质量验收记录表 .................................................................. .......................... - 6 -1、结构工程 .................................................................. ................................................ - 6 - 土石方分项工程质量验收记录表 .................................................................. ...................... - 6 - 爆破掘进分项工程质量验收记录表 .................................................................. .................. - 7 - 盾构分项工程质量验收记录表 .................................................................. .......................... - 8 - 沉井项工程质量验收记录表 .................................................................. .............................. - 9 - 地下连续墙分项工程质量验收记录表 .................................................................. ............ - 10 - 打(压)桩分项工程质量验收记录表 .................................................................. ............ - 11 - 灌注桩分项工程质量验收记录表 .................................................................. .................... - 12 - 模板分项工程质量验收记录表 .................................................................. ........................ - 13 - 钢筋绑扎分项工程质量验收记录。
(完整)人防工程资料资料编辑整理:尊敬的读者朋友们:这里是精品文档编辑中心,本文档内容是由我和我的同事精心编辑整理后发布的,发布之前我们对文中内容进行仔细校对,但是难免会有疏漏的地方,但是任然希望((完整)人防工程资料资料)的内容能够给您的工作和学习带来便利。
同时也真诚的希望收到您的建议和反馈,这将是我们进步的源泉,前进的动力。
本文可编辑可修改,如果觉得对您有帮助请收藏以便随时查阅,最后祝您生活愉快业绩进步,以下为(完整)人防工程资料资料的全部内容。
人防工程资料目录参考资料河南荣泰工程管理有限公司资料目录1:人防报监资料目录2:开工10日内准备资料3:防水施工时收集整理资料4:底板施工时收集整理资料5:墙体施工时收集整理资料6:顶板施工时收集整理资料7:主体结构验收整集整理资料8:设备安装时收集整理资料9:建筑装修时收集整理资料10:防护设备企业应提供的资料11:人防竣工资料核查目录报监资料目录1。
河南省人防工程质量监督登记表(一式二份)建设单位填写2。
人防工程质量保证体系审查表(一式四份)3。
人防工程立项批复(验原件)4.河南省人民防空工程施工图设计文件审查批准书及人民防空工程施工图设计文件审查表及设计院审图回复意见(审图问题逐条回复)(全国人防工程施工图设计审查及技术咨询中心审查的图纸需出具合格证)5.施工单位中标通知书、施工合同(委托人需委托书)6.施工单位资质等级证书、企业法人营业执照及相应人员职称证书7.监理单位中标通知书、监理合同、授权委托书8.监理单位资质等级证书、企业法人营业执照及相应人员职称证书9.勘察单位资质等级证书、企业法人营业执照及相应人员职称证书10.设计单位资质等级证书、企业法人营业执照及相应人员职称证书11.检测单位资质证书、计量认证证书12.见证单位及见证人员授权书13.人防工程施工图建筑总说明与战时平面图(有施工图审查章的图纸)指挥所工程需要全套设计施工图开工十日内准备资料质量保证体系资料建设单位:1.人防工程审核意见书2.设计方案核查意见书3.建筑工程规划许可证4.施工证件(土地证、建设用地许可证、施工许可证等)5.设计变更6.地质勘测报告和桩基检测报告7.平战转换预案8.立项批复文件9.图纸审查意见及回复单10.会审图纸的会议纪要施工单位1.施工单位资质证书2.施工中标通知3.施工许可证4.施工合同5.项目经理任命书、项目经理资格证书、法人授权委托书6.技术负责人资格证书7.专职质检员资格证书8.施工员、安全员、材料员、预算造价员资格证书9.特种作业人员上岗证10.人防工程施工组织设计方案11.基坑、边坡支护设计图纸及深基坑专家论证方案12.基坑边坡支护施工方案、降水排水施工方案、沉降观测资质及方案监理单位1.监理单位资质证书2.监理合同3.总监任命书、总监资格证书、法人授权委托书4.监理工程师资格证书、见证员上岗证5.监理规划、安全监理规划6.监理细则、安全监理细则7.见证取样方案8.旁站监理方案勘察单位1.勘察单位资质证书2.勘察合同3.勘察项目负责人资格证书设计单位1.设计单位资质证书2.设计合同3.设计项目负责人资格证书4.图纸会审记录检测单位1.检测单位资质证书2.计量认证证书3.检测负责人的资格证书防水施工时收集整理资料1:质保资料防水施工单位资质证书、施工人员上岗证书防水专项施工方案防水材料(生产厂家生产许可证、合格证、出厂检验报告、复检试验报告)2:检验评定资料报验申请表涂料防水层分项工程质量验收记录表卷材防水层分项工程质量验收记录表(单建式人防工程采用桩基时)打(压)桩分项工程质量验收记录表防水隐蔽工程检查验收记录表3:照片▲ 防水材料进场后包装筒或者纸上的合格证照片▲ 基层面观感质量照片、卷材铺贴方法照片涂料涂刷厚度、质量照片、卷材铺贴搭接宽度测量照片▲ 阴阳角加强层施工照片▲ 防水材料施工完毕后观感质量照片底板施工时收集整理资料1.质保资料钢筋(报验申请表、材料数量清单、出厂合格证及检验报告、力学检测试验报告、焊接试验报告)水泥(出厂试验报告、复检试验报告)砂、石子试验报告;粉煤灰试验报告砼外加剂(防水剂、膨胀剂)的厂家资质证书、合格证、出厂检验报告、人防准用证配合比试验报告(试配要求的抗渗设计等级应提高0.2MPa)止水带材料出厂检验报告临战封堵框和人防门门框(数量清单、原材料证明文件、出厂合格证、厂家资质证书、出厂检验报告、过路过桥票据)防爆地漏(材料报审表、出厂合格证、防护设备厂家资质证书、出厂检验报告)注:要具备在人防单位备案的厂家2.检验评定资料人防报验申请表土石方分项工程质量验收记录表模板分项工程质量验收记录表止水带防水分项工程质量验收记录表钢筋绑扎分项工程质量验收记录表钢筋焊接分项工程质量验收记录表钢筋隐蔽工程检查验收记录表砼分项工程质量验收记录表防水砼分项工程质量验收记录表砼隐蔽工程检查验收记录表管道隐蔽工程检查验收记录表排水管道安装分项工程质量验收记录表管道隐蔽试压灌水试验记录卫生器具安装分项工程质量验收记录表接地电阻测试记录接地装置安装分项工程质量验收记录表电气隐蔽工程质量验收记录防护密闭门、密闭门门框制作及安装分项工程质量验收记录表、避雷带隐蔽验收记录表3.照片▲ 钢筋间距布置测量照片 2▲ 拉结筋布置测量照片 3▲ 人防门门框钢筋布置及标高测量照片 4▲ 45度ф16加强筋设置照片后浇带、施工缝、变形缝设置照片▲ 底板钢筋接地处理照片▲ 人防门门框封堵预埋、接地照片▲ 防爆波地漏安装及标高测量照片▲ 线管预埋照片线管穿越后浇带、变形缝等处的补偿处理照片▲ 钢板止水带设置、焊接、搭接测量、转角处照片墙体施工时收集整理资料1.质保资料防爆呼唤按钮(材料报审表、出厂合格证、厂家资质证书、出厂检验报告)注:经省防办备案的厂家通风预埋管的6mm风管、3mm风管、DN50、DN32、DN15D 等材料(材料报审表、合格证、出厂检验报告)电气、通信、消防报警预埋的热镀锌钢管(SC50SC15、SC32)密闭盒、接线盒和接地(圆钢、扁钢)等材料(材料报审表、材料合格证、出厂检验报告、厂家资质证书)给排水、消防预埋镀锌钢套管的(DN25、DN32、DN50 DN70、DN80、DN100)等料(报审表、合格证、出厂检验报告)2. 检验评定资料报验申请表钢筋绑扎分项工程质量验收记录表钢筋焊接分项工程质量验收记录表钢筋隐蔽工程检查验收记录表砼隐蔽工程检查验收记录表防水砼分项工程质量验收记录表金属风管制作分项工程质量验收记录表管道隐蔽工程检查验收记录表电气隐蔽工程质量验收记录表进出工程管线的防护密闭分项工程质量验收记录表防护密闭门、密闭门门框墙制作分项工程质量验收记录表3.照片▲ 墙体钢筋间距布置测量照片▲ 拉结筋布置测量照片▲ 人防门框、封堵框预埋、接地照片▲ 45度加强筋布置照片通风短管制作、预埋照片6▲ 气密测量管制作、预埋照片7▲ 给排水密闭套管制作、预埋照片8顶板施工时收集整理资料1.质保资料砼试验报告(配合比试验报告、抗压强度报告、抗渗报告)预埋电气配管的材料(材料报审表、合格证、出厂检验报告)2.检验评定资料钢筋绑扎分项工程质量验收记录表钢筋隐蔽工程检查资料验收记录表钢筋焊接分项工程质量验收记录表砼分项工程质量验收记录表砼隐蔽工程检查验收记录表防水砼分项工程质量验收记录表电气隐蔽工程质量验收记录表配管及管内穿线分项工程质量验收记录表3.照片▲板筋间距布置测量照片▲ 拉结筋布置测量照片▲ 人防吊钩设置照片高压测压管预埋照片▲ 穿板密闭套管、封堵框制作、预埋照片▲ 电气管线防护密闭处理照片熔断器保护设置照片主体结构验收整理的资料结构分部质保资料钢筋(报验申请表、数量清单、出厂检验报告、力学试验检测报告、焊接试验报告)水泥(出厂试验报告、复检试验报告单)砂、石子试验报告单粉煤灰复试报告单砼外加剂(防水剂、膨胀剂)的厂家资质证书、合格证、出厂检验报告、人防准用证配合比试验报告(试配要求的抗渗设计等级应提高0。
一、分项工程质量验收记录表1.结构工程(RFJ01-2002)4。
1-1 国家人防质监站监制土石方分项工程质量验收记录表(RFJ01-2002)4。
2-1 国家人防质监站监制爆破掘进分项工程质量验收记录表-2—(RFJ01-2002)4。
3-1 国家人防质监站监制盾构分项工程质量验收记录表-3—(RFJ01-2002)4。
4-1 国家人防质监站监制沉井项工程质量验收记录表注:l为长度或宽度;r为半径;b为对角线长;H为下沉总深度;L为最高与最低两角间距离。
—4- (RFJ01-2002)4.5-1 国家人防质监站监制地下连续墙分项工程质量验收记录表-5—(RFJ01-2002)4.6-1 国家人防质监站监制打(压)桩分项工程质量验收记录表注:d为桩的的直径或截面边长;H为桩长-6- (RFJ01-2002)4。
7-1 国家人防质监站监制灌注桩分项工程质量验收记录表-7- (RFJ01-2002)4.8-1 国家人防质监站监制模板分项工程质量验收记录表(RFJ01-2002)4.9-1 国家人防质监站监制钢筋绑扎分项工程质量验收记录表(RFJ01-2002)4.9-2 国家人防质监站监制钢筋焊接分项工程质量验收记录表—10- (RFJ01-2002)4。
10-1 国家人防质监站监制混凝土分项工程质量验收记录表2。
蜂窝、空洞、露筋、缝隙夹渣层等缺陷,在装饰前应按施工规范规定进行修理.-11- (RFJ01-2002)4。
10-2 国家人防质监站监制混凝土设备基础分项工程质量验收记录表注:蜂窝、空洞、露筋、缝隙夹渣层等缺陷,在装饰前应按施工规范规定进行修理。
-12- (RFJ01-2002)4。
11-1 国家人防质监站监制喷射混凝土分项工程质量验收记录表-13- (RFJ01-2002)4。
12-1 国家人防质监站监制构件安装分项工程质量验收记录表—14- (RFJ01-2002)4.12-2 国家人防质监站监制构件安装分项工程质量验收记录表(用于装配式大板建筑)—15- (RFJ01-2002)4.13-1 国家人防质监站监制钢结构焊接分项工程质量验收记录表注:b为焊缝宽度;k为焊角尺寸;为母材厚度-16-(RFJ01-2002)4。
SG—018 单位工程质量验收记录四川省建设厅制SG—19 单位工程质量控制资料核查记录四川省建设厅制SG—019续单位工程质量控制资料核查记录注:抽查项目由验收组协商确定。
四川省建设厅制SG—029混凝土强度合格评定施工单位:四川省建筑机械化工程公司注:本表一式四份,建设单位、施工单位、监理单位、城建档案馆各一份。
SG—029混凝土强度合格评定施工单位:四川省建筑机械化工程公司注:本表一式四份,建设单位、施工单位、监理单位、城建档案馆各一份。
SG—036同条件养护试件温度记录注:日平均温度,日最高温度与最低温度的平均值:日平均温度低于0℃的不计入累计温度。
四川省建设厅制SG—036同条件养护试件温度记录注:日平均温度,日最高温度与最低温度的平均值:日平均温度低于0℃的不计入累计温度。
SG—036同条件养护试件温度记录注:日平均温度,日最高温度与最低温度的平均值:日平均温度低于0℃的不计入累计温度。
SG—013 建筑工程隐蔽检验记录编号:注:评分说明详见《人民防空工程质量检验评定标准》表3.4-.3-3所注SG—022结构分部工程质量验收记录模板分项工程质量验收记录混凝土分项工程质量验收记录SG—022防水分部工程质量验收记录工程名称罗兰小镇人防地下室结构类型框剪层数地下1层施工单位四川省建筑机械化工程公司技术部门负责人质量部门负责人分包单位/分包单位负责人/分包技术负责人/序号分项工程名称施工单位检查评定记录验收意见项数其中优良项数各分项工程质量验收记录完整,符合设计和规范要求,该分部工程质量评定为合格,同意后续工程施工。
1防水砼分项工程62涂料防水分项工程63止水带防水分项工程6456789质量控制资料共 3 项,符合要求 3 项,经鉴定符合要求项观感质量验收情况应得分,实得分,得分率%验收单位分包单位注册建造师(项目经理):年月日施工单位注册建造师(项目经理):年月日勘察单位项目负责人:年月日设计单位项目负责人:年月日监理(建设)单位总监理工程师(建设单位项目专业负责人):年月日四川省建设厅制防水混凝土分项工程质量验收记录涂料防水分项工程质量验收记录止水带防水分项工程质量验收记录进出工程管线的防护密闭分项工程质量验收记录检查结果保证项目符合《人民防空工程质量检验评定标准》的规定基本项目检查0 项,其中优良0 项,优良率0 %允许偏差项目实测点,其中合格点,合格率%检查结论项目专业技术负责人年月日验收结论监理工程师(建设单位项目技术负责人)年月日SG—022建筑装修分部工程质量验收记录工程名称罗兰小镇人防地下室结构类型框剪层数地下1层施工单位四川省建筑机械化工程公司技术部门负责人质量部门负责人分包单位/分包单位负责人/分包技术负责人/序号分项工程名称施工单位检查评定记录验收意见项数其中优良项数各分项工程质量验收记录完整,符合设计和规范要求,该分部工程质量评定为合格,同意后续工程施工。