人防资料(完整表格)
- 格式:doc
- 大小:4.74 MB
- 文档页数:127
(RFJ01-2002)3.4-2 国家人防质监站监制主体分部工程质量验收记录表(RFJ01-2002)3.4.3-1单位工程质量验收记录(RFJ01-2002)3.4.3-2单位工程质量控制资料核查记录表(RFJ01-2002)3.4.3-2单位工程观感质量检查记录表YB1隐蔽工程检查验收记录工程名称:钱墅人家人防地下室建设单位:宜兴市经济适用住房发展中心图号:结施专业技术负责人:质量检查员:填表人:注:本表适用于砼、钢筋、砌体埋筋、防水、回填土等隐蔽工程。
当用于基坑验槽时,表头填写“验槽”二字。
并应增加设计、地质勘察单位参加人签字栏。
YB2管道隐蔽工程检查验收记录制表日期:年月日检查验收日期:工程名称:施工单位:建设单位:分项工程名称:隐蔽部位:砼底板内与架空层:设计图号:管道材质:规格:隐蔽段的划分及数量:操作班(组)长:专业技术负责人:质检员:施工员:填表人:YB3电气隐蔽工程检查验收记录隐蔽分项工程名称:年月日专业技术负责人:质量检查员:班(组)长:施工员:注:本表适用于照明管线、通信管线、接地等工程。
YB4设备试压(满水)记录阀门制表日期:年月日工程名称:施工单位:建设单位:分项工程名称:使用部位:监理单位:设备名称:规格型号:材质:生产厂家:单位:数量:试压时间:年月日时起至月日时止平均气温:℃注:①、采暖设备、给水设备、空调设备、各类闸阀等试压项目均用此表。
②、如委托其他试验单位时,应将试验单位所出试验报告附于本记录后面。
系统管道试压灌水记录隐蔽制表日期:年月日工程名称:施工单位:建设单位:分项工程名称:试压(灌水)系统:监理单位:试压灌水部位:设计图号:平均气温:℃管道材质:规格:数量:试压时间:年月日时起至月日时止给、排水管道通水试验记录制表日期:年月日工程名称:施工单位:建设单位:分项工程名称:采用设备名称:监理单位:通水时间:年月日时起至月日时止平均气温:(℃)YB7管道冲洗吹扫清洗记录制表日期:年月日工程名称:施工单位:建设单位:分项工程名称:采用设备名称:监理单位:设备型号:性能参数:冲洗。
表3—1 防火设备安装工程分部工程质量验收记录表【备1—1】人防工程竣工验收备案表山东省工程质量监督站监制备案说明1.工程竣工验收备不免除参加与各方的质量责任。
2.竣工工程保修期限按国务院《建设工程质量管理条理》的有关规定执行。
3.开发建设单位、物业管理部门是工程保修内管理的第一责任人,用户对工程质量发现问题应向上述单位投诉或不做处理的,建筑行政主管部门或其委托的质监机构有权依据有关法律、法规对责任单位进行处罚,并责令限期整改。
4.工程竣工验收备案表竣工验收意见栏内填写说明(参考):勘察单位:工程地质勘察符合国家有关标准,地基承载力符合设计要求。
设计单位:工程符合设计要求,同意验收。
施工单位;工程质量符合设计及国家质量验收保证规定,评为等级。
监理单位:工程质量经验收评定为等级。
建设单位:符合设计要求,工程质量经验收评定为等级。
人防工程竣工验收备案表【备2—1】人防工程竣工验收备案表工程名称:设计单位:施工单位:监理单位:建设单位:山东省人防工程质量监督站监制目录一、工程概况。
二、施工许可证号、施工图设计文件审查意见。
三、建设单位执行基本建设程序情况。
四、地基与基础、主体结构防水工程质量抽查及评定情况。
五、孔口防护工程质量检查及平定情况。
六、设备安装工程(风、水、电、防火)使用功能质量检查情况。
七、施工企业自评、监理核查质量情况。
八、工程竣工验收组织形式、程序、内容及情况。
九、验收组对工程勘察、设计、施工、监理等方面的评价。
十、工程竣工压缩意见。
十一、其他有关需注明的情况。
人防工程竣工报告一、工程概况:二、施工许可证号、施工图设计审查意见:三、建设单位执行基本建设程序情况:四、地基与基础、主体结构防水工程质量检查、结构抽查情况:五、孔口防护工程质量检查评定情况:六、设备安装工程(风、水、电、防火)使用功能质量检查及评定情况:七、施工企业自评,监理核查检查情况:八、工程竣工验收组织形式、程序、内容及情况:九、验收组对工程勘察、设计、施工、监理等方面的评价:十、工程竣工验收意见:十一、其他有关需注名的情况:竣工验收主办人(签章)建设单位(项目)负责人(签章)建设单位:(签章)年月日【质监3—1】人防工程质量监督记录工程名称:监督单位:施工单位:监督注册号:山东省人防工程质量监督站监制年月日单位工程质量评定表工程名称:结构类型:开工日期:年月日注:该表为单位工程竣工时施工单位和监理单位初评等级表。
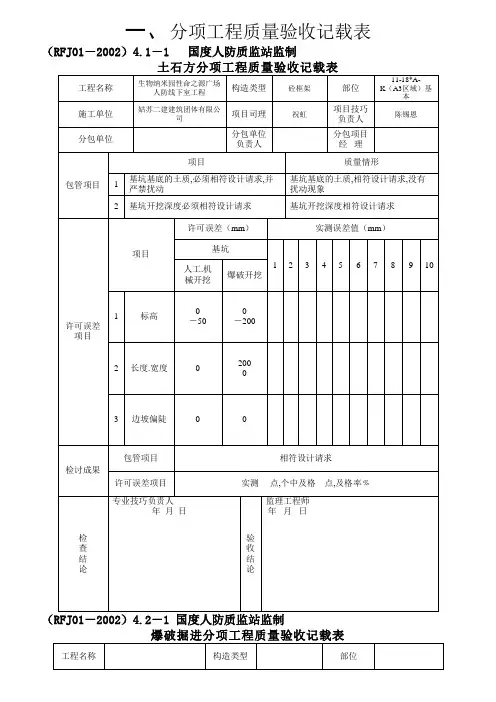
江苏省人防工程资料表格(含:土建及安装工程) 目录一、分项工程质量验收记录表 ........................................................................... .............................................. - 1 - 1.结构工程 ........................................................................... ............................................................................ - 1 - (RFJ01-2002)4.1-1 土石方分项工程质量验收记录表 ................................................................. - 2 - (RFJ01-2002)4.2-1 爆破掘进分项工程质量验收记录表 ............................................................. - 3 - (RFJ01-2002)4.3-1 盾构分项工程质量验收记录表 ..................................................................... - 4 - (RFJ01-2002)4.4-1 沉井分项工程质量验收记录表 ..................................................................... - 5 - (RFJ01-2002)4.5-1 地下连续墙分项工程质量验收记录表 ......................................................... - 6 - (RFJ01-2002)4.6-1 打(压)桩分项工程质量验收记录表 ......................................................... - 7 - (RFJ01-2002)4.7-1 灌注桩分项工程质量验收记录表 ................................................................. - 8 - (RFJ01-2002)4.8-1 模板分项工程质量验收记录表 ..................................................................... - 9 - (RFJ01-2002)4.9-1 钢筋绑扎分项工程质量验收记录表 ........................................................... - 10 - (RFJ01-2002)4.9-2 钢筋焊接分项工程质量验收记录表 ........................................................... - 11 - (RFJ01-2002)4.10-1 混凝土分项工程质量验收记录表 ............................................................. - 12 -(RFJ01-2002)4.10-2 混凝土设备基础分项工程质量验收记录表 ............................................. - 13 - (RFJ01-2002)4.11-1 喷射混凝土分项工程质量验收记录表 ..................................................... - 14 - (RFJ01-2002)4.12-1 构件安装分项工程质量验收记录表 ......................................................... - 15 - (RFJ01-2002)4.12-2 构件安装分项工程质量验收记录表(用于装配式大板建筑) ............. - 16 - (RFJ01-2002)4.13-1 钢结构焊接分项工程质量验收记录表 ..................................................... - 17 - (RFJ01-2002)4.13-2 钢柱制作分项工程质量验收记录表 ......................................................... - 18 - (RFJ01-2002)4.13-3 钢梁制作分项工程质量验收记录表 ......................................................... - 19 - (RFJ01-2002)4.13-4 钢管构件制作分项工程质量验收记录表 ................................................. - 20 - (RFJ01-2002)4.13-5 钢柱安装分项工程质量验收记录表 ......................................................... - 21 - (RFJ01-2002)4.13-6 固定式钢梯、栏杆、平台安装分项工程质量验收记录表 ..................... - 22 - (RFJ01-2002)4.13-7 钢结构油漆分项工程质量验收记录表 ..................................................... - 23 -(RFJ01-2002)4.14-1 砌砖分项工程质量验收记录表 ................................................................. - 24 - (RFJ01-2002)4.15-1 砌石分项工程质量验收记录表 ................................................................. - 25 - 2、防水工程 ........................................................................... ....................................................................... - 26 - (RFJ01-2002)5.1-1 防水混凝土结构分项工程质量验收记录表 ............................................... - 27 - (RFJ01-2002)5.2-1 水泥砂浆防水层分项工程质量验收记录表 ............................................... - 28 - (RFJ01-2002)5.3-1 涂料防水层分项工程质量验收记录表 ....................................................... - 29 - (RFJ01-2002)5.4-1 卷材防水层分项工程质量验收记录表 ....................................................... - 30 - (RFJ01-2002)5.5-1 金属防水层分项工程质量验收记录表 ....................................................... - 31 - (RFJ01-2002)5.6-1 油膏嵌缝防水分项工程质量验收记录表 ................................................... - 32 - (RFJ01-2002)5.7-1 止水带防水分项工程质量验收记录表 ....................................................... - 33 - 3.孔口防护工程 ........................................................................... .................................................................. - 34 -(RFJ01-2002)6.1-1 防护门、防护密闭门、密闭门门框墙制作分项工程质量验收记录表 ... - 35 - (RFJ01-2002)6.2-1 钢筋混凝土防护门、防护密闭门、密闭门安装分项工程质量验收记录表- 36 - (RFJ01-2002)6.2-2 钢质防护门、防护密闭门、密闭门安装分项工程质量验收记录表 ....... - 37 - (RFJ01-2002)6.3-1 防爆波活门、防爆超压排气活门安装分项工程质量验收记录表 ........... - 38 - (RFJ01-2002)6.4-1 进、出工程管线的防护密闭分项工程质量验收记录表 ........................... - 39 - 4、建筑装修工程 ........................................................................... ............................................................... - 40 - (RFJ01-2002)7.1-1 一般抹灰(级)分项工程质量验收记录表 ........................................... - 41 - (RFJ01-2002)7.2-1水磨石分项工程质量验收记录表 ............................................................... - 42 -(RFJ01-2002)7.2-2 假面砖、拉条灰、拉毛灰、仿石和彩色抹灰分项工程质量验收记录表 - 43 - (RFJ01-2002)7.2-3 喷涂、滚涂和弹涂分项工程质量验收记录表 ........................................... - 44 -(RFJ01-2002)7.3-1 混色油漆(级)分项工程质量验收记录表 ........................................... - 45 - (RFJ01-2002)7.3-2清漆(级)、美术油漆和地面打蜡分项工程质量验收记录表 ........... - 46 -(RFJ01-2002)7.4-1 刷(喷)浆(级)分项工程质量验收记录表 ....................................... - 47 - (RFJ01-2002)7.5-1 裱糊分项工程质量验收记录表 ................................................................... - 48 - (RFJ01-2002)7.6-1 饰面分项工程质量验收记录表 ................................................................... - 49 - (RFJ01-2002)7.7-1 罩面板安装分项工程质量验收记录表 ....................................................... - 50 - (RFJ01-2002)7.7-2 钢、铝合金骨架安装分项工程质量验收记录表 ....................................... - 51 - (RFJ01-2002)7.8-1 整体地面分项工程质量验收记录表 ........................................................... - 52 - (RFJ01-2002)7.9-1 板块地面分项工程质量验收记录表 ........................................................... - 53 - (RFJ01-2002)7.10-1 木质板地面分项工程质量验收记录表 ..................................................... - 54 - (RFJ01-2002)7.11-1 木门窗安装分项工程质量验收记录表 ..................................................... - 55 - (RFJ01-2002)7.11-2 钢门窗安装分项工程质量验收记录表 ..................................................... - 56 - (RFJ01-2002)7.11-3 铝合金和塑钢门窗安装分项工程质量验收记录表.................................. - 57 - 5、给水排水工程 ........................................................................... ............................................................... - 58 - (RFJ01-2002)8.1-1 给水管道安装分项工程质量验收记录表 ................................................... - 59 - (RFJ01-2002)8.1-2 给水硬聚氯乙烯(PVC-U)塑料管、铝塑复合管道安装分项工程质量验收记录表 ........................................................................... .................................................................... - 60 - (RFJ01-2002)8.2-1 给水管道附件及卫生器具给水配件安装分项工程质量验收记录表 ....... - 61 - (RFJ01-2002)8.3-1 给水附属设备安装分项工程质量验收记录表 ........................................... - 62 - (RFJ01-2002)8.4-1 排水管道安装分项工程质量验收记录表 ................................................... - 63 - (RFJ01-2002)8.4-2 排水硬聚氯乙烯(PVC-U)塑料管道分项工程质量验收记录表 ......... - 64 - (RFJ01-2002)8.5-1 卫生器具安装分项工程质量验收记录表 ................................................... - 65 - (RFJ01-2002)8.6-1 洗消器具安装分项工程质量验收记录表 ................................................... - 66 - (RFJ01-2002)8.7-1 立式污水泵安装分项工程质量验收记录表 ............................................... - 67 - 6、采暖、通风与空调工程 ........................................................................... ............................................... - 68 - (RFJ01-2002)9.1-1 采暖管道安装分项工程质量验收记录表 ................................................... - 69 - (RFJ01-2002)9.2-1 散热器及太阳能热水器安装分项工程质量验收记录表 ........................... - 70 - (RFJ01-2002)9.3-1 采暖附属设备安装分项工程质量验收记录表 ........................................... - 71 - (RFJ01-2002)9.4-1 金属管道制作分项工程质量验收记录表 ................................................... - 72 - (RFJ01-2002)9.5-1 无机玻璃钢风管制作分项工程质量验收记录表 ....................................... - 73 - (RFJ01-2002)9.6-1 通风部件制作分项工程质量验收记录表 ................................................... - 74 - (RFJ01-2002)9.7-1 风管及部件安装分项工程质量验收记录表 ............................................... - 75 - (RFJ01-2002)9.8-1 非金属风管(风道)制作与安装分项工程质量验收记录表 ................... - 76 - (RFJ01-2002)9.9-1 过滤器、除尘器、过滤吸收器安装分项工程质量验收记录表 ............... - 77 - (RFJ01-2002)9.10-1 密闭阀门安装分项工程质量验收记录表 ................................................. - 78 - (RFJ01-2002)9.11-1 消声(减振)设备制作与安装分项工程质量验收记录表 ...................... - 79 - (RFJ01-2002)9.12-1 通风机和除湿机安装分项工程质量验收记录表 ..................................... - 80 - (RFJ01-2002)9.13-1 防腐与油漆分项工程质量验收记录表 ..................................................... - 81 - 7、建筑电气安装工程 ........................................................................... ....................................................... - 82 - (RFJ01-2002)10.1-1 电缆线路分项工程质量验收记录表 ......................................................... - 83 - (RFJ01-2002)10.2-1 配管及管内穿线分项工程质量验收记录表 ............................................. - 84 - (RFJ01-2002)10.3-1 护套线配线分项工程质量验收记录表 ..................................................... - 85 - (RFJ01-2002)10.4-1 槽板配线分项工程质量验收记录表 ......................................................... - 86 - (RFJ01-2002)10.5-1 变压器安装分项工程质量验收记录表 ..................................................... - 87 - (RFJ01-2002)10.6-1 成套配电柜(盘)及动力开关柜安装分项工程质量验收记录表 ......... - 88 - (RFJ01-2002)10.7-1 低压电器安装分项工程质量验收记录表 ................................................. - 89 - (RFJ01-2002)10.8-1 电气照明器具及配电箱(盘)安装分项工程质量验收记录表 ............. - 90 - (RFJ01-2002)10.9-1 接地装置安装分项工程质量验收记录表 ................................................. - 91 -(RFJ01-2002)10.10-1 柴油发电机组安装分项工程质量验收记录表 ....................................... - 92 - 8、防火设备安装工程 ........................................................................... ....................................................... - 93 - (RFJ01-2002)11.1-1 防火门和防火卷帘安装分项工程质量验收记录表.................................. - 94 - (RFJ01-2002)11.2-1 灭火器具安装分项工程质量验收记录表 ................................................. -95 - (RFJ01-2002)11.2-2 灭火器具安装分项工程质量验收记录表 ................................................. - 96 - (RFJ01-2002)11.3-1 防烟排烟部件的制作与安装分项工程质量验收记录表.......................... - 97 - (RFJ01-2002)11.4-1 火灾自动报警装置安装分项工程质量验收记录表.................................. - 98 - (RFJ01-2002)11.5-1 火灾事故广播、消防通信设备安装分项工程质量验收记录表 .............. - 99 - 二、分部工程质量验收记录表 ........................................................................... .......................................... - 100 -(RFJ01-2002)3.4.2 分部工程质量验收记录表 ............................................................................ - 101 - 三、单位工程质量验收记录表 ........................................................................... .......................................... - 102 -(RFJ01-2002)3.4.3-1 单位工程质量验收记录表 ...................................................................... -103 - (RFJ01-2002)3.4.3-2 单位工程质量控制资料核查记录表 ...................................................... - 104 - (RFJ01-2002)3.4.3-3 单位工程观感质量检查记录表 .............................................................. - 105 - 四、隐蔽工程检查验收记录 ........................................................................... .............................................. - 106 -YB1 隐蔽工程检查验收记录 ........................................................................... .................................... - 107 - YB2 管道隐蔽工程检查验收记录 ........................................................................... ............................ - 108 - YB3 电气隐蔽工程检查验收记录 ........................................................................... ............................ - 109 - YB4 设备、阀门试压(满水)记录 ........................................................................... ........................ - 110 - YB5 管道系统隐蔽试压灌水记录 ........................................................................... .............................- 111 - YB6 给、排水管道通水试验记录 ........................................................................... ............................ - 112 - YB7 管道冲洗吹扫清洗记录 ........................................................................... .................................... - 113 - YB8 排水管道通球试验记录 ........................................................................... .................................... - 114 - YB9 设备试运转记录 ........................................................................................................................... - 115 - YB10 电气接地电阻测试记录 ........................................................................... .................................. - 116 - YB11 绝缘电阻测验记录 ........................................................................... .......................................... - 117 - 五、施工现场质量管理检查记录表 ........................................................................... .................................. - 118 -(RFJ01-2002)A.0.1 施工现场质量管理检查记录表 ................................................................... - 119 -一、分项工程质量验收记录表1.结构工程(RFJ01-2002)4.1-1 国家人防质监站监制土石方分项工程质量验收记录表工程名称施工单位分包单位保证项目项目 1 2 基坑基底的土质,必须符合设计要求,并严禁扰动基坑开挖深度必须符合设计要求允许偏差(mm)项目基坑人工、机械开挖允许偏差项目 0 -50 1 爆破开挖 2 3 4 5 6 7 8 9 10 实测偏差值(mm)结构类型项目经理分包单位负责人部位项目技术负责人分包项目经理质量情况 1 标高 0 -200 2 长度、宽度(由中心线向两边量) 50 0 200 0 3 边坡偏陡 0 0 检查结果保证项目允许偏差项目实测点,其中合格点,合格率 % 监理工程师年月日检查结论专业技术负责人年月日验收结论感谢您的阅读,祝您生活愉快。
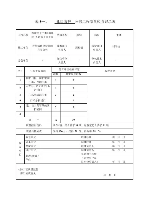
工程名称鲁邦广场结构类型框剪部位地下室施工单位南通二集团有限公司技术部门负责人质量部门负责人分包单位分包单位负责人分包技术负责人序号分项工程名称施工单位检查评定验收意见项数其中优良项数1 防护门框、防护密闭门框、密闭门框3 32 防护门、防护密闭门、密闭门门3 33 门式悬板活门框 1 14 门式悬板活门 15 进、出工程管线的防护密闭3 36合计10 10质量控制资料共38项,符合要求31项,经鉴定符合要求31项观感质量验收应得100分,实得89 分,得分率89 %验收单位分包单位项目经理年月日施工单位青岛环海工程贸易发展有限公司项目经理年月日勘察单位青岛市勘察测绘研究院项目负责人年月日设计单位青岛市人防建筑设计研究院项目负责人年月日监理(建设)单位青岛市惠中建设监理有限公司青岛城市建设集团股份有限公司总监理工程师(建设单位项目专业负责人)年月日人防工程质量监督部门验收意见年月日工程名称鲁邦广场结构类型框剪部位地下室施工单位南通二集团有限公司技术部门负责人质量部门负责人分包单位分包单位负责人分包技术负责人序号分项工程名称施工单位检查评定验收意见项数其中优良项数1 一般抹灰 3 32 整体地面3 33 喷涂、滚涂和弹涂 3 345678合计9 9质量控制资料共9项,符合要求9项,经鉴定符合要求9项观感质量验收应得92分,实得86 分,得分率%验收单位分包单位项目经理年月日施工单位青岛环海工程贸易发展有限公司项目经理年月日勘察单位青岛市勘察测绘研究院项目负责人年月日设计单位青岛市人防建筑设计研究院项目负责人年月日监理(建设)单位青岛市惠中建设监理有限公司青岛城市建设集团股份有限公司总监理工程师(建设单位项目专业负责人)年月日人防工程质量监督部门验收意见年月日表3—1 防火设备安装工程分部工程质量验收记录表工程名称鲁邦广场结构类型框剪部位地下室施工单位南通二集团有限公司技术部门负责人质量部门负责人分包单位分包单位负责人分包技术负责人序号分项工程名称施工单位检查评定验收意见项数其中优良项数123456合计质量控制资料共项,符合要求项,经鉴定符合要求项观感质量验收应得分,实得分,得分率%验收单位分包单位项目经理年月日施工单位青岛环海工程贸易发展有限公司项目经理年月日勘察单位青岛市勘察测绘研究院项目负责人年月日设计单位青岛市人防建筑设计研究院项目负责人年月日监理(建设)单位青岛市惠中建设监理有限公司青岛城市建设集团股份有限公司总监理工程师(建设单位项目专业负责人)年月日人防工程质量监督部门验收意见年月日【备1—1】人防工程竣工验收备案表山东省工程质量监督站监制备案说明1.工程竣工验收备不免除参加与各方的质量责任。
人防表格范本一、分项工程质量验收记录1 结构工程2防水工程3孔口防护工程4建筑装修工程5给水排水工程1、结构工程(RFJ01—2002)4.1—1 土石方分项工程质量验收记录(RFJ01—2002)4.2—1 爆破掘进分项工程质量验收记录(RFJ01—2002)4.3—1 盾构分项工程质量验收记录(RFJ01—2002)4.4—1 沉井分项工程质量验收记录(RFJ01—2002)4.5—1 地下连续墙分项工程质量检验评定表(RFJ01—2002)4.6—1 打(压)桩分项工程质量验收记录(RFJ01—2002)4.7—1 灌注桩分项工程质量验收记录(RFJ01—2002)4.8—1 模板分项工程质量验收记录(RFJ01—2002)4.9—1 钢筋绑扎分项工程质量验收记录(RFJ01—2002)4.9—2 钢筋焊接分项工程质量验收记录(RFJ01—2002)4.10—1 混凝土分项工程质量验收记录(RFJ01—2002)4.10—2 混凝土设备基础分项工程质量验收记录(RFJ01—2002)4.11—1 喷射混凝土分项工程质量验收记录(RFJ01—2002)4.12—1 构件安装分项工程质量验收记录(RFJ01—2002)4.12—1 构件安装分项工程质量验收记录(用于装配式大板建筑)(RFJ01—2002)4.13—1 钢结构焊接分项工程质量验收记录(RFJ01—2002)4.13—2 钢柱制作分项工程质量验收记录(RFJ01—2002)4.13—3 钢梁制作分项工程质量验收记录(RFJ01—2002)4.13—4 钢管构件制作分项工程质量验收记录(RFJ01—2002)4.13—5 钢柱安装分项工程质量验收记录(RFJ01—2002)4.13—6 固定式钢梯、栏杆、平台安装分项工程质量验收记录(RFJ01—2002)4.13—7 钢结构油漆分项工程质量验收记录(RFJ01—2002)4.14—1 砌砖分项工程质量验收记录(RFJ01—2002)4.14—1 砌石分项工程质量验收记录2、防水工程(RFJ01—2002)5.1—1 防水混凝土结构分项工程质量验收记录(RFJ01—2002)5.2—1 水泥砂浆防水层分项工程质量验收记录(RFJ01—2002)5.3—1 涂料防水层分项工程质量验收记录(RFJ01—2002)5.4—1 卷材防水层分项工程质量验收记录(RFJ01—2002)5.5—1 金属防水层分项工程质量验收记录(RFJ01—2002)5.6—1 油膏嵌缝防水分项工程质量验收记录(RFJ01—2002)5.7—1 止水带防水分项工程质量验收记录3、孔口防护工程(RFJ01—2002)6.1—1 防护门、防护密闭门、密闭门门框墙制作分项工程质量验收记录(RFJ01—2002)6.2—1 钢筋混凝土防护门、防护密闭门、密闭门安装分项工程质量验收记录(RFJ01—2002)6.2—2 钢质防护门、防护密闭门、密闭门安装分项工程质量验收记录(RFJ01—2002)6.3—1 防爆波活门、防爆超压排气活门安装分项工程质量验收记录(RFJ01—2002)6.4—1 进、出工程管线的防护密闭分项工程质量验收记录4、建筑装修工程(RFJ01—2002)7.1—1 一样抹灰(级)分项工程质量验收记录(RFJ01—2002)7.2—1 水磨石分项工程质量验收记录(RFJ01—2002)7.2—2 假面砖、拉条灰、拉毛灰、仿石和彩色抹灰分项工程质量验收记录(RFJ01—2002)7.2—3 喷涂、滚涂和弹涂分项工程质量验收记录(RFJ01—2002)7.3—1 混色油漆(级)分项工程质量验收记录(RFJ01—2002)7.3—2 清漆(级)美术油漆和地面打蜡分项工程质量验收记录(RFJ01—2002)7.4—1 刷(喷)浆(级)分项工程质量验收记录(RFJ01—2002)7.5—1 裱糊分项工程质量验收记录(RFJ01—2002)7.6—1 饰面分项工程质量验收记录(RFJ01—2002)7.7—1 罩面板安装分项工程质量验收记录(RFJ01—2002)7.7—2 钢、铝合金骨架安装分项工程质量验收记录(RFJ01—2002)7.8—1 整体地面分项工程质量验收记录(RFJ01—2002)7.9—1 板块地面分项工程质量验收记录(RFJ01—2002)7.10—1 木质板地面分项工程质量验收记录(RFJ01—2002)7.11—1 木门窗安装分项工程质量验收记录(RFJ01—2002)7.11—2 钢门窗安装分项工程质量验收记录(RFJ01—2002)7.11—3 铝合金和塑钢门窗安装分项工程质量验收记录5、给水排水工程(RFJ01—2002)8.1—1 给水管道安装分项工程质量验收记录(RFJ01—2002)8.1—2 给水硬聚氯乙烯(PVC—U)塑料管、铝塑复合管道安装分项质量验收记录(RFJ01—2002)8.2—1 给水管道附件及卫生器具给水配件安装分项工程质量验收记录表(RFJ01—2002)8.3—1 给水附属设备安装分项工程质量验收记录表(RFJ01—2002)8.4—1 排水管道安装分项工程验收记录表(RFJ01—2002)8.4—2 排水硬聚氯乙烯(PVC—U)塑料管道分项质量验收记录表(RFJ01—2002)8.5—1 卫生器具安装分项工程质量验收记录表(RFJ01—2002)8.6—1 洗消器具安装分项工程质量验收记录表(RFJ01—2002)8.7—1 立式污水泵安装分项工程质量验收记录表6、采暖、通风与空调工程(RFJ01—2002)9.1—1 采暖管道安装分项工程质量验收记录表(RFJ01—2002)9.2---1 散热器及太阳能热水器安装分项工程质量验收记录表(RFJ01—2002)9.3—1 采暖附属设备安装分项工程质量验收记录表(RFJ01—2002)9.4—1 金属管抽制件分项工程质量验收记录表(RFJ01—2002)9.5—1 无机玻璃钢风管制件分项工程质量验收记录表(RFJ01—2002)9.6—1 通风部件制作分项质量验收记录(RFJ01—2002)9.7—1 风管及部件安装分项质量验收记录(RFJ01—2002)9.8—1 非金属风管(风道)制作与安装分项工程质量验收记录表(RFJ01—2002)9.9—1 过滤器、除尘器、过滤汲收器安装分项工程质量验收记录表(RFJ01—2002)9.10—1 密闭阀门安装分项工程质量验收记录表(RFJ01—2002)9.11—1 消声(减振)设备制作与安装分项工程质量验收记录表(RFJ01—2002)9.12—1 通风机和除尘机安装分项工程质量验收记录表(RFJ01—2002)9.13—1 防腐与油漆分项工程质量验收记录表7、建筑电气安装工程(RFJ01—2002)10.1—1 电缆线路分项工程质量验收记录表(RFJ01—2002)10.2—1 配管及管内配线分项工程质量验收记录表(RFJ01—2002)10.3—1 护套线配线分项工程质量验收(RFJ01—2002)10.4—1 槽板配线分项工程质量验收报告记录表(RFJ01—2002)10.5—1 变压器安装分项工程质量验收报告记录表(RFJ01—2002)10.6—1 成套配电柜(盘)及动力开关柜安装分项工程质量验收记录表(RFJ01—2002)10.7—1 低压电器安装分项工程质量验收记录表(RFJ01—2002)10.8—1 电气照明器具及配电箱(盘)安装分项工程质量验收记录表(RFJ01—2002)10.8—1 柴油发电机组安装分项工程质量验收记录表8、防火设备安装工程(RFJ01—2002)11.1—1 防火门和防火卷帘安装分项工程质量验收记录(RFJ01—2002)11.2—1 灭火器具安装分项工程质量验收记录表(RFJ01—2002)11.2—2 灭火器具安装分项工程质量验收记录表(RFJ01—2002)11.3—1 防烟排烟部件的制作与安装分项工程质量验收记录表(RFJ01—2002)11.4—1 火灾自动报警装置安装分项工程质量验收记录表(RFJ01—2002)11.5—1 火灾事故广播\消防通讯设备安装工程安装分项工程质量验收表二、分部工程程质量验收记录表(RFJ01—2002)3.4—2 分部工程质量验收记录表三、单位工程质量验收记录表.(RFJ01—2002)3.4.3—1 单位工程程质量验收记录表(RFJ01—2002)3.4.3—2 单位工程质量操纵资料核查记录表(RFJ01—2002)3.4.3—3 单位工程观感质量检查记录表四、隐藏工程检查验收记录YB1 隐藏工程检查记录YB2 管道隐藏工程检查验收记录YB3 电气隐藏工程检查验收记录YB4 设备、阀门试压(满水)记录YB5 管道系统隐藏试压灌水记录YB6 给、排水管道通水试验记录YB7 管道冲洗吹扫清洗记录YB8 排水管道通球试验记录YB9 设备试运转记录YB10 电气接地电阻测试记录YB11 绝缘电阻测验记录五、施工现场质量治理检查记录表(RFJ01—2002)A.0.1施工现场质量治理检查记录一、分项工程质量验收记录表1.结构工程(RFJ01-2002)4.1-1 国家人防质监站监制土石方分项工程质量验收记录表-1- (RFJ01-2002)4.2-1 国家人防质监站监制爆破掘进分项工程质量验收记录表-2- (RFJ01-2002)4.3-1 国家人防质监站监制盾构分项工程质量验收记录表-3- (RFJ01-2002)4.4-1 国家人防质监站监制沉井项工程质量验收记录表注:l为长度或宽度;r为半径;b为对角线长;H为下沉总深度;L为最高与最低两角间距离。
一、分项工程质量验收记载表(RFJ01-2002)4.1-1 国度人防质监站监制((RFJ01-2002) 4.3- 1 国度人防质监站监制(RFJ01-2002) 4.4- 1 国度人防质监站监制两角间距离.-4-(RFJ01-2002) 4.5- 1 国度人防质监站监制(RFJ01-2002) 4.6- 1 国度人防质监站监制-6-(RFJ01-2002) 4.7- 1 国度人防质监站监制-7-(RFJ01-2002)4.8-1国度人防质监站监制(RFJ01-2002)4.10-1国度人防质监站监制2.蜂窝.空泛.露筋.裂痕夹渣层等缺点,在装潢前应按施工规范划定进行补缀.-11-(RFJ01-2002)4.10-2国度人防质监站监制.-12-(RFJ01-2002) 4.11- 1 国度人防质监站监制(RFJ01-2002) 4.12- 1 国度人防质监站监制(RFJ01-2002) 4.12- 2 国度人防质监站监制(RFJ01-2002) 4.13- 1 国度人防质监站监制注:b为焊缝宽度;k为焊角尺寸;δ为母材厚度-16-(RFJ01-2002) 4.13- 2 国度人防质监站监制-17-(RFJ01-2002) 4.13- 3国度人防质监站监制(RFJ01-2002) 4.13- 4 国度人防质监站监制-19-(RFJ01-2002) 4.13- 5 国度人防质监站监制-20-(RFJ01-2002) 4.13- 6 国度人防质监站监制-21-(RFJ01-2002) 4.13-7 国度人防质监站监制-22-(RFJ01-2002) 4.14- 1 国度人防质监站监制(RFJ01-2002) 4.15- 1 国度人防质监站监制一.分项工程质量验收记载表2.防水工程(RFJ01-2002)5.1-1国度人防质监站监制-1内容验收.-25-(RFJ01-2002) 5.2- 1 国度人防质监站监制水泥砂浆防水层分项工程质量验收记载表。
一、分项工程质量验收记录表1.结构工程(RFJ01-2002)4。
1-1 国家人防质监站监制土石方分项工程质量验收记录表(RFJ01-2002)4.2-1 国家人防质监站监制爆破掘进分项工程质量验收记录表—2—(RFJ01-2002)4.3-1 国家人防质监站监制盾构分项工程质量验收记录表—3- (RFJ01-2002)4。
4-1 国家人防质监站监制沉井项工程质量验收记录表注:l为长度或宽度;r为半径;b为对角线长;H为下沉总深度;L为最高与最低两角间距离。
-4- (RFJ01-2002)4.5-1 国家人防质监站监制地下连续墙分项工程质量验收记录表-5—(RFJ01-2002)4。
6-1 国家人防质监站监制打(压)桩分项工程质量验收记录表注:d为桩的的直径或截面边长;H为桩长-6—(RFJ01-2002)4。
7-1 国家人防质监站监制灌注桩分项工程质量验收记录表—7- (RFJ01-2002)4.8-1 国家人防质监站监制模板分项工程质量验收记录表(RFJ01-2002)4.9-1 国家人防质监站监制钢筋绑扎分项工程质量验收记录表(RFJ01-2002)4.9-2 国家人防质监站监制钢筋焊接分项工程质量验收记录表-10- (RFJ01-2002)4。
10-1 国家人防质监站监制混凝土分项工程质量验收记录表2.蜂窝、空洞、露筋、缝隙夹渣层等缺陷,在装饰前应按施工规范规定进行修理。
-11-(RFJ01-2002)4。
10-2国家人防质监站监制混凝土设备基础分项工程质量验收记录表注:蜂窝、空洞、露筋、缝隙夹渣层等缺陷,在装饰前应按施工规范规定进行修理。
-12—(RFJ01-2002)4.11-1 国家人防质监站监制喷射混凝土分项工程质量验收记录表—13- (RFJ01-2002)4.12-1 国家人防质监站监制构件安装分项工程质量验收记录表—14—(RFJ01-2002)4.12-2 国家人防质监站监制构件安装分项工程质量验收记录表(用于装配式大板建筑)(RFJ01-2002)4.13-1 国家人防质监站监制钢结构焊接分项工程质量验收记录表注:b为焊缝宽度;k为焊角尺寸;为母材厚度-16-(RFJ01-2002)4。
人防表格范本一、分项工程质量验收记录1 结构工程2防水工程3孔口防护工程4建筑装修工程5给水排水工程1、结构工程(RFJ01—2002)4.1—1 土石方分项工程质量验收记录(RFJ01—2002)4.2—1 爆破掘进分项工程质量验收记录(RFJ01—2002)4.3—1 盾构分项工程质量验收记录(RFJ01—2002)4.4—1 沉井分项工程质量验收记录(RFJ01—2002)4.5—1 地下连续墙分项工程质量检验评定表(RFJ01—2002)4.6—1 打(压)桩分项工程质量验收记录(RFJ01—2002)4.7—1 灌注桩分项工程质量验收记录(RFJ01—2002)4.8—1 模板分项工程质量验收记录(RFJ01—2002)4.9—1 钢筋绑扎分项工程质量验收记录(RFJ01—2002)4.9—2 钢筋焊接分项工程质量验收记录(RFJ01—2002)4.10—1 混凝土分项工程质量验收记录(RFJ01—2002)4.10—2 混凝土设备基础分项工程质量验收记录(RFJ01—2002)4.11—1 喷射混凝土分项工程质量验收记录(RFJ01—2002)4.12—1 构件安装分项工程质量验收记录(RFJ01—2002)4.12—1 构件安装分项工程质量验收记录(用于装配式大板建筑)(RFJ01—2002)4.13—1 钢结构焊接分项工程质量验收记录(RFJ01—2002)4.13—2 钢柱制作分项工程质量验收记录(RFJ01—2002)4.13—3 钢梁制作分项工程质量验收记录(RFJ01—2002)4.13—4 钢管构件制作分项工程质量验收记录(RFJ01—2002)4.13—5 钢柱安装分项工程质量验收记录(RFJ01—2002)4.13—6 固定式钢梯、栏杆、平台安装分项工程质量验收记录(RFJ01—2002)4.13—7 钢结构油漆分项工程质量验收记录(RFJ01—2002)4.14—1 砌砖分项工程质量验收记录(RFJ01—2002)4.14—1 砌石分项工程质量验收记录2、防水工程(RFJ01—2002)5.1—1 防水混凝土结构分项工程质量验收记录(RFJ01—2002)5.2—1 水泥砂浆防水层分项工程质量验收记录(RFJ01—2002)5.3—1 涂料防水层分项工程质量验收记录(RFJ01—2002)5.4—1 卷材防水层分项工程质量验收记录(RFJ01—2002)5.5—1 金属防水层分项工程质量验收记录(RFJ01—2002)5.6—1 油膏嵌缝防水分项工程质量验收记录(RFJ01—2002)5.7—1 止水带防水分项工程质量验收记录3、孔口防护工程(RFJ01—2002)6.1—1 防护门、防护密闭门、密闭门门框墙制作分项工程质量验收记录(RFJ01—2002)6.2—1 钢筋混凝土防护门、防护密闭门、密闭门安装分项工程质量验收记录(RFJ01—2002)6.2—2 钢质防护门、防护密闭门、密闭门安装分项工程质量验收记录(RFJ01—2002)6.3—1 防爆波活门、防爆超压排气活门安装分项工程质量验收记录(RFJ01—2002)6.4—1 进、出工程管线的防护密闭分项工程质量验收记录4、建筑装修工程(RFJ01—2002)7.1—1 一样抹灰(级)分项工程质量验收记录(RFJ01—2002)7.2—1 水磨石分项工程质量验收记录(RFJ01—2002)7.2—2 假面砖、拉条灰、拉毛灰、仿石和彩色抹灰分项工程质量验收记录(RFJ01—2002)7.2—3 喷涂、滚涂和弹涂分项工程质量验收记录(RFJ01—2002)7.3—1 混色油漆(级)分项工程质量验收记录(RFJ01—2002)7.3—2 清漆(级)美术油漆和地面打蜡分项工程质量验收记录(RFJ01—2002)7.4—1 刷(喷)浆(级)分项工程质量验收记录(RFJ01—2002)7.5—1 裱糊分项工程质量验收记录(RFJ01—2002)7.6—1 饰面分项工程质量验收记录(RFJ01—2002)7.7—1 罩面板安装分项工程质量验收记录(RFJ01—2002)7.7—2 钢、铝合金骨架安装分项工程质量验收记录(RFJ01—2002)7.8—1 整体地面分项工程质量验收记录(RFJ01—2002)7.9—1 板块地面分项工程质量验收记录(RFJ01—2002)7.10—1 木质板地面分项工程质量验收记录(RFJ01—2002)7.11—1 木门窗安装分项工程质量验收记录(RFJ01—2002)7.11—2 钢门窗安装分项工程质量验收记录(RFJ01—2002)7.11—3 铝合金和塑钢门窗安装分项工程质量验收记录5、给水排水工程(RFJ01—2002)8.1—1 给水管道安装分项工程质量验收记录(RFJ01—2002)8.1—2 给水硬聚氯乙烯(PVC—U)塑料管、铝塑复合管道安装分项质量验收记录(RFJ01—2002)8.2—1 给水管道附件及卫生器具给水配件安装分项工程质量验收记录表(RFJ01—2002)8.3—1 给水附属设备安装分项工程质量验收记录表(RFJ01—2002)8.4—1 排水管道安装分项工程验收记录表(RFJ01—2002)8.4—2 排水硬聚氯乙烯(PVC—U)塑料管道分项质量验收记录表(RFJ01—2002)8.5—1 卫生器具安装分项工程质量验收记录表(RFJ01—2002)8.6—1 洗消器具安装分项工程质量验收记录表(RFJ01—2002)8.7—1 立式污水泵安装分项工程质量验收记录表6、采暖、通风与空调工程(RFJ01—2002)9.1—1 采暖管道安装分项工程质量验收记录表(RFJ01—2002)9.2---1 散热器及太阳能热水器安装分项工程质量验收记录表(RFJ01—2002)9.3—1 采暖附属设备安装分项工程质量验收记录表(RFJ01—2002)9.4—1 金属管抽制件分项工程质量验收记录表(RFJ01—2002)9.5—1 无机玻璃钢风管制件分项工程质量验收记录表(RFJ01—2002)9.6—1 通风部件制作分项质量验收记录(RFJ01—2002)9.7—1 风管及部件安装分项质量验收记录(RFJ01—2002)9.8—1 非金属风管(风道)制作与安装分项工程质量验收记录表(RFJ01—2002)9.9—1 过滤器、除尘器、过滤汲收器安装分项工程质量验收记录表(RFJ01—2002)9.10—1 密闭阀门安装分项工程质量验收记录表(RFJ01—2002)9.11—1 消声(减振)设备制作与安装分项工程质量验收记录表(RFJ01—2002)9.12—1 通风机和除尘机安装分项工程质量验收记录表(RFJ01—2002)9.13—1 防腐与油漆分项工程质量验收记录表7、建筑电气安装工程(RFJ01—2002)10.1—1 电缆线路分项工程质量验收记录表(RFJ01—2002)10.2—1 配管及管内配线分项工程质量验收记录表(RFJ01—2002)10.3—1 护套线配线分项工程质量验收(RFJ01—2002)10.4—1 槽板配线分项工程质量验收报告记录表(RFJ01—2002)10.5—1 变压器安装分项工程质量验收报告记录表(RFJ01—2002)10.6—1 成套配电柜(盘)及动力开关柜安装分项工程质量验收记录表(RFJ01—2002)10.7—1 低压电器安装分项工程质量验收记录表(RFJ01—2002)10.8—1 电气照明器具及配电箱(盘)安装分项工程质量验收记录表(RFJ01—2002)10.8—1 柴油发电机组安装分项工程质量验收记录表8、防火设备安装工程(RFJ01—2002)11.1—1 防火门和防火卷帘安装分项工程质量验收记录(RFJ01—2002)11.2—1 灭火器具安装分项工程质量验收记录表(RFJ01—2002)11.2—2 灭火器具安装分项工程质量验收记录表(RFJ01—2002)11.3—1 防烟排烟部件的制作与安装分项工程质量验收记录表(RFJ01—2002)11.4—1 火灾自动报警装置安装分项工程质量验收记录表(RFJ01—2002)11.5—1 火灾事故广播\消防通讯设备安装工程安装分项工程质量验收表二、分部工程程质量验收记录表(RFJ01—2002)3.4—2 分部工程质量验收记录表三、单位工程质量验收记录表.(RFJ01—2002)3.4.3—1 单位工程程质量验收记录表(RFJ01—2002)3.4.3—2 单位工程质量操纵资料核查记录表(RFJ01—2002)3.4.3—3 单位工程观感质量检查记录表四、隐藏工程检查验收记录YB1 隐藏工程检查记录YB2 管道隐藏工程检查验收记录YB3 电气隐藏工程检查验收记录YB4 设备、阀门试压(满水)记录YB5 管道系统隐藏试压灌水记录YB6 给、排水管道通水试验记录YB7 管道冲洗吹扫清洗记录YB8 排水管道通球试验记录YB9 设备试运转记录YB10 电气接地电阻测试记录YB11 绝缘电阻测验记录五、施工现场质量治理检查记录表(RFJ01—2002)A.0.1施工现场质量治理检查记录分项工程质量验收记录表1.结构工程(RFJ01-2002)4.1-1国家人防质监站监制土石方分项工程质量验收记录表-1- (RFJ01-2002)4.2-1国家人防质监站监制爆破掘进分项工程质量验收记录表-2-(RFJ01-2002)4.3-1国家人防质监站监制盾构分项工程质量验收记录表-3-(RFJ01-2002)4.4-1国家人防质监站监制沉井项工程质量验收记录表注:l为长度或宽度;r为半径;b为对角线长;H为下沉总深度;L 为最高与最低两角间距离。
目录一、分项工程质量验收记录表 ......................................................................................................................... - 1 -1.结构工程....................................................................................................................................................... - 1 -(RFJ01-2002)4.1-1 土石方分项工程质量验收记录表 ................................................................. - 2 - (RFJ01-2002)4.2-1 爆破掘进分项工程质量验收记录表 ............................................................. - 3 - (RFJ01-2002)4.3-1 盾构分项工程质量验收记录表 ..................................................................... - 4 - (RFJ01-2002)4.4-1 沉井分项工程质量验收记录表 ..................................................................... - 5 - (RFJ01-2002)4.5-1 地下连续墙分项工程质量验收记录表 ......................................................... - 6 - (RFJ01-2002)4.6-1 打(压)桩分项工程质量验收记录表 ......................................................... - 7 - (RFJ01-2002)4.7-1 灌注桩分项工程质量验收记录表 ................................................................. - 8 - (RFJ01-2002)4.8-1 模板分项工程质量验收记录表 ..................................................................... - 9 - (RFJ01-2002)4.9-1 钢筋绑扎分项工程质量验收记录表 ........................................................... - 10 - (RFJ01-2002)4.9-2 钢筋焊接分项工程质量验收记录表 ........................................................... - 11 - (RFJ01-2002)4.10-1 混凝土分项工程质量验收记录表 ............................................................. - 12 - (RFJ01-2002)4.10-2 混凝土设备基础分项工程质量验收记录表 ............................................. - 13 - (RFJ01-2002)4.11-1 喷射混凝土分项工程质量验收记录表 ..................................................... - 14 - (RFJ01-2002)4.12-1 构件安装分项工程质量验收记录表 ......................................................... - 15 - (RFJ01-2002)4.12-2 构件安装分项工程质量验收记录表(用于装配式大板建筑) ............. - 16 - (RFJ01-2002)4.13-1 钢结构焊接分项工程质量验收记录表 ..................................................... - 17 - (RFJ01-2002)4.13-2 钢柱制作分项工程质量验收记录表 ......................................................... - 18 - (RFJ01-2002)4.13-3 钢梁制作分项工程质量验收记录表 ......................................................... - 19 - (RFJ01-2002)4.13-4 钢管构件制作分项工程质量验收记录表 ................................................. - 20 - (RFJ01-2002)4.13-5 钢柱安装分项工程质量验收记录表 ......................................................... - 21 - (RFJ01-2002)4.13-6 固定式钢梯、栏杆、平台安装分项工程质量验收记录表 ..................... - 22 - (RFJ01-2002)4.13-7 钢结构油漆分项工程质量验收记录表 ..................................................... - 23 - (RFJ01-2002)4.14-1 砌砖分项工程质量验收记录表 ................................................................. - 24 - (RFJ01-2002)4.15-1 砌石分项工程质量验收记录表 ................................................................. - 25 -2、防水工程.................................................................................................................................................. - 26 -(RFJ01-2002)5.1-1 防水混凝土结构分项工程质量验收记录表 ............................................... - 27 - (RFJ01-2002)5.2-1 水泥砂浆防水层分项工程质量验收记录表 ............................................... - 28 - (RFJ01-2002)5.3-1 涂料防水层分项工程质量验收记录表 ....................................................... - 29 - (RFJ01-2002)5.4-1 卷材防水层分项工程质量验收记录表 ....................................................... - 30 - (RFJ01-2002)5.5-1 金属防水层分项工程质量验收记录表 ....................................................... - 31 - (RFJ01-2002)5.6-1 油膏嵌缝防水分项工程质量验收记录表 ................................................... - 32 - (RFJ01-2002)5.7-1 止水带防水分项工程质量验收记录表 ....................................................... - 33 -3.孔口防护工程............................................................................................................................................. - 34 -(RFJ01-2002)6.1-1 防护门、防护密闭门、密闭门门框墙制作分项工程质量验收记录表 ... - 35 - (RFJ01-2002)6.2-1 钢筋混凝土防护门、防护密闭门、密闭门安装分项工程质量验收记录表- 36 - (RFJ01-2002)6.2-2 钢质防护门、防护密闭门、密闭门安装分项工程质量验收记录表 ....... - 37 - (RFJ01-2002)6.3-1 防爆波活门、防爆超压排气活门安装分项工程质量验收记录表 ........... - 38 - (RFJ01-2002)6.4-1 进、出工程管线的防护密闭分项工程质量验收记录表 ........................... - 39 -4、建筑装修工程.......................................................................................................................................... - 40 -(RFJ01-2002)7.2-2 假面砖、拉条灰、拉毛灰、仿石和彩色抹灰分项工程质量验收记录表 - 43 - (RFJ01-2002)7.2-3 喷涂、滚涂和弹涂分项工程质量验收记录表 ........................................... - 44 - (RFJ01-2002)7.3-1 混色油漆(级)分项工程质量验收记录表 ........................................... - 45 - (RFJ01-2002)7.3-2 清漆(级)、美术油漆和地面打蜡分项工程质量验收记录表 ........... - 46 - (RFJ01-2002)7.4-1 刷(喷)浆(级)分项工程质量验收记录表 ....................................... - 47 - (RFJ01-2002)7.5-1 裱糊分项工程质量验收记录表 ................................................................... - 48 - (RFJ01-2002)7.6-1 饰面分项工程质量验收记录表 ................................................................... - 49 - (RFJ01-2002)7.7-1 罩面板安装分项工程质量验收记录表 ....................................................... - 50 - (RFJ01-2002)7.7-2 钢、铝合金骨架安装分项工程质量验收记录表 ....................................... - 51 - (RFJ01-2002)7.8-1 整体地面分项工程质量验收记录表 ........................................................... - 52 - (RFJ01-2002)7.9-1 板块地面分项工程质量验收记录表 ........................................................... - 53 - (RFJ01-2002)7.10-1 木质板地面分项工程质量验收记录表 ..................................................... - 54 - (RFJ01-2002)7.11-1 木门窗安装分项工程质量验收记录表 ..................................................... - 55 - (RFJ01-2002)7.11-2 钢门窗安装分项工程质量验收记录表 ..................................................... - 56 - (RFJ01-2002)7.11-3 铝合金和塑钢门窗安装分项工程质量验收记录表.................................. - 57 -5、给水排水工程.......................................................................................................................................... - 58 -(RFJ01-2002)8.1-1 给水管道安装分项工程质量验收记录表 ................................................... - 59 - (RFJ01-2002)8.1-2 给水硬聚氯乙烯(PVC-U)塑料管、铝塑复合管道安装分项工程质量验收记录表............................................................................................................................................... - 60 - (RFJ01-2002)8.2-1 给水管道附件及卫生器具给水配件安装分项工程质量验收记录表 ....... - 61 - (RFJ01-2002)8.3-1 给水附属设备安装分项工程质量验收记录表 ........................................... - 62 - (RFJ01-2002)8.4-1 排水管道安装分项工程质量验收记录表 ................................................... - 63 - (RFJ01-2002)8.4-2 排水硬聚氯乙烯(PVC-U)塑料管道分项工程质量验收记录表......... - 64 - (RFJ01-2002)8.5-1 卫生器具安装分项工程质量验收记录表 ................................................... - 65 - (RFJ01-2002)8.6-1 洗消器具安装分项工程质量验收记录表 ................................................... - 66 - (RFJ01-2002)8.7-1 立式污水泵安装分项工程质量验收记录表 ............................................... - 67 -6、采暖、通风与空调工程.......................................................................................................................... - 68 -(RFJ01-2002)9.1-1 采暖管道安装分项工程质量验收记录表 ................................................... - 69 - (RFJ01-2002)9.2-1 散热器及太阳能热水器安装分项工程质量验收记录表 ........................... - 70 - (RFJ01-2002)9.3-1 采暖附属设备安装分项工程质量验收记录表 ........................................... - 71 - (RFJ01-2002)9.4-1 金属管道制作分项工程质量验收记录表 ................................................... - 72 - (RFJ01-2002)9.5-1 无机玻璃钢风管制作分项工程质量验收记录表 ....................................... - 73 - (RFJ01-2002)9.6-1 通风部件制作分项工程质量验收记录表 ................................................... - 74 - (RFJ01-2002)9.7-1 风管及部件安装分项工程质量验收记录表 ............................................... - 75 - (RFJ01-2002)9.8-1 非金属风管(风道)制作与安装分项工程质量验收记录表 ................... - 76 - (RFJ01-2002)9.9-1 过滤器、除尘器、过滤吸收器安装分项工程质量验收记录表 ............... - 77 - (RFJ01-2002)9.10-1 密闭阀门安装分项工程质量验收记录表 ................................................. - 78 - (RFJ01-2002)9.11-1 消声(减振)设备制作与安装分项工程质量验收记录表...................... - 79 - (RFJ01-2002)9.12-1 通风机和除湿机安装分项工程质量验收记录表 ..................................... - 80 - (RFJ01-2002)9.13-1 防腐与油漆分项工程质量验收记录表 ..................................................... - 81 -7、建筑电气安装工程.................................................................................................................................. - 82 -(RFJ01-2002)10.1-1 电缆线路分项工程质量验收记录表 ......................................................... - 83 - (RFJ01-2002)10.2-1 配管及管内穿线分项工程质量验收记录表 ............................................. - 84 -(RFJ01-2002)10.5-1 变压器安装分项工程质量验收记录表 ..................................................... - 87 - (RFJ01-2002)10.6-1 成套配电柜(盘)及动力开关柜安装分项工程质量验收记录表 ......... - 88 - (RFJ01-2002)10.7-1 低压电器安装分项工程质量验收记录表 ................................................. - 89 - (RFJ01-2002)10.8-1 电气照明器具及配电箱(盘)安装分项工程质量验收记录表 ............. - 90 - (RFJ01-2002)10.9-1 接地装置安装分项工程质量验收记录表 ................................................. - 91 - (RFJ01-2002)10.10-1 柴油发电机组安装分项工程质量验收记录表 ....................................... - 92 -8、防火设备安装工程.................................................................................................................................. - 93 -(RFJ01-2002)11.1-1 防火门和防火卷帘安装分项工程质量验收记录表.................................. - 94 - (RFJ01-2002)11.2-1 灭火器具安装分项工程质量验收记录表 ................................................. - 95 - (RFJ01-2002)11.2-2 灭火器具安装分项工程质量验收记录表 ................................................. - 96 - (RFJ01-2002)11.3-1 防烟排烟部件的制作与安装分项工程质量验收记录表.......................... - 97 - (RFJ01-2002)11.4-1 火灾自动报警装置安装分项工程质量验收记录表.................................. - 98 - (RFJ01-2002)11.5-1 火灾事故广播、消防通信设备安装分项工程质量验收记录表.............. - 99 - 二、分部工程质量验收记录表 ..................................................................................................................... - 100 -(RFJ01-2002)3.4.2 分部工程质量验收记录表 ............................................................................ - 101 - 三、单位工程质量验收记录表 ..................................................................................................................... - 102 -(RFJ01-2002)3.4.3-1 单位工程质量验收记录表 ...................................................................... - 103 - (RFJ01-2002)3.4.3-2 单位工程质量控制资料核查记录表 ...................................................... - 104 - (RFJ01-2002)3.4.3-3 单位工程观感质量检查记录表 .............................................................. - 105 - 四、隐蔽工程检查验收记录 ......................................................................................................................... - 106 -YB1 隐蔽工程检查验收记录............................................................................................................... - 107 - YB2 管道隐蔽工程检查验收记录....................................................................................................... - 108 - YB3 电气隐蔽工程检查验收记录....................................................................................................... - 109 - YB4 设备、阀门试压(满水)记录................................................................................................... - 110 - YB5 管道系统隐蔽试压灌水记录........................................................................................................- 111 - YB6 给、排水管道通水试验记录....................................................................................................... - 112 - YB7 管道冲洗吹扫清洗记录............................................................................................................... - 113 - YB8 排水管道通球试验记录............................................................................................................... - 114 - YB9 设备试运转记录........................................................................................................................... - 115 - YB10 电气接地电阻测试记录............................................................................................................. - 116 - YB11 绝缘电阻测验记录..................................................................................................................... - 117 - 五、施工现场质量管理检查记录表 ............................................................................................................. - 118 -(RFJ01-2002)A.0.1 施工现场质量管理检查记录表 ................................................................... - 119 -一、分项工程质量验收记录表1.结构工程注:l为长度或宽度;r为半径;b为对角线长;H为下沉总深度;L为最高与最低两角间距离。
目录一、分项工程质量验收记录表 ...........................................................................................................- 1 -1.结构工程 .....................................................................................................................................- 1 -(RFJ01-2002)4.1-1 土石方分项工程质量验收记录表 ..........................................................- 2 - (RFJ01-2002)4.2-1 爆破掘进分项工程质量验收记录表.......................................................- 3 - (RFJ01-2002)4.3-1 盾构分项工程质量验收记录表..............................................................- 4 - (RFJ01-2002)4.4-1 沉井分项工程质量验收记录表..............................................................- 5 - (RFJ01-2002)4.5-1 地下连续墙分项工程质量验收记录表 ...................................................- 6 - (RFJ01-2002)4.6-1 打(压)桩分项工程质量验收记录表 ...................................................- 7 - (RFJ01-2002)4.7-1 灌注桩分项工程质量验收记录表 ..........................................................- 8 - (RFJ01-2002)4.8-1 模板分项工程质量验收记录表..............................................................- 9 - (RFJ01-2002)4.9-1 钢筋绑扎分项工程质量验收记录表..................................................... - 10 - (RFJ01-2002)4.9-2 钢筋焊接分项工程质量验收记录表..................................................... - 11 - (RFJ01-2002)4.10-1 混凝土分项工程质量验收记录表 ...................................................... - 12 - (RFJ01-2002)4.10-2 混凝土设备基础分项工程质量验收记录表 ........................................ - 13 - (RFJ01-2002)4.11-1 喷射混凝土分项工程质量验收记录表 ............................................... - 14 - (RFJ01-2002)4.12-1 构件安装分项工程质量验收记录表................................................... - 15 - (RFJ01-2002)4.12-2 构件安装分项工程质量验收记录表(用于装配式大板建筑) ............ - 16 - (RFJ01-2002)4.13-1 钢结构焊接分项工程质量验收记录表 ............................................... - 17 - (RFJ01-2002)4.13-2 钢柱制作分项工程质量验收记录表................................................... - 18 - (RFJ01-2002)4.13-3 钢梁制作分项工程质量验收记录表................................................... - 19 - (RFJ01-2002)4.13-4 钢管构件制作分项工程质量验收记录表............................................ - 20 - (RFJ01-2002)4.13-5 钢柱安装分项工程质量验收记录表................................................... - 21 - (RFJ01-2002)4.13-6 固定式钢梯、栏杆、平台安装分项工程质量验收记录表 ................... - 22 - (RFJ01-2002)4.13-7 钢结构油漆分项工程质量验收记录表 ............................................... - 23 - (RFJ01-2002)4.14-1 砌砖分项工程质量验收记录表.......................................................... - 24 - (RFJ01-2002)4.15-1 砌石分项工程质量验收记录表.......................................................... - 25 - 2、防水工程................................................................................................................................. - 26 -(RFJ01-2002)5.1-1 防水混凝土结构分项工程质量验收记录表 .......................................... - 27 - (RFJ01-2002)5.2-1 水泥砂浆防水层分项工程质量验收记录表 .......................................... - 28 - (RFJ01-2002)5.3-1 涂料防水层分项工程质量验收记录表 ................................................. - 29 - (RFJ01-2002)5.4-1 卷材防水层分项工程质量验收记录表 ................................................. - 30 - (RFJ01-2002)5.5-1 金属防水层分项工程质量验收记录表 ................................................. - 31 - (RFJ01-2002)5.6-1 油膏嵌缝防水分项工程质量验收记录表.............................................. - 32 - (RFJ01-2002)5.7-1 止水带防水分项工程质量验收记录表 ................................................. - 33 - 3.孔口防护工程 ............................................................................................................................ - 34 -(RFJ01-2002)6.1-1 防护门、防护密闭门、密闭门门框墙制作分项工程质量验收记录表.... - 35 - (RFJ01-2002)6.2-1 钢筋混凝土防护门、防护密闭门、密闭门安装分项工程质量验收记录表- 36 - (RFJ01-2002)6.2-2 钢质防护门、防护密闭门、密闭门安装分项工程质量验收记录表 ....... - 37 - (RFJ01-2002)6.3-1 防爆波活门、防爆超压排气活门安装分项工程质量验收记录表........... - 38 - (RFJ01-2002)6.4-1 进、出工程管线的防护密闭分项工程质量验收记录表......................... - 39 - 4、建筑装修工程.......................................................................................................................... - 40 -(RFJ01-2002)7.1-1 一般抹灰(级)分项工程质量验收记录表....................................... - 41 - (RFJ01-2002)7.2-1 水磨石分项工程质量验收记录表 ........................................................ - 42 - (RFJ01-2002)7.2-2 假面砖、拉条灰、拉毛灰、仿石和彩色抹灰分项工程质量验收记录表 - 43 -(RFJ01-2002)7.3-2 清漆(级)、美术油漆和地面打蜡分项工程质量验收记录表 ............ - 46 - (RFJ01-2002)7.4-1 刷(喷)浆(级)分项工程质量验收记录表 ................................... - 47 - (RFJ01-2002)7.5-1 裱糊分项工程质量验收记录表............................................................ - 48 - (RFJ01-2002)7.6-1 饰面分项工程质量验收记录表............................................................ - 49 - (RFJ01-2002)7.7-1 罩面板安装分项工程质量验收记录表 ................................................. - 50 - (RFJ01-2002)7.7-2 钢、铝合金骨架安装分项工程质量验收记录表 ................................... - 51 - (RFJ01-2002)7.8-1 整体地面分项工程质量验收记录表..................................................... - 52 - (RFJ01-2002)7.9-1 板块地面分项工程质量验收记录表..................................................... - 53 - (RFJ01-2002)7.10-1 木质板地面分项工程质量验收记录表 ............................................... - 54 - (RFJ01-2002)7.11-1 木门窗安装分项工程质量验收记录表 ............................................... - 55 - (RFJ01-2002)7.11-2 钢门窗安装分项工程质量验收记录表 ............................................... - 56 - (RFJ01-2002)7.11-3 铝合金和塑钢门窗安装分项工程质量验收记录表.............................. - 57 - 5、给水排水工程.......................................................................................................................... - 58 - (RFJ01-2002)8.1-1 给水管道安装分项工程质量验收记录表.............................................. - 59 - (RFJ01-2002)8.1-2 给水硬聚氯乙烯(PVC-U)塑料管、铝塑复合管道安装分项工程质量验收记录表 .............................................................................................................................. - 60 - (RFJ01-2002)8.2-1 给水管道附件及卫生器具给水配件安装分项工程质量验收记录表 ....... - 61 - (RFJ01-2002)8.3-1 给水附属设备安装分项工程质量验收记录表....................................... - 62 - (RFJ01-2002)8.4-1 排水管道安装分项工程质量验收记录表.............................................. - 63 - (RFJ01-2002)8.4-2 排水硬聚氯乙烯(PVC-U)塑料管道分项工程质量验收记录表 ........ - 64 - (RFJ01-2002)8.5-1 卫生器具安装分项工程质量验收记录表.............................................. - 65 - (RFJ01-2002)8.6-1 洗消器具安装分项工程质量验收记录表.............................................. - 66 - (RFJ01-2002)8.7-1 立式污水泵安装分项工程质量验收记录表 .......................................... - 67 - 6、采暖、通风与空调工程............................................................................................................ - 68 - (RFJ01-2002)9.1-1 采暖管道安装分项工程质量验收记录表.............................................. - 69 - (RFJ01-2002)9.2-1 散热器及太阳能热水器安装分项工程质量验收记录表......................... - 70 - (RFJ01-2002)9.3-1 采暖附属设备安装分项工程质量验收记录表....................................... - 71 - (RFJ01-2002)9.4-1 金属管道制作分项工程质量验收记录表.............................................. - 72 - (RFJ01-2002)9.5-1 无机玻璃钢风管制作分项工程质量验收记录表 ................................... - 73 - (RFJ01-2002)9.6-1 通风部件制作分项工程质量验收记录表.............................................. - 74 - (RFJ01-2002)9.7-1 风管及部件安装分项工程质量验收记录表 .......................................... - 75 - (RFJ01-2002)9.8-1 非金属风管(风道)制作与安装分项工程质量验收记录表.................. - 76 - (RFJ01-2002)9.9-1 过滤器、除尘器、过滤吸收器安装分项工程质量验收记录表 .............. - 77 - (RFJ01-2002)9.10-1 密闭阀门安装分项工程质量验收记录表............................................ - 78 - (RFJ01-2002)9.11-1 消声(减振)设备制作与安装分项工程质量验收记录表 ................... - 79 - (RFJ01-2002)9.12-1 通风机和除湿机安装分项工程质量验收记录表 ................................. - 80 - (RFJ01-2002)9.13-1 防腐与油漆分项工程质量验收记录表 ............................................... - 81 - 7、建筑电气安装工程................................................................................................................... - 82 - (RFJ01-2002)10.1-1 电缆线路分项工程质量验收记录表................................................... - 83 - (RFJ01-2002)10.2-1 配管及管内穿线分项工程质量验收记录表 ........................................ - 84 - (RFJ01-2002)10.3-1 护套线配线分项工程质量验收记录表 ............................................... - 85 - (RFJ01-2002)10.4-1 槽板配线分项工程质量验收记录表................................................... - 86 - (RFJ01-2002)10.5-1 变压器安装分项工程质量验收记录表 ............................................... - 87 - (RFJ01-2002)10.6-1 成套配电柜(盘)及动力开关柜安装分项工程质量验收记录表......... - 88 - (RFJ01-2002)10.7-1 低压电器安装分项工程质量验收记录表............................................ - 89 - (RFJ01-2002)10.8-1 电气照明器具及配电箱(盘)安装分项工程质量验收记录表 ............ - 90 -8、防火设备安装工程................................................................................................................... - 93 -(RFJ01-2002)11.1-1 防火门和防火卷帘安装分项工程质量验收记录表.............................. - 94 - (RFJ01-2002)11.2-1 灭火器具安装分项工程质量验收记录表............................................ - 95 - (RFJ01-2002)11.2-2 灭火器具安装分项工程质量验收记录表............................................ - 96 - (RFJ01-2002)11.3-1 防烟排烟部件的制作与安装分项工程质量验收记录表....................... - 97 - (RFJ01-2002)11.4-1 火灾自动报警装置安装分项工程质量验收记录表.............................. - 98 - (RFJ01-2002)11.5-1 火灾事故广播、消防通信设备安装分项工程质量验收记录表 ............ - 99 - 二、分部工程质量验收记录表 ....................................................................................................... - 100 -(RFJ01-2002)3.4.2 分部工程质量验收记录表 ................................................................... - 101 - 三、单位工程质量验收记录表 ....................................................................................................... - 102 -(RFJ01-2002)3.4.3-1 单位工程质量验收记录表.............................................................. - 103 - (RFJ01-2002)3.4.3-2 单位工程质量控制资料核查记录表................................................ - 104 - (RFJ01-2002)3.4.3-3 单位工程观感质量检查记录表....................................................... - 105 - 四、隐蔽工程检查验收记录........................................................................................................... - 106 -YB1 隐蔽工程检查验收记录.................................................................................................. - 107 - YB2 管道隐蔽工程检查验收记录........................................................................................... - 108 - YB3 电气隐蔽工程检查验收记录........................................................................................... - 109 - YB4 设备、阀门试压(满水)记录 ....................................................................................... - 110 - YB5 管道系统隐蔽试压灌水记录........................................................................................... - 111 - YB6 给、排水管道通水试验记录........................................................................................... - 112 - YB7 管道冲洗吹扫清洗记录.................................................................................................. - 113 - YB8 排水管道通球试验记录.................................................................................................. - 114 - YB9 设备试运转记录 ............................................................................................................ - 115 - YB10 电气接地电阻测试记录................................................................................................ - 116 - YB11 绝缘电阻测验记录 ....................................................................................................... - 117 - 五、施工现场质量管理检查记录表 ................................................................................................ - 118 -(RFJ01-2002)A.0.1 施工现场质量管理检查记录表 ........................................................... - 119 -一、分项工程质量验收记录表1.结构工程注:l为长度或宽度;r为半径;b为对角线长;H为下沉总深度;L为最高与最低两角间距离。
SG—018单位工程质量验收记录四川省建设厅制SG—19单位工程质量控制资料核查记录四川省建设厅制SG—019续单位工程质量控制资料核查记录注:抽查项目由验收组协商确定。
混凝土强度合格评定施工单位:四川省建筑机械化工程公司注:本表一式四份,建设单位、施工单位、监理单位、城建档案馆各一份。
混凝土强度合格评定施工单位:四川省建筑机械化工程公司注:本表一式四份,建设单位、施工单位、监理单位、城建档案馆各一份。
同条件养护试件温度记录注:日平均温度,日最高温度与最低温度的平均值:日平均温度低于0℃的不计入累计温度。
同条件养护试件温度记录注:日平均温度,日最高温度与最低温度的平均值:日平均温度低于0℃的不计入累计温度。
养护试件温度记录注:日平均温度,日最高温度与最低温度的平均值:日平均温度低于0℃的不计入累计温度。
建筑工程隐蔽检验记录注:本表一式四份:建设单位、施工单位、监理单位、城建档案馆各一份。
人防工程竣工观感质量检查记录编号:注:评分说明详见《人民防空工程质量检验评定标准》表3.4-.3-3所注结构分部工程质量验收记录模板分项工程质量验收记录混凝土分项工程质量验收记录防水分部工程质量验收记录四川省建设厅制防水混凝土分项工程质量验收记录涂料防水分项工程质量验收记录止水带防水分项工程质量验收记录进出工程管线的防护密闭分项工程质量验收记录建筑装修分部工程质量验收记录一般抹灰分项工程质量验收记录整体地面分项工程质量验收记录给水排水分部工程质量验收记录给水管道安装分项工程质量验收记录排水管道安装分项工程质量验收记录立式污水泵安装分项工程质量验收记录采暖、通风与空调分部工程质量验收记录风管及部件安装分项工程质量验收记录过滤器、除尘器、过滤吸收器安装密闭阀门安装分项工程质量验收记录消声设备安装分项工程质量验收记录防腐与油漆分项工程质量验收记录建筑电气安装分部工程质量验收记录电缆线路分项工程质量验收记录配管及管内穿线分项工程质量验收记录护套线配线分项工程质量验收记录槽板(桥架)配线分项工程质量验收记录成套配电柜(盘)及动力开关柜安装分项工程质量验收记录电气照明器具及配电箱(盘)安装分项工程质量验收记录接地装置安装分项工程质量验收记录防火设备安装分部工程质量验收记录四川省建设厅制防火门和防火卷帘安装分项工程质量验收记录灭火器具安装分项工程质量验收记录火灾自动报警装置安装分项工程质量验收记录。
1﹑人防工程质量监督申报书(长防质备2010-1) (1)2﹑人防工程质量监督工程师委派通知书(长防质备2010-2) (2)3﹑人防工程质量监督通知书(长防质备2010-3) (3)4﹑人防工程质量监督方案(长防质备2010-4) (5)5﹑人防工程质量保证体系审查表(长防质备2010-5) (8)6﹑人防工程施工质量验收申请报告(长防质备2010-6) (9)7﹑人防工程质量评价报告(长防质备2010-7) (10)8﹑人防工程勘察单位质量检查报告(长防质备2010-8) (11)9﹑人防工程设计单位质量检查报告(长防质备2010-9) (12)10﹑人防工程质量保修书(长防质备2010-10) (13)11﹑人防工程竣工验收申请报告(长防质备2010-11) (15)12﹑人防工程竣工验收方案(长防质备2010-12) (16)13﹑人防工程竣工验收报告(长防质备2010-13) (18)14﹑结建防空地下室办理竣工验收备案通知书(长防质备2010-14) (20)15﹑长沙市结建防空地下室工程竣工验收备案表(长防质备2010-5) (21)16﹑人防工程质量监督交底记录(长防质监2010-1) (25)17﹑人防工程质量监督记录(长防质监2010-2) (24)18﹑人防工程隐蔽验收记录及重点部位抽查统计表(长防质监2010-3) (31)19﹑人防工程质量行为检查表(长防质监2010-4) (32)20﹑人防工程质量责任主体不良记录(长防质监2010-5) (36)21﹑人防工程质量事故调查报告(长防质监2010-6) (37)23﹑人防工程质量事故处理监督记录(长防质监2010-7) (38)24﹑人防工程质量隐患整改通知书(长防质监2010-8) (39)25﹑人防工程质量重大安全隐患停工通知书(长防质监2010-9) (40)26﹑人防工程复工通知单(长防质监2010-10) (41)27﹑人防工程质量监督报告(长防质监2010-11) (42)28﹑单位工程质量验收记录表(长防质施2010-1) (46)29﹑单位工程质量控制资料核查记录(长防质施2010-2) (47)30﹑单位工程观感质量检查记录(长防质施2010-3) (49)31﹑人防工程主体结构验收记录(长防质施2010-4) (50)32﹑分部(子分部)工程质量验收记录表(长防质施2010-5) (51)33﹑分项工程质量验收记录(长防质施2010-6) (52)34﹑门框墙分项工程质量验收记录(长防质施2010-6﹒1-1) (53)35﹑管线的防护密闭分项工程质量验收记录(长防质施2010-6﹒4-1) (54)36﹑人防工程施工现场质量管理检查记录(长防质施2010-7) (55)37﹑人防工程质量事故报告(长防质施2010-8) (56)38﹑人防工程图纸会审记录(长防质施2010-9) (57)39﹑人防工程施工组织设计(方案)审批记录(长防质施2010-10) (58)40﹑人防工程施工技术交底记录(长防质施2010-11) (59)42﹑人防工程复工申请(长防质施2010-12) (60)43﹑人防工程通知书回复单(长防质施2010-13) (61)44﹑人防工程变更单(长防质施2010-14)45﹑人防工程(钢筋)隐蔽检查验收记录(长防质施2010-15) (62)46﹑人防工程(防护密闭套管∕管道)隐蔽检查验收记录(长防质施2010-16) (63)人防工程质量监督申报书长防质备2010-1长沙市人防工程质量监督定额管理站:我单位经批准(新建、扩建、改建)人防工程,按照《建设工程质量管理条例》的规定,特向你站申报进行工程质量监督。
SG—018 单位工程质量验收记录四川省建设厅制SG—19 单位工程质量控制资料核查记录四川省建设厅制SG—019续单位工程质量控制资料核查记录注:抽查项目由验收组协商确定。
四川省建设厅制SG—029混凝土强度合格评定施工单位:四川省建筑机械化工程公司注:本表一式四份,建设单位、施工单位、监理单位、城建档案馆各一份。
SG—029混凝土强度合格评定施工单位:四川省建筑机械化工程公司注:本表一式四份,建设单位、施工单位、监理单位、城建档案馆各一份。
SG—036同条件养护试件温度记录注:日平均温度,日最高温度与最低温度的平均值:日平均温度低于0℃的不计入累计温度。
四川省建设厅制SG—036同条件养护试件温度记录注:日平均温度,日最高温度与最低温度的平均值:日平均温度低于0℃的不计入累计温度。
SG—036同条件养护试件温度记录注:日平均温度,日最高温度与最低温度的平均值:日平均温度低于0℃的不计入累计温度。
SG—013建筑工程隐蔽检验记录注:本表一式四份:建设单位、施工单位、监理单位、城建档案馆各一份。
人防工程竣工观感质量检查记录编号:注:评分说明详见《人民防空工程质量检验评定标准》表所注SG—022结构分部工程质量验收记录模板分项工程质量验收记录混凝土分项工程质量验收记录3主筋无露筋现象优良4无缝隙夹渣层优良允许偏差项目项目允许偏实测值(mm)差(mm)12345678910 1检查结果保证项目符合《人民防空工程质量检验评定标准》的规定基本项目检查 4 项,其中优良 2 项,优良率 50 %允许偏差项目实测点,其中合格点,合格率 %检查结论项目专业技术负责人年月日验收结论监理工程师(建设单位项目技术负责人)年月日SG—022防水分部工程质量验收记录工程名称罗兰小镇人防地下室结构类型框剪层数地下1层施工单位四川省建筑机械化工程公司技术部门负责人质量部门负责人分包单位/分包单位负责人/分包技术负责人/序号分项工程名称施工单位检查评定记录验收意见项数其中优良项数各分项工程质量验收记录完整,符合设计和规范要求,该分部工程质量评定为合格,同意后续工程施工。
《人民防空工程质量验收与评价标准》(RFJ01-2015)人防工程质量验收与评价记录表目录第一章工程质量验收 (7)1.1 施工现场质量管理检查记录 (7)1.1.1施工现场质量管理检查记录 (7)1.2 结构工程检验批验收记录 (8)1.2.1土方工程 (8)1.2.2逆作法施工 (9)1.2.3模板工程 (11)1.2.4钢筋工程 (12)1.2.5混凝土工程 (13)1.2.6爆破掘进工程 (14)1.2.7喷射混凝土工程 (15)1.2.8砌体工程 (16)1.3 孔口防护工程检验批验收记录 (17)1.3.1门框墙制作 (18)1.3.2防护门、防护密闭门、密闭门安装 (19)1.3.3防爆波活门安装 (22)1.3.4自动排气活门、防爆超压排气活门安装 (23)1.3.5密闭穿墙管施工 (24)1.3.6平战转换封堵构件施工 (25)1.4 防水工程检验批验收记录 (26)1.4.1防水混凝土工程 (26)1.4.2水泥砂浆防水层工程 (27)1.4.3涂料防水层工程 (28)1.4.4卷材防水层工程 (28)1.4.5金属板防水层工程 (29)1.4.6塑料防水板防水层工程 (31)1.4.7膨润土防水材料防水层工程 (32)1.4.8止水带防水工程 (33)1.5 建筑装饰装修工程检验批验收记录 (34)1.5.1—般抹灰工程 (34)1.5.2涂饰工程 (35)1.5.3饰面板(砖)工程 (37)1.5.4整体面层铺设工程 (39)1.5.6吊顶工程 (41)1.5.7门窗安装工程 (43)1.6 给水排水工程检验批验收记录 (44)1.6.1给水管道安装 (45)1.6.2给水管道附件及卫生器具给水配件安装 (46)1.6.3给水附属设备安装 (48)1.6.4排水管道安装.................................................................................................................... 错误!未定义书签。
SG—018 单位工程质量验收记录四川省建设厅制SG—19 单位工程质量控制资料核查记录四川省建设厅制SG—019续单位工程质量控制资料核查记录注:抽查项目由验收组协商确定。
四川省建设厅制SG—029混凝土强度合格评定施工单位:四川省建筑机械化工程公司注:本表一式四份,建设单位、施工单位、监理单位、城建档案馆各一份。
SG—029混凝土强度合格评定施工单位:四川省建筑机械化工程公司注:本表一式四份,建设单位、施工单位、监理单位、城建档案馆各一份。
SG—036同条件养护试件温度记录注:日平均温度,日最高温度与最低温度的平均值:日平均温度低于0℃的不计入累计温度。
四川省建设厅制SG—036同条件养护试件温度记录注:日平均温度,日最高温度与最低温度的平均值:日平均温度低于0℃的不计入累计温度。
SG—036同条件养护试件温度记录注:日平均温度,日最高温度与最低温度的平均值:日平均温度低于0℃的不计入累计温度。
SG—013建筑工程隐蔽检验记录注:本表一式四份:建设单位、施工单位、监理单位、城建档案馆各一份。
人防工程竣工观感质量检查记录编号:注:评分说明详见《人民防空工程质量检验评定标准》表3.4-.3-3所注SG—022结构分部工程质量验收记录模板分项工程质量验收记录混凝土分项工程质量验收记录目 2 4.10.6 梁、柱、墙、板的孔洞面积符合施工规范的规定合格3 4.10.7 主筋无露筋现象优良4 4.10.8 无缝隙夹渣层优良允许偏差项目项目允许偏实测值(mm)差(mm) 1 2 3 4 5 6 7 8 9 101 4.10.9 10 4 52 1 5 6 9 11 4 62 4.10.9-2a ±10 +3 -2 -2 +6 +24.10.9-2b ±303 4.10.9-3a ±54.10.9-3b -5~+84 4.10.9-4 55 4.10.9-5 86 4.10.9-6 57 4.10.9-7 58 4.10.9-8 1594.10.9-9a 0~254.10.9-9b H/1000检查结果保证项目符合《人民防空工程质量检验评定标准》的规定基本项目检查 4 项,其中优良 2 项,优良率 50 % 允许偏差项目实测点,其中合格点,合格率 %检查结论项目专业技术负责人年月日验收结论监理工程师(建设单位项目技术负责人)年月日SG—022防水分部工程质量验收记录工程名称罗兰小镇人防地下室结构类型框剪层数地下1层施工单位四川省建筑机械化工程公司技术部门负责人质量部门负责人分包单位/ 分包单位负责人/ 分包技术负责人/序号分项工程名称施工单位检查评定记录验收意见项数其中优良项数各分项工程质量验收记录完整,符合设计和规范要求,该分部工程质量评定为合格,同意后续工程施工。
SG—018单位工程质量验收记录工程名称罗兰小镇人防地下室结构类型框剪层数/建筑面积1层/13763㎡施工单位四川省建筑机械化工程公司技术负责人开工日期项目负责人项目技术负责人竣工日期序号项目验收记录验收结论1 分部工程共7 分部,其中优良7 分部,优良率%,结构分部:孔口防护分部:验收合格2 质量控制资料核查共72 项,符合要求72项,经鉴定符合要求项验收合格4 观感质量验收应得分,实得分,得分率%验收合格5 综合验收结论经综合验收组检查,该工程质量符合设计和规范要求,总体质量评定合格参加验收单位(公章)单位(项目)负责人: 年月日(公章)单位负责人:年月日(公章)监理工程师:年月日(公章)单位(项目)负责人:年月日四川省建设厅制SG—19单位工程质量控制资料核查记录工程名称光明大厦施工单位大华建筑公司序号项目资料名称份数核查意见核查人1建筑结构与防护图纸会审、设计变更、洽商记录完整2 工程定位测量、放线记录/ /3 原材料出厂合格证及进场检验报告完整4 施工试验报告及见证检测报告完整5 隐蔽工程验收记录完整6 施工记录完整7 预制构件、预拌混凝土合格证完整8 主体结构检验及抽样检测报告完整9 防护门、防护密闭门、密闭门、防爆波活门出厂合格证书完整10 防爆超压排气活门、自动排气活门出厂合格证书完整11 分项、分部工程质量验收记录完整12 工程质量事故及事故调查处理资料/ /13 新材料、新工艺施工记录/ /1给水排水图纸会审、设计变更、洽商记录完整2 材料配件出厂合格证及进场检验报告完整3 管道、设备强度试验、严密性试验记录完整4 隐蔽工程验收表施工记录完整5 系统清洗、灌水、通水、通球试验记录完整6 施工记录完整7 分项、分部工程质量验收记录完整1 通风采暖与空调图纸会审、设计变更、洽商记录完整2 材料、设备出厂合格证及进场检验报告完整3 空调、水管道强度试验、严密性试验记录/ /4 隐蔽工程验收记录完整5 通风、空调系统调试记录完整6 施工记录完整四川省建设厅制SG—019续单位工程质量控制资料核查记录工程名称光明大厦施工单位大华建筑公司序号项目资料名称份数核查意见核查人7 分项、分部工程质量验收记录完整1建筑电气图纸会审、设计变更、洽商记录完整2 材料、设备出厂合格证及进场检验报告完整3 设备调试记录完整4 接地、绝缘电阻测试记录完整5 隐蔽工程验收记录完整6 施工记录完整7 分项、分部工程质量验收记录完整1防火设备图纸会审、设计变更、洽商记录完整2 设备出厂合格证书及开箱检验记录完整3 隐蔽工程验收表完整4 施工记录完整5 防火灭火系统试验记录完整6 分项、分部工程质量验收记录完整自评意见:施工单位注册建造师(项目经理):年月日结论:总监理工程师:(建设单位项目负责人)年月日注:抽查项目由验收组协商确定。
一、分项工程质量验收记录表
1.结构工程
(RFJ01-2002)4.1-1 国家人防质监站监制
土石方分项工程质量验收记录表
(RFJ01-2002)4.2-1 国家人防质监站监制
爆破掘进分项工程质量验收记录表
-2- (RFJ01-2002)4.3-1 国家人防质监站监制
盾构分项工程质量验收记录表
-3- (RFJ01-2002)4.4-1 国家人防质监站监制
沉井项工程质量验收记录表
注:l为长度或宽度;r为半径;b为对角线长;H为下沉总深度;L为最高与最低两角间距离。
-4- (RFJ01-2002)4.5-1 国家人防质监站监制
地下连续墙分项工程质量验收记录表
-5- (RFJ01-2002)4.6-1 国家人防质监站监制
打(压)桩分项工程质量验收记录表
注:d为桩的的直径或截面边长;H为桩长
-6- (RFJ01-2002)4.7-1 国家人防质监站监制
灌注桩分项工程质量验收记录表
-7- (RFJ01-2002)4.8-1 国家人防质监站监制
模板分项工程质量验收记录表
(RFJ01-2002)4.9-1 国家人防质监站监制
钢筋绑扎分项工程质量验收记录表
(RFJ01-2002)4.9-2 国家人防质监站监制钢筋焊接分项工程质量验收记录表
-10- (RFJ01-2002)4.10-1 国家人防质监站监制
混凝土分项工程质量验收记录表
2.蜂窝、空洞、露筋、缝隙夹渣层等缺陷,在装饰前应按施工规范规定进行修理。
-11- (RFJ01-2002)4.10-2 国家人防质监站监制混凝土设备基础分项工程质量验收记录表
注:蜂窝、空洞、露筋、缝隙夹渣层等缺陷,在装饰前应按施工规范规定进行修理。
-12- (RFJ01-2002)4.11-1 国家人防质监站监制
喷射混凝土分项工程质量验收记录表
(RFJ01-2002)4.12-1 国家人防质监站监制构件安装分项工程质量验收记录表
(RFJ01-2002)4.12-2 国家人防质监站监制构件安装分项工程质量验收记录表(用于装配式大板建筑)
-15- (RFJ01-2002)4.13-1 国家人防质监站监制
钢结构焊接分项工程质量验收记录表
注:b为焊缝宽度;k为焊角尺寸;为母材厚度
-16-(RFJ01-2002)4.13-2 国家人防质监站监制
钢柱制作分项工程质量验收记录表
注:L为柱长度;L1为柱底面到牛腿支承面距离;b为翼缘板宽度。
-17- (RFJ01-2002)4.13-3 国家人防质监站监制
钢梁制作分项工程质量验收记录表
注:L为梁度;H为梁的端部高;δ为腹板厚度;b为翼缘板宽度。
-18-(RFJ01-2002)4.13-4 国家人防质监站监制
钢管构件制作分项工程质量验收记录表
注:d为钢管直径;l为构件长度。
-19- (RFJ01-2002)4.13-5 国家人防质监站监制
钢柱分项工程质量验收记录表
注:H为柱的高度。
-20- (RFJ01-2002)4.13-6 国家人防质监站监制
固定式钢梯、栏杆、平台安装分项工程质量验收记录表
注:L为梁长度;h为梁高度;H:为直梯高度。
-21- (RFJ01-2002)4.13-7 国家人防质监站监制
钢结构油漆分项工程质量验收记录表
注:干漆膜厚度设计另有要求时,应以设计为准。
-22- (RFJ01-2002)4.14-1 国家人防质监站监制
砌砖分项工程质量验收记录表
-23- (RFJ01-2002)4.15-1 国家人防质监站监制
砌石分项工程质量验收记录表
一、分项工程质量验收记录表
2、防水工程
(RFJ01-2002)5.1-1 国家人防质监站监制防水混凝土结构分项工程质量验收记录表
注:本表只是对混凝土结构自防水的要求。
对于混凝土施工质量检验按表4.10-1内容验收。
-25- (RFJ01-2002)5.2-1 国家人防质监站监制
水泥砂浆防水层分项工程质量验收记录表
-26- (RFJ01-2002)5.3-1 国家人防质监站监制
涂料防水层分项工程质量验收记录表
-27- (RFJ01-2002)5.4-1 国家人防质监站监制
卷材防水层分项工程质量验收记录表
(RFJ01-2002)5.5-1 国家人防质监站监制金属防水层分项工程质量验收记录表
-29- (RFJ01-2002)5.6-1 国家人防质监站监制
油膏嵌防水分项工程质量验收记录表
-30- (RFJ01-2002)5.7-1 国家人防质监站监制
止水防水分项工程质量验收记录表
一、分项工程质量验收记录表
3.孔口防护工程
(RFJ01-2002)6.1-1 国家人防质监站监制防护门、防护密闭门、密闭门门框墙制作分项工程质量验收记录表
-32- (RFJ01-2002)6.2-1 国家人防质监站监制
钢筋混凝土防护门、防护密闭门、密闭门安装分项工程质量验收记录表
注:L为孔长边尺寸(mm)
-33- (RFJ01-2002)6.2-2 国家人防质监站监制
钢质防护门、防护密闭门、密闭门安装分项工程质量验收记录表
注:L 为孔长边尺寸(mm)
-34-
(RFJ01-2002)6.3-1
国家人防质监站监制
防爆波活门、防爆超压排气活门安装分项工程质量验收记录表
(RFJ01-2002)6.4-1 国家人防质监站监制进、出工程管线的防护密闭分项工程质量验收记录表
-36-
一、分项工程质量验收记录表
4、建筑装修工程
(RFJ01-2002)7.1-1 国家人防质监站监制一般抹灰(级)分项工程质量验收记录表
-37- (RFJ01-2002)7.2-1 国家人防质监站监制
水磨石分项工程质量验收记录表
-38- (RFJ01-2002)7.2-2 国家人防质监站监制
假面砖、拉条灰、拉毛灰、仿石和彩色抹灰分项工程质量验收记录表
注:1.假面砖、拉条灰、拉毛灰等装饰抹灰,表中第4项阴角方正可不检查。
2.拉毛灰可在面层涂抹前检查中层砂浆表面,其允许偏差按表中相应规定执行。
-39- (RFJ01-2002)7.2-3 国家人防质监站监制
喷涂、滚涂和弹涂分项工程质量验收记录表
注:喷涂、滚涂和弹涂等可在面层涂抹前检查中砂层砂浆表面,允许偏差按表中相应规定执行。
-40- (RFJ01-2002)7.3-1 国家人防质监站监制
混色油漆(级)分项工程质量验收记录表
-41- (RFJ01-2002)7.3-2 国家人防质监站监制
清漆(级)、美术油漆和地面打蜡分项程质量验收记录表
-42- (RFJ01-2002)7.4-1 国家人防质监站监制
刷(喷)浆(级)分项工程质量验收记录表。