施工图识读课程复习题
- 格式:docx
- 大小:47.77 KB
- 文档页数:40
学院2010— 2011学年度第一学期期末考核试卷5、要了解建筑物的平面位置的定位坐标,应阅读()A.建筑平面图 B .建筑立面图C.首页图 D .总平面图1、指北针一般画在总平面图中及首层建筑平面图上。
2、钢筋的标注2①12中的2表示钢筋的编号。
3、六层的建筑物必须绘制6个“建筑平面图”。
4、建筑物的室内外高差只能在建筑剖面图中才能读出。
1、形体二面投影竺等”关系为、、。
2、图样的尺寸标注由、、、组成。
3、建筑工程图纸中的尺寸单位,除标高及总平面图中以为单位外,其余以________ 为单位。
4、总平面图中新建建筑物用线表示。
5、房屋建筑施工图按照专业设计分工不同,主要分为施工图、施工图、__________ 施工图。
6、结构施工图中结构构件代号:梁、板、柱、构造柱。
7、建筑立面图施工中主要用于装饰施工。
8、楼梯详图包括、和节点详图。
5、结构施工图中框架梁的代号是KL1、A.2、A.3、A.4、二、选择题(每题2分,共10分, 小题不得分)卜面所述不是立面图命名法的是()朝向 B. 主出入口 C. 楼梯所在位置错选、D.基础的细部尺寸、截面形状、大放脚、材料做法及基底标高等通过基础平面图 B. 基础剖面图 C.楼板配筋图中底层钢筋弯钩应(向上向右 B .向上向左C建筑剖面图上,楼梯中间平台面应注明(A.建筑标高和相对标高C.建筑标高和绝对标高多选、漏选的,该轴线基础详图 D. 总平面图B.结构标高和相对标高D. 结构标高和绝对标高反映出来。
1、夯实土壤四、画出相应图例及根据材料图例写出材料名称、补画第三面投影(1-6小题每小题3分,第7小题12分,共30分)2、钢筋混凝土考核课程:建筑识图考试类型:理论考试考试方式:闭卷学生所在院系:年级:级试卷:A、判断题(每题2分,共10分)、填空题(每空1分,共20分)线得分阅卷人五、识图题(30分)7、根据形体两面投影,作出第三面投影图。
第7小题12分,共30分)参考答案及评分标准考核课程:〈〈建筑识图》考试类型:理论考试考试方式:闭卷学生所在院系:年级:级试卷:_A_一. 判断题(2*5 = 10)1. 对2,错3.错4,错5.对二. 选择题(2*5 = 10)1. C2. C3.B4.A5.D三. 填空题(每空1分,共20分)1、长对正高平齐宽相等(注意三等关系)五、识图题:(30分) 1、写出下图识读内容(15分)(1) 该图为底层平面图,比例是1: 100;(2) 房屋平面形状为矩形,大小为5.8米X 7.7米;(3) 房屋外墙厚度为370mm内墙厚度为240mm(4) 外墙共有3种窗,C1, C2, C&其中C1窗洞口宽度为2100mm C2窗洞口宽度为1500mm C3窗洞口宽度为1200mm门连窗1种,宽度为2100。
《结构施工图识读》复习资料1、剪力墙结构是指由剪力墙组成的承受竖向和水平作用的结构。
2、在平法图集11G101-1中,剪力墙梁的梁编号LL2(JC)表示2号连梁,有交叉暗撑。
剪力墙柱的编号YBZ3表示3号约束边缘构件。
3、在柱平法施工图中,应按规定注明各结构层的楼面标高、结构层标高及相应的结构层号,尚应注明上部结构嵌固部位位置。
4、某楼面框架梁的集中标注中有N6B20,其中N表示是梁侧面受扭钢筋,6B20表示梁的两个侧面每边配置 3 根B20的钢筋。
5、在结构平面布置图上表示各个构件尺寸和配筋的方式,分为列表注写方式、截面注写方式和平面注写方式三种。
6、某框架梁截面尺寸300*500mm,一级抗震,该梁的箍筋加密区长度为1000mm 。
7、某框架梁截面尺寸300*500mm,三级抗震,该梁的箍筋加密区长度为750mm 。
8、在11G101-1平法图集中,梁高加腋的标注为YC1*C2,其中C1表示腋长,C2表示腋高。
9、在剪力墙的构造边缘构件中,纵向钢筋的接头位置应相互错开,第一批机械连接接头的位置距离楼面不少于500mm 。
10、柱平法施工图系在柱平面布置图上采用列表注写方式或者截面注写方式表达。
11、某楼面框架梁的集中标注中有G6A12,其中G表示是梁侧面纵向构造钢筋,6A12表示梁的两个侧面每边配置 3 根A12的钢筋。
12、某框架梁在集中标注中,注有2B22+(2B12),其中2B22为梁上部通长筋,2B12为架立筋。
13、框架柱纵向钢筋直径大于14mm时,不宜采用绑扎搭接接头。
14、抗震框架梁的底部纵筋应伸入中柱,锚固长度≥lae即可。
(×)15、当框架梁的底部钢筋在柱中满足直锚长度要求时,可以不设90°弯钩。
(√)16、梁支座负筋标注为2A16+2A18时,则2A16应为角筋,2A18应为中部筋。
(√)17、柱纵向钢筋连接接头不必相互错开,只要满足在同一截面处内的钢筋接头面积百分率不超过50%即可。
建筑识图复习题答案一、选择题1. 建筑平面图中的墙体厚度通常用______表示。
A. 粗实线B. 细实线C. 虚线D. 点划线答案:B2. 建筑立面图中,门窗洞口的表示方法通常是______。
A. 用实线表示B. 用虚线表示C. 用点划线表示D. 用双点划线表示答案:B3. 建筑剖面图中,楼板的表示方法为______。
A. 用粗实线表示B. 用细实线表示C. 用虚线表示D. 用点划线表示答案:C4. 在建筑施工图中,室内地面标高通常以______为基准。
A. 室外地面标高B. 室内地面标高C. 建筑底层地面标高D. 建筑顶层地面标高答案:A5. 建筑详图的比例通常比平面图和立面图的比例______。
A. 大B. 小C. 相等D. 不确定答案:A二、填空题6. 建筑平面图中,墙体的厚度一般用______线表示,而门窗洞口则用______线表示。
答案:细实线,虚线7. 在建筑剖面图中,______线用于表示墙体的厚度,而______线则用于表示楼板的位置。
答案:粗实线,虚线8. 建筑施工图中,室内地面标高通常以______为基准,而室外地面标高则作为参考。
答案:室外地面标高9. 建筑详图的比例通常比平面图和立面图的比例______,以便更清晰地展示细节。
答案:大10. 在建筑立面图中,______线用于表示门窗洞口,而______线则用于表示墙体的厚度。
答案:虚线,细实线三、简答题11. 简述建筑平面图、立面图和剖面图的主要区别。
答案:建筑平面图主要展示建筑物的水平布局,包括房间的划分、门窗的位置等;立面图则展示建筑物的垂直外观,包括墙面的装饰、门窗的排列等;剖面图则是通过建筑物的垂直切面来展示内部结构,如楼板、墙体等的厚度和材料。
12. 描述建筑施工图中标高的作用及其表示方法。
答案:建筑施工图中的标高用于表示建筑物各部分相对于基准面的高度,通常以室外地面标高为基准。
标高通常用数字和箭头表示,箭头指向被标注的物体,数字表示该物体相对于基准面的高度。
附件一:全国高等职业院校土建施工类专业首届“鲁班杯”建筑工程识图技能竞赛建筑工程施工图识读 试卷※ ※ ※ ※ ※ ※ ※ ※ ※ ※ ※ ※ ※ ※ ※ ※ ※ ※ ※ ※ ※ ※ ※ ※ ※ ※ ※ ※建筑工程施工图识读试卷第一部分(20题,每题2.5分,总分50分)1. 本工程的南立面为 B 。
A .○1~○10轴立面B .○10~○1轴立面C .○A ~○D 轴立面 D .○D ~○A 轴立面2. 本工程勒脚做法是C 。
A .文化石贴面B.面砖贴面 C .花岗岩贴面D .未注明3. 本工程的外窗为 B 。
A .铝合金窗B .塑钢窗C .钢窗D .未说明4. 本工程的墙体保温材料为 B 。
A .聚苯板B .聚合物砂浆Ⅱ型C .玻璃棉D .岩棉5. 雨篷构造做法中采用 C 防水。
A .卷材B .涂膜C .防水砂浆D .细石防水混凝土6. 本工程墙体厚度有 B mm 。
A .100、300B .200、300C .240、300D .3007. 本工程屋面排水方式采用 。
A .内檐沟B .外檐沟C .内外檐沟均有D .自由落水8. 四层平面图中共有 B 种类型的门。
A .2B .3C .4D .69. 下列关于轴线设置的说法不正确的是 D 。
A .拉丁字母的I 、O 、Z 不得用作轴线编号B .当字母数量不够时可增用双子母加数字注脚C .1号轴线之前的附加轴线的分母应以01表示D .通用详图中的定位轴线应注写轴线编号10. 图中所绘的M-2的开启方向为 D 。
A .单扇内开B .双扇内开C .单扇外开D .双扇外开11. 本工程卫生间采用 D 防水。
A .防水涂料两道B .卷材C .防水砂浆D .卷材和防水砂浆12. 本工程基础垫层厚度为 A mm 。
A .100B .120C .180D .未注明13. 1#楼梯第2跑梯段水平投影长度为 A mm 。
A .2800B .1600C .4480D .165014.1#楼梯第1跑梯段步数为 D 。
项目一复习题一、填空题1.图样上的尺寸由尺寸线、尺寸界线、尺寸起止符号和尺寸数字组成。
2.在建筑工程图样中图线以可见轮廓的宽度b为标准。
3.平面图形中所标注的尺寸,按其作用可分为定形尺寸和定位尺寸。
4.平面图形中的各组成部分的大小和相对位置是所标注的尺寸确定的。
5.图纸幅面分为A0、A1、A2、A3、A4,其中A2尺寸为420×594。
6.为了防止与阿拉伯数字中的某些数字混淆,因此有拉丁字母L、O、Z不宜在图中使用。
7.尺寸基准是标注定位尺寸起始位置的点或线。
8.圆及圆弧的尺寸标注中直径数字前应注字母Ф,半径数字前加注字母R。
9.尺寸起止符号一般用中粗斜短线绘制,其倾斜方向应与尺寸界线成顺时针45°角。
长度宜为2~3mm。
10.建筑工程图常选的比例为1:1、1:2、1:5、1:10、1:20、1:50、1:100、1:200、1:500、1:1000。
二,判断题1. 图样轮廓线、中心线可用作尺寸界线,也可用尺寸界线作尺寸线。
(×) 2. 尺寸起止符号其倾斜方向应与尺寸线成顺时针45°(×)3. 图样的比例是图形与实物相对应的面积之比。
(×)改:是对应的线性尺寸之比4. 《房屋建筑制图统一标准》可用于多种尺寸比例的规定。
(×)改:只规定常用建筑材料的图例画法,对其尺寸比例不作具体规定。
5. 图样上的尺寸单位,除去总平面图以米m为单位外,其余的都以毫米mm 为单位,图样中尺寸数字后面不写单位。
(×)6. 长度、直径、半径和角度属于定形尺寸。
(√)7. 尺寸标注应将小尺寸标注在内侧,大尺寸标注在外侧。
(√)8. 图纸幅面中,图纸的长边和短边都可随意改变。
(×)9.一般连接圆弧都可用作图方法确定其圆心,所以不必标出圆心的定位尺寸。
(√)10.图样的轮廓线也可作尺寸界线。
(√)三.选择题1.尺寸数字的字号一般应大于或等于(C)号A7 B5 C3.5 D32.相互平行的两条线,其间隙不宜小于图内粗线的宽度,且不宜小于(B) A0.6mm B0.7mm C0.8mm D1.0mm3.线性尺寸界线一般应与尺寸线垂直,同时应备注长度垂直其一端应离开图样不少于(A)。
1、试绘制杆件的轴力图(无需计算)
轴力图
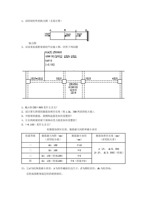
2、识读某抗震框架梁的平法施工图,回答下列问题
1、KL4(3)250×600是什么含义?
2、试计算左跨梁的箍筋加密区长度(取1.5h 、500两者的较大值)。
3、中跨梁的箍筋、梁侧构造筋是如何设置的?
4、左右两跨梁的梁下部纵向受力筋是如何设置的?
5、(-0.100)是什么含义?
注:①d 为柱纵筋最小直径,h 为矩形截面长边尺寸,D 为圆柱直径,H n 为柱净高; ②柱底指框架底层柱的嵌固部位。
柱箍筋加密区长度、箍筋最大间距和最小直径 Φ6(柱底Φ8)
8d ,150(柱底100)
四
Φ8 8d ,150(柱底100) 三 Φ8 8d ,100 二
h (D ), H n /6,500 {h (D ), H n /3,500}(柱底)
Φ10 6d ,100 一 箍筋加密区长度(mm ) (采用较大者)
箍筋最小直径
(mm )
箍筋最大间距(mm )
(采用较小值)
抗震等级
3、如下图所示,框架柱抗震等级为三级,柱子的截面尺寸(矩形截面柱)均为500X500,柱内配置8Ф20的纵向钢筋,试根据上面的表格计算一、二层柱箍筋加密区的长度、箍筋最大间距及箍筋最小直径。
37.047
图3 抗震KZ 框架柱列表注写
5、 某框架梁的结构施工图如下图所示,试写出该梁的平法施工图。
KL1 1:100
1-1 1:50 3-3 1:50
2-2 1:50。
附件一:全国高等职业院校土建施工类专业 首届“鲁班杯”建筑工程识图技能竞赛建筑工程施工图识读 试卷※ ※ ※ ※ ※ ※ ※ ※ ※ ※ ※ ※ ※ ※ ※ ※ ※ ※ ※ ※ ※ ※ ※ ※ ※ ※ ※ ※建筑工程施工图识读试卷第一部分(20题,每题2.5分,总分50分)1. 本工程的南立面为 B 。
A .○1~○10轴立面B .○10~○1轴立面C .○A~○D 轴立面D .○D~○A 轴立面 2. 本工程勒脚做法是 C 。
A .文化石贴面B .面砖贴面C .花岗岩贴面D .未注明3. 本工程的外窗为 B 。
A .铝合金窗B .塑钢窗C .钢窗D .未说明4. 本工程的墙体保温材料为 B 。
A .聚苯板B .聚合物砂浆Ⅱ型C .玻璃棉D .岩棉 5. 雨篷构造做法中采用 C 防水。
A .卷材B .涂膜C .防水砂浆D .细石防水混凝土6.本工程墙体厚度有 B mm。
A.100、300 B.200、300 C.240、300 D.3007.本工程屋面排水方式采用。
A.内檐沟B.外檐沟C.内外檐沟均有D.自由落水8.四层平面图中共有 B 种类型的门。
A.2 B.3 C.4 D.69.下列关于轴线设置的说法不正确的是 D 。
A.拉丁字母的I、O、Z不得用作轴线编号B.当字母数量不够时可增用双子母加数字注脚C.1号轴线之前的附加轴线的分母应以01表示D.通用详图中的定位轴线应注写轴线编号10.图中所绘的M-2的开启方向为 D 。
A.单扇内开B.双扇内开C.单扇外开D.双扇外开11.本工程卫生间采用 D 防水。
A.防水涂料两道B.卷材C.防水砂浆D.卷材和防水砂浆12.本工程基础垫层厚度为 A mm。
A.100 B.120 C.180 D.未注明13.1#楼梯第2跑梯段水平投影长度为 A mm。
A.2800 B.1600 C.4480 D.165014.1#楼梯第1跑梯段步数为D 。
A.11 B.15 C.16 D.1715.2#楼梯梯井宽度为 C mm。
施工图识读与绘制复习资料1、下列关于建筑平面图说法正确的是( C )。
A、建筑平面图是水平投影图B、建筑平面图是正面投影图C、建筑平面图是水平剖面图D、建筑平面图是水平断面图2、下列材料图例符号中,表示为天然石材的是( A )。
A、B、C、D、3、建筑占地面积是指( A )。
A、首层外墙外边线所包围的面积B、标准层外墙外边线所包围的面积C、各层建筑外墙结构的外围水平面积之和D、建筑外墙结构定位轴线之间的水平面积之和4、断面层的剖切符合用( A )表示。
A、剖切位置线B、箭头C、编号D、投射方向线5、能反映房屋的平面形状、大小和房间的布置、墙(或柱)的位置、厚度、材料、门窗的位置、大小、开启方向等内容的图样是( B )。
A、总平面图B、建筑平面图C、剖面图D、建筑详图6、建筑剖面图的剖切位置应在( B )中表示,剖面图的图名应与其剖切线编号对应。
A、总平面图B、底层建筑平面图C、标准层建筑平面图D、屋顶建筑平面图7、建筑平面图不能作为( C )。
A、施工时放线的依据B、砌墙、安装门窗的依据C、土方施工的依据D、室内外装修的依据编制预算等8、表示为( A )。
A、1号轴线之前的第一根附加轴线B、1号轴线之后的第一根附加轴线C、01号轴线之前的第一根附加轴线D、01号轴线之后的第一根附加轴线9、建筑平面图中被剖切的主要建筑构造的轮廓线用( D )表示。
A、点划线B、细实线C、中实线D、粗实线10、主要反映房屋的长度、高度、层数等外貌和外墙装修构造图样是( B )。
A、建筑平面图B、建筑立面图C、建筑剖面图D、建筑详图11、不应在屋面平面图中表明的内容是( D )等。
A、屋顶形状、屋面排水方向B、屋顶坡度、分水线、女儿墙及屋脊线C、屋顶檐沟、檐口、屋面检查人孔D、散水、明沟、雨篷12、图样中的某一局部或构件,如需另见详图,应一索引索引,索引符号是由直径为( C )mm的圆和水平直径组成。
A、8B、12C、10D、1413、在建筑剖面图上不能读到的尺寸标注是( C )。
《施工识图》题库及答案一、单项选择题:(共100题,每题1分。
每题只有一个被选最符合题意,请将它选出并填入括号内)1.国标中规定施工图中水平方向定位轴线的编号应是(C)A大写拉丁字母B)英文字母C) 阿拉伯字母D) 罗马字母2附加定位轴线2/4是指(B)A 、4号轴线之前附加的第二根定位轴线B)4轴线之后附加的第二根定位轴线C) 2号轴线之后的第4根定位轴线D)2号轴线之前附加的第4根定位轴线2.索引符号图中的分子表示的是(C)A、详图所在图纸编号B) 被索引的详图所在图纸编号C) 详图编号D) 详图在第几页上3.有一图纸量得某线段长度为5.34cm,当图纸比例为1:30时,该线段实际长度是( D )米。
A) 160.2 B) 17.8 C)1.062 D)16.025.门窗图例中平面图上和剖面图上的开启方向是指(A )A朝下,朝左为外开B) 朝上,朝右为外开C)朝下,朝右为外开D) 朝上,朝左为外开6.房屋施工图中所注的尺寸单位都是以(C)为单位。
A)以米为单位B)以毫米为单位C) 除标高及总平面图上以米为单位外,其余一律以毫米为单位D) 除标高以米为单位外,其余一律以毫米为单位7. 图标中规定定位轴线的编号圆圈一般用(A )A) 8mm B) 10mm C) 6mm D)14mm8. 总平面图中用的风玫瑰图中所画的实线表示(B )A)常年所剖主导风风向B) 夏季所剖主导风风向C) 一年所剖主导风风向D) 春季所剖主导风风向9. 建施中剖面图的剖切符号应标注在( A )A)底层平面图中B) 二层平面图中C) 顶层平面图中D)中间层平面图中10. 楼梯平面图中标明的“上”或“下”的长箭头是以哪为起点(C )A)都以室内首层地坪为起点B) 都以室外地坪为起点C) 都以该层楼地面为起点D) 都以该层休息平台为起点11. 楼梯平面图中上下楼的长箭头端部标注的数字是指( B )A)一个梯段的步级数B) 该层至上一层共有的步级数C) 该层至顶层的步级数D) 该层至休息平台的步级数12. 与建筑物长度方向一致的墙,叫( A )A)纵墙B) 横墙C) 山墙D) 内墙13. 施工图中标注的相对标高零点±0.000是指( C )A)青岛附近黄海平均海平面B) 建筑物室外地坪C) 该建筑物室内首层地面D) 建筑物室外平台14. 计算室内使用面积的依据是( C )A)轴线到轴线间尺寸B) 墙外皮到墙外皮C) 墙内皮到墙内皮D) 开间乘以进深15. 建筑物的层高是指( A )A)相邻上下两层楼面间高差B) 相邻两层楼面高差减去楼板厚C) 室内地坪减去室外地坪高差D) 室外地坪到屋顶的高度16. 定位轴线的位置是指( C )A)墙的中心线B) 墙的对称中心线页眉内容C) 不一定在墙的中心线上D) 墙的偏心线17. 有一窗洞口,洞口的下标高为-0.800,上标高为2.700,则洞口高为(C )A)2.700 B) 1.900 C) 3.500 D)0.80018. 结施中常用的构件代号DL是表示( B )A)地梁B) 吊车梁C) 大梁D)吊梁19. 楼梯的踏步数与踏面数的关系是( B )A)踏步数= 踏面数B) 踏步数-1= 踏面数C) 踏步数+1= 踏面数D) 踏步数+2= 踏面数20. 房间的开间方向的尺寸是指(C )A)竖直方向定位轴线间尺寸B) 纵向定位轴线间尺寸C) 水平方向定位轴线间尺寸D) 房间宽度方向间尺寸21. 墙上有一预留槽,标注的尺寸是300×400×120底距地面1.5m,该槽宽度为(A )A)300 B) 400 C) 120 D)1.5m22. 楼梯梯段的水平投影长度是以11×250=2750形式表示的,其中11表示的是(C )A)踏步数B) 步级数C) 踏面数D)踏面宽23. 建筑平面图的形成是( A )A)水平剖面图B) 水平正投影图C) 垂直剖面图D)纵向剖面图24.建筑总平面图中新建房屋的定位依据中用坐标网格定位所表示的X,Y是指(C )A)施工坐标B) 建筑坐标C) 测量坐标D)投影坐标25. 建筑平面图图示特点规定如在中间各层构造尺寸相同的情况下平面图可以省略只画(C)层A)一层B) 二层C) 三层D) 四层26. 施工图中总平面图常用的比例为( C )A)1:100 B) 1:200 C) 1:500 D) 1:5027. 若一栋建筑物水平方向定位轴线为①-⑾,竖直方向定位轴线为A -E,朝向是座北朝南,则立面图E-A轴应为(A )A)西立面图B) 东立面图C) 南立面图D) 北立面图28. 施工图中的比例表示是指( C )A)图线:线型B) 实物:图形C) 图形:D) 图形:线型29. 楼梯详图的图纸包括( A )A)平、剖面图、详图B) 平、剖面图C) 平、立面图、详图D) 详图30. 钢筋混凝土构件中的钢筋的保护层是指( C )A)钢筋的内皮至构件表面B) 钢筋的中心至构件表面C) 钢筋的外皮至构件表面D) 钢筋的内皮至构件内皮31. 基础埋置深度是指(B )的垂直距离A)室内地坪到基础底部B) 室外地坪到基础底部C) 室外地坪到垫层底面D) ±0.000到垫层表面32. 结施中@是钢筋的间距代号,其含义是(A )A)钢筋相等中心距离B) 钢筋的外皮至外皮C) 钢筋的内皮至内皮D) 钢筋的外皮至内皮33. 在结构平面图中板配置双层钢筋时,底层钢筋弯钩应是(C )A)向下或向右B) 向下或向右C) 向上或向左D) 向上或向右34. 在钢筋详图中,计算钢筋的设计长度是指( C )A)内皮尺寸B) 中-中C) 外皮尺寸D)构件尺寸35. 有一梁长为3840mm,保护层25 mm,它的箍筋用Φ6@200表示,该梁的箍筋根数为(C )A)18 B) 19 C) 20 D) 2136. 有一预应力钢筋混凝土空心板构件详图中,配筋有“12Φb4”, 其中的“b”表示(C )A)板的代号B) 钢筋级别代号C) 冷拔低碳钢丝D) 冷拉低碳钢丝37. 有一梁长3840mm,保护层为25mm,梁内受力筋为2Φ14的直筋,每根受力筋的下料长度应为(C )A)3790mm B) 3923mm C) 3965mm D) 3840mm页眉内容38. 钢筋混凝土构件中钢筋的保护层厚度在正常环境下梁和拄应为( C )A)15 B) 20 C) 25 D) 1039. 在结构平面图中6YKB336—2中“33”表示的是( C )A)板宽B) 板高C) 板跨D) 荷载等级40. 局部剖切索引符号所表示的剖视方向为(B)A)剖切位置线一侧B) 引出线一C) 两侧都可以D) 粗短线一侧41. 墙上有一预留槽,标注的尺寸500×600×150底距地面1.5m,该槽高度为( B )A)500 B) 600 C) 150 D) 1.5m42. 若某建筑物房间与卫生间的地面高差为0.020,标准层高为3.600,则该楼三层卫生间地面标高度应为(B )A)-0.020 B) 7.180 C) 3.580 D)3.60043. 图中符号“-4×40”中的“-”是指( B )A)负号B) 扁钢、钢板代号C) 减号D) 数量44. 钢筋在构件中按其作用不同可分为( B )种类A)4种B) 5种C) 6种D) 3种45. 在结构平面布置图中KB30—092表示板宽为( B )A)90mm B) 900mm C) 9m D) 900cm46. 在建筑立面图中,应用的线型宽度共有( C )种A)二种B) 三种C) 四种D) 五种47. 预应力钢筋混凝土是指( B )A)对钢筋预加压力B) 对混凝土预加压力C) 对混凝土预加拉力D) 对构件预加拉力48. 建筑平面图的常用比例为( D )A)1:500 B) 1:20 C) 1:1000 D) 1:10049. 在建筑识图中一般应遵守的识图原则是(A)A)由总体到局部B) 由局部到总体C) 由详图到总图D) 有设备到建筑50.图纸上尺寸线应采用( B )A)粗实线B) 细实线C) 点划线D) 波浪线51.根据《房屋建筑制图统一标准》的规定,工程图纸可优先选用的幅面规格有(C )种。
建筑识图复习题(参考答案)建筑⼯程识图复习题⼀、单项选择题1.在图纸右下⾓⽤以说明设计单位、图名、设计负责⼈等内容的表格为( B )。
A.会签栏B.图标C.图框D.图纸⽬录2.正⾯投影与侧⾯投影应保持( C )关系。
A.长度相等且对正B.宽度相等C.⾼度相等且平齐D.长、宽、⾼都相等3.定位轴线采⽤( A )线型。
A.细点划线B.虚线C.实线D.波浪线4.画局部剖⾯图时,投影部分与剖切部分的分界线为( A )。
A.波浪线B.细实线C.虚线D.点划线5.形体的图样是⽤各种不同规格的图线画成的,其中虚线表⽰( D )A.定位轴线B.剖⾯线C.可见轮廓线D.不可见轮廓线6.已知点C坐标为C(10,5,25),则点C到H⾯的距离为( C )A.10mmB.15mmC.25mmD.5mm7、房屋建筑制图标准规定,定位轴线、中⼼线采⽤(?C ? )绘制。
A.细实线????????? ????????B.细虚线C.细单点长画线????????? ??D.粗单点长画线⼆、填空题1、⼀套完整的施⼯图包括建筑施⼯图、结构施⼯图、设备施⼯图、装饰施⼯图。
2、基础的形式⼀般取决于上部承重构件的形式,如墙下的基础做成__条形__基础;柱下的基础做成__独⽴__基础。
3、详图的位置和编号,应以详图符号(详图标志)表⽰,详图符号以粗实线线绘制,直径为14mm ,详图与被索引的图样不在同⼀张图纸内时,⽤⽔平直径线将圆分为上下两半,上⽅分⼦表⽰详图的编号,下⽅分母表⽰被索引的详图所在图纸编号。
4、钢筋混凝⼟是由_钢筋和混凝⼟组成的_复合材料。
钢筋的特点是_抗拉强度⼤_,⽽混凝⼟的抗拉强度低、抗压强度⾼,在钢筋混凝⼟结构中,钢筋主要承受_拉⼒_,混凝⼟主要承受_压⼒_。
5、尺⼨⼀般标注在图样轮廓线之外,不可与__图线__、__⽂字_及符号相交。
当需要标注若⼲互相平⾏的尺⼨时,应使短尺⼨离轮廓线最__近__,尺⼨线离最外轮廓线的距离⼀般不⼩于___10mm_______。
给排水工程视图讲座复习资料一、考试题型:1 、图形名称对照完善题;选 10 题*2 分=20 分(要求:有提案名称的,有填图形符号的下述选 7)下述对照题填空选 3;二、问答题(选 4*15 分=60 分)1 、室内给水系统的分类和组成?2 、室内排水系统的分类和组成?3 、拿到一份工程施工图,我们先看什么?在看什么?4 、看工程图纸的注意事项有哪些?5 、国家计划委颁布有关建筑制图的国家标准有哪些(6 项)?6 、中水的水源组成及主要用途?三、给排水系统设计说明(完善整体缺失配件并说明安装意图 20 分)四、卷面创新分 (对全面整洁,字迹工整,文字说明不循规蹈矩合理的予以 10 分奖励);2009.6.10 采购部:王方圆中水系统:水源(1) 冷却水(2)沐浴排水(3)盥洗排水(4)洗衣排水(5)厨房排水(6)厕所排水一、拿到一份图纸,我们先看什么?再看什么?1、先看设计总说明(至关重要) ,设计中涉及到的诸多问题,在施工总说明中有很好的体现,要看仔细总说明中的每个细节。
2、从大到小看(一套完整的图纸,是按图纸分类的顺序来向我们展现项目状况的,所以在看图时我们得有顺序。
先说建筑图:依次看总平面图,平面图,立面图,剖面图,详图。
做到对建筑项目大致了解。
其次是结构图:先看基础图,再看楼层屋顶层结构布置图,结构详图。
做到对建筑项目细部的认识。
) 3、结合想象看(看图的时候不论我们专不专业,在心里都要有一个三维的模型,通过想象在脑海中呈现出建筑物的整个外观,内部的各个布局的大致轮廓,做到心中有数按照从左至右,从下至上的方向看,图纸结合想象呈现建筑物的实际形状。
)4、其实识图很简单的 ,心里不要有恐惧感 ,你会很快入门的 !二、看图应该注意的事项有哪些?初学建工的同事 , 由于建工知识不全面在初看图纸的时候常常会遇到一些麻烦 ,致使无法准确了解并认识图纸要说明的建筑内容 ,归纳几点注意事项 ,希望能对大家有帮助 .拿到一份图纸,我们应该注意:1、首先要知道施工图的分类专业的分工不同,可分为建筑施工图、结构施工图和设备施工图。
FPIT —R —JX15—2104-18编号:(以下为试卷正文,每大题均需填写题头表格)1.在抗震框架柱中,纵筋的接头位置应相互错开,在同一截面的纵筋街头百分率不得超过50%,第一批焊接接头的位置距楼面不少于Hn /6、h c 及500㎜之大值。
第二批接头距第一批接头不少于35d 及500㎜。
2.在平法图集03G101-1中,剪力墙梁的梁编号LL2(J C)表示2号连梁、并有交叉暗撑;剪力墙柱的编号YD Z3表示3号约束端柱.3。
在框架柱的平法图中,柱井字箍筋的肢数注写为m ×n 表示箍筋水平肢为n肢,竖直肢为m肢4.在平法图集03G101—1中,框架梁加腋的标注YC1*C2中,C1表示腋长,C2表示腋高。
5。
当框架梁下部纵筋注写为2Φ22+3Φ20(—3)/5Φ22,表示上排纵筋为2Φ22和3Φ20,其中3Φ20不伸入支座,下排纵筋5Φ22全部伸入支座。
6.楼梯的组成由 梯段 平台 栏板 三部分组成。
7.建筑工程平面图中纵横向均有三道尺寸,最外一道是房屋总长和总宽,中间一道为房屋的开间和进深最里一道是门窗洞口和墙垛到邻近轴线详细尺寸.8、图集03G101—1规定,当梁腹板高度450 w h mm 时,须配置梁侧构造钢筋,其规格与根数应符合规范规定。
9、常用构件代号:KZZ表示框支柱,GYZ表示构造边缘翼墙柱,WKL表示屋面框架梁.TGB表示天沟板,1、房屋结构中基础梁的代号为(D)A、TLB、LLC、WLD、JLm m,柱净高3m,该柱在楼面处的箍筋加密区高2。
某框架三层柱截面尺寸300×5002度为(B)(A)400 (B)500 (C)600 (D)无法确定3。
梁板式筏形基础中间跨基础主梁底部贯通纵筋应在该梁中部≤0l/3的连接区域内连接,其中0l是指(B)(A)该跨梁两端轴线之间距离(B)该跨梁两端柱子中心之间距离(C)该跨梁净距(D)都不是4.基9。
框架梁有加腋,但梁平法施工图没有注明加腋处斜钢筋时,起梁腋下部的斜钢筋直径与伸入支座的梁下部纵筋直径相同,根数(C)。
项目一复习题一、填空题1图样上的尺寸由尺寸线、尺寸界线、尺寸起止符号和尺寸数字组成。
2. 在建筑工程图样中图线以可见轮廓的宽度b为标准。
3. 平面图形中所标注的尺寸,按其作用可分为定形尺寸和定位尺寸。
4. 平面图形中的各组成部分的大小和相对位置是所标注的尺寸确定的。
5. 图纸幅面分为A0 A1 A2、A3 A4,其中A2尺寸为420X 5 9 4。
6. 为了防止与阿拉伯数字中的某些数字混淆,因此有拉丁字母L、O Z不宜在图中使用。
7 .尺寸基准是标注定位尺寸起始位置的点或线。
8圆及圆弧的尺寸标注中直径数字前应注字母①,半径数字前加注字母R。
9. 尺寸起止符号一般用中粗斜短线绘制,其倾斜方向应与尺寸界线成顺时针45°角。
长度宜为2~3mm10. 建筑工程图常选的比例为1:1、1: 2、1:5、1:10、1:20、1:50、1 :10 0、1:200、1:500、1:1000。
二,判断题1.图样轮廓线、中心线可用作尺寸界线,也可用尺寸界线作尺寸线。
(X)2.尺寸起止符号其倾斜方向应与尺寸线成顺时针45° ( X)3.图样的比例是图形与实物相对应的面积之比。
(X)改:是对应的线性尺寸之比4.《房屋建筑制图统一标准》可用于多种尺寸比例的规定。
(X )改:只规定常用建筑材料的图例画法,对其尺寸比例不作具体规定。
5.图样上的尺寸单位,除去总平面图以米m为单位外,其余的都以毫米mm 为单位,图样中尺寸数字后面不写单位。
(X )6.长度、直径、半径和角度属于定形尺寸。
(“)7.尺寸标注应将小尺寸标注在内侧,大尺寸标注在外侧。
(“)8.图纸幅面中,图纸的长边和短边都可随意改变。
(X)9.一般连接圆弧都可用作图方法确定其圆心,所以不必标出圆心的定位尺寸。
(“)10.图样的轮廓线也可作尺寸界线。
(“)三.选择题1.尺寸数字的字号一般应大于或等于(C)号A7 B5 C3.5 D32.相互平行的两条线,其间隙不宜小于图内粗线的宽度,且不宜小于(B)A0.6mm B0.7mm C0.8mm D1.0mm3. 线性尺寸界线一般应与尺寸线垂直,同时应备注长度垂直其一端应离开图样不少于(A)。
A. 2mmB.4mmC.5mmD.6mm4.圆及圆弧的尺寸标注,标注半径时,应在直径数字前加注字母(C)。
A. SB. ?C.RD.C5.A0、A1、A2图纸的幅面线到图框线的距离为【B】A 5 、5、5;B 10、10、10;C 25、15、15;D 15、10、1 06. 细实线可用于(BC)A不可见轮廓线B可见轮廓线C图例线D中心线7. 图纸的右下角标题栏用来填写(ABCD)A.设计单位名称、工程名称B.图名、图号、设计人C.制图人、审批人D.签名和日期8. 下列对定形尺寸与定位尺寸理解正确的是(B、D)。
定形尺寸:用以确定平面图形各组成部分的相对位置的尺寸。
定形尺寸:用以确定平面图形各组成部分的形状和大小,如长度、直径、半径和角度等。
定位尺寸:用以确定平面图形各组成部分的形状和大小的尺寸。
定位尺寸:用以确定平面图形各组成部分的相对位置的尺寸。
9. 图样中的尺寸是由(ABCD )组成A.尺寸线B .尺寸界线C .尺寸起止符号D .尺寸数字10•三角板与丁字尺配和作用可以画竖直线或【AC】等的倾斜线。
A. 1 5°、30° B . 1 5°、45°C. 45°、60°、75° D . 30°、45 °、75°项目二测试题一、填空1 .当空间中某二点在一个投影面上的投影重合时,既然二点称为这个投影面的(重影点);2. 根据直线和投影面的相对位置,可以将空间中的直线分为一般位置线(影面平行线),和投影垂直线 3 种。
3 .直线对于投影面的夹角称为直线对投影面的(倾角)。
4. 正投影图的特性分别为相似性、全等性、积累性和重合性。
5. 空间中两直线的相对位置有平行、相交、交叉三种情况。
6. 平行投影分为斜投影和正投影。
7. 直线上的点具有从属性和定比性8•点P在V面的投影为P'。
9. 平面表示方法有(几何元素表示法)(用轨迹表示平面)。
10. 所谓的投影图是假定光线能穿透物体将其所有轮廓线都投射在特定的投影平面上使其能够反映物体的轮廓形状。
二、单选题1. 什么图是工程图轴测图的主要表示方法。
(C)A.透视图B.轴测图C.正投影图D.斜投影图2. 利用中心投影法绘制的投影图为透视图,那么下面关于透视图说法正确的是(C)A.有较强的立体感尺寸度量较好B .缺乏立体感尺寸度量性较差C.有较强立体感尺寸度量性较差D .缺乏立体感尺寸度量性较好3. 正投影图有主视图,俯视图,左视图分别对应哪几个方面(C)A. V.W.H B . W.H.V C . V.H.W D . W.V. H4. 按照三等关系,个投影面上的投影用细实线连接起来,水平投影和侧投影面之间用(B)A. 30°B.45 °C.60 °D.90 °5. 不属于空间位置直线的是(D)A. 一般为直线B 投影面直线C. 投影面垂直线D 投影面相交线6. 下列正确的说法是(A)A. 点在平面的投影是点B. 直线的投影为直线C.多边形的投影为多边形你D.多面体的投影为多面体的平面图形。
7. 关于投影说法正确的是(C)A 、当投影中心距离投影面有限远时得到平行投影。
B 、当投影中心距离投影面无限远投射线互相平行时得到中心投影。
C、根据投影中心与投影面距离的不同将投影分为中心投影、平行投影。
D工程中常用投影图有透视图正投影图。
8. 下列针对铅垂面说法正确的是(A)A、垂直于H面的平面称为铅垂面B、垂直于H面与V、W面倾斜的平面称为铅垂面C、铅垂面可平行于V面D、铅垂面可垂直V面9. 投影面垂直线的正投影为(A)A。
汇聚成一点B 反应实长C 仍为一直线D 长度缩短10. 下列说法正确的是(A)A.物体的一个单面投影只能反映2个向度,无法表达3个向度B 当两个物体的正投影相同,则这两个物体相同C 当两个物体的正面和侧面投影相同,则这两个物体相同D 当两个物体的正面和水平投影相同,则这两个物体相同三、多选题1. 投影的种类(AB)A、中心投影B、平行投影C、斜投影D、正投影2. 平行投影的基本特征(ABCD)A、真实性B、积聚性C、类似性D、平行性和定比性3. 投影面平行面包括几种面。
(A、B、D)A.水平图B.正平面C.倾斜面D.侧平面4. 投影图垂直面包括几个方面。
(A、B、D)A 铅垂面B. 侧垂面C. 斜垂面D. 正垂面5. 根据平面相对投影面的位置,可将平面化为(ABE特殊位置直线A. —般位置直线B. 投影面平行面C.三视图左侧面D. 轴测图对立面E.投影面垂直面6. 下列关于投影图说法正确的是(AC)A.V 面表示主视图B. W面表示俯视图C. V面投影又称正面投影D. H面表示主视图7. 已知空间中两直线AB CD AB平行CD^( ABCAab\\c BAa'b'\\c'd' Ca''b''\\c''d'' Dab\\c'd'8. 下面关于两面投影规律书法正确的是( ABC)A两面投影的连线垂直于投影轴B点A到H面的距离等于真面投影到投影轴0X的距离C点A到V面的距离等于真面投影到投影轴0X的距离D相邻连投影面上的投影连线垂直于相应的投影轴9. 物体形成投影图的必须具备的条件( ACD)A光源B 物体C 投射线D 投影平面10. 正投影图具备的特性( ABCD)A全能性B 相似性C 积聚性D 重合性四、判断题1. 在正投影图的展开图中A点的水平投影a和正面投影a'的连线必定(平行) 于与相应的地方。
(垂直)2. 轴测投影的轴间角均为12 0度作图时轴向缩短系数均取1则为正等测。
3. 给排水,暖通等管道图常使用透视图表示。
(错)解析:此说法错误,应是用轴测图表示4. 若两直线的各同面投影相交,且交点符合投影规律,则它们在空间中相交(对)5. 最大斜度线可能垂直于该平面上的投影面平行线和迹线(错)错误原因:可能应改为一定6. 若点属于平面上的一条直线那么这个点则在平面上。
(对)7. 物体要形成投影必学具备光源投射线投影面(V)8. 若空间的两直线平行则他们的同面投影也互相平行(V)9. 如果两条垂直的直线中有一条与某个投影平面垂直,则这两条垂直直线在该投影面上的投影也相互垂直。
(对)10. 正投影图和透视图是工程图样的主要表示方法,轴测图只能做辅助使用(错)项目三、四测试题一、填空题1.画轴测图的方法主要是坐标法2.由曲面围成或由曲面和平面围成的立体称为曲面体3.圆锥面上球点的方法有两种,一种纬圆法和素线法4.两立体相交,表面产生的交线称为相贯线。
5.按投影方向与轴测投影面的夹角不同,轴测图可以分为正轴测图和斜轴测图。
6.根据轴测图的形成,要绘制物体的正等轴测图,需确定正等轴测图的轴间角和轴向伸缩系数。
7.轴测投影图的形成需要轴测投影面、投射方向、8.由曲面围成或又曲面和平面围成的立体称为曲面体9.简化轴轴向伸缩系数p=q=r= 1 10.平面体的投影由围成它的平面图形投影表示,其实质是作各棱线与端点的投影二、判断题1.根据轴测图的形成,要绘制物体的正等测图,一定是正等测图的轴间角(错)2.因截交线是属于截面上的线,所以截交线一般都是封闭的平面图形(对)3.两立体相交,表面产生的交线称为相交线(错)4.截面倾斜于圆柱轴线,其截交线为一椭圆(对)5.在正等测图中,投影后3 个轴间角应相等,均为120°。
(对)6.三维坐标是在二维坐标的基础上添加第三维坐标而抅成的。
(对)7.正轴测图是轴测投影方向和轴测投影面垂直时所得的轴测图(对)8.轴测图能反映出物体各表面的实形(错)9.平面截切圆球时,无论截平面与球的相对位置如何截交线的空间形状总是圆(对)10.交点连成截交线的原则是:位于立体统一表面上的两点才能相连(对)三.单选题1.为了简化作图,轴测投影中的椭圆常作近似画法,这种画法称为(C)A. 简化法B. 弦线法C. 棱形四心法D. 斜测法2.基本体分为(C )A: 平面体立面体B: 立面体曲面体C: 平面体曲面体D: 平面体立面体曲面体3.下列属于圆的正等测图的画法的是( B )A: 素线法B: 弦线法C: 纬圆法D :断面法4.轴测投影是( A )的一种。
A平行投影B立体投影C建筑投影D组合体投影5.平面与圆锥截面交线有(D )情况A: 2 B: 3 C: 4 D: 5 6.正投影的基本特征主要有实形性、集聚性(A )A. 类似性B. 特殊性C. 统一性D. 普遍性7.要绘制物体的正等测图,需确定正等测图的轴间角和(A )A. 轴向伸缩系数B. 直角坐标C. 轴测投影面D. 倾斜角度8.下列说法正确的是(B )A: 截平面垂直于圆柱轴线,其截交线为一个椭圆。