周期校准、检定计划表
- 格式:xlsx
- 大小:10.37 KB
- 文档页数:1
仪器设备检定、校准计划表检测室:机械电器室仪器名称型号规格仪器编号检定单位检定周期最近检定时间计划检定时间备注电子数显卡尺(0~150)mm LG/C0201海安县计量检定测试所1年2009/5/62010/5/5上海电子数显卡尺(0~150)mm LG/C0202海安县计量检定测试所1年2009/5/62010/5/5电子数显卡尺(0~150)mm LG/C0203海安县计量检定测试所1年2009/5/62010/5/5游标卡尺500mm LG/C0205海安县计量检定测试所1年2009/5/62010/5/5带表卡尺0-300LG/C0204海安县计量检定测试所1年2009/5/62010/5/5上海深度游标卡尺0-200LG/C0206海安县计量检定测试所1年2009/5/102010/5/9宽座角尺500×315LA/C0102南通市计量检定测试所1年2010/4/252011/4/24检定宽座角尺200×125LA/C0101南通市计量检定测试所1年2010/4/252011/4/24检定万能角度尺(0~320)°LA/C0201南通市计量检定测试所1年2010/4/252011/4/24检定塞尺100B LG/C0501南通市计量检定测试所1年2010/4/232011-4.22检定框式水平仪200×200LT/C0101南通市计量检定测试所1年2009/10/282010/10/27校准框式水平仪200×200LT/C0102南通市计量检定测试所1年2009/10/282010/10/27校准光学合象水平仪0.01mm/m LT/C0201南通市计量检定测试所1年2010/4/232011/4/22检定百分表0-10LG/C0101海安县计量检定测试所1年2009/5/102010/5/9上海自动化仪表九厂百分表0-5LG/C0102海安县计量检定测试所1年2009/5/102010/5/9上海自动化仪表九厂内径百分表(10-18)mm LG/C0103海安县计量检定测试所1年2009/5/62010/5/5内径百分表(18-35)mm LG/C0104海安县计量检定测试所1年2009/5/62010/5/5内径百分表(35-50)mm LG/C0105海安县计量检定测试所1年2009/5/62010/5/5仪器设备检定、校准计划表检测室:机械电器室仪器名称型号规格仪器编号检定单位检定周期最近检定时间计划检定时间备注内径百分表(50-160)mm LG/C0106海安县计量检定测试所1年2009/5/62010/5/5千分表0-1/0.001mm LG/C0901海安县计量检定测试所1年2008/5/52009/5/4外径千分尺0-25LG/C0301海安县计量检定测试所1年2009/5/102010/5/9上海自动化仪表九厂外径千分尺25-50LG/C0302海安县计量检定测试所1年2009/5/102010/5/9上海自动化仪表九厂内径千分尺(50~600)mm LG/C0303海安县计量检定测试所1年2009/5/102010/5/9成都微米千分尺0-25/0.001mm LG/C0801南通市计量检定测试所1年2010/4/252011/4/24检定平尺500mm LP/C0102南通市计量检定测试所1年2009/10/282010/10/27校准平尺1000mm LP/C0103南通市计量检定测试所1年2009/10/282010/10/27校准平板300×300mm LP/C0201南通市计量检定测试所1年2010/4/262011/4/25检定光学影像量测仪VME400T LG/C0401南通市计量检定测试所1年2010/1/42011/1/3上海测厚仪LG/C0701南通市计量检定测试所1年2009/11/42010/11/3布洛维氏硬度计HBRV-187.5FH/C0101海安县计量检定测试所2年2009/5/222010/5/21山东莱州市试验机总厂锤击式布氏硬度计HBC FH/C0201海安县计量检定测试所2年2009/5/52010/5/4山东莱州市试验机总厂里氏硬度计HL2000FH/C0301南通市计量检定测试所1年2009/10/282010/10/27北京美泰科仪有限公司数显式推拉力计SH-100FM/C0102海安县计量检定测试所1年2009/3/102010/3/10温州山度仪器有限公司手持式粗糙度仪TR200LF/C0201南通市计量检定测试所1年2010/4/222011/4/21检定扭力起子RTD120CN FM/C0301南通市计量检定测试所2年2009/10/282010/10/27株式会社东日制作所仪器名称型号规格仪器编号检定单位检定周期最近检定时间计划检定时间备注仪器设备检定、校准计划表检测室:机械电器室数字式负荷测试装置FH-250FM/C0601江苏省计量测试技术研究院1年2009/11/212010/11/20耐压试验仪DF2670A EV/C0101海安县计量检定测试所1年2009/10/202010/10/19耐压试验仪YD2673EV/C0102海安县计量检定测试所1年2009/12/192010/12/18高压试验设备YDGT2-3/5EV/C0102海安县计量检定测试所1年2009/5/192010/5/18泄漏电流测试仪XLD-5A EI/C0101南通市计量检定测试所1年2010/4/26校准接地电阻测试仪PC39A ER/C0101海安县计量检定测试所1年2009/10/202010/10/19接地电阻测试仪YD2668-4B ER/C0102海安县计量检定测试所1年2009/12/192010/12/18绝缘电阻测量仪CJ2679B ER/C0201南通市计量检定测试所1年2009/10/282010/10/27直流电阻电桥QJ23a 型ER/C0401南通市计量检定测试所1年2009/10/282010/10/27直流电阻电桥QJ57ER/C0402南通市计量检定测试所1年2009/10/282010/10/27电流表D26-mA EI/C0201海安县计量检定测试所1年2009/5/202010/5/19上海第二电表厂电流表D26 -15EI/C0202海安县计量检定测试所1年2009/5/202010/5/19上海第二电表厂电流表D26 0-10A EI/C0203海安县计量检定测试所1年2009/5/202010/5/19上海第二电表厂电压表D26 0-600V EV/C0201海安县计量检定测试所1年2009/5/192010/5/18上海第二电表厂电压表D26-V EV/C0202海安县计量检定测试所1年2009/5/192010/5/18上海第二电表厂电压表T19 0-300V EV/C0203海安县计量检定测试所1年2009/5/192010/5/18上海第二电表厂电压表(开关插座测试仪)42L6-V CMS01海安县计量检定测试所2009/10/262010/10/25电流表(开关插座测试仪)42L6CMS01海安县计量检定测试所2009/10/262010/10/25仪器名称型号规格仪器编号检定单位检定周期最近检定时间计划检定时间备注仪器设备检定、校准计划表检测室:机械电器室电压表(漏电起痕试验仪)DHC8P EV/C0301海安县计量检定测试所2009/10/262010/10/25电流表(漏电起痕试验仪)HY-48EV/C0301海安县计量检定测试所2009/10/262010/10/25频率表D 3HZ-1HF/C0101南通市计量检定测试所1年2009/10/282010/10/27功率表D26-W EP/C0101南通市计量检定测试所1年2009/10/282010/10/27数字存储示波器UT2042C HF/C0201南通市计量检定测试所1年2009/10/282010/10/27校准电流互感器HL23-1EI/C0301靖江市计量所2年2008/6/172010/6/16转速表DT-6236C FN/C0101南通市计量检定测试所2009/6/192010/6/18转矩转速功率测量仪TR-1FN 、EP/C0101南通市计量检定测试所2年2009/6/202010/6/20兆欧表ZC25-3ER/C0501海安县计量检定测试所1年2009/5/182010/5/17上海第六电表厂兆欧表1010ER/C0502海安县计量检定测试所1年2009/5/182010/5/17上海绝缘测定器厂兆欧表ZC11D-10ER/C0503海安县计量检定测试所1年2009/5/182010/5/17上海精密科学仪器有限公司电子秒表JD-3A HT/C0101南通市计量检定测试所1年2010/5/172011/5/16制动时间测定仪PST-A HT/C0201江苏省计量测试技术研究院1年2009/11/302010/11/29声级计HS5660A SN/C0101江苏省计量测试技术研究院1年2010/1/52011/1/4检定总辐射表TBQ-2-B TF/C0101国家气象局计量站2年2009/9/152011/9/14风速仪FYF-1FS/C0101上海气象局计量站1年2009/9/222010/9/21半导体点温计68型-ATT/C0101海安县计量检定测试所1年2009/9/12010/9/1上海精华仪表厂仪器名称型号规格仪器编号检定单位检定周期最近检定时间计划检定时间备注仪器设备检定、校准计划表检测室:机械电器室温度巡回检测仪XMD-16(分度号T)TT/C0201海安县计量检定测试所1年2009/5/192010/5/18上海自动化仪表六厂灼热丝试验仪(温控仪)W4-0.5/sTT/C0301海安县计量检定测试所1年2009/5/192010/5/18广州电器科学研究所红外线测温仪TT/C0401江苏省计量测试技术研究院1年2009/11/302010/11/29温湿度计(4只)(0~50)℃TT 、TK/C0102~0105海安县计量检定测试所1年2009/10/262010/10/26河北武强滏阳仪表厂温湿度计(15只)(0~50)℃TT 、TK/C0106~0120海安县计量检定测试所1年2009/12/302010/12/30北京康威仪表有限公司水银温度计(调温调湿箱)(0~100)℃TKS/C0101海安县计量检定测试所2009/10/262010/10/26温控仪(电热恒温箱)(50~200)℃TTS/C0101海安县计量检定测试所2010/1/52011/1/4温控仪(恒温水浴搅拌器)(0~100)℃TTS/C0601海安县计量检定测试所2009/10/262010/10/25电参数综合测量仪7950A EZ/C0101南通市计量检定测试所1年2009/7/122010/7/12青岛艾诺智能仪器有限公司数字万用表DT-1000EZ/C0301南通市计量检定测试所1年2009/2/132010/2/12深圳市福克仪器有限公司老化试验箱(温控仪)401A TTS/C0301海安县计量检定测试所1年2009/5/192010/5/18上海锦屏仪器仪表公司通州分公司盐雾试验箱(压力表)202-2TTS/C0401海安县计量检定测试所1年2009/5/122010/5/11上海市实验仪器厂超声波探伤仪6100TS/C0101南通市计量检定测试所1年2009/10/282010/10/27测试弹簧冲击器TD-07CQD02海安县计量检定测试所2年2009/7/122010/7/12蓄电池性能测试仪YTD-6010CXDC01海安县计量检定测试所2年2007/7/102009/7/10仪器设备检定、校准计划表检测室:机械电器室仪器名称型号规格仪器编号检定单位检定周期最近检定时间计划检定时间备注蓄电池大电流测试仪YTD-3200CXDC02海安县计量检定测试所2年2007/7/102009/7/10智能电池检测仪GLT-988CDC01海安县计量检定测试所2年2007/7/102009/7/10。
The monotonous and dull air suffocated my young heart and wrapped my flying wings.悉心整理助您一臂(页
眉可删)
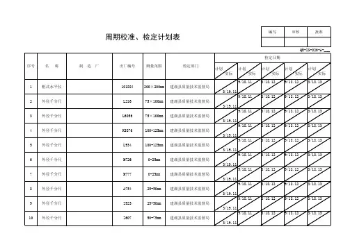
计量器具周期检定计划表
篇一:周期检定计量器具清单
A.10sh/T3543-g109“周期检定计量器具清单”施工人员使用的计量器具,应按国家检定规程规定的周期进行检定,具备有效的检定合格证,并填此表。
篇二:计量器具周检计划
计量器具周期检定计划表
篇三:计量器具周期检定计划表
津砼I-001(单位名称:序计量器具名称号1.2.3.4.5.6.7.8.9.10.11.12.填表人:数量检定单位年)计量器具周期检定计划表编号:备完成日期(数量)4月5月6月7月8月9月10月11月12月注周期检定日程安排检定周期计划日期(数量)1月2月3月负责人:年月日填表说明:1.“周期检定日程安排“中,斜线左下方在对应的月份中填计划检定的仪器数量,斜线右上方在对应的月份中填实际检定的仪器数量。
2.此表每年年初制定。
1。
1.目的对计量器具配置需求进行识别和配置、校准、标识以及维护等进行控制,确保监视和测量结果的有效性,为产品符合确定的要求提供依据。
2.适用范围适用于产品实现、生产和服务的提供过程使用的计量器具。
3.职责3.1技术根据产品实现过程的需要,确定需配置计量器具的要求。
3.2设备负责计量器具的采购、立帐、委外检定等归口管理。
3.3质管负责计量器具的有效性评价,并在失效时,对检验结果的有效性进行评定。
3.4使用部门负责计量器具的日常维护。
4.工作流程4.1计量器具的购置4.1.1通用的、检验(检测)专用的计量器具由设备统一选型,报副总审核、总经理批准;其它使用部门按要求需购置监视和测量装置的,报主管副总审核,总经理批准后,交设备部门。
4.1.2计量器具到货后,应先行检定,检定合格后入库,记入《计量器具一览表》。
4.1.3使用部门到设备办理领用登记。
4.2 计量器具的分类4. 2.1计量器具按用途进行分类。
4.3 计量器具的使用、维护和保养4.3.1需要使用计量器具的部门向设备办理借用手续,不用时应尽早归还。
4.3.2计量器具在使用前必须进行试验性校准。
4.3.3计量器具使用时必须注意其精度、量程,使用环境,不得过量程使用。
4.3.4计量器具应做到定人或定点使用,严禁自行拆卸、违反操作规程及作它用。
4.3.5计量器具应合理放置,妥善保管。
4.3.6当发现计量装置超出检定有效期或失准时,应及时通知设备部门及质管部门,设备部门负责收回维修和检定,质管部门负责对已检产品结果的有效性4.4 进行评定。
4.4.1计量器具的检定4.4.2设备部门选择有检定资质的检定机构对公司的计量器具进行检定或校准。
4.4.3设备部门每年12月底前制定《计量器具检定周期表》。
4.4.4计量器具的检定应严格按照国家有关规定进行。
4.4.5计量器具的检定应按检定周期表执行。
检定后的计量器具应有明显的标签或标志,标签或标志上应注明检定日期4.4.6和使用期限。