年度检测设备周期检定计划表
- 格式:doc
- 大小:43.50 KB
- 文档页数:1
仪器设备检定、校准计划表检测室:机械电器室仪器名称型号规格仪器编号检定单位检定周期最近检定时间计划检定时间备注电子数显卡尺(0~150)mm LG/C0201海安县计量检定测试所1年2009/5/62010/5/5上海电子数显卡尺(0~150)mm LG/C0202海安县计量检定测试所1年2009/5/62010/5/5电子数显卡尺(0~150)mm LG/C0203海安县计量检定测试所1年2009/5/62010/5/5游标卡尺500mm LG/C0205海安县计量检定测试所1年2009/5/62010/5/5带表卡尺0-300LG/C0204海安县计量检定测试所1年2009/5/62010/5/5上海深度游标卡尺0-200LG/C0206海安县计量检定测试所1年2009/5/102010/5/9宽座角尺500×315LA/C0102南通市计量检定测试所1年2010/4/252011/4/24检定宽座角尺200×125LA/C0101南通市计量检定测试所1年2010/4/252011/4/24检定万能角度尺(0~320)°LA/C0201南通市计量检定测试所1年2010/4/252011/4/24检定塞尺100B LG/C0501南通市计量检定测试所1年2010/4/232011-4.22检定框式水平仪200×200LT/C0101南通市计量检定测试所1年2009/10/282010/10/27校准框式水平仪200×200LT/C0102南通市计量检定测试所1年2009/10/282010/10/27校准光学合象水平仪0.01mm/m LT/C0201南通市计量检定测试所1年2010/4/232011/4/22检定百分表0-10LG/C0101海安县计量检定测试所1年2009/5/102010/5/9上海自动化仪表九厂百分表0-5LG/C0102海安县计量检定测试所1年2009/5/102010/5/9上海自动化仪表九厂内径百分表(10-18)mm LG/C0103海安县计量检定测试所1年2009/5/62010/5/5内径百分表(18-35)mm LG/C0104海安县计量检定测试所1年2009/5/62010/5/5内径百分表(35-50)mm LG/C0105海安县计量检定测试所1年2009/5/62010/5/5仪器设备检定、校准计划表检测室:机械电器室仪器名称型号规格仪器编号检定单位检定周期最近检定时间计划检定时间备注内径百分表(50-160)mm LG/C0106海安县计量检定测试所1年2009/5/62010/5/5千分表0-1/0.001mm LG/C0901海安县计量检定测试所1年2008/5/52009/5/4外径千分尺0-25LG/C0301海安县计量检定测试所1年2009/5/102010/5/9上海自动化仪表九厂外径千分尺25-50LG/C0302海安县计量检定测试所1年2009/5/102010/5/9上海自动化仪表九厂内径千分尺(50~600)mm LG/C0303海安县计量检定测试所1年2009/5/102010/5/9成都微米千分尺0-25/0.001mm LG/C0801南通市计量检定测试所1年2010/4/252011/4/24检定平尺500mm LP/C0102南通市计量检定测试所1年2009/10/282010/10/27校准平尺1000mm LP/C0103南通市计量检定测试所1年2009/10/282010/10/27校准平板300×300mm LP/C0201南通市计量检定测试所1年2010/4/262011/4/25检定光学影像量测仪VME400T LG/C0401南通市计量检定测试所1年2010/1/42011/1/3上海测厚仪LG/C0701南通市计量检定测试所1年2009/11/42010/11/3布洛维氏硬度计HBRV-187.5FH/C0101海安县计量检定测试所2年2009/5/222010/5/21山东莱州市试验机总厂锤击式布氏硬度计HBC FH/C0201海安县计量检定测试所2年2009/5/52010/5/4山东莱州市试验机总厂里氏硬度计HL2000FH/C0301南通市计量检定测试所1年2009/10/282010/10/27北京美泰科仪有限公司数显式推拉力计SH-100FM/C0102海安县计量检定测试所1年2009/3/102010/3/10温州山度仪器有限公司手持式粗糙度仪TR200LF/C0201南通市计量检定测试所1年2010/4/222011/4/21检定扭力起子RTD120CN FM/C0301南通市计量检定测试所2年2009/10/282010/10/27株式会社东日制作所仪器名称型号规格仪器编号检定单位检定周期最近检定时间计划检定时间备注仪器设备检定、校准计划表检测室:机械电器室数字式负荷测试装置FH-250FM/C0601江苏省计量测试技术研究院1年2009/11/212010/11/20耐压试验仪DF2670A EV/C0101海安县计量检定测试所1年2009/10/202010/10/19耐压试验仪YD2673EV/C0102海安县计量检定测试所1年2009/12/192010/12/18高压试验设备YDGT2-3/5EV/C0102海安县计量检定测试所1年2009/5/192010/5/18泄漏电流测试仪XLD-5A EI/C0101南通市计量检定测试所1年2010/4/26校准接地电阻测试仪PC39A ER/C0101海安县计量检定测试所1年2009/10/202010/10/19接地电阻测试仪YD2668-4B ER/C0102海安县计量检定测试所1年2009/12/192010/12/18绝缘电阻测量仪CJ2679B ER/C0201南通市计量检定测试所1年2009/10/282010/10/27直流电阻电桥QJ23a 型ER/C0401南通市计量检定测试所1年2009/10/282010/10/27直流电阻电桥QJ57ER/C0402南通市计量检定测试所1年2009/10/282010/10/27电流表D26-mA EI/C0201海安县计量检定测试所1年2009/5/202010/5/19上海第二电表厂电流表D26 -15EI/C0202海安县计量检定测试所1年2009/5/202010/5/19上海第二电表厂电流表D26 0-10A EI/C0203海安县计量检定测试所1年2009/5/202010/5/19上海第二电表厂电压表D26 0-600V EV/C0201海安县计量检定测试所1年2009/5/192010/5/18上海第二电表厂电压表D26-V EV/C0202海安县计量检定测试所1年2009/5/192010/5/18上海第二电表厂电压表T19 0-300V EV/C0203海安县计量检定测试所1年2009/5/192010/5/18上海第二电表厂电压表(开关插座测试仪)42L6-V CMS01海安县计量检定测试所2009/10/262010/10/25电流表(开关插座测试仪)42L6CMS01海安县计量检定测试所2009/10/262010/10/25仪器名称型号规格仪器编号检定单位检定周期最近检定时间计划检定时间备注仪器设备检定、校准计划表检测室:机械电器室电压表(漏电起痕试验仪)DHC8P EV/C0301海安县计量检定测试所2009/10/262010/10/25电流表(漏电起痕试验仪)HY-48EV/C0301海安县计量检定测试所2009/10/262010/10/25频率表D 3HZ-1HF/C0101南通市计量检定测试所1年2009/10/282010/10/27功率表D26-W EP/C0101南通市计量检定测试所1年2009/10/282010/10/27数字存储示波器UT2042C HF/C0201南通市计量检定测试所1年2009/10/282010/10/27校准电流互感器HL23-1EI/C0301靖江市计量所2年2008/6/172010/6/16转速表DT-6236C FN/C0101南通市计量检定测试所2009/6/192010/6/18转矩转速功率测量仪TR-1FN 、EP/C0101南通市计量检定测试所2年2009/6/202010/6/20兆欧表ZC25-3ER/C0501海安县计量检定测试所1年2009/5/182010/5/17上海第六电表厂兆欧表1010ER/C0502海安县计量检定测试所1年2009/5/182010/5/17上海绝缘测定器厂兆欧表ZC11D-10ER/C0503海安县计量检定测试所1年2009/5/182010/5/17上海精密科学仪器有限公司电子秒表JD-3A HT/C0101南通市计量检定测试所1年2010/5/172011/5/16制动时间测定仪PST-A HT/C0201江苏省计量测试技术研究院1年2009/11/302010/11/29声级计HS5660A SN/C0101江苏省计量测试技术研究院1年2010/1/52011/1/4检定总辐射表TBQ-2-B TF/C0101国家气象局计量站2年2009/9/152011/9/14风速仪FYF-1FS/C0101上海气象局计量站1年2009/9/222010/9/21半导体点温计68型-ATT/C0101海安县计量检定测试所1年2009/9/12010/9/1上海精华仪表厂仪器名称型号规格仪器编号检定单位检定周期最近检定时间计划检定时间备注仪器设备检定、校准计划表检测室:机械电器室温度巡回检测仪XMD-16(分度号T)TT/C0201海安县计量检定测试所1年2009/5/192010/5/18上海自动化仪表六厂灼热丝试验仪(温控仪)W4-0.5/sTT/C0301海安县计量检定测试所1年2009/5/192010/5/18广州电器科学研究所红外线测温仪TT/C0401江苏省计量测试技术研究院1年2009/11/302010/11/29温湿度计(4只)(0~50)℃TT 、TK/C0102~0105海安县计量检定测试所1年2009/10/262010/10/26河北武强滏阳仪表厂温湿度计(15只)(0~50)℃TT 、TK/C0106~0120海安县计量检定测试所1年2009/12/302010/12/30北京康威仪表有限公司水银温度计(调温调湿箱)(0~100)℃TKS/C0101海安县计量检定测试所2009/10/262010/10/26温控仪(电热恒温箱)(50~200)℃TTS/C0101海安县计量检定测试所2010/1/52011/1/4温控仪(恒温水浴搅拌器)(0~100)℃TTS/C0601海安县计量检定测试所2009/10/262010/10/25电参数综合测量仪7950A EZ/C0101南通市计量检定测试所1年2009/7/122010/7/12青岛艾诺智能仪器有限公司数字万用表DT-1000EZ/C0301南通市计量检定测试所1年2009/2/132010/2/12深圳市福克仪器有限公司老化试验箱(温控仪)401A TTS/C0301海安县计量检定测试所1年2009/5/192010/5/18上海锦屏仪器仪表公司通州分公司盐雾试验箱(压力表)202-2TTS/C0401海安县计量检定测试所1年2009/5/122010/5/11上海市实验仪器厂超声波探伤仪6100TS/C0101南通市计量检定测试所1年2009/10/282010/10/27测试弹簧冲击器TD-07CQD02海安县计量检定测试所2年2009/7/122010/7/12蓄电池性能测试仪YTD-6010CXDC01海安县计量检定测试所2年2007/7/102009/7/10仪器设备检定、校准计划表检测室:机械电器室仪器名称型号规格仪器编号检定单位检定周期最近检定时间计划检定时间备注蓄电池大电流测试仪YTD-3200CXDC02海安县计量检定测试所2年2007/7/102009/7/10智能电池检测仪GLT-988CDC01海安县计量检定测试所2年2007/7/102009/7/10。
仪器设备检定/校准总体计划***中心实验室起草人:批准人:日期:日期:一、原子荧光光度计1 基本信息1.1 仪器设备名称:原子荧光光度计1.2 型号:AFS-98001.3 生产厂商:北京海光1.4 出厂编号:98001260131.5 仪器编号:SHY/E-10041.6 所处位置:检测一室2 应用:测定砷 As、汞 Hg、铅 Pb、镉 Cd 等元素含量3 量值溯源3.1 方式:外校(自校、比对等)3.2 周期:一年(2012.5.15~2013.5.14)3.3 机构:南通市计量所4 确认:合格(符合检测要求)5 期间核查5.1 方法:与标准物质比对5.2 周期:半年(2012.5.15~2012.11.11)6 使用6.1 条件:-10~40℃6.2 授权:***、***7 维护7.1 项目:通电去湿、除尘等7.2 周期:三个月8 计量方式:校准9 量值溯源图二、原子吸收分光光度计1 基本信息1.1 仪器设备名称:原子吸收分光光度计1.2 型号:M61.3 生产厂商:Thermo1.4 出厂编号:N/A1.5 仪器编号:SHY/E-10051.6 所处位置:检测一室2 应用:用于金属元素及部分非金属元素的测定3 量值溯源3.1 方式:外校(自校、比对等)3.2 周期:一年(2012.5.15~2013.5.14)3.3 机构:南通市计量所4 确认:合格(符合检测要求)5 期间核查5.1 方法:与标准物质比对5.2 周期:半年(2012.5.15~2012.11.14)6 使用6.1 条件:-10~40℃6.2 授权:***、***7 维护7.1 项目:通电去湿、除尘等7.2 周期:三个月8 计量方式:校准9 量值溯源图三、电热恒温鼓风干燥箱1 基本信息1.1 仪器设备名称:电热恒温鼓风干燥箱1.2 型号:101-3型1.3 生产厂商:上海实验仪器总厂1.4 出厂编号:01161.5 仪器编号:SHY/E-20261.6 所处位置:检测二室2 应用:对样品烘培、干燥、固化、热处理及其它方便的加热3 量值溯源3.1 方式:外校(自校、比对等)3.2 周期:一年(2012.5.15~2013.5.14)3.3 机构:南通市计量所4 确认:合格(符合检测要求)5 期间核查5.1 方法:与标准温度计比对5.2 周期:半年(2012.5.15~2012.11.14)6 使用6.1 条件:-10~40℃6.2 授权:***7 维护7.1 项目:保障工作电压、清洁箱体内外等7.2 周期:三个月8 计量方式:校准9 量值溯源图四、紫外可见分光光度计1 基本信息1.1 仪器设备名称:紫外可见分光光度计1.2 型号:UV-24501.3 生产厂商:Shimadzu1.4 出厂编号:206-24301-931.5 仪器编号:SHY/E-10081.6 所处位置:检测一室2 应用:对样品吸光度值和浓度进行测定3 量值溯源3.1 方式:量值传递3.2 周期:一年(2012.5.15~2013.5.14)3.3 机构:南通市计量所4 确认:合格(符合检测要求)5 期间核查5.1 方法:与标准滤光片比对5.2 周期:半年(2012.5.15~2012.11.14)6 使用6.1 条件:-10~40℃6.2 授权:***、***7 维护7.1 项目:通电除湿、除尘等7.2 周期:三个月8 计量方式:检定9 量值传递图五、荧光分光光度计1 基本信息1.1 仪器设备名称:荧光分光光度计1.2 型号:RF-5301PC1.3 生产厂商:Shimadzu1.4 出厂编号:A40194502204SA1.5 仪器编号:SHY/E-10091.6 所处位置:检测一室2 应用:用于荧光、磷光和生物/化学发光的检测和测量3 量值溯源3.1 方式:外校(自校、比对等)3.2 周期:一年(2012.5.15~2013.5.14)3.3 机构:南通市计量所4 确认:合格(符合检测要求)5 期间核查5.1 方法:与标准物质比对5.2 周期:半年(2012.5.15~2012.11.14)6 使用6.1 条件:-10~40℃6.2 授权:***、***7 维护7.1 项目:通电除湿、除尘等7.2 周期:三个月8 计量方式:校准9 量值溯源图六、紫外可见分光光度计1 基本信息1.1 仪器设备名称:紫外可见分光光度计1.2 型号:UV-2102C1.3 生产厂商:Unico1.4 出厂编号:QR10091006221.5 仪器编号:SHY/E-10111.6 所处位置:检测一室2 应用:对样品吸光度值和浓度进行测定3 量值溯源3.1 方式:量值传递3.2 周期:一年(2012.5.15~2013.5.14)3.3 机构:南通市计量所4 确认:合格(符合检测要求)5 期间核查5.1 方法:与标准滤光片比对5.2 周期:半年(2012.5.15~2012.11.14)6 使用6.1 条件:-10~40℃6.2 授权:***7 维护7.1 项目:通电除湿,除尘等。
检定:查明和确认计量器具是否符合法定要求的活动,它包括检查、加标记和(或)出具检定证书;属计量管理范畴的执法行为。
校准:在规定的条件下,为确定测量仪器(或测量系统)所示的量值,或实物量具(或参考物质)所代表的量值,与对应的由测量标准所复现的值之间的一组操作;校准不具法制性,是企业自愿溯源行为。
自校准:对于未列入强制检定目录的检测仪器设备,可以检定也可以校准,校准溯源可由有授权或认证的检定或校准技术机构进行,也可由检验机构自行开展自校准。
期间核查:期间核查的确定原则:单纯靠周期检定/校准尚不能对仪器设备的量值准确性保持信心的,应进行期间核查。
一般包括以下几种情况:稳定性较差,易于发生数据漂移的仪器设备;经常移动使用,同时对环境条件较为敏感的;使用较频繁的。
每年年初需要根据仪器设备的情况和特点,拟定下一年度仪器设备的期间核查计划,核查计划应包括:核查的仪器设备、核查项目、核查方法及核查周期等信息。
其中,还要编制各种仪器设备的核查方法。
注1:开展“期间核查”的方法是多样的,基本以等精度核查的方式进行,如仪器设备间的比对、方法比对、标准物质验收、自校准等。
凡列入《中华人民共和国强制检定的工作计量器具明细目录》(原国家计量局[1987]量局法字第188号,后国家质检总局先后三次颁布国家强制检定目录[1991]374号、[1999]15号、[2001]162号共计相数61相、种数118种),并直接用于贸易结算、安全防护、医疗卫生、环境监测的属于《计量法》规定的的检测仪器设备必须严格依法定点、定期送有资格的法定计量检定机构(国家、省、市各级计量院/所)进行强制检定,并要有检定证书,例如天平、压力表、分光光度计.承担国家法定计量检定机构必须按照《计量标准考核规范(JJF1033)》或者《法定计量检定机构考核规范(JJF1069)》进行考核与授权。
检验机构自行开展自校准时,应按照国家现有的检定规程或校准方法(如JJG403-1986《超声波测厚仪检定规程》、JJG746-1986《超声波探伤仪检定规程》、JJG40-2001《X射线探伤机检定规程》或者JJF1126-2004《超声波测厚仪校准方法》)制定“自校准方法”, “自校准方法”的制定应参考《国家计量检定规程编写规则》JJF1002-1998,并能提供试验、比对验证技术报告,证明“自校准方法”的正确、可靠和可行,同时自校准采用的工作标准或工作基准应能溯源到国际标准或国家基准。
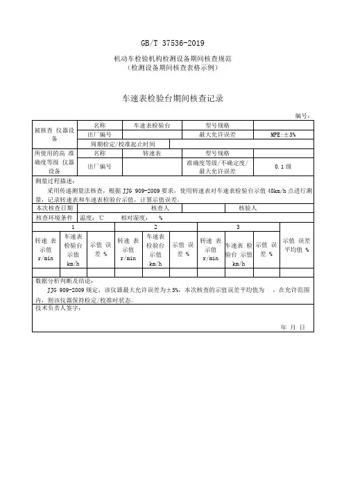
GB/T 37536-2019机动车检验机构检测设备期间核查规范(检测设备期间核查表格示例)车速表检验台期间核查记录编号:采用传递测量法核查,根据JJG 906-2015要求,使用砝码(或测力仪)对滚筒反力式制动检验台进行示值误差测量,记录核查点左(右)制动示值误差。
JJG 906-2015规定,该仪器最大允许误差为±3%,本次核查的示值误差平均值为。
在允许范围内,则该仪器保持检定/校准时状态。
技术负责人签字:编号:编号:编号:底盘测功机期间核查记录采用传递测量法核查,根据JJF 1221-2009要求,使用砝码对扭力进行示值误差测量、使用转速表对速度示值误差进行测量,分别记录扭力核查点示值误差和速度核查点误差。
数据分析判断及结论:JJF 1221-2009规定,该仪器扭力最大允许误差为±1.0%,速度最大允许误差为±0.5%。
本次核查的扭力示值误差为,速度示值误差为。
在允许范围内,则该仪器保持检定/校准时状态。
技术负责人签字:汽车排放气体测试仪期间核查记录采用标准物质法核查,根据JJG 688-2017要求,使用标准气体对测试仪进行示值误差测量,分别记录测试仪各组分气体核查点示值误差。
数据分析判断及结论:JJG 688-2017规定,该仪器HC、CO、CO2最大允许误差为±3%,NO最大允许误差为±4%,O2最大允许误差为±5%。
本次核查的示值误差为。
在允许范围内,则该仪器保持检定/校准时状态。
技术负责人签字:透射式烟度计期间核查记录采用标准物质法核查,根据JJG 976-2010要求,吸收比示值误差不大于±2.0%,使用标准滤光片对烟度误差。
计进行示值误差测量,记录核查点示值JJG 976-2010规定,该仪器最大允许误差为±2.0%。
本次核查的示值误差为。
在允许范围内,则该仪器保持检定/校准时状态。
技术负责人签字:采用多台套比对法核查。
检验检测机构计划目录年度质量监督计划表日期:日期:编制(监督员):批准(质量负责人):编号:JLWJ2020-NS-1评审日期2020年5月11日 时间 08:30-17:00 地点 综合办公室审核目的:对公司进行内部审核,以验证质量管理管理体系运行的符合性、有效性和 适应性,查找质量管理体系运行中的不符合项,提出整改意见,制定纠正措施, 是管理层改进和完善管理体系的有效手段,为管理评审和外部审核作准备。
审核依据:1 .质量体系文件(包括质量手册、程序文件、作业指导书、记录表格等);2 .国家或行业的有关法律、法规或标准;3 . RB/T 214-2017《检验检测机构资质认定能力评价检验检测机构通用要求》 审核人员:审核组长:XXX 组员:XXX 、XX 、XXX 、XXX 受审核部门和涉及的要求、内容:此次内部审核涉及本公司所覆盖的全部质量管理体系要素,各部门和全部 工作人员要做到全力配合。
审核过程中,涉及到相关问题的部门和个人,要在 现场做积极有效的配合工作。
审核日程安排:1.2020年4月10日制定内审计划,并上报给总经理审核批准。
2.2020年4月20日由质量负责人委任内审组成员。
3.2020年4月20日综合部主任通知各部门开展内部审核,并要求各部门做好准备。
日8:30进行初次会议。
日9:00进行评审。
日16:00出具不符合报告。
日16:20进行末次会议。
日16:50发布内审报告审核报告的分发范围: 此次内审工作报告的分发范围为:公司所有部门审核方法:按要素审核,依据内审查验表分组对资料、现场检验检测进行审核,采用 方法问、查、看、考等方式. 审核项目:RB/T 214-2017《检验检测机构资质认定能力评价 检验检测机构通用要求》覆盖的所有要素。
总经理批示: 4. 2020 年 5月5. 2020 年 5月6. 2020 年 5月11 111编号:JLWJ2020-NS-2同意实施批准人:XXX 日期:2020年4月11日编号:JLWJ2020-NS-3内审实施计划管理评审年度计划编号:JLWJ2020-GP-01评审日期2020年9月15日时间09:00-12:00 地点公司会议室评审目的:对公司的质量体系的适宜性、充分性、有效性进行评审,确保质量体系满足实验室资质认定评审准则的要求,使实验室的管理体系不断完善与改进。
品检年度工作计划表一、工作背景和目标品质检验是企业保证产品质量的重要环节之一,对于确保产品符合国家标准、满足客户要求具有重要意义。
本年度品质检验部门的工作目标是持续提高产品质量,确保产品质量稳定,并制定有效的质量管理措施,为企业的可持续发展提供坚实保障。
二、工作范围和内容在本年度的品质检验工作中,将涉及以下几个方面:1.产品抽检:根据产品性质和市场需求,制定具体的产品抽检计划,确保产品质量符合国家标准和客户要求。
2.工艺检验:对生产过程中的各道工艺进行抽检,确保工艺流程的合理性和稳定性。
3.原材料检验:对原材料进行抽检,确保原材料的质量符合产品制造的要求。
4.产品功能性测试:通过对产品功能的测试,评估产品的性能是否符合设计要求。
5.产品可靠性测试:通过对产品的可靠性测试,评估产品在使用寿命内的可靠性以及耐久性。
6.不良品分析与改进:对抽检出的不良品进行分析,找出不良品的原因,并制定改进措施,以防止类似问题再次发生。
三、工作计划及任务分解具体工作计划及任务分解如下:1.制定产品抽检计划:- 分析市场需求和产品特点,确定产品抽检计划。
- 完成产品抽检的具体方案和流程,明确测试指标和测试方法。
- 制定抽检频率和抽检数量,并安排抽检工作。
- 及时编写抽检报告,汇总抽检数据,统计合格率和不合格率,及时向上级汇报。
2.开展工艺检验:- 分析工艺流程,确定抽检环节。
- 制定工艺检验的具体方案和抽检计划。
- 完成工艺抽检工作,并编写检验报告。
- 对不合格的工艺进行改进,提高工艺流程的可靠性和稳定性。
3.进行原材料检验:- 分析原材料的特点和关键指标,制定检验方案。
- 配合采购部门,对原材料进行抽检,确保原材料质量符合产品制造要求。
- 将检验结果及时反馈给供应商,对不合格的原材料进行处理和整改。
4.开展产品功能性测试:- 分析产品的功能要求和测试指标,制定测试方案和计划。
- 使用适当的测试方法和设备,对产品的功能进行测试。
(2~500)g,台750712.55%一年(1~20)kg(100~500)g,台630598.55%一年(1~200)kgL-4-216电子天平.(100~500)g,台450427.55%一年(1~20)kg(100~200)kg台110010455%一年>1000kg台170016155%一年≤15kg 台28049300%≤60kg 台28097600%≤100kg 台3901691200%≤200kg 台3902181500%≤500kg 台3902902000%≤1t 台3903503100%1t~3t(含3t)台9508007300%3t~5t(含5t)台1500140013000%10t 台1900161515000%20t 台3500297528000%30t 台4500382536000%50t台6000510048000%60t 台8000680064000%80t 台10000850080000%100t 台120001020095000%大于100t 时每增加10t 加1500元≤15kg 台13049300%≤60kg 台13097600%≤100kg 台2601691200%≤200kg 台2602181500%≤500kg 台2602402000%≤1t 台2602402000%1t~3t(含3t)台4804003500%非自动秤L-11-223大于5t时每增加3t~10t(含5t)台9508007000%5t加200元活塞式压力度式流量计(油)量流量计(油)量测量节流装置试验机L-228-440水泥安定性试验用雷式夹台20018010%长度一年L-229-441混凝土回弹仪±0.100J2.207J台97075022.68一年L-230-442汽车四轮定位仪台145014500.00一年L-231-443汽车动平衡机装置±1g±1°台850830 2.35一年L-232-444汽车发动机曲轴箱窜气量测试仪台5004755.00一年L-233-445汽车转向盘转向力、转向角台800760 5.00一年L-234-446汽车制动踏板力计台8008000.00一年L-235-447汽车发动机检测仪台100010000.00一年L-236-448微机制动性能测试仪台8008000.00一年L-237-449手制动拉力计台600570 5.00一年L-238-450电磁波探伤仪台100080020.00一年L-239-451电器万能试验台台1600120025.00一年条码秤 级≤60kg 台28097605016.60%质量一年≤15kg 台28049302516.60%质量一年>15kg 台28097604525%质量一年案秤 级≤10kg 台28049302033.30%质量一年≤100kg 台2801691201200%质量一年≤200kg 台2802181501500%质量一年≤500kg台3902902002000%质量一年500kg~1t(含1t)台390350310300 3.20%质量一年1t~3t(含3t)台9508007307004.10%质量一年电子计价秤 级案秤,台秤级3t~5t(含5t)台15001400130012007.70%质量一年10t台190016151500130013.30%质量一年20t台350029752800240014.30%质量一年30t台450038253600300016.60%质量一年50t台600051004800350027.10%质量一年60t台800068006400400037.50%质量一年80t台1000085008000500037.50%质量一年100t台12000102009500600036.80%大于100t 时每增加10t 加500元一年≤60kg台1301207.60%质量一年60kg~1t(含1t)台26024020018010%质量一年1t~3t(含3t)台48040035030014.30%质量一年3t~5t(含5t)台9508007006507.10%大于5t 时每增加5t 加200元一年 级案秤,台秤级秤固定式衡器。
化工换热器年检计划表
摘要:
一、换热器年检计划表的重要性
二、年检计划表的内容
1.检查项目
2.检查周期
3.检查方法
4.检查结果处理
三、年检计划表的实施
1.制定检查计划
2.确保检查人员专业技能
3.配备检测设备和工具
4.遵循安全操作规程
5.总结反馈
四、年检计划表的维护与管理
1.存档检查结果
2.定期更新年检计划表
3.确保传达和理解
4.鼓励提出改进意见
正文:
化工换热器年检计划表对于确保设备安全运行、提高换热效率、降低维护
成本以及延长设备使用寿命具有重要意义。
年检计划表的内容包括检查项目、检查周期、检查方法和检查结果处理等方面。
在实施年检计划表时,需要制定详细的检查计划,确保检查人员具备专业技能,配备必要的检测设备和工具,并在检查过程中遵循安全操作规程。
检查完毕后,还需进行总结反馈。
此外,年检计划表的维护与管理也至关重要,如存档检查结果、定期更新年检计划表、确保传达和理解以及鼓励提出改进意见等。
2021年度仪器设备检定/校准方案表授权试验室名称:中铁工程局集团沪通铁路工程站前Ⅴ标工程部中心试验室2021年度仪器设备检定/校准方案表授权试验室名称:中铁工程局集团沪通铁路工程站前Ⅴ标工程部中心试验室2021年度仪器设备检定/校准方案表授权试验室名称:中铁工程局集团沪通铁路工程站前Ⅴ标工程部中心试验室2021年度仪器设备检定/校准方案表授权试验室名称:中铁工程局集团沪通铁路工程站前Ⅴ标工程部中心试验室2021年度仪器设备检定/校准方案表授权试验室名称:中铁工程局集团沪通铁路工程站前Ⅴ标工程部中心试验室2021年度仪器设备检定/校准方案表授权试验室名称:中铁工程局集团沪通铁路工程站前Ⅴ标工程部中心试验室2021年度仪器设备检定/校准方案表授权试验室名称:中铁工程局集团沪通铁路工程站前Ⅴ标工程部中心试验室2021年度仪器设备检定/校准方案表授权试验室名称:中铁工程局集团沪通铁路工程站前Ⅴ标工程部中心试验室2021年度仪器设备检定/校准方案表授权试验室名称:中铁工程局集团沪通铁路工程站前Ⅴ标工程部中心试验室2021年度仪器设备检定/校准方案表授权试验室名称:中铁工程局集团沪通铁路工程站前Ⅴ标工程部中心试验室2021年度仪器设备检定/校准方案表授权试验室名称:中铁工程局集团沪通铁路工程站前Ⅴ标工程部中心试验室2021年度仪器设备检定/校准方案表授权试验室名称:中铁工程局集团沪通铁路工程站前Ⅴ标工程部中心试验室2021年度仪器设备检定/校准方案表授权试验室名称:中铁工程局集团沪通铁路工程站前Ⅴ标工程部中心试验室2021年度仪器设备检定/校准方案表授权试验室名称:中铁工程局集团沪通铁路工程站前Ⅴ标工程部中心试验室2021年度仪器设备检定/校准方案表授权试验室名称:中铁工程局集团沪通铁路工程站前Ⅴ标工程部中心试验室2021年度仪器设备检定/校准方案表授权试验室名称:中铁工程局集团沪通铁路工程站前Ⅴ标工程部中心试验室2021年度仪器设备检定/校准方案表授权试验室名称:中铁工程局集团沪通铁路工程站前Ⅴ标工程部中心试验室2021年度仪器设备检定/校准方案表授权试验室名称:中铁工程局集团沪通铁路工程站前Ⅴ标工程部中心试验室制表:王宗发日期:2021/11/18复核:日期:2021/11/21填表要求:1、试验室所涉及的仪器设备〔包括自校和委外检定〕均需统计上报;2、填写容采用宋体、10号字体,日期格式统一为yyyy/mm/dd。
通风安全仪器、仪表计量检验制度为确保矿井安全生产,预防瓦斯,煤尘等“一通三防”事故的发生,根据《煤矿安全规程》的有关规定,煤矿通风安全仪器仪表必须定期检验、检定,特制定本制度。
一、矿井必须有足够数量的通风安全检测仪表,仪表必须由国家授权的安全仪表计量检验单位进行检验。
二、按照各类检测仪表的检定周期,严格执行强检标校制度。
三、安全监控设备必须定期进行调试、校正,每10天至少一次;甲烷传感器、便携式甲烷检测报警仪等载体催化元件的甲烷检测设备每10天必须使用标准气样调校一次;每10天必须对甲烷超限断电功能进行测试;以上设备、仪器仪表在投入使用前必须进行测试,不合格的严禁使用。
四、必须设专职人员负责便携式甲烷检测报警仪的充电、收发及维护。
五、矿井每年都必须制定通风安全检测仪器仪表强检标校计划,国家认可的合格计量单位检验的检验证书等资料必须永久保存。
六、各类仪器仪表的强制检定周期如下:1、光干涉测定器每1年检定一次;2、催化燃烧式甲烷测定器每1年检定一次;3、矿用风速表每半年检定一次;4、矿用粉尘采样器每半年检定一次;5、氧气检测报警仪每1年检定一次;6、甲烷氧气检测报警仪每1年检定一次;7、一氧化碳检测报警仪每1年检定一次;8、甲烷、一氧化碳检测报警仪每1年检定一次;9、甲烷传感器每1年测试一次;10、甲烷断电仪每1年测试一次。
七、新增加的仪器仪表要根据设备使用说明和《规程》规定定期强检标校。
八、矿井每年要将仪器仪表的检定列入通防安全技术措施工程项目,保证足量的检定费用。
九、通防部门要详细记录仪器仪表的自检和强检情况,并有记录可查。
雨滴穿石,不是靠蛮力,而是靠持之以恒。
——拉蒂默。
通风安全仪器、仪表计量检验制度
为确保矿井安全生产,预防瓦斯,煤尘等“一通三防"事故的发生,根据《煤矿安全规程》的有关规定,煤矿通风安全仪器仪表必须定期检验、检定,特制定本制度。
一、矿井必须有足够数量的通风安全检测仪表,仪表必须由国家授权的安全仪表计量检验单位进行检验.
二、按照各类检测仪表的检定周期,严格执行强检标校制度。
三、安全监控设备必须定期进行调试、校正,每10天至少一次;甲烷传感器、便携式甲烷检测报警仪等载体催化元件的甲烷检测设备每10天必须使用标准气样调校一次;每10天必须对甲烷超限断电功能进行测试;以上设备、仪器仪表在投入使用前必须进行测试,不合格的严禁使用。
四、必须设专职人员负责便携式甲烷检测报警仪的充电、收发及维护。
五、矿井每年都必须制定通风安全检测仪器仪表强检标校计划,国家认可的合格计量单位检验的检验证书等资料必须永久保存。
六、各类仪器仪表的强制检定周期如下:
1、光干涉测定器每1年检定一次;
2、催化燃烧式甲烷测定器每1年检定一次;
3、矿用风速表每半年检定一次;
4、矿用粉尘采样器每半年检定一次;
5、氧气检测报警仪每1年检定一次;
6、甲烷氧气检测报警仪每1年检定一次;
7、一氧化碳检测报警仪每1年检定一次;
8、甲烷、一氧化碳检测报警仪每1年检定一次;
9、甲烷传感器每1年测试一次;
10、甲烷断电仪每1年测试一次.
七、新增加的仪器仪表要根据设备使用说明和《规程》规定定期强检标校。
八、矿井每年要将仪器仪表的检定列入通防安全技术措施工程项目,保证足量的检定费用。
九、通防部门要详细记录仪器仪表的自检和强检情况,并有记录可查.。