圆柱螺旋弹簧的结构制造材料及许用应力
- 格式:docx
- 大小:155.92 KB
- 文档页数:6
12-2 圆柱拉、压螺旋弹簧的设计浏览字体设置:- 11pt + 10pt 12pt 14pt 16pt§12-2 圆柱拉、压螺旋弹簧的设计一、圆柱形拉、压螺旋弹簧的结构、几何尺寸和特性曲线1、弹簧的结构(1)压缩弹簧(图12-1)A、YI型:两端面圈并紧磨平B、YⅢ型:两端面圈并紧不磨平。
磨平部分不少于圆周长的3/4,端头厚度一般不少于d/8。
(a)YⅠ型(b)YⅡ型图12-1 压缩弹簧(2)拉伸弹簧(图12-2)A、L I型:半圆形钩B、LⅡ型:圆环钩C、LⅦ型:可调式挂钩,用于受力较大时图12-2 拉伸弹簧2、主要几何尺寸弹簧丝直径d、外径D、内径、中径、节距p、螺旋升角 、自由高度(压缩弹簧)或长度(拉伸弹簧),如图12-3。
此外还有有限圈数n,总圈数,几何尺寸计算公式见表12-1。
(a) (b)图12-3 圆柱形拉、压螺旋弹簧的参数弹簧指数C:弹簧中径D2和簧丝直径d的比值即:C=D2/d。
弹簧丝直径d相同时,C值小则弹簧中径D2也小,其刚度较大。
反之则刚度较小。
通常C值在4~16范围内,可按表12-2选取。
表12-2 圆柱螺旋弹簧常用弹簧指数C弹簧直径d/mm0.2~0.40.5~1 1.1~2.2 2.5~67~1618~42C7~145~125~104~104~84~63、特性曲线弹簧所受载荷与其变形之间的关系曲线称为弹簧的特性曲线。
(1)压缩弹簧其特性曲线如图12-4所示。
图中H0为弹簧未受载时的自由高度。
F min为最小工作载荷,它是使弹簧处于安装位置的初始载荷。
在F min的作用下,弹簧从自由高度H0被压缩到H1,相应的弹簧压缩变形量为λmin。
在弹簧的最大工作载荷F max作用下,弹簧的压缩变形量增至λmax。
图中F lim为弹簧的极限载荷,在其作用下,弹簧高度为H lim,变形量为λlim,弹簧丝应力达到了材料的弹性极限。
此外,图中的h=λmax-λmin,称为弹簧的工作行程。
圆柱螺旋拉伸弹簧的设计计算
一、定义
1、圆柱螺旋弹簧:圆柱螺旋弹簧由弯曲的螺旋条组成,可在垂直和
轴向两个轴上拉伸。
它可以提供可靠的形变响应,并具有很强的耐用性和
重复性。
2、设计计算:圆柱螺旋弹簧的设计计算主要是根据弹簧性能要求,
确定标准尺寸、曲率半径等参数,并且确定合适的材料,使弹簧工作正常。
二、材料选择
圆柱螺旋弹簧主要由碳钢和不锈钢制成,所以在选择材料时要注意材
料的弹性模量,刚度和耐腐蚀性的特点。
1、碳钢:碳钢具有良好的抗张性能,耐腐蚀性不强。
碳钢的弹性模
量比不锈钢低好多,所以轻微的弹簧最好采用碳钢。
2、不锈钢:不锈钢具有很高的弹性模量和较高的耐蚀性,因此适用
于强度较大的圆柱螺旋弹簧。
三、尺寸设计
1、外径:根据弹簧的外形和尺寸,圆柱螺旋弹簧的外径可以在固定
的范围内变化,一般为30mm-100mm。
2、螺距:一般采用固定螺距,使用相同的螺距可以达到更好的组装
精度,以减少工程成本。
3、曲率半径:曲率半径取决于弹簧的用途,一般的圆柱螺旋弹簧使
用的曲率半径为30mm-1000mm。
4、钢丝直径:根据弹簧的负载性能,确定材料和钢丝直径,以满足弹簧的负载要求。
圆柱形螺旋拉压弹簧剖面应力螺旋弹簧是一种常见的机械弹性元件,广泛应用于各种机械设备中。
在设计和使用螺旋弹簧时,了解其应力分布情况对于确保其安全可靠的工作至关重要。
本文将重点探讨圆柱形螺旋拉压弹簧剖面应力的相关知识。
螺旋弹簧是由一根钢丝或导线缠绕成圆柱形的弹簧。
它具有拉伸和压缩两种工作状态,因此在不同的剖面上会有不同的应力分布情况。
在拉伸状态下,弹簧的应力主要集中在截面的外侧,而在压缩状态下则主要集中在截面的内侧。
我们来看拉伸状态下圆柱形螺旋弹簧的剖面应力分布。
当外力作用于弹簧时,弹簧会发生拉伸变形。
由于弹簧的材料特性,拉伸力会导致弹簧截面内部产生剪应力和法向应力。
在弹簧的剖面上,应力最大值出现在截面的外侧,称为最大剖面应力。
接下来,我们转到压缩状态下的剖面应力分布。
当外力作用于弹簧时,弹簧会发生压缩变形。
与拉伸状态类似,压缩力会导致弹簧截面内部产生剪应力和法向应力。
与拉伸状态相比,压缩状态下的剖面应力分布略有不同。
在剖面的内侧,应力最大值出现在截面的中心位置,称为最大剖面应力。
除了最大剖面应力外,还有一个重要的参数是平均应力。
平均应力是指整个剖面上应力的平均值。
在拉伸和压缩状态下,平均应力的计算可以通过应力分布曲线下的面积除以剖面的面积来获得。
平均应力对于评估弹簧的强度和寿命具有重要意义。
了解螺旋弹簧剖面应力的分布情况对于设计和使用弹簧至关重要。
在实际工程中,我们需要根据应用场景和要求选择适当的材料和尺寸来确保弹簧的安全可靠。
此外,在制造和安装过程中,还需要注意弹簧的预紧力、表面处理和保护,以避免应力集中和应力腐蚀等问题。
圆柱形螺旋拉压弹簧的剖面应力分布对于弹簧的设计和使用至关重要。
通过了解应力分布的特点和参数,我们可以更好地评估弹簧的强度和寿命,确保其在工作过程中的安全可靠性。
在实际工程中,我们需要综合考虑各种因素,并进行合理的设计和选择,以满足具体的应用需求。
1. 弹簧刚度:
2. 力值: 其中:G 为材料剪切模量,一般不锈钢取71500Mpa,碳钢取
78500Mpa ;
d 为材料直径;
D 为弹簧中径;
n 为弹簧有效圈数;
f 为变形量(拉压行程)。
3. 应力: K 为曲度系数,公式为: 其中C 为弹簧旋绕比,是弹簧中径与线径的比值,即
4. 下表是GB/T23935-2009(圆柱螺旋弹簧设计计算)中压缩弹簧及拉伸弹簧的试验切应力及许用应力表
表2-1
n D d G 34
,
8P =f 8f 34,
⋅==n D Gd P P K PC K ⋅=⋅=2
3d 8d 8PD ππτC
C C K 615.04414+--=d D
C =
比压簧多了初拉力,加上初拉力就行。
初拉力: 其中初拉力τ0按初切应力图选取,见下图。
三.扭簧:
1.计算刚度 Dn
Ed M 3670'4= Nmm/° 2.扭矩 ϕ⋅=Dn
Ed M 36704
Nmm 式中:d---材料直径;
E---材料的弹性模量,一般不锈钢丝取188000Mpa ,碳素钢丝
取206000Mpa ;
D---弹簧外径;
ϕ---弹簧的扭转行程(角度);
4. 应力: K1为曲度系数,顺旋向扭转取1,逆旋向扭转时按下式:
308τπ⋅=D d P 132
.10K d
M ⋅=σ
下表是GB/T23935-2009(圆柱螺旋弹簧设计计算)中扭转弹簧的试验切应力及许用应力表
C
C C C K 4414221---=。
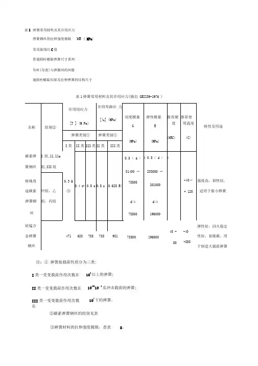
表1 弹簧常用材料及其许用应力表2 弹簧钢丝的拉伸强度极限σB(MPa)表3 常用旋绕比C值表4 普通圆柱螺旋弹簧尺寸系列表5 导杆(导套)与弹簧间的间隙表6 通圆柱螺旋压缩及拉伸弹簧的结构尺寸注:①弹簧按载荷性质分为三类:I类一受变载荷作用次数在106以上的弹簧;II类一受变载荷作用次数在103~105及冲击载荷的弹簧;III类一受变载荷作用次数在103下的弹簧。
②碳素弹簧钢丝的组别见表2。
③弹簧材料的拉伸强度极限,查表2。
注:表中σB均为下限值。
1.1~2.27~144~9表6 通圆柱螺旋压缩及拉伸弹簧的结构尺寸参数名称及代号计算公式备注压缩弹簧拉伸弹簧中径D2D2=Cd按表4取标准值内径D1D1=D2-d外径D D=D2+d旋绕比C C=D2/d压缩弹簧长细比b b=H0/D2b在1~5.3的范围内选取自由高度或长度H0H0≈pn+(1.5~2)d(两端并紧,磨平)H0≈pn+(3~3.5)d(两端并紧,不磨平)H0=nd+钩环轴向长度工作高度或长度H1,H2,…,H nHn=H0-λn H n=H0+λnλn--工作变形量有效圈数n根据所要求的变形量计算n≥2总圈数n1n1=n+(2~2.5)(冷卷)n1=n+(1.5~2) (YII型热卷)n1=n拉伸弹簧n1尾数为1/4,1/2,3/4整圈。
推荐用1/2圈节距p p=(0.28~0.5)D2p=d轴向间距δδ=p-d展开长度L L=πD2n1/cosαL≈πD2n+钩环展开长度螺旋角αα=arctg(p/πD2)对压缩螺旋弹簧,推荐α=5°~9°质量msms=γ为材料的密度,对各种钢,γ=7700kg/;对铍青铜,γ=8100kg/2)节距p;3)螺旋升角α:。
对圆柱螺旋压缩弹簧一般应在5°~9°范围内选取。
弹簧的旋向可以是右旋或左旋,无特殊要求时,一般都用右旋。
二、普通圆柱螺旋压缩及拉伸弹簧的结构尺寸参数名称及代号计算公式备注压缩弹簧拉伸弹簧中径D2D2=Cd按表4取标准值内径D1D1=D2-d外径D D=D2+d旋绕比C C=D2/d压缩弹簧长细比b b=H0/D2b在1~5.3的范围内选取自由高度或长度H0H0≈pn+(1.5~2)d(两端并紧,磨平)H0=nd+钩环轴向长度H0≈pn+(3~3.5)d(两端并紧,不磨平)工作高度或长度H1,H2,…,H nHn=H0-λn H n=H0+λnλn--工作变形量有效圈数n根据所要求的变形量计算n≥2总圈数n1n1=n+(2~2.5)(冷卷)n1=n+(1.5~2) (YII型热卷)n1=n拉伸弹簧n1尾数为1/4,1/2,3/4整圈。
15.3 圆柱螺旋压缩(拉伸)弹簧的设计计算(三) 圆柱螺旋压缩(拉伸)弹簧受载时的应力及变形圆柱螺旋弹簧受压或受拉时,弹簧丝的受力情况是完全一样的。
现就下图<圆柱螺旋压缩弹簧的受力及应力分析>所示的圆形截面弹簧丝的压缩弹簧承受轴向载荷P的情况进行分析。
由图<圆柱螺旋压缩弹簧的受力及应力分析a>(图中弹簧下部断去,末示出)可知,由于弹簧丝具有升角α,故在通过弹簧轴线的截面上,弹簧丝的截面A-A呈椭圆形,该截面上作用着力F及扭矩。
因而在弹簧丝的法向截面B-B上则作用有横向力Fcosα、轴向力Fsinα、弯矩M=Tsinα及扭矩Tˊ= T cosα。
由于弹簧的螺旋升角一般取为α=5°~9°,故sinα≈0;cosα≈1(下图<圆柱螺旋压缩弹簧的受力及应力分析b>),则截面B-B上的应力(下图<圆柱螺旋压缩弹簧的受力及应力分析c>)可近似地取为式中C=D2/d称为旋绕比(或弹簧指数)。
为了使弹簧本身较为稳定,不致颤动和过软,C值不能太大;但为避免卷绕时弹簧丝受到强烈弯曲,C值又不应太小。
C值的范围为4~16(表<常用旋绕比C值>), 常用值为5~8。
圆柱螺旋压缩弹簧的受力及应力分析常用旋绕比C值为了简化计算,通常在上式中取1+2C≈2C(因为当C=4~16时,2C>>l,实质上即为略去了τp),由于弹簧丝升角和曲率的影响,弹簧丝截面中的应力分布将如图<圆柱螺旋压缩弹簧的受力及应力分析>c 中的粗实线所示。
由图可知,最大应力产生在弹簧丝截面内侧的m点。
实践证明,弹簧的破坏也大多由这点开始。
为了考虑弹簧丝的升角和曲率对弹簧丝中应力的影响,现引进一个补偿系数K(或称曲度系数),则弹簧丝内侧的最大应力及强度条件可表示为式中补偿系数K,对于圆截面弹簧丝可按下式计算: 圆柱螺旋压缩(拉伸)弹簧受载后的轴向变形量λ可根据材料力学关于圆柱螺旋弹簧变形量的公式求得:式中:n—弹簧的有效圈数;G—弹簧材料的切变模量,见前一节表<弹簧常用材料及其许用应力>。
机车车辆圆柱螺旋弹簧技术条件机车车辆圆柱螺旋弹簧是机车车辆中重要的弹性元件,其技术条件涉及到材料、尺寸、工艺等方面。
下面将从这些方面逐一介绍。
1. 材料选择:机车车辆圆柱螺旋弹簧的材料选择应满足一定的要求,主要包括弹性、耐疲劳性、抗腐蚀性和可焊性等。
常见的材料有优质碳素钢、合金钢和不锈钢等,其中强度和耐疲劳性较高的合金钢在高速铁路等重载条件下更为适用。
2. 尺寸设计:螺旋弹簧的尺寸设计直接影响其弹性和承载能力。
设计时需考虑弹簧直径、线径、圈数和自由长度等参数。
弹簧直径和线径的选择应根据所需的弹性和承载能力来确定,圈数则影响整个弹簧的长度和弹性。
自由长度是指弹簧在无外力作用下的长度,应根据实际需求进行设计。
3. 工艺要求:机车车辆圆柱螺旋弹簧的制造工艺要求高,主要包括弹簧线材的选取、制作工艺和热处理等。
弹簧线材应满足一定的强度和韧性要求,制作工艺应保证弹簧的稳定性和可靠性。
热处理是弹簧制造过程中重要的一环,可以提高弹簧的强度和耐疲劳性。
4. 功能要求:机车车辆圆柱螺旋弹簧的功能主要包括承载、减震和保持力等。
承载能力是指弹簧在受力时能够承受的最大力量,应根据实际需求来确定。
减震是指弹簧在机车车辆行驶过程中对震动和冲击的缓冲和吸收作用,要求弹簧具有一定的减震效果。
保持力是指弹簧在受力结束后能够保持的力量,要求弹簧具有一定的保持力。
5. 使用与维护:机车车辆圆柱螺旋弹簧在使用过程中需要定期进行检查和维护,主要包括检查弹簧的弹性和外观,及时更换损坏的弹簧,确保其正常工作。
此外,还需要对弹簧进行防腐处理,延长其使用寿命。
总结:机车车辆圆柱螺旋弹簧是机车车辆中重要的弹性元件,其技术条件涉及到材料、尺寸、工艺等方面。
合理选择材料、设计合适的尺寸、严格控制工艺要求以及定期进行检查和维护,可以确保弹簧的正常工作和长久使用。
在机车车辆领域,圆柱螺旋弹簧的应用发展将继续推动行业的进步。
圆柱螺旋拉伸弹簧的设计计算15.3 圆柱螺旋压缩(拉伸)弹簧的设计计算 (三) 圆柱螺旋压缩(拉伸)弹簧受载时的应力及变形圆柱螺旋弹簧受压或受拉时,弹簧丝的受力情况是完全一样的。
现就下图<圆柱螺旋压缩弹簧的受力及应力分析>所示的圆形截面弹簧丝的压缩弹簧承受轴向载荷P的情况进行分析。
由图<圆柱螺旋压缩弹簧的受力及应力分析a>(图中弹簧下部断去,末示出)可知,由于弹簧丝具有升角α,故在通过弹簧轴线的截面上,弹簧丝的截面A-A呈椭圆形,该截面上作用着力F及扭矩。
因而在弹簧丝的法向截面B-B上则作用有横向力Fcosα、轴向力Fsinα、弯矩M=Tsinα及扭矩Tˊ= Tcosα。
由于弹簧的螺旋升角一般取为α=5?,9?,故sinα?0;cosα?1(下图<圆柱螺旋压缩弹簧的受力及应力分析b>),则截面B-B上的应力(下图<圆柱螺旋压缩弹簧的受力及应力分析c>)可近似地取为式中C=D/d 称为旋绕比(或弹簧指数)。
为了使弹簧本身较为稳定,不致颤动和过软,C值不能太2大;但为避免卷绕时弹簧丝受到强烈弯曲,C值又不应太小。
C值的范围为4,16(表<常用旋绕比C值>), 常用值为5,8。
圆柱螺旋压缩弹簧的受力及应力分析常用旋绕比C值1.1,2.2d(mm) 0.2,0.4 0.45,1 2.5,6 7,16 18,427,14 5,12 5,10 4,9 4,8 4,6 C=D2/d为了简化计算,通常在上式中取1+2C?2C(因为当C=4,16时,2C>>l,实质上即为略去了τ),由p于弹簧丝升角和曲率的影响,弹簧丝截面中的应力分布将如图<圆柱螺旋压缩弹簧的受力及应力分析>c中的粗实线所示。
由图可知,最大应力产生在弹簧丝截面内侧的m点。
实践证明,弹簧的破坏也大多由这点开始。
为了考虑弹簧丝的升角和曲率对弹簧丝中应力的影响,现引进一个补偿系数K(或称曲度系数),则弹簧丝内侧的最大应力及强度条件可表示为式中补偿系数K,对于圆截面弹簧丝可按下式计算:圆柱螺旋压缩(拉伸)弹簧受载后的轴向变形量λ可根据材料力学关于圆柱螺旋弹簧变形量的公式求得:式中:n—弹簧的有效圈数;G—弹簧材料的切变模量,见前一节表<弹簧常用材料及其许用应力>。
表1 弹簧常用材料及其许用应力③弹簧材料的拉伸强度极限,查表2。
弹簧钢丝的拉伸强度极限 bB ( MPa )常用旋绕比C 值普通圆柱螺旋弹簧尺寸系列 导杆(导套)与弹簧间的间隙通圆柱螺旋压缩及拉伸弹簧的结构尺寸表1弹簧常用材料及其许用应力(摘自 GBI239-1976 ) 特性及用途强度高,韧性好, 适用于做小弹簧弹性好,回火稳定性好,易脱碳,用 于制造大载荷弹簧注:① 弹簧按载荷性质分为三类: I 类一受变载荷作用次数在 106以上的弹簧; II 类一受变载荷作用次数在 103~10 5及冲击载荷的弹簧; III 类一受变载荷作用次数在103下的弹簧。
②碳素弹簧钢丝的组别见表表2弹簧钢丝的拉伸强度极限o ( MPa )注:表中OB 均为下限值。
碳素弹簧钢丝特殊用途碳素弹簧钢丝 重要用途弹簧钢丝 钢丝直径d(mm) I 组II 组Ila 组III 组钢丝直径d(mm)甲组 乙组 丙组钢丝直径d(mm)■165Mn0.32〜0.6 2599 2157 1667 0.2〜 0.55 2844 1 2697 1 25500.63〜0.82550210816670.6〜-0.82795 2648 25010.85〜0.92501 2059 1618 0.9 〜12746 2599 2452176512452 2010 1618 1. 12599 2452 1〜1.2 17161.1〜 1.2 2354 1912 15201.2〜-1.32501 23541.4〜-1.61.3〜 1.4 2256 1863 14711.4〜-1.52403225616671.5〜 1.6 2157 1814 14221.8 〜216181.7〜1.8 2059 1765 13732.2〜-2.521961 1765 137315692.21863 1667 13732.8〜-3.4 14712.51765 1618 12753.5 14222.81716 1618 12753.8〜-4.2 137331667 1618 12754.5 13243.2 1 1 1667 1520 11774.8〜-5.312753.4〜 3.6 1618 1520 11775.5 〜64 1 1 1569 1471 11284.5〜 5 1471 1373 10795.6〜 6 1422 1324 10306.3〜 8 ,1 1226 9811 160 65 70 80 90 1004 5 6 7 8 9 10 11 12 13 14 15 16 17 18 19 20 22 24 26 28 30 32 35 38 40 42500 520 550 580 600 620 650 680 700 720 750 780 800 850 900 950 1000注:1 )本表适用于压缩,拉伸和扭转的圆截面弹簧丝的圆柱螺旋弹簧。
圆柱螺旋弹簧设计计算一.弹簧的参数名称及代号 GB/T 1239.6-93二.基本计算公式弹簧的强度和变形的基本计算公式1.材料切应力:P dck P d D 2388ππτ==. 2.弹簧变形量:P Gd n c P Gd n D F 34388==3.弹簧的刚度:n c GD n D Gd F P P 434'88=== 4.弹簧变形量:222'F D PF U ==5.弹簧材料直径:][6.1τKPCd = 6.弹簧的中径:D=Cd 7.弹簧的有效圈数:P c GD P D F Gd n 43488== 8.曲度系数:cc c K 615.04414+--= 9.弹簧特性:为了保证指定的负荷,弹簧变形量应在试验负荷下变形量Fs 的20%~80%之间: 0.2Fs ≤F 1,2,3~n ≤0.8Fs10.在特殊需要保证刚度时,其刚度按试验负荷下变形量Fs 的30%~70%之间,由两负荷点的负荷差之比来确定:1212F F P P P ,--=11.试验负荷Ps 为测定弹簧特性时,弹簧允许承受的最大负荷,其值可按其曲度系数K=1,导出: s Dd Ps τπ83=式中τs 为试验切应力,其最大值取表3和表4中的Ⅲ类负荷下的许用切应力值。
12.压并负荷Pb 为弹簧压并时的理论负荷,对应的压并变量为Fb 。
切变模量G 值按弹簧常用材料表查取,当工作温度超过60度时,就对常温下的G 值进行修正:Gt=KtG 。
Kt 温度修正系数表13.弹簧中径:2)(21D D D += 14弹簧内径:D 1=D -d 15.弹簧外径:D 2=D+da .当弹簧两端固定时,从自由高度到并紧时,中径增大为:D D d t D )05.0(222-=∆b .当弹簧与支承座可以自由回转而摩擦力比较小时,中径增大为:D D d td t D )2.08.001.0(222--=∆ 16.弹簧的旋绕比:c=D/d=4~22,其荐用值根据材料直径在表中选取;17.总圈数:n1=n+n2 。
1. 弹簧刚度:
2. 力值: 其中:G 为材料剪切模量,一般不锈钢取71500Mpa,碳钢取
78500Mpa ;
d 为材料直径;
D 为弹簧中径;
n 为弹簧有效圈数;
f 为变形量(拉压行程)。
3. 应力: K 为曲度系数,公式为: 其中C 为弹簧旋绕比,是弹簧中径与线径的比值,即
4. 下表是GB/T23935-2009(圆柱螺旋弹簧设计计算)中压缩弹簧及拉伸弹簧的试验切应力及许用应力表
表2-1
n D d G 34
,
8P =f 8f 34,
⋅==n D Gd P P K PC K ⋅=⋅=2
3d 8d 8PD ππτC
C C K 615.04414+--=d D
C =
比压簧多了初拉力,加上初拉力就行。
初拉力: 其中初拉力τ0按初切应力图选取,见下图。
三.扭簧:
1.计算刚度 Dn
Ed M 3670'4= Nmm/° 2.扭矩 ϕ⋅=Dn
Ed M 36704
Nmm 式中:d---材料直径;
E---材料的弹性模量,一般不锈钢丝取188000Mpa ,碳素钢丝
取206000Mpa ;
D---弹簧外径;
ϕ---弹簧的扭转行程(角度);
4. 应力: K1为曲度系数,顺旋向扭转取1,逆旋向扭转时按下式:
308τπ⋅=D d P 132
.10K d
M ⋅=σ
下表是GB/T23935-2009(圆柱螺旋弹簧设计计算)中扭转弹簧的试验切应力及许用应力表
C
C C C K 4414221---=。
弹簧设计规范一、弹簧的功能弹簧是一种弹性元件,由于材料的弹性和弹簧的结构特点,它具有多次重复地随外栽荷的大小而做相应的弹性变形,卸载后立即恢复原状的特性。
很多机械正是利用弹簧的这一特点来满足特殊要求的。
其主要功能有:⑴、减振和缓冲,如车辆的悬挂弹簧,各种缓冲器和弹性联轴器中的弹簧等。
⑵、测力,如测力器和弹簧秤的弹簧等。
⑶、储存及输出能量,如钟表弹簧,枪栓弹簧,仪表和自动控制机构上的原动弹簧等。
⑷、控制运动,如控制弹簧门关闭的弹簧,离合器、制动器上的弹簧,控制内燃机气缸阀门开启的弹簧等。
二、弹簧的类型、特点和应用弹簧的分类方法很多,按照所承受的载荷的不同,弹簧可分为拉伸弹簧、压缩弹簧、扭转弹簧和弯曲弹簧等四种;按照形状的不同,弹簧可分为螺旋弹簧、碟形弹簧、环形弹簧、盘形弹簧和板弹簧等;按照使用材料的不同,弹簧可分为金属弹簧和非金属弹簧。
各种弹簧的特点、应用见表1。
表1 弹簧的基本类型、特点和作用名称弹簧简图特点及应用名称弹簧简图特点及应用圆柱形螺旋弹簧图(a)承受拉力,图(b)承受压力,结构简单,制造方便,应用最为广泛碟形弹簧承受压力,缓冲及减振能力强,常用于重型机械的缓冲和减振装置。
圆柱形螺旋扭转弹簧承受转矩,主要用于各种装置中的压紧和蓄能环形弹簧承受压力,是目前最强的压缩、缓冲弹簧,常用于重型设备,如机车车辆、锻压设备和机械中的缓冲装置。
圆锥形螺旋弹簧承受压力,结构紧凑,稳定性好,防振能力较强,多用于承受大载荷和减振的场合盘簧承受转矩,能储存较大的能量,常用作仪器、钟表中的弹簧。
板弹簧承受弯曲,变形大,吸振能力强,主要用于汽车、拖拉机和铁路车辆的悬挂装置。
法。
三、弹簧使用的材料及其用途弹簧钢的的主要性能要求是高强度和高屈服极限和疲劳极限,所以弹簧钢材用较高的含碳量。
但是碳素钢的淬透性较差,所以在对于截面较大的弹簧必须使用合金钢。
合金弹簧钢中的主要合金元素是硅和锰,他们可以增强钢的淬透性和屈强比。
圆柱螺旋弹簧的结构、制造、材料及许用应力(一) 圆柱螺旋弹簧的结构形式1. 圆柱螺旋压缩弹簧?如下左图所示,弹簧的节距为p,在自由状态下,各圈之间应有适当的间距δ,以便弹簧受压时,有产生相应变形的可能。
为了使弹簧在压缩后仍能保持一定的弹性,设计时还应考虑在最大载荷作用下,各圈之间仍需保留一定的间距δ1。
δ1的大小一般推荐为:δ1=0.1d≥0.2mm式中d为弹簧丝的直径。
圆柱螺旋压缩弹簧圆柱螺旋压缩弹簧的端面圈弹簧的两个端面圈应与邻圈并紧(无间隙),只起支承作用,不参与变形,故称为死圈。
当弹簧的工作圈数n≤7时,弹簧每端的死圈约为0.75圈;n>7时,每端的死圈约为1~1.75圈。
这种弹簧端部的结构有多种形式(上右图)最常用的有两个端面圈均与邻圈并紧且磨平的YI型(图a)、并紧不磨平的YIII型(图c)和加热卷绕时弹簧丝两端锻扁且与邻圈并紧(端面圈可磨平,也可不磨平)的YII型(图b) 三种。
在重要的场合,应采用YI型,以保证两支承端面与弹簧的轴线垂直,从而使弹簧受压时不致歪斜。
弹簧丝直径d≤0.5mm时,弹簧的两支承端面可不必磨平。
d>0.5mm的弹簧,两支承端面则需磨平。
磨平部分应不少于圆周长的3/4。
端头厚度一般不小于d/8,端面粗糙度应低于。
2.圆柱螺旋拉伸弹簧如下左图所示,圆柱螺旋拉伸弹簧空载时,各圈应相互并拢。
另外,为了节省轴向工作空间,并保证弹簧在空载时各圈相互压紧,常在卷绕的过程中,同时使弹簧丝绕其本身的轴线产生扭转。
这样制成的弹簧,各圈相互间即具有一定的压紧力,弹簧丝中也产生了一定的顶应力,故称为有预应力的拉伸弹簧。
这种弹簧一定要在外加的拉力大于初拉力P0后,各圈才开始分离,故可较无预应力的拉伸弹簧节省轴向的工作空间。
拉伸弹簧的端部制有挂钩,以便安装和加载。
挂钩的形式如下右图所示。
其中LI型和LII型制造方便,应用很广。
但因在挂钩过渡处产生很大的弯曲应力,故只宜用于弹簧丝直径d≤l0mm的弹簧中。
圆柱螺旋弹簧的结构制造
材料及许用应力
The latest revision on November 22, 2020
圆柱螺旋弹簧的结构、制造、材料及许用应力
(一) 圆柱螺旋弹簧的结构形式
1. 圆柱螺旋压缩弹簧
如下左图所示,弹簧的节距为p,在自由状态下,各圈之间应有适当的间距δ,以便弹簧受压时,有产生相应变形的可能。
为了使弹簧在压缩后仍能保持一定的弹性,设计时还应考虑在最大载荷作用下,各圈之间仍需保留一定的间距δ1。
δ1的大小一般推荐为: δ1=≥
式中d为弹簧丝的直径。
圆柱螺旋压缩弹簧
圆柱螺旋压缩弹簧的端面圈
弹簧的两个端面圈应与邻圈并紧(无间隙),只起支承作用,不参与变形,故称为死圈。
当弹簧的工作圈数n≤7时,弹簧每端的死圈约为圈;n>7时,每端的死圈约为1~圈。
这种弹簧端部的结构有多种形式(上右图)最常用的有两个端面圈均与邻圈并紧且磨平的YI型(图a)、并紧不磨平的YIII型(图c)和加热卷绕时弹簧丝两端锻扁且与邻圈并紧(端面圈可磨平,也可不磨平)的YII型(图b) 三种。
在重要的场合,应采用YI型,以保证两支承端面与弹簧的轴线垂直,从而使弹簧受压时不致歪斜。
弹簧丝直径d≤时,弹簧
的两支承端面可不必磨平。
d>的弹簧,两支承端面则需磨平。
磨平部分应不少于圆周长的3/4。
端头厚度一般不小于d/8,端面粗糙度应低于。
2.圆柱螺旋拉伸弹簧
如下左图所示,圆柱螺旋拉伸弹簧空载时,各圈应相互并拢。
另外,为了节省轴向工作空间,并保证弹簧在空载时各圈相互压紧,常在卷绕的过程中,同时使弹簧丝绕其本身的轴线产生扭转。
这样制成的弹簧,各圈相互间即具有一定的压紧力,弹簧丝中也产生了一定的顶应力,故称为有预应力的拉伸弹簧。
这种弹簧一定要在外加的拉力大于初拉力P0后,各圈才开始分离,故可较无预应力的拉伸弹簧节省轴向的工作空间。
拉伸弹簧的端部制有挂钩,以便安装和加载。
挂钩的形式如下右图所示。
其中LI型和LII型制造方便,应用很广。
但因在挂钩过渡处产生很大的弯曲应力,故只宜用于弹簧丝直径d≤l0mm的弹簧中。
LVII、LVIII型挂钩不与弹簧丝联成一体,故无前述过渡处的缺点,而且这种挂钩可以转到任意方向,便于安装。
在受力较大的场合,最好采用LVII型挂钩,但它的价格较贵。
圆柱螺旋拉伸弹簧
圆柱螺旋拉伸弹簧挂钩的形式[OT_page]
(二) 制造
螺旋弹簧的制造工艺包括:a)卷制;b)挂钩的制作或端面圈的精加工;c)热处理;d)工艺试验及强压处理。
(强压处理是使弹簧在极限载荷作用下持续6~48h,以便在弹簧丝截面的危险区产生塑性变形和残余应力,从而提高弹簧的静载强度。
用于长期振动,高温和腐蚀性介质中的弹簧,以及一般用途的弹簧不应进行强压处理。
)
卷制是把合乎技术条件规定的弹簧丝卷绕在芯棒上。
大量生产时,是在万能自动卷簧机上卷制;单件及小批生产时,则在普通车床或手动卷绕机上卷制。
卷制分冷卷及热卷两种。
冷卷用于经预先热处理后拉成的直径 d<(8~10)mm的弹簧丝;直径较大的弹簧丝制作的强力弹簧则用热卷。
热卷时的温度随弹簧丝的粗细在800~1 000℃的范围内选择。
不论采用冷卷或热卷,卷制后均应视具体情况对弹簧的节距作必要的调整。
对于重要的压缩弹簧,为了保证两端的承压面与其轴线垂直,应将端面圈在专用的磨床上磨平;对于拉伸及扭转弹簧,为了便于联接、固着及加载,两端应制有挂钩或杆臂(参看上图<圆柱螺旋拉伸弹簧挂钩的形式>及右图)。
扭转螺旋弹簧
弹簧在完成上述工序后,均应进行热处理。
热处理后的弹簧表面不应出现显着的脱碳层。
冷卷后的弹簧只作回火处理,以消除卷制时产生的内应力。
此外,弹簧还须进行工艺试验和根据弹簧的技术条件的规定进行精度、冲击、疲劳等试验,以检验弹簧是否符合技术要求。
要特别指出的是,弹簧的持久强度和抗冲击强度,在很大程度上取决于弹簧丝的表面状况,所以弹簧丝表面必须光洁,没有裂纹和伤痕等缺陷。
表面脱碳会严重影响材料的持久强度和抗冲击性能。
因此脱碳层深度和其它表面缺陷应在验收弹簧的技术条件中详细规定。
重要的弹簧还须进行表面保护处理(如镀锌);普通的弹簧一般除以油或漆。
(三) 弹簧的材料及许用应力
为了使弹簧能够可靠地工作,弹簧材料必须具有高的弹性极限和疲劳极限,同时应具有足够的韧性和塑性,以及良好的可热处理性。
常用弹簧钢主要有下列几种:
碳素弹簧钢
这种弹簧钢的忧点是价格便宜,原材料来源方便;缺点是弹性极限低,多次重复变形后易失去弹性,且不能在高于120℃的温度下正常工作。
低锰弹簧钢(例如65Mn)
这种弹簧钢与碳素弹簧钢相比,优点是淬透性较好和强度较高;缺点是淬火后容易产生裂纹及热脆性。
但由于价格便宜,所以一般机械上常用的尺寸不大的弹簧可以用此种材料制造,例如离合器弹簧等。
硅锰弹簧钢(例如60Si2MnA)
这种钢中因加入了硅,故可显着地提高弹性极限,并提高了回火稳定性,因而可在更高的温度下回火,从而得到良好的力学性能。
但含硅量高时,表面易于脱碳。
由于锰的脱碳性小,故在钢中加入硅锰这两种元素,就是为了发挥各自的优点,并减少彼此的缺点,因此硅锰弹簧钢在工业中得到了广泛的应用。
一般用于制造汽车、拖拉机的螺旋弹簧。
50铬钒钢(例如50CrVA)
钢中加入钒的目的是细化组织,提高钢的强度和韧性,故这种材料是耐疲劳和抗冲击性能良好的弹簧钢。
它有良好的力学性能,并能在-40~350℃的温度下工作,但价格较贵。
航空发动机调节系统中的弹簧多采用此种材料,如柱塞油泵的柱塞弹簧等。
此外,某些不锈钢和青铜等材料,具有耐腐蚀的特点,青铜还具有防磁性和导电性,故常用于制造化工设备中或工作于腐蚀性介质中的弹簧。
其缺点是不容易热处理,力学性能较差,在一般机械中很少采用。
在选择材料时,应考虑到弹簧的用途、重要程度、使用条件(包括载荷性质、大小及循环特性,工作持续时间,工作温度和周围介质情况等),以及加工、热处理和经济性等因素。
同时,也要参照现有设备中使用的弹簧,选择出较为合用的材料。
弹簧材料的许用扭转切应力[τ]和许用弯曲应力[σ]b的大小和载荷性质有关,静载荷时的[τ]或[σ]b较变载荷时的大。
表<弹簧常用材料及其许用应力>中推荐的几种常用材料及其[τ]和[σ]b值,可供设计时参考。
碳素弹簧钢丝拉伸强度极限σB值按表<弹簧钢丝的拉伸强度极限σB>选取。