【CN209764879U】一种毒品快速检测试剂板【专利】
- 格式:pdf
- 大小:721.33 KB
- 文档页数:9
(19)中华人民共和国国家知识产权局(12)实用新型专利(10)授权公告号 (45)授权公告日 (21)申请号 201920513869.4(22)申请日 2019.04.16(73)专利权人 清远市人民医院地址 511500 广东省清远市清城区新城B24号区(72)发明人 王欢 陆惠慧 徐令清 (74)专利代理机构 南京鼎傲知识产权代理事务所(普通合伙) 32327代理人 林涛(51)Int.Cl.B65D 81/05(2006.01)B65D 81/38(2006.01)B65D 25/10(2006.01)B65D 81/30(2006.01)(54)实用新型名称一种防摔医疗检测用试剂盒(57)摘要本实用新型公开了一种防摔医疗检测用试剂盒,其组成包括:内盒体和顶盖,内盒体内均匀的开设有试管放置槽,内盒体四角处开设有插孔一,内盒体上外圈上嵌入安装磁性条一,内盒体外部包裹气泡膜,气泡膜包裹海绵层,海绵层外粘结泡沫保温层,泡沫保温层外设置有真空保温层,真空保温层外为外盒体,外盒体外粘结铝箔保护层,顶盖内部中间处固定安装压盖,压盖四角上固定连接插杆,压盖外圈上嵌入安装磁性条二,压盖内螺纹连接胶塞,压盖外部的顶盖内粘结海绵板,顶盖外侧面上固定连接插扣,外盒体上固定连接与插扣相配的插孔二。
该试剂盒内通过气泡膜和海绵层来实现对内盒进行保护,一旦发生掉落时可以很好对内盒进行保护,从而保护内盒内部的试管。
权利要求书1页 说明书2页 附图2页CN 209777229 U 2019.12.13C N 209777229U权 利 要 求 书1/1页CN 209777229 U1.一种防摔医疗检测用试剂盒,其组成包括:内盒体(1)和顶盖(14),其特征是:所述的内盒体(1)内均匀的开设有试管放置槽(2),所述的内盒体(1)四角处开设有插孔一(4),所述的内盒体(1)上外圈上嵌入安装磁性条一(3),所述的内盒体(1)外部包裹气泡膜(6),所述的气泡膜(6)包裹海绵层(7),所述的海绵层(7)外粘结泡沫保温层(8),所述的泡沫保温层(8)外设置有真空保温层(9),所述的真空保温层(9)外为外盒体(10),所述的外盒体(10)外粘结铝箔保护层(11),所述的顶盖(14)内部中间处固定安装压盖(18),所述的压盖(18)四角上固定连接插杆(16),所述的压盖(18)外圈上嵌入安装磁性条二(15),所述的压盖(18)内螺纹连接胶塞(17),所述的压盖(18)外部的顶盖(14)内粘结海绵板(13),所述的顶盖(14)外侧面上固定连接插扣(12),所述的外盒体(10)上固定连接与插扣(12)相配的插孔二(5)。
(19)中华人民共和国国家知识产权局(12)实用新型专利(10)授权公告号 (45)授权公告日 (21)申请号 201920242064.0(22)申请日 2019.02.26(73)专利权人 三诺生物传感股份有限公司地址 410205 湖南省长沙市高新技术产业开发区谷苑路265号(72)发明人 王荣 彭琳 杨明洁 陈继红 (74)专利代理机构 北京科亿知识产权代理事务所(普通合伙) 11350代理人 肖平安(51)Int.Cl.B01F 9/04(2006.01)B01F 15/00(2006.01)(54)实用新型名称一种试剂盒混匀装置(57)摘要本实用新型涉及医用器材技术领域,特指一种试剂盒混匀装置,包括透明视窗与混匀装置壳体,混匀装置壳体内设有直流电机与电路板卡,直流电机与电路板卡电联接,混匀装置壳体顶部设有混匀装载盘,混匀装载盘通过直流电机驱动旋转,透明视窗一侧铰接于混匀装置壳体顶部一侧,透明视窗另一侧通过卡扣组件扣于混匀装置壳体顶部另一侧。
本实用新型采用这样的结构设置,其利用直流电机带动混匀装载盘旋转产生的离心力来混匀定位于混匀装载盘上试剂盒内的试剂溶夜,混匀时长由电路板卡控制,非常方便,通过混匀装置用于产品临床检测中试剂盒的混匀,可降低检测人员的工作强度以及减小由人工操作带来的不准确性。
权利要求书1页 说明书4页 附图4页CN 209696767 U 2019.11.29C N 209696767U权 利 要 求 书1/1页CN 209696767 U1.一种试剂盒混匀装置,其特征在于:包括透明视窗(1)与混匀装置壳体,所述混匀装置壳体内设有直流电机(14)与电路板卡(15),所述直流电机(14)与电路板卡(15)电联接,所述混匀装置壳体顶部设有混匀装载盘(11),所述混匀装载盘(11)通过直流电机(14)驱动旋转,所述透明视窗(1)一侧铰接于混匀装置壳体顶部一侧,所述透明视窗(1)另一侧通过卡扣组件扣于混匀装置壳体顶部另一侧。
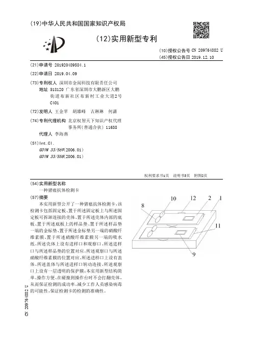
(19)中华人民共和国国家知识产权局(12)实用新型专利(10)授权公告号 (45)授权公告日 (21)申请号 201920489584.1(22)申请日 2019.04.09(73)专利权人 深圳市金阅科技有限责任公司地址 518120 广东省深圳市大鹏新区大鹏街道布新社区布新村工业大道2号C401(72)发明人 王金苹 胡雄峰 古琳琳 何潇 (74)专利代理机构 北京权智天下知识产权代理事务所(普通合伙) 11638代理人 李海燕(51)Int.Cl.G01N 33/569(2006.01)G01N 33/558(2006.01)(54)实用新型名称一种猪瘟抗体检测卡(57)摘要本实用新型公开了一种猪瘟抗体检测卡,该检测卡包括固定板、置于所述固定板上与所述固定板可拆卸连接的壳体、置于所述壳体内部的底板、置于所述底板上的样品垫、置于所述样品垫一端的金标垫、置于所述金标垫另一端的硝酸纤维素膜、置于所述硝酸纤维素膜另一端的吸水纸,所述壳体上设有进样口和观察口,所述进样口与所述样品垫的位置对应,所述观察口与所述硝酸纤维素膜的位置对应,所述进样口上设有盖体,所述盖体与所述进样口转动连接,所述观察口上设有一层透明的保护膜;本实用新型结构简单、操作方便、在碰撞到操作台时不会打翻壳体,从而保证检测的成功率,减少工作人员感染病毒的可能性,保证检测卡的检测的准确性。
权利要求书1页 说明书3页 附图2页CN 209764882 U 2019.12.10C N 209764882U权 利 要 求 书1/1页CN 209764882 U1.一种猪瘟抗体检测卡,其特征在于:该检测卡包括固定板(1)、置于所述固定板(1)上与所述固定板(1)可拆卸连接的壳体(2)、置于所述壳体(2)内部的底板(3)、置于所述底板(3)上的样品垫(4)、置于所述样品垫(4)一端的金标垫(5)、置于所述金标垫(5)另一端的硝酸纤维素膜(6)、置于所述硝酸纤维素膜(6)另一端的吸水纸(7),所述壳体(2)上设有进样口(8)和观察口(9),所述进样口(8)与所述样品垫(4)的位置对应,所述观察口(9)与所述硝酸纤维素膜(6)的位置对应,所述进样口(8)上设有盖体(10),所述盖体(10)与所述进样口(8)转动连接,所述观察口(9)上设有一层透明的保护膜。
(19)中华人民共和国国家知识产权局(12)实用新型专利(10)授权公告号 (45)授权公告日 (21)申请号 201920628012.7(22)申请日 2019.05.05(73)专利权人 北京众驰伟业科技发展有限公司地址 102200 北京市昌平区科技园区火炬街23号
(72)发明人 杨军京 (74)专利代理机构 北京品源专利代理有限公司 11332代理人 胡彬
(51)Int.Cl.G01N 35/10(2006.01)
(54)实用新型名称一种进样装置及检测系统(57)摘要本实用新型公开了一种进样装置及检测系统,属于检测技术领域。进样装置包括样品架,其底部开设有卡槽;滑台机构,包括滑台本体;所述滑台本体上设有滑槽,所述样品架设于所述滑槽内;拨动机构,包括皮带传送结构和挂钩;所述挂钩设于皮带上;所述皮带绕主动轮和拖挂轮转动,使得所述挂钩能够伸出所述滑槽,并与所述卡槽抵接,进而带动所述样品架在所述滑槽内滑动;所述拨动机构还包括通过第一弹性件连接的端座支架和第二支撑架;所述第二支撑架与所述滑台本体固接,所述拖挂轮转动设于所述端座支架上;所述第一弹性件在所述皮带的张紧力作用下处于压缩状态。检测系统包括上述进样装置。本实用新型提供的进样装置能够实现柔性进样。
权利要求书2页 说明书8页 附图5页CN 209979667 U2020.01.21
CN 209979667 U1.一种进样装置,其特征在于,包括:样品架(3),其底部开设有至少一个卡槽(302);滑台机构(1),包括滑台本体;所述滑台本体上设有滑槽(10),所述样品架(3)滑动设于所述滑槽(10)内;拨动机构(2),设于所述滑槽(10)的下方,包括皮带传送结构(21)和挂钩(22);所述皮带传送结构(21)包括主动轮(211)、拖挂轮(212)和绕设于所述主动轮(211)和所述拖挂轮(212)外围的皮带(213);所述挂钩(22)设于所述皮带(213)上;所述皮带(213)绕所述主动轮(211)和所述拖挂轮(212)转动,使得所述挂钩(22)能够伸出所述滑槽(10),并与所述样品架(3)的所述卡槽(302)抵接,进而带动所述样品架(3)在所述滑槽(10)内滑动进样;所述拨动机构(2)还包括通过第一弹性件(26)连接的端座支架(24)和第二支撑架(25);所述第二支撑架(25)与所述滑台本体固接,所述拖挂轮(212)转动设于所述端座支架(24)上;所述第一弹性件(26)在所述皮带(213)的张紧力作用下处于压缩状态;所述端座支架(24)能够靠近或远离所述第二支撑架(25)。2.根据权利要求1所述的进样装置,其特征在于,所述第二支撑架(25)上设有光轴(251),所述端座支架(24)上设有第一通槽,所述光轴(251)滑动插设于所述第一通槽中;所述第一弹性件(26)为弹簧,所述弹簧套设于所述光轴(251)的外围。3.根据权利要求2所述的进样装置,其特征在于,所述光轴(251)和所述第一通槽均设置为两个;两个所述第一通槽分别设于所述端座支架(24)的两侧。4.根据权利要求1所述的进样装置,其特征在于,所述挂钩(22)通过挂钩基座(23)设于所述皮带(213)上;所述滑槽(10)下方设有位置光耦(27),所述位置光耦(27)靠近所述第二支撑架(25)设置;所述挂钩基座(23)切变所述位置光耦(27)时,所述挂钩(22)复位;所述滑槽(10)上设有长条孔(1211),所述挂钩(22)伸出所述长条孔(1211)后与所述卡槽(302)抵接;所述挂钩(22)在复位点时,所述挂钩(22)探入所述滑槽(10)的下方设置。5.根据权利要求1所述的进样装置,其特征在于,所述样品架(3)包括架座(30);所述架座(30)的底部开设有所述卡槽(302);所述架座(30)上插设有多个试管(100)。6.根据权利要求5所述的进样装置,其特征在于,所述滑台机构(1)还包括下压臂组件(13);所述下压臂组件(13)包括设于所述滑台本体上的下压座(131)、转动设于所述下压座(131)上的压轮轴(132)和设于所述压轮轴(132)端部的卡接体(133);所述架座(30)上还设有多个凹槽(303);所述凹槽(303)与所述试管(100)为一一对应设置;所述下压座(131)上还设有第一微动开关(134);所述第一微动开关(134)设于所述压轮轴(132)未设有所述卡接体(133)的端部的上方;所述样品架(3)进样时,所述卡接体(133)沿着进样方向由一个所述凹槽(303)卡入另一个所述凹槽(303)中,所述压轮轴(132)未设有所述卡接体(133)的一端周期性地与所述第一微动开关(134)的弹片接触,触发所述第一微动开关(134)产生信号。7.根据权利要求6所述的进样装置,其特征在于,所述压轮轴(132)与所述下压座(131)之间还设有第二弹性件;所述卡接体(133)位于相邻的两个所述凹槽(303)之间时,所述第二弹性件处于压缩状态。8.根据权利要求6所述的进样装置,其特征在于,所述滑台本体沿着进样方向可分为进样区(200)、检测区(300)和检测完成区(400);所述下压臂组件(13)设置为两个,两个所述
(19)中华人民共和国国家知识产权局(12)发明专利申请(10)申请公布号 (43)申请公布日 (21)申请号 201910395382.5(22)申请日 2019.05.13(71)申请人 青海大学地址 810016 青海省西宁市城北区宁大路251号(72)发明人 刘秉鑫 谢蓝 董汇铕 邓荣胜 王昊 朱嘉立 贾富华 贺雨田 (74)专利代理机构 北京方圆嘉禾知识产权代理有限公司 11385代理人 董芙蓉(51)Int.Cl.G01N 21/78(2006.01)G01N 21/03(2006.01)(54)发明名称一种微量爆炸物与毒品快速检测装置(57)摘要本发明公开了一种微量爆炸物与毒品快速检测装置,涉及爆炸物检测技术领域。
该设备包括:毛细管集成板,其上布设多条毛细管,毛细管在毛细管集成板上的第一端部用于插入待测液体中,待测液体中含有可疑化学物质;显色阵列板,其设于毛细管集成板的上部,毛细管的第二端部均设于显色阵列板上;每个毛细管的第二端部均设有显色块,每个显色块内均填设显色试剂;毛细管用于将从第一端部吸取的待测液体输送至第二端部并通过毛细管作用渗入显色块内,显色块内的显色试剂用于通过与待测液体发生化学显色反应来鉴别和显示出待测液体中的化学成分。
该设备操作简便、价格相对便宜,检测方便灵敏,能实现对可疑爆炸物及毒品的现场快速检测与分析。
权利要求书1页 说明书3页 附图2页CN 110146495 A 2019.08.20C N 110146495A权 利 要 求 书1/1页CN 110146495 A1.一种微量爆炸物与毒品快速检测装置,其特征在于,所述装置包括:毛细管集成板,其上布设多条毛细管,所述毛细管在所述毛细管集成板上的第一端部用于插入待测液体中,所述待测液体中含有可疑化学物质;显色阵列板,所述显色阵列板设于所述毛细管集成板的上部,所有所述毛细管的第二端部均设于所述显色阵列板上;每个所述毛细管的第二端部均设有显色块,每个所述显色块内均填设显色试剂;所述毛细管用于将从所述第一端部吸取的所述待测液体输送至所述第二端部并通过毛细管作用渗入所述显色块内,所述显色块内的所述显色试剂用于通过与所述待测液体发生化学显色反应来鉴别和显示出所述待测液体中的化学成分。
(19)中华人民共和国国家知识产权局(12)实用新型专利(10)授权公告号 (45)授权公告日 (21)申请号 201920259051.4(22)申请日 2019.03.01(73)专利权人 河海大学地址 210019 江苏省南京市江宁开发区佛城西路8号(72)发明人 翁佳玉 (74)专利代理机构 南京苏高专利商标事务所(普通合伙) 32204代理人 成立珍(51)Int.Cl.G01N 1/10(2006.01)G01N 33/18(2006.01)(54)实用新型名称一种现场快速检测水质用装置(57)摘要本实用新型公开了一种现场快速检测水质用装置,包括一个采样瓶,靠近采样瓶底部的瓶壁上开设有出水口,出水口外围的瓶壁上固连有弹簧,弹簧的另一端连接一个挡片,挡片上具有一个凸起,弹簧外围的瓶壁上设置有向外凸出的固定部,弹簧与挡片位于固定部内,挡片与固定部接触连接,弹簧处于压缩状态,且挡片的凸起伸出固定部外;还包括与采样瓶分离式配合连接的输水管,输水管内固连有一个档杆,输水管一端固连有橡胶密封环,输水管的另一端与检测瓶连接。
本实用新型的检测瓶与采样瓶分离,减少废液产生,并能多次利用水样,减小现场快速检测工作量。
权利要求书1页 说明书2页 附图2页CN 209764492 U 2019.12.10C N 209764492U权 利 要 求 书1/1页CN 209764492 U1.一种现场快速检测水质用装置,其特征在于,包括一个采样瓶,靠近采样瓶底部的瓶壁上开设有出水口,出水口外围的瓶壁上固连有弹簧,弹簧的另一端连接一个挡片,弹簧外围的瓶壁上设置有向外凸出的固定部,弹簧与挡片位于固定部内,挡片与固定部接触连接,弹簧处于压缩状态;还包括与采样瓶分离式配合连接的输水管,输水管内固连有一个档杆,输水管一端固连有橡胶密封环,输水管的另一端与检测瓶连接。
2.根据权利要求1所述的一种现场快速检测水质用装置,其特征在于,在检测瓶上设置有一个气阀。
(19)中华人民共和国国家知识产权局
(12)实用新型专利
(10)授权公告号 (45)授权公告日 (21)申请号 201920437256.7
(22)申请日 2019.04.02
(73)专利权人 广州大陌科技有限责任公司
地址 510030 广东省广州市越秀区先烈中
路100号23-1栋109、111、113、115房
(72)发明人 林卓旸 刘晓
(74)专利代理机构 北京科家知识产权代理事务
所(普通合伙) 11427
代理人 陈娟
(51)Int.Cl.
G01N 33/52(2006.01)
(54)实用新型名称
一种毒品快速检测试剂板
(57)摘要
本实用新型公开了一种毒品快速检测试剂
板,涉及毒品检测技术领域,包括检测试剂板壳
体,所述检测试剂板壳体的上表面设置有样品标
签,且检测试剂板壳体的上表面位于样品标签的
下方位置处设置有检测指示窗口,所述检测试剂
板壳体的一端安装有检测头。
本实用新型结构科
学合理,操作方便,通过设置的卡槽和卡扣,能够
实现检测板A、检测板B、检测板C和检测板D的拼
接与拆分工作,使得该检测板能够进行多种毒品
的检测工作,同时使用时可将检测试剂板单独拆
除使用,通过设置的检测管能够利用毛细管实现
检测试剂板的自动取样检测工作,且检测完成后
可打开检测试剂板壳体进行试纸卡的更换工作,
实现检测试剂板壳体的重复利用。
权利要求书1页 说明书3页 附图4页CN 209764879 U 2019.12.10
C N 209764879
U
权 利 要 求 书1/1页CN 209764879 U
1.一种毒品快速检测试剂板,包括检测试剂板壳体(1),其特征在于,所述检测试剂板壳体(1)的上表面设置有样品标签(2),且检测试剂板壳体(1)的上表面位于样品标签(2)的下方位置处设置有检测指示窗口(3),所述检测试剂板壳体(1)的一端安装有检测头(4),且检测试剂板壳体(1)的一端位于检测头(4)的外侧位置处套设有盖帽(5),所述检测试剂板壳体(1)包括检测板A(7),所述盖帽(5)的上表面设置有检测结果说明标签(6),所述检测板A(7)的一侧连接有检测板B(8),所述检测板B(8)的一侧安装有检测板C(9),所述检测板C (9)的一侧设置有检测板D(10),所述检测板B(8)的一侧开设有卡槽(11),另一侧固定安装有卡扣(12)。
2.根据权利要求1所述的一种毒品快速检测试剂板,其特征在于,所述检测板B(8)的内部开设有试纸槽(14),且检测板B(8)的一端设置有检测管(13),所述试纸槽(14)的内部安装有试纸卡(15),所述检测管(13)的内部安装有毛细管(16),所述毛细管(16)的一端连接试纸卡(15)。
3.根据权利要求1所述的一种毒品快速检测试剂板,其特征在于,所述检测板A(7)靠近检测板B(8)的一侧面安装有卡扣(12),所述检测板D(10)靠近检测板C(9)的一侧面开设有卡槽(11)。
4.根据权利要求1所述的一种毒品快速检测试剂板,其特征在于,所述检测板B(8)与检测板C(9)结构相同,且检测板B(8)与检测板A(7)的不同之处在于检测板B(8)的侧面开设有卡槽(11),所述检测板B(8)与检测板D(10)的不同之处在于检测板B(8)的侧面安装有卡扣(12)。
5.根据权利要求1所述的一种毒品快速检测试剂板,其特征在于,所述卡槽(11)与卡扣(12)相适配,所述检测板A(7)、检测板B(8)、检测板C(9)和检测板D(10)四者均通过卡槽(11)和卡扣(12)卡合连接。
6.根据权利要求1所述的一种毒品快速检测试剂板,其特征在于,所述样品标签(2)、检测指示窗口(3)和检测结果说明标签(6)的表面均设置有防水膜。
2。