(完整版)了解一下锂电池充电IC的选择方案
- 格式:doc
- 大小:18.71 KB
- 文档页数:6
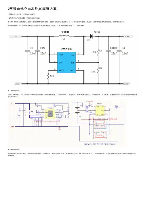
2节锂电池充电芯⽚,IC完整⽅案
2节锂电池充电芯⽚,和保护IC的接法
1.2节锂电池的充电电路:可以分为三种⽅式。
第⼀种,USB⼝的5V输⼊,使⽤⼀颗SOT23-6的升压IC,直接升压到8.4V.电流在1A以下。
优点是成本最低,缺点是,没有锂电池充电控制逻辑,和锂电池指⽰灯。
由于最早期时,专门的双节充电芯⽚还很少不常见和难购买的问题,才很多迫不得已采⽤DC-DC升压来做,
第⼆种充电电路:
⽬前主流5V输⼊,专门升压充2节的锂电池充电芯⽚已经是很普遍了,如PL7501C,常见物料,升压+充电+指⽰灯,采购也⽅便,成本也低,也是都转⽤专门的2节锂电池充电管理芯⽚PL7501C。
第三种充电电路:
⾼压输⼊9V⾄20V范围的,降压型的充电电路。
如PW4203,输⼊范围9V-20V,充电电流可达2A。
MOS管8205A8TS,TSSOP8封装。
可以多个MOS并联来达到和提⾼更⼤的过流保护值。
2.2节锂电池输出电路:
对于2节锂电池的输出来说,如果是DC-DC的话,就由1A-5A的多种选择了。
如果是LDO的话,就有两个,PW6218输⼊电压最⼤18V,PW6206输⼊电压最⼤40V,都是SOT23-3封装。
锂电池充电管理芯片概述说明以及概述1. 引言1.1 概述锂电池充电管理芯片是一种关键性的电子元件,广泛应用于各种设备和系统中,用于控制和管理锂电池的充电过程。
随着现代科技的不断进步和锂电池在移动设备、可穿戴设备、电动汽车以及能源存储系统等领域的广泛应用,对高效安全的充电管理方案的需求也越来越迫切。
本文将对锂电池充电管理芯片进行全面概述,并介绍其定义、原理、功能特点以及应用领域。
此外,还将详细解释充电管理芯片的工作原理,包括充电控制功能、温度监测和保护机制以及电压和电流检测技术。
在实际应用案例分析部分,我们将通过手机电池充电管理芯片实践案例、电动汽车充电管理芯片实践案例以及太阳能储能系统中的充电管理芯片实践案例来展示该技术在不同领域中的应用情况。
最后,在结论与展望部分将总结文章中主要观点和要点,并对未来发展趋势提出展望和建议。
通过深度理解锂电池充电管理芯片的特点和工作原理,有助于推动相关技术的创新发展,提升锂电池充电效率和安全性。
本文旨在为读者提供关于锂电池充电管理芯片的全面介绍,并激发对该领域研究的兴趣,促进更广泛的应用和进一步发展。
2. 锂电池充电管理芯片2.1 定义和原理:锂电池充电管理芯片是一种集成电路,它主要用于监测和控制锂电池的充电过程。
它通过与锂电池进行连接,并采集关键参数,如温度、电压和电流等。
然后,根据这些数据,利用内部算法实现对充电过程的精确控制。
锂电池充电管理芯片的工作原理基于以下几个关键方面:首先,它能够对输入的直流信号进行转换和处理,以获得所需的信息。
例如,可以通过采样来测量锂电池的电压和充放电过程中的实时电流。
其次,芯片具备自我保护机制,能够在有异常情况出现时及时断开充电回路,从而防止因过热、过压或其他故障导致锂电池发生损坏或事故。
此外,在不同情况下(如温度变化、大功率输入等)还可以根据芯片内部预设的算法调整充电策略和参数设置。
2.2 功能和特点:锂电池充电管理芯片具备以下主要功能:1) 充电控制功能:芯片可根据充放电状态实时调整充电方式和策略,确保锂电池的安全和高效充电。
电源是电子产品中一个组成部分,为了使电路性能稳定,往往还需要稳定电源。
便携式电子产品采用电池供电,如何使稳压电源部分性能满足电路的要求、耗电省(能延长电池的寿命)、安全性好、占空间小、重量轻是设计便携式电子产品中一个重要任务。
----近年来,各种便携式电子产品发展迅猛,特别是手持式计算机、移动通信装置、视频或音频产品、照相机、医疗仪器及测试仪器等发展更为神速,因此各半导体器件厂纷纷开发出各种适合便携式电子产品要求的新型电源IC,并给出各种典型应用电路,使电源设计工作变得较为简单,即电源设计工作是根据产品的要求来选择合适的电源IC。
为了合理地选择电源IC,首先要了解各种电源IC及其特点。
电源的分类及特点----根据不同的工作原理可将电源分成三类:线性稳压电源、开关稳压电源及电荷泵电源。
它们各自都有一定的特点及适用范围,这里分别作一简介。
线性稳压电源----线性稳压电源是因其内部调整管工作在线性范围而得名。
一般认为线性稳压电源的输入电压与输出电压之间的电压差(一般称为压差)大,调整管上的损耗大,效率低。
但近年来开发出各种低压差(LDO)的新型线性稳压器IC,一般可达到达输出100mA电流时,其压差在100mV左右的水平(甚至于到70-80mv 的水平),某些小电流的低压差线性稳压器其压差仅几十毫伏。
这样,调整管的损耗较小,效率也有较大的提高,因此可延长电池的寿命。
另外,线性稳压电源外围元件最少、输出噪声最小、静态电流最小,价格也便宜。
开关稳压电源----在便携式电子产品中,开关稳压电源主要指DC/DC变换器。
由于器件中有一个工作在开关状态的晶体管(一般是MOSFET),故称为开关电源。
开关管工作于饱和导通及截止两种状态,所以开关管管耗小并且与输入电压大小无关,效率较高(一般可达80~95%)。
----DC/DC变换器IC可以组成升压式(Vout>Vin)、降压式(Vout<vin)及电压反转式(vout=-vin),所以这一类电源ic在应用上较为灵活。
电池充电基础知识锂离子充电器IC是调节电池充电电流与电压的设备,常用于便携式设备,如手机、笔记本电脑和平板电脑等。
与其他化学成分的电池相比,锂离子电池是能量密度最高的电池之一,其单节电池提供的电压更高,承受的电流也更大,而且在电池满电时无需涓流充电。
不过,锂离子电池没有记忆效应,这意味着它不会“记住”在电量完全耗尽之前剩余的电量。
锂离子电池必须采用特殊的恒流恒压 (CC-CV) 充电曲线进行充电,充电曲线可根据电池温度和电压水平自动调整。
充电曲线充电曲线是锂离子电池的一项基本特性,它描述了电池充电时,电池的电压和电流如何变化。
为简化起见,充电曲线可以通过一个坐标图来表达,其X 轴表示时间,Y 轴表示电池电压或电池电量。
通过该曲线可以洞见电池的安全特性,并了解如何优化电池充电。
MP2759A是MPS提供的一款高集成度开关充电器IC,专为 1 至 6 节串联锂离子或锂聚合物电池应用而设计。
图 1 所示为MP2759A 的充电曲线。
图1: MP2759A的充电曲线锂离子电池遵循相对常见的充电曲线,下面将进行详细的描述。
需要注意,如果充电器 IC 提供可配置功能,设计人员将能够为这些充电阶段设置自己的阈值。
由于大多数电池制造商只为不同的最大充电电流水平设定同一阈值,因此阈值可配置功能非常有用。
可配置的阈值能够提供一层额外的安全保护,保护电池免受过压、过热条件以及过载的影响,从而避免电池的永久损坏或容量降级。
1.涓流充电:涓流充电阶段通常只在电池电压低于一个极低水平(约2.1V)时采用。
在这种状态下,电池组的内部保护IC 可能由于深度放电或发生过流事件已经断开了电池。
充电器IC 提供一个小电流(通常为50mA)为电池组的电容充电,以触发保护IC ,合上其FET重新连接电池。
虽然涓流充电通常只持续几秒钟,但充电器IC 仍然需要集成一个定时器。
如果电池组在一定时间内未重新连接,则定时器停止充电,因为这表明电池已损坏。
随着手持设备业务的不断发展,对电池充电器的要求也不断增加。
要为完成这项工作而选择正确的集成电路 (IC),我们必须权衡几个因素。
在开始设计以前,我们必须考虑诸如解决方案尺寸、USB标准、充电速率和成本等因素。
必须将这些因素按照重要程度依次排列,然后选择相应的充电器IC。
本文中,我们将介绍不同的充电拓扑结构,并研究电池充电器IC的一些特性。
此外,我们还将探讨一个应用和现有的解决方案。
锂离子电池充电周期锂离子电池要求专门的充电周期,以实现安全充电并最大化电池使用时间。
电池充电分两个阶段:恒定电流 (CC) 和恒定电压 (CV)。
电池位于完全充满电压以下时,电流经过稳压进入电池。
在CC模式下,电流经过稳压达到两个值之一。
如果电池电压非常低,则充电电流降低至预充电电平,以适应电池并防止电池损坏。
该阈值因电池化学属性而不同,一般取决于电池制造厂商。
一旦电池电压升至预充电阈值以上,充电便升至快速充电电流电平。
典型电池的最大建议快速充电电流为1C(C=1 小时内耗尽电池所需的电流),但该电流也取决地电池制造厂商。
典型充电电流为~0.8C,目的是最大化电池使用时间。
对电池充电时,电压上升。
一旦电池电压升至稳压电压(一般为4.2V),充电电流逐渐减少,同时对电池电压进行稳压以防止过充电。
在这种模式下,电池充电时电流逐渐减少,同时电池阻抗降低。
如果电流降至预定电平(一般为快速充电电流的10%),则终止充电。
我们一般不对电池浮充电,因为这样会缩短电池使用寿命。
图1 以图形方式说明了典型的充电周期。
线性解决方案与开关模式解决方案对比将适配器电压转降为电池电压并控制不同充电阶段的拓扑结构有两种:线性稳压器和电感开关。
这两种拓扑结构在体积、效率、解决方案成本和电磁干扰 (EMI) 辐射方面各有优缺点。
我们下面介绍这两种拓扑结构的各种优点和一些折中方法。
一般来说,电感开关是获得最高效率的最佳选择。
利用电阻器等检测组件,在输出端检测充电电流。
方案一:BP2971 电源管理芯片特点·输入电压区间(Pack+):Vss-0.3V~12V·FET 驱动CHG和DSG FET驱动输出·监测项过充监测过放监测充电过流监测放电过流监测短路监测·零充电电压,当无电池插入·工作温度区间: Ta= -40~85℃·封装形式: 6引脚 DSE(1.50mm 1.50mm 0.75mm)应用·笔记本电脑·手机·便携式设备绝对最大额定值·输入电源电压:-4.5V~7V·最大工作放电电流:7A·最大充电电流: 4.5A·过充保护电压(OVP):4.275V·过充压延迟:1.2s·过充保护电压(释放值):4.175V·过放保护电压(UVP):2.8V·过放压延迟:150ms·过放保护电压(释放值):2.9V·充电过流电压(OCC):-70mV·充电过流延迟:9ms·放电过流电压(OCD):100mV·放电过流延迟:18ms·负载短路电压:500mV·负载短路监测延迟:250us·负载短路电压(释放值):1V典型应用及原理图图1:BP2971应用原理图引脚功能NC(引脚1):无用引脚。
COUT(引脚2):充电FET驱动。
此引脚从高电平变为低电平,当过充电压被V-引脚所监测到DOUT(引脚3):放电FET驱动。
此引脚从高电平变为低电平,当过放电压被V-引脚所监测到VSS (引脚4):负电池链接端。
此引脚用于电池负极的接地参考电压BAT(引脚5):正电池连接端。
将电池的正端连接到此管脚。
并用0.1uF的输入电容接地。
V-(引脚6):电压监测点。
此引脚用于监测故障电压,例如过冲,过放,过流以及短路电压。
芯片功能原理图芯片功能性模式正常工作:该芯片同时检引脚5(BAT)引脚4(VSS)之间电压差和引脚6(V-)引脚4(VSS)之间的电压差去控制电池的充放电。
充电IC方案1. 引言充电IC是指用于管理和控制电池充电过程的集成电路芯片,广泛应用于各种电子设备的充电功能中。
充电IC的选择和设计对于电池充电的效率和安全性至关重要。
本文将介绍充电IC的基本原理、常见的充电IC方案以及如何选择适合自己需求的充电IC。
2. 充电IC的基本原理充电IC的基本原理是通过监测电池的电压和电流,并根据预先设定的参数,控制充电器的输出电压和电流,从而实现对电池的高效充电。
充电IC通常包括以下几个主要的功能模块:2.1 电流检测模块电流检测模块用于检测电池充电过程中的实时电流,通过将电流信号转换为可读取的数值,可以准确地监测电池的充电状态。
2.2 电压检测模块电压检测模块用于检测电池的电压,通过将电压信号转换为可读取的数值,可以实时监测电池的充电状态,并根据需要调整充电器的输出电压。
2.3 控制模块控制模块是充电IC的核心部分,它根据电流和电压检测模块提供的信息,通过内部的控制算法,控制充电器的输出电压和电流,以实现对电池的高效充电。
2.4 保护模块保护模块用于保护电池免受过充、过放、过流和短路等可能对电池安全造成的损害。
保护模块可以在检测到异常情况时及时中断充电过程,从而保护电池的安全。
3. 常见的充电IC方案根据不同的应用需求和电池类型,存在多种不同的充电IC方案。
下面介绍几种常见的充电IC方案:3.1 线性充电IC方案线性充电IC方案采用线性调节器的方式来控制充电电压和电流,由于线性调节器在转换过程中会产生较多的热量,因此效率较低。
线性充电IC方案适用于一些电池容量较小且充电速度要求不高的应用场景。
3.2 切换模式充电IC方案切换模式充电IC方案采用开关电源的方式,通过高效的开关电源转换器来实现对充电电压和电流的控制。
切换模式充电IC方案具有高效率、小体积和高可靠性的特点,适用于大容量电池和充电速度要求较高的应用场景。
3.3 USB充电IC方案USB充电IC方案是针对手机、平板等设备设计的,通过USB接口进行充电。
锂电池转干电池充放管理芯片-概述说明以及解释1.引言1.1 概述概述随着科技的不断发展,电池作为一种常见的电力供应方式,在我们的日常生活中扮演着越来越重要的角色。
传统的锂电池在许多方面都表现出了较好的性能,但是其存在一些使用限制,如充电时间长、容量下降、对温度敏感等问题。
而干电池则具有更长的寿命、更高的能量密度和更好的适应性,因此在某些特定应用领域有着广泛的应用。
为了解决锂电池的使用限制,一种新型的管理芯片问世了——锂电池转干电池充放管理芯片。
这种芯片可以将锂电池的充放电特性转换为符合干电池的需求,从而提供更稳定的供电和更长的使用寿命。
它通过优化充放电过程、合理控制电池的工作温度、降低电池容量衰减等方式,使得电池的性能和稳定性得到了显著提升。
在本文中,我们将会详细介绍锂电池和干电池的特点,并阐述为什么需要将锂电池转换为干电池。
随后,我们将重点介绍锂电池转干电池充放管理芯片的意义、技术要点和应用前景。
通过对这些内容的研究和探讨,我们希望能够更好地理解锂电池转干电池充放管理芯片的工作原理,并展望其在未来的发展趋势。
本文的结论部分将总结锂电池转干电池充放管理芯片的重要意义、技术要点和应用前景,并对其未来发展方向进行展望。
通过这篇文章,读者将能够对锂电池转干电池充放管理芯片有一个更全面和深入的了解,从而更好地应用于相关领域,并推动该技术的进一步发展。
1.2 文章结构本文共分为引言、正文和结论三个部分。
引言部分将介绍本文的概述、文章结构和目的。
首先,我们将概述锂电池和干电池的特点,以及锂电池转干电池的需求。
紧接着,本文旨在介绍锂电池转干电池充放管理芯片的意义、技术要点和应用前景。
正文部分将详细探讨锂电池和干电池的特点。
首先,我们将介绍锂电池的特点,包括其优点和缺点。
其次,我们将探讨干电池的特点,以及与锂电池相比的优势和劣势。
最后,我们将分析锂电池转干电池的需求,包括市场需求和技术需求。
结论部分将总结本文的主要内容。
一款基于锂电池保护芯片的均衡充电设计方案锂电池是一种高能量密度的电池,被广泛应用于移动设备、电子设备和电动车辆等领域。
由于其化学特性的限制,锂电池在充电和放电过程中需要进行保护和均衡控制,以避免过充、过放和电池不平衡等问题。
因此,设计一款基于锂电池保护芯片的均衡充电方案是非常重要的。
首先,我们需要选取适合锂电池的保护芯片。
保护芯片的功能包括过充保护、过放保护以及短路保护等。
在市场上有许多成熟的锂电池保护芯片供应商,如TI、Maxim和NXP等。
我们可以根据具体需求选取一款适合的保护芯片。
其次,针对充电过程中的均衡控制问题,我们需要设计一种均衡充电电路。
充电电路的主要目标是将电池组中电池的电压进行均衡,以保证各个电池的充电状态达到一致。
一种常见的均衡充电电路是采用分流方式,在电池组中串联电阻或电压依赖器实现电池间的电流分流。
通过监测每个电池的电压,控制分流电阻的导通与否,以实现电池间的均衡充电。
此外,还可以利用开关式电容器均衡电路或者电压源均衡电路来实现电池组均衡充电。
在充电过程中,还需要确保充电电流的稳定和安全。
为此,我们可以在设计中添加电流传感器,并使用反馈控制来控制充电电流。
可以选择使用电流采样电阻或者Hall效应传感器来实现电流的采样。
通过与保护芯片的通信,根据电流变化来调整充电电流,以确保充电的安全性。
此外,为了避免过热问题,我们还可以在设计中加入温度传感器来监测电池的温度。
通过与保护芯片的通信,控制充电电流的大小,以确保电池的温度在安全范围内。
如果温度过高,可以采取降低充电电流、停止充电或其他措施。
最后,为了充分利用电池容量,我们可以在设计中加入充电截止电压的可调功能。
通过与保护芯片的通信,可以根据实际应用需求,调节充电截止电压,以达到最佳的充电效果。
综上所述,一款基于锂电池保护芯片的均衡充电设计方案需要选取适合的保护芯片,并设计均衡充电电路、充电电流控制、温度监测和调节充电截止电压等功能。
锂电池充电方案1. 简介锂电池是一种常见的可充电电池类型,具有高能量密度、长寿命和轻量化等优点,在各种移动设备和便携式电子产品中得到广泛应用。
为了有效地使用锂电池并延长其寿命,一个合理的充电方案是至关重要的。
本文将介绍锂电池充电方案的选择和相关注意事项。
2. 锂电池充电原理锂电池充电的基本原理是通过将正极和负极之间的电流流入电池,将电池内部化学反应进行逆反应,以恢复电池的电荷状态。
充电时,正极材料会释放锂离子,负极材料则会接收这些锂离子。
当电池完全充满时,所有的锂离子都回到了正极,电池处于饱和状态。
3. 常见的锂电池充电方案3.1 恒流充电恒流充电是最常见且最简单的充电方案之一。
在恒流充电过程中,充电器提供一个恒定的电流,以控制充电速度。
一旦电池达到额定电压,充电器将停止提供电流,充电过程完成。
恒流充电方案的优点是简单可行,但缺点是充电结束时需要手动断开电源。
3.2 恒压充电恒压充电是另一种常见的充电方案。
在恒压充电过程中,充电器提供一个恒定的电压,以控制充电速度。
当电池电压达到额定值时,充电器会自动降低输出电流,以避免过充。
恒压充电方案的优点是自动停止充电,避免过充,但缺点是充电速度相对较慢。
3.3 恒流恒压充电恒流恒压充电是一种综合了恒流充电和恒压充电的方案。
在电池电压较低时,采用恒流充电方式,以快速充入电荷。
当电池电压接近额定值时,切换为恒压充电方式,以避免过充。
恒流恒压充电方案的优点是兼具快速充电和过充保护的能力。
4. 锂电池充电的注意事项•温度控制:锂电池在充电过程中会产生热能,过高的温度可能导致电池损坏或安全事故。
因此,在充电过程中需要注意控制温度,可以采用温度传感器进行实时监测,并采取相应的措施进行散热。
•充电速度:锂电池的充电速度应根据电池规格来选择,过快的充电速度可能对电池造成损伤。
•过充保护:锂电池充电过程中需要注意过充的问题,一旦电池电压达到额定值,充电器应停止供电,避免过充。
锂离子电池保护元件选型指南随着锂离子电池在电子产品、汽车等领域的广泛应用,锂离子电池的保护成为了一个日益重要的领域。
而锂离子电池的保护元件则是保障锂离子电池安全和性能的关键。
因此,正确选型锂离子电池保护元件是电池保护工作的重要环节。
1. 保护芯片的功能在正确选型锂离子电池保护元件之前,需要了解保护芯片的功能。
首先,保护芯片必须能够控制电池的充放电过程,防止过充和过放。
其次,保护芯片需要能够监测电池的电压、电流和温度等参数,以及检测短路和过流情况等异常情况。
最后,保护芯片要能够及时地响应异常情况,切断电池的电流,保障电池和设备的安全。
2. 保护芯片的选型当了解了保护芯片的功能之后,就能够进行保护芯片的选型。
在选型之前,需要考虑以下几点:(1)电池的类型:锂离子电池的保护芯片与其他电池类型的保护芯片有所不同,因为它需要控制锂离子电池的电化学反应过程。
(2)单体电压:锂离子电池的单体电压不同,需要选择电压范围适合的保护芯片。
(3)电池的容量:电池的容量不同,需要选择适合的保护芯片。
(4)工作温度范围:锂离子电池对温度敏感,保护芯片需要能够在适合的温度范围内工作。
(5)响应时间:保护芯片需要能够在极短的时间内响应异常情况,以保障电池的安全。
(6)额定电流:保护芯片的额定电流需要与电池充放电的最大电流相匹配。
3. 参考品牌和型号目前市面上有许多品牌和型号的锂离子电池保护芯片,其中一些比较常见的品牌和型号如下:(1)TI(德州仪器)公司的BQ76920(2)Maxim(美信)公司的MAX14920(3)TI(德州仪器)公司的BQ38《2系/3系/4系》(4)Allegro(美国)公司的APS25XX(5)Intersil(美国)公司的ISL 94XX需要注意的是,在选择锂离子电池保护芯片时,最好选择知名品牌的产品,以保证产品的质量和可靠性。
4. 其他注意事项在选型之后,还需要注意以下事项:(1)保护芯片的应用板设计需要符合产品的需求,包括功耗、布局、接口、标志等方面。
锂电池选型的详细步骤1.引言概述部分的内容可以从以下几个方面展开:1.1 概述现如今,锂电池已经广泛应用于移动设备、电动汽车、储能系统等领域,成为当今时代不可或缺的能源储存技术之一。
锂电池以其高能量密度、长寿命和环保等优势,逐渐取代了传统的镍镉电池和镍氢电池,成为主流的电池技术。
然而,在选用合适的锂电池时,我们需要考虑多个因素,如电池类型、容量需求、循环寿命、安全性等。
因此,进行锂电池的选型是一个值得重视的过程。
本文将通过介绍锂电池的基本原理和分类,探讨锂电池选型的重要性,以及总结选型步骤和未来锂电池选型的发展趋势,帮助读者更好地了解和应用锂电池技术。
首先,我们将详细介绍锂电池的基本原理和分类。
锂电池是一种通过锂离子在正负极之间的迁移,从而实现电荷与放电过程的能源转换装置。
根据不同的正负极材料和电解液,锂电池被分为锂离子电池、锂聚合物电池和锂硫电池等多种类型。
每种类型的锂电池都有其特定的应用领域和性能指标,因此选型时需要根据实际需求进行权衡。
接下来,我们将探讨锂电池选型的重要性。
正确的锂电池选型可以保证设备的正常运行和性能稳定。
不同应用场景对锂电池的性能要求不同,例如移动设备对电池容量和体积的要求较高,而电动汽车对电池的能量密度和循环寿命有较高的要求。
因此,在选型时需要综合考虑多个因素,并根据应用需求进行权衡,以确保选用的锂电池能够满足实际应用的要求。
最后,我们将总结锂电池选型的步骤,并展望未来锂电池选型的发展趋势。
通过系统的选型步骤,读者可以了解到如何根据实际需求确定锂电池的类型、容量和性能指标。
未来,随着科技的不断发展,锂电池技术也将不断创新和改进,以满足人们对更高能量密度、更长循环寿命和更安全可靠的锂电池的需求。
通过对锂电池选型的详细步骤进行分析和阐述,本文旨在帮助读者更好地理解和应用锂电池技术,为他们在实际应用中做出明智的选型决策提供指导。
同时,对于锂电池行业的从业者和研究者来说,本文也可作为参考资料和技术交流的平台,促进锂电池选型技术的进一步发展和创新。
开关模式锂离子电池充电IC1.概述对于现今的智能手机、平板电脑、移动销售终端等便携式设备来说,电池使用时间和充电时间都成了问题,主要是因为越来越强大的处理器对电源的消耗也越来越大了,电池的容量必须不断增长以满足使用时长的需求。
要对大容量的电池进行充电,延长充电时间或加大充电电流以缩短充电时间就成了必然的选择,而为了使用上的便利性,选择加大充电电流必然成为最后的唯一选项。
要用大电流对电池进行充电,传统的线性充电器件受到诸多限制,以开关模式工作的充电器件走上前台成为大多数情况下的必然之选。
本文针对开关模式充电器件在单节锂离子电池充电应用中的问题进行解释2.锂离子电池的充电策略对锂离子电池的充电是需要特别小心的,因为错误的充电方法可以缩短电池寿命、对电池造成伤害,甚至可能造成安全问题。
下图显示的是最典型的锂离子电池充电策略:图1深度放电的锂离子电池在充电初期需要一个预充过程,这时候的电池电压低于某个阈值,充电电流必须很小,这样可以使电池进入可以接受大电流充电的状态。
预充过程还有解除电池保护电路的欠压保护状态的作用。
在正常的使用状态下,预充过程通常不会发生,因为大多数应用都不会容许进入电池的深度放电状态。
当电池电压超过预充阈值以后,充电过程就可以进入快充状态。
在这种模式下,充电器件按照预先定义好的恒定电流(CC, Constant Current)为电池提供电流,其数据通常是与电池的容量相关的。
大多数应用的快充电流介于0.5C~1C之间(C是电池的容量,其单位一般为Ah或mAh),较低内阻的电池可以使用较高的充电速率,这个规则反过来也是成立的。
大电流的锂聚合物电池具有特别的构造,它们可以接受比较高的充电速率(如2C~4C)。
当电池电压达到电池额定电压的时候,充电器就要从恒流(CC)模式切入恒压(CV, Constant Voltage)模式,充电电流也会逐渐下降。
对充电器的恒压模式输出电压需要进行精确的控制以避免对电池的过充和可能导致的危险,这个值通常介于4.15V~4.4V之间。
了解一下锂电池充电IC的选择方案锂电池充电IC是一种用于管理锂电池充电过程的集成电路。
它们被广泛应用于智能手机、平板电脑、便携式电子设备以及电动汽车等领域。
选择适合的锂电池充电IC方案是确保电池充电过程安全和高效的关键因素之一首先,选择合适的锂电池充电IC方案需要考虑以下几个方面:1.锂电池充电技术:常见的锂电池充电技术包括线性充电、开关充电和负责充电三种。
线性充电方案简单,成本低,但效率较低。
开关充电方案具有高效率,但设计和实现较复杂。
负责充电方案结合了线性和开关充电的优点,在效率和设计复杂性方面取得了平衡。
2.充电电流和电压:锂电池的充电电流和电压是决定充电速度和效果的关键因素。
充电IC应该能够支持锂电池的额定电流和电压范围,以确保充电过程稳定和安全。
3.充电安全功能:锂电池充电过程中存在一定的安全风险,如过充、过放、过流和短路等。
选择具有过充保护、过放保护、过流保护和短路保护等功能的充电IC,可以有效保护锂电池免受损坏和安全事故。
4. 适配锂电池类型:锂电池有多种类型,如锂离子电池(Li-ion)、锂聚合物电池(Li-poly)和锂铁电池(LiFePO4)等。
选择适配于所使用锂电池类型的充电IC,可以提高充电效率和电池寿命。
5.兼容性和可编程性:部分锂电池充电IC具有可编程的特性,可以根据特定的应用需求进行配置和调整。
同时,考虑到系统级的兼容性,选择一个充电IC与其他关键电路和组件无缝集成是非常重要的。
除了以上几个方面,还应考虑供应商的信誉和技术支持,以及充电IC的成本和功耗等因素。
在市场上,有许多知名的公司提供锂电池充电IC,如TI(德州仪器)、Maxim Integrated(美国)、STMicroelectronics(意法半导体)和Microchip(美国)等,它们提供了多种不同类型的锂电池充电IC方案,以满足不同应用需求。
总之,选择合适的锂电池充电IC方案需要综合考虑锂电池充电技术、充电电流和电压、充电安全功能、锂电池类型、兼容性和可编程性等因素。
快充型锂离子电池的选材、设计要点锂离子电池正在朝三个方向发展:当前智能手机的充电倍率普遍在1C16min即可将手机充至满电;(2)更高的能量密度,目前4.45V体系平台已经成熟商业化,4.48V甚至更高的电压平台成为了热门的研究方向;(3)更长的循环寿命,过去几年3C锂离子电池的使用寿命要求为500次循环,而目前各大厂商已经将其提高至800次循环。
所谓快充就是在很短的时间内给电池以最快的充电速度,将电池电量充至满电或者接近满电的充电方法,但是需要保证锂离子电池能够达到规定的循环寿命、相关安全性能以及电性能。
目前,普通的商用锂离子电池也可以偶尔大倍率充放电,但是其长期大倍率充放电会导致其循环寿命的大幅度衰减。
快充型锂离子电池需要经过专门的快充选材、设计,才可以达到客户的要求。
本文根据长期的快充电池设计经验,论述了快充型锂离子电池的设计要点以及相关的影响因素。
1 材料方面在锂离子电池中,Li+的扩散过程如图1所示,主要包括Li+从正极材料中脱出、Li+在电解液中迁移、Li+通过隔膜、Li+嵌入负极以及Li+在负极材料内部的扩散。
提高锂离子电池的快充性能需要在这几方面进行研究。
一般地,负极材料内部的固相扩散系数相对较小,限制了负极材料电池的大电流充放电能力,成为电极反应的控制步骤。
Li+在电场和浓度梯度的作用下由正极迁移、扩散至负极,这其中经历了液相扩散,电解液的浓度对于快充性能的提升也有明显的影响。
隔膜的孔隙率决定了Li+迁移量,隔膜孔隙率小,则大电流充电容易造成堵孔,隔膜的厚度决定Li+扩散的距离,隔膜越薄,其扩散的距离越小。
1.1 负极材料石墨材料具有二维层状结构以及低电压平台等优势,层间C-C间距可达0.340nm,且Li+可嵌入石墨的层间,形成层间化合物LixC6,成为最常用的负极材料之一。
石墨的层状结构使得Li+必须从石墨的端头嵌入,继而扩散至颗粒内部,增长了扩散路径。
小的层间距使得Li+的扩散速率较低,在进行大倍率充电时,Li+容易在石墨表面沉积形成大量锂枝晶,造成安全隐患。
随着手持设备业务的不断发展,对电池充电器的要求也不断增加。
要为完成这项工作而选择正确的集成电路 (IC),我们必须权衡几个因素。
在开始设计以前,我们必须考虑诸如解决方案尺寸、USB标准、充电速率和成本等因素。
必须将这些因素按照重要程度依次排列,然后选择相应的充电器IC。
本文中,我们将介绍不同的充电拓扑结构,并研究电池充电器IC的一些特性。
此外,我们还将探讨一个应用和现有的解决方案。
锂离子电池充电周期锂离子电池要求专门的充电周期,以实现安全充电并最大化电池使用时间。
电池充电分两个阶段:恒定电流 (CC) 和恒定电压 (CV)。
电池位于完全充满电压以下时,电流经过稳压进入电池。
在CC模式下,电流经过稳压达到两个值之一。
如果电池电压非常低,则充电电流降低至预充电电平,以适应电池并防止电池损坏。
该阈值因电池化学属性而不同,一般取决于电池制造厂商。
一旦电池电压升至预充电阈值以上,充电便升至快速充电电流电平。
典型电池的最大建议快速充电电流为1C(C=1 小时内耗尽电池所需的电流),但该电流也取决地电池制造厂商。
典型充电电流为~0.8C,目的是最大化电池使用时间。
对电池充电时,电压上升。
一旦电池电压升至稳压电压(一般为4.2V),充电电流逐渐减少,同时对电池电压进行稳压以防止过充电。
在这种模式下,电池充电时电流逐渐减少,同时电池阻抗降低。
如果电流降至预定电平(一般为快速充电电流的10%),则终止充电。
我们一般不对电池浮充电,因为这样会缩短电池使用寿命。
图1 以图形方式说明了典型的充电周期。
线性解决方案与开关模式解决方案对比将适配器电压转降为电池电压并控制不同充电阶段的拓扑结构有两种:线性稳压器和电感开关。
这两种拓扑结构在体积、效率、解决方案成本和电磁干扰 (EMI) 辐射方面各有优缺点。
我们下面介绍这两种拓扑结构的各种优点和一些折中方法。
一般来说,电感开关是获得最高效率的最佳选择。
利用电阻器等检测组件,在输出端检测充电电流。
充电器在CC 模式下时,电流反馈电路控制占空比。
电池电压检测反馈电路控制CV 模式下的占空比。
根据特性集的不同,可能会出现其他一些控制环路。
我们将在后面详细讨论这些环路。
电感开关电路要求开关组件、整流器、电感和输入及输出电容器。
就许多应用而言,通过选择一种将开关组件和整流器都嵌入到IC 中的器件,可以缩小解决方案的尺寸。
根据不同的负载,这些电路的典型效率为80% 到96%。
开关转换器因其电感尺寸一般会要求更多的空间,同时也更加昂贵。
开关转换器还会引起电感EMI 辐射,以及开关带来的输出端噪声。
线性充电器通过降低旁路组件的输入电压,降低DC 电压。
这样做的好处是解决方案只要求三个组件:旁路组件和输入/输出电容。
相比电感开关,线性压降稳压器 (LDO) 通常为一款低成本的解决方案,且噪声更低。
通过稳压旁路组件的电阻来限制进入电池的电流,从而对充电电流进行控制。
电流反馈一般来自充电器IC 的输入。
对电池电压进行检测,以提供CV 反馈。
改变旁路组件的电阻,来维持进入IC 输入端的恒定电流或者恒定电池电压。
器件的输入电流等于负载电流。
这就是说解决方案的效率等于输出电压与输入电压的比。
LDO 解决方案的缺点是高输入输出电压比时(即低电量情况)效率较低。
所有功率都被旁路组件消耗,其意味着LDO 并非那些输入输出差较大的高充电电流应用的理想选择。
这些高功耗应用要求散热,从而增加了解决方案的尺寸。
功耗及温升计算其中,η为充电器的效率,而POUT = VOUT × IOUT。
利用热阻,可以计算得到功耗带来的温升。
每种应用的热阻都不同,其取决于电路板布局、气流和封装等具体参数。
我们应该针对终端应用电路板对热阻建模。
请记住,产品说明书中定义的ΘJA 并非这种应用中热阻的恰当表示方法。
应该使用什么样的拓扑?您需要研究的第一个参数是充电电流。
对于一些小型应用来说,例如:充电电流介于25Ma 到150mA 之间的蓝牙TM耳机等,最佳解决方案几乎都是线性充电器。
这些应用一般都具有非常小的体积,无法为开关的更多组件提供额外空间。
另外,由于其非常低的功耗要求,功耗带来的温升可以忽略不计。
对于手机应用来说,充电电流一般在350-700mA 范围以内。
在这种范围中,很多时候线性解决方案仍然非常有效。
由于它们通常都为低成本手机,其成本压力更大,因此线性充电器便成为一种理想的解决方案。
智能手机应用的电池体积较大,且充电电流需求大于1.5A,这时使用开关解决方案则更加合理。
1.5A 电流条件下,温升会非常大。
例如,使用一个线性充电器通过5V 适配器对一块3.6V 电池充电时,效率为72%。
首先,这个效率听起来似乎不太坏。
如果您从功耗的角度来看它,这种应用要消耗约2W。
在一个热阻(ΘJA) 为40°C/W 的应用中,芯片温度上升80°C。
在40°C 环境温度下,电路板温度会上升至120°C,其对手持设备来说是不可接受的。
在极低电池电压(即3 V)下,这一问题甚至会变得极端严重。
相同3V 条件下,温度升至120°C。
让我们来看相同条件下的开关解决方案,使用一个单体电池IC 充电器时,效率上升至约85%。
使用一块3.6V 电池时,功耗低于1W,从而带来40°C 的温升。
3V 时这种改善更加明显。
假设3V 输出时的效率为80%,则功耗低于800 mW,因此温升会更低(约32°C)。
这些智能手机的体积一般可以容许稍大一点的解决方案,并且能够承受开关模式解决方案相关的稍许成本增加。
为任务选择正确的IC在您已经完成您的初步热分析并且选好充电器拓扑以后,您便可以转到选择应用的最佳IC 上来。
新型的电池充电器解决方案集成了许多特性,可以利用它们改善系统的性能。
诸如输入过压保护、电源路径管理 (PPM)、VIN_DPM、散热稳压、负温度系数热敏电阻 (NTC) 监测和USB 充电等特性,都被集成到许多电池充电器IC 中。
大多数单体电池充电器解决方案都已将要求FET 集成到了器件中,旨在节省电路板面积。
输入过压保护(单输入与双输入对比)在当今的市场上,USB 电源已经成为最为常见的电源,因此通过USB 电源充电已经成为一种必然性。
市场已经从使用专门AC 适配器和单独USB 接口的初始双输入转变为将一个USB 接口既作为墙上电源适合器接口使用,也作为使用相同线缆的USB 数据输入接口的单输入解决方案。
这样便导致一种从双输入解决方案向单输入解决方案的转移。
单输入在接口方面存在许多挑战。
由于存在如此多的配件市场适配器解决方案和一种通用接口,输入端必须要能够在无损坏的情况下承受更高的电压。
由于电池充电器始终连接到输入端,因此充电器对所有下游电路实施过电压状态保护是有道理的。
为了实施这一功能,市场上出现了许多能够承受20V 甚至30V 电压的解决方案。
另外,这些器件都具有过电压保护 (OVP) 电路,其在输入超出OVP 阈值时阻止器件运行。
这样便进一步保护了下游电路,使其免受潜在的瞬态过电压状态损坏。
目前,随着绿色输入(即太阳能电池)或无线充电的出现,应用又再一次向双输入要求转移。
根据具体的应用要求,两种配置结构都可以使用。
电源路径管理/最小系统电压电池充电器的一般方法是将系统直接连接到电池,让充电器同时为电池和系统供电。
然后,对系统的总电流进行稳压,这样做存在几个问题。
特别是低电池电量启动、终止干扰和早期计时器超时等问题。
电源路径管理通过对电池电流和系统电流进行分别监测,消除了这些问题。
最低系统电压使用传统方法时,系统电压始终与电池相同。
因此,电池深度放电时,在电池充电到某个可用电平以前系统都不会启动。
利用PPM,可对系统电压单独稳压,将其与电池电压区分开来。
这就意味着可以实现最低系统电压,其与电池电压无关。
对用户而言,这就意味着连接适配器的同时他们便可以使用设备,假设条件是其具有足够的功率来驱动系统。
如bq25060 等器件就具有这种功能。
更短的充电时间由于系统电流和充电电流是单独编程的,因此可以使用适配器的满功率,其与电池的容量和充电电流的大小均无关。
传统拓扑结构中,充电器的输出电流必须设定为最大充电电流,以应对没有系统负载的情况。
当系统中有负载时,由于系统吸收可用电流,有效充电电流降低。
例如,一个使用900 mA 适配器和500 mAhr 电池的系统,使用传统方法可以编程500 mA 的充电电流。
如果系统负载为200 mA,有效充电电流仅为300 mA,充电时间几乎翻了一翻。
如果使用PPM 来研究这一相同案例,输入电流限制设定为900 mA。
这样便允许全部500 mA充电电流,且拥有多达400 mA 的额外系统电流。
终止和早期计时器超时在对总电流进行稳压的传统系统中,电流在电池和负载之间共用。
如果系统负载足够大到从电池拉取充电电流,且在计时器超时以前电池不充电,则计时器会出现伪超时。
另外,如果系统电流绝对不会降至设定终止电流以下,则永远不会终止。
电源路径管理通过单独监测充电电流,并动态地使用可稳压计时器(通过减少充电电流进行稳压),防止这些条件出现。
就终止问题而言,单独对充电电流进行监测,可让终止条件测定变得容易。
基于输入电压的动态电源管理 (VIN-DPM)为了防止出现输入源超负载的欠压状态,一些器件实施了基于输入电压的动态电源管理 (VIN-DPM)。
这种环路降低输入电流限制来防止输入崩溃。
VIN-DPM 环路对输入电压进行有效的稳压,来最大化电源的电流。
图4 显示了在无VIN-DPM 保护的情况下USB 端口的超负载结果。
请注意,输入电压降至电源状态良好阈值以下时,充电器关闭。
这样便关闭了电源负载,并允许输入电压恢复,从而开启充电器。
这种开/关脉冲发生并不是我们想要的。
VIN-DPM 通过限制输入电流阻止脉冲发生,从而防止输入源崩溃。
图5 显示了超负载USB 端口的结果。
VIN-DPM 功能开始生效,降低输入电流限制,从而防止输入源崩溃。
NTC 监测(包括JEITA)通过充电期间的监测防止电池组损坏甚至是爆炸时,电池温度极为重要。
一般来说,通过对集成到电池组中或者靠近系统板上电池组安装的NTC 热敏电阻进行监测,来完成这项工作。
许多充电器都具有集成到IC 中的NTC 监测功能。
如果电池温度处在某些非安全温度下时,这些IC 便对温度和禁用充电电流进行监测。
一种新兴的电池充电标准是日本电池温度标准 (JEITA)。
这种标准规定了一些需降低充电电压或者电流以提供更安全运行的中间温度。
该JEITA标准在许多充电器IC 中也很容易实施。
例如,单输入单体锂离子电池充电器集成了一种无需主机关联的独立解决方案。
对于NTC 受主机监测的系统来说,许多IC 都提供了非常简单的实施。