G.657.A1光纤技术指标
- 格式:doc
- 大小:74.00 KB
- 文档页数:2
ITU-T G.657光纤属性的推荐值注1–ITU-T G.652光纤部署半径15mm在1 625 nm一般宏弯曲损耗每10圈几个分贝。
注2–宏弯曲损耗可以用卷绕法评估([IEC 60793-1-47 ] 方法A),替换本表中弯曲半径和匝数的规定。
注3 -由于测量短光缆衰减系数的准确性不高,其值可以从原来提供商的长光缆中扣除。
注4 -此波长区域可以扩展到1260nm,在1 310 nm衰减值上增加0.07 dB/km瑞利散射损失。
注5–氢老化是一种测试,该测试应根据[IEC 60793-2-50 ] 对一组B1.3类光纤采样来完成。
偏振模色散PMD (Polarization Mode Dispersion)注1–宏弯曲损耗可以用卷绕法评估([IEC 60793-1-47 ] 方法A),替换本表中弯曲半径和匝数的规定。
注2–针对成缆前光纤宏弯曲性能可以建立一个基准,实际设计和电缆建造材料可为该领域的性能做出贡献。
有助于导致场性能。
该研究为微弯效应综合布线正在进行中,对光缆的宏观弯曲效应的研究正在进行中,这可能会导致将来需要更多的光缆规范或参数。
注3–运营商可以决定,符合ITU-T G.657 B类光纤遵守[ ITU-T G.657 ] .A类光纤(或ITU-T G.652 D光纤)光谱衰减特性在他们的(特殊的)网络中可能不是必需的。
例如,当这些纤维在接入网端时,在1380 nm左右小的衰减系数差异(也即在[b-ITU-T G-Sup.39]图10-4 ] 可以发现)可能不会引起系统损害或部署问题(对系统总体性能的影响可以忽略不计)。
注4 -由于测量短电缆衰减系数的准确性不高,其值可以从原来提供商的长光缆中扣除。
注5 -此波长区域可以扩展到1260nm,在1 310 nm衰减值上增加0.07 dB/km瑞利散射损失。
注6–氢老化是一种测试,该测试应根据[IEC 60793-2-50 ] 对一组B1.3类光纤采样来完成。
g657光纤标准
G657光纤标准是一种弯曲不敏感单模光纤,主要特点是具有优异的耐弯曲特性。
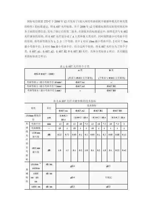
按照是否与光纤兼容的原则分为A、B两大类,A类光纤与光纤能完全兼容,B类不要求与光纤兼容。
同时按照最小可弯曲半径的原则,将弯曲等级分为1、2、3三个等级,其中1对应10mm最小弯曲半径,2对应最小弯曲半径,3对应5mm最小弯曲半径。
根据这两个原则,光纤分为了四个子类,、、和光纤。
其中,G657A光纤行业标准分为和两个子类,而本部分规定了B6类接入网用弯曲损耗不敏感单模光纤的几何、光学、传输特性和机械、环境性能的要求,以及光纤特性的测量方法。
如需更多信息,建议前往信息技术论坛查询。
浅谈G.657单模光纤光纤品种和性能的研究和发展是与传输系统和通信网络的研究和发展同步进行的。
随着传输距离延长、传输速率提高和传输容量增大,新的光纤品种不断产生,以满足各种通信系统和网络发展的需要。
因此,在光纤通信技术发展的30多年中,已经先后诞生了6个光纤品种,光纤从传输模式上可分为单模光纤和多模光纤两种。
在具体介绍光纤之前,先了解一下光纤的基本结构,如下图所示(以单模光纤为例):光纤由纤芯、包层以及涂覆层三部分组成。
单模光纤的纤芯为9μm,而多模光纤的纤芯为50μm或者62.5μm国际电信联盟将其命名为ITU-G.651G(多模光纤)、ITU-G.652(非色散位移单模光纤)、ITU-G.653(色散位移单模光纤)、ITU-G.654(截止波长位移单模光纤)、ITU-G.6 55(非零色散位移单模光纤)和ITU-G.656(宽带光传输用非零色散位移单模光纤)。
上述6中光纤最本质的区别体现在他们各自所具有的衰减、色散、非线性效应和工作波长等传输性能。
不同性能的光纤品种不断产生,恰好反应了传输系统和和通信网络从短距离、低速率和小容量向长距离、高速率和大容量的发展历程。
同时,这个发展历程又告诉我们传输技术和通信网络的发展一定会推动光纤性能研究和新的光纤品种诞生。
在FTTH建设中,由于光缆被安放在拥挤的管道中或者经过多次弯曲后被固定在接线盒或插座等具有狭小空间的线路终端设备中,所以FTTH用的光缆应该是结构简单、敷设方便和价格便宜的光缆。
因此,一些著名的制造厂商纷纷开展了抗弯曲单模光纤的研究。
为了规范抗弯曲单模光纤产品的性能,ITU-T于2006年12月发布了ITU-TG.657 接入网用弯曲不敏感单模光纤和光缆特性”的标准建议,即G.657光纤标准。
在众多光纤类型中,单模光纤通信突破了多模光纤通信的局限:1.单模光纤通信的带宽大,通常可传100Gbit/s以上。
2.单模发光器件为激光器,光频谱窄,光波纯净,光传输色散小,传输距离远。
【精品】光纤的弯曲损耗、抗弯曲光纤标准G657及试验光纤的弯曲损耗、抗弯曲光纤标准G.657及试验 2007年9月成都大唐线缆有限公司: 电信科学技术第五研究所: 薛梦驰引言随着接入网光缆的布放和FTTH 的迅速发展,室内和机房狭小的弯曲半径和存储空间,使得对光纤弯曲损耗的要求越来越高。
在此背景下,抗弯曲光纤近期已成为ITU-T SG15组和SG6组的热点研究课题,G.657光纤因而应运而生。
与此同时,光纤的弯曲也影响着光纤其他诸多的性能,例如截止波长、大功率注入、存储寿命等。
本文主要介绍: 光纤弯曲损耗的理论和计算弯曲与截止波长的关系弯曲对大功率注入的影响 G.657抗弯曲光纤标准光纤弯曲损耗的对比测试接入网用多模光纤标准进展一、光纤弯曲损耗的理论和计算光纤的弯曲损耗归根揭底是由于光不满足全内反射的条件而造成的。
它可分为宏弯损耗和微弯损耗两种: 宏弯损耗:当光纤弯曲时,光在弯曲部分中进行传输,当超过某个临界曲率时,传导模就会变成辐射模,从而引起光束功率的损耗。
微弯损耗:微弯曲相应于光纤在其正常(直的)位置附近以微小偏移作随机振荡。
尽管偏移量小(曲率半径可以和光纤的横截面尺寸相比拟),但振荡周期一般也很小,因而可能发生急剧的局部弯曲。
微弯主要是由制造和安装过程中的应变、以及由于温度变化引起的光缆材料尺寸变化引起,例如受到侧压力或者套塑光纤在温度变化时产生的微小不规则弯曲。
一、光纤弯曲损耗的理论和计算1、宏弯损耗的计算: 对折射率突变型单模光纤,设曲率半径为R,则每单位长度的弯曲损耗由下式给出1: 1 c AC R 2 exp UR dB / m ..............1 当近似公式1?λ/λcf?2 3 时准确率 n 2 3(2 U 0.7053(3 1 cf 2 13 1) AC 30 n 4 2 dB / m 2 优于10 由2.748 0.996 m1) cf 优于于Ac在式(1)的指数项外,故结果是足够好的。
弯曲损耗不敏感单模光纤 G657A1/A2/B2G657A1 企标 1310nm 衰减系数 1383nm(加氢老化) 1550nm 1625nm 衰减不均匀性 衰减不连续性 衰减波长特性 1310nm、1550nm 1310nm、1550nm 1288~1330nm 1525~1575nm 零色散波长 nm 零色散斜率 光学 传输 性能 色散特性 1288~1339nm 1271~1360nm 1550nm 1625nm 光纤的偏振模色散 光缆截止波长 宏弯损耗(10 圈,30mm) (10 圈,30mm) (1 圈,20mm) (1 圈,20mm) (1 圈,15mm) (1 圈,15mm) 模场直径 翘曲度 包层直径 尺寸 参数 芯/包同心度 包层不圆度 涂层直径 包层/涂层同心度 涂层不圆度 筛选应变 抗拉强度(10m 标距) 机械 性能 抗疲劳参数 Nd 涂层峰值剥离力 N 涂层平均剥离力 N 环 温度循环附加衰减 (-60℃ ~ +85℃) dB/km@1310nm, 境 1550nm, 1625 nm 15% 韦伯断裂概率 50% 韦伯断裂概率 1550nm 1625nm 1550nm 1625nm 1550nm 1625nm 1310nm ≤0.35 ≤0.35 ≤0.21 ≤0.23 ≤0.03 ≤0.03 ≤0.05 ≤0.05 1300~1324 ≤0.092 ≤3.5 ≤5.3 ≤18 ≤22 ≤0.1 ≤1260 ≤0.2dB ≤0.5dB ≤0.3dB ≤1.0dB 8.8± 0.4 ≥4.0 125 ± 0.7 ≤0.5 ≤1.0% 243± 5 ≤8 ≤3% ≥1.05% 2.76 3.45 ≥ 22 1.0~8.9 1.0~5.0 ≤ 0.05 G657A2/B2 企标 ≤0.35 ≤0.35 ≤0.21 ≤0.23 ≤0.05 ≤0.05 ≤0.05 ≤0.05 1300~1324 ≤0.092 ≤3.5 ≤5.3 ≤18 ≤22 ≤0.1 ≤1260 ≤0.03 ≤0.1 ≤0.1 ≤0.2 ≤0.5 ≤1.0 8.6± 0.4 ≥4.0 125 ± 0.7 ≤0.5 ≤1.0% 243± 5 ≤8 ≤3% ≥1.05% 2.76 3.45 ≥ 22 1.0~8.9 1.0~5.0 ≤ 0.05类别 描述性 湿热老化(+85± 2℃, 85%RH,30 天) dB/km@1310nm, 能 1550nm, 1625 nm 高温老化(85± 2℃,30 天 ) dB/km @1310nm,1550 nm, 1625 nm 浸水附加衰减 (23± 2℃,30 天 ) dB/km @1310nm,1550 nm, 1625 nm≤ 0.05 ≤ 0.05 ≤ 0.05≤ 0.05 ≤ 0.05 ≤ 0.05。
光纤弯曲半径标准
光纤的弯曲半径关系到光纤的使用寿命和性能。
通常来说,不同类型的光纤具有不同的弯曲半径要求,其中单模光纤允许的弯曲半径大于多模光纤。
具体标准如下:
对于G.657系列光纤,最小弯曲半径A1型为10mm,A2型为7.5mm,B1型为15mm,B2型为17.5mm,B3型为20mm。
对于G.652系列光纤,最小弯曲半径一般为30mm。
此外,光纤光缆线路敷设对转弯半径的控制分为静态弯曲半径和动态弯曲半径两种,其中静态弯曲半径应该在光纤光缆外径的15倍以上,动态弯曲半径应该在光纤光缆外径的20倍以上。
在敷设时,还应控制牵引强度,避免超过规范张力。
请注意,具体的光纤弯曲半径标准可能会根据不同的产品、应用和制造工艺有所不同。
在具体使用和采购过程中,建议仔细查阅产品说明书或与供应商进
行确认,以确保选择合适的光纤类型和满足相关标准要求。