第三批行业碳排放强度先进值20160428
- 格式:pdf
- 大小:129.65 KB
- 文档页数:1
北京市发展和改革委员会关于发布北京市2016年碳排放第三方核查机构和核查员名单的通知
【法规类别】环保综合规定
【发文字号】京发改[2016]105号
【发布部门】北京市发展和改革委员会
【发布日期】2016.01.19
【实施日期】2016.01.19
【时效性】现行有效
【效力级别】XP10
北京市发展和改革委员会关于发布北京市2016年碳排放第三方核查机构和核查员名单的
通知
(京发改[2016]105号)
各有关单位:
为规范碳排放第三方核查工作,充分发挥专业机构政策咨询和技术支撑作用,根据《北京市碳排放权交易管理办法(试行)》(京政发〔2014〕14号),我委建立了第三方核查机构目录库,实行第三方核查机构和核查员“双备案”制度,已备案22家第三方核查机构以及276名核查员。
根据工作需要,经公开征集、单位申报、专家评审
1 / 1。
主要行业污染物排放系数参照表一、主要污染物排放系数(一)燃料燃烧过程中的污染物排放系数1、每吨蒸气所产生的烟气量[单位:米3/(时·吨)]若锅炉尾部的实际过剩空气系数a值与表内数值不同时,并要将排烟量换算为标准状态下的排烟量,可按下式计算:GNm=a/a'V D273/273+t'式中:GNm——标准状态下实际排烟量(标米3/时);a'——表中过剩空气系数;V’——表中排烟温度t'时的烟气量(米3/时)t'——表中的排烟度(o c)a——实际过剩空气系数;D——锅炉蒸发量(吨/时)。
2、燃烧1吨煤炭排放的各污染物量 (单位:千克/ 吨)注:S*指煤的含硫量(%)。
若煤的含硫量为2%,则1吨煤然烧排SO2为16.0×2=32千克。
统计固体、液体和气体等燃料排放的各种污染物量时,如公式法和查表法计算的结果不同时,以公式计算的结果数为准。
3、燃烧1立方米油排放的各污染物量(单位:千克/米3)注:S*指燃料含硫量(%),计算方法与燃煤同,油类含硫量:原油0.1%-3.3%,汽油<0.25%,轻油0.5%-0.75%,重油0.5-3.5%4、燃烧1百万立方米燃料气排放的各污染物量(二)生产过程中的污染物排放系数1、冶金工业(1)钢铁工业(2)有色金属工业有色金属工业(单位:吨)2、煤炭工业3、化学工业(1)无机化学工业无机化学工业包括酸碱、合成氨、氮、磷、钾肥和各种无机盐类的生产,下面只介绍几个主要行业生产过程中污染物排放系数。
(2)有机化学工业有机化工是以石油、煤、天然气为原料,通过一系列复杂的化学反应制得有机原料或产品,有机化工副产品多、废水量大,现将部分有机原料或产品的污染物排放系数作以介绍:1)基本有机合成基本有机合成工业排污系数:2)高分子合成工业3)石油工业4)日用化学工业(单位:吨)5)农药工业(单位:吨)4、轻工业(1)食品工业(2)造纸工业(3)纺织印染工业5、制革工业制革工业中,污染物主要来自准备工段和鞣制工段产生的工业废水。
北京市发展和改革委员会关于发布行业碳排放强度先进值的通知正文:---------------------------------------------------------------------------------------------------------------------------------------------------- 北京市发展和改革委员会关于发布行业碳排放强度先进值的通知(京发改[2014]905号)各有关单位:为科学、公开、公平的分配重点排放单位碳排放配额,我委印发了《关于开展碳排放权交易试点工作的通知》(京发改规〔2013〕5号),通知中明确了本市重点排放单位排放配额由既有设施配额、2013年新增设施配额、配额调整量三部分组成。
其中2013年1月1日之后投入运行的新增设施配额依据重点排放单位所属行业的碳排放强度先进值进行核定。
为做好新增设施配额核定工作,我们组织专业研究团队,在充分调研、科学试算、广泛征求各方意见的基础上,确定了23个行业41个细分行业的碳排放强度先进值,现印发给大家。
在碳排放权交易试点期间,我们将依据此次公布的各行业碳排放强度先进值,并按照《关于做好2014年碳排放报告报送核查及有关工作的通知》(京发改[2014]439号)中规定的方法,核发各重点排放单位符合条件的新增设施排放配额。
特此通知。
附件:行业碳排放强度先进值北京市发展和改革委员会2014年4月29日附件行业碳排放强度先进值序号行业子类先进值单位先进值备注1啤酒行业kgCO2/ kL162.562纸制品制造kgCO2/万元88.393饮料制造kgCO2/万元110.064非金属矿物制品业非金属矿物品kgCO2/万元46.97非金属材料kgCO2/万元261.775高校和工程技术研发类理工及综合类kgCO2/m233.42文史财经师范及政法类kgCO2/m233.32高职及专业院校类kgCO2/m224.38工程技术类kgCO2/m246.946金属制品业kgCO2/万元101.877汽车、铁路零部件及配件制造业kgCO2/万元10.228汽车行业普通轿车kgCO2/辆410.91高级轿车及运动型kgCO2/辆1094.02不含生产发动机,发动机生产碳排放强度先进值为整车生产的18.46%中、重型载货车kgCO2/辆881.18多功能车kgCO2/辆410.539零售业、政府办公机构政府办公机构kgCO2/m242.28百货零售业79.24超市零售业kgCO2/m2 60.7010热力行业kgCO2/GJ 62.1111银行业kgCO2/m2 52.6012住宿餐饮业住宿业kgCO2/m2 49.05餐饮业kgCO2/m2 285.5013供热kgCO2/GJ59.78供电E级<=0.3 kgCO2/MWh368.30供电E级>0.3 kgCO2/MWh341.15供电F级<=0.3 kgCO2/MWh345.49供电F级>0.3 kgCO2/MWh312.3714其他服务业房地产业及商务服务业kgCO2/m229.13文化体育kgCO2/m257.8815电气机械和器材、计算机、通信和其他电子设备制造业光电子器件及其他电子器件制造kgCO2/万元267.93电子元器件及组件制造kgCO2/万元319.20其他电子电气产品kgCO2/万元182.4916大型医院类kgCO2/m273.4717信息传输业通信行业kgCO2/万元137.93其他企业kgCO2/m255.4618食品制造业kgCO2/万元73.3519中成药生产kgCO2/万元131.9520西药制造业kgCO2/万元109.2221化学原料和化学制品制造业kgCO2/万元569.3122农副食品加工业kgCO2/万元116.2123物业管理类kgCO2/万元484.73——结束——。
工业和信息化部办公厅关于印发2016年第三批行业标准制修订计划的通
知
正文:
----------------------------------------------------------------------------------------------------------------------------------------------------
工业和信息化部办公厅关于印发2016年第三批行业标准制修订计划的通知
工信厅科[2016]152号
有关单位:
根据工业和通信业行业标准制修订工作的总体安排,工业和信息化部编制完成了2016年第三批行业标准制修订计划。
现印发给你们,请认真组织落实。
具体要求如下:
一、标准起草单位要注意做好标准制定与技术创新、试验验证、知识产权处置、产业化推进、应用推广的统筹协调。
二、标准化技术归口单位、技术组织、有关行业协会(联合会)、集团公司(企业)等主管单位要尽早安排,将文件及时转发至主要起草单位,并做好标准意见征求和技术审查等工作,把好技术审查关。
三、部内相关司局应做好行业标准制修订过程的管理工作,确保标准质量。
四、在计划的执行过程中,如需对标准项目进行调整,按有关规定办理。
附件:2016年第三批行业标准制修订计划
工业和信息化部办公厅
2016年10月17日
——结束——。
国家能源局关于2016年度全国可再生能源电力发展监测评价的通报【法规类别】能源综合规定【发文字号】国能新能[2017]97号【发布部门】国家能源局【发布日期】2017.04.10【实施日期】2017.04.10【时效性】现行有效【效力级别】XE0303国家能源局关于2016年度全国可再生能源电力发展监测评价的通报(国能新能[2017]97号)各省(区、市)发展改革委、能源局,国家电网公司、南方电网公司、内蒙古电力公司,各有关单位:为促进可再生能源开发利用,科学评估各地区可再生能源发展状况,确保实现国家2020年、2030年非化石能源占一次能源消费比重分别达到15%和20%的战略目标,根据《关于建立可再生能源开发利用目标引导制度的指导意见》(国能新能[2016]54号)和《关于做好风电、光伏发电全额保障性收购管理工作的通知》(发改能源[2016]1150号),我局委托国家可再生能源中心汇总有关可再生能源电力建设和运行监测数据,形成了《2016年度全国可再生能源电力发展监测评价报告》(以下简称监测评价报告)。
现将监测评价报告予以通报,以此作为各地区2017年可再生能源开发建设和并网运行的基础数据,请各地区和有关单位高度重视可再生能源电力发展和全额保障性收购工作,采取有效措施推动提高可再生能源利用水平,为完成全国非化石能源消费比重目标作出积极贡献。
附件:2016年度全国可再生能源电力发展监测评价报告国家能源局2017年4月10日附件:2016年度全国可再生能源电力发展监测评价报告一、全国可再生能源电力发展总体情况到2016年底,全国可再生能源发电装机容量5.7亿千瓦,占全部电力装机的34.6%,其中水电装机3.32亿千瓦,占全部电力装机的20.2%;风电装机1.49亿千瓦,占全部电力装机的9.0%;光伏发电装机7742万千瓦,占全部电力装机的4.7%;生物质发电装机1214万千瓦,占全部电力装机的0.7%。
农、林、牧、渔、水利业柴油消费总量(万吨)2069煤炭开采和洗选业11641.84石油和天然气开采业2114.525金属矿采选业362.3639非金属矿及其他矿采选业401.0405食品制造及烟草加工业2094.879纺织业1390.848纺织服装鞋帽皮革羽绒及其制品业231.5978木材加工及家具制造业281.1309造纸印刷及文教体育用品制造业2261.759石油加工、炼焦及核燃料加工业48328.95化学工业14328.86非金属矿物制品业12806.93金属冶炼及压延加工业42186.73金属制品业337.2099通用、专用设备制造业1438.472交通运输设备制造业795.5534电气机械及器材制造业274.6582通信设备、计算机及其他电子设备制造业221.7579仪器仪表及文化办公用机械制造业39.6527工艺品及其他制造业258.2109279.3378废品废料21.12686电力、热力的生产和供应业煤炭消费总量(万吨)76166.75燃气生产和供应业柴油消费总量(万吨)732.7306水的生产和供应业柴油消费总量(万吨)41.97836建筑业柴油消费总量(万吨)1049.86交通运输、仓储和邮政业柴油消费总量(万吨)13575.25批发、零售业和住宿、餐饮业柴油消费总量(万吨)1486.065其他行业柴油消费总量(万吨)3260.913生活消费柴油消费总量(万吨)7597.539各行业碳排放量总产出亿元240200.618322.230.076279农、林、牧、渔、水利业柴油消费总量(万吨)206969319.80000000煤炭开采和洗选业11641.8420166.13383220石油和天然气开采业2114.52511673.25189107金属矿采选业362.363911409.89783891非金属矿及其他矿采选业401.04055389.97532131食品制造及烟草加工业2094.87967432.28543478纺织业1390.84832614.50806031纺织服装鞋帽皮革羽绒及其制品业231.597824157.28967860木材加工及家具制造业281.130915046.14533862造纸印刷及文教体育用品制造业2261.75920793.63607041石油加工、炼焦及核燃料加工业48328.9530148.60972328化学工业14328.8693251.05852501非金属矿物制品业12806.9340064.07387669金属冶炼及压延加工业42186.7382081.79211344金属制品业337.209924496.78742368通用、专用设备制造业1438.47266270.33138833交通运输设备制造业795.553458703.35983388电气机械及器材制造业274.658245894.94352373通信设备、计算机及其他电子设备制造业221.757956567.60805744仪器仪表及文化办公用机械制造业39.65277137.46428825工艺品及其他制造业(含废品废料)279.337813655.48978651电力、热力的生产和供应业煤炭消费总量(万吨)76166.7543748.48710314燃气生产和供应业柴油消费总量(万吨)732.73062241.12412986水的生产和供应业柴油消费总量(万吨)41.978361741.08274693建筑业柴油消费总量(万吨)1049.86102343.30077176交通运输、仓储和邮政业柴油消费总量(万吨)13575.2549267.85581批发、零售业和住宿、餐饮业柴油消费总量(万吨)1486.06564694.40423其他行业柴油消费总量(万吨)3260.913192334.1753各行业碳排放量总产出亿元万吨各行业碳排放量0.0298471730.5772967790.1811427550.0317587330.0744048820.0310664080.0426450750.0095870770.0186845790.1087716811.603024190.1536589150.319661090.5139597040.0137654730.0217061290.0135520930.0059844990.0039202270.0055555720.0204560791.7410146050.3269477790.024110490.0102582170.275539660.0229705310.016954415单位产值碳排放量。
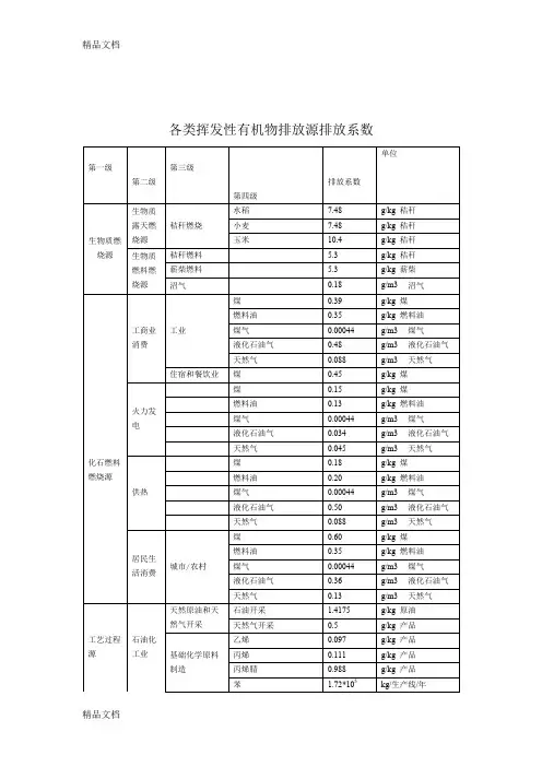
附件1:各类挥发性有机物排放源排放系数第一级第二级第三级第四级排放系数单位生物质燃烧源生物质露天燃烧源水稻7.48g/kg秸秆秸秆燃烧小麦7.48g/kg秸秆玉米10.4g/kg秸秆生物质燃料燃烧源秸秆燃料 5.3g/kg秸秆薪柴燃料 5.3g/kg薪柴沼气0.18g/m3沼气工商业工业煤0.39g/kg煤燃料油0.35g/kg燃料油煤气0.00044g/m3煤气化石燃料燃烧源消费液化石油气0.48g/m3液化石油气天然气0.088g/m3天然气住宿和餐饮业煤0.45g/kg煤火力发电煤0.15g/kg煤燃料油0.13g/kg燃料油煤气0.00044g/m3煤气液化石油气0.034g/m3液化石油气天然气0.045g/m3天然气供热煤0.18g/kg煤燃料油0.20g/kg燃料油煤气0.00044g/m3煤气液化石油气0.50g/m3液化石油气天然气0.088g/m3天然气居民生活消费城市/农村煤0.60g/kg煤燃料油0.35g/kg燃料油煤气0.00044g/m3煤气液化石油气0.36g/m3液化石油气天然气0.13g/m3天然气工艺过程源石油化工业天然原油和天然气开采石油开采 1.4175g/kg原油天然气开采0.5g/kg产品基础化学原料制造乙烯0.097g/kg产品丙烯0.111g/kg产品丙烯腈0.988g/kg产品苯 1.72*105kg/生产线/年甲苯 1.72*105kg/生产线/年乙苯0.1g/kg产品丁二烯139.74g/kg产品苯乙烯0.223g/kg产品基础化学原料制造邻二甲苯 1.72*105kg/生产线/年间二甲苯 1.72*105kg/生产线/年对二甲苯 1.72*105kg/生产线/年混合二甲苯 1.72*105kg/生产线/年化学原料药430g/kg产品肥料制造尿素0.01g/kg产品合成氨 4.72g/kg产品涂料、油墨、颜料及类似产品制造油墨50g/kg产品油漆15g/kg产品染料81.4g/kg产品炭黑52g/kg产品印染81.4g/kg产品合成树脂聚氯乙烯(PVC)0.7448g/kg产品聚苯乙烯(PS) 5.4g/kg产品聚丙烯(PP)3g/kg产品高密度聚乙烯 5.7g/kg产品线性聚乙烯10g/kg产品低密度聚乙烯10g/kg产品合成纤维精对苯二甲酸19.8g/kg产品丙烯腈0.988g/kg产品乙二醇0.515g/kg产品尼纶 3.3g/kg产品涤纶0.7g/kg产品腈纶37.1g/kg产品丙纶37.1g/kg产品维纶7.7g/kg产品粘胶纤维14.5g/kg产品合成橡胶顺丁橡胶/丁苯橡胶/氯丁橡胶/丁腈橡胶7.17g/kg产品再生橡胶制造轮胎0.91kg/个泡沫塑料制造泡沫塑料770g/kg产品塑料人造革、合成革制造人造革/合成革0.182kg/m2革精炼石油产品精炼石油 1.82g/kg产品油品储存原油0.123g/kg油品汽油0.156g/kg油品油品运输原油 1.6036g/kg油品汽油 1.6036g/kg油品加油站汽油/柴油 3.243g/kg油品其他工艺过程煤炭开采洗煤0.196g/kg产品水泥、石灰和石水泥/石灰/石膏0.177g/kg产品膏的制造砖瓦、石材及其他建筑材料制造粘土砖瓦0.132g/kg产品建筑陶瓷29.22g/kg产品沥青油毡0.432g/kg产品玻璃及玻璃制平板玻璃 4.4g/kg产品品制造玻璃纤维 3.15g/kg产品陶瓷制品制造卫生陶瓷29.22g/kg产品搪瓷29.22g/kg产品炼钢电弧炉0.1g/kg钢热轧0.3g/kg钢未注明工艺轧钢0.2g/kg钢炼焦机械炼焦 2.96g/kg焦炭土法炼焦 5.36g/kg焦炭植物油加工玉米油9.35g/kg产品棉花籽油8.75g/kg产品花生油10.35g/kg产品大豆油 2.45g/kg产品非食用植物油9.165g/kg产品制糖制糖8g/kg糖农副食品加工业植物油提炼:溶剂萃取5.5g/kg产品肉制品及副产品加工业熏肉0.143g/kg肉制品焙烤食品制造饼干1g/kg 面包10.62g/kg酒的制造白酒25g/kg产品酒精218.25g/kg产品啤酒0.25g/kg产品红酒0.5g/kg产品人造板制造人造板0.5g/m3人造板纸浆制造牛皮纸制浆法 3.1g/kg纸浆水利、环境和公共设施管理业固体废物焚烧0.74g/kg垃圾固体废物堆肥0.74g/kg垃圾固体废物填埋0.23g/kg垃圾电力、燃气及水的生产和供应业污水处理0.0011g/kg污水溶剂使用源农药使用杀虫剂敌敌畏576g/kg农药氧化乐果568g/kg农药氯氰菊脂562g/kg农药除草剂百草枯276g/kg农药多菌灵382g/kg农药草甘膦355.8g/kg农药杀菌剂稻瘟净568g/kg农药表面涂层建筑涂料建筑内墙涂料120g/kg涂料建筑外墙水性涂料120g/kg涂料建筑外墙溶剂型涂料450g/kg涂料汽车喷涂汽车21.2kg/辆摩托车 1.8kg/辆自行车0.3kg/辆轿车 2.43kg/辆汽车喷漆(大车)20kg/辆其他涂层饮料罐涂层97吨/生产线/年漆包线涂层84.37吨/生产线/年金属家具涂层218吨/厂/年家电涂层0.2kg/件木制家具涂层0.4kg/件机床涂层0.4kg/件设备制造0.4kg/件染色过程油墨印刷传统油墨印刷750g/kg油墨新型油墨印刷100g/kg油墨染料印染81.4g/kg染料沥青铺路沥青沥青铺路353g/kg沥青其他打字机60吨/厂/年其他办公用品25吨/厂/年干洗(三氯乙烯/四氯乙烯)1000g/kg干洗剂去污脱脂0.044kg/人/年生活和商业溶剂使用0.1kg/人/年烹饪 3.5g/人/年注:数据来源于《大气挥发性有机物源排放清单编制技术指南(试行)》附件2:我国产品中的挥发性有机物排放限值标准标准编号标准名称VOCs限制物种VOCs限值GB8680-2001人造板及其制品中甲醛释放限量甲醛0.09g/kg(可直接用于室内);0.30g/kg(必须饰面处理后允许用于室内的人造板)GB18581-2001溶剂型木器涂料中有害物质限量VOCs、苯、甲苯和二甲苯、游离甲苯二异氰酸酯750g/L(硝基漆类);600-700g/L(聚氨酯漆类);550g/L(醇酸漆类)GB18582-2001内墙涂料中有害物质限量VOCs、游离甲醛200g/LGB18582-2008内墙涂料中有害物质限量VOCs,苯、甲苯、乙苯、二甲苯总和120g/L水性墙面涂料;15g/kg水性墙面腻子GB18583-2001胶黏剂中有害物质限量VOCs、游离甲醛、苯、甲苯和二甲苯、甲苯二异氰酸酯溶剂型胶粘剂:750g/L;水基型胶粘剂:50g/L。
环境保护部办公厅关于核发2016年度消耗臭氧层物质
生产和使用配额的通知
文章属性
•【制定机关】环境保护部(已撤销)
•【公布日期】2016.01.07
•【文号】环办污防函[2016]41号
•【施行日期】2016.01.07
•【效力等级】部门规范性文件
•【时效性】现行有效
•【主题分类】大气污染防治
正文
关于核发2016年度消耗臭氧层物质生产和使用配额的通知
环办污防函[2016]41号各有关企业:
根据《中华人民共和国大气污染防治法》和《消耗臭氧层物质管理条例》等有关规定,现核发浙江衢化氟化学有限公司等25家企业2016年度含氢氯氟烃(HCFCs)生产配额,核发珠海格力电器股份有限公司等82家企业2016年度含HCFCs使用配额,核发利安隆博华(天津)医药化学有限公司等8家企业用于试剂及助剂用途的2016年度四氯化碳使用配额,核发连云港死海溴化物有限公司等3家企业用于生姜种植前土壤熏蒸关键用途豁免的2016年度甲基溴生产配额。
请你单位严格按照核定的生产、使用配额组织相应消耗臭氧层物质的生产、销售、采购、使用,并按照相关要求及时向我部报送2016年度消耗臭氧层物质生产、使用配额执行情况。
我部将委托你单位所在地的环境保护主管部门对配额执行情况进行监督检查,
并组织有关专家进行核查。
附件:消耗臭氧层物质生产和使用配额分配表
环境保护部办公厅
2016年1月7日。
国家发改委发布《国家重点节能技术推广目录(第三批)》名
单
佚名
【期刊名称】《《中国金属通报》》
【年(卷),期】2010(000)047
【摘要】为贯彻落实《中华人民共和国节约能源法》、《国务院关于加强节能工
作的决定》和《国务院关于进一步加大工作力度确保实现“十一五”节能减排目标的通知》,加快重点节能技术的推广普及,引导用能单位采用先进的节能新工艺、新技术和新设备,提高能源利用效率,国家发改委近日发布2010年第33号公告,公布了《国家重点节能技术推广目录(第三批)》名单。
【总页数】1页(P10-10)
【正文语种】中文
【中图分类】TK018
【相关文献】
1.《国家重点节能技术推广目录(第三批)》发布 [J], 无
2.国家发改委发布《国家重点节能低碳技术推广目录(2017年本,节能部分)》[J], 无;
3.国家发改委发布国家重点节能低碳技术推广目录(2016年本,节能部分) [J],
4.国家重点节能技术推广目录(第三批)发布 [J],
5.国家发改委最新发布:《国家重点节能低碳技术推广目录(2014年本,节能部分)》[J], 张洪成
因版权原因,仅展示原文概要,查看原文内容请购买。
国家环境保护总局关于发布1999年度第三批环保产品认定结果的通知文章属性•【制定机关】国家环境保护总局(已撤销)•【公布日期】1999.10.10•【文号】环发[1999]222号•【施行日期】1999.10.10•【效力等级】部门规范性文件•【时效性】现行有效•【主题分类】环境保护综合规定正文国家环境保护总局关于发布1999年度第三批环保产品认定结果的通知(环发[1999]222号)各省、自治区、直辖市环境保护局:根据《环境保护产品认定管理暂行办法》的规定,经对申请环保产品认定的单位检查和产品检测,BSII-50气浮水处理设备等25项产品通过了环保产品认定,MAST型埋地式生活污水处理设备等8项环保产品复查合格,现予公布。
附:1999年度第三批通过环保产品认定的产品名录一九九九年十月十日1999年度第三批通过环保产品认定的产品名录┌───┬──────────┬───────────┬──────┬────┬───┐│ 序号│产品名称│申报单位│证书号│有效期│备注│├───┼──────────┼───────────┼──────┼────┼───┤│1│BSII-50气浮水处理设│宜兴市高塍环保器材厂│HR-1999-093 │3年││││备│││││├───┼──────────┼───────────┼──────┼────┼───┤│2│YF一元化气浮装置│宜兴市水处理环保设备实│HR-1999-094 │3年│││││业公司││││├───┼──────────┼───────────┼──────┼────┼───┤│3│HYL系列含油废水处理│宜兴市水处理环保设备实│HR-1999-095 │3年││││设备│业公司││││├───┼──────────┼───────────┼──────┼────┼───┤│4│SFY-40型含油废水处理│宜兴市四方环保有限公司│HR-1999-096 │3年││││设备│││││├───┼──────────┼───────────┼──────┼────┼───┤│5│WSZ型生活污水处理设│宜兴市彬鹏环保设备有限│HR-1999-097 │3年││││备│公司││││├───┼──────────┼───────────┼──────┼────┼───┤│6│MAST型埋地式污水处理│宜兴市水处理环保设备实│HR-1999-098 │3年│复审│││设备│业公司││││├───┼──────────┼───────────┼──────┼────┼───┤│7│DSTE地埋式污水处理设│宜兴市环发设备制造公司│HR-1999-099 │3年│复审│││备│││││├───┼──────────┼───────────┼──────┼────┼───┤│8│DWE-15型地埋式生活污│北京加能帝亚水工技术设│HR-1999-100 │3年││││水处理设备│备开发有限公司││││├───┼──────────┼───────────┼──────┼────┼───┤│9│HF-1500型回转式固液│江苏泉溪环保股份有限公│HR-1999-101 │3年││││分离机│司││││├───┼──────────┼───────────┼──────┼────┼───┤│10│GL-2300型格栅除污机│江苏泉溪环保股份有限公│HR-1999-102 │3年│││││司││││├───┼──────────┼───────────┼──────┼────┼───┤│11│QW型(3.0Kw以下)潜水│安徽三联泵业股份有限公│HR-1999-103 │3年││││排污泵│司││││├───┼──────────┼───────────┼──────┼────┼───┤│12│复合聚合氯化铝│福建省漳蒲县夏莲净水剂│HR-1999-104 │3年│││││有限公司││││├───┼──────────┼───────────┼──────┼────┼───┤│13│XZTD型陶瓷多管除尘器│铁法市民乐环保设备厂│HR-1999-105 │3年││├───┼──────────┼───────────┼──────┼────┼───┤│14│SZC/G-10T湿式脱硫除│锦州市除尘设备厂│HR-1999-106 │3年││││尘器│││││├───┼──────────┼───────────┼──────┼────┼───┤│15│TDTL-1型陶瓷旋风水膜│大连白玉环保设备有限公│HR-1999-107 │3年││││脱硫除尘器│司││││├───┼──────────┼───────────┼──────┼────┼───┤│16│DC系列电除尘器│长春发电设备总厂│HR-1999-109 │3年││├───┼──────────┼───────────┼──────┼────┼───┤│17│涤纶圆筒除尘滤料(729│浙江省天台县工业用布厂│HR-1999-110 │3年││││)│││││├───┼──────────┼───────────┼──────┼────┼───┤│18│涤纶圆筒除尘布袋机织│浙江省天台县工业用布厂│HR-1999-111 │3年││││绒布(208)│││││├───┼──────────┼───────────┼──────┼────┼───┤│19│LFW-125小型焚烧炉│福建省丰泉机械制造有限│HR-1999-112 │3年│││││公司││││├───┼──────────┼───────────┼──────┼────┼───┤│20│LYS-20型超声波明渠流│上海西派埃仪表成套有限│HR-1999-113 │3年││││量计│公司环保工程测控设备厂││││├───┼──────────┼───────────┼──────┼────┼───┤│21│DWL-500型明渠电脑污│沈阳市永光电器仪表厂│HR-1999-114 │3年││││水流量计│││││├───┼──────────┼───────────┼──────┼────┼───┤│22│JLWZ-0001污染治理设│北京中环发环境科技集团│HR-1999-115 │3年││││施运行记录仪│││││├───┼──────────┼───────────┼──────┼────┼───┤│23│JLWZ-BQ-II污染治理设│北京标旗安全环保装备研│HR-1999-116 │3年││││施运行记录仪│究所││││├───┼──────────┼───────────┼──────┼────┼───┤│24│SHP-600型汽车曲轴箱│台州市天立车辆环保设备│HR-1999-117 │3年││││强制通风装置│有限公司││││├───┼──────────┼───────────┼──────┼────┼───┤│25│TD/TEEC-3Z型汽车排气│湖北通达汽车部件股份有│HR-1999-118 │3年││││催化转化器│限公司││││├───┼──────────┼───────────┼──────┼────┼───┤│26│华理牌LH-I型汽车尾气│上海华理环保发展有限公│HR-1999-119 │1年││││催化净化器│司││││├───┼──────────┼───────────┼──────┼────┼───┤│27│CE牌QJX1-1型汽车尾气│山西洁世实业有限公司│HR-1999-120 │1年││││催化净化器│││││├───┼──────────┼───────────┼──────┼────┼───┤│28│SG-I型汽油车燃油蒸发│泰兴市工程塑料制造公司│HR-1999-121 │3年│复审│││污染物控制装置-活性│││││││炭罐│││││├───┼──────────┼───────────┼──────┼────┼───┤│29│KG-1汽油机动车降污节│上海银盾科技实业发展有│HR-1999-122 │至2000年│复审│││油增力器│限公司││底││├───┼──────────┼───────────┼──────┼────┼───┤│30│WB-1型(武斌)溢流式高│北京武氏高技术有限责任│HR-1999-123 │至2000年│复审│││效节油净化器│公司││底││├───┼──────────┼───────────┼──────┼────┼───┤│31│玉福牌YFL型自动排空│贵州玉福滤清器有限责任│HR-1999-124 │至2000年│复审│││柴油精滤器│公司││底││├───┼──────────┼───────────┼──────┼────┼───┤│32│万特来“VITALIZER” │大连时代环保科技有限公│HR-1999-125 │至2000年│复审│││降污节油装置│司││底││├───┼──────────┼───────────┼──────┼────┼───┤│33│飞马牌MFE-303型环保│美国新技术开发咨询(集│HR-1999-126 │至2000年│复审│││引擎增效器│团)公司││底││└───┴──────────┴───────────┴──────┴────┴───┘。
中华人民共和国国家经济贸易委员会令第32号《淘汰落后生产能力、工艺和产品的目录》(第三批)已经国务院批准,现予公布,自2002年7月1日起施行。
国家经济贸易委员会主任李荣融二OO二年六月二日淘汰落后生产能力、工艺和产品的目录(第三批)为制止低水平重复建设,防治环境污染,加快结构调整步伐,促进生产工艺、装备和产品的升级换代,根据国家有关法律、法规,制定本目录。
一、本目录淘汰的是违反国家法律法规、生产方式落后、产品质量低劣、环境污染严重、原材料和能源消耗高的落后生产能力、工艺和产品。
二、本目录涉及消防、化工、冶金、黄金、建材、新闻出版、轻工、纺织、棉花加工、机械、电力、铁道、汽车、医药、卫生共15个行业、120项内容。
国家经贸委将在研究制定产业政策的过程中,针对国内外市场变化和产业发展情况,陆续分批公布淘汰落后生产能力、工艺和产品的目录。
三、各地区、各部门和有关企业要制定具体规划,采取有力措施,限期坚决淘汰本目录所列落后生产能力、工艺和产品,一律不得进口、新上、转移、生产、销售、使用和采用本目录所列生产能力、工艺和产品。
有关产品进口管理部门要根据本目录调整《禁止进口目录》,并对外公布实施。
四、本目录适用于各种类型的企业。
各地人民政府要督促本地企业认真执行本目录。
对拒不执行淘汰目录的企业,有关部门要限令其停产并取消生产许可证,工商行政管理部门要吊销其营业执照,各商业银行要停止贷款。
情节严重的,要依法追究主管人员和其他责任人员的责任。
五、本目录由国家经济贸易委员会负责解释。
附件:淘汰落后生产能力、工艺和产品的目录(第三批)附件:淘汰落后生产能力、工艺和产品的目录(第三批)序号名称淘汰期限一、落后生产能力1 年生产能力小于或等于3万吨的硫铁矿制酸2005年2 年生产能力小于或等于50万条的斜交轮胎,或以天然棉帘子布为骨架的轮胎2002年3 年生产能力小于或等于1万吨的干法造粒炭黑生产装置2003年4 每分钟生产能力小于100瓶的碳酸饮料生产线2002年5 年生产能力小于5万吨的真空制盐、湖盐和北方海盐的生产装置2003年6 利用矿盐卤水、油气田水且采用平锅、滩晒制盐的生产装置2002年7月1日7 年生产能力小于1万吨的南方海盐生产装置2002年8 年生产能力小于1万吨的化学制浆造纸生产装置2004年二、落后生产工艺装备9 小混汞碾提金工艺2002年10 单机架三辊劳特式轧机2003年11 热处理铅浴炉 2003年12 热处理氯化钡盐浴炉2003年13 TQ60、TQ80塔式起重机2002年7月1日14 QT16、QT20、QT25井架简易塔式起重机2002年7月1日15 T100、T100A推土机2002年7月1日16 ZP-II、ZP-III干式喷浆机2002年17 WP-3挖掘机2002年7月1日18 0.35立方米以下的气动抓岩机2002年7月1日19 矿用钢丝绳冲击式钻机2002年20 KJ1600/1220单筒提升绞机2002年21 3000千伏安以下刚玉冶炼炉2002年22 3000千伏安以下碳化硅冶炼炉2002年23 含氰电镀2003年24 卫生瓷隔焰隧道窑2003年25 匣钵装卫生瓷隧道窑2003年26 农药产品手工包(灌)装设备2003年27 石墨阳极隔膜法烧碱2004年28 B601、B061A型毛捻线机2002年7月1日29 H112、H112A型毛分条整经机(纺机厂停止生产)2002年7月1日30 B751型绒线成球机(纺机厂停止生产)2002年7月1日31 1332系列络筒机(纺机厂停止生产)2002年7月1日32 辊长1000毫米以下的皮辊轧花机(长绒棉种子加工除外)2002年7月1日33 锯片在80以下的锯齿轧花机2002年7月1日34 压力吨位在200吨以下的皮棉打包机(不含160吨短绒棉花打包机)2002年7月1日35 KDON-6000/6600型蓄冷器流程空分设备2002年7月1日36 K.M.T型自动铸字排版机2002年7月1日37 PH-5型汉字排字机2002年7月1日38 球震打样制版机(DIA PRESS清刷机)2002年7月1日39 1985年前生产的国产制版照相机2002年7月1日40 1985年前生产的手动照排机2002年7月1日41 离心涂布机2002年7月1日42 J1101系列全张单色胶印机(印刷速度每小时小于或等于4000张)2003年43 J2101、PZ1920系列对开单色胶印机(印刷速度每小时小于或等于4000张) 2003年44 PZ1615系列四开单色胶印机(印刷速度每小时小于或等于4000张)2003年45 YPS1920系列双面单色胶印机(印刷速度每小时小于或等于4000张)2003年46 W1101型全张自动凹版印刷机2002年7月1日47 AJ401型卷筒纸单面四色凹版印刷机2002年7月1日48 DJ01型平装胶订联动机2002年7月1日49 PRD-01、PRD-02型平装胶订联动机2002年7月1日50 DBT-01型平装有线订、包、烫联动机2002年7月1日51 溶剂型即涂覆膜机2002年52 QZ101、QZ201、QZ301、QZ401型切纸机2002年53 MD103A型磨刀机2002年7月1日54 火灾探测器手工插焊电子元器件生产工艺2002年7月1日55 打击式金属丝网织机2003年56 冲击式制钉机2003年57 单机容量小于或等于5万千瓦的常规小火电机组2003年58 以发电为主的燃油锅炉及发电机组(小于或等于5万千瓦)2002年59 塔式重蒸馏水器2002年7月1日60 无净化设施的热风干燥箱 2002年7月1日61 安瓿拉丝灌封机2002年7月1日62 手工胶囊填充2002年7月1日63 软木塞烫腊包装药品工艺2002年7月1日三、落后产品64 S-2型混凝土轨枕2002年7月1日65 地条钢2002年7月1日66 化油器类轿车及5座客车(指生产与销售)2002年7月1日67 以未安装燃油量限制器(简称限油器)的单缸柴油机为动力装置的农用运输车(指生产与销售)2002年8月1日68 E135二冲程中速柴油机(包括2、4、6缸三种机型) 2002年69 TY1100型单缸立式水冷直喷式柴油机 2002年70 165单缸卧式蒸发水冷、预燃室柴油机 2002年71 一次冲水量大于9升的便器2002年72 角闪石石棉(即蓝石棉) 2002年7月1日73 治螟磷(苏化203)2003年74 磷胺2002年75 聚乙烯醇水玻璃内墙涂料(106内墙涂料)2003年76 多彩内墙涂料(树酯以硝化纤维素为主,溶剂以二甲苯为主的O/W型涂料) 2003年77 氯乙烯-偏氯乙烯共聚乳液外墙涂料2003年78 焦油型聚氨酯防水涂料2002年7月1日79 水性聚氯乙烯焦油防水涂料2002年7月1日80 聚乙烯醇及其缩醛类内外墙涂料2002年7月1日81 聚醋酸乙烯乳液类(含EVA乳液)外墙涂料2002年7月1日82 聚氯乙烯建筑防水接缝材料(焦油型) 2002年7月1日83 普通双层玻璃塑料门窗2002年7月1日84 50(含50)毫米系列以下单腔结构型的塑料门窗2002年7月1日85 联苯胺染料2002年7月1日86 软边结构自行车胎2003年87 二氟一氯一溴甲烷灭火剂(简称1211灭火剂)2005年88 三氟一溴甲烷灭火剂(简称1301灭火剂)2010年89 简易式1211灭火器2002年7月1日90 手提式1211灭火器2005年91 推车式1211灭火器2005年92 手提式化学泡沫灭火器2002年7月1日93 手提式酸碱灭火器2002年7月1日94 螺旋升降式(铸铁)水嘴2003年95 热电偶(分度号LL-2、LB-3、EU-2、EA-2、CK)2002年96 热电阻(分度号BA、BA2、G)2002年97 DDZ-I型电动单元组合仪表2002年98 GGP-01A型皮带秤2002年99 BLR-31型称重传感器2002年100 WFT-081辐射感温器2002年101 WDH-1E、WDH-2E光电温度计2002年102 BC系列单波纹管差压计2002年103 LCH-511、YCH-211、LCH-311、YCH-311、LCH-211、YCH-511型环称式差压计2002年104 EWC-01A型长图电子电位差计2002年105 PY5型数字温度计2002年106 XQWA型条形自动平衡指示仪2002年107 ZL3型X-Y记录仪 2002年108 DBU-521,DBU-521C型液位变送器 2002年109 C50型敞车2002年7月1日110 P50型棚车2002年7月1日111 N60型平车2002年7月1日112 G50型轻油罐车2002年7月1日113 东风1型内燃机车2002年7月1日114 东风2型内燃机车2002年7月1日115 东风3型内燃机车2002年7月1日116 安瓿包装粉针剂2002年7月1日117 用普通天然胶塞作为包装的抗生素粉针剂(不含注射用青霉素钠、青霉素钾、氨苄西林)2002年*118 用普通天然胶塞作为包装的生物制品、血液制品2002年7月1日119 铅锡软膏管2002年120 59、69、72、TF-3、TF-1型防毒面具2002年7月1日* 有关部门已明文规定淘汰的按原规定执行。
国家发展改革委办公厅关于征集国家重点推广的低碳技术目录(第三批)的通知文章属性•【制定机关】国家发展改革委办公厅•【公布日期】2016.03.08•【文号】发改办气候[2016]572号•【施行日期】2016.03.08•【效力等级】部门规范性文件•【时效性】现行有效•【主题分类】应对气候变化正文国家发展改革委办公厅关于征集国家重点推广的低碳技术目录(第三批)的通知发改办气候[2016]572号国资委办公厅,各省、自治区、直辖市及计划单列市、新疆生产建设兵团发展改革委,有关行业协会及科研院所:为贯彻落实《生态文明体制改革总体方案》和《国家应对气候变化规划(2014-2020年)》的有关要求,加快我国低碳技术的推广应用,促进2020年和2030年我国控制温室气体行动目标的实现,我委拟于近期开展《国家重点推广的低碳技术目录(第三批)》的征集、筛选和评定工作,请你们协助组织推荐国家重点推广的低碳技术。
现将有关事项通知如下:一、推荐原则(一)坚持面向绿色循环低碳发展的方向。
申报技术应具有显著的减少温室气体排放效果,或具有大规模推广应用前景,温室气体减排潜力大。
(二)坚持推荐技术的先进适用性。
适合我国的实际情况,至少达到国内先进水平,知识产权明晰。
全行业普及率已在50%以上的技术不在推荐范围之内。
(三)坚持推荐技术的成熟可靠性。
在我国有一定应用实例,并有实际效果验证的证明材料。
(四)坚持技术应用的市场导向。
推荐技术要有良好的经济性及广阔的市场推广前景。
二、推荐范围钢铁、建材、电力、煤炭、石化、化工、有色、纺织、食品、造纸、机械、家电等工业领域,以及建筑、交通运输、农业、土地利用变化和林业、废弃物处理等领域的低碳技术,可以是单一技术、产品、装备、工艺流程或系统性工程技术等。
低碳技术评价的温室气体主要为二氧化碳(CO2),同时也适当考虑甲烷(CH4)、氧化亚氮(N2O)、氢氟碳化物(HFCs)、全氟化碳(PFCs)和六氟化硫(SF6)等温室气体。
新建居住和公共建筑碳排放强度2016年节能标准摘要:一、引言二、2016年新建居住建筑碳排放强度标准解析1.标准制定背景2.碳排放强度定义及计算方法3.标准具体要求4.碳排放强度等级划分三、2016年新建公共建筑碳排放强度标准解析1.标准制定背景2.碳排放强度定义及计算方法3.标准具体要求4.碳排放强度等级划分四、实施碳排放强度标准的意义1.节能减排2.促进绿色建筑发展3.推动建筑行业技术进步4.引导居民环保意识五、我国建筑行业碳排放现状与挑战1.碳排放总量及占比2.碳排放强度变化趋势3.面临的挑战4.政策及技术支持六、结论正文:一、引言随着全球气候变化问题日益严峻,我国政府高度重视节能减排工作。
建筑行业作为能源消耗和碳排放的重要来源,亟待建立碳排放控制体系。
2016年,我国发布了新建居住和公共建筑碳排放强度标准,旨在推动建筑行业绿色、低碳发展。
二、2016年新建居住建筑碳排放强度标准解析1.标准制定背景为加强新建居住建筑节能减排工作,我国在充分调研、分析国内外建筑碳排放相关研究成果的基础上,制定了2016年新建居住建筑碳排放强度标准。
2.碳排放强度定义及计算方法碳排放强度是指单位建筑面积在设计使用年限内所需的能源消耗量,以及由此产生的碳排放量。
计算公式为:碳排放强度= (能源消耗总量× 碳排放因子)/ 建筑面积。
3.标准具体要求(1)新建居住建筑应满足一定的节能设计要求,如建筑外形、朝向、通风等;(2)采用适宜的节能技术措施,如保温材料、太阳能利用、绿色植被等;(3)建筑能源消耗应控制在一定范围内,如电力、燃气、热力等。
4.碳排放强度等级划分根据碳排放强度,将新建居住建筑划分为以下三个等级:(1)一级:碳排放强度较低,具有较强的节能减排效果;(2)二级:碳排放强度适中,具有一定的节能减排效果;(3)三级:碳排放强度较高,需加强节能减排工作。
三、2016年新建公共建筑碳排放强度标准解析1.标准制定背景与新建居住建筑碳排放强度标准同步,我国还制定了新建公共建筑碳排放强度标准。
福建省发展和改革委员会关于公布2016年度重点排放单位碳排放数据复查任务分配情况的通知
文章属性
•【制定机关】福建省发展和改革委员会
•【公布日期】2017.04.21
•【字号】闽发改生态〔2017〕259号
•【施行日期】2017.04.21
•【效力等级】地方规范性文件
•【时效性】现行有效
•【主题分类】大气污染防治
正文
福建省发展和改革委员会关于公布2016年度重点排放单位碳排放数据复查任务分配情况的通知
闽发改生态〔2017〕259号
各设区市发改委、平潭综合实验区经发局,各有关单位:
为开展福建省碳排放权交易市场重点排放单位2016年度碳排放数据复查任务,按照政府采购有关规定,4月19日,我委依法组织开展了复查任务分配的竞争性磋商工作,并确定福建省中创碳投节能科技有限公司、中国质量认证中心、中国船级社质量认证公司和福建省煤炭工业科学研究院等4家第三方核查机构承担我省2016年度碳排放数据复查任务。
现将各核查机构任务分配情况予以公布,请各
有关单位严格按照我委印发的《关于开展重点排放单位碳排放第三方核查工作的通知》(闽发改区域〔2016〕400号)要求,密切配合,确保核查工作顺利开展。
附件:核查机构任务分配表
福建省发展和改革委员会
2017年4月21日。
国家重点节能技术推广目录(第三批)国家发展和改革委员会2010年11月国家重点节能技术推广目录(第三批)序号节能技术名称适用范围主要技术内容典型项目单位节能量目前推广比例(%)预计2015年适用的技术条件项目建设规模投资额项目节能量该技术在行业能推广到的比例(%)总投入*(万元)节能能力(万tce/a)1 矿井乏风和排水热能综合利用技术煤炭行业煤矿中央并列式通风系统选用水源热泵机组取代传统燃煤锅炉以充分利用地热。
冬季,利用水处理设施提供的20℃左右的矿井排水和乏风作为热能介质,通过热泵机组提取矿井水中蕴含的热量,提供45~55℃的高温水为井口供暖。
夏季,利用同样水源通过水源热泵机组制冷,通过整体降低进风流的温度来解决矿井高温热害问题。
煤炭矿井排水和乏风的平均温度≥15℃。
项目供热量(制冷量)为4200kW750万元1000 tce/a 0.24tce/kW·a<10 30 400000 552 新型高效煤粉锅炉系统技术煤炭行业供暖或生产用蒸汽、民用供暖新型高效煤粉锅炉房系统采用煤粉集中制备、精密供粉、空气分级燃烧、炉内脱硫、锅壳(或水管)式锅炉换热、高效布袋除尘、烟气脱硫和全过程自动控制等先进技术,实现了燃煤锅炉的高效运行和洁净排放。
区域锅炉房供暖改造、工业锅炉改造供热面积29万m2的煤粉锅炉房系统改造870万元2550tce/150天采暖期0.02tce/蒸吨<1 10 2000000 500注:总投入指2011-2015年期间,推广率达到预计比例时,投入的资金总量。
(下同)1国家重点节能技术推广目录(第三批)序号节能技术名称适用范围主要技术内容典型项目单位节能量目前推广比例(%)预计2015年适用的技术条件项目建设规模投资额项目节能量该技术在行业能推广到的比例(%)总投入*(万元)节能能力(万tce/a)3 汽轮机组运行优化技术电力行业火电厂或核电厂汽轮机组通过先进的诊断及在线控制技术,分析火电厂热力系统的设备性能及运行参数,优化热力系统各项运行指标;减少系统泄露,达到最优运行状态;提高机组启停的自动控制水平,简化操作程序,缩短启停时间,提高启停运行的安全性,实现节能降耗。