工程竣工验收问题整改回复
- 格式:xls
- 大小:23.00 KB
- 文档页数:1
竣工验收整改通知回复单
工程名称:湖南宇恒汽车零部件有限公司综合楼、车间一工程编号:
湘潭市建设工程质量安全监督管理站
我项目部于2015年5月5日接到整改通知单后,立即认真按照通知单的内容进行整改,整改如下:
1通往屋面消防通道的门锁已拆除。
2见设计变更及处理方案。
3车间一消防器材配备已按要求进行重新摆放,地面伸缩缝已灌缝。
4钢结构生锈部位,已检查除锈,且重新补做油漆。
5山墙开裂的地方,已经凿除,重新粉刷,处理好
6消防照明,及消防标志已整改到位。
7钢结构墙梁的螺栓已采用焊接加固。
8地勘单位已签字认可,确定同意验收。
9工程永久性标示牌已安挂。
现报上回复单,请予以复查。
项目经理:
施工单位(章)
年月日
复查意见:
总/专业监理工程师:
监理项目部(章)
年月日。
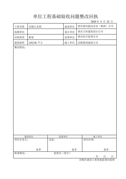
单位工程基础验收问题整改回执2010年3 月23 日工程名称涪陵江东园建设单位重庆嘉信超远实业(集团)公司地堪单位设计单位重庆大恒建筑设计公司结构类型框剪监理单位重庆恒正监理公司建筑面积1332.91平方施工单位涪陵展鸿建筑公司整改情况:建设单位监理单位施工单位项目负责人:盖章总监:盖章项目经理:盖章核查情况:监督员(签字)年月日涪陵区建设工程质量监督站监制地基与基础分部工程验收问题整改回执年月日工程名称之江雅苑A栋建设单位重庆富柒房地产开发有限公司地堪单位重庆大恒建筑设计有限公司设计单位北京正东国际建筑工程设计有限公司结构类型框剪结构监理单位重庆市恒正建设监理有限公司建筑面积23360.5㎡施工单位重庆市涪陵城建建筑工程公司整改情况:资料:1、重要材料进场检验记录填写不规范的现已整改。
2、钢材出厂质量证明和取样试验报告汇总表未记录钢材炉号批号的现已整改。
3、建设单位监理单位施工单位项目负责人:盖章总监:盖章项目经理:盖章核查情况:监督员(签字):年月日涪陵区建设工程质量监督站监制主体分部工程验收问题整改回执年月日工程名称涪陵江东园建设单位重庆嘉信超远实业(集团)公司地堪单位重庆大恒建筑设计公司设计单位重庆大恒建筑设计公司结构类型框剪监理单位重庆恒正监理公司建筑面积1332.91平方施工单位涪陵展鸿建筑公司整改情况:资料:1、所有材料合格证已经收集齐全,并填写完成。
2、架空层已出设计变更并审查。
3、夹层资料已经补齐。
4、分户资料已完善。
现场:1、边桩没有保护措施的已设保护措施。
2、架空层堡坎已出设计图并审核。
3、安装嵌固箱处已经处理完毕。
4、局部安装线处也已经处理。
5、构造柱顶端砼已经补齐。
6、窗台高低不足90㎝的,已补足90㎝。
建设单位监理单位施工单位项目负责人:盖章总监:盖章项目经理:盖章核查情况:监督员(签字):年月日涪陵区建设工程质量监督站监制巡检记录问题整改回执2010年3 月20 日工程名称江东园建设单位重庆嘉信超远实业(集团)有限公司地堪单位重庆大恒建筑设计公司设计单位重庆大恒建筑设计公司结构类型框剪监理单位重庆市恒正建设监理有限公司建筑面积1332.91平方施工单位重庆市涪陵展鸿建筑有限责任公司整改情况:现场:1、质量通病专项方案已审批;2、板筋已采取保护措施;3、铁马凳数量、位置已整改,梁支座边已整改。
《竣工验收整改报告》整改方案xxxxx水利水电建设股份有限公司xxxx年11月6日第二篇:竣工验收整改回复g13_g17低压配电中间验收1、抽查bal1、bap1、bep1配电箱,配电箱标未标识、零线、地线数量不够,接线混乱、应横平竖直、接口没有橡胶片、孔洞未封堵,露铜现象严重、出线端子出线大于2根,现场与图纸不符,图纸有5个回路,现场4个回路。
2、抽查柴油发电机房,地面积水、柴油发电机中性线未重复接地。
应急照明灯连接插座,不符合规范要求。
储油未设置透气口。
3、发电机低压配电房未提供图纸。
生活泵配电箱现场与图纸不符,应与设计复拟,电缆首尾挂牌。
4、母线梯接箱漏电开关选型应经设计复拟,软接工艺不符合要求。
5、dtat配电箱消防电箱出线图纸为5x16mm2,现场偏小。
6、配电箱未设置浪涌保护器7、参建各方应明确浪涌保护器安装位置。
g13_g17分户验收201.5.9抽查17栋203房、17栋204房、16栋603房、16栋301房、13栋203房、13栋201房、15栋204房、15栋501房、14栋303房、14栋701房、对该工程住户电气接地电阻、绝缘电阻、漏电开关模拟漏电进行抽测,基本符合要求发现13栋201房插座地线串联连接、违反规范要求。
施工单位应全数检查、整改。
发现15栋20层入户花园地板渗水现象发现15栋公共照明(吸顶灯)未接。
消防专项验收xx.5.301、风管应设置防坠支架。
2、电房应设置消防设施。
3、天面金属构件应与防雷及接地系统相连4、消防水池应设置格栅。
g18-19低压配电中间验收xx.6.26(已回复)g18-19分户验收xx.4.9(已回复)a区f型别墅分户验收、低压中间验收xx.7.1(已回复)a区初验整改回复xx.7.23(一式两份)(已回复)f型低压配电中间验收分户验收方案汇总表(已齐)水电分部盖章签字装订高层13-17、18-19节能验收申请、记录、纪要各一份高层低压配电中间验收(13-17、18-19)各一份第三篇:竣工预验收整改回复竣工预验收整改回复我公司施工的工程于20年月12日由业主组织五方主体单位对本工程进行竣工预验收,项目部对各主体单位所提出的整改意见已认真整改,其内容如下:一、土建部分:1、四层出屋面口已增设一步台阶;2、楼梯顶休息平台挡物板已增高到规范要求;3、局部有积水雨蓬已处理;4、局部墙面、玻璃有污染的已清理干净;5、屋面雨水管下口已设置冲水石;二、安装部分:1、消防管油漆不均匀的已重刷一道;2、屋面已安装消防压力表;3、屋面消防管已与霹雷带连接;4、室外水泵接合器已安装止回阀;5、配电相接线已整改;以上内容已按要求基本整改完毕,请建设单位、监理单位予以核查。
工程竣工验收整改回复单长治县建设工程质量安全监督站:阳光花园1#、2#工程竣工验收提出的问题整改如下:1、1#楼楼梯已按照图纸重新进行了安装,经过自检符合图纸和规范要求。
2、1#、2#护窗栏杆已全部安装完毕,雨水管道及排水对存在的问题也进行了整改,经自检符合设计和规范要求。
3、1#屋顶通风道已补做了安全防护,女儿墙泛水防水进行了补贴,经自检高度和细部做法符合规范要求。
4、1#、2#室内防火门已安装,管道井内的管道已保温,电梯安全提示牌已贴。
5、门窗洞口上的斜缝已处理,楼梯间已贴指示标志。
6、爬梯已刷漆,屋顶防水空鼓部分已处理,屋顶电线已安装上套管.7、坡道按照要求改成了防滑坡道。
8、住户内通水通电已试验完成,经自检符合要求。
9、2#楼外墙保温已施工完毕。
10、1#楼北外墙涂料重新涂刷了一遍,消除了色差问题。
11、1#楼梯段侧面抹灰已补抹.12、工程资料已补完善,基本齐全.监理单位:(签章) 施工单位:(签章)二O一一年八月五日工程主体验收整改回复单长治县建设工程质量监督站:教育园区教学楼、1#宿舍楼、1#2#实验楼工程主体验收提出的问题整改如下:1、质量安全监督注册书,施工许可证建设单位正在办理中。
2、针对不规范门窗洞口的墙体进行拆除,按规范重新砌筑。
3、对于未按规范回填的建筑垃圾,进行清理,按规定2:8灰土进行回填。
4、室内一层回填土先挖除,再按规范要求分8步2:8灰土回填.5、墙体植筋进行拉拔试验.监理单位:(签章)签字建设单位:(签章)签字施工单位:(签章)签字二O一二年三月八日。
关于竣工验收资料存在问题及整改措施1XXXX年X月XX日,生产技术科对矿井竣工验收技术材料进行了专门检查,并就存在的问题请示矿领导后,制订了整改措施.请各单位针对整改措施对存在的问题立即整改,确保验收顺X过.现在把存在问题及整改措施说明如下:一,矿井验收时“X采X掘”为:X,综采面:XXXX,XXXX工作面.整改措施.由综采一队统一负责将作业规程依照综采一队,综采二队编制,修改有关审批栏,会审栏,封皮等,并核实井下牌板等是否与作业规程相符.X,掘进面:掘进一队:九采区预抽三巷,掘进二队:XXXX 轨道巷,掘进三队:XXXX轨道巷劈帮,拉底,整巷.瓦斯治理工程一队:三采区X#底抽巷,瓦斯治理工程二队:三采区X#底抽巷维护,开拓队:轨道大巷.工程科负责组织将轨道大巷,胶带大巷开拓层位均修改为X#煤底板下,不得出现X#煤层,回风大巷不出现X#煤层施工段.二,基建科需将工程质量认证报告书至档案室复印,并联系企业(公司)取得消防,环保专门验收批复及有关报告.三,机电科需修改图纸.整改措施:X,不体现四采区X#煤有关电气设备,X,XXXX依照切眼XXXX配置液压支架,X,采掘工作面有关机电设备需与初设一致,X,XXXX为备用面,依照未安装综采设备绘制.X,XXXX,XXXX工作面综采设备不足,图纸全部依照初设绘制齐全,包括喷雾泵.四,防突科需修改图纸,将XXXX胶带巷变更为XXXX轨道巷.五,安监处职教办补充班组长资格证X账及复印件,需与人事科花名表对应.六,掘进二队将井下XXXX胶带巷有关作业牌板变更为XXXX轨道巷.七,经营部需将竣工决算财物报告至企业(公司)复印回矿.八,党群部需尽快取得档案专门验收批复及有关报告.九,主斜井架空乘人装置钢丝绳,白家坡提升机钢丝绳,副斜井提升机钢丝绳是否至XXXX年X月X日过期.整改措施.运输科核实有关水准,确保给予专家合理解释,若过期,需尽快委托资质部门检验,并出具检验报告.十,各单位请再次详细审查本专业图纸等技术材料,确保不出现X#煤层等与底图不符的巷道.生产技术科XXXX年X月XX日第二篇:存在问题及整改措施存在问题及整改措施一,联系自己的实际工作,存在以下问题X,欠缺对认识的非常.因为平时较多的工作加以延误,产生了“学不学不是很重要,做到工作才重要”的以干代学的思想,没有把摆到重要的位置,缺乏持之以恒的精神.X,欠缺知识的广度和深度.平时的中,只着力看些时世新闻之类书籍,对政X理论方面的知识涉猎较少;只着力大致的材料方面的知识,对有一定深度的业务知识涉猎较少.的知识缺乏理论上的深度和广度,对思想和灵魂的触动不够,停留在表面上.X,做为一名基层领导,对于自己分管的工作,没有开创进取的精神,总是用老眼光分析问题,没有开拓创新意识,安于现状,不思变革,只着力局部利益而忽视全局利益.X,创新意识不够强.看待具体工作习惯使用书本,不善于与实际工作相联系,有教条XX,本本XX倾向,做事缩手缩脚,敢试敢闯,求新求变的意识不够强.X,工作方法不够活.自己认准的事理,就抓住不放,甚至自以为是,不善于吸取他人意见,个人随机应变的能力比较差,在处理问题上非常是紧急突发事件的问题上优柔寡断不够不够灵活,方法不够多.X,作风上缺乏批评与自身批评的勇气,在工作中听不进不同的批评和意见,自认为自己什么都对,对什么都懂,其实都是一知半解,没有竭力维护好群众的正当利益.自身要求不够严,严以待人,宽以待己.二,从今往后的整改的措施联系自己的工作岗位,确定个人奋斗目标,针对个人存在的问题和不足,采用相应的整改措施,努力更加深切提升觉悟,增强党.性,解放思想,争创实绩.X.强化政X理论.以“三个代表”重要思想为主线,通过使自己在人生观价值观以及世界观上有较大的改变,使之更能适应现在工作的需要.在身体力行上逐渐有新进步,在推动工作上逐渐有新进展.政X理论要凸出重点,有一些放矢,方式多样,着力实效.定期与同事讨论敞开思想,联系工作,联系存在的问题,主动举办严肃的,真诚的,实事求是的批评与自身批评,使自己能够适应科学发展观的要求.X,是全部业务知识.扎实地分管部门专业理论知识,并向有经验的前辈们,翻阅杂志,关于农业方面的先进经验.与此同时,多下基层深切段斗实际调查,透过现象看本质,把握工作中的内在规律,自觉按规律办事,把农业工作搞好.与此同时,仔细多方面业务知识,主动配合其他同志,搞好业务工作,努力各类有关的业务知识,学用联系,逐渐增强为人民服务的本领.X,是和自觉遵守单位制订的规章制度.经常地单位的每一个规章制度和党纪,政纪,法规知识,逐渐增强纪律观念和责任意识,自觉做到警钟长鸣,严格做到遵章守纪.与此同时,团结同志,和大家搞好关系,增强本单位的凝聚力和战斗力,X,是定期举办自身批评,深切进行自纠自查,阶段性地对自己的,工作和思想进行总结,主要是查找问题和不足,理清整改思路,边查边纠,自责不自宽,严格要求自己,做到防微杜渐.X,是联系现在的工作,保证自己主管的农业工作,开拓思路,大胆进取,深切农户,田间地头,掌握手材料,与此同时,仔细做好防汛工作,努力把分管的每一个工作搞好.我将以这次作风整顿为契机,严格依照党组织的要求,仔细做好自纠自查工作,找出自己在工作中的缺点和不足,自觉专业知识,严格整改,格守本分,洁身自爱,严于自律,管住自己的嘴,管好自己的腿,不该吃的不吃,不该去的地方不去,洁身自好,干好自己该干的事.从工作的实际需要出发,提升依法办事水准,努力使自己的工作能力和每一个水准有一个大的提升,为能尽快的适应每一个其他工作而逐渐提升进步.高峻松XXXX年X月XX日第三篇:存在问题及整改措施存在问题及整改措施奔达学校X巧荣XXXX.X一,整改工作的指导思想和目标作为教师,不可是要有良好的工作作风,而且还要有正确的教育思想,从各方面都做到典范作用.二,存在问题及整改措施经过反复,发现自身还存在着许多不足之处.主要有以下几点:整改问题一:领会精神不到位,存在工作作风不够扎实.整改措施:X,强化自己的专业知识,提升教育理论.逐渐地像其他前辈请教,探索新知识,改进自己的教育方法,提升专业知识的使用能力.X,刻苦钻研,相互,相互扶助,虚心求教,努力提升教育水准.X,坚持教育教育知识,多听课,多动笔,逐渐给自己充电,真正做到因材施教.X,主动,主动的做好本分工作,发扬奉献精神.X,仔细对待任何事情,不报应付的态度,脚踏实地,多花心思的去做事情.X,做事的时候,从多个角度考虑问题,有创意,对待问题从深层次分析,思考深刻,不把工作当作一种负担,一直改进工作方法,提升工作效率.X,工作中一直剖析自己,进行批评与自身批评,定期写好反思.做事情都遵守精细化原则,要做就要尽最大努力做到最好.不抱“混日子”的想法,用“精细化”来严格要求自己.X,学会接人待物,尽可能和其他教师成为朋友,团结友爱,虚心请教,主动进取.X,在个人独处的时候,对自己的要求不放松,树立正确的世界观,人生观,价值观.努力提升自己的自控能力.多和教师交往,谈心.XX,提升自己的综合素质,热爱本职工作,遇到问题多看多想多问,像周围的教师请教,树立良好的道德风范.通过这次的自查自纠,我发现自己原来还有这么多的不足之处,还需要逐渐的改进,我要更加深切改变工作作风,提升教育理论和专业知识水准,提升教育效率.可是是,这也是一个漫长的过程,需要坚持不懈,花的精力,需要逐渐的总结经验教训,大胆实践,勇于创新,这样才能提升自己的师德水准,为教育服务,为提升教师自身的综合素质服务.第四篇:技改工程竣工验收存在问题整改报告技改工程竣工验收存在问题整改报告XX鑫煤业有限企业(公司)XXXX年X月XX日技改工程竣工验收存在问题整改报告X市煤炭管理局技改验收领导小组:XXXX年XX月XX日X市技改工程验收小组对我矿井上,下技改工程进行全部检查验收,共查出XX条问题,在此之中机电安装方面XX条,土建工程方面X条,井巷工程方面XX条,综合材料方面X条.针对验收小组查出的各类问题,我矿领导非常重视.于XXXX年X月X 日上午X点,立即组织科队长以上领导干部召开专题会议,依照“五定”原则,第一对每条问题制订专门安全措施,第二严格依照措施要求逐条逐项问题确定到队,责任到人,进行整改.具体整改情形如下:一,机电安装:X,主井提升系统(包括设备,井架,井筒装备)未竣工.这问题由X百楼具体负责落实,XXXX年X月XX日主井提升系统已全部安装到位.X,副井提升系统未改造.这问题由X百楼具体负责落实,副井井架,提升绞车已与XXXX年X月XX日按要求全部进行更新到位,提升绞车更换为XXXX-X.X型.X,专用风井提升设备无拆除,梯子间未安装.这问题由X福河具体负责落实,已与XXXX年X月中旬,副井门和大巷维修工程结束.X,通风机与设计不符,设计为XX#,现用XX#.这问题由牛汉召具体负责落实,XXXX年X月X日,二X主要通风机全部更换为XXXXX-X-XXXX型节能轴流式风机.X,地面高压变电所(包括线路,设备)未完工.这问题由牛汉召具体负责落实,XXXX年X月X日地面高压变电所(包括线路,设备)已全部按技改设计要求安装到位.X,地面消防,洒水,供热,压风设备未完工.这问题由X福河具体负责落实,XXXX年X月X日前地面消防,洒水,供热,压风设备已全部按技改设计要求安装到位.X,安全监控系统未完工.这问题由吕建勋具体负责落实,XXXX年X月XX日,安全监控系统安装到位,型号为XXXX.XXXX年X月XX日对安全监控系统进行了升级改造,型号为XXXXX.X,入井高压电缆,井下高压变电所未完工.这问题由牛汉召具体负责落实,XXXX年X月X日井下高压变电所线路,设备已全部按技改设计要求安装到位,实现高压入井.X,直流电法物探仪未配备.这问题由冯建军具体负责落实,XXXX年X月X日已到物探所购买XX-XXX型直流电法仪一X.XX,井下主排水泵无安装.这问题由X福河具体负责落实,XXXX年X月X日前已按技改设计要求安装有两趟排水管路(¢XXX㎜),安装XXX-XX×X排水泵三X.XX,井下变电所无制度,记录,图纸.这问题由文XX具体负责落实,XXXX年X月X日前所有制度,记录,图纸全部制订,完善到位.XX,井下皮带机无综合保护,无行人过桥.这问题由治忠具体负责落实,XXXX年X月X日前皮带机综合保护和行人过桥已全部安装到位.XX,井下无降尘设备.这问题由X福河具体负责落实,XXXX年X月X日前已按技改设计要求把防尘管路全部安装到位,每隔XX米均设有支管和阀门.XX,井下存在部分淘汰设备.这问题由治忠具体负责落实,XXXX年X月X日前所有淘汰设备已按要求全部更换到位.二,土建工程:X,五职矿长已集训,待发证,特殊工种证件无年审.这问题由冯建军具体负责落实,定期派特种作业人员到X市煤校复训,五职矿长已取得矿长资格证和安全资格证,特殊工种证件已全部通过年审.X,无建立应急救援组织.这问题由樊国安具体负责落实,已聘请X市矿山救护队员到矿集训救护队员,扶助建立辅助救护组织.X,调度室无图纸,报表,记录,电话.这问题由红超具体负责落实,XXXX年X月XX日前所有图纸,报表,记录,电话全部制订,完善,整改落实到位.X,职工集训场所无制度,设备,设备.这问题由X华甫具体负责落实,XXXX年X月XX日前所有制度,设备,设备全部制订完善,整改到位.X,阅览室书籍配备不足.这问题由X华甫具体负责落实,XXXX年X月XX日购买XXX 套书籍,并定制有报章杂志,方便矿职工阅览.三,井巷工程:X,副井筒支护材料与设计不符.这问题由X百楼具体负责落实,XXXX年X月X日决定对副井筒进行翻修,由原来木支护改为混凝土砌碹.已与XXXX年X月中旬,副井门,井底大巷全部维修到位.X,设计首采面无形成.这问题由X中华具体负责落实,XXXX年X月XX日前首采面已按设计要求做到位,并按规定把运输设备,设备,液压支架全部安装到位.X,大巷支护材料与设计不符.这问题由X中华具体负责落实,XXXX年X月X日前井下巷道全部取消木支护,统一改为矿工钢对棚梯形支护.X,下山皮带巷缺行人过桥.这问题由治忠具体负责落实,XXXX年X月X日下山皮带巷行人过桥全部安装整改到位.X,入井工人无配带自救器.这问题由冯建军具体负责落实,XXXX年X月X日购买自救器XXXX,强调工人下井必须佩带自救器.X,井下测风站均不合格.这问题由X松振具体负责落实,XXXX年X月X日已按规程要求全部整改到位.X,主井东大巷朝南掘进停工停风无措施,瓦斯X.X%.这问题由X遂年具体负责落实,XXXX年X月X日制订和完善每一个措施.X,主井两掘进均无悬挂报警仪,无探水.这问题由樊国安具体负责落实,XXXX年X月X日下午X点班已按规定在掘进工作面悬挂瓦斯报警仪,并按规定探放水.X,井下无洒水降尘设备,总回风巷瓦斯探头不起作用.这问题由治忠具体负责落实,XXXX年X月X日已按规定整改落实到位.XX,风井罐笼撞帮,长XX米.这问题由X中华具体负责落实,XXXX年X月X日X点安排人员重点处理风井罐笼撞帮问题,现已整改落实到位.四,综合材料:X,技术性能测定报告X条.这问题由慎宏亮具体负责落实,已聘请由资质的鉴定检测单位到矿做每一个技术性能测定报告.现每一种技术性能测定报告已鉴定并取回.X,图纸及有关技术材料X条.这问题由X遂年具体负责落实,XXXX年X月X日图纸及有关技术材料已整改到位.XX鑫煤业有限企业(公司)XXXX年X月XX日第五篇:“四化”创建材料存在的问题及整改措施“四化”建创存在的问题及整改措施一,存在的问题(一)档案管理.档案信息有部分不真实,更新不适时.(二)健X县教育:X,健X县讲座及公众咨询活动图片不清晰,不能凸出主题;X,音像设备不全,如:接种门诊无播放设备;X,第四期宣传栏落款没到“期”.(三)慢病管理.随访信息有少项,空项现象,信息不完整.(四)老年人管理:规范管理率不高,如:辅助检查材料少,中医药健X县管理率没达到.二,整改措施X,强化档案管理,适时更新信息;X,更换摄像设备,提升清晰度,凸出主题;X,更加深切完善服务材料信息,适时在上更新;X,公共卫生服务要与平常业务工作联系起来,适时录入到上,使纸质信息与上信息保持一致,形成X共享;加强中医药健X县管理宣传力度,提升规范管理率.使服务对象对保健知识有更加深切了解,使他们亲身参入到防治工作中来,互相交流防治经验,以提升自身保健防治意识,改变不良生活方式,达到疾病综合防治的目的.。
公路工程交竣工验收问题整改报告一、引言本报告旨在总结和分析公路工程交竣工验收过程中发现的问题,并提出相应的整改措施和计划。
本次整改的目的是确保公路工程的质量和安全性,提高工程项目的整体效益。
二、验收问题概述在公路工程交竣工验收过程中,发现的主要问题包括:1. 路基、路面质量问题;2. 排水系统不完善;3. 交通安全设施不齐全;4. 绿化、环保措施不到位。
三、整改目标与原则整改目标:针对验收过程中发现的问题,制定有效的整改措施,确保公路工程的质量和安全性符合相关标准和规定,提高工程项目的整体效益。
整改原则:坚持问题导向,注重科学性和可操作性,确保整改措施的有效性和可持续性。
四、已完成整改内容截至目前,已完成以下整改工作:1. 对路基、路面质量问题的处理和修复;2. 完善排水系统,确保排水顺畅;3. 补充交通安全设施,提高行车安全性;4. 推进绿化、环保措施的落实。
五、未完成整改及计划尚未完成的整改工作包括:1. 对部分路基、路面质量问题的进一步处理和修复;2. 对交通安全设施的进一步完善和优化;3. 推进环保、绿化工程的收尾工作。
计划完成时间:未完成整改工作计划在一个月内完成。
六、质量保证措施为确保整改工作的质量,将采取以下措施:1. 严格把控施工过程,确保施工质量符合相关标准和规定;2. 加强质量检测和验收工作,确保整改效果符合预期目标;3. 建立质量责任制,明确各方的质量责任和义务。
七、预防措施及建议为预防类似问题的再次出现,提出以下措施和建议:1. 加强工程质量的监督和管理,从源头上避免质量问题的出现;2. 提高设计和施工水平,加强相关人员的培训和考核;3. 建立健全的质量管理体系,确保工程质量的稳定和可靠。
工程竣工验收问题整改回复单本由我浦江县浦阳镇建筑工程公司承建的浦江县岩头中学食堂、宿舍楼工程于2007年12月14日上午竣工验收中存在的问题已进行整改,具体内容如下:1、室外硬化地平伸缩缝已均匀切割;2、宿舍楼木门已整改,可以关到位;3、宿舍楼二楼下水槽已修补;4、食堂开关与修补处已切开;5、楼梯扶手伸入墙体处已整改,无空鼓;6、踢脚钱空鼓处已按要求整改;7、女儿墙滴水线已按要求玻光;8、楼梯台阶防滑条已增加,深度已加深。
工程验收问题整改回复单本由我新世纪建设工程有限公司承建的浦江县浦阳第一小学迁建工程于2008年1月21日上午初验中存在的问题已进行整改,具体内容如下:1、教学楼伸缩缝盖板已上胶;2、东连廊一层伸缩缝处翻边面已涂涂料,出水孔已清理;3、图书楼两露台高差面已涂成黄色;4、宿舍楼楼梯间窗台高度已满足设计要求;5、东连廊坡道已做防滑处理;6、门底的缝隙已做调整;7、屋面的下水管的出水口已安装好铸铁球罩,落水管未连接;完的已连接完成;8、图书楼屋面、宿舍楼的落水管管口有局部渗水的现已处理;9、开关盒边缝已修补完成,避雷针生锈的已处理完成;10、室外散水部分未灌油膏的现已完成;11、食堂淋浴房的管道已完成;12、屋面横向分仓缝现已增贴铺设SBS;13、楼梯扶手一层起步栏杆有摇晃的现已加固处理;14、资料已整理完成;15、涂料细部未完成的现已完成;16、水电、卫生间洁具现已完成;17、采光顶、钢构雨棚现已完成;18、各专项检测工作均完成;19、西连廊的二层的消防通道上口的栏杆已加高满足要求;工程竣工验收问题整改回复单本由我浙江省建工集团有限公司承建的浦江富丽豪苑二期工程于2008年5月28日下午竣工验收中存在的问题已进行整改,具体内容如下:1、屋面存有渗漏处已进行整改,排气管道存有断裂处已整改,落水口下已装有弯头;2、过道不亮的灯已全部从新安装;3、屋面地面存有裂缝处已进行修补;4、阳台铝合金门框松动处已从新密实;5、卫生间地漏部分已封堵,已清理干净;6、各种分包手续已完善,各种检测资料已经齐全;7、消防管道的标志已从新标明;8、各幢建筑垃圾已清理干净。
某建筑工程质量安全隐患整改回复报告尊敬的xxx领导:您好!感谢您的关注和指导,针对建筑工程质量安全隐患问题,我们进行了整改,并特此回复。
经过认真调查和实地检查,我们共发现了以下X个隐患问题:1.XXX问题:经过对工程现场的仔细观察和分析,我们发现了XXX问题。
该问题主要影响了工程的安全性和稳定性,需要尽快进行整改,以保证工程的正常进行。
2.XXX问题:在工程施工过程中,我们还发现了XXX问题。
该问题可能导致工程质量不达标,并对工程的耐久性造成潜在影响。
我们将采取相应的措施进行整改,以确保工程的质量和安全。
3.XXX问题:我们发现了工程中的XXX问题。
该问题主要影响了工程的环境保护和生态平衡。
我们将加强对该问题的整改力度,确保工程符合环保要求。
在整改过程中,我们采取了以下措施:1.XXX措施:针对第一个问题,我们将采取XXX措施。
该措施主要包括XXX和XXX。
我们将安排专门人员负责整改工作,并制定详细的整改计划和时限,确保问题的彻底解决。
2.XXX措施:针对第二个问题,我们计划采取XXX措施。
该措施主要包括XXX和XXX。
我们将组织相关人员进行培训和指导,提高他们的工作技能和质量意识,以确保问题不再发生。
3.XXX措施:针对第三个问题,我们将采取XXX措施。
该措施主要包括XXX和XXX。
我们将积极与相关部门合作,制定和执行有效的环保措施,确保工程不会对环境造成负面影响。
在整改过程中,我们将加强对工程现场的监管和管理,确保整改工作的质量和效果。
我们将建立一个全面的整改档案,记录整个过程,并及时向相关部门和领导汇报工作进展情况。
同时,我们也将加强对工程人员的培训和教育,提高他们的安全意识和质量意识。
我们将建立健全的质量安全管理体系,确保工程的顺利进行。
最后,我们真诚地向您表示歉意,对给您造成的不便和困扰表示深深的歉意,并对您的关注和支持表示衷心的感谢。
我们将以更加饱满的热情和更加严谨的态度,认真整改,确保工程的质量和安全,以回报社会和广大人民群众的信任和期望。
工程竣工验收报告七XXX工程验收问题及整改措施尊敬的有关领导:我单位负责七XXX工程的竣工验收工作,经过认真的验收调查和整理,我愿意向您汇报一下我们发现的问题以及相关的整改措施,以确保该工程符合相关标准和要求。
一、问题概述在进行七XXX工程的竣工验收过程中,我们发现以下问题:1. 施工质量不达标:部分建筑物存在墙面开裂、地面平整度不符合要求等问题;2. 设备安装问题:部分设备安装不牢固,存在倾斜、脱落等情况;3. 施工过程中的安全问题:施工现场安全管理不到位,存在工人违章操作、意外事故发生等情况;4. 环保措施不完善:未按照规定进行污水处理、噪音控制等,对周边环境造成一定影响。
二、整改措施针对上述问题,我们制定了以下整改措施:1. 施工质量整改:对存在墙面开裂、地面平整度不达标等问题的建筑物,将进行修补和重新施工,确保质量符合要求;2. 设备安装整改:对存在问题的设备,将及时采取措施,进行加固和调整,确保其安装牢固可靠;3. 施工安全整改:加强现场管理,提高工人的安全意识,严格执行施工操作规程,严禁违章操作,确保施工现场的安全;4. 环保问题整改:严格按照相关环保法规进行污水处理,加装噪音控制设备,减少对周边环境的影响。
三、整改时限及责任人为了确保整改工作的有序进行,我们制定了详细的整改时限及责任人安排:1. 施工质量整改:计划在X月X日前完成,由质量部负责人负责组织实施;2. 设备安装整改:计划在X月X日前完成,由设备安装队负责人负责组织实施;3. 施工安全整改:计划在X月X日前完成,由安全部负责人负责组织实施;4. 环保问题整改:计划在X月X日前完成,由环保部负责人负责组织实施。
四、整改效果评估为了评估整改效果,我们将采取以下措施:1. 施工质量:将邀请第三方专业机构进行质量检测,确保修补和重新施工的建筑物达到相关标准;2. 设备安装:将进行设备的再次安装检查,确保加固和调整后的设备满足相关要求;3. 施工安全:将进行安全巡查和事故预防培训,提高工人的安全意识,降低施工事故的发生率;4. 环保问题:将进行环境监测,确保污水处理和噪音控制达到环保标准。
工程竣工验收报告的整改措施与改进建议工程竣工验收报告是在工程项目竣工后进行的一项重要环节,旨在对工程质量进行评估和检验。
然而,验收过程中难免会出现各种问题和不足之处。
为了确保工程项目的可持续发展和质量提升,本文将针对常见问题提出整改措施与改进建议。
一、问题分析在进行整改与改进建议之前,首先需要综合分析工程竣工验收报告中存在的问题。
以下是常见的问题:1.施工过程中的质量问题:如工程材料不符合规范要求、技术操作不规范等;2.设备设施的不完善:如供电、供水等基础设施的运行不稳定;3.工程项目的安全隐患:如施工区域的防护不到位、消防系统不完备等;4.环境与卫生问题:如工地周边的噪音、粉尘等对周边居民的影响;5.合同履行问题:如工程项目未按合同约定完成、工期延误等。
二、整改措施针对上述问题,我们提出以下整改措施:1.质量问题的整改(1)建立严格的施工质量管理制度,加强对材料和施工工艺的监督,确保符合规范要求;(2)加强对施工人员技术培训,提高施工工人的技术水平;(3)建立完善的质量检测机制,对施工过程进行全面检测,及时发现和修复质量问题。
2.设备设施的完善(1)对基础设施进行全面检查和测试,确保其运行的稳定性和安全性;(2)及时修复设备设施中存在的问题,保障其正常使用;(3)建立设备设施维护与保养的长效机制,保证设备设施的长期可持续使用。
3.安全隐患的排除(1)对施工区域进行周边环境的安全排查,消除潜在的安全隐患;(2)加强对施工现场的安全管理,确保防护设施到位;(3)健全消防系统,定期对其进行演练和维护,确保在应急情况下的有效响应和保障。
4.环境与卫生问题解决(1)加强对施工现场周边环境的管控,减少噪音、粉尘等对周边居民的不良影响;(2)建立施工现场卫生保洁制度,每日进行卫生清洁工作,确保施工现场的整洁;5.合同履行问题的解决(1)对未按合同约定完成的问题进行追究和整改;(2)建立严格的合同管理制度,确保工程项目按时、按质量要求完成;(3)加强合同履约监督,建立公正、透明的合同评审和执行机制。