给水排水工程表格验收记录
- 格式:doc
- 大小:942.00 KB
- 文档页数:46
分项工程(验收批)质量验收记录表编号: 工程名称 分部工程名称 分项工程名称施工单位 专业工长 项目经理验收批名称、部位分包单位 分包项目经理 施工班组长主控项目 《给水排水管道工程施工及验收规范》(GB50268)—2022施工单位检查评定记录监理(建设)单位验收记录1234567891011一般项目 1 2 3 4 5 6 7 8 9施工单位检查评定结果项目专业质量检查员: 年 月 日监理(建设)单位验收结论监理工程师:(建设单位项目专业技术负责人) 年 月 日 沟槽开挖 检验批质量验收记录表《给水排水管道工程施工及验收规范》(GB50268)-2022编号:工程名称 分部工程名称 分项工程名称 施工单位 专业工长 项目经理 验收批名称、部位分包单位 分包项目经理 施工班组长主控项目质量验收规范规定的检查项目及验收标准 施工单位检查评定记录 监理(建设)单位验收记录 1 原状地基土不得扰动、受水浸泡或者受冻第4.6。
1。
1条2 地基承载力应满足设计要求第4。
6。
1。
2条3进行地基处理时,压实度、厚度满足设计要求第4.6.2。
3条一般项目检查项目检查频率点数规定值及允许偏差施工单位检查值 监理(建设)单位验收记录 1槽底高程土方两井之间3±20 合格率石方 +20、-200 合格率2槽底中线每侧宽度两井之间6 不小于规定 合格率3 沟槽边坡两井之间6 不陡于规定 合格率施工单位检查评定结果项目专业质量检查员: 年 月 日监理(建设)单位验收结论监理工程师:(建设单位项目专业技术负责人) 年 月 日沟槽支护 检验批批质量验收记录表《给水排水管道工程施工及验收规范》(GB50268—2022)编号:工程名称分部工程名称分项工程名称施工单位 专业工长 项目经理 验收批名称、部位分包单位 分包项目经理 施工班组长主控项目质量验收规范规定的检查项目及验收标准施工单位检查评定记录监理(建设)单位验收记录1 支撑方式、支撑材料符合设计要求第4.6。
给水排水管道工程施工及验收规范(G B50268-2008)分项工程检验批质量验收记录表沟槽(基坑)土方开挖直线顶管管道施工沟槽(基坑)支护曲线顶管管道施工沟槽(基坑)回填)垂直顶升管道施工管道基础盾构管片制作1钢管接口连接盾构管片制作2金属类管道铺设盾构管片制作3钢管(水泥砂浆)内防护层盾构掘进和管片安装1钢管(环氧涂料)内防护层盾构掘进和管片安装2钢管外防护层盾构施工钢筋混凝土二次衬砌钢管阴极保护浅埋暗挖管道的土层开挖球墨铸铁管接口连接浅埋暗挖管道的初期衬砌1钢筋混凝土类接口连接浅埋暗挖管道的初期衬砌2钢筋混凝土类管道铺设浅埋暗挖管道的防水层化学建材管接口连接浅埋暗挖的二次衬砌柔性管道铺设定向钻施工管道管渠基础地基夯管施工管道管渠模板沉管基槽浚挖及管基处理管渠钢筋制作组对拼装管道沉放管渠现浇混凝土预制钢筋混凝土管节制作管渠变形缝钢筋混凝土管节接口预制加工管渠构件预制预制钢筋混凝土管的沉放管渠预制构件安装沉管的稳管及回填管渠砖石砌筑桥管管道安装1工作井围护结构桥管管道安装2工作井(沉井)模板现浇混凝土井室工作井(沉井)钢筋加工砖砌井室工作井(沉井)钢筋安装预制拼装井室工作井沉井制作雨水口及支、连管安装(雨水吸支、连管安装)工作井下沉及封底管道支墩安装工作井井内结构沟槽(基坑)土方开挖检验批质量检验记录表 A.0.1 编号:010001□□注:1、本表由施工项目专业质量检查员填写,监理工程师(建设单位项目技术负责人)组织项目专业质量检查员等进行验收,并应按上表进行记录。
沟槽(基坑)支护检验批质量检验记录表 A.0.1 编号:010002□□注:1、本表由施工项目专业质量检查员填写,监理工程师(建设单位项目技术负责人)组织项目专业质量检查员等进行验收,并应按上表进行记录。
沟槽(基坑)回填检验批质量检验记录表 A.0.1 编号:010003□□注:1、本表由施工项目专业质量检查员填写,监理工程师(建设单位项目技术负责人)组织项目专业质量检查员等进行验收,并应按上表进行记录。
降水与排水工程检验批质量验收记录010202□□单位(子单位)工程名称分部(子分部)工程名称验收部位施工单位工程经理分包单位分包工程经理施工执行标准名称及编号施工质量验收规*的规定施工单位检查评定记录监理〔建立〕单位验收记录1排水沟坡度1~2‰2井管〔点〕垂直度1%3井管〔点〕间距〔与设计相比〕≤150%4井管〔点〕插入深度〔与设计相比〕≤200mm5过滤砂砾料填灌〔与计算值相比〕≤5mm6井点真空度:轻型井点喷射井点>60kpa>93kpa一般项目7电渗井点阴阳极距离:轻型井点喷射井点80~100mm120~150mm专业工长(施工员)施工班组长施工单位检查评定结果工程专业质量检查员:年月日监理(建立)单位验收结论专业监理工程师:〔建立单位工程专业技术负责人〕年月日渗排水、盲沟排水工程检验批质量验收记录010512□□单位(子单位)工程名称分部(子分部)工程名称验收部位施工单位工程经理分包单位分包工程经理施工执行标准名称及编号施工质量验收规*的规定施工单位检查评定记录监理〔建立〕单位验收记录1反滤层质量第6.1.8条主控项目2集水管埋深及坡度第6.1.9条1渗排水层构造第6.1.10条2渗排水层铺设第6.1.11条一般项目3盲沟构造第6.1.12条专业工长(施工员)施工班组长施工单位检查评定结果工程专业质量检查员: 年 月 日监理(建立)单位验收结论专业监理工程师:〔建立单位工程专业技术负责人〕年 月 日排〔雨〕水管道灌水试验记录质控〔水〕表-1 共 页 第 页单位〔子单位〕工程名称施工单位试验日期排水管在设计图上编号排水管灌水高度〔部位或管段〕灌水持续时间〔min〕管内液面情况外观检查处理情况结论专业监理工程师施工质检员施工员〔建立单位工程专业技术负责人〕单位试验员排水管道通水能力试验记录质控〔水〕表-2 共页第页单位〔子单位〕工程名称施工单位试验日期排水管始讫层次试验情况管路编号修复情况出现问题后结论质 检 员施 工 员专业监理工程师〔建立单位工程专业技术负责人〕施工单位试 验 员排水管道通球试验记录质控〔水〕表4.2.6-3 共 页 第 页单位〔子单位〕工程名称施工单位试验日期管道编号试验部位管径〔mm 〕球径〔mm 〕试 验 情 况出现问题后修复情况结论质 检 员施 工 员专业监理工程师〔建立单位工程专业技术负责人〕施工单位试 验 员水泵试运转测试检查记录质控〔水〕表 共 页 第 页单位〔子单位〕工程名称施工单位试运转日期设备名称型号规格安装位号制造厂名出厂日期水泵扬程出口压力间 隙轴向倾斜要求值〔滴〕径向位移联轴器用手盘动滴水情况填 料室每分钟实测值〔滴〕最高温度〔℃〕室内温度轴承温度机身温度阀门工作情况额定电压值(V)实 测I A实测电压值(V)I B 额定电流值(A)电 流值(A)I C电 动 机 绝 缘 电 阻 值相间绝缘电阻值〔MΩ〕相对地绝缘电阻值〔MΩ〕A - BB – CC – AA – EB – EC – E外 壳 接 地 电 阻 值〔Ω〕实测值其他试运转情况结论质 检 员施 工 员专业监理工程师〔建立单位工程专业技术负责人〕施工单位试 验 员雨水管道及配件安装工程检验批质量验收记录050202□□单位〔子单位〕工程名称分部〔子分部〕工程名称验收部位施工单位工程经理分包单位分包工程经理施工执行标准名称及编号施工质量验收规*的规定施工单位检查评定记录监理〔建立〕单位验收记录1室内雨水管道灌水试验第5.3.1条2塑料雨水管安装伸缩节第5.3.2条〔1〕管径50mm 20‰〔2〕管径75mm 15‰〔3〕管径100mm 8‰〔4〕管径125mm 6‰〔5〕管径150mm5‰3地下埋设雨水管道最小坡度〔6〕管径200~400mm4‰主控项目4悬吊雨水管最小坡度≤5‰1雨水管不得与生活污水管道连接第条2雨水斗管安装第条管径≤150 ≯15m 3悬吊式雨水管道检查口间距管径≥200 ≯20m焊口平直度管壁厚10mm 以内管壁厚1/4高 度焊缝加强面宽 度+1mm 深 度小于0.5mm 连续长度25mm4焊口允许偏差咬边长 度总长度〔两侧〕小于焊缝长度的10%一般项目5雨水管道安装的允许偏差同室内排水管第条专业工长〔施工员〕施工班组长施工单位检查评定结果工程专业质量检查员: 年 月 日监理〔建立〕单位验收结论专业监理工程师:〔建立单位工程专业技术负责人〕年 月 日分部工程质量验收记录〔建筑给水、排水及采暖〕质控〔水〕表4.2.9-8 05□□工程名称构造质式验收部位层 数建筑面积施工日期验收日期施工单位技术部门负责人质量部门负责人分包单位分包单位负责人分包技术负责人序号项目验收记录验收结论室内给水系统 □室内排水系统□室内热水供给系统 □卫生器具安装 □室内采暖系统□建筑中水系统及游泳池系统 □1子分部工程名称供热锅炉及辅助设备安装□共子分部,经查子分部,符合规*及设计要求子分部2质 量 控 制 资 料共项,经核查符合要求项,经核定符合规*要求项3安 全 和 功 能 检验〔检测〕报告共抽查项,符合要求项,经返工处理符合要求项4观 感 质 量共抽查项,符合要求项,不符合要求项综合验收意 见分包单位工程经理: 年 月 日施工单位工程经理: 年 月 日设计单位工程负责人:年 月 日验收单位监理〔建立〕单 位总监理工程师:〔建立单位工程负责人〕年 月 日室外给水管道安装工程检验批质量验收记录050601□□单位〔子单位〕工程名称分部〔子分部〕工程名称验收部位施工单位工程经理分包单位分包工程经理施工执行标准名称及编号施工质量验收规*的规定施工单位检查评定记录监理〔建立〕单位验收记录1埋地管道覆土深度第条2给水管道不得直接穿越污染源第条3管道上可拆和易腐件,不埋在土中第条4管井内安装与井壁的距离第条5管道的水压试验第条6埋地管道的防腐第条主控工程7管道冲洗和消毒第条1管道和支架的涂漆第条2阀门、水表安装位置第条3给水与污水管平行铺设的最小间距第条4管道连接符合规*要求第9.2.12,第9.2.13,第9.2.14,第9.2.15,第9.2.16,第埋地100mm 铸铁管敷设在沟槽内50mm 埋地100mm 坐标钢管、塑料管、复合管敷设在沟槽内或架空40mm 埋地±50mm铸铁管敷设在地沟内±30mm埋地±50mm 标高钢管、塑料管、复合管敷设在沟槽内或架空±30mm 铸铁管直段〔25m 以上〕起点~终点40mm一般项目5管道安装允许偏差水平管纵横向弯曲钢管、塑料管、复合管直段〔25m 以上〕起点~终点30mm 施工单位检查评定结果专业工长〔施工员〕施工班组长工程专业质量检查员:年月日监理〔建立〕单位验收结论专业监理工程师:〔建立单位工程专业技术负责人〕年月日管沟及井室工程检验批质量验收记录050603□□单位〔子单位〕工程名称分部〔子分部〕工程名称验收部位施工单位工程经理分包单位分包工程经理施工执行标准名称及编号施工质量验收规*的规定施工单位检查评定记录监理〔建立〕单位验收记录1管沟的基层处理和井室的地基设计要求2各类井盖的标识应清楚,使用正确第条3通车路面上的各类井盖安装第条主控工程4重型井圈与墙体结合部处理第条1管沟及各类井室的位置、坐标,沟底标高设计要求2管沟的回填要求第条一般3管沟岩石基底要求第条4管沟回填的要求第条5井室内施工要求第条项目6井室内应严密,不透水第条专业工长〔施工员〕施工班组长施工单位检查评定结果工程专业质量检查员:年月日监理〔建立〕单位验收结论专业监理工程师:〔建立单位工程专业技术负责人〕年月日室外排水管道安装工程检验批质量验收记录050701□□单位〔子单位〕工程名称分部〔子分部〕工程名称验收部位施工单位工程经理分包单位分包工程经理施工执行标准名称及编号施工质量验收规*的规定施工单位检查评定记录监理〔建立〕单位验收记录主控1管道坡度符合设计要求、严禁无坡或倒坡设计要求工程2灌水试验和通水试验第条1排水铸铁管的水泥捻口第条2排水铸铁管除锈、涂漆第条3承插接口安装方向第条4砼管或钢筋砼管抹带接口的要求第条埋地100mm 坐标敷设在沟槽内50mm 埋地±20mm 标高敷设在沟槽内±20mm 每5m 长10mm 一般项目5允许偏差水平管道纵横向弯曲全长〔两井间〕30mm专业工长〔施工员〕施工班组长施工单位检查评定结果工程专业质量检查员:年月日监理〔建立〕单位验收结论专业监理工程师:〔建立单位工程专业技术负责人〕年月日室外排水管沟及井池工程检验批质量验收记录050702□□单位〔子单位〕工程名称分部〔子分部〕工程名称验收部位施工单位工程经理分包单位分包工程经理施工执行标准名称及编号施工质量验收规*的规定施工单位检查评定记录监理〔建立〕单位验收记录1沟基的处理和井池的底板设计要求主控工程2检查井、化粪池的底板及进出口水管标高设计要求1井池的规格、尺寸和位置,砌筑、抹灰第条一般项目2井盖标识、选用正确第条施工单位检查评定结果专业工长〔施工员〕施工班组长工程专业质量检查员:年月日监理〔建立〕单位验收结论专业监理工程师:〔建立单位工程专业技术负责人〕年月日室外供热管道及配件安装工程检验批质量验收记录050801□□单位〔子单位〕工程名称分部〔子分部〕工程名称验收部位施工单位工程经理分包单位分包工程经理施工执行标准名称及编号施工质量验收规*的规定施工单位检查评定记录监理〔建立〕单位验收记录1平衡阀及调节阀安装位置及调试第条2直埋无补偿供热管道预热伸长及三通加固第条3补偿器位置和预拉伸、支架位置和构造第条4检查井、入口管道布置方便操作维修第条5直埋管道及接口现场发泡保温处理第条6管道系统的水压试验第条,第条7管道冲洗第条主控工程8通热试运行调试第条1管道的坡度设计要求2除污器构造、安装位置第条3管道的焊接第条,第条4管道安装对应位置尺寸第11.211、条5管道防腐应符合规*第条敷设在沟槽内及架空20坐标〔mm 〕埋地50敷设在沟槽内及架空±10标高〔mm 〕埋地±15管径≤100mm 1每1m管径>100m 1.5管径≤100mm ≯13水平管道纵、横方向弯曲〔mm 〕全长〔25mm 〕管径>100m ≯25管径≤100mm 8%椭圆率管径>100m 5%管径≤100mm 4一般项目6安装允许偏差折皱不平度〔mm 〕管径125~200mm 5管径250~400mm7厚度+0.1δ,-0.05δ卷材57管道保温允许偏差外表平整度〔mm 〕涂抹10专业工长〔施工员〕施工班组长施工单位检查评定结果工程专业质量检查员:年月日监理〔建立〕单位验收结论专业监理工程师:〔建立单位工程专业技术负责人〕年月日。
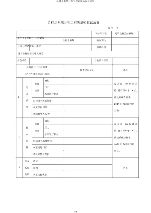
给排水系统分项工程质量验收记录表
编号 :表单位(子单位)工程名称
分项工程名称施工单位给排水系统
子分部工程
验收部位
项目经理
建筑设备监控系统
施工执行标准名称及编号
分包单位分包项目经理
检测项目(主控项目)
检查评定记录备注(执行本规范第条的规定)
液位
参数按系统50%数量抽
给压力
检测检, 且不得小于 5 点,水水泵运行状态
1被检系统合格率系自动调节水泵转速
100%时为系统检测统水泵投运切换
合格。
故障报警及保护
液位
参数按系统50%数量抽
排压力
检测检, 且不得小于 5 点 ,水水泵运行状态
2被检系统合格率系自动调节水泵转速
100%时为系统检测统水泵投运切换
合格。
3中水
系统
故障报警及保护
液位
压力同上监控水泵运行状态
检测意见:
监理工程师签字:检测机构负责人签字:(建设单位项目专业技术负责人)
日期:日期:。
单位(子单位)工程质量竣工验收记录编号:工程名称 施工单位 项目经理类型 技术负责人 项目技术负责人验收记录工程造价开工日期 竣工日期 序号 项目 验收结论共 分部,经查 分部 分部1 2分部工程符合标准及设计要求质量控制 资料核查共 项,经审查符合要求 经核定符合规范规定项, 项安全和主要使共核查 项,符合要求 项,符合要求项, 用功能核查及抽查 3共抽查项, 项经返工处理符合要求结果观感质量 检验 共抽查 项,符合要求 项,4 5不符合要求项综合验收 结论建设单位设计单位 施工单位 监理单位(公章)参加 验收 单位(公章) (公章) (公章)项目负责人项目负责人 项目负责人 项目负责人年 月 日年 月 日 年 月 日 年月 日单位(子单位)工程质量控制资料核查表编号:工程名称 施工单位序 资料名称 份数 核查意见号○1管节、管件、管道设备及管配件等;○ 2防腐层材料、阴极保护设 材质质量 保证资料13 备及材料;○钢材、焊材、水泥、砂石、橡胶止水圈、混凝土、砖、 混凝土外加剂、钢制构件、混凝土预制构件○1管道接口连接质量检测(钢管焊接无损探伤检验、法兰或压兰螺2栓拧紧力矩检测、熔焊检验);○内外防腐层(包括补口、补伤)3 4 防腐检测;○预水压试验;○混凝土强度、混凝土抗渗、混凝土抗 2 施工检测冻、砂浆强度、钢筋焊接;○ 5回填土压实度;○6柔性管道环向变形7检测;○不开槽施工土层加固、支护及施工变形等测量;○ 8管道设9 10备安装测试;○阴极保护安装测试;○桩基完整性检测、地基处理 检测○1管道水压试验;○给水管道冲洗消毒;○管道位置及高程;○浅 埋暗挖管道、盾构管片拼装变形测量;○5混凝土结构管道渗漏水调7阴2 34 结构安全和使 用功能性检测3 46 查;○管道及抽升泵站设备(或系统)调试、电气设备电试;○ 8极保护系统测试;○桩基动测、静载试验○1控制桩(副桩)、永久(临时)水准点测量复核;○2施工放样复施工测量3核;○竣工测量○1施工组织设计(施工方案)、专题施工方案及批复;○2焊接工艺评定及作业指导书;○图纸会审、施工技术交底;○ 4设计变更、技 3 施工技术 管理5 6术联系单;○质量事故(问题)处理;○ 6材料、设备进场验收;计5 7量仪器校核报告;○工程会议纪要;○施工日记8○1验收批、分项、分部(子分部) 、单位(子单位)工程质量验收验收记录2记录;○隐蔽验收记录○1接口组对拼装、焊接、拴接、熔接;○ 2地基基础、地层等加固处3 理;○桩基成桩;○支护结构施工;○沉井下沉;○混凝土浇筑;45 67 8施工记录 竣工图○7管道设备安装;○顶进(掘进、钻进、夯进);○沉管沉放及桥8 9 10管吊装;○焊条烘陪、焊接热处理;○ 11防腐层补口补伤等结论: 结论:施工项目经理:总监理工程师:年月日年月日单位(子单位)工程观感质量核查表编号:工程名称 施工单位 序号 检查项目抽查质量情况好中差管道、管道附件位、 附属构筑物位置1 2 3管道设备 附属构筑物管道工程大口径管道(渠、廊);管道内部、管廊内管道安装4 5地上管道 (桥管、架空管、虹吸管 )及承重结构6 7回填土 管道结构 8防水、防腐 管缝(变形缝)进、出洞口 工作坑(井) 管道线形9 顶管、盾 构、浅埋暗 挖、定向 钻、 10 11 12 13 14 15夯管附属构筑物 下部结构地面建筑水泵机电设备、管道安装及基础支架 16抽升泵站17 18防水、防腐 附属设施、工艺观感质量综合评定结论:结论:施工项目经理:总监理工程师:年月日年月日单位(子单位)工程结构安全和使用功能性检测记录表编号:工程名称施工单位序资料核查意见功能抽查结果安全和功能检查项目号1 压力管道水压试验(无压力管道严密性试验)记录给水管道冲洗消毒记录及报告234阀门安装及运行功能调试报告及抽查检验其他管道设备安装测试报告及功能检测5 6管道位置高程及管道变形测量及汇总阴极保护安装及系统调测报告及抽查检验防腐绝缘检测汇总及抽查检验78 钢管焊接无损检测报告汇总9 混凝土试块抗压强度试验汇总10 混凝土试块抗渗、抗冻试验汇总1112131415地基基础加固检测报告桥管桩基础动测或静载试验报告混凝土结构管道渗漏水调查记录抽升泵站的地面建筑其他结论:结论:施工项目经理:总监理工程师:年月日年月日分部(子分部)工程质量验收记录编号:工程名称施工单位分包单位分部工程名称技术部门负责人分包单位负责人质量部门负责人分包技术负责人序号分项工程名称验收批数施工单位检查评定验收意见123456789质量控制资料安全和功能检验(检测)报告观感质量验收分包单位项目经理年年年月月月日日日施工单位项目经理验收单位设计单位项目负责人监理单位建设单位总监理工程师年年月月日日项目负责人(专业技术负责人)分项工程质量验收记录编号:工程名称 施工单位 分包单位分项工程名称验收批数项目经理项目技术负责人 施工班组长分包单位负责人 施工单位检查 评定结果序号 验收批名称、部位监理(建设)单位验收结论1 2 3 4 5 6 7 8 9 10 11 12 13 14 15 16 17 18 19 20验收 结 论检查 结论施工项目 监理工程师:技术负责人:(建设项目专业技术负责人)年 月 日 年月 日沟槽开挖与地基处理工程检验批质量验收记录编号:工程名称分部工程名称 专业工长分项工程名称 项目经理施工单位验收批名称、部位 分包单位分包项目经理施工班组长 施工单位检查 评定记录监理(建设) 单位验收记录GB50268-2008《给水排水管道工程施工及验收规范》 的规定1 原状地基土不得扰动、受水浸泡或受冻; 主 控 项2 3地基承载力应满足设计要求;目地基处理时,压实度、厚度应满足设计要求;应测点,实测点。
给排水及采暖工程质量分户验收记录项目名称:XXX小区排水及采暖工程验收单位:XXX建设工程质量监督站验收时间:XXXX年XX月XX日一、工程基本情况本次验收的排水及采暖工程是位于XXX小区的一栋多层住宅楼,总建筑面积XXX平方米。
该工程的主要内容包括室内排水系统、室外排水系统以及集中供暖系统。
二、分户验收情况本次验收进行了对工程的分户验收,共计验收了XX户。
1.室内排水系统(1)检查了每户的卫生间、厨房以及洗手间的排水管道安装情况。
经检查,各户排水管道的安装符合相关规范要求,无漏水现象。
(2)检查了每户的下水口设置及密封情况。
经检查,各户下水口设置位置合理,密封严密,无异味溢出。
(3)检查了每户便器、水槽、淋浴设施等排水设备的连接情况。
经检查,各户排水设备的连接牢固,无松动现象。
(4)检查了每户的地漏设置及排水情况。
经检查,各户地漏设置合理,排水通畅。
2.室外排水系统(1)检查了污水管道的施工质量。
经检查,污水管道的埋设深度符合设计要求,无渗漏现象。
(2)检查了雨水管道的施工质量。
经检查,雨水管道的排水口设置合理,无积水现象。
(3)检查了排水井的安装情况。
经检查,排水井的井壁垂直、井底平整,井盖安装牢固。
3.集中供暖系统(1)检查了供暖管道的安装情况。
经检查,供暖管道的铺设符合要求,无渗漏现象。
(2)检查了供暖设备的安装情况。
经检查,供暖设备的安装牢固,运行正常。
(3)检查了每户采暖设施的热力供应情况。
经检查,各户采暖设施正常供热,室温符合要求。
三、存在的问题及整改意见经过分户验收,发现以下问题:1.XX户排水设备连接不牢固,需要重新固定连接处。
2.XX户下水口密封不严,需要重新调整密封。
3.XX户地漏有较大背坡,需要调整使其符合要求。
4.XX户供暖管道存在渗漏现象,需要修复。
整改意见如下:1.要求施工单位针对以上问题进行整改,并重新验收。
2.完善工程档案,记录详细的整改情况,包括整改措施、整改人员、整改时间等。
单位(子单位)工程质量竣工验收记录编号:单位(子单位)工程质量控制资料核查表编号:单位(子单位)工程观感质量核查表编号:单位(子单位)工程结构安全和使用功能性检测记录表编号:分部(子分部)工程质量验收记录编号:分项工程质量验收记录编号:沟槽开挖与地基处理工程检验批质量验收记录编号:沟槽支护工程检验批质量验收记录编号:沟槽回填(刚性管道)工程检验批质量验收记录Ⅰ编号:沟槽回填(刚性管道)工程检验批质量验收记录Ⅱ编号:沟槽回填(柔性管道)工程检验批质量验收记录编号管道基础工程检验批质量验收记录编号钢管接口连接工程检验批质量验收记录编号:钢管内防腐层工程检验批质量验收记录编号钢管内防腐层工程检验批质量验收记录编号:钢管外防腐层工程检验批质量验收记录编号:钢管阴极保护工程检验批质量验收记录编号:球墨铸铁管接口连接工程检验批质量验收记录编号:钢筋混凝土管、预(自)应力混凝土管、预应力钢筒混凝土管接口连接工程检验批质量验收记录编号:化学建材管接口连接工程检验批质量验收记录编号:管道铺设工程检验批质量验收记录编号:井室工程检验批质量验收记录编号:雨水口及支、连管工程检验批质量验收记录编号:工程检验批质量验收记录编号:(以上未列项目执行此表格)劳务分包施工协议总包方:(简称甲方)分包方:(简称乙方)依照《中华人民共和国合同法》、《中华人民共和国建筑法》及其他有关法律、行政法规,遵循平等、自愿、公平和诚实信用的原则,结合本分包工程的特点和具体情况,经双方友好协商,达成以下施工协议。
第一部分工程概况一、工程名称:七星香山花园6#、7#楼二、工程地点:后湖第二部分承包范围及主要工作内容一、承包范围:1、钢筋制作、安装工程施工:图纸内结构钢筋制作、安装所有工作内容,含二次小型构件钢筋制安的土建工作内容。
二、主要工作内容⑴.熟悉施工图纸,钢筋翻样等准备工作⑵.钢筋制作安装、钢筋翻样(包括平直、切断、弯曲、对焊、钢筋材料的搬运和半成品的取放,分类堆放挂牌,以及保证钢筋间距的辅助卡具,安放塑料保护卡。
工程名称:安嘉-公园绿洲1#楼
填表单位:焦作市金厦建筑安装有限公司
工程名称:安嘉-公园绿洲1#楼
填表单位:焦作市金厦建筑安装有限公司
住宅工程质量分户验收表
1-1-1 户住宅分户验收汇总表
工程名称:安嘉-公园绿洲1#楼
填表单位:焦作市金厦建筑安装有限公司
1-1-1 户住宅分户验收汇总表
工程名称:安嘉-公园绿洲1#楼
填表单位:焦作市金厦建筑安装有限公司
现浇结构外观及尺寸偏差质量分户验收记录表
砖砌体(混水)质量分户验收记录表
门窗制作安装质量分户验收记录表
楼(地)面面层及一般抹灰质量分户验收记录表
室内给、排水及设备安装系统质量分户验收记录表
住宅电气安装工程质量分户验收记录表
公共部分(楼梯间、电梯间、走廊、屋面)质量分户验收记录表
公共部分(底层车库、地下室、外立面)质量分户验收记录表
公共部分(安装工程)质量分户验收记录表。
给水排水管道工程施工及验收规范(GB50268-2008)分项工程检验批质量验收记录表沟槽(基坑)土方开挖直线顶管管道施工沟槽(基坑)支护曲线顶管管道施工沟槽(基坑)回填)垂直顶升管道施工管道基础盾构管片制作1钢管接口连接盾构管片制作2金属类管道铺设盾构管片制作3钢管(水泥砂浆)内防护层盾构掘进和管片安装1钢管(环氧涂料)内防护层盾构掘进和管片安装2钢管外防护层盾构施工钢筋混凝土二次衬砌钢管阴极保护浅埋暗挖管道的土层开挖球墨铸铁管接口连接浅埋暗挖管道的初期衬砌1钢筋混凝土类接口连接浅埋暗挖管道的初期衬砌2钢筋混凝土类管道铺设浅埋暗挖管道的防水层化学建材管接口连接浅埋暗挖的二次衬砌柔性管道铺设定向钻施工管道管渠基础地基夯管施工管道管渠模板沉管基槽浚挖及管基处理管渠钢筋制作组对拼装管道沉放管渠现浇混凝土预制钢筋混凝土管节制作管渠变形缝钢筋混凝土管节接口预制加工管渠构件预制预制钢筋混凝土管的沉放管渠预制构件安装沉管的稳管及回填管渠砖石砌筑桥管管道安装1工作井围护结构桥管管道安装2工作井(沉井)模板现浇混凝土井室工作井(沉井)钢筋加工砖砌井室工作井(沉井)钢筋安装预制拼装井室工作井沉井制作雨水口及支、连管安装(雨水吸支、连管安装)工作井下沉及封底管道支墩安装工作井井内结构沟槽(基坑)土方开挖检验批质量检验记录表A.0.1 编号:010001□□沟槽(基坑)支护检验批质量检验记录沟槽(基坑)回填检验批质量检验记录表A.0.1 编号:010003□□开槽施工检验批质量检验记录表A.0.1 编号:020101□□/020201□□/020301□□/020401□□钢筋混凝土管接口连接检验批质量检验记录表A.0.1 编号:020202□□020302□□注:1、本表由施工项目专业质量检查员填写,监理工程师(建设单位项目技术负责人)组织项目专业质量检查员等进行验收,并应按上表进行记录。
钢筋混凝土类管道铺设检验批质量检验记录。
《给水设备安装检验批质量验收记录》表格示例及填写说明
【规范名称及编号】《建筑给水排水及采暖工程质量验收规范》(GB 50242-2002)
【条文摘录】
4.4给水设备安装
主控项目
4.4.1水泵就位前的基础混凝土强度、坐标、标高、尺寸和螺栓孔位置必须符合设计规
定。
检验方法:对照图纸用仪器和尺量检查。
4.4.2水泵试运转的轴承温升必须符合设备说明书的规定。
检验方法:温度计实测检查。
4.4.3敞口水箱的满水试验和密闭水箱(罐)的水压试验必须符合设计与本规范的规定。
检验方法:满水试验静置24h观察,不渗不漏;水压试验在试验压力下10min压力不降,不渗不漏。
一般项目
4.4.4水箱支架或底座安装,其尺寸及位置应符合设计规定,埋设平整牢固。
检验方法:对照图纸,尺量检查。
4.4.5水箱溢流管和泄放管应设置在排水地点附近但不得与排水管直接连接。
检验方法:观察检查。
4.4.6立式水泵的减振装置不应采用弹簧减振器。
检验方法:观察检查。
4.4.7室内给水设备安装的允许偏差应符合表4.4.7的规定。
4.4.8管道及设备保温层的厚度和平整度的允许偏差应符合表4.4.8的规定。
给排水工程分部工程质量验收记录项目信息- 项目名称:[项目名称]- 项目位置:[项目位置]- 建设单位:[建设单位]- 施工单位:[施工单位]- 监理单位:[监理单位]验收内容分部工程信息- 分部工程名称:[分部工程名称]- 施工单位质量责任人:[施工单位质量责任人]- 项目监理工程师:[项目监理工程师]- 验收日期:[验收日期]验收标准- 根据相关法规和技术规范,对给排水工程分部工程进行验收。
验收标准包括但不限于以下内容:1. 施工质量:确保给排水系统设施的安装、维修和保养符合技术要求,无明显质量问题;2. 材料使用:材料应符合规范要求,无明显质量缺陷;3. 设备安装:设备应正确安装、连接和调试,运行正常且符合规范要求;4. 技术记录:各项工程技术记录完整、准确,符合规范要求。
验收结果经过对给排水工程分部工程的全面检查和评估,确认如下:1. 施工质量符合技术要求,无明显质量问题;2. 材料使用符合规范要求,无明显质量缺陷;3. 设备安装、连接和调试正常,运行符合规范要求;4. 工程技术记录完整、准确,符合规范要求。
验收结论1. 给排水工程分部工程经过全面验收,符合相关法规和技术要求;2. 给排水工程分部工程验收合格,可以进入下一阶段施工工作。
验收人员- 建设单位代表:[建设单位代表]- 施工单位代表:[施工单位代表]- 监理单位代表:[监理单位代表]附件- 相关验收照片、技术记录等附件以上记录经双方代表共同签字确认。
备注:以上信息必须经建设单位、施工单位和监理单位核实后填写。
资料范本
本资料为word版本,可以直接编辑和打印,感谢您的下载
给水排水工程表格验收记录
地点:__________________
时间:__________________
说明:本资料适用于约定双方经过谈判,协商而共同承认,共同遵守的责任与义务,仅供参考,文档可直接下载或修改,不需要的部分可直接删除,使用时请详细阅读内容
沟槽开挖与地基基础检验批验收记录
管道基础检验批质量验收记录
钢管外防腐层检验批质量验收记录
钢管阴极保护工程检验批质量验收记录
球墨铸铁管接口检验批质量验收记录
钢筋混凝土、预(自)应力混凝土管、预应力钢筒混凝土接口连接检
验批质量验收记录
化学建材管接口连接检验批质量验收记录
管道铺设检验批质量验收记录
工作井检验批验收记录。