什么是质量损失
- 格式:doc
- 大小:73.50 KB
- 文档页数:3
{品质管理品质知识}质量损失函数质量损失函数日本质量管理学家田口玄一(Taguchi)认为产品质量与质量损失密切相关,质量损失是指产品在整个生命周期的过程中,由于质量不满足规定的要求,对生产者、使用者和社会所造成的全部损失之和。
田口用货币单位来对产品质量进行度量,质量损失越大,产品质量越差;反之,质量损失越小,产品质量越好。
一、质量特性产品质量特性是产品满足用户要求的属性,包括产品性能、寿命、可靠性、安全性、经济性、可维修性和环境适应性等。
(与前描述是否一致)(一)质量特性分类田口先生为了阐述其原理,对质量特性在一般分类的基础上作了某些调整,分为计量特性和计数特性,如图1所示。
1、望目特性。
设目标值为m,质量特性y围绕目标值m波动,希望波动愈小愈好,则y就被称为望目特性,例如加工某一轴件图纸规定φ10±0.05(mm),加工的轴件的实际直径尺寸y就是望目特性,其目标值m=10(mm)。
2、望小特性。
不取负值,希望质量特性y愈小愈好,波动愈小愈好,则y 被称为望小特性。
比如测量误差,合金所含的杂质、轴件的不圆度等就属于望小特性。
3、望大特性。
不取负值,希望质量特性y愈大愈好,波动愈小愈好,则y 被称为望大特性。
比如零件的强度、灯泡的寿命等均为望大特性。
(二)质量特性波动产品在贮存或使用过程中,随着时间的推移,发生材料老化变质、磨损等现象,引起产品功能的波动,我们称这种产品由于使用环境,时间因素,生产条件等影响,产品质量特性y偏离目标值m,产生波动。
引起产品质量特性波动的原因称为干扰源。
主要有以下三种类型:1、外干扰(外噪声)使用条件和环境条件(如温度,湿度,位置,输入电压,磁场,操作者等)的变化引起产品功能的波动,我们称这种使用条件和环境条件的变化为外干扰,也称为外噪声。
2、内干扰(内噪声)材料老化现象为内干扰,也称为内噪声。
3、随机干扰(产品间干扰)在生产制造过程中,由于机器、材料、加工方法、操作者、计测方法和环境(简称5MIE)等生产条件的微小变化,引起产品质量特性的波动,我们称这种在生产制造过程中出现的功能波动为产品间波动。
质量损失工作总结
在任何一个企业或组织中,质量损失都是一个非常重要的问题。
无论是在生产
制造还是服务行业,质量损失都会对企业的声誉和利润造成严重影响。
因此,对质量损失进行总结和分析是非常重要的。
首先,我们需要对质量损失的原因进行深入的分析。
质量损失可能是由于生产
过程中的技术问题,也可能是由于员工的操作失误,甚至是由于供应商提供的原材料质量不合格。
只有找到问题的根源,才能有针对性地进行改进和解决。
其次,我们需要对质量损失造成的影响进行评估。
质量损失不仅会导致产品或
服务的质量下降,还会给企业带来额外的成本和损失。
比如,需要重新生产产品或重新提供服务,还需要承担客户投诉和赔偿的成本。
因此,对质量损失造成的影响进行评估,可以帮助企业更好地认识问题的严重性。
最后,我们需要制定有效的改进措施。
根据对质量损失原因和影响的分析,我
们可以制定相应的改进计划。
比如,加强员工的培训和监督,改进生产工艺和技术,加强对供应商的质量管理等。
只有通过有效的改进措施,才能够避免质量损失再次发生,提高产品和服务的质量,增强企业的竞争力。
总之,质量损失工作总结是非常重要的,它可以帮助企业深入了解问题的原因
和影响,有效地制定改进措施,提高产品和服务的质量,为企业的可持续发展打下坚实的基础。
希望每个企业都能够重视质量损失工作总结,不断提升自身的管理水平和核心竞争力。
质量损失率管理制度一、总则为了提高企业的产品质量,降低质量损失率,促进企业持续稳定发展,特制定本制度。
二、适用范围本制度适用于所有涉及企业产品生产、质量管理的各个环节,包括原材料采购、生产加工、质量检测、包装运输等。
三、术语定义1. 质量损失率:指产品生产过程中因各种原因导致的不合格品数量与合格品数量的比值。
2. 原材料:指生产产品所需要的各种原材料、辅助材料和包装材料等。
3. 不合格品:指在产品生产过程中不符合相关标准、规定或者客户需求的产品。
4. 合格品:指符合相关标准、规定或者客户需求的产品。
四、管理方法1. 质量损失率测算每月对产品生产的各个环节进行质量损失率的测算统计,分析不同环节的质量损失率情况,找出影响质量的主要原因。
2. 原材料检验对所有进厂的原材料进行严格的质量检测,确保原材料的质量符合生产要求。
3. 生产加工控制对产品的生产加工过程进行全程监控,确保每一个环节都按照质量标准进行操作,避免不合格品的产生。
4. 质量培训对生产人员进行质量管理方面的培训,提高员工对质量问题的重视程度和质量意识,降低人为原因造成的质量损失率。
五、工作要求1. 严格执行质量标准生产中的各个环节必须严格按照公司的质量标准进行操作,确保产品的质量符合要求。
2. 及时反馈问题对于发现的质量问题,及时向相关部门汇报,进行问题分析和解决,避免问题扩大化。
3. 持续改进对产品生产过程中出现的问题,要进行持续改进,不断提高产品质量,降低质量损失率。
六、责任与考核1. 责任部门生产、质量管理、采购等相关部门负责质量损失率的管理工作,各负其责。
2. 考核方法将质量损失率纳入企业绩效考核体系,对质量管理不到位、造成质量损失的部门进行相应的处罚或者奖励。
七、监督检查1. 内部检查企业内部定期对各个生产环节进行质量损失率的监督检查,及时发现问题并进行纠正。
2. 外部审核请专业的第三方机构对企业的质量损失率管理进行定期的外部审核,确保质量损失率管理工作的规范和有效。
质量损失管理办法
质量损失管理是企业生产经营过程中必须重视的一个环节。
对质量损失的管理,即是企业选择科学系统的方法来识别、定量和控制因质量问题所造成的各种损失的过程,它具有重要的经济意义和战略意义,影响着企业的生产效率和经济效益,充分发挥着企业的竞争力。
一、确定质量损失的定义
关于什么是质量损失,不同行业的企业和管理人员有不同的理解。
有些机构把产品质量不良所导致的一切成本都看作质量损失,有些机构认为只有目测非正常的成本才是质量损失。
二、确定质量损失的分类
质量损失可以分为外因和内因两种类型。
外因是指来自于供应商或环境等方面因素所导致的质量损失,内因是指来自于生产过程和人员等方面因素所导致的质量损失。
企业需要对这些问题分类记录,以便在业务推进过程中有据可依。
三、确定质量损失的定量方法
确定质量损失的定量方法有很多,可以依据工程制图、物理和数学定量、数据分析等方法。
企业需要根据自身情况选取一种可行可靠的方法。
四、建立质量损失贯穿全过程的监督制度
建立一个从需求确认、设计、试制、定型、生产、上市到售后
服务的完整的质量损失监督制度。
五、机构实行品质保证活动
品质保证是规定的,系统化的方法,它主要包括知识管理、交
流管理、技术开发、质量保证、技能提高、资料管理与标准化、过
程管理和客户服务等方面中对人力、设备、材料和技术的各种要求。
总之,企业要全力做好质量损失管理,定期进行内部评估和外
部评估,评估结果的内容包括市场与客户反馈的质量问题、内部制
度和流程的改进建议等,改善产品质量、提高生产效率和经济效益。
就可以提高质量,提高竞争力。
质量损失成本分析报告质量损失成本分析报告一、引言质量损失成本是指因为质量问题而导致的各种成本,包括内部和外部成本。
内部成本主要包括返工、废品处理、设备停机等直接产生的成本,而外部成本则包括质量问题引起的客户退货、赔偿等间接产生的成本。
对于企业来说,减少质量损失成本是提高效益、增强竞争力的关键要素之一。
本报告将对某企业的质量损失成本进行分析,以帮助企业找出质量问题的根源,优化生产流程,降低损失成本。
二、质量损失成本分析(一)内部成本1. 返工成本:由于生产过程中出现质量问题,需要重新加工或调整的产品所产生的成本。
2. 废品处理成本:因为质量问题而产生的不合格产品需要进行处理,包括报废、销毁等成本。
3. 设备停机成本:由于质量问题需要进行设备维修、更换等导致的生产停机所产生的间接成本。
(二)外部成本1. 客户投诉成本:因为质量问题导致客户投诉,需要配合客户沟通、解决问题所产生的成本,包括人力成本、时间成本等。
2. 客户退货成本:由于质量问题导致客户退货,需要进行退款、重新生产等成本。
3. 客户赔偿成本:由于质量问题导致客户损失,需要进行赔偿的成本。
三、案例分析以某汽车零部件制造企业为例,该企业生产的产品主要供应给汽车制造商。
在过去一年中,该企业出现了一系列的质量问题,导致内部和外部成本不断增加。
在内部成本方面,该企业需要进行大量的返工,造成了显著的人力和时间成本。
此外,由于质量问题导致部分产品不合格,需要进行废品处理,进一步增加了成本。
此外,由于质量问题频发,设备经常需要维修和调整,导致生产线的停机时间增加,进一步加剧了成本的上升。
在外部成本方面,由于质量问题频发,汽车制造商不得不退货,导致销售额大幅下降。
同时,由于客户投诉增加,企业需要投入更多的人力和资源来解决问题。
最严重的是, 一些客户由于质量问题导致的损失而要求企业进行赔偿,这导致了巨大的财务压力。
综上所述,该企业的质量损失成本明显上升,对企业的经营产生了很大的负面影响。
质量损失函数
质量损失函数是一个损失函数,用来衡量模型在预测过程中拥有的质量,它衡量的是模型的准确性。
质量损失函数由质量指标组成,这些指标可以是数据准确性、预测准确性、生产效率等。
质量损失函数的基本原理是:实际的预测结果与模型期望结果之间的差距,而这个差距应该尽可能的小,从而提升模型预测的效率和准确性。
用来计算质量损失函数的公式可以是任意函数,通常可以用均方差(MSE)来衡量质量损失。
MSE是一种平均偏差的可量化衡量,它表示模型输出值与真实值之间的差距。
另外,贝叶斯损失函数也可以用来衡量质量损失,它是一种按比例降低异常结果的方法,能够较好地衡量模型的质量。
在实际的机器学习和数据挖掘系统中,质量损失函数是一个重要的概念,它能够帮助模型追求更大的精度和准确性。
模型的优化过程需要连续更新质量损失函数,以获得更好的预测结果,这就决定了质量损失函数在机器学习和数据挖掘中的重要性。
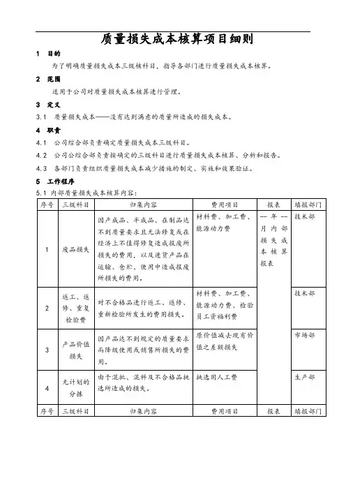
质量损失成本核算项目细则
1 目的
为了明确质量损失成本三级核科目,指导各部门进行质量损失成本核算。
2 范围
适用于公司对质量损失成本核算进行管理。
3 定义
3.1 质量损失成本——没有达到满意的质量所造成的损失成本。
4 职责
4.1 公司综合部负责确定质量损失成本三级科目。
4.2 公司公综合部负责按确定的三级科目进行质量损失成本核算、分析和报告。
4.3 各部门负责组织质量损失成本减少措施的制定、实施和效果验证。
5 工作程序
5.2 外部质量损失成本核算内容:
6 相关文件
6.1 TYQT-01《质量损失成本核算项目细则》
7 相关记录
7.1 TYQR-008《年月内部损失成本核算报表》
7.2 TYQR-009《年月外部损失成本核算报表》
7.3 TYQR-010《质量损失成本分析报告》
作业文件更改栏
编制:审核批准:。
什么是质量损失质量损失是指企业在生产、经营过程和活动中,由于产品的质量问题而导致的损失,即由于质量低劣而产生的内、外部损失。
质量损失的存在在于资源的潜力没能得到充分的发挥,质量损失的存在也正是质量改进的意义所在或质量改进的机会所在。
[编辑]质量损失的类型质量损失可分为两种形式:有形损失和无形损失。
(1)有形损失指由于内部故障而直接发生的费用,如返工、低效的人机控制、丧失机会等而引起的低工作效率而造成的资源和材料的浪费等。
(2)无形损失是指由于顾客不满意而发生的未来销售的损失,如因顾客不满意而失去顾客,丧失信誉,从而失去更多销售机会或增值机会所造成的损失。
无形损失不是实际的费用支出,常常难以统计和定量,并且它对组织的影响大且长久,因而,它是一种很重要的损失。
[编辑]质量损失函数[1]日本质量管理专家田口玄一给出了质量损失函数的表达式——一个“二次方程式”及其平衡的条件。
L(x) = K(x− m)2其中:L(x)——质量损失,m——质量特性标准,x——质量特性值, k——常数,一般可以由“机能界限”确定。
企业的损失函数为:要使用户的质量损失和企业的损失之和最小,则必须满足条件:当x=m时,有最小值,即质量特性值x等于目标值m时,则表明此时质量最好。
当时,L(x) < A当时,L(x)>A,上述关系可用下图表示。
图:制造容差与质量损失[编辑]参考文献1. ↑质量管理学,第八章质量经济性管理第一节质量的经济性,中国地质大学(武汉)网络教育学院课件本条目对我有帮助4如果您认为本条目还有待完善,需要补充新内容或修改错误内容,请编辑条目。
本条目由以下用户参与贡献Cabbage,Vulture.页面分类: 质量术语评论(共0条)提示:评论内容为网友针对条目"质量损失"展开的讨论,与本站观点立场无关。
发表评论。
因产品质量问题造成损失的范围
因产品质量问题造成的损失范围可能非常广泛,包括但不限于以下几个方面:
1.经济损失:产品质量问题可能导致生产停滞、退货、召
回、维修等额外成本,从而影响企业的经济效益。
2.声誉损失:如果产品质量问题被媒体曝光或消费者口口
相传,将对企业声誉造成严重影响,影响品牌形象和市场地位。
3.法律责任:如果产品质量问题造成人身伤害或财产损失,
企业可能需要承担相应的法律责任,包括赔偿、罚款等。
4.供应链影响:产品质量问题可能影响上游供应商和下游
客户的利益,导致供应链的稳定性受到破坏。
5.客户信任度下降:长期的产品质量问题会导致消费者对
企业的信任度下降,从而降低客户忠诚度。
因此,企业应重视产品质量管理,加强质量检测和控制,确保产品符合相关标准和客户要求,以减少因质量问题造成的损失。
质量损失函数
质量损失函数是一种统计方法,可以在预测任务中用来衡量质量损失程度。
它通常用来衡量模型预测准确度,以及这些预测中可能存在的偏差和误差。
质量损失函数可以衡量预测误差,以便能够判断出哪种预测是更有效的,也可以使用来衡量模型性能,以便可以根据质量损失降低模型的性能。
质量损失函数的类型主要有两种:回归损失和分类损失。
回归损失有均方误差(MSE)和平均绝对误差(MAE)等,而分类损失有交叉熵损失和Hinge损失等。
均方误差(MSE)是一种常用的回归损失函数,它衡量的是实际值与预测值之间的差异,它的计算公式是:MSE =(实际值 -测值)/ N,其中N代表损失函数的总个数。
MSE可以用来衡量模型的拟合度,它的值越小,拟合度越强,因此,我们可以通过降低MSE的值来提高模型的精度。
另一种类型的质量损失函数是Hinge损失,它是一种分类损失函数,它可以用来衡量分类准确度,它的计算公式是:Hinge损失 = max (0, 1 -签测值),其中标签是指预测样本的实际标签,而预测值是预测的值。
Hinge损失可以用来判断模型的准确性,它的值越小,说明模型的准确度越高。
此外,还有一种质量损失函数,称为正则化损失函数,它可以用来降低模型的复杂性,从而降低训练误差和测试误差,从而提高模型
的精度。
正则化损失函数是一种特殊的质量损失函数,它可以抑制模型过拟合,保持模型稳定,以达到更好的性能。
总之,质量损失函数是一种用来衡量模型预测的准确度的统计方法,它可以为我们提供一种有效的方法来衡量模型的性能,以及预测中可能存在的偏差和误差。
它可以帮助我们判断出更有效的预测,并可以用来提高模型的准确度,从而达到更好的性能。
第四章质量经济性分析思考题1.组织常见的质量损失主要包括哪几个方面?组织的质量损失是指由于产品质量不符合要求,在出厂前和出厂后给组织造成的损失,其中包括有形损失和无形损失两大类。
有形损失是指可以直接用价值(货币)计算的显性损失。
废品损失、返修损失,销售中的包装修理、退货、赔偿、降级降价损失;辅助生产中的仓储、运输及采购中的某些损失等,都是有形损失。
无形损失是指由于产品质量不好,影响了组织的信誉,使订货量减少,市场占有率降低带来的损失。
2.一般情况下质量成本的构成比例是多少?不同的学者对于质量成本的构成比例有不同的认识。
但总是存在最佳的质量水平使得质量总成本最低,应根据不同组织的具体情况来寻求质量成本最佳的构成比例。
朱兰认为,预防成本、鉴定成本、内部损失成本、外部损失成本的最佳构成比例分别为:1%-5%,10%-50%,25%-40%,25%-40%;哈灵顿认为,预防成本、鉴定成本、内部损失成本、外部损失成本的最佳构成比例分别为:10%、25%、57%、8%;桑德霍姆认为,预防成本、鉴定成本、内部损失成本、外部损失成本的最佳构成比例分别为:0.5%-10%,10%-50%,25%-40%,20%-40%。
3.试述研究质量成本的意义。
(1)研究质量成本,有利于挖掘降低质量成本的潜力,使组织可以集中力量采取有效措施,对质量成本进行控制,实现降低产品成本的目标。
(2)研究质量成本,组织的管理人员会更清楚地看到产品质量和质量管理中的问题对组织经济效益造成的影响,从而更加重视产品质量,积极推进组织的全面质量管理工作。
(3)研究质量成本,有利于组织全面把握成本控制的范围和内容。
4.生产组织如何开展质量经济性分析工作?质量经济性分析的主要内容是质量成本分析。
一般包括以下内容:质量成本总额分析、质量成本构成分析、质量成本与组织相关经济指标的分析、故障成本分析。
同时,对组织的各个环节也要进行质量经济性分析,主要包括产品开发设计环节、产品制造环节、产品使用环节。
质量方法论之质量损失函数在质量管理领域,损失函数是一种方法论,用于评估质量问题的严重程度和影响,并帮助确定改善措施。
损失函数是指将质量问题转化为经济损失或风险的数值化指标,目的是为了帮助决策者衡量质量问题的重要性,优化资源分配和决策过程。
首先,损失函数需要明确定量的损失评估指标。
损失指标可以是直接经济损失,如产品召回或客户赔偿费用;也可以是间接经济损失,如声誉受损导致市场份额的下降。
除了经济损失,还可以考虑其他非经济因素,如环境影响和公司形象。
通过量化损失指标,能够更加准确地评估质量问题的重要性和紧迫程度。
最后,损失函数需要将损失评估结果与质量改进措施相对比。
通过损失函数,企业可以清楚地了解质量问题的严重程度和影响,从而确定改进措施的优先级和资源分配。
企业可以比较不同质量问题的损失评估结果,将资源集中于造成最大经济损失或风险的问题上。
同时,损失函数还能够帮助企业评估质量改进措施的经济效益,确定措施的可行性和优先级。
损失函数方法论在质量管理中具有重要的意义和应用价值。
通过数值化指标,损失函数帮助企业准确评估质量问题的重要性和影响,优化资源分配和决策过程。
它可以帮助企业提高质量管理效能,减少经济损失和风险。
同时,损失函数也可以帮助企业实现持续质量改进,提高产品和服务的质量水平,增强市场竞争力。
尽管损失函数方法论在质量管理中具有重要的应用价值,但也存在一些问题和挑战。
首先,建立准确的质量问题与损失之间的关联模型是一个复杂的任务,需要考虑多个因素和变量的影响。
其次,损失函数方法论需要大量的数据支持,包括质量问题和经济损失的历史数据,以及相关变量和因素的数据。
在一些情况下,数据的获取和分析可能存在困难。
此外,损失函数方法论还依赖于企业对质量问题和经济损失的准确估计,这对于一些难以量化的因素来说可能是挑战性的。
总之,损失函数是一种质量管理的方法论,通过将质量问题转化为经济损失或风险的数值化指标,帮助企业衡量质量问题的重要性,优化资源分配和决策过程。
质量损失概述一、质量损失的涵义“提高经济效益的巨大潜力蕴藏在产品质量之中”,这句名言已经被世界许多企业的成功经验所证实。
只有减少与质量有关的损失,效益才能得到充分体现和增加。
因此,损失和效益是对立的统一体,而这种观念正在日益深入人心,我国许多的行业和企业都在努力开展减损活动并已经取得了良好效果。
根据国内一些部门和省、市的统计分析报告:目前中国工业企业的不合格品损失较大,约占工业产值的10%左右,甚至更多,仅按此比例计算,全国每年的不合格品损失超过千亿元。
事实上,我国不少地区的不合格品损失量比上述统计数字要大得多。
根据质量监督部门粗略统计:近年来,平均每年全国县以上企业仅废品损失一项就约150亿元至180亿元。
国外一些专家认为,工业企业的不良品损失要占到制造成本的20%—30%。
美国著名质量管理专家朱兰(J.M.Juran)在他主编的《质量控制手册》一书中说:“在次品上发生的成本等于一座金矿,可以对它进行有利的开采。
”形象地将其比喻成“矿中黄金”。
然而,组织中的不良品损失,仅仅属于企业内部的质量损失范畴,不良品损失犹如水中冰山,暴露在水上面的比例并不大,而大部分隐患和损失都潜在水面下。
实际上,质量损失应该是产品在整个生命周期过程中,由于质量不满足规定要求,对生产者、使用者和社会所造成的全部损失之和。
它存在于产品的设计、制造、销售、使用直至报废的全过程,涉及生产者、使用者和整个社会的利益。
二、质量损失的构成量损失的构成如图1所示。
图1 质量损失的构成三、生产者的损失二生产者的质量损失包括因质量不符合要求,在产品交付前和交付后的两方面损失。
其中既包括有形的损失,也包括无形的(隐形的)损失。
有形损失是指可以通过价值计算的直接损失,如废品损失、返修损失;销售中的安装修理、退货、赔偿、降低降价损失;辅助生产中的仓储、运输及采购中的某些损失等。
据统计,生产和销售中的损失约占总损失的90%,其中废次品、返修、返工、包装不良等又是主要因素。
质量亏损公式
质量亏损公式是一种计算质量损失的方法,用于评估产品或服务的质量水平。
它可以帮助企业识别存在的质量问题和损失,以便采取措施改善和提高质量。
质量亏损公式可以表示为:
质量亏损 = 不合格品数量 x 不合格品处理费用 + 返工费用 + 售后服务费用 + 客户满意度损失费用
其中,不合格品数量是指生产或服务过程中不符合规格要求的物品或服务的数量;不合格品处理费用是指不合格品处置和处理所需的成本;返工费用是指重新制造或修复不合格品所需的成本;售后服务费用是指为了解决顾客投诉和客户退货所需的成本;客户满意度损失费用是指由于质量问题导致顾客失去信任和忠诚度的成本。
通过计算质量亏损公式,企业可以了解质量问题对其业务和利润的影响,进而采取措施改善质量和提高业务效益。
过程成本与质量损失The document was prepared on January 2, 2021过程成本和质量损失质量管理的过程监控原理告诉我们:所有的质量工作都是通过过程来完成的质量体系的基本构成单元就是过程.任何组织都要通过过程网来创造、改进和提供持续稳定的产品质量.因此,核算和分析过程成本,降低质量损失是研究质量管理经济效益必须重视的一个问题.一、过程成本1.什么是过程成本过程成本由符合性成本和非符合性成本构成,任何过程都存在符合性成本和非符合性成本.见GB/T 19004· 1-ISO9004· 1 质量管理和质量体系要素第一部分指南第6.2.2条.符合性成本是在现行过程无故障情况下,完成所有规定的和指定的顾客要求所支付的费用.如某客车制造厂为生产社会需求的客车所支付的正常生产成本费用,即原材料费、工资与福利费、设备折旧费、电费、辅助生产费等等.非符合性成本是由于现行过程的故障造成的费用.如生产过程中产生的废次品损失费,设备故障而导致的停工损失费,设备维修费等.显然,质量管理中核算过程成本的根本目的是要不断降低非符合性成本.2.降低不良品损失是降低非符合性成本的主要途径不良品损失是指产品生产经营过程中,因产品不符合顾客要求的质量标准或合同规定的质量要求而造成的损失.不良品,包括废品、次品、返修品和回用品,直接造成原材料、能源、人员和设备使用等方面的浪费和损失;它们是非符合性成本的主要组成部分.据一些工业化国家的报道,每年不良品给企业造成的经济损失占企业增值的15%~18%,如法国质量协会AFQ在80年代初的调查估计,法国不良品损失大约是增值的15%左右,大约损失额达2700亿法郎.我国的工业不良品损失,据有关方面调查,高达工业产值的10%~15%.如天津市经委80年代中期对52家企业实测,关键工序一次合格率平均为64%,这意味着整个生产过程的不良品率高达36%.因此,不良品损失是一座有待挖掘的金山,开采这座金山,即降低不良品损失是降低非符合性成本的重要途径.它对提高质量管理经济效益有巨大作用.具体来说,体现在下列三个方面:l保证产品质量,提高产品质量等级品率如某化工厂对聚氯乙烯树脂产品生产过程中对影响聚氯乙烯残留单体含量指标的三道关键工序过程进行工艺改进,加强设备管理,实行质量奖惩后,产品合格率由%提高到%;一级品率由10%以下显着上升到%,获得显着经济效益.2促进文明均衡生产,即保证质量也增加产量某洗衣机厂原洗衣机生产线,因返修量大,导致生产线流动不畅,生产均衡性差,工人每天生产九小时,也只能完成设计能力的55%.尔后,该厂通过过程成本分析,装配过程的一次合格率仅43%,非符合性成本较大.为此,该厂认真开展岗位培训,加强工艺监督,降低返修率,不仅提高了产品质量,而且实现了文明均衡生产,日产量也提高到设计能力,取得良好经济效益.3降低物耗、能耗,实现扭亏转盈某味精厂,因原材料价格大幅度上升,面临亏损.该厂经过过程质量分析,对发酵、提取和精制过程确定新的收得率质量目标,然后从抓基础管理入手,加强原材料管理,健全计量工作,狠抓工艺实施与监督,并实行质量否决权,使每吨味精产品消耗原材料从原来11吨多下降到吨,还节约了能源,很快就实现扭亏转盈.3.提高关键工序一次合格率是降低非符合性成本的有效方法企业生产经营过程由许多大大小小的过程所构成,其中主干过程往往起到关键性的作用.因此,降低非符合性成本和不良品损失,最有成效的方法就是提高关键工序过程的一次合格率.90年代初,我国各地开展的提高关键工序一次合格率活动实践,充分证明其有见效快、成效大的优点.一般来说,提高关键工序一次合格率有下列六道步骤:1实测准备实测准备包括技术性准备和管理性准备两个方面.技术性准备是要做好以下四项准备工作:①确定产品对象一般应是主导产品;②明确产品生产工艺或流程;③确定关键工序;④提出关键工序或再制品、中间品的质量指标项目,确定抽样检测方案等.管理性准备是指作好人员、仪器工具和时间计划等方面的准备工作.2实测关键工序的一次合格率按照准备好的方案和方法实测预定质量指标的一次合格率,如合格率、成材率、收得率等,并作好实测记录.3分析、计算、攻关,采取纠正措施对关键工序一次合格率的实测记录进行分析和计算,寻找非符合性成本大的过程及因素,运用统计技术和专业知识分析原因,并制定和采取相应的纠正措施,实施质量改进.4复测关键工序一次合格率在实行质量改进后,再用同样的方法对关键工序一次合格率进行测试与计算,并作好复测记录.5评价成效对提高关键工序一次合格率的投人和产出也就是过程质量改进的成效进行评价和总结.既要定量地计算获得的经济效果,也要定性地总结取得的经济效益.6巩固成绩,继续改进提高关键工序一次合格率的有效措施和方法应纳入相应的标准、规程、规范等程序文件,以巩固已取得的成绩.同时,寻找新的质量改进对象,即可提高过程质量的新工序过程,转入新的关键工序一次合格率提高活动中去.据天津市42家企业统计,在提高关键工序一次合格率活动中,平均提高一次合格率13.6%,采取的纠正措施中,有78%是管理性措施,技术性措施仅占22%,其中38家企业取得年经济效果3348万元.可见,提高关键工序一次合格率确实是一项降低非符合性成本,提高质量管理效益的捷径.二、质量损失1.什么是质量损失告诉我们:质量损失是“由于质量低劣造成的内部损失和外部损失,并分为有形和无形损失两类”见GB/T -ISO 质量管理和质量体系要素第一部分指南的第6章.质量损失的构成如下图所示.1外部无形损失“典型的外部无形损失是由于顾客不满意而造成的进一步销售损失.”“要考虑有缺陷的产品能导致形象和信誉损失,丧失市场,意见、索赔、责任和人力财力资源的浪费等风险.”见GB/T —ISO这就是说,由于顾客不满意而造成的形象和信誉损失,以及由此导致的丧失市场是最大的外部无形损失.市场经济条件下,企业间的剧烈竞争不仅是产品质量与价格的竞争,也是企业人才和组织质量的竞争,企业形象与信誉的竞争.企业形象并不是简单的企业外在表现,而是企业在产品质量、设备水平、科技进步、管理艺术,经济实力,员工素质等各方面质量的综合表现.企业信誉,首先也是其质量信誉.它们绝不只是靠广告、促销、新闻发布等宣传出来的,而是依赖其卓越而持久的产品质量和组织质量,在顾客心中逐步树立起来的.比如,你无论走到世界何地,只要看到深红色的衬底托出金黄色的M形拱门,就知道这里是麦当劳餐店,就会想到里面装饰一致、干净优雅的饮食环境,着装统一、服务规范、笑脸相迎的服务人员,还有那质量、口味、规格一致的“汉堡包”.这就是说“麦当劳”已在各国顾客心目中树立了良好的企业形象和信誉.名牌产品,驰名商标,荣获美国波多里奇奖1987年创立、日本戴明奖1951年创立和欧州质量奖1991年创立等荣誉的企业都是企业形象和信誉的良好表现.相反,伪劣产品、冒牌商标等都是有损企业形象和信誉的不正当行为,势必因引起顾客不满意而丧失市场,甚至导致企业衰亡.2内部无形损失GB/T —ISO 中明确指出:“典型的内部无形损失是由于返工、低效的人机控制,丢失机会等低工作效率引起的.”这就是说,企业生产经营过程中故障多,返工多,人流、物流与信息流不畅等引起的劳动生产率低下是内部无形损失的主要表现形式.高质量,必然产生高效率,也就带来高效益.我国现代化钢铁企业——宝钢,建设一流队伍,培养一流作风,掌握一流技术,实行一流管理,生产一流产品,成为一流企业.其劳动生产率也是我国同类企业中最高的,到2000年,全员实物劳动生产率可达到80G吨/人·年,居世界一流水平.相反,劳动生产率低的企业也必定是一个质量低劣、效益差的企业,迟早会被淘汰.因此,我们要十分重视工作效率即劳动生产率问题,减少和避免这种无形的质量损失.3有形损失有形的质量损失是指那些可以定量计算或可以用货币衡量的质量损失.GB/T —ISO 第六章中明确地指出:“有形的损失是内部和外部故障费用”.也就是说,内部有形损失即内部故障费用,如废次品损失费、返工和复检费、质量故障处理费、质量降级损失费等等;外部有形损失即外部故障费用,如索赔费、退货或降等降级损失费返修费等等.2.质量损失的核算和控制尽管无形的质量损失不能定量核算,但却是首先应该控制和预防的,凡是企业形象和信誉好的企业都十分重视和做好这一点.如法国是世界上最大的矿泉水生产国,皮里耶集团公司的矿泉水更是行销天下,在美国矿泉水市场处于“霸主”地位.但是,有一年,美国卫生部下属的食品与药品管理局FDA通知皮里耶公司产并公布在北卡罗来州市场上销售的皮里g/L,这一指标虽然所在欧洲市场耶矿泉水中,有13瓶中含苯量达到10~17μg/L标准.的食品卫生标准之内,但却超过美国FDA规定的5μ法国皮里耶公司毅然决定把在世界120个国家和地区行销的亿瓶皮里耶矿泉水全部撤下市场,并就地销毁;直接经济损失2亿多法郎.同时,由皮里耶公司总裁等主要领导人举行记者招待会,宣布公司三项决定.的工①宣布皮里耶矿泉水有些产品中含有苯成分是由于在矿泉水充入CO2序中,过滤器没有按规定定期更换而造成,该工序负责人已被革职.同时经由各方专家反复检验,使里耶矿泉水绝对安全可靠.②邀请两位在国际上享有较高知名度的法国医学院院士,毒理学家和癌症g/L的含苯量几乎与人站在离吸烟者一米远处闻专家,由他们解释:10~17μ吸烟者吸一支烟的含苯量相等,如在30年内每天饮用半升皮里耶矿泉水,也只会增中1%的致癌可能性.③向广大消费者宣布:即使皮里耶矿泉水含毒度微乎其微,仍决定把过滤器事故发生之前的全部矿泉水撤下市场,是因为不愿意看到公司一向追求尽善尽美的产品质量会受到丝毫怀疑,为此,不惜付出任何代价.皮里耶公司的上述处理立即引起巨大的反响和效应,成为法、英、美等国许多大报的头版重要新闻;皮里耶公司股市行情立即刹住下跌势头,而且回升%,不仅保护了企业形象和信誉,而且更提高了企业知名度,起到了比2亿多法郎做广告更大的宣传效果.皮里耶矿泉水公司处理美国市场矿泉水含苯量超标事例,充分说明了无形质量损失是头等重大的损失,其损失代价,甚至是不可估量的.有形质量损失应通过核称质量成本中的内外损失成本及质量损失率来控制.质量损失率是内外损失成本之和与企业净产值之比,它是质量指标体系中一项重要的经济性指标,其计算公式为式中:F——质量损失率;C——内部损失成本,万元;1C——外部损失成本,万元;2——工业净产值,万元.PJ显然,质量损失率的大小,反映出企业质量损失的大小,它也是从经济上衡量质量体系有效性的重要依据.应该越小越好.如某玻璃厂1990年每季度的质量损失率如下表所示.从上表中对以看到,该玻璃厂1990年反座损失率呈下降趋势,已被控制住了,其质量管理是有效的.。
什么是质量损失
质量损失是指企业在生产、经营过程和活动中,由于产品的质量问题而导致的损失,即由于质量低劣而产生的内、外部损失。
质量损失的存在在于资源的潜力没能得到充分的发挥,质量损失的存在也正是质量改进的意义所在或质量改进的机会所在。
[编辑]
质量损失的类型
质量损失可分为两种形式:有形损失和无形损失。
(1)有形损失指由于内部故障而直接发生的费用,如返工、低效的人机控制、丧失机会等而引起的低工作效率而造成的资源和材料的浪费等。
(2)无形损失是指由于顾客不满意而发生的未来销售的损失,如因顾客不满意而失去顾客,丧失信誉,从而失去更多销售机会或增值机会所造成的损失。
无形损失不是实际的费用支出,常常难以统计和定量,并且它对组织的影响大且长久,因而,它是一种很重要的损失。
[编辑]
质量损失函数[1]
日本质量管理专家田口玄一给出了质量损失函数的表达式——一个“二次方程式”及其平衡的条件。
L(x) = K(x− m)2
其中:L(x)——质量损失,m——质量特性标准,x——质量特性值, k——常数,一般可以由“机能界限”确定。
企业的损失函数为:
要使用户的质量损失和企业的损失之和最小,则必须满足条件:
当x=m时,有最小值,即质量特性值x等于目标值m时,则表明此时质量最好。
当时,L(x) < A
当时,L(x)>A,上述关系可用下图表示。
图:制造容差与质量损失
[编辑]
参考文献
1. ↑质量管理学,第八章质量经济性管理第一节质量的经济性,
中国地质大学(武汉)网络教育学院课件
本条目对我有帮助4
如果您认为本条目还有待完善,需要补充新内容或修改错误内容,请编辑条目。
本条目由以下用户参与贡献
Cabbage,Vulture.
页面分类: 质量术语
评论(共0条)
提示:评论内容为网友针对条目"质量损失"展开的讨论,与本站观点立场无关。
发表评论。