试验验证动能定理
- 格式:doc
- 大小:156.00 KB
- 文档页数:4
验证动能定理一、实验目的1、验证动能定理。
二、实验原理1、W总=12mv 22-12mv 212、W总=F合Scosα,其中小车位移可从纸带上直接得到,作用在小车上的合力,可通过两个“替代”关系使小车所受的合力转化为悬挂物的重力。
(1)平衡摩擦力——用小车所受的拉力替代合力小车受力为重力、拉力、阻力、支持力,平衡摩擦力后,使重力、阻力和支持力的合力为零,则小车所受的拉力等于小车的合力。
不用重复平衡摩擦力,一次即可。
(2)小车质量(M)远大于悬挂物质量(m)——用悬挂物重力替代小车所受的拉力3、可根据匀变速直线运动某段时间内的平均速度等于该段时间中间时刻的瞬时速度v n=xn+x n+12T来计算小车的速度.三、实验步骤1.用天平测出小车的质量和小盘中砝码的质量,分别为M、m,并把数值记录下来。
2.按图示将实验器材安装好。
3.在长木板无滑轮的一端下面垫一薄木板,以平衡摩擦力。
4.将小盘通过细绳系在小车上,接通电源放开小车,用纸带记录小车的运动情况。
5、重复实验,选一条点迹清晰的纸带分析。
四、数据处理1、根据匀变速直线运动某段时间内的平均速度等于该段时间中间时刻的瞬时速度v n=xn+x n+12T来计算小车的速度,从而得出动能的变化量,测量纸带上两点的距离,计算拉力在此过程中对小车做的功。
2、比较该过程中拉力做的功W和物体动能变化的数值。
五、误差分析1、偶然误差:主要由质量的测量、计数点间距测量引起,可通过多次测量取平均值减小误差2、系统误差(1)平衡摩擦力不准造成的误差(2)由于不满足M≫m引起的误差六、实验创新题型示例:1、(2019·高考江苏卷)某兴趣小组用如图1所示的装置验证动能定理.(1)有两种工作频率均为50 Hz的打点计时器供实验选用:A.电磁打点计时器B.电火花打点计时器为使纸带在运动时受到的阻力较小,应选择______(选填“A”或“B”).(2)保持长木板水平,将纸带固定在小车后端,纸带穿过打点计时器的限位孔.实验中,为消除摩擦力的影响,在砝码盘中慢慢加入沙子,直到小车开始运动.同学甲认为此时摩擦力的影响已得到消除.同学乙认为还应从盘中取出适量沙子,直至轻推小车观察到小车做匀速运动.看法正确的同学是_____(选填“甲”或“乙”).(3)消除摩擦力的影响后,在砝码盘中加入砝码.接通打点计时器电源,松开小车,小车运动.纸带被打出一系列点,其中的一段如图2所示.图中纸带按实际尺寸画出,纸带上B点的速度v B=______m/s.(4)测出小车的质量为M,再测出纸带上起点到A点的距离为L.小车动能的变化量可用ΔE k=12Mv2算出.砝码盘中砝码的质量为m,重力加速度为g.实验中,小车的质量应______(选填“远大于”“远小于”或“接近”)砝码、砝码盘和沙子的总质量,小车所受合力做的功可用W=mgL算出.多次测量,若W与ΔE k均基本相等则验证了动能定理.2、某实验小组采用如图(甲)所示的装置探究功与速度变化的关系.(1)下列叙述正确的是.A.每次实验必须设法算出橡皮筋对小车做功的具体数值B.每次实验中,橡皮筋拉伸的长度没有必要保持一致C.放小车的长木板应该尽量使其水平D.先接通电源,再让小车在橡皮筋的作用下弹出(2)实验中,某同学得到了一条如图(乙)所示的纸带.这条纸带上的点距并不均匀,下列说法正确的是.A.纸带的左端是与小车相连的B.纸带的右端是与小车相连的C.利用E,F,G,H,I,J这些点之间的距离来确定小车的速度D.利用A,B,C,D这些点之间的距离来确定小车的速度(3)实验中木板略微倾斜,这样做.A.是为了释放小车后,小车能匀加速下滑B.是为了增大小车下滑的加速度C.可使得橡皮筋做的功等于合力对小车做的功D.可使得橡皮筋松弛后小车做匀速运动(4)若根据多次测量数据画出的W-v图象如图(丙)所示,根据图线形状,可知对W与v的关系符合实际的是图(丙)中的.3、如图所示的装置,可用于探究恒力做功与动能变化的关系.水平轨道上安装两个光电门,光电门1和光电门2的中心距离为s,光电门的宽度为d.滑块(含力传感器和宽度很小的挡光片)质量为M.细线一端与力传感器连接,另一端跨过定滑轮挂上砝码盘.实验步骤如下:①先保持轨道水平,通过调整砝码盘里砝码的质量来平衡摩擦力,当滑块做匀速运动时传感器示数为F.②增加砝码质量,使滑块加速运动,记录传感器示数.请回答:(1)该实验(选填“需要”或“不需要”)满足砝码和砝码盘的总质量m远小于M.(2)滑块与水平桌面的动摩擦因数μ= (用F,M,重力加速度g来表示).(3)某次实验过程中,力传感器的读数为F,滑块通过光电门1和光电门2的挡光时间分别为t1,t2;滑块通过光电门2后砝码盘才落地.该实验需验证滑块的动能改变与恒力做功的关系的表达式是(用题中物理量字母表示).4、(2016·全国Ⅱ卷,22)某物理小组对轻弹簧的弹性势能进行探究,实验装置如图(甲)所示:轻弹簧放置在光滑水平桌面上,弹簧左端固定,右端与一物块接触而不连接,纸带穿过打点计时器并与物块连接,向左推物块使弹簧压缩一段距离,由静止释放物块,通过测量和计算,可求得弹簧被压缩后的弹性势能.(1)实验中涉及下列操作步骤:①把纸带向左拉直②松手释放物块③接通打点计时器电源④向左推物块使弹簧压缩,并测量弹簧压缩量上述步骤正确的操作顺序是(填入代表步骤的序号).(2)图(乙)中M和L纸带是分别把弹簧压缩到不同位置后所得到的实际打点结果.打点计时器所用交流电的频率为50 Hz.由M纸带所给的数据,可求出在该纸带对应的实验中物块脱离弹簧时的速度为m/s.比较两纸带可知, (选填“M”或“L”)纸带对应的实验中弹簧被压缩后的弹性势能大.5、某实验小组用如图所示的装置探究功和速度变化的关系:将小钢球从固定轨道倾斜部分不同位置由静止释放,经轨道末端水平飞出,落到铺着白纸和复写纸的水平地面上,在白纸上留下点迹,为了使问题简化,小钢球在离倾斜轨道底端的距离分别为L,2L,3L,…处释放,这样在轨道倾斜部分合外力对小钢球做的功就可以分别记为W0,2W,3W,…(1)为了减小实验误差需要进行多次测量,在L,2L,3L…处的每个释放点都要让小钢球重复释放多次,在白纸上留下多个点迹.那么,确定在同一位置释放的小钢球在白纸上的平均落点位置的方法是.(2)为了探究功和速度变化的关系,实验中必须测量(填选项前的标号).A.小钢球释放位置离斜面底端的距离L的具体数值B.小钢球的质量mC.小钢球离开轨道后的下落高度hD.小钢球离开轨道后的水平位移x(3)该实验小组利用实验数据得到了如图所示的图象,则图象的横坐标是.(用实验中测量的物理量符号表示)。
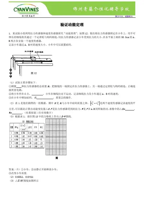
验证动能定理1. 某试验小组利用拉力传感器和速度传感器探究“动能原理”。
如图12,他们将拉力传感器固定在小车上,用不可伸长的细线将其通过一个定滑轮与钩码相连,用拉力传感器记录小车受到拉力的大小。
在水平面上相距50.0cm 的A 、B 两点各安装一个速度传感器,记录小车通过A 、B 时的速度大小、小车中可以放置砝码。
(1)试验主要步骤如下:①测量和拉力传感器的总质量M 1;把细线的一端固定在拉力传感器上,另一端通过定滑轮与钩码相连;正确连接所需电路;②将小车停在C 点,,小车在细线拉动下运动,记录细线拉力及小车通过A 、B 时的速度;③在小车中增加砝码,或,重复②的操作.(2)表1是他们测得的一组数据,期中M 是M 1与小车中砝码质量之和,2122v v 是两个速度传感器记录速度的平方差,可以据此计算出动能变化量△E ,F 是拉力传感器受到的拉力,W 是F 在A 、B 间所做的功。
表格中的△E 3=,W 3=.(结果保留三位有效数字)(3)根据表1,请在图13中的方格纸上作出△E -W 图线.答案:(1)①小车;②由静止开始释放小车;③改变小车质量.(2)0.600J ,0.610J.(3)△E -W 图线如图所示解析:(1)略;(2)由各组数据可见规律222112E m v v ∆=-,可得△E 3=0.600;观察F-W 数据规律可得数值上W=F/2=0.610;(3)在方格纸上作出△E-W 图线如上图所示。
2. 探究力对原来静止的物体做的功与物体获得的速度的关系,实验装置如图所师,实验主要过程如下:(1)设法让橡皮筋对小车做的功分别为W 、2W 、3W 、……;(2)分析打点计时器打出的纸带,求出小车的速度1v 、2v 、3v 、……;(3)作出W v -草图;(4)分析W v -图像。
如果W v -图像是一条直线,表明∝v ;如果不是直线,可考虑是否存在W ∝2v 、W ∝3v 、W以下关于该试验的说法中有一项不正确...,它是___________。
实验:探究动能定理 【实验目的】:用实验方法探究动能定理【实验原理】:外力对物体所做功等于物体动能增量。
实验中,可以通过改变橡皮筋的根数,达到改变外力做功;通过打电计时器记录物体运动,分析物体的速度,从而得到它的动能增量;当然也可以直接利用光电门测出物体获得的速度 【实验器材】 打电计时器,物体,电源,橡皮筋(保证近似相同),木板(或:汽垫导轨,光电计时装置)【实验步骤】1.按图把实验器材安装好,并平衡摩擦力。
(调平垫导轨)2.用一根橡皮筋套住物块,拉至某位置O ,接通电源,放开物块,打点计时器在纸带上打下一系列点,取下纸带,在纸带上写上编号。
3.改变橡皮筋根数,从同一位置O ,释放物块,得到一系列纸带4.通过纸带数据处理,得到物块的速度【巩固练习】 某同学做探究动能定理的实验,如图3所示,图中小车在一条橡皮筋的作用下弹出,沿木板滑行,这时,橡皮筋对小车做的功为W .当用2条,3条…实验时,使每次实验中橡皮筋伸长的长度都保持一致.每次实验中小车获得的速度都由打点计时器所打的纸带测出.(1)除了图中已有的器材外,还需要导线、开关、(填测量工具)和电源(填“交流”或“直流”).(2)实验中小车会受到阻力,可以使木板适当倾斜来平衡摩擦力,需要在(填“左”或“右”)侧垫高木板.(3)若粗糙的木板水平,小车在橡皮筋的作用下,当小车速度最大时,关于橡皮筋状态与小车的位置可能是()A .橡皮筋处于原长状态B .橡皮筋仍处于伸长状态C .小车在两个铁钉连线处D .小车已过两个铁钉连线处(4)某次所打纸带应选用纸带的打点计时器纸带 橡皮筋2.在“探究恒力做功与动能改变的关系”实验中,某实验小组采用如图11所示的实验装置和实验器材.(1)为了用细线的拉力表示小车受到的合外力,可以改变木板的倾角,使重力的一个分力平衡小车及纸带受到的摩擦力.简要说明你平衡摩擦力的实验判断方法:-----------------------------------------------------------------(2)用沙和沙桶的重力大小来表示小车受到的合外力,必须满足的条件是 ----------------------------------------(3)除实验装置中的仪器外,还需要的测量仪器有--------------------------------3.某实验小组利用拉力传感器和速度传感器探究“动能定理”。
验证动能定理实验1、实验原理:沙桶和沙子的重力视为小车受到的合外力;合外力对小车做的功:mgS 车小车动能的改变量: 验证合外力做的功是不是等于小车动能的改变量2.、需要测量的物理量:沙和沙桶的质量;车的质量;算车的速度和位移;3、要注意的问题:怎么平衡摩擦力?有两个不一样的质量在里面,所以不能抵消掉.怎么去处理纸带上面的点。
4、实验示意图如图:例题1.某探究学习小组的同学欲验证动能定理,他们在实验室组装了一套如图所示的装置,另外他们还找到了打点计时器所用的学生电源、导线、复写纸、纸带、小木块、细沙.当滑块连接上纸带,用细线通过滑轮挂上空的小沙桶时,释放小桶,滑块处于静止状态.(1)你认为还需要的实验器材有____________.(2)实验时为了保证滑块受到的合力与沙桶的总重力大小基本相等,沙和沙桶的总质 量应满足的实验条件是__________________________,实验时首先要做的步骤是 ________________.(3)在(2)的基础上,某同学用天平称量滑块的质量为M 。
往沙桶中装入适量的细沙,用 天平称出此时沙和沙桶的总质量为m .让沙桶带动滑块加速运动.用打点计时器记录 其运动情况,在打点计时器打出的纸带上取两点,测出这两点的间距L 和这两点的 速度大小v 1与v 2(v 1<v 2).则本实验最终要验证的数学表达式为______________.(用 题中的字母表示实验中测量得到的物理量)2122Mv 21Mv 21例2.某同学为探究“恒力做功与物体动能改变的关系",设计了如下实验,他的操作步骤是:①安装好实验装置如图所示.②将质量为200 g的小车拉到打点计时器附近,并按住小车.③在质量为10 g、30 g、50 g的三种钩码中,他挑选了一个质量为50 g的钩码挂在拉线的挂钩P上.④释放小车,打开电磁打点计时器的电源,打出一条纸带.(1)在多次重复实验得到的纸带中取出自认为满意的一条.经测量、计算,得到如下数据:①第一个点到第N个点的距离为40.0 cm.②打下第N点时小车的速度大小为1。
探究动能定律的实验实验方法一: 用验证牛顿第二定律的实验装置来探究动能定理1.实验目的:探究外力做功与物体动能变化的定量关系2.实验原理:(1)实验装置如图所示,在砝码和砝码盘的质量远小于小车质量时,可认为细绳的拉力就是砝码及砝码盘的重力(F 绳=G 砝码及砝码盘)。
(2)平衡长木板的摩擦力。
(3)在砝码盘中加放砝码并释放砝码盘,木块将在砝码盘对它的拉力作用下做匀加速运动.在纸带记录的物体运动的匀加速阶段,适当间隔地取两个点A 、B.只要取计算一小段位移的平均速度即可确定A 、B 两点各自的速度v A 、v B ,在这段过程中物体运动的距离s 可通过运动纸带测出,我们可即算出合外力做的功W 合=F 绳S AB (F 绳=G 砝码及砝码盘)。
另一方面,此过程中物体动能的变化量为 ,通过比较W 和ΔEk 的值,就可以找出两者之间的关系。
3. 实验器材:长木板(一端带滑轮)、刻度尺、打点计时器、纸带、导线、电源、小车、细线、砝码盘、砝码、天平. 4.实验步骤及数据处理(1)用天平测出木块的质量M ,及砝码、砝码盘的总质量m 。
把器材按图装置好.纸带一段固定在小车上,另一端穿过打点计时器的限位孔;(2)把木块靠近打点计时器,用手按住.先接通打点计时器电源,再释放木块,让它做加速运动.当小车到达定滑轮处(或静止)时,断开电源;(3)取下纸带,重复实验,得到多条纸带;(4)选取其中点迹清晰的纸带进行数据处理,先在纸带标明计数点,然后取间隔适当的两点A 、B 。
利用刻度尺测量得出A ,B 两点间的距离S AB ;再利用平均速度公式求A 、B 两点的速度v A 、v B ;(4)通过实验数据,分别求出W 合与ΔE kAB ,通过比较W 和ΔEk 的值,就可以找出两者之间的关系。
5.误差分析1.没有完全平衡摩擦力或平衡摩擦力时倾角过大也会造成误差。
2.利用打点的纸带测量位移,和计算木块的速度时,不准确也会带来误差。
实验五探究动能定理一、基本原理与操作原理装置图操作要领(1)平衡:垫高木板的一端,平衡摩擦力(2)做功①用一条橡皮筋拉小车——做功W②用两条橡皮筋拉小车——做功2W③用三条橡皮筋拉小车——做功3W(3)小车:靠近打点计时器且接通电源再释放小车;每次小车须由同一位置由静止弹出(4)测速:测出每次做功后小车获得的速度1.利用纸带确定小车的末速度(1)橡皮筋恢复原长时小车已匀速,故应利用纸带上间距相等的部分计算小车速度。
(2)利用v=xt计算小车的速度,为减小测量误差,所选的范围应尽量长些。
2.绘制图象分别用各次实验的v和W绘出W-v,W-v2,W-v3等关系图象,直到作出的图象是一条倾斜的直线。
注意事项(1)选点测速:测小车速度时,纸带上的点应选均匀部分的,也就是选小车做匀速运动状态的点。
(2)橡皮筋的选择:橡皮筋规格相同。
力对小车做的功以一条橡皮筋做的功为单位即可,不必计算出具体数值。
误差分析(1)误差的主要来源是橡皮筋的长度、粗细不一,使橡皮筋的拉力做功W与橡皮筋的条数不成正比。
(2)没有完全平衡摩擦力或平衡摩擦力时倾角过大也会造成误差。
(3)利用打上点的纸带计算小车的速度时,测量不准带来误差。
教材原型实验命题角度实验原理与基本操作【例1】某学习小组做探究“合力的功和物体速度变化的关系”的实验,图1中小车是在1条橡皮筋作用下弹出,沿木板滑行,这时橡皮筋对小车做的功记为W。
当用2条、3条……完全相同的橡皮筋并在一起进行第2次、第3次……实验时,使每次实验中橡皮筋伸长的长度都保持一致。
每次实验中小车获得的速度由打点计时器所打的纸带测出。
图1(1)除了图中已有的实验器材外,还需要导线、开关、__________(填测量工具)和__________(选填“交流”或“直流”)电源。
(2)实验中,小车会受到摩擦阻力的作用,可以使木板适当倾斜来平衡摩擦阻力,则下面操作正确的是()A.放开小车,能够自由下滑即可B.放开小车,能够匀速下滑即可C.放开拖着纸带的小车,能够自由下滑即可D.放开拖着纸带的小车,能够匀速下滑即可(3)若木板水平放置,小车在两条橡皮筋作用下运动,当小车速度最大时,关于橡皮筋所处的状态与小车所在的位置,下列说法正确的是()A.橡皮筋处于原长状态B.橡皮筋仍处于伸长状态C.小车在两个铁钉的连线处D.小车已过两个铁钉的连线(4)在正确操作情况下,打在纸带上的点并不都是均匀的,为了测量小车获得的速度,应选用图2中纸带的________部分进行测量。
实验:探究动能定理一、实验目的1.通过实验探究外力做功与物体速度变化的关系.2.通过实验数据分析,总结出外力做功与物体速度平方的正比关系.二、实验原理1.改变功的大小:采用如图所示的实验装置,用1条、2条、3条、…规格同样的橡皮筋将小车拉到同一位置由静止释放,橡皮筋拉力对小车所做的功依次为W、2W、3W、…2.确定速度的大小:小车获得的速度v可以由纸带和打点计时器测出,也可以用其他方法测出.3.寻找功与速度变化的关系:以橡皮筋拉力所做的功W为纵坐标,小车获得的速度v为横坐标,作出W-v或W-v2图象.分析图象,得出橡皮筋拉力对小车所做的功与小车获得的速度的定量关系.三、实验器材小车(前面带小钩)、长木板(两侧适当的对称位置钉两个铁钉)、打点计时器及纸带、学生电源及导线(若使用电火花计时器则不用学生电源)、若干条等长的橡皮筋、毫米刻度尺.四、实验步骤1.按原理图将仪器安装好.2.平衡摩擦力:在长木板的有打点计时器的一端下面垫一块木板,反复移动木板的位置,直至小车上不挂橡皮筋时,轻推小车,纸带打出的点间距均匀,即小车能匀速运动为止. 3.先用1条橡皮筋做实验,用打点计时器和纸带测出小车获得的速度v1,设此时橡皮筋对小车做的功为W,将这一组数据记入表格.4.用2条橡皮筋做实验,实验中橡皮筋拉伸的长度与第一次相同,这时橡皮筋对小车做的功为2W,测出小车获得的速度v2,将数据记入表格.5.用3条、4条……橡皮筋做实验,用同样的方法测出功和速度,记入表格.五、数据处理1.求小车速度实验获得如图所示纸带,利用纸带上点迹均匀的一段测出两点间的距离,如纸带上A、C两点间的距离x,则v=x2T(其中T为打点周期).2.计算W、2W、3W、…时对应v、v2的数值,填入下面表格.W 2W 3W 4W 5Wvv23.作图象在坐标纸上分别作出 W-v 和 W-v2图线,从中找出功与速度变化的关系.六、误差分析1.误差的主要来源是橡皮筋的长度、粗细不一,使橡皮筋的拉力做功W 与橡皮筋的条数不成正比.2.没有完全平衡摩擦力或平衡摩擦力时倾角过大也会造成误差.3.利用打上点的纸带计算小车的速度时,测量不准带来误差.七、注意事项1.平衡摩擦力时,将木板一端垫高,使小车重力沿斜面向下的分力与摩擦力平衡.方法是轻推小车,由打点计时器打在纸带上的点的均匀程度判断小车是否匀速运动,找到木板一个合适的倾角.2.测小车速度时,纸带上的点应选均匀部分的,即选小车做匀速运动的部分.3.橡皮筋应选规格一样的.力对小车做的功以一条橡皮筋做的功为单位即可,不必计算出具体数值.4.小车质量应大一些,使纸带上打的点多一些.考点一 实验原理与实验操作[典例1] 某实验小组用如图所示的实验装置和实验器材做“探究动能定理”实验,在实验中,该小组同学把砂和砂桶的总重力当作小车受到的合外力.(1)(多选)为了保证实验结果的误差尽量小,在实验操作中,下面做法必要的是________.A .实验前要对装置进行平衡摩擦力的操作B .实验操作时要先放小车,后接通电源C .在利用纸带进行数据处理时,所选的两个研究点离得越近越好D .在实验过程中要保证砂和砂桶的总质量远小于小车的质量(2)除实验装置中的仪器外,还需要的测量仪器有________________________________________.(3)如图为实验中打出的一条纸带,现选取纸带中的A、B 两点来探究“动能定理”.已知打点计时器的打点周期为T,重力加速度为g.图中已经标明了要测量的物理量,另外,小车的质量为M ,砂和砂桶的总质量为m.请你把要探究的结果用题中给出的字母表达出来________.答案 (1)AD (2)刻度尺、天平 (3)mgx =M x 22-x 21 32T 2考点二 数据处理与误差分析[典例2]某同学为探究“合力做功与物体动能改变的关系”设计了如下实验,他的操作步骤:(1)按图连接实验装置,其中小车质量M=0.20 kg,钩码总质量m=0.05 kg.(2)释放小车,然后接通打点计时器的电源(电源频率为f=50 Hz),打出一条纸带.(3)他在多次重复实验得到的纸带中取出自认为满意的一条,如图所示.把打下的第一点记作0,然后依次取若干个计数点,相邻计数点间还有4个点未画出,用厘米刻度尺测得各计数点到0点距离分别为d1=0.041 m,d2=0.055 m,d3=0.167 m,d4=0.256 m,d5=0.360 m,d6=0.480 m…,他把钩码重力(当地重力加速度g=10 m/s2)作为小车所受合力,算出打下0点到打下第5点合力做功W=________J(结果保留三位有效数字),用正确的公式Ek=________(用相关数据前字母列式)把打下第5点时小车的动能作为小车动能的改变量,算得Ek=0.125 J.(4)此次实验探究的结果,他没能得到“合力对物体做的功等于物体动能的增量”,且误差很大.通过反思,他认为产生误差的原因如下,其中正确的是________.A.钩码质量太大,使得合力对物体做功的测量值比真实值偏大太多B.没有平衡摩擦力,使得合力对物体做功的测量值比真实值偏大太多C.释放小车和接通电源的次序有误,使得动能增量的测量值比真实值偏小D.没有使用最小刻度为毫米的刻度尺测距离也是产生此误差的重要原因答案(3)0.180Mf2200(d6-d4)2 (4)AB考点三实验改进拓展创新1.创新点分析本实验在高考中创新点较少,以动能定理为理论依据,进行实验的创新.通过改变实验原理、实验条件、实验仪器,不拘泥教材,体现拓展性、开放性、探究性等特点.2.命题视角视角1 实验器材的改进,使用拉力传感器和速度传感器本实验中虽然不需计算出橡皮筋每次做功的具体数值,但需计算出每次小车获得的速度,由于距离的测量存在一定误差,使得速度的大小不准确,在此可以安装速度传感器进行实验.视角2 本实验也可用钩码牵引小车完成,将牛顿第二定律的实验嫁接过来,在钩码质量远小于小车质量时,测出钩码的重力和小车的位移进而可以探究动能定理.当然在小车上安装拉力传感器测出拉力的大小,则更为精确.[典例3]某同学把附有滑轮的长木板平放在实验桌上,将细绳一端拴在小车上,另一端绕过定滑轮,挂上适当的钩码,使小车在钩码的牵引下运动,以此定量探究绳拉力做功与小车动能变化的关系.此外还准备了打点计时器及配套的电源、导线、复写纸、纸带、小木块等.组装的实验装置如图所示.(1)若要完成该实验,必需的实验器材还有哪些?________________________________________.(2)实验开始时,他先调节木板上定滑轮的高度,使牵引小车的细绳与木板平行.他这样做的目的是下列的哪个________(填字母代号).A.避免小车在运动过程中发生抖动B.可使打点计时器在纸带上打出的点迹清晰C.可以保证小车最终能够实现匀速直线运动D.可在平衡摩擦力后使细绳拉力等于小车受的合力(3)平衡摩擦力后,当他用多个钩码牵引小车时,发现小车运动过快,致使打出的纸带上点数较少,难以选到合适的点计算小车速度.在保证所挂钩码数目不变的条件下,请你利用本实验的器材提出一个解决方法:___________.(4)他将钩码重力做的功当作细绳拉力做的功,经多次实验发现拉力做功总是要比小车动能增量大一些.这一情况可能是下列哪些原因造成的________(填字母代号).A.在接通电源的同时释放了小车B.小车释放时离打点计时器太近C.阻力未完全被小车重力沿木板方向的分力平衡掉D.钩码做匀加速运动,钩码重力大于细绳拉力答案(1)刻度尺、天平(包括砝码) (2)D (3)可在小车上加适量的砝码(或钩码) (4)CD1.某同学用如图甲所示装置做“探究合力的功与动能改变量的关系”的实验,他通过成倍增加位移的方法来进行验证.方法如下:将光电门固定在水平轨道上的B点,用重物通过细线拉小车,保持小车(带遮光条)和重物的质量不变,通过改变小车释放点到光电门的距离进行多次实验,每次实验时要求小车都由静止释放.(1)用游标卡尺测出遮光条的宽度d,示数如图乙所示,则d=________ cm.(2)如果每次实验时遮光条通过光电门的时间为t,小车到光电门的距离为s,通过描点作出线性图象来反映合力的功与动能改变量的关系,则所作图象关系是________时才能符合实验要求. A.s-t B.s-t2 C.s-t-1 D.s-t-2(3)下列实验操作中必要的是________.A.调整轨道的倾角,在未挂重物时使小车能在轨道上匀速运动B.必须满足重物的质量远小于小车的质量C.必须保证小车由静止状态开始释放答案:(1)1.075(2)D (3)C2.某实验小组利用弹簧秤和刻度尺,测量滑块在木板上运动的最大速度.实验步骤:①用弹簧秤测量橡皮泥和滑块的总重力,记作G;②将装有橡皮泥的滑块放在水平木板上,通过水平细绳和固定弹簧秤相连,如图甲所示.在A 端向右拉动木板,待弹簧秤示数稳定后,将读数记作F;③改变滑块上橡皮泥的质量,重复步骤①②;实验数据如表所示:G/N 1.50 2.00 2.50 3.00 3.50 4.00F/N 0.590.830.99 1.22 1.37 1.61④如图乙所示,将木板固定在水平桌面上,滑块置于木板上左端C处,细绳跨过定滑轮分别与滑块和重物P连接,保持滑块静止,测量重物P离地面的高度h;⑤滑块由静止释放后开始运动并最终停在木板上的D点(未与滑轮碰撞),测量C、D间的距离s.完成下列作图和填空(1)根据表中数据在给定坐标纸上作出F -G图线.(2)由图线求得滑块和木板间的动摩擦因数μ=________(保留两位有效数字).(3)滑块最大速度的大小v=________(用h、s、μ和重力加速度g表示).~0.42均正确)(3)2μg s-h答案:(1)见解析图 (2)0.40(0.38实验:探究动能定理—课后作业1.关于“探究动能定理”的实验中,下列叙述正确的是()A.每次实验必须设法算出橡皮筋对小车做功的具体数值B.每次实验中,橡皮筋拉伸的长度没有必要保持一致C.放小车的长木板应尽量使其水平D.先接通电源,再让小车在橡皮筋的作用下弹出解析:选D.2. (多选)用如图所示的装置做“探究动能定理”的实验时,下列说法正确的是()A.为了平衡摩擦力,实验中可以将长木板的左端适当垫高,使小车拉着穿过打点计时器的纸带自由下滑时能保持匀速运动B.每次实验中橡皮筋的规格要相同,拉伸的长度要一样C.可以通过改变橡皮筋的条数来改变拉力做功的数值D.通过打点计时器打下的纸带来测定小车加速过程中获得的平均速度解析:选ABC.3. 某物理小组对轻弹簧的弹性势能进行探究,实验装置如图(a)所示:轻弹簧放置在光滑水平桌面上,弹簧左端固定,右端与一物块接触而不连接,纸带穿过打点计时器并与物块连接.向左推物块使弹簧压缩一段距离,由静止释放物块,通过测量和计算,可求得弹簧被压缩后的弹性势能.(1)实验中涉及下列操作步骤:①把纸带向左拉直②松手释放物块③接通打点计时器电源④向左推物块使弹簧压缩,并测量弹簧压缩量上述步骤正确的操作顺序是____________(填入代表步骤的序号).(2)图(b)中M和L纸带是分别把弹簧压缩到不同位置后所得到的实际打点结果.打点计时器所用交流电的频率为50 Hz.由M纸带所给的数据,可求出在该纸带对应的实验中物块脱离弹簧时的速度为________ m/s.比较两纸带可知,________(填“M”或“L”)纸带对应的实验中弹簧被压缩后的弹性势能大.答案: (1)④①③②(2)1.29M4.用如图所示的装置测量弹簧的弹性势能.将弹簧放置在水平气垫导轨上,左端固定,右端在O点;在O点右侧的B、C位置各安装一个光电门,计时器(图中未画出)与两个光电门相连.先用米尺测得B、C两点间距离s,再用带有遮光片的滑块压缩弹簧到某位置A,由静止释放,计时器显示遮光片从B到C所用的时间t,用米尺测量A、O之间的距离x.(1)计算滑块离开弹簧时速度大小的表达式是________.(2)为求出弹簧的弹性势能,还需要测量________.A.弹簧原长B.当地重力加速度C.滑块(含遮光片)的质量(3)增大A、O之间的距离x,计时器显示时间t将________.A.增大 B.减小 C.不变答案: (1)v=st(2)C (3)B5.某同学利用如图所示的装置“探究功与速度变化的关系”:在木块的左端固定一挡板,挡板上栓一轻质弹簧,弹簧的右端固定一小物块,物块的上方有一很窄的遮光片,当弹簧的长度为原长时,物块恰处于O点,O点的正上方有一光电门,光电门上连接计时器(图中未画出).已知弹性势能的表达式为E p =12k(Δx)2.(1)实验开始时,________平衡摩擦力;_______测量遮光片的宽度.(均填“需要”或“不需要”)(2)所有实验条件具备后,将小物块向左压缩Δx 后从静止释放,小物块在弹簧的作用下被弹出,记下遮光片通过光电门的时间t 1. (3)将小物块向左压缩2Δx、3Δx、4Δx、…后从静止释放,小物块在弹簧的作用下被弹出,分别记下遮光片通过光电门的时间t 2、t 3、t 4、…. (4)将几次实验中弹簧对小物块做的功分别记为W 1、W 2、W 3、…,则W 1∶W 2∶W 3=________,若以W 为纵坐标、1t 2为横坐标作图,则得到的图象是________(填“一条直线”或“一条曲线”). 答案:(1)需要 不需要 (4)1∶4∶9 一条直线 6.某学习小组利用如图所示的装置验证动能定理.(1)将气垫导轨调至水平,安装好实验器材,从图中读出两光电门中心之间的距离s=________cm ;(2)测量挡光条的宽度d,记录挡光条通过光电门1和2所用的时间Δt 1和Δt 2,并从拉力传感器中读出滑块受到的拉力F,为了完成实验,还需要直接测量的一个物理量是________________________(3)该实验________满足砝码盘和砝码的总质量远小于滑块、挡光条和拉力传感器的总质量.(填“需要”或“不需要”)答案:(1)50.00 (2)滑块、挡光条和拉力传感器的总质量M (3)不需要7.某同学在实验室用如图甲所示的装置来研究有关做功的问题.(1)如图甲所示,在保持M >7m 条件下,可以认为绳对小车的拉力近似等于砂和砂桶的总重力,在控制小车质量不变的情况下进行实验.在实验中,该同学先接通打点计时器的电源,再放开纸带,已知交流电的频率为50 Hz.图乙是在m =100 g 、M =1 kg 情况下打出的一条纸带,O 为起点,A、B、C 为过程中3个相邻的计数点,相邻的计数点之间有4个点没有标出,有关数据如图乙所示,则打B 点时小车的动能E k =________J,从开始运动到打B 点时,绳的拉力对小车做的功W =________J.(保留2位有效数字,g 取9.8 m/s 2)(2)在第(1)问中,绳的拉力对小车做的功W大于小车获得的动能Ek,请你举出导致这一结果的主要原因:________________.(写出一种即可)答案:(1)0.50 0.51 (2)摩擦力没有完全抵消;砂与砂桶的重力大于绳的拉力(写出一种即可) 解析:(1)小车拖动纸带做匀加速直线运动,B为AC的中间时刻,由匀变速直线运动的规律可得v B =vAC=xAC2T,其中xAC=OC-OA=19.95 cm,T=5×0.02 s=0.1 s,代入可求得vB=0.9975 m/s,所以在B点小车的动能Ek =12Mv2B≈0.50 J.绳的拉力近似等于砂和砂桶的总重力,所以绳的拉力对小车做的功W=mgxOB≈0.51 J.(2)若摩擦力没有完全抵消,小车所受合外力的功还应包含摩擦力做的负功,故拉力的功大于动能的增量;若砂与砂桶的重力不满足“远小于小车的重力”的条件,则砂和砂桶的重力大于绳的拉力,若把砂和砂桶的重力近似为拉力,导致拉力做的功大于动能增量.。
探究动能定理研究报告动能定理是物理学中一个基本的定理,它是描述物体运动的能量和力的关系的重要原理。
本文将探究动能定理并进行相关研究,通过举例和实验验证来说明其在物理学中的应用。
动能定理可以简单地表述为:一个物体的动能等于它所受外力做功的量。
动能定理可以由功的定义和牛顿第二定律推导而得。
根据功的定义,功可以表示为力乘以位移的乘积。
而根据牛顿第二定律,力可以表示为质量乘以加速度。
将这两个式子结合起来,可以得到动能定理的表达式:物体的动能等于物体质量乘以物体速度的平方的一半。
为了验证动能定理的准确性,我们可以通过实验来进行验证。
一个简单的实验是将一个小球放在一个斜面上,让它沿斜面滚动下来。
记录小球的质量和斜面高度,以及它滚到底部的速度。
然后使用物理公式计算小球的动能和地球对小球做的重力做功的量。
结果应该是二者相等,从而验证了动能定理。
另一个例子是一个汽车在道路上行驶。
汽车的动能可以表示为汽车质量乘以汽车速度的平方的一半。
而汽车受到的外力包括摩擦力和空气阻力,这些力会减少汽车的动能。
当我们踩下刹车时,摩擦力会逐渐减小汽车的速度,从而减小汽车的动能。
通过实验和测量,我们可以验证动能的损失与摩擦力的做功的量是相等的。
动能定理在物理学中有广泛的应用。
在机械工程中,我们可以使用动能定理来计算机械装置的动能和所受外力的大小。
在运动学中,我们可以使用动能定理来推导物体的运动轨迹和速度。
在动力学中,我们可以使用动能定理来研究物体与其他物体之间的碰撞和相互作用。
总之,动能定理是物理学中一个基本的定理,它描述了物体运动的能量和力的关系。
通过实验和计算,我们可以验证动能定理的准确性。
动能定理在物理学中有广泛的应用,它可以帮助我们研究和理解物体的运动行为。
动能定理与机械能守恒定律实验验证动能定理与机械能守恒定律是物理学中重要的基本定律之一。
通过实验的手段验证这两个定律的正确性,不仅可以加深对物理学理论的理解,更可以培养学生的实验操作和数据处理能力。
一、实验目的本实验的目的是验证动能定理以及机械能守恒定律,并通过实验数据的处理来进一步探索这两个定律的应用和局限性。
二、实验器材实验器材主要包括:一个光滑的水平桌面、一个小球、一个起始线、一根细线、一个电子计时器、一个直尺。
三、实验步骤1. 在桌面上设置起始线,将小球放在起始线上。
2. 用细线将小球绑在电子计时器上方的支架上,小球的下垂高度为h。
3. 释放小球,观察小球的运动情况,并记录小球通过起始线和结束线所用的时间t。
4. 重复上述实验步骤三次,分别取不同的h值。
四、实验数据处理通过实验得到的数据可以得出小球通过起始线和结束线所用时间t 与小球下垂高度h之间的关系。
根据动能定理和机械能守恒定律,可以得出以下公式:1. 动能定理:mgh = (1/2)mV²其中,m为小球质量,g为重力加速度,h为小球的下垂高度,V为小球通过起始线和结束线的速度。
2. 机械能守恒定律:mgh = (1/2)mV² + EL其中,EL为小球在通过起始线和结束线的过程中的机械能损失,包括摩擦损失、空气阻力损失等。
通过实验数据的处理,我们可以利用上述两个公式来验证动能定理以及机械能守恒定律的正确性。
首先,通过对比实验数据与理论计算值的差异,可以判断实验结果的准确性。
其次,通过分析实验数据中机械能损失的大小,可以对实际应用中的机械系统进行优化设计,以减少能量的损失和浪费。
五、实验结果分析通过实验数据的处理,我们可以得出小球的速度V与下垂高度h之间的关系。
根据实验结果,我们可以发现:1. 实验结果与理论计算值相符合,验证了动能定理和机械能守恒定律的正确性。
2. 实验数据中机械能损失的大小与实验条件有关,包括桌面的光滑程度、空气的阻力等因素。
动能定理的实验原理动能定理是描述物体动能的定理,它表明了一个物体的动能与它所受的外力所做的功之间的关系。
这个定理可以通过一个简单的实验来进行验证。
首先,我们需要准备一些实验器材:一条平滑的斜面,一个小车,一个坡度计,一根绳子和一块测力计。
接下来,我们将小车放在斜面的顶端,并通过绳子将它与测力计连接起来。
然后,我们可以通过测力计来测量小车在斜面上移动时所受的外力。
在进行实验之前,我们需要先测量斜面的高度和长度,以便计算出小车在斜面上滑动时的高度变化和长度变化。
然后,我们可以通过坡度计来测量斜面的坡度,以便计算出小车在斜面上移动时所受的重力和斜面的倾斜角度。
接下来,我们可以开始进行实验了。
首先,我们可以先在斜面上放置一块测力计,然后通过绳子将小车与测力计连接起来。
接着,我们可以用手将小车推动一定的距离,然后用测力计来测量小车所受的外力。
我们可以重复这个过程,每次推动小车一定的距禿然后测量它所受的外力。
通过测量的数据,我们可以计算出小车在斜面上移动时所受的外力。
在实验中,我们还可以使用动能定理来进行验证。
动能定理表示动能的变化等于外力所做的功,即ΔK = W。
其中,ΔK表示动能的变化,W表示外力所做的功。
在实验中,我们可以通过测量小车的动能变化以及外力所做的功来进行验证。
首先,我们可以通过小车在斜坡上的高度变化和长度变化来计算出它的动能变化。
然后,我们可以通过测力计测量小车所受的外力,并计算出外力所做的功。
最后,我们可以比较动能的变化与外力所做的功,来验证动能定理是否成立。
通过这个实验,我们可以验证动能定理的实验原理。
实验结果将会显示,小车的动能变化与外力所做的功之间存在着一个定量关系,这就是动能定理所描述的内容。
这个实验不仅可以验证动能定理,还可以帮助我们理解物体在斜面上的运动规律,以及外力对物体所做的功与物体动能之间的关系。
总的来说,动能定理的实验原理是通过测量物体在斜面上移动时所受的外力以及动能的变化,来验证动能定理的正确性。
实验:验证动能定理贵州省松桃民族中学王佐斌实验目的:1、正确理解和运用动能定理;2、通过巧妙的实验设计测量出所需物理量;3、会运用图像法处理实验数据;4、通过实验验证动能定理。
实验原理:动能定理:合外力对物体所做的功等于物体动能的改变,即W合=E k2-E k1。
实验器材:带滑轮的轨道铁架台带遮光条的小车两个光电门传感器及电脑细绳重物三角板天平游标卡尺等实验设计:要验证动能定理就需要求出合力所做的功W合和动能的改变量∆E k两个物理量。
而要求出W合就需得到合力F和沿F的方向上所发生的位移x。
如何得到小车在运动过程中所受的合力F呢?通常的实验设计如图1所示,先让小车在一端垫高的轨道上能拖着纸带匀速下滑(根据纸带上的点是否均匀来判断).然后用细绳跨过定滑轮,细绳的一端挂一托盘,如图2所示。
在托盘中加砝码,小车就会在细绳的拉力下加速运动,当托盘和砝码的总质量远小于小车的质量时,小车所受的合力就认为等于托盘和砝码的重力。
这将带来系统误差,于是我对此做了如下改进:把带有定滑轮的轨道有滑轮的一端垫起,并在轨道上安装两个光电门,把质量为M的小车(含宽度为d的遮光条)通过细绳与质量为m的重物相连,然后跨过定滑轮,调整定滑轮的高度,使细绳与轨道平行,再调整轨道倾角,直到轻推小车后,小车沿轨道做匀速运动(当小车通过两个光电门的时间相等),则小车在运动过程中所受重力、支持力、摩擦力和绳的拉力合力为零,且绳的拉力等于重物的重力,如图甲所示;然后保持轨道的倾角不变,取下细绳和重物,将小车从轨道上端释放,如图乙所示,由于小车所受重力、支持力和摩擦力不变,而小车没有再受绳的拉力,因此所受合力等于绳的拉力F=mg,再测出光电门1和光电门2的的距离x,即可得到W合=mgx。
接下来就是求动能的该变量∆E k了,小车的质量用天平称出,速度如何得到呢?通常的方法是根据与小车连接的纸带上打出的点来计算,而我是利用光电门传感器来测得。
当小车从轨道上端开始运动经过两个光电门时,根据通过两个光电门的时间∆t 1和∆t 2,即可求出初速度v 1=d/∆t 1和末速度v 2=d/∆t 2,也就求出21222121Mv Mv E k-=∆了,如果在误差允许的范围内W 合=∆E k ,即合外力所做的功等于物体动能的改变,则动能定理得到了验证。
实验:利用自由落体运动验证动能定理(请注意本次实验内容与“验证机械能守恒定律”实验的实验原理、器材、理论分析都是相同的,所以同学们慎重保管好此资料)一.实验目的验证物体运动过程中,合外力做功等于物体动能的改变。
二.实验原理则重力,1.在只有重力做功的自由落体运动中。
若物体某时刻瞬时速度为v,下落高度为h看它们在实验误差允许的范围内是否相等,,做功为__________,动能的增加量为__________ 若相等则验证了动能定理.。
如下平均速度2.速度的测量:做匀变速运动的纸带上某点的瞬时速度等于相邻两点间的................内Tn个点瞬时速度的方法是:测出第n个点的相邻前后两段相等时间图所示,计算打第__________,则v=和x,则v=__________。
若给出的数据是hh下落的距离x和nnnn1n1n++【特别提醒】:T①公式中T指的是相邻计数点之间的时间间隔,任何题目肯定有明示或暗示的字词,对的取值有说明:;作为计数点,则T=________s若直接以纸带上连续的点........,则4个点未标出)(即在纸带上A、B之间还有若以纸带上每5个点为一个计数点,T=_________s,代入公式运算时,要注或cmmm②纸带上的数据是用刻度尺测出的物理量,单位通常是m。
意把其化成③注意看清问题的结果是保留“几位效数字”还是“小数点后几位”...........3. 实验器材铁架台(含铁夹),________,学生电源,纸带,复写纸,导线,_________,重物(带纸带夹).若使用电磁式打点计时器,其工作电压为_______V,打点周期为_______s;若使用电火花打点计时器,其工作电压为_______V,打点周期为_______s;4.注意事项①.打点计时器要稳定地固定在铁架台上,打点计时器平面与纸带限位孔调整在___________,以减小摩擦阻力.增大密度可以减小增大重力可使阻力的影响相对减小,②.应选用质量和密度较大的重物,体积,可使空气阻力减小.,打点计时器工作③.实验中,需保持提纸带的手不动,且保证纸带竖直,先________________________.稳定后,再④.测下落高度时,要从第一个打点测起,并且各点对应的下落高度要一次测量完.的大小与地g_____ ⑤.如果不测出物体质量时,只需验证=gh也可以动能定理.其中n 理位置有关,实验前必须要查阅重力加速度表,找出当地重力加速度的具体数值。
实验:利用自由落体运动验证动能定理
(请注意本次实验内容与“验证机械能守恒定律”实验的实验原理、器材、理论分析都是相同的,所以同学们慎重保管好此资料)
一.实验目的
验证物体运动过程中,合外力做功等于物体动能的改变。
二.实验原理
1.在只有重力做功的自由落体运动中。
若物体某时刻瞬时速度为v,下落高度为h,则重力做功为__________,动能的增加量为__________,看它们在实验误差允许的范围内是否相等,若相等则验证了动能定理.
2.速度的测量:做匀变速运动的纸带上某点的瞬时速度等于相邻两点间的
....。
如下
............平均速度
图所示,计算打第n个点瞬时速度的方法是:测出第n个点的相邻前后两段相等时间T内下落的距离x n和x n+1,则v n=__________。
若给出的数据是h n和h n+1,则v n=__________
【特别提醒】:
①公式中T指的是相邻计数点之间的时间间隔,任何题目肯定有明示或暗示的字词,对T 的取值有说明:
若直接以纸带上连续的点
........作为计数点,则T=________s;
若以纸带上每5个点为一个计数点,(即在纸带上A、B之间还有4个点未标出),则T=_________s
②纸带上的数据是用刻度尺测出的物理量,单位通常是cm或mm,代入公式运算时,要注意把其化成m。
③注意看清问题的结果是保留“几位
...”
...后几位
...”还是“小数点
..效数字
3. 实验器材
铁架台(含铁夹),________,学生电源,纸带,复写纸,导线,_________,
重物(带纸带夹).
若使用电磁式打点计时器,其工作电压为_______V,打点周期为_______s;
若使用电火花打点计时器,其工作电压为_______V,打点周期为_______s;
4.注意事项
①.打点计时器要稳定地固定在铁架台上,打点计时器平面与纸带限位孔
调整在___________,以减小摩擦阻力.
②.应选用质量和密度较大的重物,增大重力可使阻力的影响相对减小,增大密度可以减小体积,可使空气阻力减小.
③.实验中,需保持提纸带的手不动,且保证纸带竖直,先___________,打点计时器工作稳定后,再_____________.
④.测下落高度时,要从第一个打点测起,并且各点对应的下落高度要一次测量完.
⑤.如果不测出物体质量时,只需验证 _____ = gh n 也可以动能定理.其中g 的大小与地理位置有关,实验前必须要查阅重力加速度表,找出当地重力加速度的具体数值。
⑥.速度不能用v n =gt n 或n n gh v 2=
计算。
因为在匀加速直线运动中,牛顿运动定律与
动能定理逻辑上是统一的,一旦使用牛顿运动定律公式计算,其实已经无形中认定了动能定理的正确性,再实验验证动能定理是否正确已经没有实验意义。
三.实验步骤 1.仪器安装
按图5-6-2所示将检查、调整好的打点计时器竖直固定在铁架台上,接好电路. 2.打纸带。
将纸带的一端用夹子固定在重物上,另一端穿过打点计时器的限位孔用手提着纸带使重物静止在______________的地方.先_________,后_________,让重物带着纸带自由下落.更换纸带重复做3~5次实验. 3.选纸带。
本实验中,要尽量减小纸带摩擦力与空气阻力带来的影响。
从上述的3~5条纸带中,应选点迹清晰,打点成一条直线,且1、2两点间距离小于或接近2 mm 的纸带.
四.数据处理办法(2种)
(1)方法1:利用起始点和纸带上的第n 点。
假设o 点为自由落体运动的起点,从o 到n ,若测出o 到n 的距离h n , 算出n 点的速度v n 则利用数据验证公式2
2
1n n mv mgh =中的等号是否成立。
(2)方法2:任取两点计算
(1)任取两点A 、B 测出h AB ,算出mgh AB .
(2)利用计算速度的办法分别算出A 、B 两点的速度v A 和v B ,再算出
2
22
121A B mv mv -的值.
(请思考:为什么要用E KA —E KB ?如何测出A 点、B 点速度,需要哪些数据?) (4)在实验误差允许的条件下,从A~B,若2
22
121A B AB mv mv mgh -=成立,则验证了机械能守恒定律.
五.误差分析
1.系统误差:本实验中因重物和纸带在下落过程中要克服阻力做功,所以重力做功其实是
________动能的改变量(填略大于,等于,略小于)。
这是不可避免的,属于系统误差,改进的方法是调整器材的安装,尽可能地减小阻力.
2.偶然误差:本实验的另一误差来源于长度的测量,属于偶然误差.减小误差的方法是测量物体的下落距离时,所选的距离尽可能大一些,或者多次测量取平均值.
【练习1】小明同学利用图所示的实验装置,进行“验证机械能守恒定律”的实验.
(1)若该实验采用电火花打点计时器,则该打点计时器需要的是_______电压(填直流、交流),电压大小为________V。
(2)若实验室没有给出重锤的质量,实验前________测量重锤的质量(填需要、不需要)。
小明按图中所示,正确安装好仪器后,合理的操作是:先__________ ,让打点计时器工作打点,再放手让重锤向下做__________运动,然后________,最后取下纸带,对纸带上的点痕进行测量计算。
(3)该实验需要用到重力加速度g的大小,获得方法是( )
A. 查表找出当地重力加速度g的具体大小
B. 利用纸带数据,先计算出g的大小
C. g取9.8m/s2
D. g取10m/s2
(4) 小明同学选取以下的一段纸带,A、B、C、D、E为纸带上连
续的点,其中A为纸带上的第一个的点,现对AD段进行研究.其
中D点对应的速度V D=_______m/s;重物下落的高度为
h AD=________cm(全部结果
....保留3位有效数字);假设重力加速
度为g,则还应计算与________________大
小是否相等(填字母
..表达式);
(5) 利用以上纸带,小明同学经过计算后,发现实验结果误差较大。
请你找出小明实验时存在的问题:安装实验装置时存在的问题是;研究纸带时存在的问题是,导致实验误差可能较大.
【练习2】.在“验证机械能守恒定律”
的实验中,已知电磁打点计时器所用的
电源的频率为50 Hz,查得当地的重力
加速度g=9.80 m/s2,测得所用的重物质
量为1.00 kg.实验中得到一条点迹清晰
的纸带(如图5-6-3所示),把第一个点记为O,另选连续的四个点A、B、C、D作为测量的点,经测量知道A、B、C、D各点到O点的距离分别为62.99 cm、70.18 cm、77.76 cm、85.73 cm.
(1)根据以上数据,可知重物由O点运动到C点,重力做功为________J,动能的增加量等于________J(以上数据均取取三位有效数字).
【练习3】.(双选)在“利用自由落体运动验证动能定理”的实验中,以下步骤仅是实验中的一部分,在这些步骤中多余的或错误的有( ) A .用天平称出重物的质量
B .把打点计时器固定到铁架台上,并用导线把它和低压交流电源连接起来
C .把纸带的一端固定到重物上,另一端穿过打点计时器的限位孔,把重物提升到一定高度
D .接通电源,待打点稳定后释放纸带
E .用秒表测出重物下落的时间
【练习4】.(单选) 利用图所示装置进行验证动能定理实验时,需要测量物体由静止开始自由下落到某点时的瞬时速度v 和下落高度h .某班同学利用实验得到的纸带,设计了以下四种测量方案,其中正确的方案是( ) A .用刻度尺测出物体下落的高度h ,并测出下落时间t ,通过v =gt 计算出瞬时速度v
B .用刻度尺测出物体下落的高度h ,并通过v =2gh 计算出瞬时速度v
C .根据做匀变速直线运动时纸带上某点的瞬时速度,等于这点前后相邻两点间的平均速度,测算出瞬时速度v ,并通过h =v 2
2g
计算得出高度h
D .用刻度尺测出物体下落的高度h ,根据做匀变速直线运动时纸带上某点的瞬时速度,等于这点前后相邻两点间的平均速度,测算出瞬时速度v
【练习5】.(2013届珠海模拟)在用打点计时器验证机械能守恒定律的实验中,使质量为m =1.00 kg 的重物自由下落,打点计时器在
纸带上打出一系列的点,选取一条符合实验要求的纸带如图5-6-7所示.O 为第一个点,A 、B 、C 为从合适位置开始选取连续点中的三个点.已知打点计时器每隔0.02 s 打一个点,当地的重力加速度为g =9.80 m/s 2,那么:
(1)根据图上所得的数据,应取图中O 点到________点来验证机械能守恒定律;
(2)从O 点到(1)问中所取的点,重物重力势能的减少量ΔE p =________J ,动能增加量ΔE k =________J(结果取三位有效数字);
(3)若测出纸带上所有各点到O 点之间的距离,根据纸带算出各点的速度v 及物体下落的高度h ,则以v 2
2
为纵轴,以h 为横轴画出的图象是图中的________.。