蓝牙芯片nRF903的原理及应用
- 格式:pdf
- 大小:139.55 KB
- 文档页数:4
短距离⽆线通讯(芯⽚)技术概述短距离⽆线通讯(芯⽚)技术概述⼀、各种短距离⽆线通信使⽤范围与特性⽐较⽆线化是控制领域发展的趋势,尤其是⼯作于ISM频段的短距离⽆线通信得到了⼴泛的应⽤,各种短距离⽆线通信都有各⾃合适的使⽤范围,本⽂简介⼏种常见的⽆线通讯技术。
关键字:短距离⽆线通信,红外技术,蓝⽛技术,802.11b,⽆线收发⼯业应⽤中,现阶段基本上都是以有线的⽅式进⾏连接,实现各种控制功能。
各种总线技术,局域⽹技术等有线⽹络的使⽤的确给⼈们的⽣产和⽣活带来了便利,改变了我们的⽣活,对社会的发展起到了极⼤的推动作⽤。
有线⽹络速度快,数据流量⼤,可靠性强,对于基本固定的设备来说⽆疑是⽐较理想的选择,的确在实际应⽤中也达到了⽐较满意的效果。
但随着射频技术、集成电路技术的发展,⽆线通信功能的实现越来越容易,数据传输速度也越来越快,并且逐渐达到可以和有线⽹络相媲美的⽔平。
⽽同时有线⽹络布线⿇烦,线路故障难以检查,设备重新布局就要重新布线,且不能随意移动等缺点越发突出。
在向往⾃由和希望随时随地进⾏通信的今天,⼈们把⽬光转向了⽆线通信⽅式,尤其是⼀些机动性要求较强的设备,或⼈们不⽅便随时到达现场的条件下。
因此出现⼀些典型的⽆线应⽤,如:⽆线智能家居,⽆线抄表,⽆线点菜,⽆线数据采集,⽆线设备管理和监控,汽车仪表数据的⽆线读取等等。
1.⼏种⽆线通信⽅式的简介⽣产和⽣活中的控制应⽤往往是限定到⼀定地域范围内,⽐如:主机设备和周边设备的互联互通,智能家居房间内的电器控制,餐厅或饭店内的⽆线点菜系统,⼚房内⽣产设备的管理和监控等0~200⽶的范围内,本⽂着重探讨短距离⽆线通信实⽤技术,主要有:红外技术,蓝⽛技术,802.11b⽆线局域⽹标准技术,微功率短距离⽆线通信技术,现简介如下:1.1 红外技术红外通信技术采⽤⼈眼看不到的红外光传输信息,是使⽤最⼴泛的⽆线技术,它利⽤红外光的通断表⽰计算机中的0-1逻辑,通常有效作⽤半径2⽶,发射⾓⼀般不超过20度,传统速度可达4 Mbit/s,1995年IrDA(InfraRed Data Association)将通信速率扩展到的⾼达16Mbit/s ,红外技术采⽤点到点的连接⽅式,具有⽅向性,数据传输⼲扰少,速度快,保密性强,价格便宜,因此⼴泛应⽤于各种遥控器,笔记本电脑,PDA,移动电话等移动设备,但红外技术只限于两台设备通讯,⽆法灵活构成⽹络,⽽且红外技术只是⼀种视距传输技术,传输数据时两个设备之间不能有阻挡物,有效距离⼩,且⽆法⽤于边移动边使⽤的设备。
蓝牙模组方案蓝牙模组方案简介蓝牙模组是一种集成了蓝牙通信协议、射频电路和处理器的模块化设备。
它可以方便地与其他蓝牙设备进行无线通信,适用于各种物联网应用。
本文将介绍蓝牙模组的工作原理、应用领域、常见的蓝牙模组厂商以及如何选择和使用蓝牙模组方案。
工作原理蓝牙模组通过蓝牙技术实现无线数据传输。
它可以通过蓝牙协议栈与其他蓝牙设备进行通信,如智能手机、电脑、传感器等。
蓝牙模组通常包含一个射频芯片,用于发送和接收无线信号。
它还包含一个处理器,用于处理与其他设备之间的数据交换和协议解析。
蓝牙模组可以通过串口、SPI或I2C等接口与其他设备连接。
它可以通过这些接口与外部设备进行数据交换,并通过蓝牙通信协议将数据传输给其他蓝牙设备。
应用领域蓝牙模组广泛应用于物联网领域,具有以下特点:1. **传感器网络**:蓝牙模组可以与各种传感器设备配对,实现实时数据的无线传输。
例如,蓝牙模组可以与温度传感器配对,将实时温度数据传输给中心控制器。
2. **智能家居**:蓝牙模组可以与智能家居设备配对,实现远程控制和监测。
例如,蓝牙模组可以与智能灯泡配对,通过智能手机应用程序控制灯泡的亮度和颜色。
3. **医疗设备**:蓝牙模组可以与医疗设备配对,实现远程监护和数据传输。
例如,蓝牙模组可以与心电图设备配对,将患者的心电图数据传输给医生进行远程诊断。
4. **智能交通**:蓝牙模组可以与交通设备配对,实现车辆远程控制和监测。
例如,蓝牙模组可以与车载设备配对,实现远程解锁和车辆状态监测。
常见的蓝牙模组厂商以下是一些常见的蓝牙模组厂商:1. **Nordic Semiconductor**:Nordic Semiconductor是一家领先的无线芯片供应商,其蓝牙模组具有低功耗、高集成度和高性能的特点。
2. **Cypress Semiconductor**:Cypress Semiconductor是一家全球领先的半导体制造商,其蓝牙模组具有快速的数据传输速度和稳定的连接性能。
短距离无线通讯(芯片)技术概述一、各种短距离无线通信使用范围与特性比较无线化是控制领域发展的趋势,尤其是工作于ISM频段的短距离无线通信得到了广泛的应用,各种短距离无线通信都有各自合适的使用范围,本文简介几种常见的无线通讯技术。
关键字:短距离无线通信,红外技术,蓝牙技术,802.11b,无线收发工业应用中,现阶段基本上都是以有线的方式进行连接,实现各种控制功能。
各种总线技术,局域网技术等有线网络的使用的确给人们的生产和生活带来了便利,改变了我们的生活,对社会的发展起到了极大的推动作用。
有线网络速度快,数据流量大,可靠性强,对于基本固定的设备来说无疑是比较理想的选择,的确在实际应用中也达到了比较满意的效果。
但随着射频技术、集成电路技术的发展,无线通信功能的实现越来越容易,数据传输速度也越来越快,并且逐渐达到可以和有线网络相媲美的水平。
而同时有线网络布线麻烦,线路故障难以检查,设备重新布局就要重新布线,且不能随意移动等缺点越发突出。
在向往自由和希望随时随地进行通信的今天,人们把目光转向了无线通信方式,尤其是一些机动性要求较强的设备,或人们不方便随时到达现场的条件下。
因此出现一些典型的无线应用,如:无线智能家居,无线抄表,无线点菜,无线数据采集,无线设备管理和监控,汽车仪表数据的无线读取等等。
1.几种无线通信方式的简介生产和生活中的控制应用往往是限定到一定地域范围内,比如:主机设备和周边设备的互联互通,智能家居房间内的电器控制,餐厅或饭店内的无线点菜系统,厂房内生产设备的管理和监控等0~200米的范围内,本文着重探讨短距离无线通信实用技术,主要有:红外技术,蓝牙技术,802.11b无线局域网标准技术,微功率短距离无线通信技术,现简介如下:1.1 红外技术红外通信技术采用人眼看不到的红外光传输信息,是使用最广泛的无线技术,它利用红外光的通断表示计算机中的0-1逻辑,通常有效作用半径2米,发射角一般不超过20度,传统速度可达4 Mbit/s,1995年IrDA(InfraRed Data Association)将通信速率扩展到的高达16Mbit/s ,红外技术采用点到点的连接方式,具有方向性,数据传输干扰少,速度快,保密性强,价格便宜,因此广泛应用于各种遥控器,笔记本电脑,PDA,移动电话等移动设备,但红外技术只限于两台设备通讯,无法灵活构成网络,而且红外技术只是一种视距传输技术,传输数据时两个设备之间不能有阻挡物,有效距离小,且无法用于边移动边使用的设备。
基于系统集成技术的节点类型和特点在节点的功能设计和实现方面,目前常用的节点均为采用分立元器件的系统集成技术。
已出现的多种节点的设计和平台套件,在体系结构上有相似性,主要区别在于采用了不同的微处理器,如AVR系列和MSP430系列等;或者采用了不同的射频芯片或通信协议,比如采用自定义协议、802.11协议、ZigBee[1]协议、蓝牙协议以及UWB通信方式等。
典型的节点包括Berkeley Motes [2,3], Sensoria WINS[4], MIT µAMPs [5], Intel iMote [6], Intel XScale nodes [7], CSRIO研究室的CSRIO节点[8]、Tmote [9]、ShockFish公司的TinyNode[10]、耶鲁大学的XYZ节点[11] 、smart-its BTNodes[12]等。
国内也出现诸多研究开发平台套件,包括中科院计算所的EASI系列[13-14],中科院软件所、清华大学、中科大、哈工大、大连海事大学等单位也都已经开发出了节点平台支持网络研究和应用开发。
这些由不同公司以及研究机构研制的无线节点在硬件结构上基本相同,包括处理器单元、存储器单元、射频单元,扩展接口单元、传感器以及电源模块。
其中,核心部分为处理器模块以及射频通信模块。
处理器决定了节点的数据处理能力和运行速度等,射频通信模块决定了节点的工作频率和无线传输距离,它们的选型能在很大程度上影响节点的功能、整体能耗和工作寿命。
目前问世的传感节点(负责通过传感器采集数据的节点)大多使用如下几种处理器:ATMEL公司AVR系列的ATMega128L处理器,TI公司生产的MSP430系列处理器,而汇聚节点(负责会聚数据的节点)则采用了功能强大的ARM处理器、8051内核处理器、ML67Q500x系列或PXA270处理器。
这些处理器的性能综合比较见表1。
表1、无线传感器网络节点中采用的处理器性能比较在无线传感器网络中,广泛应用的底层通信方式包括使用ISM波段的普通射频通信、具有802.15.4协议和蓝牙通信协议的射频通信。
蓝牙soc芯片蓝牙SOC芯片是在蓝牙技术基础上,将处理器、射频(RF)芯片和其他外设集成在一起的一种集成芯片。
它是实现蓝牙功能的核心部件,广泛应用于各种蓝牙设备中,如蓝牙耳机、蓝牙音箱、蓝牙键盘、蓝牙手环等。
下面将对蓝牙SOC芯片进行详细介绍。
1. 芯片架构:蓝牙SOC芯片由处理器核心、射频部分、外设接口和存储器组成。
处理器核心通常采用低功耗的ARM架构,具有较高的计算性能和较低的能耗。
射频部分包括射频前端、天线接口等,完成与外界的无线通信。
外设接口包括UART、I2C、SPI等,用于与其他设备进行通信。
存储器包括存储程序代码和数据的闪存和RAM。
2. 功能特点:蓝牙SOC芯片具有低功耗、低成本和小尺寸等特点。
由于蓝牙技术本身具有低功耗的特点,蓝牙SOC芯片能够实现低功耗的无线通信。
同时,蓝牙SOC芯片集成了处理器核心和射频部分,减少了外围器件的使用,降低了产品的成本和尺寸。
3. 技术参数:蓝牙SOC芯片的技术参数包括工作频段、传输速率、最大输出功率、灵敏度等。
工作频段通常为2.4GHz,传输速率根据标准的不同可以达到1Mbps、2Mbps甚至更高。
最大输出功率和灵敏度决定了设备的通信范围和抗干扰能力。
4. 蓝牙标准支持:蓝牙SOC芯片支持的蓝牙标准包括经典蓝牙和低功耗蓝牙(BLE)。
经典蓝牙适用于音频传输等高速传输场景,低功耗蓝牙适用于低功耗应用,如传感器数据采集、远程控制等。
蓝牙SOC芯片通常支持多种蓝牙标准,以满足不同应用的需求。
5. 开发工具和开发环境支持:蓝牙SOC芯片的开发通常需要配套的开发工具和开发环境。
开发工具包括软件开发工具链、硬件调试工具等,用于开发和调试芯片的软件和硬件。
开发环境通常提供了蓝牙协议栈和其他软件组件,方便开发者进行应用开发。
6. 市场应用:蓝牙SOC芯片广泛应用于各种蓝牙设备中。
蓝牙耳机、蓝牙音箱、蓝牙键盘等消费电子产品使用蓝牙SOC 芯片实现无线音频传输和远程控制。
基于系统集成技术的节点类型和特点在节点的功能设计和实现方面,目前常用的节点均为采用分立元器件的系统集成技术。
已出现的多种节点的设计和平台套件,在体系结构上有相似性,主要区别在于采用了不同的微处理器,如AVR系列和MSP430系列等;或者采用了不同的射频芯片或通信协议,比如采用自定义协议、802.11协议、ZigBee[1]协议、蓝牙协议以及UWB通信方式等。
典型的节点包括Berkeley Motes [2,3], Sensoria WINS[4], MIT µAMPs [5], Intel iMote [6], Intel XScale nodes [7], CSRIO研究室的CSRIO节点[8]、Tmote [9]、ShockFish公司的TinyNode[10]、耶鲁大学的XYZ节点[11] 、smart-its BTNodes[12]等。
国内也出现诸多研究开发平台套件,包括中科院计算所的EASI系列[13-14],中科院软件所、清华大学、中科大、哈工大、大连海事大学等单位也都已经开发出了节点平台支持网络研究和应用开发。
这些由不同公司以及研究机构研制的无线节点在硬件结构上基本相同,包括处理器单元、存储器单元、射频单元,扩展接口单元、传感器以及电源模块。
其中,核心部分为处理器模块以及射频通信模块。
处理器决定了节点的数据处理能力和运行速度等,射频通信模块决定了节点的工作频率和无线传输距离,它们的选型能在很大程度上影响节点的功能、整体能耗和工作寿命。
目前问世的传感节点(负责通过传感器采集数据的节点)大多使用如下几种处理器:ATMEL公司AVR系列的ATMega128L处理器,TI公司生产的MSP430系列处理器,而汇聚节点(负责会聚数据的节点)则采用了功能强大的ARM处理器、8051内核处理器、ML67Q500x系列或PXA270处理器。
这些处理器的性能综合比较见表1。
表1、无线传感器网络节点中采用的处理器性能比较在无线传感器网络中,广泛应用的底层通信方式包括使用ISM波段的普通射频通信、具有802.15.4协议和蓝牙通信协议的射频通信。
dw3000 nrf 原理
DW3000是一种高性能的无线电频率微控制器(RFMCU),
而nRF则是指Nordic Semiconductor公司推出的一系列低功耗
蓝牙解决方案。
DW3000的操作原理是基于频移键控(FSK)调制技术。
它基
于时钟同步技术,并使用差分数据编码(Differential Manchester Encoding)来提供高抗干扰性能和可靠的数据传输。
DW3000还支持多频道操作,并提供灵活的调制解调器参数配置。
与之相比,nRF系列芯片采用低功耗技术,可以运行在蓝牙低功耗模式下,以实现电池寿命的延长。
nRF采用射频收发器及相关的调制解调器,能够实现与其他蓝牙设备的通信。
同时,nRF还具备低功耗的时钟和处理器,以实现功能的实时处理和处理效率的提高。
总结来说,DW3000是一种基于FSK调制技术的无线电频率
微控制器,而nRF则是一系列低功耗蓝牙解决方案。
两者在
原理和应用上有所不同,但都具有高性能和低功耗的特点。
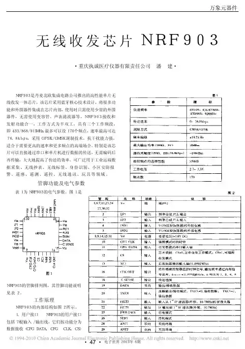
三段单片无线收发芯片NRF903的特点、构造与应用设计介绍1 芯片特点NRF903" target="_blank" title="nRF903货源和PDF资料">nRF903是北欧集成电路公司最新推出的单片无线收发一体的芯片,该芯片采用蓝牙核心技术设计,在一个32脚的芯片中包括了高频发射、高频接收、三段PLL合成、FSK/GMSK调制,FSK/GMSK解调等多种功能。
NRF903的出现使人们摆脱了无线产品设计的困难,是目前业界外围元件最少、使用最方便的无线数传解决方案,NRF903" target="_blank" title="nRF903货源和PDF资料">nRF903覆盖了国际上通用的ISM频段,因此利用NRF903" target="_blank" title="nRF903货源和PDF资料">nRF903可构建用于便携及手持产品的无线数传通信平台,并可广泛用于摇控、小型无线网络、无线抄表、门禁系统、小区传呼、工业数据采集系统、无线标签、身份识别、非接触RF智能卡、小型无线数据终端、安全防火系统、无线遥控系统、生物信号采集、水文气象监控、机器人控制、无线232数据通信、无线数字语音、数字图像传输等方面。
2 内部结构图1是NRF903" target="_blank" title="nRF903货源和PDF资料">nRF903无线收发芯片的内部原理结构框图及其外围电路。
从芯片的内部框图可以看出,NRF903内部由低噪声放大器LNA、功率放大器PA、压控振荡器VCO、GMSK调制解调、频率基准源、PLL频率合成、数字静噪电路以及单片机接口等组成。
3. 芯片特点NRF903" target="_blank" title="nRF903货源和PDF资料">nRF903无线收发芯片具有多频道、高速高等特点,它的另一个显著特点是外围元件极少(约10个)。
蓝牙芯片模块内部原理
蓝牙芯片模块内部原理主要包括以下几个方面:
1. 蓝牙协议栈:蓝牙芯片模块内部会集成蓝牙协议栈,包括物理层、链路层、L2CAP层、RFCOMM层、SDP层等。
这些协议层负责处理蓝牙设备之间的通信和连接管理。
2. 蓝牙射频模块:蓝牙芯片模块内部一般会集成射频模块,用于处理蓝牙设备之间的无线信号传输。
射频模块接收和发送蓝牙信号,并进行解调、调制、编解码等处理,实现无线通信功能。
3. 蓝牙控制器:蓝牙控制器是蓝牙芯片模块内部的处理器,负责控制蓝牙模块的各项功能和操作。
蓝牙控制器通过与蓝牙协议栈交互,实现蓝牙设备之间的配对、连接、数据传输等操作。
4. 蓝牙射频天线:蓝牙芯片模块内部通常会集成射频天线,用于接收和发送蓝牙信号。
射频天线与射频模块相结合,实现蓝牙设备之间的无线通信。
5. 其他辅助电路:蓝牙芯片模块内部还可能包括其他辅助电路,如电源管理电路、时钟电路、接口电路等,用于支持蓝牙模块的正常运行和连接外部设备。
总之,蓝牙芯片模块内部原理是通过蓝牙协议栈、射频模块、控制器以及其他辅助电路的协同工作,实现蓝牙设备之间的无线通信功能。