蓝牙芯片CSR8675应用原理图
- 格式:pdf
- 大小:605.12 KB
- 文档页数:1
几元淘无损传输蓝牙耳机及主板的选择参考和接口的定义方法最近淘了一些蓝牙耳机主板或模块,大部分可能是库存新的未焊接过,能用还是居多,有部分可能是工厂检测有些小问题放出来的,比如本周淘的两种型号蓝牙耳机主板,电池电压检测有误过早报低电压,有些是全新无故障,也有少量是坏的,这就要看运气了。
这类二手商家都是没有技术支持,没有售后,不退不换,所以还是有些风险,不过价格低,还能接受,不过不是电子爱好者的小白,或焊接技术不行,还是不建议淘,不然搞不出来接线图来或焊接不好(焊点太小太细了),它仍然是电子垃圾。
卖家大多申明无参数无引脚定义无技术支持9.5元的CSR8645(商家给了接线定义,所以价高些)比如像采用高能通公司的CSR8670、CSR8675等高端蓝牙模块价格还很高的,新的好点的可能要7、80元了,而一些二手蓝牙耳机主板只要10多元或几元(没有接口定义),所以还是有淘的价值。
淘蓝牙耳机主机的原则:1.首先看采用的芯片方案,尽量优先选高端的,太低端的没有什么可玩性,虽然价格很低几毛,几元不等,但音质不好,不建议淘。
可参考下表一些常见型号进行选择,只是针对具体型号进行分类,标注低端型号的厂家,不一定只有低端的,也有音质很好中高端的,只是可能流出的较少见或我不熟悉,刚开始我也不懂,尽淘些电子垃圾,食之无味,丢之可惜,最多做为拆件的料板用。
2.尽量淘带无损传输的,比如带APTX无损传输的,如二手里最常见的CSR8645,而CSR8670,CSR8675(24位APTX-HD,前两种型号是16位的)要更难遇到,其它高端的芯片方案,目前我也没遇到过。
支持APTX无损传输,连接后有APTX图标1.一般我们淘这些主板主要是用来升级那种老式头戴耳机,重温“磨机”的乐趣,这种耳机空间大,便于升级,或做为蓝牙接收器,用来升级老功放,增加蓝牙功能。
带无损传输的实测音质确实好很多,关键是更耐听,当然最好还是要下载无损的音乐。
蓝牙耳机芯片方案的参考蓝牙耳机主板接口定义的确定拿到主板最郁闷最尴尬的,就是不知道怎么接线,商家大多都已声明没资料,不提供技术支持,可能他们也没时间,或没技术搞出来,如果有资料往往价格就上去了,会高几倍的,可能有朋友说可以查芯片资料,数芯片脚啊,但蓝牙耳机主板大多都很小,芯片就更小了,有些封装你根本就看不到管脚,怎么数,怎么测啊!不是所有的朋友都有条件拆下芯片的。
发烧友的新玩具______________TEC SU N (德生)B T-80蓝牙Hi-F i收发器试用报告图、文/小路产品零售价:¥2,000元/台 41B T --80S本技术#» ■类型:蓝牙收发器,支持aptX-H D■输入:蓝牙5.0、数字同轴、R C A ■输出:蓝牙5.0、数字同轴、R C A 、3.5mm 耳机接口 ■内置电池:3.7V ( 18660裡电池2只 > ■频率响应:25Hz -20kHz ■外观尺寸:212 x 43 x 282mm ■重量:1.608kg自从德生投身Hi -Fi 领域之后,陆续推出面向普通发烧 友的各类音响产品,其中令人注目的是80台式系列,目前 这个系列有HD -80数字播放器、PM -80合并功放、CD - 80CD 机和TU -80调频收音头。
最近,这个系列又添新 军,那就是BT -80蓝牙Hi -Fi 收发器。
BT -80的工程样机其实在两年前就出现在人们的视野中,经过德生的不断改良,最终才推出市场。
之前德生推 出过便携蓝牙耳放,分别是BT -50和BT -90,现在推出的BT -80也算是这个系列的一员,只是BT -80为Hi -Fi 系统而造,规格不可同日而语。
那么德生的这台蓝牙收发器到底 怎样?就在BT -80推出不久,本刊就得到试用的机会,在 此与大家分享。
>外观:具有专业气息BT -80的夕卜观风格与PM -80、CD -80和TU -80—致,都采用较小的机身,颜色为低调的黑色,面板搭配乳白色 方形按键和指示灯,看上去具有专业器材的气息。
如果将 德生80系列这4台机器叠起来,那是一种怎样的视觉感受啊!> 酉e 置:蓝牙 5.0力D a p t X -H D ; C S R 8675、E S S 9018Q 2C 加电池供电老实说,早期的蓝牙接收器在咅质表现上根本不能满 足普通发烧友的要求,直到4.2版本推出与aptX 编码的助阵才有所改善。
音响入门如此惬意Original(原创)OPA-Q2.1DSD解码耳放功放一体机文/家祺图/小路产品零售价:¥2,680元/台(不包括蓝牙模块,蓝牙模块需外加¥380元)39EDUIPmENT REVIEUJ点指兵兵原创Original多年来专注于CD机的研发和生产,而且一直坚持价廉物美的路线,短短几年便成为国产CD机名牌,在发烧友中有着很好的□碑。
近几年音响市场发生了微妙变化,随着数码时代的来临,数字播放器的兴起,CD唱片不再是人们欣赏音乐的唯一途径,CD机的市场也逐渐缩减,原创开始淡出大家的视野。
2016年原创迎来了契机,新的股东与新的技术加入,让原创重新活跃起来,接连推出新型号CD机,并有黑胶唱盘、数播、电源滤波、胆机耳放等多种新产品。
原创之前推出了一系列"双修”胆石功放,可以接喇叭可以接耳机。
我们就曾试用过其中的OPA-5A和4A,效果好,性价比高。
Q2.1是这个家族的新成员,保持双修概念,转为石机风味,依然是高性价比的路线。
而价位则比OPA-4A更低,可以满足更多不同□味、不同预算的发烧友。
>高清解码Q2.1外壳使用航空铝材CNC精密加工,小巧精致而坚固,有一定抗震作用。
小小机器内有乾坤,功能多多,除了解码耳放外还支持连接扬声器。
后级功率也达到40W@4Q的水平,推一些灵敏度高的音箱比较宽裕。
作为一款入门定价的一体式产品,Q2.1也有它的讲究。
原创对每一部分都不马虎。
解码方面Q2.1采用AKM高端解码芯片,支持32bit/384kHz PCM,DSD256规格的音频解码,完全跟得上现在的高清音频潮流。
接□则配备了一个USB—个同轴,同时满足用电脑和用传统转盘的用户。
USB连接采用XMOS的方案,windows系统需要安装驱程,不过无需设置,连接质量高,是比较方便的USB方案。
>用心的放大部分模拟部分采用两颗全分立设计的双运放元件做滤波电路,再使用模拟音频处理模块,消除生硬的数码味及数字电路噪声,使Q2.1声音更为自然,更接近"模拟声”。
各取所需的声音伴侣文/图 张臻体验两款便携式耳放如今大家手中的电子设备越来越多,但总有人不满足于设备本身的音质输出能力,加上类似部分手机取消3.5mm接口的操作,所以不少消费者会寻求专业设备来提升相应产品的音质,便携式耳放就是“出镜频率”很高的选择之一。
当然,不同的电子设备对于便携式耳放的需求也有不一样的侧重点。
今天MC就找来两款便携式耳放新品,它们有着截然不同的定位,面向的主要应用需求不同,通过评测体验看看它们在各自擅长的领域有着怎样的表现。
通过USB-C接口做USB DAC 时,它可以支持384k采样率以及DSD硬解。
此外,常应用在Hi-Fi 音乐播放器上的FPGA芯片它也有配备,它能对蓝牙、USB数字音频信号的收发以及时钟管理。
而独立双晶振则确保了在蓝牙解码和USB解码时更为精准地还原不同采样率的音频信号。
2.5m m平衡接口的引入让BTR5弥补了飞傲以往便携蓝牙耳放只有单端接口的遗憾,它和3.5mm单端接口的双接口组合让用户手中不少定位更高的耳机有了用武之地。
我用小米手机8、FH7与BTR5搭配进行试听,手机与BTR5通过蓝牙无线连接,并自动工作在LDAC下,FH7通过标配耳机线连接3.5mm接口。
在BTR5下,FH7呈现出了解析力好、三频均衡的圈铁特质。
在多首背景音乐简单,以人声为主的歌曲,以及器乐独奏的音乐中,FH7对于歌者声音细节的还原,对于器乐独具韵味的呈现,都在BTR5的加持下带给我不错的听感。
虽然和FH7在自家中高端播放器M11 Pro、M15上细节纤毫毕现相比仍有差距,但相比蓝牙便携耳放家族的“小兄弟”BTR3,仅是单端接口下BTR5在解析力方面的水准就要高出不少,更不用说它还有平衡接口这一“杀手锏”。
BTR5还释放出了FH7应有的声场表现,流行音乐中歌者的轮廓饱满立体,交响乐中所呈现的空间感和器乐的定位也有着入耳式耳机应有的水准。
值得一提的是,当手机与BTR5连接的时候,我还可以在Fiio Controller App中进行各种在便携蓝牙耳放这一细分市场中,飞傲算得上是深耕其中的厂商之一,仅仅在700元以内的价格区间中,飞傲就提供了多款产品供消费者选择,从百元左右的入门级产品,到我这次要体验的旗舰款便携蓝牙耳放—BTR5。
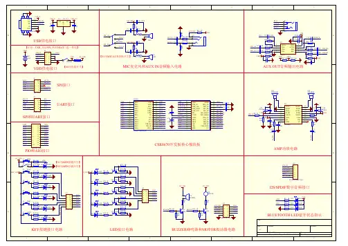
蓝牙模块原理图蓝牙技术是一种无线通信技术,它可以在短距离范围内实现设备之间的数据传输和通信。
蓝牙模块是应用蓝牙技术的一种重要组成部分,它可以集成在各种电子设备中,如手机、耳机、音箱、智能家居设备等。
本文将介绍蓝牙模块的原理图,帮助读者更好地理解蓝牙模块的工作原理。
蓝牙模块原理图主要包括以下几个部分,天线、射频前端、基带处理器、外围接口等。
首先,天线是蓝牙模块中非常重要的部分,它负责接收和发送无线信号。
蓝牙模块的通信距离和稳定性很大程度上取决于天线的设计和布局。
在原理图中,天线通常会标注为一个简单的线圈图标,表示其在整个模块中的位置和连接方式。
其次,射频前端是蓝牙模块中的另一个核心部分,它负责接收和发送天线传输的射频信号,并进行放大、滤波、调制解调等处理。
在原理图中,射频前端通常会标注为一组复杂的电路图符号,表示其复杂的工作原理和结构。
基带处理器是蓝牙模块中的另一个重要部分,它负责处理数字信号的调制解调、编解码、协议栈处理等工作。
基带处理器通常会集成在一个芯片中,在原理图中会标注为一个带有引脚标号的方形图标,表示其与外部电路的连接方式和通信协议。
最后,外围接口是蓝牙模块中用于连接外部设备和传感器的接口部分,它可以包括串口、I2C、SPI、GPIO等接口。
在原理图中,外围接口通常会标注为一组带有引脚标号和功能描述的接口符号,表示其与外部设备的连接方式和通信协议。
总的来说,蓝牙模块原理图是蓝牙模块设计和开发的重要参考资料,它可以帮助工程师更好地理解蓝牙模块的工作原理和结构,从而更好地进行蓝牙产品的设计和开发工作。
希望本文对读者有所帮助,谢谢阅读!。
一、简介随着物联网的趋势愈演愈烈,随之而来的产品升级,消费升级等等,一系列的需求就随之而来了。
蓝牙这项古老而又生命力及其顽强的技术,也在不断的自我革命,自我升级,从而带给用户越来越多的惊喜,从2.1一直到现在的5.1版本,蓝牙的应用场景也是在不断的丰富,剑指物联网,大有一统终端的野心大家都知道,物联网的无线部分,无非就是蓝牙、zigbee、wifi。
小米的产品总监曾经有篇文章分析的很好,他的结论就是:(1)、插电的设备,用WiFi;(2)、需要和手机交互的,用BLE;(3)、传感器用ZigBee。
二、选型说明回到蓝牙的选型问题上,我们大致可以分为以下的一些类别蓝牙分类对应的芯片方案选择蓝牙音频模块1、由于这是一个充分竞争的市场,所以早期单独的模块类产品,基本都被淘汰了2、主要的原因是成本,因为模块必定会增加产品的bom成本,所以慢慢的客户不接受,厂家生产的意愿就降低了。
这个主要集中在CSR的早期解决方案蓝牙BLE模块1、如果是低功耗的应用场景,待机uA级别的那种(1)、这种应用,只能选“云里物里”、“润昇”、“利尔达”,信驰达的模块等等(2)、或者选TI、Nordic、DIalog等等厂商的芯片2、如果不需要低功耗,就是单纯的传数据,这个就有的选(1)、建议有量的可以选择直接使用芯片,如:伦茨、泰凌微、博通等等(2)、因为芯片出货量大,所以成本是非常有优势的BLE和SPP目前这个市场只有“易兆微”、“创杰”、“ST”的芯片在做,成本中等模块也比较少人做了音频+数据1、这个就是国产芯片的天下,“杰理”、“建荣”、“炬力”、“中科蓝汛”等等2、这个系列的芯片都是非常有优势的,主要是开发者如何开发,应用者如何构思需求3、这个市场其实是和“蓝牙音频”市场合并在一起的,充分享受了芯片量大,以及充分竞争,所带来的低成本、高性能。
非常值得关注三、双模蓝牙介绍很多的应用场景,其实是需要蓝牙BLE+蓝牙音乐的需求,如:蓝牙MIDI、按摩椅、睡眠枕等等一些列的产品。
简介CSR蓝牙方案是指采用CSR公司生产的蓝牙芯片和软件开发工具进行蓝牙应用的开发方案。
CSR(Cambridge Silicon Radio)成立于1999年,是全球领先的蓝牙解决方案提供商,拥有丰富的蓝牙技术和产品经验。
蓝牙技术概述蓝牙技术是一种通过无线通信实现设备之间短距离(通常为10米)互联的技术。
它能够连接非常多的设备,包括手机、电脑、音频设备等,并且无需使用任何电缆。
蓝牙技术具有低功耗、低成本和简单连接等特点,已经广泛应用于各个领域。
CSR蓝牙方案是构建在蓝牙技术基础上的一个完整解决方案,提供了硬件和软件支持,帮助开发者快速构建和开发蓝牙设备和应用。
CSR蓝牙芯片CSR蓝牙芯片是CSR公司生产的专用于蓝牙应用的芯片。
这些芯片具有低功耗、高性能和稳定的特点。
CSR蓝牙芯片提供了丰富的功能和接口,可以满足不同类型产品的需求,包括音频设备、智能家居、汽车电子等。
CSR蓝牙芯片支持多种蓝牙连接方式,包括经典蓝牙和低功耗蓝牙(BLE)。
经典蓝牙用于传输大量数据,而低功耗蓝牙适用于低功耗设备,如传感器、健康设备等。
CSR蓝牙软件开发工具CSR蓝牙软件开发工具是CSR公司提供的一套用于开发蓝牙应用的软件工具,包括开发库、API接口、示例代码等。
开发者可以利用这些工具进行蓝牙应用的开发、测试和调试。
CSR蓝牙软件开发工具提供了丰富的功能模块,包括蓝牙连接管理、数据传输、音频处理、电源管理等。
开发者可以根据自己的需求选择相应的功能模块,快速构建出符合要求的蓝牙应用。
CSR蓝牙方案优势1.开发便捷:CSR蓝牙方案提供了丰富的软件开发工具,帮助开发者快速构建和开发蓝牙应用,大大缩短了开发周期。
2.低功耗:CSR蓝牙芯片采用了先进的功耗管理技术,具有低功耗的特点,适用于各种低功耗设备。
3.高性能:CSR蓝牙芯片提供了较高的计算和传输性能,能够满足大多数蓝牙应用的需求。
4.兼容性强:CSR蓝牙方案支持标准的蓝牙协议,与其他蓝牙设备和应用具有很好的兼容性。
CSR8645,CSR8670--让无线音频达到有线效果CSR8645,CSR8670 这两款SoC都能够利用CSR音频处理和蓝牙无线连接技术与家庭娱乐系统之间以最高立体声音频质量进行无线传输,这两款SoC能够支持电视,及其它可连接的家庭应用,以及智能手机、平板电脑、PC以及很多其它消费产品。
CSR 的aptX™高保真音频技术能够通过蓝牙连接为无线扬声器或耳机提供出色的立体声音效,同时CSR的清晰语音捕捉(CVC®)技术能够为高质量的扬声器提供声学回声及噪音消除功能。
CSR音频与消费业务部产品市场经理Paul Wilson表示:“CSR8645和CSR8670为我们的客户提供了灵活的音频系统芯片解决方案,可以用来开发更多高度差异化的产品,并更快地投入市场,从而提高自身竞争力。
通过这两款SoC,我们为无线音频质量确立了新标准,提供了革命性的消费音频平台,因为其不仅能够支持传统音频应用,而且开创了全新的消费应用和外形参数。
CSR8645和CSR8670已于9月2-7日在德国柏林举行的IFA2011全球贸易博览会上进行展出。
有线替代方案CSR8645和CSR8670能够帮助OEM厂商开发可作为有线设备的增强型电池供电型无线音频产品,也可通过直接插入无蓝牙连接功能的音频设备实现有线连接。
有线音频功能还可以使设备在电量低时继续使用,或者在无线连接被禁用或不方便使用时使用。
CSR8645和CSR8670音频产品可以通过模拟连接方式获得音频输入,例如标准的3.5毫米音频接口和USB连接方式,后者的另一优势是在听音乐的同时可以进行充电。
为主流产品设计的高品质aptX蓝牙音频CSR8645是第一款以ROM方式实现aptX技术的CSR音频平台解决方案,标志着CSR实现了将aptX高品质音频技术应用于大众市场的承诺。
CSR8645旨在提供出众的音效,并结合多种核心的、市场领先的功能——例如具有多种预设参数的,全面可配置、可调EQ——集中在一个灵活的、高度可调整的、基于ROM的解决方案中。
Features BlueCore ® CSR8645™ BGA ■80MHz RISC MCU and 80MIPS Kalimba DSP■Internal ROM, serial flash memory and EEPROM interfaces ■Stereo codec with 2 microphone inputs ■Radio includes integrated balun■5-band fully configurable EQ ■CSR's latest CVC technology for narrowband and wideband voice connections including wind noisereduction ■Wideband speech supported by HFP v1.6 profile and mSBC codec■Voice recognition support for answering a call,enables true hands-free use ■Multipoint HFP connection to 2 phones for voice ■Multipoint A2DP connection enables a headset (A2DP) connection to 2 A2DP source devices for music playback ■Secure simple pairing, CSR's proximity pairingand CSR's proximity connection■Audio interfaces: I²S and PCM■Serial interfaces: UART, USB v2.0 (full-speed),I²C and SPI■aptX, SBC, MP3 and AAC decoder support ■Wired audio support (USB and analogue)■Support for smartphone/tablet applications ■Integrated dual switch-mode regulators, linear regulators and battery charger ■External crystal load capacitors not required for typical crystals■ 3 LED outputs■68‑ball VFBGA 5.5 x 5.5 x 1mm 0.5mm pitch■Green (RoHS compliant and no antimony orhalogenated flame retardants)CSR8645 Stereo ROM Solutionwith aptX ™ 2-mic CVC Audio Enhancement Fully Qualified Single-chip Bluetooth ® v4.0 System Pre-production Information CSR8645A03 Issue 2General Description BlueCore® CSR8645™ BGA is a product from CSR's Connectivity Centre. It is a single-chip radio and baseband IC for Bluetooth 2.4GHz systems.The integrated peripherals reduce the number ofexternal components required, including no requirement for external codec, battery charger,SMPS, LDOs, balun or external program memory,ensuring minimum production costs.The battery charger architecture enables the CSR8645 BGA to independently operate from the charger supply, ensuring dependable operation for all battery conditions.Applications■Stereo headsets■Wired stereo headsets and headphones ■Portable stereo speakersThe enhanced Kalimba DSP coprocessor with 80MIPS supports enhanced audio and DSP applications.The integrated audio codec supports 2 channels of ADC, 2 digital microphone inputs and stereo output, as well as a variety of audio standards.See CSR Glossary at .CSR8645 BGA Technical OverviewDevice DetailsBluetooth Radio■On-chip balun (50Ω impedance in TX and RX modes)■No trimming of external components required in production■Bluetooth v4.0 specification compliantBluetooth Transmitter■9dBm RF transmit power with level control from on-chip 6-bit DAC■Class 1, Class 2 and Class 3 support without the need for an external power amplifier or TX/RXswitchBluetooth Receiver■Receiver sensitivity of -90dBm■Integrated channel filters■Digital demodulator for improved sensitivity and co-channel rejection■Real-time digitised RSSI available to application ■Fast AGC for enhanced dynamic range■Channel classification for AFHBluetooth Synthesiser■Fully integrated synthesiser requires no external VCO, varactor diode, resonator or loop filter■Compatible with crystals 16MHz to 32MHz Kalimba DSP■Enhanced Kalimba DSP coprocessor, 80MIPS, 24‑bit fixed point core■ 2 single-cycle MACs; 24 x 24-bit multiply and 56-bit accumulator■32-bit instruction word, dual 24-bit data memory■6K x 32-bit program RAM including 1K instruction cache for executing out of internal ROM■16K x 24-bit + 16K x 24-bit 2-bank data RAM Audio Interfaces■Audio codec with 2 high-quality dedicated ADCs ■Microphone bias generator and up to 2 analogue microphone inputs■ 2 digital microphone inputs (MEMS)■Enhanced side-tone gain control■Supported sample rates of 8, 11.025, 16, 22.05, 32,44.1, 48 and 96kHz (DAC only)Auxiliary Features■Crystal oscillator with built-in digital trimming Package Option■68‑ball VFBGA 5.5 x 5.5 x 1mm 0.5mm pitch Physical Interfaces■UART interface for debug■USB 2.0 (full-speed) interface for audio and chargerenumeration■1-bit SPI flash memory interface■SPI interface for debug and programming■I²C interface for EEPROM■Up to 22 general purpose PIOs with 3 extra open-drain PIOs available when LED not used■PCM and I²S interfaces■ 3 LED drivers (includes RGB) with PWM flasherindependent of MCUIntegrated Power Control and Regulation■Automatic power switching to charger when present■ 2 high-efficiency switch-mode regulators with 1.8Vand 1.35V outputs direct from battery supply■ 3.3V linear regulator for USB supply■Low-voltage linear regulator for internal digitalcircuits■Low-voltage linear regulator for internal analoguecircuits■Power-on-reset detects low supply voltage■Power management includes digital shutdown andwake-up commands for ultra-low power modesBattery Charger■Lithium ion / Lithium polymer battery charger■Instant-on function automatically selects the powersupply between battery and USB, which enablesoperation even if the battery is fully discharged■Fast charging support up to 200mA with no externalcomponents■Higher charge currents using external pass device■Supports USB charger detection■Support for thermistor protection of battery pack■Support to enable end product design to PSE law:■Design to JIS-C 8712/8714 (batteries)■Testing based on IEEE 1725Baseband and Software■Internal ROM■Memory protection unit supporting accelerated VM■56KB internal RAM, enables full-speed datatransfer, mixed voice/data and full piconet support■Logic for forward error correction, header errorcontrol, access code correlation, CRC,demodulation, encryption bit stream generation,whitening and transmit pulse shaping■Transcoders for A-law, µ-law and linear voice fromhost and A-law, µ-law and CVSD voice over airCSR8645 BGATechnical OverviewCSR8645 Stereo ROM Solution with aptX DetailsBluetooth Profiles■Bluetooth v4.0 specification support■HFP v1.6 wideband speech (HD voice ready)■HSP v1.2■A2DP v1.2■AVRCP v1.4■Support for smartphone applications (apps) Improved Audio QualityCSR’s latest 2-mic CVC audio enhancements for narrowband and wideband connections including:■2-mic far-end audio enhancements■Near-end audio enhancements (noise suppression and AEQ)■Wind noise reduction■Packet loss concealment■Bit error concealment■Automatic gain control and automatic volume control■Frequency expansion for improved speech intelligibility■mSBC codec support for wideband speechMusic Enhancements■Configurable 5-band EQ for music playback (rock, pop, classical, jazz, dance etc)■aptX, SBC, MP3, AAC and Faststream decoder■Stereo widening (S3D)■Volume BoostAdditional Functionality■Support for voice recognition■Support for multi-language programmable audio prompts■CSR's proximity pairing and CSR's proximity connection■Multipoint support for HFP connection to 2 handsets for voice■Multipoint support for A2DP connection to 2 A2DP sources for music playback■Talk-time extension Headset Configurator ToolConfigures the CSR8645 stereo ROM solution with aptXsoftware features:■Bluetooth v4.0 specification features■Reconnection policies, e.g. reconnect on power-on■Audio features, including default volumes■Button events: configuring button presses anddurations for certain events, e.g. double press onPIO for last number redial■LED indications for states, e.g. headset connected,and events, power on etc.■Indication tones for events and ringtones■HFP v1.6 supported features■Battery divider ratios and thresholds, e.g.thresholds for battery low indication, full battery etc.■Advanced Multipoint settingsCSR8645 Stereo ROM Solution with aptX DevelopmentKit■CSR8645 stereo ROM solution with aptXdemonstrator board■Music and voice dongle■Interface adapters and cables are available■Works in conjunction with the CSR8645 stereoROM solution with aptX Configurator tool and othersupporting utilities■For order code details contact CSRCSR8645 BGATechnical Overview1Ordering InformationNote:Until CSR8645A03 reaches Production status, engineering samples order number applies. This is ES‑CSR8645A03‑IBBC, with no minimum order quantity.CSR8645 BGA is a ROM-based device where the product code has the form CSR8645Axx. Axx is the specific ROM-variant, A03 is the ROM-variant for CSR8645 Stereo ROM Solution with aptX.At Production status minimum order quantity is 2kpcs taped and reeled.Your attention is drawn to Cambridge Silicon Radio Limited’s ("Seller"’s ) standard terms of supply which govern the supply of Prototype Products or Engineering Samples and which state in clause 5:5.1 "Prototype Products" or "Engineering Samples" means any products that have not passed all the stages of full production acceptance as determined solely by the Seller. The Seller will usually identify which of the Goods ordered are considered Prototype Products designating them "ES" on the Quotation and any Order for Prototype Products shall be subject to the special terms contained in this clause 5.5.2 The Seller has used reasonable efforts to design and build the Prototype Products in accordance with the relevant specification, but because the testing carried out by the Seller in respect of the Prototype Products is incomplete, the Seller does not give or enter into any warranties, conditions or other terms in relation to quality or fitness for purpose of the Prototype Products and/or that the Prototype Products are free from bugs, errors or omissions.Supply chain: CSR's manufacturing policy is to multisource volume products. For further details, contact your local sales account manager or representative.To contact a CSR representative, email sales@ or go to /contacts .CSR8645 BGA Technical Overview1.1ContactsGeneral information Information on this product Customer support for this product Details of compliance and standards Help with this document Sales@pliance@Comments@1.2CSR8645 Stereo ROM Solution with aptX Development Kit OrderingInformationDocument HistoryTrademarks, Patents and LicencesUnless otherwise stated, words and logos marked with ™or ® are trademarks registered or owned by CSR plc or its affiliates. Bluetooth ® and the Bluetooth ® logos are trademarks owned by Bluetooth ® SIG, Inc. and licensed to CSR. Other products, services and names used in this document may have been trademarked by their respective owners.The publication of this information does not imply that any license is granted under any patent or other rights owned by CSR plc and/or its affiliates.CSR reserves the right to make technical changes to its products as part of its development programme.While every care has been taken to ensure the accuracy of the contents of this document, CSR cannot accept responsibility for any errors.Refer to for compliance and conformance to standards information.CSR8645 BGA Technical Overview。
拆解报告:Bose智能⾳频眼镜9⽉20⽇,Bose在中国⼤陆地区正式发售全新的可穿戴⾳频设备—Bose 智能⾳频眼镜。
该款产品不仅可以充当⽆线⽿机,⼜可充当时尚单品。
对于追求个性化的⽤户,Bose准备了额外的镜⾯银(偏光)和渐变蓝(⾮偏光)两款可替换镜⽚,来满⾜其定制的需求。
Bose独家开放式的设计将微声学、语⾳控制和个⼈收⾳体验提升到⼀个全新的⽔平,让⽤户⾃在收听⾳乐,轻松接打电话,便捷访问语⾳助⼿的同时,也能在很⼤程度上保证收听内容的私密性。
我爱⾳频⽹第⼀时间就收到了Bose智能⾳频眼镜,并第⼀时间进⾏了拆解,⼩伙伴们⼀起来看看。
⼀、Bose智能⾳频眼镜的开箱BOSE的这款智能⾳频眼镜叫做 FRAMES ALTO。
在外部深灰⾊的包装盒上贴有⼀张较⼤的贴纸,这张贴纸类似宣传页⾯,从正⾯和侧⾯展⽰了FRAMES ALTO智能⾳频眼镜的外观细节。
此次我爱⾳频⽹拿到的是S/M型号全球通⽤版型。
包装底部的贴纸印有产品信息,Bose客户服务中⼼地址及联系⽅式,产品保修卡说明事项;右下⾓还有产品注册页⾯的⼆维码。
背⾯同样有⼀张贴纸,上⾯有⽤多国⽂字描述的产品注意事项。
打开包装,映⼊眼帘的是⼀副⼈造⽪⾰材质的眼镜盒。
包装的产品清单:Bose智能⾳频眼镜,微纤维袋,眼镜盒,充电线。
配备的是磁吸式的充电线。
充电线⼀端的磁吸式充电区域,中部有四个充电顶针两侧圆点为磁吸触点。
眼镜盒内部材质为⼈造丝绒,为眼镜提供更柔软的保护。
眼镜盒的磁吸闭合区域。
眼镜盒与眼镜契合度⾼,眼镜可以稳固放置于眼镜盒中。
眼镜的正⾯,与⼀般的⼤框眼镜并⽆⼆致。
俯观眼镜,可以看到眼镜的侧边⽀架相对正常眼镜要更宽⼤。
将眼镜展开,可以看见⽤于充电的⾦属触点和⽤于磁吸的⾦属触点。
镜框与侧边⽀架的连接处采⽤镀⾦材质的铰链。
眼镜右侧⽀架内部特写,从左往右为麦克风开孔(两个),充电触点与磁吸触点,⼯作指⽰灯;电源输⼊:5V dc—70mA。
眼镜的⼀键控制按键。
CSR蓝牙芯片简介蓝牙开发可基于蓝牙协议的芯片级开发,也可基于蓝牙芯片的应用级开发.audio BC***** *****7C *****7A05 *****7 *****04 BC6140 BC6145BC6150 ***** ***** ***** ***** ***** *****A06 *****A10 ***** ***** **********蓝牙版本1.2 2.1 2.1 2.0 2.1 2.1 3.0 2.1 4.0 4.0 4.0 4.0 4.0 4.0 4.0 3.0 4.0 4.0 4.0蓝牙方案FLASH FLASH ROM ROM ROM ROM ROM ROM ROM ROM ROM ROM 内置FLASHA2DP A2DP A2DP A2DP A2DP MONO MONO MONO方案的A2DP MONO MONO方案的A2DP MONO方案的A2DP A2DP A2DP A2DP CVC CVC CVC CVC CVC NO CVC CVC CVC CVC CVC CVC CVC CVC CVCAVRCP AVRCP AVRCP AVRCP AVRCP NO AVRCP NO AVRCP NO AVRCP NO AVRCP AVRCP AVRCP AVRCP AVRCP AVRCP通过UART连接MCU 不支持CVC 音质比6130好2 MIC 1 MIC 2 MIC CVC5.0 HFP1.6/HSP HFP1.6/HSP HFP1.6/HSP HFP1.6/HSPHFP1.6/HSPHCI 支持low energy 基于HOST端的系统蓝牙,蓝牙的功能取决于系HCI 统上蓝牙协议stack的支持(基本上可以覆盖所HCI 有蓝牙功能) HCI 支持low energy 应用于蓝牙鼠标键盘,tag,loss alert, LOW ENERGY 支持low energy fitness,区别是PIO 12/32 LOW ENERGY 支持low energy 截止至20XX年.11.11BC*****主要用于数据传输需外接8M flash说明:蓝牙开发可基于蓝牙协议的芯片级开发,也可基于蓝牙芯片的应用级开发。
ldac_aptx和aptx hd功能介绍及区别介绍LDAC技术的功能介绍LDAC是索尼研发的一种无线音频编码技术,它最早在2015年的CES消费电子设备大展上亮相。
在当时,索尼表示比起标准的蓝牙编码、压缩系统,LDAC技术要高效三倍之多。
这样一来,那些高解析度的音频文件在进行无线传输的时候就不会被过分压缩,以至于极大损失音质了。
在传输LPCM高解析音频时,LDAC 技术能够保持它最大的位深和频响范围,即使是达到了96kHz/24bit的音频都能够完成高质量的传输。
与之相比,传统的蓝牙音频传输技术,在传输LPCM音频前,首先需要做的是将该高解析视频劣化到44.1kHz/16 bit的CD品质,然后再经过328kbps的传输,相当于两次大幅度的信息量损失,最终的质量离CD品质还要相去甚远。
LDAC提供了三种传输模式,首先是完全以质量为最优先的990kbps模式,接下来是默认的660 kbps普通模式,最后是和普通蓝牙标准差不多的330kbps模式,主要是为了保证连接质量。
我们在Android O开发者预览版的截图中,可以看到LDAC在该系统里同样提供了这三种传输模式。
aptX是一个音频编解码标准,该标准和蓝牙A2DP的立体声音频传输协议整合,传统蓝牙的立体声音频的编码标准是:SBC,俗称窄带编码,aptX是CSR推出的新的编码标准。
SBC编码的条件下,蓝牙立体声音频传输延迟时间在120ms以上,而采用aptX的编码标准,蓝牙立体声音频传输延迟时间在40ms。
而大部分人能感觉到的延迟做小数字是70ms 左右,所以,如果采用aptX的标准,在实际使用中,用户是感觉不到延迟的,就如直接用裸耳看电视一样的体验效果。
SBC是一个公共的协议,各个厂商的设备都可以相互很好兼容,而aptX是CSR的私有协议,所以,从电视,到耳机/音箱这样的设备,都需要采用CSR的软件技术或者芯片技术,方才能支持。
aptX HD的出现和高清音频的人气提升有关,它能够支持高达24-bit/48kHz的音频,也就是说我们将可以用无线设备听到音质更棒的音乐。